外墙外保温施工方案(真金板)
- 格式:doc
- 大小:842.00 KB
- 文档页数:13
目录1 编制依据2工程概况3基本方案4施工条件5施工准备6安全、质量和工期目标7施工工艺8主要节点图9质量检验10成品保护措施11工期保证措施12安全保证措施13创优规划外保温工程施工方案1、编制依据1.1 *************************#楼外墙装饰工程施工图纸。
国家及河南省有关的规范、标准、规程。
《外墙外保温工程技术规程》(JGJ144—2004)《河南省居住建筑节能设计标准(夏热冬冷地区)》(DBJ41/071—2006)《河南省民用建筑节能检测及验收技术规程》(DBJ41/065—2005)《建筑节能工程施工质量验收规范》(GB50411-2007)《外墙外保温建筑构造》(10J121)《外墙保温构造》(12YJ3—1)2、工程概况工程名称:****************************建设地点:*****************************************建设单位:***************************3、基本方案3.1涂料面层方案(如图所示)4、施工条件:4.1结构外墙基面、门窗洞口经过验收合格,门、窗洞口为净口安装。
4.2外墙面的雨水管卡、预埋件、空调洞口、设备穿墙管道提前安装完毕,穿墙洞口必须堵塞密实。
4.3 墙体基面必须符合下表规定:4.4施工现场必须具备施工作业的脚手架(或吊篮),垂直运输设备、材料堆放场地,施工用电、用水的专项设施。
4.5为了保证外保温的施工质量,施工地点和墙体基面温度不得低于5℃,风力不大于5级,雨雪天严禁施工。
5、施工准备:5.1技术准备:A、熟悉工程的图纸和资料,掌握根据国家规范、地方性标准制定的施工工艺。
B、坚持材料报验制度,不合格材料拒绝进场。
C、了解材料性能指标,掌握施工要点,明确施工工序。
D、提供工程所需要的材料和技术质量标准,并向施工现场的安装负责人和工人进行技术交底,做好技术指导,确保质量和现场安全无事故。
第1篇一、工程概况本工程为某住宅小区外墙保温工程,主要目的是提高建筑的保温性能,降低能耗,提高居住舒适度。
工程建筑面积为10000平方米,建筑高度为18米,结构形式为框架剪力墙结构。
外墙保温材料采用聚苯板(EPS)。
二、施工准备1. 材料准备:聚苯板、粘结剂、耐碱玻璃纤维网格布、保温砂浆、抗裂砂浆、界面砂浆、锚固件、膨胀缝填缝材料等。
2. 工具准备:切割机、搅拌机、托线板、靠尺、卷尺、抹子、刷子等。
3. 人员准备:施工人员、质量检验人员、安全管理人员等。
4. 施工现场准备:施工现场应平整、干净,施工道路畅通,临时设施齐全。
三、施工工艺1. 基层处理:对外墙基层进行清理,清除油污、灰尘、松散物等,确保基层表面平整、干净。
2. 涂界面砂浆:在清理后的基层上涂刷界面砂浆,提高基层与粘结剂的粘结强度。
3. 安装锚固件:根据设计要求,在外墙适当位置安装锚固件,确保锚固件与基层牢固连接。
4. 粘贴聚苯板:将聚苯板按照设计要求切割成所需尺寸,用粘结剂粘贴在基层上,确保聚苯板与基层牢固粘结。
5. 抹保温砂浆:在聚苯板上抹保温砂浆,厚度按照设计要求进行控制,确保保温层均匀。
6. 抹抗裂砂浆:在保温层上抹抗裂砂浆,厚度按照设计要求进行控制,确保抗裂层均匀。
7. 铺设网格布:在抗裂砂浆表面铺设耐碱玻璃纤维网格布,增强抗裂性能。
8. 膨胀缝处理:在膨胀缝处设置膨胀缝填缝材料,确保膨胀缝处填充饱满。
9. 验收:对施工完成的工程进行质量验收,确保工程质量符合设计要求。
四、施工要点1. 施工过程中,严格控制施工温度,确保施工质量。
2. 粘贴聚苯板时,确保聚苯板与基层牢固粘结,无空鼓、脱落现象。
3. 抹保温砂浆时,确保保温层均匀,厚度符合设计要求。
4. 抹抗裂砂浆时,确保抗裂层均匀,无裂缝、脱落现象。
5. 铺设网格布时,确保网格布平整、牢固,无皱褶、脱落现象。
6. 膨胀缝处理时,确保膨胀缝填缝材料填充饱满,无漏缝现象。
五、质量保证措施1. 施工前,对施工人员进行技术交底,确保施工人员掌握施工工艺和质量要求。
外墙外保温专项施工方案(1)一、前言外墙外保温是建筑工程中非常重要的一环,不仅可以提高建筑物的节能性能,还能有效延长建筑物的使用寿命。
本文将介绍外墙外保温的专项施工方案。
二、施工准备在开始外墙外保温施工之前,需要对施工现场进行准备工作。
首先要确保施工区域整洁干净,清除杂物和障碍物。
其次,要确保施工现场的安全,做好安全防护工作,保证施工人员的人身安全。
三、施工材料准备外墙外保温的常用施工材料包括保温板、粘结剂、抹面砂浆等。
在施工之前,要对这些材料进行检查,确保质量合格,符合施工要求。
四、施工步骤1. 基层处理首先要对外墙基层进行处理,包括清洁基层表面、修补破损部分等。
确保基层平整、稳固。
2. 粘结保温板将粘结剂均匀涂抹在基层表面,然后将保温板按照规定的要求粘贴在基层上。
保温板要求密实、整齐。
3. 抹面砂浆在保温板表面抹一层抹面砂浆,使其与保温板结合紧密。
抹面砂浆要均匀、光滑。
4. 防护层处理最后,在抹面砂浆干燥后,进行防护层处理,以保护外墙外保温系统。
可以选择涂料、贴面砖等材料作为防护层。
五、施工注意事项1.施工过程中要保持施工现场整洁,避免杂物影响施工质量。
2.施工人员要遵守操作规程,做好个人防护工作。
3.施工过程要注意施工质量,确保保温层的性能和外观质量。
4.施工完工后要做好施工记录和验收工作,确保施工质量符合要求。
六、结语外墙外保温施工是一项重要的工程,需要严格按照规范进行施工。
只有做好施工准备、选材合理、施工细致、质量把关等工作,才能保证外墙外保温系统的使用效果和使用寿命。
希望本文提供的外墙外保温专项施工方案能对相关工程工作者提供一定的参考和帮助。
改性聚苯板(真金板)外墙外保温系统施工方案施工单位:*********有限公司目录第一章工程概况 (2)第二章施工方案编制依据 (3)第三章系统及组成材料性能要求 (3)第四章施工条件及准备 (7)1经业主、监理、总包、外保温施工单位联合验收的外墙体(可分段进行)垂直、平整度满足规范要求,门窗框安装到位,飘窗、阳台栏板、挑檐等突出墙面部位尺寸合格,办理交接单后即可进行施工。
(7)第五章工艺流程 (8)1基层处理 (9)2配制砂浆 (10)3预粘板端翻包网格布 (10)4粘贴真金板 (11)5安装固定件 (12)6打底 (13)7抹第一遍面层聚合物抗裂砂浆 (13)8埋贴网格布 (13)9抹面层聚合物抗裂砂浆 (14)10细部及特殊部位做法 (14)第六章外墙外保温系统质量验收 (15)第七章安全措施 (17)第八章文明施工及成品保护 (18)第九章成本降低措施 (18)第一章工程概况工程名称:六舒三连接线滨湖安置点工程建设单位:肥西县三河镇人民政府设计单位:深圳市物业国际建筑设计有限公司勘察单位:安徽省金田建筑设计咨询有限责任公司监理单位:安徽科创工程项目管理有限公司施工单位:安徽华晟建设集团有限公司工程地点:安徽省合肥市肥西县三河镇结构形式:框架结构+异形柱结构基础形式:独立基础+筏板基础楼号:1#-17#楼、21#楼、36#楼、37#楼、38#楼建筑层数:六层(半地下室一层)其中21#楼为办公地下一层地上三层,36#楼为商业地上三层,37#楼为商业地上三层地下一层,38#楼为幼儿园地上二层建筑面积:1#、3#楼均为3097.08㎡,2#、4#楼均为3948.66㎡,5#、7#、9#、11#、13#、16#楼均为3127.47㎡,6#楼4450.41㎡,8#楼3951.79㎡,10#楼1319.03㎡,12#楼3951.12㎡,14#楼3127.47㎡,15#楼3154.94㎡,17#楼4697.24㎡,21#楼2736㎡,36#楼1583.68㎡,37#楼3525.86㎡,38#楼1620㎡。
真金保温板施工方案真金保温板施工方案一、施工准备工作1.检查墙体是否平整、干燥,如有空鼓、裂缝等问题,需提前修补;2.检查基层墙体是否有渗漏情况,如有渗漏,需提前处理;3.清理基层墙体的灰尘、油污等杂物。
二、材料准备1.真金保温板;2.石膏粉;3.胶水;4.锐纹网格布;5.水泥;6.涂料。
三、施工步骤1.先在墙体上涂刷一层水泥砂浆作为底层,待其干燥后,刮上一层石膏粉,使墙面更加平整;2.将真金保温板按照预先制定的布局规划进行切割,并用胶水将其粘贴到墙体上;3.在保温板上贴上锐纹网格布,并用胶水进行固定,增强保温板与墙体的牢固性;4.用胶水将保温板的接缝处进行密封处理,避免水分渗透;5.再次用石膏粉进行墙面的抹平并打磨,使整个墙面光滑无瑕疵;6.最后,涂上一层涂料作为墙面的保护层。
四、施工安全措施1.施工人员必须佩戴好安全帽、口罩、手套等防护用具,以免受到材料刺激;2.施工现场必须保持整洁,杂物必须及时清理,防止发生滑倒或其他意外事故;3.施工期间应严格控制火源,避免引起火灾;4.严禁在施工现场吸烟,防止引起火灾。
五、施工质量要求1.墙体表面平整光滑,无明显凹凸不平的情况;2.保温板与墙体粘贴牢固,无空鼓、起泡现象;3.保温板表面无明显刮痕、裂缝等缺陷;4.涂料颜色均匀一致,无色差。
六、施工后维护与保养1.施工完成后,在一定时间内避免撞击、刮擦墙面;2.施工后一周内,保持房间通风,避免室内湿度过高;3.定期检查墙体状况,如有损坏或松动的地方及时修补。
以上就是真金保温板施工方案的主要步骤和要求,希望对您有所帮助。
施工前请仔细阅读材料说明书,并在施工过程中严格遵守相关安全规定。
第1篇一、工程概况本工程为XX住宅小区外墙保温工程,建筑面积XX万平方米,采用外墙保温板作为主要保温材料。
保温板厚度为XX毫米,采用XX品牌。
本方案旨在确保施工质量,提高保温效果,延长建筑物的使用寿命。
二、施工准备1. 施工人员:组织一支具备相关资质和经验的施工队伍,包括项目经理、技术负责人、施工员、质量员、安全员等。
2. 施工材料:保温板、粘结剂、网格布、锚固件、防护涂料等。
3. 施工工具:切割机、电钻、扳手、水平尺、直角尺、滚筒、喷枪等。
4. 施工图纸:仔细阅读施工图纸,了解设计要求、保温材料规格、施工工艺等。
5. 施工场地:清理施工场地,确保施工环境整洁、安全。
三、施工工艺1. 施工流程(1)基层处理:清理墙面,检查墙面平整度,修补裂缝、孔洞。
(2)弹线定位:根据设计要求,在墙面上弹出保温板的水平线和垂直线。
(3)粘结保温板:将保温板按照弹线定位粘贴到墙面上。
(4)锚固件固定:在保温板与基层之间插入锚固件,确保保温板固定牢固。
(5)网格布铺设:在保温板表面铺设网格布,增强保温效果。
(6)防护涂料施工:在网格布表面涂抹防护涂料,保护保温层。
2. 施工要点(1)基层处理:确保墙面平整、干净,无油污、浮尘等。
(2)弹线定位:弹线要准确,确保保温板安装整齐。
(3)粘结保温板:粘结剂要均匀涂抹,厚度适中,确保保温板粘结牢固。
(4)锚固件固定:锚固件要插入到底,确保保温板与基层之间有足够的粘结面积。
(5)网格布铺设:网格布要紧贴保温板,无皱褶、空鼓等现象。
(6)防护涂料施工:涂料要均匀涂抹,无漏涂、流淌等现象。
四、质量控制1. 材料质量:保温板、粘结剂、网格布等材料必须符合国家标准,具有合格证书。
2. 施工质量:严格按照施工工艺进行施工,确保保温层平整、牢固。
3. 检查验收:施工过程中,定期进行自检、互检、专检,确保施工质量。
4. 质量记录:详细记录施工过程中的各项数据,如材料批次、施工日期、检查结果等。
真金板外墙保温施工方案全套资料(全套资料,可以直接使用,可编辑优秀版资料,欢迎下载)哈尔滨道外区桦树二期棚改项目1#楼外墙外保温施工方案中冶天工集团哈尔滨桦树二期棚改项目经理部2021年8月10日目录第一章施工方案编制依据错误!未定义书签。
第二章工程概况4第三章系统及组成材料性能要求5第四章施工条件及准备9第五章工艺流程101基层处理112配制砂浆123预粘板端翻包网格布124粘贴真金板125安装固定件156打底167抹第一遍面层聚合物抗裂砂浆168埋贴网格布169抹面层聚合物抗裂砂浆1710细部及特殊部位做法17第六章外墙外保温系统质量验收20第七章安全保护措施21第八章文明施工及成品保护22第九章成本降低措施221编制依据1)本项目图纸设计说明文件2)《民用建筑热工设计规范》GB50176—933)《公共建筑节能设计标准》GB50189—20054)《建筑工程施工质量验收统一标准》GB50300—20215)《外墙外保温工程技术规程》JG144—20046)《膨胀聚苯板薄抹灰外墙外保温系统》JG149—20037)《民用建筑节能设计标准(采暖居住建筑部分)》JGJ26-958)《建筑涂饰工程施工及验收规程》JGJ/T29—20039)《夏热冬冷地区居住建筑节能设计标准》JGJ134-2001(J116—2001)10)《改性聚苯板薄抹灰外墙外保温系统应用技术导则》WJQD—013-202111)本工程设计图纸12)本工程施工组织设计以上有国家有新标准的按最新标准执行,或执行国际标准的按国际标准执行。
产品的制造及安装质量应达到国家及省市有关标准、规范.工程的验收必须符合并达到国家及省市有关标准、规范。
以上有新的国家及省市标准、规范出台的,按最新的标准、规范执行,如上述标准、规范之间有矛盾,以标准较高者为准。
2工程概况本工程位于哈尔滨市道外区桦树街与宏伟路交口,本工程是以商用及住宅为主的商住两用楼,建筑主体1#楼地上16层、地下二层,结构形式为框剪结构,±0.000标高相当于绝对高程120。
外墙保温(真金板)专项施工方案一、工程概述1、工程名称:亿丰和家园3#楼2、工程性质:民用建筑。
3、规模:本工程建筑耐火等级为一级。
本工程建筑面积为25140.7m2,28+1层剪力墙结构。
本工程抗震设防烈度为7度,设计合理使用年限为50年。
4、项目地址:滕州市新华东路以南,科圣路以西。
第二节相关单位1、建设单位:滕州市亿丰房地产综合开发有限责任公司2、设计单位:同济大学建筑设计研究院(集团)有限公司3、监理单位:滕州市工程建设监理技术服务中心4、总包单位:深圳市博大装饰工程有限公司第三节工程承包范围和内容该项目图纸设计中的全部内容。
二、外墙外保温施工技术措施(一)施工条件1.外墙和外门窗口应施工及验收完毕。
2.操作地点环境温度h中的最低温度不应低于5℃,风力不大于5级。
雨天应停止施工。
(二)施工要点1.墙体外表面处理:墙体外表面必须清理干净,并检验其平整度和垂直度。
墙体外表面最大偏差不大于5mm,如超出时应用水泥砂浆处理。
对所有的内外墙穿墙套管进行清理,清完成后进行发泡封堵。
2.保温板粘贴(1)墙面上弹线:根据设计要求,在墙体外表面上弹出距散水标高20mm的水平线和伸缩缝线以及伸缩缝的宽度线。
阴阳角要求挂通线控制墙面粘贴的平整度。
(2)真金板的标准板面尺寸为1200mm×600mm。
对角误差为±2mm。
非标准板用整板按实际需要的尺寸加工。
尺寸允许偏差为±2mm,大小面应垂直。
(3)保温板粘贴宜采用框点粘法。
用抹刀沿保温板背面四周抹上胶浆。
其宽度为50mm,厚度10mm。
如采用标准板时,则在板中间均匀布置8个点,每点直径为120-150mm,厚度10mm,中心距200mm。
当采用非标准板时,粘结胶浆的涂抹点不得少于4点,且保温板的面积与胶浆的涂抹面积比,不得少于2.75。
(4)保温板抹粘结胶浆时,应保持侧边清洁,不得粘有胶浆。
抹完胶浆后应随即就位粘贴。
(5)保温板应自下而上,沿水平横向铺贴。
真金保温板施工方案1. 引言真金保温板是一种高效的保温材料,具有优异的保温性能和施工方便性。
本文将介绍真金保温板的施工方案,包括施工准备、施工步骤、材料准备和注意事项等内容。
2. 施工准备在施工前,需要进行一些准备工作,以确保施工顺利进行。
以下是施工准备的步骤:2.1 材料准备准备所需的施工材料,包括真金保温板、粘结剂、固定材料、密封材料等。
确保材料的质量符合相关标准,以确保施工的质量。
2.2 设备准备准备所需的施工设备,包括电锤、切割机、量具等。
确保设备的工作状态良好,以确保施工的效率和安全性。
2.3 施工区域准备清理施工区域,确保地面平整、干净,无任何障碍物。
需要注意的是,施工区域应保持通风良好,并且避免阳光直射。
3. 施工步骤真金保温板的施工步骤如下:3.1 水平基层处理在施工之前,需要先对基层进行处理。
清除基层表面的灰尘、油渍等杂质,确保基层表面干净、坚实。
3.2 涂刷粘结剂使用刷子将粘结剂涂刷在基层表面。
粘结剂的用量要均匀,不宜过多或过少。
在涂刷后,需要等待一段时间,让粘结剂适当干燥。
3.3 粘贴真金保温板将真金保温板按规定的位置粘贴在已涂刷粘结剂的基层上。
粘贴时要注意板材的平整度和垂直度,确保每块板材之间的间隙均匀。
3.4 固定真金保温板使用螺丝或特殊的固定材料将真金保温板固定在基层上。
固定时要注意力度的掌握,以免损坏板材或影响保温效果。
3.5 补充密封材料在板材的接缝处、固定件的周围等位置,使用密封材料进行补充。
密封材料的选择要符合相关标准,以确保施工的密封性和耐久性。
3.6 检查施工质量在施工完成后,对施工质量进行检查。
检查真金保温板的平整度、垂直度、固定性和密封性等方面,确保施工质量符合要求。
4. 材料准备在真金保温板的施工过程中,需要准备一些常用的材料,例如:•真金保温板:选择符合相关标准的真金保温板,保证其保温性能和质量。
•粘结剂:根据施工要求选择适当的粘结剂,确保板材与基层之间牢固粘结。
外墙外保温施工方案(真金板)外墙外保温在建筑装饰中扮演着至关重要的角色,不仅可以有效提高建筑的隔热保温性能,同时也对节能环保具有显著的作用。
本文将介绍一种高效的外墙外保温施工方案——真金板,旨在为建筑业界提供一种全新的保温材料选择及应用方法。
真金板材料介绍真金板是一种新型的外墙保温材料,具有较高的保温性能和抗风压性能。
其主要由聚苯乙烯发泡板和金属表面组成。
由于金属表面的覆盖,真金板具有出色的防水性和耐候性,可以有效保护建筑外墙不受外界环境侵蚀。
施工步骤1.确定施工范围和工艺要求:施工前需要明确外墙保温的具体范围和施工工艺要求,确保施工过程符合相关规范要求。
2.准备工作:确认好施工所需的材料、工具,并对施工现场进行清理和平整,保证施工的顺利进行。
3.真金板安装:将真金板固定在建筑外墙表面,注意板与板之间的密合度,确保保温效果。
4.接缝处理:采用专用的密封胶对真金板的接缝进行处理,保证外墙保温层的密封性。
5.外墙装饰:在外墙保温层表面进行装饰处理,增加建筑的美观性和耐久性。
优势与应用范围1.保温效果显著:真金板具有较高的保温性能,可以有效提高建筑的节能效果。
2.施工简便:真金板采用预制板材,安装过程简单快捷,减少了施工周期。
3.抗风压能力强:金属表面的真金板具有较高的抗风压性能,适用于高楼建筑和风力较大地区的外墙保温施工。
结语外墙外保温对于建筑的保温效果及整体外观至关重要。
通过采用真金板这一新型外墙保温材料,不仅可以提高建筑的保温效果,同时也为建筑外观增色不少。
希望本文所介绍的真金板外墙保温施工方案能对建筑施工行业提供一种新的选择和思路。
《高层建筑外立面保温施工方案(外墙保温板)》一、项目背景随着人们对居住和办公环境舒适度要求的不断提高,建筑节能成为了现代建筑发展的重要方向。
高层建筑由于其高度和体量较大,外立面保温施工对于降低能源消耗、提高室内舒适度至关重要。
本项目为某高层建筑,总建筑面积[X]平方米,地上[X]层,地下[X]层。
为了提高建筑的保温性能,降低能源消耗,决定对外立面进行保温施工,采用外墙保温板作为保温材料。
二、施工步骤1. 施工准备(1)技术准备- 熟悉施工图纸和设计要求,编制施工方案,并进行技术交底。
- 对施工人员进行培训,使其掌握外墙保温板的施工工艺和技术要求。
(2)材料准备- 根据施工图纸和设计要求,确定外墙保温板的规格、型号和数量,并进行采购。
- 准备好粘结剂、锚固件、耐碱玻纤网格布等辅助材料。
(3)现场准备- 清理施工现场,确保墙面平整、干燥、无油污、无灰尘等。
- 安装好施工用的脚手架和安全防护设施。
2. 基层处理(1)对墙面进行检查,如有裂缝、空鼓等缺陷,应进行修补。
(2)用水泥砂浆对墙面进行找平,平整度误差不得超过 4mm。
(3)在墙面上涂刷界面剂,增强保温板与基层的粘结力。
3. 保温板粘贴(1)根据墙面尺寸和保温板规格,进行排版设计,确定保温板的粘贴位置。
(2)在保温板背面涂抹粘结剂,涂抹面积不得小于保温板面积的 40%。
(3)将保温板粘贴在墙面上,用手轻轻挤压,使粘结剂均匀分布,并保证保温板与墙面之间的粘结牢固。
(4)保温板粘贴应自下而上进行,错缝粘贴,相邻保温板之间的缝隙不得大于 2mm。
4. 锚固件安装(1)在保温板粘贴 24 小时后,进行锚固件安装。
(2)根据设计要求,确定锚固件的数量和位置,用电钻在墙面上打孔,孔深应大于锚固件长度的 20mm。
(3)将锚固件插入孔内,用螺丝刀拧紧,使锚固件与保温板牢固连接。
5. 耐碱玻纤网格布铺设(1)在保温板表面涂抹一层抹面砂浆,厚度为 2-3mm。
(2)将耐碱玻纤网格布铺设在抹面砂浆上,用抹子将其压入抹面砂浆中,使其与抹面砂浆充分结合。
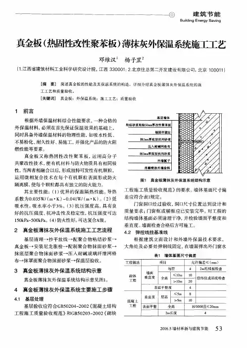
热固型改性聚苯板外墙外保温施工方案编制人:审核人:审批人:编制单位:南京景顺装饰设计工程有限公司编制时间: 2017 年 8 月一、外墙外保温施工方案(一)、工艺流程基层清理→抄平放线→配聚合物粘结砂浆→改性聚苯板(真金板)→安装锚栓→配制聚合物抹面砂浆→抹底层聚合物抹面砂浆→压入耐碱玻璃纤维网格布→抹罩面聚合物抹面砂浆→保温层验收。
(二)、结构简图(三)、外墙外保温的主要施工步骤1、基层处理基层验收应符合《混凝土结构工程施工质量验收规范》(GB50204-2002)和《砌块工程施工质量验收规范》(GB50203-2002)规定的要求。
墙体基面尺寸偏差应符合下表规定:工程做法项目允许偏差,≤,㎜砌体工程墙面垂直度每层 4 2m托线板检查全高≤10m10经纬仪或吊线检查门窗洞口经过验收,洞口尺寸位置达到设计和质量要求;门窗框或辅框应已经安装完毕。
对工程的结构墙体基面必须清理干净,并检验墙面平整度和垂直度。
墙面检查合格后方可施工。
2、弹控线挂基准线根据建筑立面设计和外墙外保温技术要求,大角处及必要处弹钢线固定,在墙面弹出外门窗水平、垂直控制线,经检查合格后的墙面板块面积不宜大于15平方米,单向尺寸不宜大于5米。
3、预粘板端翻包网格布在窗口等保温板接缝及端点位置,预先粘贴板边翻包网格布,将不小于200mm 宽的网格布中的80mm 宽用专用粘结砂浆牢固粘贴在基面上(粘结砂浆厚度不得超过2mm),后期粘贴改性聚苯板(真金板)时再将剩余网格布翻包过来。
4、粘贴保温板(1)用抹子在每块保温板四周满粘,板子中部采用点粘法,粘结面积40%,粘结方法详见后面施工大样图。
(2)涂好后立即将保温板贴在墙面上,动作要迅速,以防止粘结剂结皮而失去粘结作用。
(3)保温板贴在墙上时,应用2米靠尺进行压平操作,板面高差尽量控制在3㎜以内,保证其平整度和粘结牢固。
改性聚苯板(真金板)粘贴完毕后板面尽量不要打磨,粘贴时应控制好板面平整度。
SBS改性沥青混凝土AC-16C施工方案改性聚苯板(真金板)外墙外保温系统施工方案施工单位:*********有限公司页脚内容1SBS改性沥青混凝土AC-16C施工方案目录第一章工程概况 (3)第二章施工方案编制依据 (4)第三章系统及组成材料性能要求 (4)第四章施工条件及准备 (8)1经业主、监理、总包、外保温施工单位联合验收的外墙体(可分段进行)垂直、平整度满足规范要求,门窗框安装到位,飘窗、阳台栏板、挑檐等突出墙面部位尺寸合格,办理交接单后即可进行施工。
(8)第五章工艺流程 (10)1基层处理 (11)2配制砂浆 (12)3预粘板端翻包网格布 (12)4粘贴真金板 (13)5安装固定件 (16)6打底 (17)7抹第一遍面层聚合物抗裂砂浆 (17)8埋贴网格布 (17)9抹面层聚合物抗裂砂浆 (18)10细部及特殊部位做法 (18)第六章外墙外保温系统质量验收 (22)第七章安全措施 (24)第八章文明施工及成品保护 (24)页脚内容2SBS改性沥青混凝土AC-16C施工方案第九章成本降低措施 (24)第一章工程概况工程名称:六舒三连接线滨湖安置点工程建设单位:肥西县三河镇人民政府设计单位:深圳市物业国际建筑设计有限公司勘察单位:安徽省金田建筑设计咨询有限责任公司监理单位:安徽科创工程项目管理有限公司施工单位:安徽华晟建设集团有限公司工程地点:安徽省合肥市肥西县三河镇结构形式:框架结构+异形柱结构基础形式:独立基础+筏板基础楼号:1#-17#楼、21#楼、36#楼、37#楼、38#楼建筑层数:六层(半地下室一层)其中21#楼为办公地下一层地上三层,36#楼为商业地上三层,37#楼为商业地上三层地下一层,38#楼为幼儿园地上二层建筑面积:1#、3#楼均为3097.08㎡,2#、4#楼均为3948.66㎡,5#、7#、9#、11#、13#、16#楼均为3127.47㎡,6#楼4450.41㎡,8#楼3951.79㎡,10#楼1319.03㎡,12#楼3951.12㎡,14#楼3127.47㎡,15#楼3154.94㎡,17#楼4697.24㎡,21#楼2736㎡,36#楼1583.68㎡,37#楼3525.86㎡,38#楼1620㎡。
工程名称凤凰美地超限高层外墙保温交底部位5#、6#、12#~20#住宅楼、商业外墙保温施工单位宿迁市华夏建设(集团)工程有限公司日期2015年6月3日交底提要:外墙保温的相关材料、机具准备、质量要求及施工工艺。
用真金板锉修平整,缝隙严密后,再打胶点,真金板粘贴采用点框法或条粘法,点框法为:在真金板上抹专用聚合物粘结砂浆,在板四周抹一圈,宽度80mm,侧面留50mm宽排气口,板心按梅花形布设粘结点,粘结点直径不于小200mm个数不少于8个,粘结剂厚10mm(压实厚度3~5mm),间距200—300mm,。
涂料饰面外墙粘结面积不小于50%(特殊部位为100%粘贴见9.3条).点粘法条粘法(4)抹完粘贴砂浆后,立即将板立起就位粘贴,粘贴时应轻柔、均匀挤压,并随时用托线板检验垂直平整.板与板接紧,碰头缝处不抹粘贴砂浆。
粘贴真金板应做到上下错缝(1/2),每贴完一块板,应及时清除挤出的粘贴砂浆,板间不留空隙,如出现大于2。
5mm间隙,应用相应宽度的真金板填塞。
阴角处相邻的两墙面所粘真金板应交错连接(马牙槎)。
工程名称凤凰美地超限高层外墙保温交底部位5#、6#、12#~20#住宅楼、商业外墙保温施工单位宿迁市华夏建设(集团)工程有限公司日期2015年6月3日交底提要:外墙保温的相关材料、机具准备、质量要求及施工工艺。
片的冲击钻,切割刀片的大小、切入深度与钉帽相一致,将工程塑料膨胀钉的钉帽比板边表面略拧进一些;如此才可保证板表面平整,利于面层施工;同时方可确保膨胀钉尾部膨胀部分因受力回拧膨胀使之与基体充分挤紧.固定件加密:阳角、孔洞边缘及窗四周在水平、垂直方向2m范围内须加密,间距不大于300mm,距基层边缘为60mm。
墙身边角、洞口锚固件做法表6锚栓性能指标项目性能指标试验方法锚栓抗拉承载力标准值,kN ≥0.60 JG149现场单个锚栓抗拉承载力最小值,kN混凝土墙≥0.60DG/TJ08—2088 加气混凝土砌体墙≥0。
兴港国际企业中心(一期)一标段外墙外保温施工方案审批:审核:编制:湖南省建筑工程集团总公司2017年4月目录一、工程概况 (2)二、编制依据... . (2)三、施工部署................................. . (2)四、施工工艺及要求 (4)五、施工重点 (11)六、质量保证措施 (12)七、安全文明施工措施 (13)一、工程概况工程名称:兴港国际企业中心(一期)一标段工程工程地点:郑州航空港经济综合实验区航程西路与郑港一路交叉口东南侧工程范围:1#-5#楼外墙外保温。
外墙外保温工程概况:本工程1#-5#楼外墙外保温为70厚岩棉板,阻燃等级为A级,导热系数≤0.039。
在标高+0.200m 处的东西立面及南北窗间墙加第一道∟50×5mm镀锌角钢托架,以上每隔三层加设一道托架。
二、编制依据(1)本工程外墙外保温设计说明及设计变更文件(2)《建设节能工程施工质量验收规范》GB50411—2007(3)《建筑工程施工质量验收统一标准》GB50300—2013(4)《建筑装饰装修工程质量验收规范》GB50201—2001(5)《外墙外保温工程技术规程》JGJ144-2008(6)《外墙外保温》12YJ3-1(7)《外墙外保温建筑构造图集》10J121三、施工部署3.1施工准备(1)外墙抹灰基层用1:3水泥砂浆整体找平,保证基面平整度偏差不超过4mm,并按照《建筑装饰装修工程质量验收规范》GB50210-2001中关于一般抹灰工程的质量要求进行验收。
(2)水泥砂浆外墙面粉刷层基层粘结牢固、无开裂、无空鼓。
(3)基层面干燥、平整,平整度:两米靠尺测定小于4mm误差。
(4)基层面无油污、浮尘或空鼓的疏松层等其他异物。
(5)外墙门窗洞口收口完毕。
3.2安全技术交底进场施工前,施工部门组织技术、质检、安全部门对负责施工的相关人员进行现场安全技术交底工作。
施工时严格按照安全技术交底要求进行。
3.3现场材料准备所有原材料均按照图纸设计的要求的技术指标进行订货。
进场时相关质保资料应齐全,及时上报至监理单位,验收无误后堆放在指定场地。
四、施工工艺:施工工艺流程图NO NO4.1.弹控制线、挂基准线4.1.1从最高点排通线,每三层做一个控制点,做到墙体垂直;4.1.2根据建筑立面设计和外墙外保温技术要求,在墙面弹出窗水平、垂直控制线等;4.1.3在建筑外墙大角(阴阳角)及其它必要处挂垂直基准线,每个楼层适当位置挂水平线以便控制热固形改性聚苯板的垂直度和平整度。
4.2粘结砂浆4.2.1采用专用砂浆搅拌机,把胶粘剂粉料按配合比搅拌;搅拌时间不少于3min,搅拌必须充分、均匀,稠度适中;4.2.2拌制砂浆的过程中绝不允许掺加水泥、快凝剂、防冻剂、填充料、色料等任何形式的添加剂;4.3基层上粘贴翻包网格布4.3.1凡在粘贴的热固形改性聚苯板边缘外露处都应做标准耐碱型网格布翻包处理,具体部位包括:1)勒脚收头处;2)门窗洞口处;3)女儿墙收头处4.3.2裁取300mm宽的标准型耐碱网格布条;4.3.3需要做翻包处理的部位基层上抹出100mm宽2~3mm厚的粘结砂浆;4.3.4抹好的粘结剂上铺设耐碱网格布条,并用不锈钢抹子均匀压入粘结剂内,压入宽度100mm,让剩下部分网格布甩出并保持清洁,待将来翻包用。
4.4粘结剂4.4.1在热固形改性聚苯板表面上用点框结合法涂抹粘结剂;4.4.2应保证粘结剂在热固形改性聚苯板表面的有效粘结面积应控制在50%且必须牢固。
4.4.3用不锈钢抹子在板边抹出50mm宽连续的粘结砂浆条,并在板中间抹出8个直径不小于100mm 的粘结砂浆块,厚度均不小于8mm,具体布置方式如下图所示。
4.4.4为了杜绝产生冷热桥,热固形改性聚苯板的侧边不得涂抹粘结剂,沾到侧边的砂浆应立即刮除,做到无碰头灰。
4.5粘贴热固形改性聚苯板4.5.1已抹好粘结砂浆的热固形改性聚苯板从每个节点的部位开始自下而上,热固形改性聚苯板长边沿水平方向铺设粘贴;4.5.2竖缝应逐行错缝1/2板长或≥200mm;4.5.3在墙角处应两侧热固形改性聚苯板应错茬搭接,并保证墙角垂直度;4.5.4门窗等洞口四角处应采用整块热固形改性聚苯板切割成型,不得拼接,热固形改性聚苯板的接缝距洞口四角距离应大于200mm,洞口四边的其它热固形改性聚苯板宽度也应不小于200mm。
4.5.5均匀施加压力使热固形改性聚苯板充分粘贴到基层,粘结砂浆压实厚度宜控制在3mm以内;4.5.6随时用2m靠尺和托线板检查平整度和垂直度,不符合要求时立即更正;4.5.7贴好后应立即刮除板缝和板侧面残留的粘结砂浆;4.5.8热固形改性聚苯板间缝隙应控制在1.5mm以内,接缝处高差应控制在1mm以内;4.5.9如果热固形改性聚苯板接缝宽度超过1.5mm,则用适当宽度的热固形改性聚苯板条将缝塞满,板条不得粘结。
4.6安装锚固件4.6.1粘贴热固形改性聚苯板24小时后采用锚栓固定,然后抹抹面胶浆3-6厚,压入耐碱玻纤网。
锚栓直径为ø6,锚栓长度为12cm,锚固件深入墙体内部有效锚固深度应不小于50mm。
4.6.2凡是三块相邻热固形改性聚苯板接触的“T”型接缝处必须设一个锚固件。
4.6.3在基层边缘部位的锚固件应加密固定,如转角、洞口、屋顶等,锚固件离边缘距离应不小于100mm,而且这些部位适当增加锚固件数量使靠近边缘一排锚固件的间距控制在300mm以内;4.6.4需要安装固定件的部位先用带有直径8mm钻头的冲击钻在基层墙体(不包括找平层)上钻入深度不小于50mm的孔;4.6.5用手锤把锚固件的胀管打入预先钻好的孔内,保证顶部圆盘与热固形改性聚苯板齐平;4.6.6用手锤把钢钉打入胀管内,圆盘陷入热固形改性聚苯板表面1mm。
4.6.7为了使系统达到更好的防水保温效果,在安装完毕的锚固件上,批涂抹面胶浆,要求将锚固件充分覆盖。
待胶浆完全干燥后,再进行大面积的抹面胶浆批涂。
4.6.8锚固件数量:建筑高度20m以下不少于6个/m2,20m以上不少于9个/m2。
4.7打磨热固形改性聚苯板不平整接缝处4.7.1如果接缝处平整度偏差超过1.5mm,则用粗砂纸打磨平整;4.7.2抹面层施工前应清除热固形改性聚苯板表面上任何残留废屑;4.8热固形改性聚苯板上铺贴翻包网格布4.8.1凡需要翻包的部位热固形改性聚苯板的正面抹宽100mm 厚1.5~2.0mm拌制好的抹面胶浆;4.8.2把预先甩出的翻包网格布沿板厚翻包,并压入抹面胶浆内;4.8.3门窗洞口处翻包施工完毕后,四角露底部位沿45°斜铺200mm宽300mm长的标准耐碱型网格布条,并压入抹面胶浆内;4.8.4压入抹面砂浆的翻包网格布要求完全嵌入抹面胶浆内,不得裸露。
4.9底层抹面胶浆4.9.1抹面砂浆的施工在每段施工区域节点内应自上而下,从左到右进行;4.9.2热固形改性聚苯板表面上用不锈钢抹子抹出1~2mm厚已拌制好的抹面胶浆;要求将热固形改性聚苯板充分覆盖。
4.9.3每次抹胶浆面积应略大于一块网格布的面积4.9.4已有翻包或加强网的部位底层抹面砂浆厚度宜控制在1.5mm以内。
4.10铺设耐碱网格布4.10.1抹完底层抹面砂浆的部位,胶浆尚未干时,立即铺设加强耐碱型耐碱网格布,铺设时耐碱网的弯曲面应朝向墙面;4.10.2单张网格布长度不宜大于6m;4.10.3铺设耐碱网时,从中央向四周用抹子抹平,直至耐碱网完全嵌入抹面砂浆内;14.0.4铺设网格布时网格布的弯曲面应朝向墙面,并从中央向四周用抹子抹平,直至网布完全埋入抹面胶浆内。
4.10.5标准网格布需要搭接时,必须满足65mm的搭接长度要求;加强型网布只需对接,其对接边缘应紧密。
4.10.6在转角部位,网格布应该是连续的,并从每边双向绕角后包墙的宽度不小于200mm,标准网格布重叠部分中间必须有抹面砂浆,严禁干搭接。
4.10.7保温墙体与非保温墙体(分户墙等)连接处,网格布应转包不小于200mm,如右图所示。
4.11面层抹面胶浆4.11.1等底层抹面胶浆表干(可碰触)后再抹一道2.0~3.0mm厚的抹面胶浆,抹面胶浆的总厚度应控制在3.0~5.0mm之间;4.11.2面层抹面胶浆应完全覆盖网格布并表面平整度满足涂料饰面的相关要求。
4.12特殊部位处理4.12.1当脚手架拆除后,应及时修补脚手眼、槽钢洞、穿墙件等孔洞,对墙体孔洞用相同的基层墙体材料分两次进行填补,并用1:3防水水泥砂浆抹平。
4.12.2根据孔洞尺寸切割热固形改性聚苯板并打磨其边缘部分,使之能严密封填于孔洞处。
4.12.3待孔洞防水水泥砂浆凝固后,将热固形改性聚苯板背面涂10mm厚的专用粘结剂,将热固形改性聚苯板塞入洞中,注意不要在四周边沿涂专用粘结剂。
4.12.4裁剪面积能覆盖整个修补区或大小的网格布,并与周边网格布搭接80mm。
4.12.5涂抹底层抹面胶浆,埋入修补的网格布,待表面不粘手时,再涂面层抹面胶浆,厚度应与周边一致。
4.12.6用湿毛刷将新旧表面不平整处整平,并将孔洞边缘刷平。
五.施工重点1.对门窗洞口、勒脚等进行网格布反包。
2.粘贴保温板应自下而上,沿水平方向横向铺贴,每排板应错缝不小于200mm板长,板缝应紧密平齐,在墙面转角处,保温板垂直缝应犬齿交错连接,并保证墙角垂直度。
门窗洞口四角部位,根据保温板尺寸由下而上排列,局部门窗洞口部位如不能满足洞口四角整板切割要求,根据实际尺寸进行调整,确保洞口整板切割。
3.上网格布前预先把翻包网及门窗洞口部位加强网预先铺好,然后进行大面积由上而下铺设网格布,为了确保面层胶浆平整不印网,待网格布达到强度后再进行二次抹浆。
4.锚固件安装必须在热固形改性聚苯板粘贴24h后进行,以保证胶粘接充分的发挥出粘接强度,其固定位置和数量应符合设计要求。
5.配置好的抹面胶浆,用不锈钢抹子均匀刮涂于热固形改性聚苯板表面(厚度约1~2mm),趁其未表干,将网格布压入湿的抹面胶浆中,然后用平口批刀将其嵌入抹面胶浆中,等待其稍干可以触碰时,用电锤在网格布表面钻孔,安装膨胀锚栓。
直至第一道抗裂砂浆充分干燥完成,开始批涂第二道抗裂砂浆,要求将网格布充分覆盖,抹面胶浆总的厚度控制在3~5mm为宜,压平,收光。
6. 严禁在饰面层完成的外保温墙面上开孔或钉钉。
六、质量保证措施6.1工程质量标准工程质量符合设计及国家规范要求,达到验收合格标准。
6.2确保工程质量的技术措施6.2.1组织材料应按审核后的计划进场,并做好保管工作。
材料进场按规定分别堆放整齐。
保温板、网格布、锚栓、干粉料等材料在运输存放时,须保留标牌,按批量分类,出厂证明、合格证书必须对口、齐全、不能混堆,注意污染和损坏,所有进场材料必须试验合格后方能用于本工程,不合格的产品不得用于本工程。