卸料平台验收表
- 格式:doc
- 大小:50.00 KB
- 文档页数:2
卸料平台验收记录表之迟辟智美创作工程名称:
施工单元分包单元
搭设负责人项目负责人
验收部位材质型号
搭设个数
序号检查项目验收内容及要求验收结果
一资料部份施工单元有专业资质,架子工经培训持证上岗
有施工方案,具有指导性强,有设计计算书,审批手续完备
有平安把持规程及平安技术交底记录
二平台上主
梁及次梁
的稳定性
悬挑的主梁及次梁的装置是否符合设计,是否按图施
工
结构连接或焊接是否牢固可靠,是否按要求施工
平台是否按要求在各层预埋卡环固定平台支腿,卡环
上面左右必需加木楔固定
三钢丝绳卸
载
钢丝绳的拉结部位是否在平台主梁受力主节点位置
绳卡扣接、扭力矩是否到达要求
钢丝绳的接拉接角度是否符合要求,U型绳卡很多于3
个,绳卡间距离不小于15cm,最后1个50cm以上必需
设弯度,绳卡后端钢丝绳必需伸出15-
20cm,4条钢丝绳必需受力均匀.
四脚手板铺
设
脚手板材质是否符合要求
脚手板是否满铺并结实可靠
五平安防护架体外侧用密目式平安网严密封闭
脚手板满铺牢固,不得有探头板
六荷载脚手板荷载不得超越规定
平台外侧是否挂有限载牌,内侧设有限载,对钢管、木枋、模板限重、限高、限长
验收结论:年月日
验收单元意见
施工单元监理单元:
年月日项目负责人:
年月日
搭设负责人:
年月日
平安员:
年月日。
落地式钢管卸料平台验收表落地式钢管卸料平台验收表一、引言落地式钢管卸料平台是用于将钢管从卡车或者其他运输工具上卸下至地面的设备,具有重要的作用和意义。
为确保卸料平台的质量,减少安全隐患,同时符合相关法律法规的要求,特编制此验收表。
二、卸料平台基本信息1. 卸料平台名称:2. 型号:3. 额定载荷能力:4. 创造商:5. 验收日期:三、验收标准卸料平台的验收标准应符合以下要求:1. 相关国家、地区的法律法规标准;2. 创造商提供的技术规范和产品说明书;3. 设计图纸和验收文件。
四、验收步骤1. 卸料平台外观检查- 检查卸料平台的整体结构、外观、焊接工艺是否符合设计要求;- 检查卸料平台表面是否平整、无明显缺陷或者变形;- 检查卸料平台的涂装是否均匀、无掉落现象。
2. 功能性能测试- 检查卸料平台的升降系统是否灵便可靠,无异常响动;- 检查卸料平台的整体稳定性,包括台面、扶手、护栏等;- 检查卸料平台的安全保护装置是否完好可用,如限位器、防坠器等。
3. 载荷能力测试- 针对卸料平台的额定载荷能力,进行负载测试,确保其能够承受设计荷载;- 检查卸料平台在负载状态下的稳定性和安全性。
4. 安全性能测试- 检查卸料平台的防滑措施,确保表面材质和纹路符合要求;- 检查卸料平台的护栏、扶手、门等安全设施是否可靠,并符合相关标准;- 检查卸料平台的电气部份,确保电缆、插座等电气设备符合安全要求。
5. 使用说明和培训- 创造商或者工程方应对使用人员提供详细的使用说明和维护保养手册;- 对使用人员进行操作培训,确保其掌握卸料平台的正确使用方法和安全注意事项;- 确保操作人员具备相关证书和操作资质。
五、验收结果记录经过以上的验收步骤和测试,对卸料平台的验收结论为:(□合格□不合格)六、验收意见及签字1. 验收单位:2. 验收人员:3. 验收日期:4. :附件:1. 卸料平台设计图纸2. 卸料平台创造商资质证书3. 卸料平台使用说明书法律名词及注释:1. 额定载荷能力:指卸料平台被设计和创造为承受的最大载荷。
卸料平台验收表
工程名称验收日期验收部位平台类型□悬挑式平台□落地式平台平台编号
资料验收
有施工方案及设计计
算
书□
施
工
项
目
技
术
负
责
人
批
准
□
总监理
工程师
批
准
□
有安
全技
术交
底
记
录
□
悬
挑
型
钢
检
测
报
告
□
现场验收
验收项目验收内容验收
结果
验收意见
悬挑平台钢丝绳规格、承重龙骨规格符合方案要
求。
□平台的搁支点与上部拉结点,应位于建筑物上,不得设置在脚手
架等施工设备上,且应符合方案要□
求。
悬挑式平台
吊环应用甲类3号沸腾钢制作。
□结构安全
钢平台外口应略高于内口。
□
钢丝绳与结构锐角接触处应加衬软垫物,防止剪切
破坏.
□落地式平台钢管间距(柱距、步距)符合方案要求。
□落地式平台
结构安全
落地式平台剪刀撑设置符合方案要求。
□
脚手板铺设严密牢固□
平台防护平台周围设置不低于 1.5m高的防护围栏,围栏内
侧用密目安全网封严
□
措施
围栏下口设置180mm挡脚板□
平台内侧、外侧明显处分别设置标志牌,规定使用
要求和限定荷载。
□
□ 其他验收
项目
□
验收
意见
建设单位项目负责人施工单位技术负责人总/专业监理工程师项目部技术负责人注:凡需要专家论证的分部分项工程由总监理工程师签字。
卸料平台验收表完整卸料平台验收表工程名称:(填写工程名称)施工单位:(填写施工单位名称)搭设负责人:(填写搭设负责人姓名)验收部位:(填写卸料平台的具体部位)搭设个数:(填写卸料平台的数量)序号检查项目验收内容及要求一施工单位 - 有专业资质,架子工经过培训并持证上岗 - 分包单位项目负责人 - 材质型号 - 资料部分有施工方案、设计计算书、审批手续完备 - 有安全操作规程及安全技术交底记录二 - 悬挑的主梁及次梁的安装是否符合设计,是否按图施工 - 平台上主梁及次梁结构连接或焊接是否牢固可靠,是否按要求施工 - 平台是否按要求在各层预埋卡环固定平台支腿,卡环上的稳定性 - 钢丝绳的拉结部位是否在平台主梁受力主节点位置 - 绳卡扣接、扭力矩是否达到要求三 - 钢丝绳卸钢丝绳的接拉接角度是否符合要求,U型绳卡不少于3个,绳卡间距离不小于15cm,最后1个50cm以上必须设弯度,绳卡后端钢丝绳必须伸出15-20cm,4条钢丝绳必须受力均匀。
四 - 脚手板铺脚手板材质是否符合要求 - 脚手板是否满铺并结实可靠设 - 平台四周是否焊接1.2米高防护栏杆并加装安全挡板五安全防护 - 架体外侧用密目式安全网严密封闭 - 脚手板满铺牢固,不得有探头板 - 脚手板荷载不得超过规定六荷载 - 平台外侧是否挂有限载牌,内侧设有限载,对钢管、木枋、模板限重、限高、限长验收结论:年月日验收单位:(填写验收单位名称)施工单位:(填写施工单位名称)意见:项目负责人:(填写项目负责人姓名)搭设负责人:(填写搭设负责人姓名)监理单位:(填写监理单位名称)安全员:(填写安全员姓名)落地式卸料平台脚手架验收记录表表C3.8工程名称:(填写工程名称)施工单位:(填写施工单位名称)方案是否论证:(填写“是”或“否”)验收项目方案序号搭设位置结果1 脚手架平面尺寸应编制专项施工方案,并应进行设计计算钢管规格材质符合现行国标,钢管刷防锈漆,无裂纹、变形扣件符合GB规定,抽样复试合格,无锈蚀、脆裂、变形及滑丝;紧固力矩40N.m~65N.m2 安全技术要求3 架体基础基础平整坚实,满足承载要求有排水措施(基础宜高出自然地坪50mm~100 mm)立杆底部设置通长垫板和底座4 构件材质5 立杆纵横距6 脚手板厚50mm,材质符合国标;木脚手板无劈裂、腐朽;钢脚手板无锈蚀、裂纹、变形7 基础平整坚实,满足承载要求8 立杆纵横距方案设计值:立杆纵距()m,允许偏差±30 mm立杆横距()m,允许偏差横杆步距为()m,允许偏差为±20 mm。
卸料平台验收表
2、卸料平台不宜过大,应控制其面积。
落地操作平台搭设自检表
注:移动式操作平台面积不应超过10㎡,高度不超过5m。
编号:CZ-Q/E/O-10.01
安全资料目录
宜宾市建设工程质量安全监督部
模板支撑系统自检表
模板工程名称:施工部位:1层
注:首层支模立杆基础必须夯实、垫板。
经方案编制人验收后方才能搭设。
宜宾市建设工程质量安全监督站监制
脚手架拆除(脚手架拆除主要构件)申请
模板支撑拆除申请表
工地审批负责人: 2019年 3月 17日监理单位: 2019年 3月 17日质量员: 2019年 3月 17日安全员: 2019年 3月 17日。
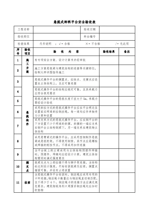
悬挑式卸料平台验收表
工程名称
施工单位项目负责人
分包单位分包负责人
施工执行标准及编号材质型号
验收部位搭设个数安装日期200 --
序号检查
项目
检查内容与要求实测实量实查
验收
结果
一
方案及
安全交底
卸料平台有无经工程处技术负责人审批的设计计算书,现场技术
负责人是否进行安全技术交底。
二制作及材
料
制作时有无按设计计算规定进行制作,材料应用是否达到设计计
算书要求。
三
焊接及
螺栓连接
焊缝要求饱满、平整光滑,满足强度要求。
悬挑梁根部连接板是
否与墙面贴合,无空隙。
螺栓是否紧固。
四
悬挑
平台固定
应与脚手架分开设置,不得附设在架体上。
与楼层固定时,其在
楼层的固定应用予埋件予埋焊接或用予埋螺栓固定在楼板上,并
能达到强度要求。
五
钢丝绳
反拉保险
钢丝绳是否按设计计算书所规定规格设置,与建筑物固定是否牢
固,上下端钢丝绳夹头不得少于三个,钢丝绳间夹头距离不得少
于钢丝绳直径的15倍。
六防护悬挑平台高度应符合三宝四口1.2米的要求并四周做好密目式安全立网的防护、踢脚板高度应有18CM以上。
底部用木板封闭,不得有空隙。
卸料平台与脚手架相接处应封闭防护。
七限重悬挑平台限重牌,应按设计计算书的规定,限明材料的数量及重量。
验收结论:
符合安全要求,同意使用。
200 年月日验
收
人
签
名
总包单位分包单位
监理单位意见:
专业监理工程师:年月日。