QC成果-提高水电站供水系统稳定性QC成果
- 格式:ppt
- 大小:898.50 KB
- 文档页数:31
了第二次检测,检测结果显示,本次共计检测5根原Ⅱ级锚杆,其中4根补强灌浆后达到Ⅰ级锚杆标准,1根为Ⅱ级锚杆。
从本次补强灌浆后对原Ⅱ级锚杆检测结果来看,补强灌浆达到了预期目的,通过二次补强灌浆,可有效提高原Ⅱ级锚杆的注浆密实度,从而进一步提高整体系统锚杆合格率,使之满足岩壁吊车梁系统锚杆的设计标准。
经此试验后,确定后续施工中,对于Ⅱ级锚杆即采用补强灌浆的方式进行处理,同时确定灌浆压力控制为0.8MPa、水灰比为1:1。
6结语该地下厂房围岩结构破碎,且断层、裂隙发育,地质条件特点鲜明,对于超长锚杆注浆密实度控制来说,既有利又有弊,其弊端在于系统锚杆注浆施工时易出现串浆现象,从而导致部分系统锚杆一次注浆密实度不能满足设计要求;其有利方面在于可以利用围岩断层、裂隙发育的特点进行二次补强灌浆,通过二次补强灌浆来进一步提高系统锚杆注浆密实。
通过对检测出的Ⅱ级锚杆集中部位进行补强灌浆后,其附近原Ⅱ级锚杆注浆密实度均有较大提高,二次检测结果表明,经补强灌浆后,基本均能达到Ⅰ级锚杆要求。
因此,在围岩结构破碎,且断层、裂隙发育的特殊的地质条件下,采用补强灌浆来提高Ⅱ级锚杆注浆密实度是可行的。
~~~~~~~~~~~~~~~~~~~~~~~~~~~~~~~~~~~~~水电三局多项成果获陕西省工程建设优秀QC成果在2018年度陕西省工程建设优秀QC小组评选中,水电三局共19项成果获奖,其中一等奖5项,二等奖5项,三等奖9项。
勘测设计研究院上报的课题《新型环保混凝土脱模剂研制》、《新型混凝土抗裂养护剂研制》、《堆石坝混凝土面板裂缝处理新工艺的研究》,基础建筑分局上报的课题《提高水泥稳定性碎石基层一次验收合格率》,第二分局磨万铁路项目部上报的课题《提高隧道二次衬砌砼质量合格率》获得一等奖。
基础建筑分局《提高“正反向雀巢聚音式”灌浆预埋管成活率》、《提高自下而上浆体封闭、高压脉动劈裂灌浆封闭浆体合格率》,第二分局磨万铁路项目部《提高湿喷混凝土表面平整度》,国际工程公司《降低几内亚项目交通桥桥墩基础辅助筋使用量》、《提升268套墙体砌筑施工质量》等5项课题获二等奖;制造安装分局《提高水电站压力钢管弯管安装测量精度》等9项课题获三等奖。
水利工程qc成果报告水利工程QC成果报告为了保障水利工程的质量,提高工程建设的效率和安全性,我们对水利工程进行了质量控制(QC)。
本报告旨在总结我们的QC成果,以便于更好地指导未来的水利工程建设。
一、QC流程我们的QC流程包括以下步骤:1. 设计阶段:在设计阶段,我们对设计方案进行了全面的审查和评估,确保设计方案符合国家和行业标准,满足工程要求。
2. 施工阶段:在施工阶段,我们对施工过程进行了全程监控,包括材料的选择、施工工艺的控制、质量检测等,确保施工过程符合设计要求。
3. 竣工验收阶段:在竣工验收阶段,我们对工程进行了全面的验收,包括工程质量、安全性、环保等方面,确保工程符合国家和行业标准。
二、QC成果通过我们的QC流程,我们取得了以下成果:1. 工程质量得到保障:我们的QC流程能够及时发现和纠正工程质量问题,确保工程质量符合国家和行业标准。
2. 工程建设效率提高:我们的QC流程能够及时发现和纠正施工过程中的问题,避免了不必要的重复施工和修补,提高了工程建设效率。
3. 工程安全性得到保障:我们的QC流程能够及时发现和纠正施工过程中的安全隐患,确保工程建设过程中的安全性。
4. 工程环保得到保障:我们的QC流程能够及时发现和纠正施工过程中的环保问题,确保工程建设过程中的环保性。
三、未来展望我们将继续完善我们的QC流程,提高QC的效率和精度,确保水利工程建设的质量和安全性。
同时,我们将加强对QC人员的培训和管理,提高QC人员的素质和能力,为未来的水利工程建设提供更好的保障。
结论通过我们的QC流程,我们取得了显著的成果,为水利工程建设提供了有力的保障。
我们将继续努力,不断提高QC的效率和精度,为未来的水利工程建设做出更大的贡献。
调压井预固结灌浆施工质量控制中国水利水电第五工程局有限公司一分局永宁河四级电站QC小组一、工程概况永宁河四级电站位于盐源县长柏乡境内的永宁河段上,主要永久建筑物包括拦河闸坝、进水闸、引水建筑物、调压井、压力管道、电站厂房、变压站等主要建筑均按4级建筑物设计;永久次要建筑物5级设计。
在引水隧洞的末端为调压井,调压井为圆形阻抗式,开挖直径15m,采用C30钢筋砼衬砌,井壁衬砌厚度1.5m,成型洞径为12m。
调压井顶高程▽2150.9m,底高程2094m,井深56.9m,调压井池内最高涌浪水位▽2145.9m,正常水位▽2106.2m,最低涌浪水位▽2100m。
调压井布置在30°~35°山坡,调压井高程附近基岩覆盖层较浅,调压井深56.9 m,卸荷带厚23 m左右,风化带厚35 m左右,另外根据调压井边坡开挖揭露岩石情况所示,调压井处岩层为灰色砂岩夹泥质灰岩,强风化,节理裂隙发育,岩体呈层状、碎块状,自稳能力差。
二、小组简介为了贯彻公司的质量目标,与时俱进、追求卓越,科学、规范管理,和谐发展,塑造企业的一流品牌,并为顾客提供高质量产品,使顾客满意。
永宁河四级电站项目经理部于4月15日成立了以“调压井预固结灌浆施工质量控制”为活动内容的现场型QC活动小组, 6月该小组围绕调压井预固结灌浆施工中存在的问题,从基础资料调查入手,通过分析,找出主要原因,并研究方案和制定相应措施。
在方案实施的过程中,注重每一个质量环节,全方位、全过程开展质量管理,优质、高效地完成了施工任务,向业主交付了优质工程。
小组全体成员共11人,其中工程师2人,助理工程师4人,平均年龄26岁。
QC小组组成情况见成员简介表如下:QC小组成员简介表QC小组成员接受TQM教育在70小时以上,全面、系统地学习了《全面质量管理基本知识》,整体素质较高。
三、选题理由理由一:调压井按照原设计的灌浆方案为在调压井井筒砼衬砌完成后再进行固结灌浆,为确保安全,缩短工期,增大收益,经过项目经理部技术人员与监理、业主、设计单位多次沟通,进行经济、技术和可行性分析论证后,最终选定了垂直预固结灌浆的方案。
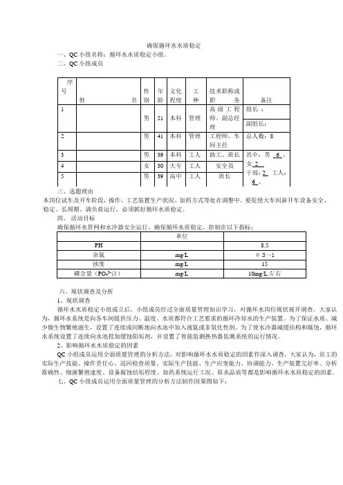
确保循环水水质稳定一、QC小组名称:循环水水质稳定小组。
二、QC小组成员三、选题理由本岗位试车及开车阶段,操作、工艺装置生产状况、加药方式等处在调整中。
要促使大车间新开车设备安全、稳定、长周期、满负荷运行,必须抓好循环水质稳定。
四、活动目标确保循环水管网和水冷器安全运行。
确保循环水质稳定,控制在以下指标:六、现状调查及分析1、现状调查循环水水质稳定小组成立后,小组成员经过全面质量管理知识学习,对循环水岗位现状展开调查。
大家认为,循环水系统是向各车间提供压力、温度、水质都符合工艺要求的循环冷却水的生产装置。
为了保证水质、减少微生物繁殖滋生,设置了连续或间断地向水池中加入液氨或非氧化性剂。
为了使水冷器减缓结构和腐蚀,循环水系统设置了连续向水池投加缓蚀阻垢剂,并设置了智能监测换热器监测系统的运行情况。
2、影响循环水水质稳定的因素QC小组成员运用全面质量管理的分析方法,对影响循环水水质稳定的因素作深入调查。
大家认为,员工的实际生产技能、操作责任心、巡回检查质量、实际生产技能、生产应变能力、协调能力、生产装置完好率、分析准确性、细菌繁殖速度、设备腐蚀结垢程度、加药系统运行工况、原水品质等都是影响循环水水质稳定的因素。
七、QC小组成员运用全面质量管理的分析方法制作因果图如下:八、确定主要原因QC小组成员围绕循环水系统的生产展开活动,通过对生产的反复调查,确定了主要原因,针对主要原因制九、实施对策:QC小组成员在经过充分准备后,对各项措施具体落实进行统筹安排,做到分工协作。
在循环水系统的施工阶段中,组织循环水员工现场学习岗位知识,同时,对施工阶段中各方面问题进行检查。
一方面施工质量起到促进作用,一方面,利用现场课堂使循环水员工增加岗位知识和对现场的熟悉程度。
通过组织学习,循环水员工现场岗位知识得到逐步提高。
在循环水系统的风机试车、循环水泵试车、透平试车、加氯系统试车、真空系统试车、稀油站试车等阶段中,我们组织循环水员工现场学习试车操作知识,检查机、电、仪各方面是否准备充分,学习如何与外界联系和协调,如何在岗位人员中实行合理的分工和配合进行试车。
电力QC成果范文电力QC(Quality Control)是电力工程质量管理的重要手段和方法之一、它以质量控制为核心,通过全面、细致的管理措施,确保电力工程在设计、施工、运营等各个环节的质量达到标准要求。
以下是电力QC的一些重要成果和作用:一、提高电力工程设计质量电力QC通过建立完善的设计标准和规范,强调设计人员的专业素质和工作流程,提高设计方案的科学性、完整性和可行性。
通过技术交流、工作评审、质量检查等手段,发现并排除设计中存在的问题和隐患,确保设计方案符合工程实际需求。
同时,在评估设计方案的可行性和可操作性上进行科学把控,提高设计过程的效率和准确性。
二、优化电力工程施工质量电力QC强调工程施工的规范性、科学性和标准化,通过建立施工组织设计、施工图纸编制、关键工序控制等一系列管理措施,确保施工过程的质量、安全和进度可控。
同时,加强施工现场的监督和检查,及时发现和纠正施工中的问题和不合格项,确保施工过程的顺利进行和质量的持续改进。
三、确保电力工程设备质量电力QC注重电力设备的选型、采购和安装调试,通过建立合理的设备管理制度和标准化的工作程序,确保设备的质量和运行可靠性。
加强设备验收、参数调试、预防性维护等工作,排除潜在故障和设备质量问题,提高电力系统的运行稳定性和可靠性。
四、优化电力工程运营管理电力QC在电力工程运营管理中发挥着重要作用。
通过建立监测、预警和应急处理机制,及时发现和解决电力系统运行中出现的问题和隐患,确保电力供应的连续和稳定。
同时,加强数据分析和统计,为决策者提供可靠的运行数据和科学的决策依据,优化电力系统的运营管理效果。
五、提升电力工程管理水平电力QC通过建立科学的管理体系和完善的管理流程,实现电力工程管理的标准化、规范化和专业化。
加强团队建设和人才培养,提高管理人员的专业素质和管理能力,推动电力工程管理水平不断提高。
同时,通过经验总结和质量评价,推动电力工程管理的持续改进和创新,实现电力工程管理效果的优化和升级。
供水行业QC小组成果-减少单位施工破坏供水管网设施的发生率减少单位施工破坏供水管网设施的发生率广西绿城水务股份有限公司管网管理处巡线QC小组一.小组概况管网管理处是广西绿城水务股份有限公司的一个对外窗口,主要工作有管道抢修、阀门维护、档案资料管理、管网巡查等,其中管网巡查负责对全市供水管网及其附属设施进行周期巡检,保护其不受破坏,盗窃等,以确保城市供水管网正常运行。
本小组成员8人,成立于2008年5月,小组成员由听漏班、供水监察中队的人员组成,成员有经验,富有干劲,勤于实践,敢于创新。
二.选择课题随着城市建设的快速发展,我司供水范围不断增加,供水设施、新装用户数量攀升,管网铺设的范围越来越广。
近年来南宁市内的道路建设,桥梁建设、房地产建设纷纷上马,在很多规划的道路、桥梁或房地产的施工现场,都有我司的供水管网及设施,经常出现由于野蛮施工或保护措施不够而损坏我司管网设施的事件,不仅造成了我司的财产损失,影响用户正常供水,还间接损害了公司的企业形象。
我处多年前已经开展巡线工作,由听漏班、维护班人员、供水监察中队负责在完成检漏、维护任务的同时,对全南宁市的供排水管线及设施进行巡查。
随着听漏班、维护班的任务日渐繁重,已经无法兼顾巡线工作,早期的巡查方式已经不能适应当前工作需要。
针对这一情况,我处拟成立巡线QC小组,开展活动,减少损坏管网设施的情况。
破坏公司的企业形象。
造成公司财产损失导致用户无水可用,引起民怨。
增加抢修小组的工作量管道或设施损坏施工方已经发现管线,仍坚持施工,在无人监督的情况下,造成管线破损。
市政管道施工工地,发现公司供水管道时,对管道的保护措施不足,造成管道塌方损坏。
城市道路改造,施工队不了解管线情况,施工过程中造成管道破损。
三、现状调查我小组经过统计和调查,发现我市由于施工造成管网损坏情况主要有以下几种:1、施工队施工时候不了解现场的管线分布情况,盲目施工开挖导致管道破损;2、市政管道施工,发现我司管道后,没有对管道做好保护措施,致使管道下沉而损坏;3、施工队已经知道管线位置及走向,但是没有专人监督指导,野蛮施工,致使管道破损;我小组对2007年全年和今年1--5月份的施工事故统计数据如下表: 2007年全年统计:损坏形式 施工队不了解管线情保护措施没有施工队施工无人监督况做好 数 量41562007年每月统计数:月份 1月 2月 3月 4月 5月 6月 7月 8月 9月 10月 11月12月 施工破坏3 0 3 5 6 34 7 9 11 1 02008年4-5月统计:2007年全年保护措施没有做好损坏形式 施工队不了解管线情况保护措施没有做好 施工队施工无人监督数 量8122008年4-5月份损坏类型比例图施工队不了解管线情况80%保护措施没有做好10%施工队施工无人监督10%施工队不了解管线情况保护措施没有做好施工队施工无人监督从以上图表可以看出,施工队不了解管线情况是造成管线损坏的主要原因。
电力企业qc成果报告背景介绍质量控制(Quality Control,QC)是电力企业保证产品和服务质量的重要手段。
本报告旨在总结电力企业通过实施质量控制活动所取得的成果,并对未来的质量管理工作提出建议。
QC成果概述自实施质量控制以来,电力企业通过一系列措施取得了显著的成果。
以下是主要的QC成果概述:1. 产品质量提升通过严格的质量控制流程,电力企业的产品质量得到了显著提升。
产品的制造过程中,采取了各种措施确保原材料的质量和产品的工艺流程。
这不仅提高了产品的可靠性和寿命,也减少了产品的维修和更换次数。
2. 服务效率提高通过实施质量控制,电力企业对服务过程进行了优化和改善,服务效率得到了显著提高。
通过准确和及时地响应客户的需求,提供满足客户期望的服务,电力企业取得了良好的声誉和客户忠诚度。
3. 管理效能提升质量控制活动使电力企业的管理效能得到了提升。
通过制定和执行质量管理体系,企业能够更好地监控和管理内部工作流程,并进行及时的问题纠正和持续改进。
这使得企业的管理更加规范化和高效化。
4. 员工满意度提高质量控制活动不仅关注产品和服务的质量,也关注员工的参与和满意度。
电力企业通过提供培训和发展机会,激励员工参与质量控制活动,并对员工的贡献给予公正的认可。
这使得员工感到满意和幸福,提高了他们的工作积极性和效率。
QC成果案例以下是电力企业在质量控制方面的一些典型案例:1. 委托生产质量控制电力企业与供应商建立了密切合作关系,并通过委托生产方式实施质量控制。
通过对供应商的质量管理体系进行审核和评估,电力企业确保原材料和组件的质量符合要求。
这使得电力企业能够将更多的精力投入到核心业务领域,并提高了产品质量的稳定性。
2. 严格的质量检测流程电力企业实施了严格的质量检测流程,确保产品在交付之前符合相关标准和要求。
通过对产品的外观、性能和功能进行全面的检测和测试,电力企业能够及时发现和解决潜在质量问题,提高产品质量和可靠性。
电力优秀qc成果范例电力优秀 QC 成果范例在当今电力行业的快速发展中,质量控制(Quality Control,简称QC)小组活动发挥着至关重要的作用。
通过开展 QC 小组活动,电力企业能够不断改进工作流程、提高产品质量、降低成本、增强员工的质量意识和团队合作精神。
下面,将为您介绍几个电力优秀 QC 成果范例,展示电力行业在质量控制方面的创新与实践。
一、提高变电站设备巡视效率随着电网规模的不断扩大,变电站设备数量日益增多,设备巡视工作的重要性愈发凸显。
然而,传统的设备巡视方式存在着效率低下、容易遗漏等问题。
为了提高变电站设备巡视效率,电力公司名称的 QC 小组开展了专项研究。
首先,小组成员对以往的设备巡视流程进行了深入分析,发现巡视路线不合理、巡视工具不便捷以及巡视人员分工不明确是导致效率低下的主要原因。
针对这些问题,小组制定了相应的改进措施。
他们优化了巡视路线,根据设备的分布和重要程度,合理规划巡视路径,减少了巡视过程中的往返时间。
同时,研发了一款便捷的巡视工具,将设备的基本信息、巡视要点以及常见故障处理方法集成在一个手持终端上,方便巡视人员随时查阅。
此外,明确了巡视人员的分工,将责任落实到个人,提高了工作的积极性和主动性。
通过这些改进措施的实施,变电站设备巡视效率得到了显著提高。
巡视时间由原来的平均每小时巡视X个设备,提高到了每小时巡视X 个设备,不仅提高了工作效率,还降低了设备故障的发生率,为电网的安全稳定运行提供了有力保障。
二、降低电力线路损耗电力线路损耗是电力系统运行中的一个重要问题,不仅影响能源的有效利用,还增加了企业的运营成本。
电力公司名称的 QC 小组以降低电力线路损耗为课题,展开了一系列的研究和实践。
小组成员通过对电力线路的运行数据进行分析,发现线路老化、无功补偿不足以及负荷分布不均衡是导致线路损耗过高的主要原因。
针对这些问题,小组采取了针对性的措施。
他们对老化的线路进行了更新改造,采用了新型的导线材料和绝缘材料,降低了线路电阻。
提高供电系统可靠性QC成果供电系统的可靠性是保障正常用电的关键,尤其在现代社会中,对可靠的供电系统需求日益增加。
为了提高供电系统的可靠性,我认为可以从以下几个方面进行改进和创新:1.建立智能监控系统:通过物联网技术,将供电系统中的各种设备和装置连接起来,实时监测电力负荷、电压、电流等参数,以及设备的运行状态。
当出现异常情况时,系统可以及时发出预警并采取相应的措施,避免事故的发生。
2.引入可再生能源:传统的电力供应主要依赖于化石燃料,而可再生能源具有无限的供给,且对环境友好。
通过引入太阳能、风能等可再生能源,可以降低对传统能源的依赖,减少故障风险,并提高供电系统的稳定性和可靠性。
3.完善电力储备系统:在供电系统中,合理配置电力储备设备,例如蓄电池等,以应对突发情况导致的停电。
当供电系统发生故障时,储备系统可以及时的接管供电,保证用户的正常用电。
4.加强设备维护和更新:供电系统中的设备随着使用时间的增加会逐渐老化,容易出现故障。
定期对设备进行维护和检修,及时更换老化严重的设备,可以降低故障的概率,提高供电系统的可靠性。
5.提高供电系统的承载能力:随着社会的发展,用电负荷越来越大,对供电系统的承载能力提出了更高的要求。
因此,需要对现有的供电系统进行技术改造和加强,以提高其承载能力,确保用户供电的可靠性。
6.增加供电系统的冗余性:在设计供电系统时,可以加入冗余设备,例如备用变电站、备用输电线路等。
当主要设备发生故障时,可以快速切换到备用设备,减少停电时间,保障供电的连续性。
7.设立应急响应机制:供电系统的故障是不可避免的,但重要的是如何应对和处理这些故障。
建立应急响应机制,明确各个环节的责任和流程,使得在故障发生时能够迅速响应和处理,最大程度地减少故障对用户的影响。
总之,提高供电系统的可靠性是一个综合性的工作,需要从技术、设备、管理等多个方面进行改进和创新。
通过建立智能监控系统、引入可再生能源、完善电力储备系统、加强设备维护和更新、提高供电系统的承载能力、增加供电系统的冗余性以及设立应急响应机制等措施,可以不断提高供电系统的可靠性,为社会和人民提供稳定、可靠的电力供应。
水利工程qc成果报告【水利工程QC成果报告】【导言】作为你的文章写手,我很荣幸地为你撰写一篇针对水利工程质量控制(QC)的成果报告。
水利工程是改善和管理水资源的关键领域,而质量控制则是确保工程的可靠性和持久性的基础。
在本篇文章中,我将分析和评估水利工程的QC成果,并为你提供有关该主题的深入观点和理解。
【正文】1. 概述水利工程QC旨在确保工程设计、施工和维护的可靠性和安全性。
它涉及一系列方法和措施,以确保工程在各个阶段的质量符合标准和规范。
QC的关键目标包括防止质量缺陷、减少成本、提高工程效率和延长使用寿命。
2. 工程设计阶段的QC成果在工程设计阶段,QC的关键成果之一是详尽的设计规范和技术方案。
这些规范和方案应根据项目要求进行详细论证,并确保满足可持续性、安全性和环境友好性的要求。
QC还应确保设计方案充分考虑了自然灾害的可能性,以减少风险和损失。
3. 工程施工阶段的QC成果工程施工阶段是水利工程QC的核心环节。
其重要成果包括施工质量控制计划、监督指导手册和验收标准。
质量控制计划应明确列出质量检查和测试的步骤,确保各个施工阶段的质量符合要求。
监督指导手册则提供了清晰的指导和标准,以确保施工过程中的质量管理。
验收标准则用于验证工程施工的质量和可用性。
4. 工程维护阶段的QC成果工程维护阶段的QC成果包括维护计划、定期检查和维修记录。
维护计划应明确列出维护措施的频率和方法,以确保工程保持良好的功能和状况。
定期检查应进行以确保工程的正常运行,及时发现和解决可能存在的问题。
维修记录则用于记录维修历史和成果,以便对工程维护进行评估和改进。
【总结与回顾】水利工程QC在工程设计、施工和维护阶段发挥着重要作用。
通过详细的规范和技术方案、质量控制计划、监督指导手册和验收标准,QC 确保了水利工程的质量符合标准和规范,并提高了工程的可靠性和持久性。
在维护阶段,维护计划、定期检查和维修记录则保证了工程的正常运行和有效维护。
水利工程QC成果报告1. 背景水利工程质量控制(QC)是确保水利工程项目按照规划、设计和标准要求进行施工和运营的一系列措施。
有效的质量控制能够提高工程的质量,确保水利工程的安全性和可持续发展。
本报告旨在对水利工程QC的相关成果进行分析、评估并提出建议。
2. 分析2.1 QC数据分析通过对水利工程QC数据的分析,我们可以了解工程施工和运营过程中的质量情况。
以下是对数据的主要分析结果:•施工质量问题:在施工阶段,我们发现了一些质量问题,如土壤稳定性不达标、混凝土强度低于设计要求等。
这些问题可能导致工程的结构安全性降低,需要及时进行改进和整改措施。
•运营问题:在水利工程的运行阶段,我们发现了一些问题,如泵站运行故障、水质监测不合格等。
这些问题可能影响到水利工程的正常运行和服务效果,需要采取有效的措施进行处理和改进。
2.2 成果评估根据水利工程QC的成果评估,以下是对成果的主要评估结果:•施工质量:总体而言,大部分水利工程的施工质量达到了规划、设计和标准的要求。
然而,仍存在一些局部区域或项目的施工质量问题。
需要加强对施工方和监理方的管理和监督,确保施工过程中的质量控制。
•运营效果:水利工程的运营效果主要体现在水资源的利用效率和服务效果方面。
根据数据和用户反馈,大部分水利工程在水资源利用和服务方面表现良好。
然而,仍有一些项目存在效率低下和服务不及时的问题,需要持续改进和优化。
2.3 问题分析通过对水利工程QC数据和成果评估的分析,我们对问题进行了深入的分析,并得出以下结论:•质量管控不严:在一些施工和运营过程中,存在质量管控不严的情况,导致施工质量和运营效果不达标。
这可能与施工方和监理方的责任未得到充分履行有关,需要加强对相关方的管理和监督。
•技术能力不足:在水利工程项目中,一些技术人员的专业能力和技术水平存在不足。
这可能导致施工和运营过程中出现问题,并影响工程的质量和效果。
需要加强技术人员的培训和提升,提高其专业水平。