水暖常用图例1..
- 格式:doc
- 大小:817.50 KB
- 文档页数:15
一、工艺管道施工图常用图例名称图例名称图例闸阀异径管压力调节阀偏心异径管升降式止回阀堵板旋启式止回阀法兰减压阀法兰连接电动闸阀丝堵滚动闸阀人口自动截门流量孔板带手动装置的截门放气管浮力调节阀防雨罩密闭式弹簧安全阀地漏开启式弹簧安全阀压力表放气阀U型压力表自动放气阀自动记录压力表立管及立管上阀门水银温度计挡住阀二次蒸发器疏水器室外架空管道固定支架∩型补偿器室外架空煤气道管单层支架套管补偿器室外架空煤气道管摇摆支架波型、鼓型补偿器漏气检查点一、工艺管道施工图常用图例名称图例名称图例离心水泵防火器手摇泵地沟∪型膨胀穴喷射泵地沟安装孔热交换器地沟及检查井立式油水分离器(用于压缩空气)Dg≤80弹簧支(吊)架卧式油水分离器(用于压缩空气)Dg≥100单、双、三接头立式集水器(用于压缩空气)导向支架地沟排风口吊架流量表二、通风空调工程常用图例名称图形名称图形带导流叶片弯头消声弯头伞形风帽送风口回风口圆形散流器方形散流器插板阀蝶阀对开式多叶调节阀光圈式启动调节阀风管止回阀防火阀三通调节阀三、给排水、采暖常用图例名称图形名称图形闸阀化验盆洗涤盆截止阀污水池延时自闭冲洗阀带沥水板洗涤盆减压阀盥洗盆球阀妇女卫生盆止回阀立式小便器消音止回阀挂式小便器蝶阀蹲式大便器柔性防水套管坐式大便器检查口小便槽清扫口引水器通气帽淋浴喷头圆形地漏雨水口方形地漏水泵水锤消除器水表可曲挠橡胶接头防回流污染止回阀水表井水龙头四、消防工程基本图形符号名称图形名称图形手提式灭火器灭火设备安装处所推车式灭火器控制和指示设备固定式灭火系统(全淹没)报警息动固定式灭火系统(局部应用)火灾报警装置固定式灭火系统(指出应用区)消防通风口1、消防工程辅助符号名称图形名称图形水阀门手动启动泡沫或泡沫液出口电铃无水入口发声器BC类干粉热扬声器ABC类干粉烟电话卤代烷火焰光信号二氧化碳易爆气体四、消防工程基本图形符号2、消防工程灭火器符号名称图形名称图形清水灭火器卤代烷灭火器推车式ABC类泡沫灭火器干粉灭火器二氧化碳灭火器推车式卤代烷灭火器BC类干粉灭火器推车式泡沫灭火器水桶ABC类干粉灭火器推车式BC类干粉灭火器沙桶3、消防管路及配件符号名称图形名称图形干式立管消防水管线干式立管消防水罐(池)干式立管泡沫混合液管线报警阀干式立管消火栓开式喷头干式立管消防泵闭式喷头干式立管泡沫比例混合器水泵结合器湿式立管泡沫产生器泡沫混合器立管泡沫液管四、消防工程基本图形符号4、消防工程固定灭火器系统符号名称图形名称图形水灭火系统(全淹没)ABC类干粉灭火系统手动控制灭火系统泡沫灭火系统(全淹没)卤代烷灭火系统BC类干粉灭火系统二氧化碳灭火系统5、消防工程灭火设备安装处符号名称图形名称图形二氧化碳瓶站ABC干粉罐泡沫罐站BC干粉灭火罐站消防泵站6、消防工程自动报警设备符号名称图形名称图形消防控制中心火灾报警装置温感探测器感光探测器手动报警装置烟感探测器气体探测器报警电话火灾警铃火灾报警扬声器火灾报警发声器火灾光信号装置表3。
..一、工艺管道施工图常用图例名称图例名称图例闸阀异径管压力调理阀偏爱异径管起落式止回阀堵板旋启式止回阀法兰减压阀法兰连结电动闸阀丝堵转动闸阀人口自动截门流量孔板带手动装置的截门放气管浮力调理阀防雨罩密闭式弹簧安全阀地漏开启式弹簧安全阀压力表放气阀U 型压力表自动放气阀自动记录压力表立管及立管上阀门水银温度计挡住阀二次蒸发器疏水器室外架空管道固定支架∩型赔偿器室外架空煤气道管单层支架套管赔偿器室外架空煤气道管摇摆支架波型、鼓型赔偿器漏气检查点一、工艺管道施工图常用图例名称图例名称图例离心水泵防火器手摇泵地沟∪型膨胀穴发射泵地沟安装孔热互换器地沟及检查井立式油水分别器(用弹簧支(吊)架于压缩空气) Dg≤ 80卧式油水分别器(用单、双、三接头立式集水器(用于压缩空于压缩空气) Dg≥ 100气)导向支架地沟排风口吊架流量表二、通风空调工程常用图例名称图形名称图形带导流叶片弯头消声弯头伞形风帽送风口回风口圆形散流器方形散流器插板阀蝶阀对开式多叶调理阀光圈式启动调理阀风管止回阀防火阀三通调理阀三、给排水、采暖常用图例名称图形名称图形闸阀化验盆清洗盆截止阀污水池延时自闭冲刷阀带沥水板清洗盆减压阀盥洗盆球阀妇女卫生盆止回阀立式小便器消音止回阀挂式小便器蝶阀蹲式大便器柔性防水套管坐式大便器检查口小便槽打扫口引水器通气帽淋浴喷头圆形地漏雨水口方形地漏水泵水锤除去器水表可曲挠橡胶接头防回流污染止回阀水表井水龙头名称图形名称图形手提式灭火器灭火设备安装地方推车式灭火器控制和指示设备固定式灭火系统(全吞没)报警息动固定式灭火系统(局部应用)火灾报警装置固定式灭火系统(指出应用区)消防通风口1、消防工程协助符号名称图形名称图形水阀门手动启动泡沫或泡沫液出口电铃无水进口发声器BC类干粉热扬声器ABC类干粉烟电话卤代烷火焰光信号二氧化碳易爆气体2、消防工程灭火器符号名称图形名称图形清水灭火器卤代烷灭火器推车式 ABC类泡沫灭火器干粉灭火器二氧化碳灭火器推车式卤代烷灭火器BC类干粉灭火器推车式泡沫灭火器水桶ABC类干粉灭火器推车式 BC类沙桶干粉灭火器3、消防管路及配件符号名称图形名称图形干式立管消防水管线干式立管消防水罐(池)干式立管泡沫混淆液管线报警阀干式立管消火栓开式喷头干式立管消防泵闭式喷头干式立管泡沫比率混淆器水泵联合器湿式立管泡沫产生器泡沫混淆器立管泡沫液管4、消防工程固定灭火器系统符号名称图形名称图形水灭火系统ABC类干粉(全吞没)灭火系统手动控制泡沫灭火系统灭火系统(全吞没)卤代烷BC类干粉灭火系统灭火系统二氧化碳灭火系统5、消防工程灭火设备安装处符号名称图形名称图形二氧化碳瓶站ABC干粉罐泡沫罐站BC干粉灭火罐站消防泵站6、消防工程自动报警设备符号名称图形名称图形消防控制中心火灾报警装置温感探测器感光探测器手动报警装置烟感探测器气体探测器报警电话火灾警铃火灾报警扬声器火灾报警发声器火灾光信号装置序号123 4 5 6 7 8 9 10 11 12 13 14 15 16 17 18 19 20 2122 23 24..表管道图例名称图例备注生活给水管热水给水管热水回水管中水给水管循环给水管循环回水管热媒给水管热媒回水管蒸汽管凝固水管可与中水源水废水管管适用压力废水管通气管污水管压力污水管雨水管压力雨水管膨胀管保温管多孔管地沟管防备套管X :管道类型管道立管L:立管1 :编号伴热管..25空凝水管26排水明沟27排水暗沟注:分区管道用加注角方式表示:如J1 、J2 、 RJ1 、RJ2⋯⋯。
一、工艺管道施工图常用图例名称图例名称图例闸阀异径管压力调节阀偏心异径管升降式止回阀堵板旋启式止回阀法兰减压阀法兰连接电动闸阀丝堵滚动闸阀人口自动截门流量孔板带手动装置的截门放气管浮力调节阀防雨罩密闭式弹簧安全阀地漏开启式弹簧安全阀压力表放气阀U型压力表自动放气阀自动记录压力表立管及立管上阀门水银温度计挡住阀二次蒸发器疏水器室外架空管道固定支架∩型补偿器室外架空煤气道管单层支架套管补偿器室外架空煤气道管摇摆支架波型、鼓型补偿器漏气检查点一、工艺管道施工图常用图例名称图例名称图例离心水泵防火器手摇泵地沟∪型膨胀穴喷射泵地沟安装孔热交换器地沟及检查井立式油水分离器(用于压缩空气)Dg≤80弹簧支(吊)架卧式油水分离器(用于压缩空气)Dg≥100 单、双、三接头立式集水器(用于压缩空气)导向支架地沟排风口吊架流量表二、通风空调工程常用图例名称图形名称图形带导流叶片弯头消声弯头伞形风帽送风口回风口圆形散流器方形散流器插板阀蝶阀对开式多叶调节阀光圈式启动调节阀风管止回阀防火阀三通调节阀三、给排水、采暖常用图例名称图形名称图形闸阀化验盆洗涤盆截止阀污水池延时自闭冲洗阀带沥水板洗涤盆减压阀盥洗盆球阀妇女卫生盆止回阀立式小便器消音止回阀挂式小便器蝶阀蹲式大便器柔性防水套管坐式大便器检查口小便槽清扫口引水器通气帽淋浴喷头圆形地漏雨水口方形地漏水泵水锤消除器水表可曲挠橡胶接头防回流污染止回阀水表井水龙头名称图形名称图形手提式灭火器灭火设备安装处所推车式灭火器控制和指示设备固定式灭火系统(全淹没)报警息动固定式灭火系统(局部应用)火灾报警装置固定式灭火系统(指出应用区)消防通风口1、消防工程辅助符号名称图形名称图形水阀门手动启动泡沫或泡沫液出口电铃无水入口发声器BC类干粉热扬声器ABC类干粉烟电话卤代烷火焰光信号二氧化碳易爆气体2、消防工程灭火器符号名称图形名称图形清水灭火器卤代烷灭火器推车式ABC类干粉灭火器泡沫灭火器二氧化碳灭火器推车式卤代烷灭火器BC类干粉灭火器推车式泡沫灭火器水桶ABC类干粉灭火器推车式BC类干粉灭火器沙桶3、消防管路及配件符号名称图形名称图形干式立管消防水管线干式立管消防水罐(池)干式立管泡沫混合液管线报警阀干式立管消火栓开式喷头干式立管消防泵闭式喷头干式立管泡沫比例混合器水泵结合器湿式立管泡沫产生器泡沫混合器立管泡沫液管4、消防工程固定灭火器系统符号名称图形名称图形水灭火系统(全淹没)ABC类干粉灭火系统手动控制灭火系统泡沫灭火系统(全淹没)卤代烷灭火系统BC类干粉灭火系统二氧化碳灭火系统5、消防工程灭火设备安装处符号名称图形名称图形二氧化碳瓶站ABC干粉罐泡沫罐站BC干粉灭火罐站消防泵站6、消防工程自动报警设备符号名称图形名称图形消防控制中心火灾报警装置温感探测器感光探测器手动报警装置烟感探测器气体探测器报警电话火灾警铃火灾报警扬声器火灾报警发声器火灾光信号装置表3.0.1 管道图例序号名称图例备注1 生活给水管2 热水给水管3 热水回水管4 中水给水管5 循环给水管6 循环回水管7 热媒给水管8 热媒回水管9 蒸汽管10 凝结水管11 废水管可与中水源水管合用12 压力废水管13 通气管14 污水管15 压力污水管16 雨水管17 压力雨水管18 膨胀管19 保温管20 多孔管21 地沟管22 防护套管23 管道立管X:管道类别L:立管1:编号24 伴热管25 空调凝结水管26 排水明沟27 排水暗沟注:分区管道用加注角标方式表示:如J1、J2、RJ1、RJ2……。
一、工艺管道施工图常用图例名称图例名称图例闸阀异径管压力调节阀偏心异径管升降式止回阀堵板旋启式止回阀法兰减压阀法兰连接电动闸阀丝堵滚动闸阀人口自动截门流量孔板带手动装置的截门放气管浮力调节阀防雨罩密闭式弹簧安全阀地漏开启式弹簧安全阀压力表放气阀U型压力表自动放气阀自动记录压力表立管及立管上阀门水银温度计挡住阀二次蒸发器疏水器室外架空管道固定支架∩型补偿器室外架空煤气道管单层支架套管补偿器室外架空煤气道管摇摆支架波型、鼓型补偿器漏气检查点一、工艺管道施工图常用图例名称图例名称图例离心水泵防火器手摇泵地沟∪型膨胀穴喷射泵地沟安装孔热交换器地沟及检查井立式油水分离器(用于压缩空气)Dg≤80弹簧支(吊)架卧式油水分离器(用于压缩空气)Dg≥100单、双、三接头立式集水器(用于压缩空气)导向支架地沟排风口吊架流量表名称图形名称图形带导流叶片弯头消声弯头伞形风帽送风口回风口圆形散流器方形散流器插板阀蝶阀对开式多叶调节阀光圈式启动调节阀风管止回阀防火阀三通调节阀三、给排水、采暖常用图例名称图形名称图形闸阀化验盆洗涤盆截止阀污水池延时自闭冲洗阀带沥水板洗涤盆减压阀盥洗盆球阀妇女卫生盆止回阀立式小便器消音止回阀挂式小便器蝶阀蹲式大便器柔性防水套管坐式大便器检查口小便槽清扫口引水器通气帽淋浴喷头圆形地漏雨水口方形地漏水泵水锤消除器水表可曲挠橡胶接头防回流污染止回阀水表井水龙头名称图形名称图形手提式灭火器灭火设备安装处所推车式灭火器控制和指示设备固定式灭火系统(全淹没)报警息动固定式灭火系统(局部应用)火灾报警装置固定式灭火系统(指出应用区)消防通风口1、消防工程辅助符号名称图形名称图形水阀门手动启动泡沫或泡沫液出口电铃无水入口发声器BC类干粉热扬声器ABC类干粉烟电话卤代烷火焰光信号二氧化碳易爆气体四、消防工程基本图形符号2、消防工程灭火器符号名称图形名称图形清水灭火器卤代烷灭火器推车式ABC类干粉灭火器泡沫灭火器二氧化碳灭火器推车式卤代烷灭火器BC类干粉灭火器推车式泡沫灭火器水桶ABC类干粉灭火器推车式BC类干粉灭火器沙桶3、消防管路及配件符号名称图形名称图形干式立管消防水管线干式立管消防水罐(池)干式立管泡沫混合液管线报警阀干式立管消火栓开式喷头干式立管消防泵闭式喷头干式立管泡沫比例混合器水泵结合器湿式立管泡沫产生器泡沫混合器立管泡沫液管四、消防工程基本图形符号4、消防工程固定灭火器系统符号名称图形名称图形水灭火系统(全淹没)ABC类干粉灭火系统手动控制灭火系统泡沫灭火系统(全淹没)卤代烷灭火系统BC类干粉灭火系统二氧化碳灭火系统5、消防工程灭火设备安装处符号名称图形名称图形二氧化碳瓶站ABC干粉罐泡沫罐站BC干粉灭火罐站消防泵站6、消防工程自动报警设备符号名称图形名称图形消防控制中心火灾报警装置温感探测器感光探测器手动报警装置烟感探测器气体探测器报警电话火灾警铃火灾报警扬声器火灾报警发声器火灾光信号装置表3.0.1管道图例序号名称图例备注1生活给水管2热水给水管3热水回水管4中水给水管5循环给水管6循环回水管7热媒给水管8热媒回水管9蒸汽管10凝结水管11废水管可与中水源水管合用12压力废水管13通气管14污水管15压力污水管16雨水管17压力雨水管18膨胀管19保温管20多孔管21地沟管22防护套管23管道立管X:管道类别L:立管1:编号24伴热管25空调凝结水管26排水明沟27排水暗沟注:分区管道用加注角标方式表示:如J1、J2、RJ1、RJ2……。
一、工艺管道施工图常用图例名称图例名称图例闸阀异径管压力调节阀偏心异径管升降式止回阀堵板旋启式止回阀法兰减压阀法兰连接电动闸阀丝堵滚动闸阀人口自动截门流量孔板带手动装置的截门放气管浮力调节阀防雨罩密闭式弹簧安全阀地漏开启式弹簧安全阀压力表放气阀U型压力表自动放气阀自动记录压力表立管及立管上阀门水银温度计挡住阀二次蒸发器疏水器室外架空管道固定支架∩型补偿器室外架空煤气道管单层支架套管补偿器室外架空煤气道管摇摆支架波型、鼓型补偿器漏气检查点一、工艺管道施工图常用图例名称图例名称图例离心水泵防火器手摇泵地沟∪型膨胀穴喷射泵地沟安装孔热交换器地沟及检查井立式油水分离器(用于压缩空气)Dg≤80弹簧支(吊)架卧式油水分离器(用于压缩空气)Dg≥100 单、双、三接头立式集水器(用于压缩空气)导向支架地沟排风口吊架流量表二、通风空调工程常用图例名称图形名称图形带导流叶片弯头消声弯头伞形风帽送风口回风口圆形散流器方形散流器插板阀蝶阀对开式多叶调节阀光圈式启动调节阀风管止回阀防火阀三通调节阀三、给排水、采暖常用图例名称图形名称图形闸阀化验盆洗涤盆截止阀污水池延时自闭冲洗阀带沥水板洗涤盆减压阀盥洗盆球阀妇女卫生盆止回阀立式小便器消音止回阀挂式小便器蝶阀蹲式大便器柔性防水套管坐式大便器检查口小便槽清扫口引水器通气帽淋浴喷头圆形地漏雨水口方形地漏水泵水锤消除器水表可曲挠橡胶接头防回流污染止回阀水表井水龙头名称图形名称图形手提式灭火器灭火设备安装处所推车式灭火器控制和指示设备固定式灭火系统(全淹没)报警息动固定式灭火系统(局部应用)火灾报警装置固定式灭火系统(指出应用区)消防通风口1、消防工程辅助符号名称图形名称图形水阀门手动启动泡沫或泡沫液出口电铃无水入口发声器BC类干粉热扬声器ABC类干粉烟电话卤代烷火焰光信号二氧化碳易爆气体2、消防工程灭火器符号名称图形名称图形清水灭火器卤代烷灭火器推车式ABC类干粉灭火器泡沫灭火器二氧化碳灭火器推车式卤代烷灭火器BC类干粉灭火器推车式泡沫灭火器水桶ABC类干粉灭火器推车式BC类干粉灭火器沙桶3、消防管路及配件符号名称图形名称图形干式立管消防水管线干式立管消防水罐(池)干式立管泡沫混合液管线报警阀干式立管消火栓开式喷头干式立管消防泵闭式喷头干式立管泡沫比例混合器水泵结合器湿式立管泡沫产生器泡沫混合器立管泡沫液管4、消防工程固定灭火器系统符号名称图形名称图形水灭火系统(全淹没)ABC类干粉灭火系统手动控制灭火系统泡沫灭火系统(全淹没)卤代烷灭火系统BC类干粉灭火系统二氧化碳灭火系统5、消防工程灭火设备安装处符号名称图形名称图形二氧化碳瓶站ABC干粉罐泡沫罐站BC干粉灭火罐站消防泵站6、消防工程自动报警设备符号名称图形名称图形消防控制中心火灾报警装置温感探测器感光探测器手动报警装置烟感探测器气体探测器报警电话火灾警铃火灾报警扬声器火灾报警发声器火灾光信号装置表3.0.1 管道图例序号名称图例备注1 生活给水管2 热水给水管3 热水回水管4 中水给水管5 循环给水管6 循环回水管7 热媒给水管8 热媒回水管9 蒸汽管10 凝结水管11 废水管可与中水源水管合用12 压力废水管13 通气管14 污水管15 压力污水管16 雨水管17 压力雨水管18 膨胀管19 保温管20 多孔管21 地沟管22 防护套管23 管道立管X:管道类别L:立管1:编号24 伴热管25 空调凝结水管26 排水明沟27 排水暗沟注:分区管道用加注角标方式表示:如J1、J2、RJ1、RJ2……。
暖通识图必备图例汇总及识图制图常识来源:机电天下一名暖通人,识图懂图是我必须掌握的一门学问,其实说起来难也不难,做了一下汇总,整理了一部分,分享给大家。
一、工艺管道施工图常用图例二、通风空调工程常用图例三、给排水、采暖常用图例四、消防工程基本图形符号1、消防工程辅助符号2、消防工程灭火器符号3、消防管路及配件符号4、消防工程固定灭火器系统符号5、消防工程灭火设备安装处符号6、消防工程自动报警设备符号建筑水暖识图制图常识制图基本规定:房屋建筑制图的六种制图标准是:《房屋建筑制图统一标准》(GB/T50001-2010)《总图制图标准》(GB/T 50103-2010)《建筑制图标准》(GB/T 50104-2010)《建筑结构制图标准》(GB/T 50105-2010)《给水排水制图标准》(GB/T50106—2010)《暖通空调制图标准》(GB/T50114—2010)。
制图国家标准是所有工程人员在设计、施工和管理中必须严格执行的国家法令。
从学习工程制图的第一天起,就应严格遵守、贯彻执行国家标准中的每一项规定,严格按国家标准绘制图样。
一、图纸幅面规格与图纸编排顺序:1.图纸幅面:图纸幅面即图纸的大小。
标准的图纸幅面有A0、A1、A2、A3、A4五种规格(表2-1)。
A1幅面是A0幅面的对开,A2幅面是A1幅面的对开,其他幅面依此类推。
表格内的B×L为幅面尺寸,c为周边尺寸,a为装订边尺寸。
2.图框格式任何图样均应在图幅内画出图框,图框线用粗实线绘制。
图框按作图需要,根据装订边尺寸和周边尺寸横式幅面或立式幅面画出。
一项工程设计中,每个专业所使用的图纸,一般不宜多于两种幅面(不含目录及表格所采用的A4幅面)。
在一套设计图纸中,要选定一种图幅为主,尽量避免大小图幅掺杂使用。
绘制图样时,必须按照国家标准规定的幅面尺寸作图。
图纸的短边一般不用加长,必要时,可沿长边加长,见课件表2-2。
有特殊需要的图纸,可采用B×L为841×891与1189×1261的幅面。
一、工艺管道施工图常用图例名称图例名称图例闸阀异径管压力调节阀偏心异径管升降式止回阀堵板旋启式止回阀法兰减压阀法兰连接电动闸阀丝堵滚动闸阀人口自动截门流量孔板带手动装置的截门放气管浮力调节阀防雨罩密闭式弹簧安全阀地漏开启式弹簧安全阀压力表放气阀U型压力表自动放气阀自动记录压力表立管及立管上阀门水银温度计挡住阀二次蒸发器疏水器室外架空管道固定支架∩型补偿器室外架空煤气道管单层支架套管补偿器室外架空煤气道管摇摆支架波型、鼓型补偿器漏气检查点一、工艺管道施工图常用图例名称图例名称图例离心水泵防火器手摇泵地沟∪型膨胀穴喷射泵地沟安装孔热交换器地沟及检查井立式油水分离器(用于压缩空气)Dg≤80弹簧支(吊)架卧式油水分离器(用于压缩空气)Dg≥100 单、双、三接头立式集水器(用于压缩空气)导向支架地沟排风口吊架流量表二、通风空调工程常用图例名称图形名称图形带导流叶片弯头消声弯头伞形风帽送风口回风口圆形散流器方形散流器插板阀蝶阀对开式多叶调节阀光圈式启动调节阀风管止回阀防火阀三通调节阀三、给排水、采暖常用图例名称图形名称图形闸阀化验盆洗涤盆截止阀污水池延时自闭冲洗阀带沥水板洗涤盆减压阀盥洗盆球阀妇女卫生盆止回阀立式小便器消音止回阀挂式小便器蝶阀蹲式大便器柔性防水套管坐式大便器检查口小便槽清扫口引水器通气帽淋浴喷头圆形地漏雨水口方形地漏水泵水锤消除器水表可曲挠橡胶接头防回流污染止回阀水表井水龙头名称图形名称图形手提式灭火器灭火设备安装处所推车式灭火器控制和指示设备固定式灭火系统(全淹没)报警息动固定式灭火系统(局部应用)火灾报警装置固定式灭火系统(指出应用区)消防通风口1、消防工程辅助符号名称图形名称图形水阀门手动启动泡沫或泡沫液出口电铃无水入口发声器BC类干粉热扬声器ABC类干粉烟电话卤代烷火焰光信号二氧化碳易爆气体2、消防工程灭火器符号名称图形名称图形清水灭火器卤代烷灭火器推车式ABC类干粉灭火器泡沫灭火器二氧化碳灭火器推车式卤代烷灭火器BC类干粉灭火器推车式泡沫灭火器水桶ABC类干粉灭火器推车式BC类干粉灭火器沙桶3、消防管路及配件符号名称图形名称图形干式立管消防水管线干式立管消防水罐(池)干式立管泡沫混合液管线报警阀干式立管消火栓开式喷头干式立管消防泵闭式喷头干式立管泡沫比例混合器水泵结合器湿式立管泡沫产生器泡沫混合器立管泡沫液管4、消防工程固定灭火器系统符号名称图形名称图形水灭火系统(全淹没)ABC类干粉灭火系统手动控制灭火系统泡沫灭火系统(全淹没)卤代烷灭火系统BC类干粉灭火系统二氧化碳灭火系统5、消防工程灭火设备安装处符号名称图形名称图形二氧化碳瓶站ABC干粉罐泡沫罐站BC干粉灭火罐站消防泵站6、消防工程自动报警设备符号名称图形名称图形消防控制中心火灾报警装置温感探测器感光探测器手动报警装置烟感探测器气体探测器报警电话火灾警铃火灾报警扬声器火灾报警发声器火灾光信号装置表3.0.1 管道图例序号名称图例备注1 生活给水管2 热水给水管3 热水回水管4 中水给水管5 循环给水管6 循环回水管7 热媒给水管8 热媒回水管9 蒸汽管10 凝结水管11 废水管可与中水源水管合用12 压力废水管13 通气管14 污水管15 压力污水管16 雨水管17 压力雨水管18 膨胀管19 保温管20 多孔管21 地沟管22 防护套管23 管道立管X:管道类别L:立管1:编号24 伴热管25 空调凝结水管26 排水明沟27 排水暗沟注:分区管道用加注角标方式表示:如J1、J2、RJ1、RJ2……。
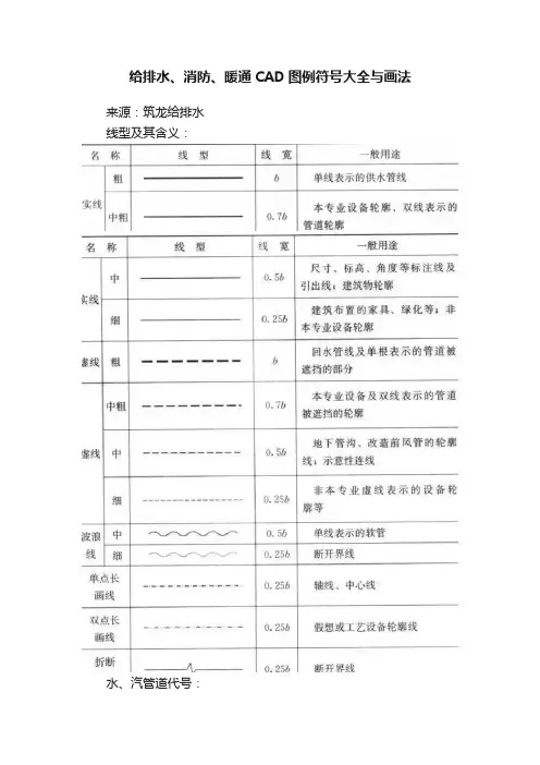
给排水、消防、暖通CAD图例符号大全与画法来源:筑龙给排水线型及其含义:水、汽管道代号:工艺管道施工图常用图例:水、汽管道阀门和附件图例:给排水、采暖常用图例:通风空调工程常用图例:风道代号:风道、阀门及附件图例:风口和附件代号:暖通空调设备图例:调控装置及仪表图例:各种执行机构可与风阀、水阀组合表示相应功能的控制阀门。
消防工程基本图形符号:消防工程辅助符号:消防工程灭火器符号:消防管路及配件符号:消防工程固定灭火器系统符号:消防工程灭火设备安装处符号:消防设施:消防工程自动报警设备符号:管道图例:管道附件:管道连接:管件:常见阀门:给水配件:小型给水排水构筑物:给水排水设备:仪表:管道和设备布置平面图、剖面图示例:管道和设备布置平面图应按假象除去上层板后俯视规则绘制,其相应的垂直剖面图应在平面图中表明剖切符号。
标准层平面图平、剖面示例平面图、剖面图索引符号的画法:平面图、剖面图中的局部需另绘详图时,应在平、剖面图上标注索引符号。
索引符号的画法见下图。
暖通空调、给排水、消防CAD图例符号大全与画法索引符号的画法内视符号画法:当表示局部位置的相互关系,在平面图上应标注内视符号。
内视符号画法系统编号:1、一个工程设计中同时有供暖、通风、空调等两个及以上的不同系统时,应进行系统编号。
2、暖通空调系统编号、入口编号,应由系统代号和顺序号组成。
3、系统代号用大写拉丁字母表示,顺序号用阿拉伯数字表示。
当一个系统出现分支时,可采用下图的画法。
系统代号竖向布置的垂直管道系统,应标注立管号,在不一致引起误解时,可只标注序号,但应与建筑轴线编号有明显区别。
立管号的画法管道相对标高的画法:1、在无法标注垂直尺寸的图样中,应标注标高。
标高应以m为单位,并应精确到cm或mm。
2、标高符号应以直角等腰三角形表示。
当面标准层较多时,可只标注与本层楼(地)板面的相对标高。
3、水、汽管道所标高未予说明时,应表示为管中心标高。
4、水、汽管道标注管道外底或顶标高时,应在数字前加“底”或“顶”字样。
一、工艺管道施工图常用图例名称图例名称图例闸阀异径管压力调节阀偏心异径管升降式止回阀堵板旋启式止回阀法兰减压阀法兰连接电动闸阀丝堵滚动闸阀人口自动截门流量孔板带手动装置的截门放气管浮力调节阀防雨罩密闭式弹簧安全阀地漏开启式弹簧安全阀压力表放气阀U型压力表自动放气阀自动记录压力表立管及立管上阀门水银温度计挡住阀二次蒸发器疏水器室外架空管道固定支架∩型补偿器室外架空煤气道管单层支架套管补偿器室外架空煤气道管摇摆支架波型、鼓型补偿器漏气检查点一、工艺管道施工图常用图例名称图例名称图例离心水泵防火器手摇泵地沟∪型膨胀穴喷射泵地沟安装孔热交换器地沟及检查井立式油水分离器(用于压缩空气)Dg≤80弹簧支(吊)架卧式油水分离器(用于压缩空气)Dg≥100 单、双、三接头立式集水器(用于压缩空气)导向支架地沟排风口吊架流量表二、通风空调工程常用图例名称图形名称图形带导流叶片弯头消声弯头伞形风帽送风口回风口圆形散流器方形散流器插板阀蝶阀对开式多叶调节阀光圈式启动调节阀风管止回阀防火阀三通调节阀三、给排水、采暖常用图例名称图形名称图形闸阀化验盆洗涤盆截止阀污水池延时自闭冲洗阀带沥水板洗涤盆减压阀盥洗盆球阀妇女卫生盆止回阀立式小便器消音止回阀挂式小便器蝶阀蹲式大便器柔性防水套管坐式大便器检查口小便槽清扫口引水器通气帽淋浴喷头圆形地漏雨水口方形地漏水泵水锤消除器水表可曲挠橡胶接头防回流污染止回阀水表井水龙头名称图形名称图形手提式灭火器灭火设备安装处所推车式灭火器控制和指示设备固定式灭火系统(全淹没)报警息动固定式灭火系统(局部应用)火灾报警装置固定式灭火系统(指出应用区)消防通风口1、消防工程辅助符号名称图形名称图形水阀门手动启动泡沫或泡沫液出口电铃无水入口发声器BC类干粉热扬声器ABC类干粉烟电话卤代烷火焰光信号二氧化碳易爆气体2、消防工程灭火器符号名称图形名称图形清水灭火器卤代烷灭火器推车式ABC类干粉灭火器泡沫灭火器二氧化碳灭火器推车式卤代烷灭火器BC类干粉灭火器推车式泡沫灭火器水桶ABC类干粉灭火器推车式BC类干粉灭火器沙桶3、消防管路及配件符号名称图形名称图形干式立管消防水管线干式立管消防水罐(池)干式立管泡沫混合液管线报警阀干式立管消火栓开式喷头干式立管消防泵闭式喷头干式立管泡沫比例混合器水泵结合器湿式立管泡沫产生器泡沫混合器立管泡沫液管4、消防工程固定灭火器系统符号名称图形名称图形水灭火系统(全淹没)ABC类干粉灭火系统手动控制灭火系统泡沫灭火系统(全淹没)卤代烷灭火系统BC类干粉灭火系统二氧化碳灭火系统5、消防工程灭火设备安装处符号名称图形名称图形二氧化碳瓶站ABC干粉罐泡沫罐站BC干粉灭火罐站消防泵站6、消防工程自动报警设备符号名称图形名称图形消防控制中心火灾报警装置温感探测器感光探测器手动报警装置烟感探测器气体探测器报警电话火灾警铃火灾报警扬声器火灾报警发声器火灾光信号装置表3.0.1管道图例序号名称图例备注1 生活给水管2 热水给水管3 热水回水管4 中水给水管5 循环给水管6 循环回水管7 热媒给水管8 热媒回水管9 蒸汽管10 凝结水管11 废水管可与中水源水管合用12 压力废水管13 通气管14 污水管15 压力污水管16 雨水管17 压力雨水管18 膨胀管19 保温管20 多孔管21 地沟管22 防护套管23 管道立管X:管道类别L:立管1:编号24 伴热管25 空调凝结水管26 排水明沟27 排水暗沟注:分区管道用加注角标方式表示:如J1、J2、RJ1、RJ2……。
一、工艺管道施工图常用图例名称图例名称图例闸阀异径管压力调节阀偏心异径管升降式止回阀堵板旋启式止回阀法兰减压阀法兰连接电动闸阀丝堵滚动闸阀人口自动截门流量孔板带手动装置的截门放气管浮力调节阀防雨罩密闭式弹簧安全阀地漏开启式弹簧安全阀压力表放气阀U型压力表自动放气阀自动记录压力表立管及立管上阀门水银温度计挡住阀二次蒸发器疏水器室外架空管道固定支架∩型补偿器室外架空煤气道管单层支架套管补偿器室外架空煤气道管摇摆支架波型、鼓型补偿器漏气检查点一、工艺管道施工图常用图例名称图例名称图例离心水泵防火器手摇泵地沟∪型膨胀穴喷射泵地沟安装孔热交换器地沟及检查井立式油水分离器(用于压缩空气)Dg≤80弹簧支(吊)架卧式油水分离器(用于压缩空气)Dg≥100 单、双、三接头立式集水器(用于压缩空气)导向支架地沟排风口吊架流量表二、通风空调工程常用图例名称图形名称图形带导流叶片弯头消声弯头伞形风帽送风口回风口圆形散流器方形散流器插板阀蝶阀对开式多叶调节阀光圈式启动调节阀风管止回阀防火阀三通调节阀三、给排水、采暖常用图例名称图形名称图形闸阀化验盆洗涤盆截止阀污水池延时自闭冲洗阀带沥水板洗涤盆减压阀盥洗盆球阀妇女卫生盆止回阀立式小便器消音止回阀挂式小便器蝶阀蹲式大便器柔性防水套管坐式大便器检查口小便槽清扫口引水器通气帽淋浴喷头圆形地漏雨水口方形地漏水泵水锤消除器水表可曲挠橡胶接头防回流污染止回阀水表井水龙头名称图形名称图形手提式灭火器灭火设备安装处所推车式灭火器控制和指示设备固定式灭火系统(全淹没)报警息动固定式灭火系统(局部应用)火灾报警装置固定式灭火系统(指出应用区)消防通风口1、消防工程辅助符号名称图形名称图形水阀门手动启动泡沫或泡沫液出口电铃无水入口发声器BC类干粉热扬声器ABC类干粉烟电话卤代烷火焰光信号二氧化碳易爆气体2、消防工程灭火器符号名称图形名称图形清水灭火器卤代烷灭火器推车式ABC类干粉灭火器泡沫灭火器二氧化碳灭火器推车式卤代烷灭火器BC类干粉灭火器推车式泡沫灭火器水桶ABC类干粉灭火器推车式BC类干粉灭火器沙桶3、消防管路及配件符号名称图形名称图形干式立管消防水管线干式立管消防水罐(池)干式立管泡沫混合液管线报警阀干式立管消火栓开式喷头干式立管消防泵闭式喷头干式立管泡沫比例混合器水泵结合器湿式立管泡沫产生器泡沫混合器立管泡沫液管4、消防工程固定灭火器系统符号名称图形名称图形水灭火系统(全淹没)ABC类干粉灭火系统手动控制灭火系统泡沫灭火系统(全淹没)卤代烷灭火系统BC类干粉灭火系统二氧化碳灭火系统5、消防工程灭火设备安装处符号名称图形名称图形二氧化碳瓶站ABC干粉罐泡沫罐站BC干粉灭火罐站消防泵站6、消防工程自动报警设备符号名称图形名称图形消防控制中心火灾报警装置温感探测器感光探测器手动报警装置烟感探测器气体探测器报警电话火灾警铃火灾报警扬声器火灾报警发声器火灾光信号装置表3.0.1管道图例序号名称图例备注1 生活给水管2 热水给水管3 热水回水管4 中水给水管5 循环给水管6 循环回水管7 热媒给水管8 热媒回水管9 蒸汽管10 凝结水管11 废水管可与中水源水管合用12 压力废水管13 通气管14 污水管15 压力污水管16 雨水管17 压力雨水管18 膨胀管19 保温管20 多孔管21 地沟管22 防护套管23 管道立管X:管道类别L:立管1:编号24 伴热管25 空调凝结水管26 排水明沟27 排水暗沟注:分区管道用加注角标方式表示:如J1、J2、RJ1、RJ2……。
水暖识图知识水暖施工图施工图主要通过线型,符号,并适当配合一定的文字来描绘工程的具体内容.线型应根据图样的比例和类别,按《给水排水制图统一标准》GB/T50106-2001(图线)的规定选用.比例、比例的表示方法▪绘图时把物体的实际尺寸放大和缩小,图纸上所画的尺寸和事物之比称图纸的比例▪图纸上比例的表示方法:阿拉伯数字表示▪例如:1:1 1:500▪第一个数字表示图纸的尺寸▪第二个数字表示实物对图纸的倍数比例尺、比例的注写位置▪比例尺————三棱尺▪(1)方便制图以及实际测量尺寸▪(2)三棱平尺具有三个工作面的三角形结构,长度有200-1000mm,角度互为60°,三个测量面为刀口形。
三棱尺,三棱平尺材质多采用不锈钢/铸钢/镁铝材质,少数采用铸铁材质,三棱尺,三棱平尺一般用于检测直线度使用,所以人们更多的选择重量较轻的。
▪比例的注写位置:▪A、图名的右侧▪例如:平面图1:100▪B、图标中的比例一栏内▪给排水和供暖施工图中的器具,附件往往用图例表示,而不按比例绘制.施工图中的常用图例水暖施工图的组成及内容▪组成:平面图、透视图、剖面图▪平面图主要表示建筑物各层给排水管道及设备的平面位置.▪A、平面图一般应分层按直线正投影法绘制.对于某些民用与公共建筑,各层管道,设备的布置相同时,可以只绘制首层平面图和标准层平面图,▪B、平面图主要包括以下内容:(1)建筑物轮廓,标注轴线及层间的主要尺寸.为了节省图面,常常只画出与给排水系统相关部分的建筑平面.(2)用水设备,卫生器具的类型和位置.(3)建筑物各层给排水干管,立管,支管的位置,首层平面图需绘制给水引入管,污水排出管的位置.标注主要管道的定位尺寸及管径等,按规定对引入管,排出管和立管进行编号.对于安装于下层空间而为本层使用的管道,应绘制在本层平面内.(4)水表,阀门,水龙头,清扫口,地漏等管道附件的类型和位置.管径标注法▪(1)管径尺寸应以毫米为单位.(2)镀锌焊接钢管,不镀锌焊接钢管,铸铁管,硬聚氯乙烯管,聚丙烯管等,管径应以公称直径DN表示,如DN40;耐酸陶瓷管,混凝土管,陶土管(红瓦管)等,管径应以内径d 表示,如d250;直缝或螺旋缝钢管,无缝钢管等,管径应以外径×壁厚表示,如D108×4.(3)管径尺寸应注在变径处;水平管道的管径尺寸应注在管道的上方;斜管道的管径尺寸应注与管道的斜上方;竖直管道的管径尺寸应注在管道的左侧;当管径尺寸无法按上述位置标注时,可另找适当位置标注,但应当用引出线示出该尺寸与管段的关系, (4)同一种管径的管道较多时,可不在图上标注管径尺寸,但应在附注中说明.编号▪建筑物的给水排水进口、出口应注明管道类别代号,其代号通常用管道类别的第一个汉语拼音字母,如“J”为给水,“P”为排水。
一、工艺管道施工图常用图例名称图例名称图例闸阀异径管压力调节阀偏心异径管升降式止回阀堵板旋启式止回阀法兰减压阀法兰连接电动闸阀丝堵滚动闸阀人口自动截门流量孔板带手动装置的截门放气管浮力调节阀防雨罩密闭式弹簧安全阀地漏开启式弹簧安全阀压力表放气阀U型压力表自动放气阀自动记录压力表立管及立管上阀门水银温度计挡住阀二次蒸发器疏水器室外架空管道固定支架室外架空煤气道管单∩型补偿器层支架套管补偿器室外架空煤气道管摇摆支架波型、鼓型补偿器漏气检查点一、工艺管道施工图常用图例名称图例名称图例离心水泵防火器手摇泵地沟∪型膨胀穴喷射泵地沟安装孔热交换器地沟及检查井立式油水分离器(用于压缩空气)Dg≤80弹簧支(吊)架卧式油水分离器(用于压缩空气)Dg≥100单、双、三接头立式集水器(用于压缩空气)导向支架地沟排风口吊架流量表二、通风空调工程常用图例名称图形名称图形带导流叶片弯头消声弯头伞形风帽送风口回风口圆形散流器方形散流器插板阀蝶阀对开式多叶调节阀光圈式启动调节阀风管止回阀防火阀三通调节阀三、给排水、采暖常用图例名称图形名称图形化验盆闸阀洗涤盆截止阀污水池延时自闭冲洗阀带沥水板洗涤盆减压阀盥洗盆球阀妇女卫生盆止回阀立式小便器消音止回阀挂式小便器蝶阀蹲式大便器柔性防水套管坐式大便器检查口小便槽清扫口引水器通气帽淋浴喷头圆形地漏雨水口方形地漏水泵水锤消除器水表可曲挠橡胶接头防回流污染止回阀水表井水龙头四、消防工程基本图形符号名称图形名称图形手提式灭火器灭火设备安装处所推车式灭火器控制和指示设备固定式灭火系统(全淹没)报警息动固定式灭火系统(局部应用)火灾报警装置固定式灭火系统(指出应用区)消防通风口1、消防工程辅助符号名称图形名称图形水阀门手动启动泡沫或泡沫液出口电铃无水入口发声器BC 类干粉 热扬声器ABC 类干粉烟 电话卤代烷火焰 光信号二氧化碳易爆气体四、消防工程基本图形符号2、消防工程灭火器符号名称 图形 名称 图形清水灭火器卤代烷灭火器推车式ABC 类 干粉灭火器泡沫灭火器二氧化碳灭火器推车式卤代烷灭火器BC 类干粉灭火器推车式泡沫灭火器水桶ABC 类干粉灭火器推车式BC 类干粉灭火器沙桶3、消防管路及配件符号名称 图形 名称 图形干式立管消防水管线干式立管消防水罐(池)干式立管泡沫混合液管线报警阀干式立管消火栓开式喷头干式立管消防泵闭式喷头干式立管泡沫比例混合器水泵结合器湿式立管泡沫产生器泡沫混合器立管泡沫液管四、消防工程基本图形符号4、消防工程固定灭火器系统符号名称图形名称图形水灭火系统(全淹没)ABC类干粉灭火系统手动控制灭火系统泡沫灭火系统(全淹没)卤代烷灭火系统BC类干粉灭火系统二氧化碳灭火系统5、消防工程灭火设备安装处符号名称图形名称图形二氧化碳瓶站ABC干粉罐泡沫罐站BC干粉灭火罐站消防泵站6、消防工程自动报警设备符号名称图形名称图形消防控制中心火灾报警装置温感探测器感光探测器手动报警装置烟感探测器气体探测器报警电话火灾警铃火灾报警扬声器火灾报警发声器火灾光信号装置表3.0.1管道图例序名称图例备注号1生活给水管2热水给水管3热水回水管4中水给水管5循环给水管6循环回水管7热媒给水管8热媒回水管9蒸汽管10凝结水管11废水管可与中水源水管合用12压力废水管13通气管14污水管15压力污水管16雨水管17压力雨水管18膨胀管19保温管20多孔管21地沟管22防护套管23管道立管X:管道类别L:立管1:编号24伴热管25空调凝结水管26排水明沟27排水暗沟注:分区管道用加注角标方式表示:如J1、J2、RJ1、RJ2……。
一、工艺管道施工图常用图例异径管闸阀压力调节阀偏心异径管堵板升降式止回阀法兰旋启式止回阀减压阀法兰连接丝堵电动闸阀滚动闸阀人口自动截门流量孔板动带手装置的放气管门截浮力调节阀防雨罩阀安弹式簧全地漏密闭式开启弹压力表全簧安阀型压力表放气阀U自动放气阀自动记录压力表水银温度计门上立管立及管阀挡住阀二次蒸发器管架室外空道疏水器支定架固室外架空煤气道管单∩型补偿器层支架室外架空煤气道管摇套管补偿器摆支架偿补型鼓、型波漏气检查点器专业文档供参考,如有帮助请下载。
.一、工艺管道施工图常用图例防火器离心水泵手摇泵地沟∪型膨胀穴喷射泵地沟安装孔热交换器地沟及检查井立式油水分离器(用弹簧支(吊)架 80 于压缩空气)Dg≤单、双、三接头立式卧式油水分离器(用集水器(用于压缩空100于压缩空气)Dg≥气)地沟排风口导向支架吊架流量表二、通风空调工程常用图例消声弯头带导流叶片弯头伞形风帽送风口圆形散流器回风口方形散流器插板阀蝶阀对开式多叶调节阀风管止回阀光圈式启动调节阀防火阀三通调节阀专业文档供参考,如有帮助请下载。
.三、给排水、采暖常用图例闸阀洗涤盆截止阀污水池延时自闭冲洗阀带沥水板洗涤盆盥洗盆减压阀妇女卫生盆球阀止回阀立式小便器消音止回阀挂式小便器蹲式大便器蝶阀坐式大便器柔性防水套管小便槽检查口清扫口引水器淋浴喷头通气帽雨水口圆形地漏方形地漏水泵水锤消除器水表可曲挠橡胶接头防回流污染止回阀水表井水龙头专业文档供参考,如有帮助请下载。
.四、消防工程基本图形符号灭火设备安装处所手提式灭火器控制和指示设备推车式灭火器固定式灭火系统(全淹没)报警息动火灾报警装置固定式灭火系统(局部应用)固定式灭火系统(指出应用区)消防通风口1、消防工程辅助符号阀门水泡沫或泡沫液手动启动出口电铃无水入口BC发声器类干粉扬声器热烟类干粉ABC卤代烷电话火焰光信号易爆气体二氧化碳专业文档供参考,如有帮助请下载。
.四、消防工程基本图形符号2、消防工程灭火器符号ABC类推车式泡沫灭火器干粉灭火器推车式卤代烷灭火器二氧化碳灭火器推车式泡沫BC类干粉灭火器灭火器类ABC水桶干粉灭火器类BC推车式沙桶干粉灭火器、消防管路及配件符号3消防水管线干式立管干式立管消防水罐(池)泡沫混合液管线干式立管干式立管报警阀开式喷头消火栓消防泵干式立管闭式喷头干式立管泡沫比例混合器水泵结合器湿式立管泡沫产生器泡沫混合器立管泡沫液管专业文档供参考,如有帮助请下载。
各式C A D水暖空调消防施工图常用图例一、工艺管道施工图常用图例名称图例名称图例闸阀异径管压力调节阀偏心异径管升降式止回阀堵板旋启式止回阀法兰减压阀法兰连接电动闸阀丝堵滚动闸阀人口自动截门流量孔板带手动装置的截门放气管浮力调节阀防雨罩密闭式弹簧安全阀地漏开启式弹簧安全阀压力表放气阀U型压力表自动放气阀自动记录压力表立管及立管上阀门水银温度计挡住阀二次蒸发器疏水器室外架空管道固定支架∩型补偿器室外架空煤气道管单层支架套管补偿器室外架空煤气道管摇摆支架波型、鼓型补偿器漏气检查点一、工艺管道施工图常用图例名称图例名称图例离心水泵防火器手摇泵地沟∪型膨胀穴喷射泵地沟安装孔热交换器地沟及检查井立式油水分离器(用于压缩空气)Dg≤80弹簧支(吊)架卧式油水分离器(用于压缩空气)Dg≥100 单、双、三接头立式集水器(用于压缩空气)导向支架地沟排风口吊架流量表二、通风空调工程常用图例名称图形名称图形带导流叶片弯头消声弯头伞形风帽送风口回风口圆形散流器方形散流器插板阀蝶阀对开式多叶调节阀光圈式启动调节阀风管止回阀防火阀三通调节阀三、给排水、采暖常用图例名称图形名称图形闸阀化验盆洗涤盆截止阀污水池延时自闭冲洗阀带沥水板洗涤盆减压阀盥洗盆球阀妇女卫生盆止回阀立式小便器消音止回阀挂式小便器蝶阀蹲式大便器柔性防水套管坐式大便器检查口小便槽清扫口引水器通气帽淋浴喷头圆形地漏雨水口方形地漏水泵水锤消除器水表可曲挠橡胶接头防回流污染止回阀水表井水龙头名称图形名称图形手提式灭火器灭火设备安装处所推车式灭火器控制和指示设备固定式灭火系统(全淹没)报警息动固定式灭火系统(局部应用)火灾报警装置固定式灭火系统(指出应用区)消防通风口1、消防工程辅助符号名称图形名称图形水阀门手动启动泡沫或泡沫液出口电铃无水入口发声器BC类干粉热扬声器ABC类干粉烟电话卤代烷火焰光信号二氧化碳易爆气体四、消防工程基本图形符号2、消防工程灭火器符号名称图形名称图形清水灭火器卤代烷灭火器推车式ABC类干粉灭火器泡沫灭火器二氧化碳灭火器推车式卤代烷灭火器BC类干粉灭火器推车式泡沫灭火器水桶ABC类干粉灭火器推车式BC类干粉灭火器沙桶3、消防管路及配件符号名称图形名称图形干式立管消防水管线干式立管消防水罐(池)干式立管泡沫混合液管线报警阀干式立管消火栓开式喷头干式立管消防泵闭式喷头干式立管泡沫比例混合器水泵结合器湿式立管泡沫产生器泡沫混合器立管泡沫液管四、消防工程基本图形符号4、消防工程固定灭火器系统符号名称图形名称图形水灭火系统(全淹没)ABC类干粉灭火系统手动控制灭火系统泡沫灭火系统(全淹没)卤代烷灭火系统BC类干粉灭火系统二氧化碳灭火系统5、消防工程灭火设备安装处符号名称图形名称图形二氧化碳瓶站ABC干粉罐泡沫罐站BC干粉灭火罐站消防泵站6、消防工程自动报警设备符号名称图形名称图形消防控制中心火灾报警装置温感探测器感光探测器手动报警装置烟感探测器气体探测器报警电话火灾警铃火灾报警扬声器火灾报警发声器火灾光信号装置。
水暖常用图例1..
暖通空调制图标准GB/T 50114-2001 3 常用图例
3.1 水、汽管道
3.1.1 水、汽管道代号宜按表3.1.1选用。
表3.1.1 水、汽管道代号
序号代
号
管道名称备注
1 R
(供暖、生活、工艺用)
热水管1.用粗实线、粗虚线区分供水、回水时,可省略代号
2.可附加阿拉伯数字1、2区分供水、回水
3.可附加阿拉伯数字1、2、3……表示一个代号、不同参数的多种管道
2 Z 蒸汽管需要区分饱和、过热、自用蒸汽时,可在代号前分别附加B、G、
Z
3 N 凝结水管
4 P 膨胀水管、排污管、排气管、旁
通管需要区分时,可在代号后附加一位小写拼音字母,即Pz、Pw、Pq、Pt
5 G 补给水管
6 X 泄水管
7 XH 循环管、信号管循环管为粗实线,信号管为细虚线。
不致引起误解时,循环管
也可为“X”
8 Y 溢排管
9 L 空调冷水管
10 LR 空调冷/热水管
11 LQ 空调冷却水管
12 n 空调冷凝水管
13 RH 软化水管
14 CY 除氧水管
15 YS 盐液管
16 FQ 氟汽管
17 FY 氟液管
3.1.2 自定义水、汽管道代号应避免与表3.1.1相矛盾,并应在相应图面说明。
3.1.3 水、汽管道阀门和附件的图例宜按表3.1.3采用。
表3.1.3 水、汽管道阀门和附件
序
号
名称图例附注
1
阀门
(通
用)、
截止
阀
1.没有说明时,表示螺纹连接
法兰连接时
焊接时
2.轴测图画法
阀杆为垂直
阀杆为水平
2 闸阀
3 手动调节阀
4 球阀、转心阀
5 蝶阀
6 角阀
7 平衡
阀
8 三通
阀
9 四通
阀
10 节流
阀
11 膨胀
阀
也称“隔膜阀”
12 旋塞
13 快放
阀
也称快速排污阀
14 止回
左图为通用,右图为升降式止回阀,流向同左。
其余同阀门类推阀
15 减压
左图小三角为高压端,右图右侧为高压端。
其余同阀门类推阀
16 安全
左图为通用,中为弹簧安全阀,右为重锤安全阀阀
续表3.1.3
序
名称图例附注
号
17 疏水阀在不致引起误解时,也可用表示也称
“疏水器”
18 浮球阀
19 集气罐、排气装
左图为平面图
置
20 自动排气阀
21 除污器(过滤
左为立式除污器,中为卧式除污器,右为Y型过滤器器)
22 节流孔板、减压
孔板在不致引起误解时,也可用
表示
23 补偿器也称“伸缩器”
24 矩形补偿器
25 套管补偿器
26
波纹管
补偿器
续表3.1.3
序
号
名称图例附注
27
弧形
补偿器
28
球形
补偿器
29
变径管
异径管
左图为同心异径管,右图为偏心异径管
30 活接头
31 法兰
32 法兰盖
33 丝堵也可表示为:
34 可屈挠橡
胶软接头
35 金属软
管也可表示为:
36 绝热管
37 保护套
管
38 伴热管
39 固定支
架
40 介质流
向在管道断开处时,流向符号宜标注在管道中心线上,其余可同管径标注位置
41 坡度及
坡向
坡度数值不宜与管道起、止点标高同时标注。
标注位置同管径标注位置
3.2 风道
3.2.1 风道代号宜按表3.2.1采用。
表3.2.1 风道代号
代号风道名称代号风道名称
K 空调风管H 回风管(一、二次回风可附加1、2区别)
S 送风管P 排风管
X 新风管PY 排烟管或排风、排烟共用管道
3.2.2 自定义风道代号应避免与表3.2.1相矛盾,并应在相应图面说明。
3.2.3 风道、阀门及附件的图例宜按表3.2.3采用。
表3.2.3 风道、阀门及附件图例
字
号
名称图例附注
1 砌筑
风、
烟道
其余均为:
2 带导流
片弯头
3 消声
器
消声
弯管
也可表示为:
4 插板阀
5 天圆
地方
左接矩形风管,右接圆形风管
6 蝶阀
7 对开
多叶
调节
阀
左为手动,右为电动
8 风管止回阀
9 三通
调节阀
10 防火
阀
表示70℃动作的常开阀。
若因图面小,可表示为:
11 排烟
阀
左为280℃动作的常闭阀,右为常开阀。
若因图面小,表
示方法同上
续表3.2.3
序
号
名称图例附注
12 软接头
也可表示为:
13 软管
或光滑曲线(中粗)
14
风口
(通用)
15 气流方
向
左为通用表示法,中表示送风,右表示回风
16 百叶窗
17 散流器左为矩形散流器,右为圆形散流器。
散流器为可见时,虚线改为实线
18
检查孔
测量孔
3.3 暖通空调设备
3.3.1 暖通空调设备的图例宜按表3.3.1采用。
表3.3.1 暖通空调设备图例
序
号
名称图例附注
1
散热器及
手动放气阀左为平面图画法,中为剖面图画法,右为系统图、Y轴侧图画法
2 散热器及控制阀左为平面图画法,右为剖面图画法
3 轴流风机
4 离心风机左为左式风机,右为右式风机
5 水泵左侧为进水,右侧为出水
6 空气加热、冷却
器
左、中分别为单加热、单冷却,右为双功能换热装置
7 板式换热器
8 空气过滤器左为粗效,中为中效,右为高效
9 电加热器
10 加湿器
11 挡水板
12 窗式空调器
13 分体空调器
14 风机盘管
可标注型号:如:
15 减振器左为平面图画法,右为剖面图画法
3.4 调控装置及仪表
3.4.1 调控装置及仪表的图例宜按表3.4.1采用。
表3.4.1 调控装置及仪表图例
序号名称图例附注
温度
1
传感器
湿度
2
传感器
压力
3
传感器
压差
4
传感器
弹簧
5
执行机构如弹簧式安全阀
续表3.4.1
序号名称图例附注
重力
6
执行机构
浮力
7
执行机构如浮球阀
活塞
8
执行机构
膜片
9
执行机构
电动
10
执行机构
如电动调节阀
11 电磁(双位)执行机构
如电磁阀
12 记录仪
13 温度计左为圆盘式温度表,右为管式温度计
14 压力表
15 流量计
16 能量计
17 水流开关。