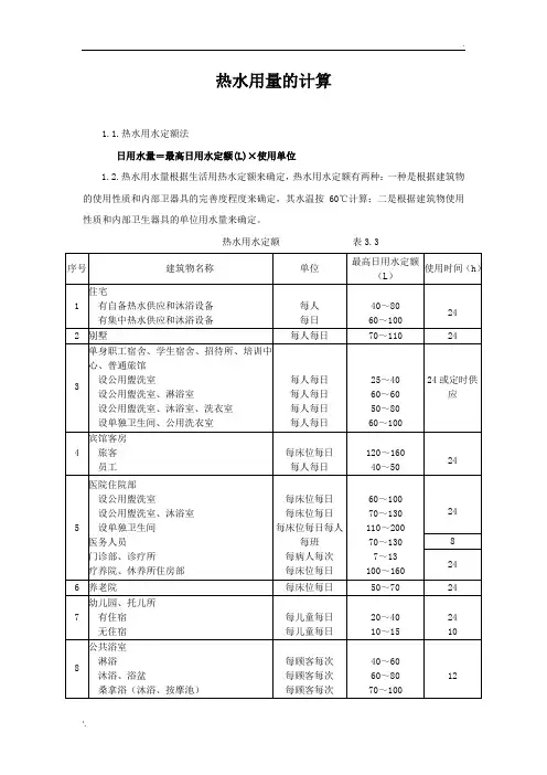
热水日用水量计算
- 格式:doc
- 大小:51.00 KB
- 文档页数:2
热水供应系统计算
热水用水量计算有两种方法
一、根据人数或床位数和其热水用水量定额计算法
T
mq
K Q = (5.4.1) 式中 Q------最大小时热水用水量(L/H ); q------热水用水量定额,见表253页5.1.1 m------用水计算单位数(人或床); T------热水供应时间(H );
K------小时变化系数,全日制供应热水时,按表5.4.1选用。
二、根据卫生器具和其热水用水量定额计算法
∑
=100
Q
(5.4.2) 式中 q------卫生器具一小时的热水用水量,见表5.1-2;
n------同类型卫生器具数;
b------在一小时内卫生器具同时使用百分数。
公共浴室和工厂、学校、剧院。
体育馆等浴室中的淋浴器和洗脸盆的同时使用百分数按100计算;
客房中设有浴盆的宾馆、普通旅馆,浴盆的同时使用百分数按60~70计算,其他器具的热水用水量不计;
医院、疗养院的病房内卫生间的浴盆按25~50%计,其他器具不计。
对于全日供应热水的住宅,每户设有浴盆时,仅计算浴盆的热水用水量,其他器具的热水用水量不计,浴盆的同时使用百分数按表5.4.2选用。
两种方法计算的结果并不一致,设计时需分析对比合理选用。
生活热水计算生活热水计算1、生活热水计算的主要工作确定水温计算生活热水流量计算热负荷选择供水方式选择换热器(计算换热器加热盘管)2、生活热水负荷的确定水温:生活热水水温≤60℃间接加热热媒水温≤90℃3、热水流量计算:1)全日供应生活热水的住宅、别墅、医院(含疗养院、休养所)、旅馆(含招待所)24rh q m K Q ××=Q -设计小时热水量(L/h )K h -小时变化系数(查表)m -用水计算单位数(人和床)q r -热水用热定额(查表)住宅、别墅的热水小时变化系数K h 值2.342.482.863.283.703.884.134.495.12K h ≥600030001000500300250200150≤100居住人数m旅馆的热水小时变化系数K h 值3.904.194.584.975.616.84K h ≥1200900600450300150床位数m医院的热水小时变化系数K h 值1.95≥10002.232.602.933.543.784.55K h 5003002001007550床位数m“60℃热水用水定额q r 见表8.0.1-4。
生活热水计算2)定时供应生活热水的住宅及公共建筑,易根据卫生器具的小时用水量计算负荷:bn q Q h ××=∑0Q -设计小时热水量(L/h )q h -卫生器具小时热水量(L/h )n 0-同类型卫生器具数b -卫生器具同时使用百分数住宅、旅馆、医院、疗养院病房、卫生间内浴盆或淋浴器按30%~50%计。
公共浴室、学校、剧院及体育馆(场)按100%计住宅一户带多个卫生间时,按一个卫生间计算。
3)热水量的计算应符合下列要求:锅炉产热水量应满足秒流量的要求如水温不稳定应设置储热水器储热水器的容积可通过计算或根据下表选取20~30min15~20min ≥20min ≥15min 其它建筑物工业企业淋浴室其它建筑物工业企业淋浴室间接加热机组直接加热机组生活热水计算例1:为某宾馆提供24小时生活热水(60℃),该宾馆共有床位1500个,该宾馆共有员工500人,计算生活热水用水量。
太阳能热水系统计算
一、热水用量
1.当热水供水温度为60℃时1#
热水用水定额q r[L/(人·d)]:60
用水人数m(人):144日热水用水量q rd(L/d):8640最大时热水用水量q rh(L/h):1728
二、集热模块
日用60℃热水量q rd(L/d):8640热水密度ρr(kg/L):0.98324水的比热c[KJ/(kg·℃)]: 4.187被加热水的初温t c(℃):10
被加热水的终温t z(℃):60
太阳能保证率f:0.5当地集热器的年平均日太阳辐照量
J T[KJ/(m2·d)]:15815集热器年平均集热效率ηcd:0.4系统热损失系数ηL:0.25直接式集热器总面积A C(m2):187.42每块集热模块面积A(m2): 6.5所需集热模块数量(块):29
三、集热水箱
集热器面积A s(m2):187.42单位集热面积所需有效贮水容积b2(L/m2):50
集热水箱的贮水容积V s(m3):9.37
四、电辅热
电辅热功率(KW):34.56
五、集热循环泵
流量系数(L/(S·m2):0.015集热循环泵流量q x(L/s): 2.81集热循环泵电负荷(W):510.5
六、热水循环泵
热水小时变化系数K h: 4.8设计小时耗热量Q h(kJ/h):355694系统及热水箱热损失Q x(kJ/h):14227.8循环水温度差Δt x(℃):5
热水密度ρr(kg/L):0.98324循环泵流量q x(L/s):0.19热水循环泵电负荷(KW):0.01
六、其他
结构荷载(KN/m2):0.6。
建设单位:XXXXXXXXXXXXXXXXXXX项目名称:XXXXXXXXXXX 酒店专业:给排水阶段:施工图一. 工程概况:工程名称:XXXXXXXXXXX 酒店所处城市:上海地上层数:酒店及其裙房,26层地下层数:酒店设备及管理用房,1层(不设人防)简述:二. 设计依据:1.建筑给水排水设计规范 GB50015-20032.高层民用建筑设计防火规范(2005年版) GB50045-953.自动喷水灭火系统设计规范(2005年版) GB50084-20014.建筑灭火器配置设计规范 GB50140-20055.汽车库、修车库、停车场设计防火规范 GB50067-976.民用建筑水灭火系统设计规程 DGJ08-94-20017.建筑工种提供的平、立、剖面图、总平面图8.业主要求的使用标准、提供的市政管线资料三. 给水设计:资料:从基地内给水环管上引两路DN250给水管接入酒店地下室供消防,再在环管上引一路DN150供酒店生活用水。
生活及消防市政进水管分别设置总水表计量。
市政水压为0.2MPa.1. 用水量计算:1) 客房床位数n =1066 人 用水标准q =400升/人·天 使用时间t =24 小时 小时变化系数 k =2.5 ,则:日用水量:Q d =1000q n ⋅=10004001066⨯≈426(m 3/d ) 最大小时用水量:Q max =t k Q d ⋅=245.2426⨯=44.4(m 3/h )2) 员工人数 n=1000 人 用水标准 q=100升/人·天 使用时间 t=24 小时 小时变化系数 k=2.5 ,则: 日用水量:Qd =1000q n ⋅=10001001000⨯=100(m 3/d ) 最大小时用水量:Qmax =t k Q d ⋅=245.2100⨯=10.4(m 3/h )3) 餐厅人数 n=1000 座 用水标准 q=40升/座·次 每天按 2.5次计使用时间 t=12 小时 小时变化系数 k=1.2 ,则: 日用水量: Qd =10005.2q n ⋅⨯=10004010005.2⨯⨯=100(m 3/d )最大小时用水量: Qmax =t k Q d ⋅=122.1100⨯=10(m 3/h )4) 健身中心人数 n =100 人用水标准q =40升/人·天 每天按 5次计使用时间 t =12 小时小时变化系数 k =1.2 ,则:日用水量:Qd =51000⨯⋅q n =5100040100⨯⨯=20(m 3/d ) 最大小时用水量: Qmax =t k Q d ⋅=122.120⨯=2(m 3/h )5) 游泳池 游泳池容积为300立方,每日补水量按容积的8%使用时间t =12 小时 日用水量: Qd =300×8%=24(M 3/d )最大小时用水量: Qmax =24∕12=2M 3/h6) 空调用补充水量:根据暖通专业提供资料,经计算冷却循环水量为943 M 3/h ,补充水量为:使用时间 t =24 小时最大小时用水量: Qmax =943×1.5%=14M 3/h日用水量:Qd =14×24=336(M 3/d )7) 未预见用水量(包括室外绿化用水)10%:Qd =101 m 3Qmax =8.3m 38) 总用水量:∑Q d =1006+101=1107(m 3/d )∑Qh =82.8+8.3=91.1(m 3/h )2. 给水方式:给水竖向总共分四区。
建筑给排水中热水用水量计算方法的比较摘要:《建筑给水排水设计规范》中对建筑热水的计算给出了2个公式,但这2个公式的小时变化系数Kh在实际应用中不易确定。
通过对该规范中有关数据进行整理,利用最小二乘法原理进行数据处理,得出了计算Kh值的拟合公式。
随着人们生活水平的提高,热水的使用范围与频率也不断扩大和增长,不仅出现了功能齐全的各类电热水器、煤气热水器、太阳能热水器等等,而且住宅小区、高档写字楼内的集中供热水系统也在各地不断得到应用,至于各大宾馆、旅馆等,热水供应系统更是必不可少,只是在供水时间段上显示出其档次的高低,有的是24h供应热水,有的仅在某一时间段内定时供应热水。
由于热水系统的普及,且应用对象的性质、规模各有不同,因此在具体的工程设计中也经常遇到一些问题。
本文重在分析现有热水用水量计算公式的特点及各自的适用范围,以便在具体的工程设计中合理应用。
1 热水甩水量计算方法简介根据《建筑给水排水设计规范》GBJl5-88,建筑物的热水用水量可通过以下两种方法计算得到:① 根据人数或床位数和其热水用水量定额计算法[1]:Qh=K h mq r/24式中:Qh一最大时热水用水量;K h——小时变化系数;M—用水计算单位数(人或床);q r——热水用水量定额:规范中的计算公式隐含着热水供应时间统一为24h,并给出了一个全日制供应热水时K h 值的表格。
但我们从表中只能查到一些离散的点,而实际应用中往往要通过插值方法才能得到所需的K h值。
而设计人员常用线性插值,有时甚至“毛估估”,造成了计算结果的偏差,进而影响了实际的使用效果。
本文将给出经曲线拟合得到的K h的计算公式,以便于设计人员的使用。
q r的选用要注意热水的温度,必要时需经过换算,即(tr1—tl)q r1=(tt2—t1)q t2,其中tl为当地的冷水温度。
在实际应用过程中,有一些工程是全日制供应热水,即t=24h,可以直接选用规范规定的有关的K h值,但还有一些工程是定时供应热水,即t≠24h,从理论上来说这时的K h值应小于全日制供水状况,但由于没有相关的参考数据,设计人员往往套用全日制供水条件下的K h值,显然这是有偏安全的。
建筑给水排水工程(建工版)教学设计3 课程单元教学设计5.4 热水用水量、耗热量的计算及加热设备的选择热水系统中,计算热水量、耗热量的目的在于选择系统所需要的设备。
其计算方法如下。
一、 热水量的计算生产用热水量根据生产工艺和生产规模确定。
生活用热水用水量的计算有下面两种方法。
1.对于居住建筑、医院、疗养院、休养所、旅馆等可按使用热水的单位数、用水量标准和小时变化系数计算,即24rhr mq K G = (5—1) 式中G r ——热水设计用水量,L/h ;m ——用热水单位数,人或床位数;q r -一热水用水量标准,L /d (按表6.2采用); K h ——小时变化系数,按表5-3,表5—4,表5—5采用。
表5—3住宅的热水小时变化系数K h 值表5—4旅馆的热水小时变化系数K h 值表5—5医院的热水小时变化系数K h 值2.对于工业企业生活间、剧院、体育馆、学校、公共浴室、专用浴室、平均人口≤4人的住宅等,可按卫生器具数,热水用水量标准与同时使用百分数计算。
100nbq G h r ∑= (5—2)式中 G r ——同上式:q h ——卫生器具一小时热水用水量(按表5-3采用),L /h ; n ——同类型卫生器具数;b ——卫生器具同时使用百分数,公共浴室、工业企业生活间、学校、剧院及体育馆(场)等浴室的淋浴器和洗脸盆按100%计,旅馆、客房卫生间内的浴盆按60~70%计,其它器具不计;医院、疗养院的病房内卫生间的浴盆按25~50%计,其它器具不计。
二、 冷热水混合的水量分配当使用与供应水温不一致时,需用冷热水混合使其达到使用温度,其冷热水量可根据热平衡关系求出,即h r h Lr Lh r G G t t t t G •=•--=ϕ (5—3)()h r h L r L h L G G t t t t G ϕ-=⎪⎪⎭⎫ ⎝⎛---=11 (5—4)h r h G G G += (5—5)式中G r 、G L 、、G h ——分别为热水水量、冷水水量、混合水量,L /s ;;t r 、t L 、t h ——分别为热水温度、冷水温度、混合水温度,℃;r ϕ——热水量占混合水量的百分数。
热水系统设备参数计算(红色字为参数表):一、酒店部分:1、初定方案:酒店15~28层采用屋面设置热水箱往下供水,分高低两个区,高区(22层到28层)热水出水总管(编号为RJL-A)设置热水恒压变频泵,回水(编号为RHL-A)采用末端(屋面回水管末端)设置感温探测装置以及电磁阀;低区(15层~21层)热水出总管为RJL-B,回水(编号为RHL-B)采用机械循环,回水泵设置于15层公共管井内。
2、高区床位数:155床。
低区床位数:175床,考虑没床实际有多人使用,乘以安全系数1.5,得到总人数为(155+175)*1.5=495人。
热水用水定额取140L/人.d;(依据《建筑给水排水设计规范》GB 50015-2003第五章第一节<热水用水定额、水温和水质> 中的热水用水定额国家标准)总用水量:V=140L*495=69300L=69.3m3冷水计算温度区5摄氏度;热水计算温度取60摄氏度;使用时间取24小时;小时变化系数2.8采用下表Kh由此可得:=2.8*495*140L/24= 8085L=8.08m3 最大小时热水用量Qh=140L*495=69300 L/d=69.3全天用热用量Qq日耗热量:Qd=495(人)*140(L)*4.187*0.983*(60-5)=15687451.7Kj/d 设计日用水量:Qrd=140L*495=69300 L/d=69.3设计小时耗热量:Qh=2.8*495(人)*140(L)*4.187*0.983*(60-5)/24= 1830202.7kl/h设计小时热水量:Qrh=1830202.7kl/h/(60-5)*0.983*4.187=8085L/H=8.08M3/HQg=1.05*15687451.7Kj/d/16=1029488.98kj/h=285.96KW(3600KJ/h=1KW)(3)热泵机组每天工作按16小时计,供热量为285.96kw(4)热泵机组室外使用温度修正系数取0.9,机组按每小时融霜一次,则融霜系数取0.9,得到:空气源热泵机组总的制热量需:285.96/0.9/0.9=353.04kw。
昆明项目太阳能热水系统设计计算书一、工程概况32 层普通住宅,建设地点位于昆明市,共192户,每户按3.5 人计(考虑入住率、户型大小、用水习惯等因素),总用水人数:m 192户 3.5人/户672人。
按照国家建筑标准设计图集06SS12《8 太阳能集中热水系统选用与安装》第8.2.1 款规定:(1)太阳能集热器方位角宜朝正南方放置。
(2)在全年使用时,集热器的安装倾角宜与当地纬度相等。
查《给水排水技术措施2009年版本》附录F-2 可知,昆明当地的纬度为2501' 因此本工程的太阳能集热器的安装倾角取25 ,屋顶层正南向安装。
二、设计计算依据(1)《建筑给水排水设计规范GB50015-2003》(2009 年版);(2)《全国民用建筑工程设计技术措施- 给水排水》(2009 年版);(3)国家建筑标准设计图集06SS127《热泵热水系统选用与安装》;(4)国家建筑标准设计图集06SS128《太阳能集中热水系统选用与安装》;(5)专业公司提供的太阳能集中热水系统设计方案书;(6)云南省设计院提供的设计图纸。
三、集热系统设计计算1. 设计日用热水量q rd 计算:系统设计日用热水量按下式计算:Q r mq r式中:Q r系统设计日用热水量L/d ;m 用水计算单位数,m 672人;q r 热水用水定额L/ 人d ,q r 60 L/ 人d 则:Q r mq r672人60L/人d 40320L/d 40.32m3/d2. 太阳能集热器总采光面积的确定2.1 太阳能集热器全日集热效率的确定本例选用真空管型太阳能集热器,每组集热器面积7.5m2。
由于缺少该集热器相关的瞬时效率方程,故按照国家建筑标准设计图集06SS128《太阳能集中热水系统选用与安装》第8.4.4 款第2条规定:太阳能热水工程中集热器效率一般在25% ~ 50%之间,全年均衡使用时取平均值进行估算,因此2.2太37.5%。
阳能保证率f的确定由于云南省太阳能资源属于川类一般区,太阳能保证率在40%~50%之间,本次计算取50%。
宾馆热水计算
建筑物类型:宾馆
系统名称:热水系统1
床位数按:100取用水定额:187.5 升/床*日
冷水温度:5 摄氏度热水温度56摄氏度
小时变化系数取:4.55
用水时数取:约24小时
计算结果:
(1) 小时耗热量:231.69 KJ/h
(2)最高日用水量为:17.50 立方米;
(3)最高日最大小时用水量为:1.82 立方米/小时。
(4)水力坡度:
i=0.000915Q^1.774/dj^4.774=0.000915×0.00051^1.774/0.059^4.774=0.0009 6
(5)平均流速:v=Q/(0.25π×dj^2)=0.00051/(0.25π×0.059^2)=0.18m/s
(6)沿程水头损失:hd=i×L=0.00096×100=0.1m
(7)局部水头损失:hj=hd×m=0.1×0.3=0.03m
(8)总水头损失:H=hd+hj=0.1+0.03=0.12m
其中,dj为计算内径,π取3.1415926。
(4)管网热损失:
α值:2.5 管道材质:PP-R(1.6MPa)
控制流速:DN15-DN20≤0.8m/s DN25-DN40≤1.0m/s DN50-≤1.2m/s
末端压力:0.030(MPa)
最高水温:60℃ 最低水温:20℃ 保温系数:0.7 环境温度:20℃
建议:目前在热回水主管道(DN65管)上,增加热回水泵,功率2kw,扬程15 米,流速1.2m/s。
热水供应计算一、生活热水用水定额1、集中供应热水时,各类建筑的热水用水定额可按表5.1.1-1表5.1.1-1 热水用水定额2、卫生器具一次和一小时热水用水定额及其热水使用温度可按表5.1-2表5.1-2 卫生器具一次和一小时热水用水定额注:一般车间是指《工业企业设计卫生标准》中规定的3、4级卫生特征的车间,脏车间是指1、2级卫生特征的车间二、生产热水用水定额生产热水用水量和小时变化系数,应根据工艺要求或同类型生产实际数据确定。
三、热水使用温度各种卫生器具的热水用水温度,见表5.1-2。
其中淋浴器的用水温度应根据气候条件、使用对象确定,在计算热水用量和耗热量时,一般均按40℃计算。
洗衣机、厨房等热水使用温度与用水对象有关,见5.1-3。
表5.1-3 洗衣机、厨房器具用水温度四、热水供水温度热水供应系统的热水供水温度视热水系统中配水点所要求的水温而定,见表5.1-4。
表5.1-4 热水系统供水温度集中热水供应系统中,在加热设备和热水管道保温条件下,加热设备出口处与配水点的热水温差,一般不大于15℃。
热水系统水加热器出口的水温不应高于75℃。
热水系统中,水加热器和管道的散热能耗与配水点要求的水温成正比。
从节能的观点考虑,对于局部要求高温度的用水点,如厨房等,宜采用进一步加热供应的方式或单独加热的方式。
五、冷水计算温度冷水计算温度以当地最冷月平均水温资料确定,在无水温资料时,可参照表5.1-5确定。
表5.1-5 冷水计算温度六、热水供应水质要求管道结垢和腐蚀主要因素是暂时硬度含量和水温。
应符合《生活饮用水卫生标准》的要求。
按65℃计算的日用水量小于10m3时,其原水可以不进行软化处理。
水中硬度低于8.4德国度时,加热后结垢量较小;硬水和极硬水在加热后结垢现象就较严重,且当水温大于60℃,结垢量明显增大。
生活用热水供应如果不采取水质软化的情况下,为了尽可能减少管道的结垢量,加热器的出口水温不宜大于60℃。
冷热水日常用水量计算公式在日常生活中,水是我们生活中不可或缺的重要资源。
我们需要用水来洗澡、洗衣、做饭、清洁等等。
因此,了解我们日常用水量的计算公式是非常重要的。
特别是对于冷热水日常用水量的计算,更是需要我们了解其计算方法,以便更好地管理和节约水资源。
首先,我们来看一下冷热水日常用水量的计算公式。
冷热水日常用水量的计算公式可以分为两部分,冷水用水量和热水用水量。
下面我们将分别介绍这两部分的计算公式。
首先是冷水用水量的计算公式。
冷水用水量的计算公式可以表示为:冷水用水量 = 冷水每人每天用水量×人数×天数。
其中,冷水每人每天用水量是指每个人每天用冷水的平均量,通常以升为单位。
人数是指家庭成员的人数,天数是指统计的时间段,通常以天为单位。
通过这个公式,我们可以计算出家庭在一定时间段内使用冷水的总量。
接下来是热水用水量的计算公式。
热水用水量的计算公式可以表示为:热水用水量 = 热水每人每天用水量×人数×天数。
同样,热水每人每天用水量是指每个人每天用热水的平均量,通常以升为单位。
通过这个公式,我们可以计算出家庭在一定时间段内使用热水的总量。
在实际应用中,我们可以根据家庭成员的实际情况和用水习惯来确定每人每天用水量的具体数值。
比如,如果家庭成员喜欢洗澡而不是洗澡,那么热水用水量可能会比较大。
如果家庭成员喜欢多次洗澡,那么冷水用水量可能会比较大。
因此,我们需要根据实际情况来确定每人每天用水量的数值。
另外,我们还可以通过监测水表来确定家庭的实际用水量。
通过记录水表的读数,我们可以了解家庭在一定时间段内的用水量,从而更加准确地计算出冷热水日常用水量。
了解冷热水日常用水量的计算公式对于我们更好地管理和节约水资源非常重要。
通过计算家庭的用水量,我们可以更好地控制用水量,避免浪费水资源。
同时,我们还可以根据实际情况来调整用水习惯,从而更加节约水资源。
因此,希望大家能够重视冷热水日常用水量的计算,从而更好地保护我们的水资源。
生活热水负荷计算生活热水负荷计算是指根据室内热水使用需求的不同,结合相关的计算方法和公式,计算出相应的热水负荷量。
这对于设计和选择热水供应设备以及确定水箱的容量和加热能力非常重要。
下面将详细介绍生活热水负荷计算的方法和相关影响因素。
1.影响生活热水负荷的因素-人口数量:家庭人口数量是决定生活热水负荷的首要因素。
一般来说,家庭成员越多,日常的洗浴、洗涤等热水使用量越大,负荷也越大。
-温度需求:热水的温度需求也会影响负荷的计算。
不同用途的热水温度需求不同,如洗澡水温约为38-40摄氏度,洗手水温约为40-45摄氏度,洗衣水温约为50-60摄氏度等。
-热水使用方式:不同的热水使用方式也对负荷产生影响。
如通过热水器、太阳能等方式供应热水,负荷计算方式会有所不同。
-用水习惯:家庭成员的用水习惯也会对负荷计算产生影响。
有些人可能更喜欢长时间淋浴,而有些人可能更倾向于快速冲洗。
2.生活热水负荷计算方法-日常生活用水计算:根据家庭成员数量、用水习惯和热水使用方式等因素,计算出每天所需的洗浴、洗衣、洗涤等用水量。
-热水量计算:根据热水需求量和温度需求,计算出每天所需的热水量。
可使用公式:热水量=日常生活用水量×温度增量。
-损耗补偿:由于热水供应过程中会有一定的能量损耗,需计算相应的补偿量。
可使用公式:损耗补偿=热水量×损耗系数。
-水箱计算:根据每天所需的热水量和损耗补偿量,计算出所需的水箱容量。
可使用公式:水箱容量=(热水量+损耗补偿)/水箱温差。
3.示例计算假设一个家庭有4口人,每天需要洗浴、洗衣和洗涤,热水温度需求为40摄氏度。
根据日常生活用水量计算,每天所需的热水量为:洗浴用水量=30升/人×4人=120升洗衣用水量=50升/人×4人=200升洗涤用水量=20升/人×4人=80升总热水量=120升+200升+80升=400升根据温度需求计算,每天所需的热水量为:由于热水供应过程中会有能量损耗,需计算相应的损耗补偿量。