AAO设计计算书
- 格式:pdf
- 大小:411.64 KB
- 文档页数:4
1、判断是否可以用AAO法COD/TN7.11符合要求>8TP/BOD50.02符合要求<0.06符合要求2、有关设计参数BOD5污泥负荷N kgBOD5/(kgMLSS·d)0.07污泥容积负荷F=N*X kgBOD5/(m3·d)0.21回流污泥浓度 X R mg/l6000污泥池浓度99.4%混合液悬浮固体浓度 X mg/l3000污泥回流比 R=X/(X R-X)100%TN去除率ηN=(TN0-Tn e)/TN0*100%66.67%混合液回流比 R内=ηN/(1-ηN)*100%200.00%3、反应池容积VV=QS0/(N*X) m32857.14反应池总水力停留时间t=V/Q h22.86各段水力停留时间和容积:厌氧:缺氧:好氧=1:1:3厌氧池水力停留时间 h 4.57池容V厌 m3571.4缺氧池水力停留时间 h 4.57池容V缺 m3571.4好氧池水力停留时间 h13.71池容V好 m31714.34、校核氮磷负荷 kgTN/(kgMLSS·d)好氧段总氮负荷=Q·TN0/(X·V好)0.026符合要求<0.05厌氧段总磷负荷=Q·TP0/(X·V厌)0.007符合要求<0.065、剩余污泥量△X,kg/d△X=Px+Ps kg/d372Px=Y·Q(S0-S e)-k d·V·X v42污泥增殖系数Y0.6污泥自身氧化率k d0.05Ps=Q(X0-X e)*50%3306、碱度校核剩余碱度S ALK1=进水碱度-硝化消耗碱度+反硝化产126.70>100生碱度+去除BOD5产生碱度进水碱度 mg/l280每日用于合成的总氮=0.124*Px 5.21用于合成的总氮量 1.74被氧化的氨氮=进水总氮-出水氨氮-用于合成的总38.26氮量所需脱硝量=进水总氮-出水总氮-用于合成的总氮28.26量需还原的硝酸盐氮量=Q*所需脱销量/100084.797、曝气系统设计计算设计需氧量AOR=D1+D2-D3 kgO2/d1089.83碳化需氧量D1=Q(S0-S)/(1-e-0.23×5)-1.42Px804.29出水所含溶解性BOD5 S=Se-1.42*0.7*Xe(1-e-3.210.23×5)硝化需氧量D2=4.6Q(N0-Ne)-4.6*0.124*Px528.04反硝化脱氮产氧量D3=2.86N T242.51N T=Q*所需脱销量84.79最大需氧量AORmax=变化系数*AOR kgO2/d1416.78标准需氧量SOR=AOR*Cs(20)/[α*(βρCsm(t)-2205.17CL)*1.024(T-20)] kgO2/dCs(20)/[α*(βρCsm(t)-CL)*1.024(T-20)] 2.02最大时标准需氧量SORmax kgO2/d2866.73好氧池平均曝气量 m3/min25.52汽水比12.25 8、污泥龄的计算θc=MLSS*V/△X d23.04按污泥负荷计算:V=24L j Q/(1000F W N W)。
4.2 设计计算本工艺是采用池体单建的方式,各个池子根据厌氧—好氧-缺氧活性污泥法污水处理工程技术规范[20]进行设计计算。
4.2。
1 厌氧池设计计算(1)池体设计计算 a 。
反应池总容积(4—1)式中:t p —— 厌氧池水力停留时间,h ; Q -— 污水设计水量,m 3/d ; V p —— 厌氧池容积,m 3;3150024200008.1m V p =⨯=b.反应池总面积h VA =(4-2)式中:A --——--反应池总面积,2m ; h —---——反应池有效水深,m ;取4m 237541500m A ==c 。
单组反应池有效面积NAA =1 (4—3) 式中:1A -—--—-每座厌氧池面积,2m ;N —----—厌氧池个数,个;21m 5.1872375==A d.反应池总深设超高为h 1=1。
0m ,则反应池总深为:mH 0.50.10.4h h 1=+=+=e 。
反应池尺寸 mm m H L B 57.1115⨯⨯=⨯⨯(2)进、出水管设计24Q t V p p ⨯=s m Q Q /204.02408.023max 1===sm Q Q /408.034.02.12.13max max '=⨯==()11Q R R Q i ++=321)2(gmb Q H =a 。
进水设计进水管设计流量s m Q /34.03max =,安全系数为1。
2 故分两条管道,则每条管道流量为: 管道流速v = 1。
4m/s ,则进水管理论管径为:mm m Q 429429.04.1204.044d 1==⨯⨯==ππν(4—4)取进水管管径DN=450mm 。
反应池采用潜孔进水,孔口面积21v Q F =(4—5) 式中:F ———--—每座反应池所需孔口面积,2m ;2v —-——-—孔口流速(m/s),一般采用0。
2—1.5s m /,本设计取2v =0。
2s m /202.12.0204.0m F ==设每个孔口尺寸为0.5×0.5m,则孔口数为(4—6)式中:n --—---每座曝气池所需孔口数,个; f —————-每个孔口的面积,2m ;个个,取508.45.05.002.1==⨯=n nb 。
1、缺氧池、好氧池(曝气池)的设计计算: 〔1〕、设计水量的计算由于硝化和反硝化的污泥龄和水力停留时间都较长,设计水量应按照最高日流量计算。
Q K Q •=式中:Q ——设计水量,m 3/d ;Q ——日平均水量,m 3/d ;K ——变化系数;〔2〕、确定设计污泥龄C θ需反硝化的硝态氮浓度为e e 0-)S -.05(S 0-N N N O =式中:N ——进水总氮浓度,mg/L ; 0S ——进水BOD 值【1】,mg/L ;e S ——出水BOD 值,mg/L ; e N ——出水总氮浓度,mg/L ; 反硝化速率计算S N K Ode =计算出de K 值后查下表选取相应的V V D /值,再查下表取得C θ值。
反硝化设计参数表〔T=10~12℃〕〔3〕、计算污泥产率系数Y 【2】]072.1θ17.01072.1θ102.0-6.075.0[)15-()15-(00T C T C S X K Y •+•+= 式中:Y——污泥产率系数,kgSS/kgBOD ;K ——修正系数,取9.0=K ;0X ——进水SS 值mg/L;T——设计水温,与污泥龄计算取一样数值。
然后按下式进展污泥负荷核算:)-(θ00e C S S S Y S L •=式中:SL ——污泥负荷,我国规推荐取值围为0.2~0.4kgBOD/(kgMLSS •d)。
活性污泥工艺的最小污泥龄和建议污泥龄表〔T=10℃〕【3】单位:d〔4〕、确定MLSS(X)MLSS(X)取值通过查下表可得。
反响池MLSS 取值围取定MLSS(X)值后,应用污泥回流比R 反复核算X X XR R -=310007.0E R t SVIX ו= 式中:R ——污泥回流比,不大于150%;E t ——浓缩时间,其取值参见下表。
浓缩时间取值围〔5〕、计算反响池容积XS S Y Q V e C 1000)-(θ240=计算出反响池容积V 后,即可根据V V D /的比值分别计算出缺氧反响池和好氧反响池的容积。
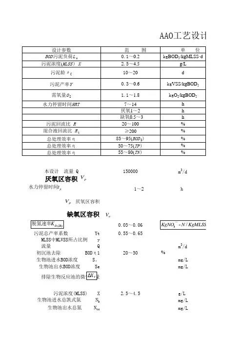
AAO工艺设计计算书2.4 A/A/O 工艺设计 2.4.1 设计参数2.4.2 好氧池设计计算(1)反应器内MLSS 浓度取MLSS 浓度X=3000mg/L ,回流污泥浓度X R =9000mg/L 故污泥回流比 R=5.0300090003000=-=-=X X X R R(2)求硝化的比生长速率⎪⎪⎭⎫⎝⎛+⨯=N K N n m n n ,μμ 式中:μn,m ——硝化菌的最大比生长率,g 新细胞/(g 细胞·d); N ——出水氨氮的浓度,mg/l 。
此处为8mg/L ;K N ——半速率常数,在最大比基质利用率一半时的基质浓度,此处为1mg/L 。
先求10℃时的μn,m)/(288.047.047.0)1510(098.0)15(098.014,d g g T m n ⋅≈==-- μ故 1256.0818288.0-=⎪⎭⎫⎝⎛+⨯=d n μ (3)求设计SRT d (污泥龄)理论SRT :1256.011-≈=d SRT nμ 设计SRT d :为保证安全设计的SRT d 未理论SRT 的三倍,故d SRT 73.1191.33=⨯=(4)好氧池停留时间()XSRT K S S Y SRT T d d e o T d ⋅+-=)1( 式中 Y t —— 污泥总产率系数,取0.8kgMLSS/kgBOD ; S o —— 进水BOD 5浓度mg/L ,此处为180mg/L ; S e —— 出水溶解性BOD 5浓度,mg/L ; K d —— 自身氧化系数,()2020,-=T t d K K θ 在20℃时,K 20取0.04-0.075,此处取0.075。
θ为温度修正系数,可取1.02-1.06,此处取1.02。
故 ()062.002.1075.0201010,≈⨯=-d KS e =S o ’-S ne S ne =7.1b ×aC e式中 C e —— 处理出水中SS 浓度,此处为20mg/L ; b —— 微生物自身氧化率,此处为0.075;X a —— 在处理水的悬浮固体中,有活性的微生物所占比例,此处为0.4S o ’ —— 出水BOD 5浓度,此处为20mg/L 故 L mg S e /74.15204.0075.01.720≈⨯⨯⨯-= 故 ()()d T 297.0300073.11062.0174.151808.073.11≈⨯⨯+-⨯⨯=(5)好氧池面积31782297.06000m V =⨯= 故好氧池停留时间HRT 为: h HRT 1.72460001782≈⨯=(6)生物固体产量()()10001,⋅⋅+-=d de o t bio x SRT K S S QY P 式中 Q —— 该污水厂最大的处理量,6000m 3/d 故 ()()d kgVSS P bio x /47.456100073.11062.0174.151808.06000,≈⨯⨯+-⨯⨯=(7)比较求由氮氧化成的硝酸盐数量每产生1g 的VSS 就要消耗掉0.12g 的N ,故因生物固化作用除去的TN x,biodkg P TN bio x bio x /78.5447.45612.012.0,,≈⨯=⨯=故因硝化/反硝化作用除去的TN 为()bio x out in c TN TN TN Q TN ,1000--=式中 TN in —— 进水总氮量,45mg/L ; TN out —— 出水总氮量,20mg/L 故 ()d kg TN c /22.9578.54100020456000=--⨯=故产生的硝酸盐数量及浓度为:()[]biox in N NO TNQ out N NH TN C ,310003-⋅--=-()dkg /22.16778.5410006000845=-⨯-=故硝酸盐浓度为L mg Q N NO C N NO /87.276000100022.167100033=⨯=⨯-=-2.4.3 缺氧池设计计算(1)内回流比IR()133-=--outN NO NNO CC IR式中 ()out N NO C -3—— 排除的硝酸盐量,12mg/L故 %13211287.27=-=IR (2)缺氧池面积XK TN V de c n ⋅⨯=1000式中 K de ——反硝化速率,kgNO 3-N/(kgMLSS ·d);()2020-⋅=T T de de K K θ式中 K de20 —— 20℃时的反硝化速率,取0.06kgNO 3-N/kgMLSS θt ——温度修正系数,取1.08故 ()028.008.106.02010≈⨯=-de K 故 357.11333000028.0100022.95m V n ≈⨯⨯=其水力停留时间HRT 为h HRT 5.424600057.1133≈⨯=2.4.4 厌氧池设计计算(1)厌氧池容积24Q t V p p ⋅=式中 t p —— 厌氧池停留时间,取2h 故厌氧池体积35002460002m V p =⨯=2.4.5 曝气系统设计计算(本设计采用鼓风曝气系统)(1)设计最大需氧量AORAOR=除去BOD 需氧量—剩余污泥当量+消化需氧量—反硝化产氧量()bio x e a P S S Q D ,142.1100046.1--⨯=()d kgO /73.79047.45642.1100074.151********.12≈⨯--⨯⨯=硝化需氧量d kgO C D N NO /21.76922.1676.46.4223≈⨯=⨯=-反硝化产氧量d kgO TN D c /33.27222.9586.286.223≈⨯=⨯=故 d kgO AOR /61.128733.27221.76973.7902=-+=(2)供气量的计算采用STEDOC300型橡胶膜微孔曝气器,敷设于距池底0.2m 处,淹没水深4.8m ,氧 转移效率30%,计算温度定为30℃。
1、缺氧池、好氧池(曝气池)的设计计算: (1)、设计水量的计算由于硝化和反硝化的污泥龄和水力停留时间都较长,设计水量应按照最高日流量计算。
Q K Q •=式中:Q ——设计水量,m 3/d ; Q ——日平均水量,m 3/d ;K ——变化系数;(2)、确定设计污泥龄C θ需反硝化的硝态氮浓度为e e 0-)S -.05(S 0-N N N O =式中:N ——进水总氮浓度,mg/L ;0S ——进水BOD 值【1】,mg/L ;e S ——出水BOD 值,mg/L ; e N ——出水总氮浓度,mg/L ; 反硝化速率计算S N K Ode =计算出de K 值后查下表选取相应的V V D /值,再查下表取得C θ值。
反硝化设计参数表(T=10~12℃)(3)、计算污泥产率系数Y 【2】]072.1θ17.01072.1θ102.0-6.075.0[)15-()15-(00T C T C S X K Y •+•+= 式中:Y ——污泥产率系数,kgSS/kgBOD ; K ——修正系数,取9.0=K ;0X ——进水SS 值mg/L;T ——设计水温,与污泥龄计算取相同数值。
然后按下式进行污泥负荷核算:)-(θ00e C S S S Y S L •=式中:S L ——污泥负荷,我国规范推荐取值范围为0.2~0.4kgBOD/(kgMLSS •d)。
活性污泥工艺的最小污泥龄和建议污泥龄表(T=10℃)【3】单位:d(4)、确定MLSS(X)MLSS(X)取值通过查下表可得。
反应池MLSS 取值范围取定MLSS(X)值后,应用污泥回流比R 反复核算XX XR R -=310007.0E R t SVIX ו= 式中:R ——污泥回流比,不大于150%;E t ——浓缩时间,其取值参见下表。
浓缩时间取值范围(5)、计算反应池容积XS S Y Q V e C 1000)-(θ240=计算出反应池容积V 后,即可根据V V D /的比值分别计算出缺氧反应池和好氧反应池的容积。
1、判断是否可以用AAO法COD/TN7.11符合要求>8TP/BOD50.02符合要求<0.06符合要求2、有关设计参数BOD5污泥负荷N kgBOD5/(kgMLSS·d)0.07污泥容积负荷F=N*X kgBOD5/(m3·d)0.21回流污泥浓度 X R mg/l6000污泥池浓度99.4%混合液悬浮固体浓度 X mg/l3000污泥回流比 R=X/(X R-X)100%TN去除率ηN=(TN0-Tn e)/TN0*100%66.67%混合液回流比 R内=ηN/(1-ηN)*100%200.00%3、反应池容积VV=QS0/(N*X) m32857.14反应池总水力停留时间t=V/Q h22.86各段水力停留时间和容积:厌氧:缺氧:好氧=1:1:3厌氧池水力停留时间 h 4.57池容V厌 m3571.4缺氧池水力停留时间 h 4.57池容V缺 m3571.4好氧池水力停留时间 h13.71池容V好 m31714.34、校核氮磷负荷 kgTN/(kgMLSS·d)好氧段总氮负荷=Q·TN0/(X·V好)0.026符合要求<0.05厌氧段总磷负荷=Q·TP0/(X·V厌)0.007符合要求<0.065、剩余污泥量△X,kg/d△X=Px+Ps kg/d372Px=Y·Q(S0-S e)-k d·V·X v42污泥增殖系数Y0.6污泥自身氧化率k d0.05Ps=Q(X0-X e)*50%3306、碱度校核剩余碱度S ALK1=进水碱度-硝化消耗碱度+反硝化产126.70>100生碱度+去除BOD5产生碱度进水碱度 mg/l280每日用于合成的总氮=0.124*Px 5.21用于合成的总氮量 1.74被氧化的氨氮=进水总氮-出水氨氮-用于合成的总38.26氮量所需脱硝量=进水总氮-出水总氮-用于合成的总氮28.26量需还原的硝酸盐氮量=Q*所需脱销量/100084.797、曝气系统设计计算设计需氧量AOR=D1+D2-D3 kgO2/d1089.83碳化需氧量D1=Q(S0-S)/(1-e-0.23×5)-1.42Px804.29出水所含溶解性BOD5 S=Se-1.42*0.7*Xe(1-e-3.210.23×5)硝化需氧量D2=4.6Q(N0-Ne)-4.6*0.124*Px528.04反硝化脱氮产氧量D3=2.86N T242.51N T=Q*所需脱销量84.79最大需氧量AORmax=变化系数*AOR kgO2/d1416.78标准需氧量SOR=AOR*Cs(20)/[α*(βρCsm(t)-2205.17CL)*1.024(T-20)] kgO2/dCs(20)/[α*(βρCsm(t)-CL)*1.024(T-20)] 2.02最大时标准需氧量SORmax kgO2/d2866.73好氧池平均曝气量 m3/min25.52汽水比12.25 8、污泥龄的计算θc=MLSS*V/△X d23.04按污泥负荷计算:V=24L j Q/(1000F W N W)。
aao工艺设计计算书一、引言AAO(Anodic Aluminum Oxide)工艺设计计算书是针对AAO工艺的设计和计算工具,用于实现对氧化铝薄膜的快速化学腐蚀。
本文主要分为设计参数和计算方法两个部分,共计1200字以上。
二、设计参数1.选择铝片:根据应用需求,选择合适的铝片材质和尺寸。
铝片的纯度和厚度会影响氧化铝薄膜的质量和特性。
2.氧化电解液:根据需要选择合适的氧化电解液。
常用的电解液包括硫酸、草酸等。
不同的电解液会对氧化铝薄膜的孔径和结构产生影响。
3.电解电压和时间:根据所需的氧化铝膜厚度和孔径大小,选择适当的电解电压和时间。
一般来说,较高的电解电压和时间可以得到较厚的膜层和较大的孔径。
4.温度和搅拌:控制电解过程中的温度和搅拌条件,可以改善氧化铝膜的质量和均匀性。
三、计算方法1.氧化铝膜的孔径计算:孔径主要由电解液中的氟离子浓度和电解时间决定。
计算公式为:孔径= 2.87 × sqrt(E × t / F)其中,E为电解液中的氟离子浓度(mol/L),t为电解时间(s),F 为 Faraday 常数。
2.氧化铝膜的厚度计算:厚度主要由电解中所施加的电压和时间决定。
计算公式为:厚度=0.003×V×t其中,V为电解电压(V),t为电解时间(s)。
3.氧化铝膜的孔隙率计算:孔隙率是指膜层中孔隙的体积与总膜层体积之比。
计算公式为:孔隙率=(1-圆柱体体积/影响区体积)×100%其中,影响区体积为膜孔的直径与孔密度之积。
4.氧化铝膜的表面粗糙度计算:表面粗糙度是指膜层表面的不平整程度。
计算公式为:表面粗糙度= (Ra1 + Ra2 + Ra3 + … + Ran) / n其中,Ra为表面粗糙度参数的平均值,n为测量参数的个数。
四、结束语AAO工艺设计计算书是进行AAO工艺设计和计算的重要辅助工具。
通过选择合适的设计参数和使用适当的计算方法,可以实现对氧化铝薄膜的控制和优化。
A平方O工艺设计计算书精选文档TTMS system office room 【TTMS16H-TTMS2A-TTMS8Q8-2.4 A/A/O 工艺设计2.4.1 设计参数2.4.2 好氧池设计计算(1)反应器内MLSS 浓度取MLSS 浓度X=3000mg/L ,回流污泥浓度X R =9000mg/L故污泥回流比 R=5.0300090003000=-=-=X X X R R (2)求硝化的比生长速率式中:μn,m ——硝化菌的最大比生长率,g 新细胞/(g 细胞·d);N ——出水氨氮的浓度,mg/l 。
此处为8mg/L ;K N ——半速率常数,在最大比基质利用率一半时的基质浓度,此处为1mg/L 。
先求10℃时的μn,m故 1256.0818288.0-=⎪⎭⎫⎝⎛+⨯=d n μ (3)求设计SRT d (污泥龄)理论SRT :设计SRT d :为保证安全设计的SRT d 未理论SRT 的三倍,故(4)好氧池停留时间式中 Y t —— 污泥总产率系数,取0.8kgMLSS/kgBOD ;S o —— 进水BOD 5浓度mg/L ,此处为180mg/L ;S e —— 出水溶解性BOD 5浓度,mg/L ;K d —— 自身氧化系数,()2020,-=T t d K K θ在20℃时,K 20取0.04-0.075,此处取0.075。
θ为温度修正系数,可取1.02-1.06,此处取1.02。
故 ()062.002.1075.0201010,≈⨯=-d KS e =S o ’-S neS ne =7.1b ×aC e式中 C e —— 处理出水中SS 浓度,此处为20mg/L ;b —— 微生物自身氧化率,此处为0.075;X a —— 在处理水的悬浮固体中,有活性的微生物所占比例,此处为0.4 S o ’ —— 出水BOD 5浓度,此处为20mg/L故 L mg S e /74.15204.0075.01.720≈⨯⨯⨯-=故()()d T297.0300073.11062.0174.151808.073.11≈⨯⨯+-⨯⨯=(5)好氧池面积故好氧池停留时间HRT为:(6)生物固体产量式中 Q ——该污水厂最大的处理量,6000m3/d故()()dkgVSSPbiox/47.456100073.11062.0174.151808.06000,≈⨯⨯+-⨯⨯=(7)比较求由氮氧化成的硝酸盐数量每产生1g的VSS就要消耗掉0.12g的N,故因生物固化作用除去的TNx,bio 故因硝化/反硝化作用除去的TN为式中 TNin——进水总氮量,45mg/L;TNout——出水总氮量,20mg/L故()dkg TNc/22.9578.54100020456000=--⨯=故产生的硝酸盐数量及浓度为:故硝酸盐浓度为2.4.3 缺氧池设计计算(1)内回流比IR式中 ()out N NO C -3—— 排除的硝酸盐量,12mg/L 故 %13211287.27=-=IR (2)缺氧池面积式中 K de ——反硝化速率,kgNO 3-N/(kgMLSS ·d);式中 K de20 —— 20℃时的反硝化速率,取0.06kgNO 3-N/kgMLSSθt ——温度修正系数,取1.08故 ()028.008.106.02010≈⨯=-de K故 357.11333000028.0100022.95m V n ≈⨯⨯= 其水力停留时间HRT 为2.4.4 厌氧池设计计算(1)厌氧池容积式中 t p —— 厌氧池停留时间,取2h故厌氧池体积2.4.5 曝气系统设计计算(本设计采用鼓风曝气系统)(1)设计最大需氧量AORAOR=除去BOD 需氧量—剩余污泥当量+消化需氧量—反硝化产氧量硝化需氧量反硝化产氧量故 d kgO AOR /61.128733.27221.76973.7902=-+=(2)供气量的计算采用STEDOC300型橡胶膜微孔曝气器,敷设于距池底0.2m 处,淹没水深4.8m ,氧 转移效率30%,计算温度定为30℃。
1、缺氧池、好氧池(曝气池)的设计计算:(1)、设计水量的计算由于硝化和反硝化的污泥龄和水力停留时间都较长,设计水量应按照最高日流量计算。
Q=K•Q式中:Q——设计水量,m3/d;Q——日平均水量,m3/d;K——变化系数;(2)、确定设计污泥龄θC需反硝化的硝态氮浓度为N O=N-0.05(S0-S e)-N e式中:N——进水总氮浓度,mg/L;S0——进水BOD值【1】,mg/L;S e——出水BOD值,mg/L;N e——出水总氮浓度,mg/L;反硝化速率计算K de=N OS0计算出Kde 值后查下表选取相应的VD/V值,再查下表取得θC值。
活性污泥工艺的最小污泥龄和建议污泥龄表(T=10℃)【3】单位:d 反硝化设计参数表(T=10~12℃) X 00.102θC •1.072(T -15)(3)、计算污泥产率系数 Y 【2】Y = K [0.75 +0.6- S 0 1+0.17θC •1.072(T -15)]式中:Y ——污泥产率系数,kgSS/kgBOD ;K ——修正系数,取 K =0.9 ;X 0 ——进水 SS 值 mg/L;T ——设计水温,与污泥龄计算取相同数值。
然后按下式进行污泥负荷核算:L S =SθC •Y (S 0 - S e )式中:L S ——污泥负荷,我国规范推荐取值范围为0.2~0.4kgBOD/(kgMLSS • d )。
反应池 MLSS 取值范围 10003× t E(4)、确定 MLSS(X)MLSS(X)取值通过查下表可得。
取定 MLSS(X)值后,应用污泥回流比 R 反复核算R =X X R - XX R =0.7 • SVI式中:R ——污泥回流比,不大于 150%;t E ——浓缩时间,其取值参见下表。
浓缩时间取值范围工艺选择无硝化有硝化有硝化反硝化有深度反硝化浓缩时间<1.5~2h<1.0~1.5h<2h<2.5h (5)、计算反应池容积V=24QθC Y(S0-S e)1000X计算出反应池容积V后,即可根据V/V的比值分别计算出缺氧D反应池和好氧反应池的容积。