起重吊装专项安全检查表.
- 格式:pdf
- 大小:143.22 KB
- 文档页数:2
起重机械安全检查表一、起重机械概况1. 起重机械类型:2. 起重机械编号:3. 起重机械制造单位:4. 技术规范及执行标准:5. 起重机械使用单位:6. 起重机械使用地点:7. 起重机械使用环境条件:8. 起重机械运行时间:二、起重机械运行状况检查1. 起重机械运行是否正常:2. 起重机械运行是否平稳:3. 起重机械运行是否有异响:4. 起重机械运行是否有晃动:5. 起重机械运行是否有异常振动:6. 起重机械运行是否有异常温升:7. 起重机械运行是否有异常泄露:三、起重机械结构检查1. 起重机械主体结构是否完整:2. 起重机械安装基础是否牢固:3. 起重机械悬挂装置是否正常:4. 起重机械传动装置是否正常:5. 起重机械制动装置是否灵敏:7. 起重机械液压系统是否正常:8. 起重机械信号系统是否完善:9. 起重机械防护装置是否齐全有效:10. 起重机械附属设备是否完好:四、起重机械安全控制检查1. 起重机械安全控制系统是否正常:2. 起重机械限位装置是否灵敏准确:3. 起重机械报警装置是否正常:4. 起重机械紧急停机装置是否灵敏可靠:5. 起重机械速度控制是否准确可调:6. 起重机械起重量计量系统是否准确:7. 起重机械各种开关按钮是否正常:五、起重机械工作状况检查1. 起重机械载荷是否超过额定载荷:2. 起重机械是否运输超长或超重物件:3. 起重机械是否悬吊物件过高:4. 起重机械是否在限定动作范围内操作:5. 起重机械是否正确使用各种附属设备:6. 起重机械操作人员是否持证上岗:六、起重机械维护检查1. 起重机械定期维护是否按照要求进行:2. 起重机械维护记录是否完整准确:3. 起重机械维修是否及时有效:七、起重机械安全提示1. 提示操作人员遵守工作规程:2. 提示操作人员严禁超载操作:3. 提示操作人员正确使用安全控制装置:4. 提示操作人员定期参加起重机械安全培训:以上为起重机械安全检查表,对于起重机械的安全运行以及保障人员的生命安全具有重要作用,请各使用单位认真执行,并及时处理检查中发现的问题。
起重吊装作业安全检查表一、工程概况根据《起重吊装作业安全检查表》项目要求,本工程为某工业厂区大型设备吊装作业。
工程地址位于XX市XX工业园区内,主要工程内容为大型机械设备、预制构件的起重吊装作业。
工程规模大,吊装设备种类多,吊装作业环境复杂,因此对吊装作业的安全管理、工器具选型、人员配置及安全技术措施等要求严格。
二、吊装管理(一)、吊装施工组织流程1. 吊装前准备:进行现场踏勘,编制吊装方案,明确吊装工艺,办理相关手续,组织吊装设备、工器具及人员进场。
2. 吊装方案审批:提交吊装方案给相关部门进行审查,根据审查意见进行修改,直至审批通过。
3. 吊装作业:按照审批通过的吊装方案进行吊装作业,确保作业安全、高效、顺利进行。
4. 吊装作业完毕:对吊装作业现场进行清理,撤出吊装设备、工器具,办理吊装作业结束手续。
5. 吊装作业总结:对本次吊装作业进行总结,分析存在的问题,提出改进措施,为今后吊装作业提供借鉴。
(二)、现场吊装组织机构1. 项目部:负责整个吊装项目的组织、协调、管理工作。
2. 吊装作业班组:负责具体的吊装作业操作,包括设备操作、现场指挥、安全监护等。
3. 安全部:负责对吊装作业的安全进行检查、监督,发现问题及时整改。
4. 设备部:负责吊装设备的维护、保养、调度工作。
5. 采购部:负责吊装作业所需工器具、材料的采购工作。
(三)、管理职责1. 项目部:负责整个吊装项目的策划、组织、协调、控制,确保吊装作业顺利进行。
2. 吊装作业班组:严格按照吊装方案进行作业,确保作业安全、高效完成。
3. 安全部:对吊装作业全过程进行安全监督,发现安全隐患及时整改,预防事故发生。
4. 设备部:保障吊装设备的正常运行,对设备进行定期检查、维护、保养。
5. 采购部:及时采购吊装作业所需的工器具、材料,确保吊装作业顺利进行。
三、工器具的选用根据工程需要和吊装要求,合理选用以下工器具:1. 起重机械:根据吊装物体的重量、尺寸和作业半径,选用合适的汽车吊、履带吊、塔吊等起重机械。
起重吊装作业检查表
起重吊装作业是工地上非常重要的工作环节,是一项危险性大、责任重、要求高的专业作业。
为了保障工人安全,避免事故发生,
需要进行严格的检查。
以下是起重吊装作业检查表:
1. 具体起重吊装作业是否符合规定的起重机械种类?
2. 起重吊装作业人员是否持有岗位所需的上岗证书?
3. 确认起重吊装作业人员是否了解和掌握操作程序,是否具备
安全意识等?
4. 申报和审批程序是否符合规定要求?
5. 起重吊装作业环境是否有安全隐患?
6. 起重吊装作业现场是否设置安全警戒线或限制性区域?
7. 起重吊装作业之前是否进行了验收,检验其生产制造原证,
年度检验等?
8. 起重吊装作业时是否还有其他作业同时进行,是否存在危险
因素?
9. 结构件拆卸的稳固性是否可靠,重新装配是否正确?
10. 作业现场是否设置独立的出入口,是否有人员驻守?
11. 操作员是否定期接受安全培训,是否有操作规程细则可查?
12. 起重吊装作业现场是否有安全应急预案,是否配备了必要的应急救援设备和工具?
13. 起重吊装作业人员是否达到作业标准,是否根据功率、环境、作业对象的不同需要进行调整?
14. 起重吊装作业车辆是否有证件,是否得到了规定的使用条件?
15. 作业现场交通标志、标志牌是否清晰严谨,是否符合规定要求?
以上是起重吊装作业检查表,进行全方位的检查、评估、审查和实地调查,以确保全员安全,并定期更新检查表格,完善检查内容和程序,持续提高各项安全指标,避免潜在风险。
起重机械安全检查表
1. 检查起重机械的工作状态和外观是否正常,有无明显损坏或异常情况。
2. 检查起重机械的主要部件,如起重机钢丝绳、电缆、滑车、制动器等,是否完好。
3. 检查起重机械的控制系统,如按钮、开关、遥控器等,是否正常工作。
4. 检查起重机械的限位器和安全装置是否可靠,能否正确起到限位和保护作用。
5. 检查起重机械的润滑系统,如油位、油质、油压等,是否正常。
6. 检查起重机械的电气系统,如线缆、接线等,是否正常。
7. 检查起重机械的支撑系统,如脚垫、底座等,是否稳固。
8. 检查起重机械的重量显示器、仪表、指示灯等,是否正常。
9. 检查起重机械的维护记录,是否有定期维护和保养。
10. 检查起重机械的使用人员是否具备必要的操作技能和证件。
11. 检查起重机械周围的安全标识、警示标志是否完善。
12. 检查起重机械的操作区域是否干净整洁,无杂物和障碍物。
以上是起重机械安全检查的一般内容,具体检查项目可根据起重机械的类型和规格进行调整。
在进行起重机械使用前,请确保安全检查已经完成,并按照操作规程进行操作。
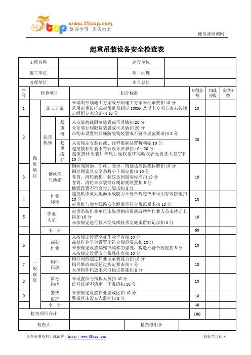
起重吊装专项安全检查表
工程名称:项目经理:总用钢量:吊机吨位:吊机数量:作业人数:
序
号
检查项目检查内容检查记录
1
安全防护作业时是否戴好安全帽,高空作业是否系好安全带。
2
作业时衣着是否灵便,是否穿防滑球鞋进行作
业。
3构件搬运、就位、安装是否带好防护手套。
4悬空作业是否设置操作平台和防护栏杆。
5
登高设施梯子是否垫高使用,梯脚是否有防滑措施,靠放是否稳当,与地面的夹角是否符合要求。
6梯子是否缺档、松动,是否有断裂现象;是否
使用不符合要求的登高设施。
7梯子高度是否够高。
8
起重设备
器具使用绳索、卡(夹)具是否有裂纹、开焊、压扁、变形等缺陷。
卷扬机使用时是否固定牢固。
9柱子吊装是否采用无螺纹销轴卡环(加装弹簧),以便于钢柱就位后钢索自动脱落。
10使用两台吊车抬吊大型构件时,吊车性能是否相一致,
钢梁、吊车梁上有否设置生命线。
11起重设备是否完好,是否具有相应的合格证明。
12
吊装要求吊车司机是否经专门安全技术培训,是否具备操作证和上岗证。
13构件吊装以前应进行试吊。
JGQGAJ—2起重吊装
起重吊装专项安全检查表
工程名称:项目经理:序
号
检查项目检查内容
14
吊装作业构件用钢绳捆绑吊装时,是否在两者接触处垫上防护套。
钢梁地面拼装时,钢梁两侧是否用结实的方木作为临时支撑。
15是否用吊机吊人,是否斜吊,吊物边锋利无防
护措施是否不吊。
16
吊装区域非操作人员是否入内,吊装机械必须
完好,把杆垂直下方是否站人。
17第一榀大梁吊装后是否在梁两端及中间部位设置缆风绳固定,缆风绳是否固定在地锚上,缆风绳与地面的夹角是否小于30左右。
18钢柱就位后二次灌浆前,柱底板与混凝土面空隙处是否塞好铁契或木契。
19是否有足够的支撑形成整体钢架。
20
钢梁长度超过6M时,是否在钢梁两端系上麻
绳或尼龙绳,以控制构件在空中晃动。
21
吊装构件就位未固定前,有否松钩,是否在未
固定的构件上行走、操作。
22起重吊装所用之钢丝绳,是否触及有电线路和电焊搭铁线或与坚硬物体摩擦
23
在何种气候条件下进行屋面板安装作业。
(雨、
霜、结冰或6级以上大风应立即停止作业)
检查验收结论
验收签字:检查时间:JGQGAJ—2—1起重吊装。