屋面泼水、淋水、蓄水试验记录
- 格式:doc
- 大小:63.50 KB
- 文档页数:9
屋顶泼水、淋水、蓄水试验记录TJ3.1屋顶泼水、淋水、蓄水试验记录TJ3.1屋顶泼水、淋水、蓄水试验记录TJ3.1屋顶泼水、淋水、蓄水试验记录TJ3.1地下室放水效果检查记录TJ3.2工程名称:江苏信息服务产业基地(扬州)首发项目17号地块10楼厕所、厨房、阳台等有放水要求的地面泼水、蓄水试验记录TJ3.3工程名称:江苏信息服务产业基地(扬州)首发项目17号地块9#楼验收日期:厕所、厨房、阳台等有放水要求的地面泼水、蓄水试验记录TJ3.3工程名称:江苏信息服务产业基地(扬州)首发项目17号地块9#楼验收日期:厕所、厨房、阳台等有放水要求的地面泼水、蓄水试验记录TJ3.3工程名称:江苏信息服务产业基地(扬州)首发项目17号地块9#楼验收日期:厕所、厨房、阳台等有放水要求的地面泼水、蓄水试验记录TJ3.3工程名称:江苏信息服务产业基地(扬州)首发项目17号地块9#楼验收日期:厕所、厨房、阳台等有放水要求的地面泼水、蓄水试验记录TJ3.3工程名称:江苏信息服务产业基地(扬州)首发项目17号地块9#楼验收日期:厕所、厨房、阳台等有放水要求的地面泼水、蓄水试验记录TJ3.3工程名称:江苏信息服务产业基地(扬州)首发项目17号地块10#楼验收日期:厕所、厨房、阳台等有放水要求的地面泼水、蓄水试验记录TJ3.3工程名称:江苏信息服务产业基地(扬州)首发项目17号地块10#楼验收日期:厕所、厨房、阳台等有放水要求的地面泼水、蓄水试验记录TJ3.3工程名称:江苏信息服务产业基地(扬州)首发项目17号地块10#楼验收日期:厕所、厨房、阳台等有放水要求的地面泼水、蓄水试验记录TJ3.3工程名称:江苏信息服务产业基地(扬州)首发项目17号地块10#楼验收日期:厕所、厨房、阳台等有放水要求的地面泼水、蓄水试验记录TJ3.3工程名称:江苏信息服务产业基地(扬州)首发项目17号地块10#楼验收日期:厕所、厨房、阳台等有放水要求的地面泼水、蓄水试验记录TJ3.3工程名称:江苏信息服务产业基地(扬州)首发项目17号地块8#楼验收日期:厕所、厨房、阳台等有放水要求的地面泼水、蓄水试验记录TJ3.3工程名称:江苏信息服务产业基地(扬州)首发项目17号地块8#楼验收日期:厕所、厨房、阳台等有放水要求的地面泼水、蓄水试验记录TJ3.3工程名称:江苏信息服务产业基地(扬州)首发项目17号地块8#楼验收日期:厕所、厨房、阳台等有放水要求的地面泼水、蓄水试验记录TJ3.3工程名称:江苏信息服务产业基地(扬州)首发项目17号地块8#楼验收日期:厕所、厨房、阳台等有放水要求的地面泼水、蓄水试验记录TJ3.3工程名称:江苏信息服务产业基地(扬州)首发项目17号地块8#楼验收日期:厕所、厨房、阳台等有放水要求的地面泼水、蓄水试验记录TJ3.3工程名称:江苏信息服务产业基地(扬州)首发项目17号地块7#楼验收日期:厕所、厨房、阳台等有放水要求的地面泼水、蓄水试验记录TJ3.3工程名称:江苏信息服务产业基地(扬州)首发项目17号地块7#楼验收日期:厕所、厨房、阳台等有放水要求的地面泼水、蓄水试验记录TJ3.3工程名称:江苏信息服务产业基地(扬州)首发项目17号地块7#楼验收日期:厕所、厨房、阳台等有放水要求的地面泼水、蓄水试验记录TJ3.3工程名称:江苏信息服务产业基地(扬州)首发项目17号地块7#楼验收日期:厕所、厨房、阳台等有放水要求的地面泼水、蓄水试验记录TJ3.3工程名称:江苏信息服务产业基地(扬州)首发项目17号地块7#楼验收日期:建筑物垂直度、标高、全高测量记录TJ3.4监理工程师(建筑单位项目负责人):技术负责人:。
屋面泼水、淋水、蓄水试验记录 J3.1工程名称:浙江省军区杭州第五干休所住房整修工程验收日期:军(南)监提示1、注明:排水设计坡度、蓄水深度、蓄水时间、管道周围渗水情况、排水后积水情况等。
2、屋面在未做防水层前,宜进行泼水验收。
屋面泼水、淋水、蓄水试验记录 J3.1工程名称:浙江省军区杭州第五干休所住房整修工程验收日期:军(南)监提示1、注明:排水设计坡度、蓄水深度、蓄水时间、管道周围渗水情况、排水后积水情况等。
2、屋面在未做防水层前,宜进行泼水验收。
屋面泼水、淋水、蓄水试验记录 J3.1工程名称:浙江省军区杭州第五干休所住房整修工程验收日期:军(南)监提示1、注明:排水设计坡度、蓄水深度、蓄水时间、管道周围渗水情况、排水后积水情况等。
2、屋面在未做防水层前,宜进行泼水验收。
屋面泼水、淋水、蓄水试验记录 J3.1工程名称:浙江省军区杭州第五干休所住房整修工程验收日期:军(南)监提示1、注明:排水设计坡度、蓄水深度、蓄水时间、管道周围渗水情况、排水后积水情况等。
2、屋面在未做防水层前,宜进行泼水验收。
屋面泼水、淋水、蓄水试验记录 J3.1工程名称:浙江省军区杭州第五干休所住房整修工程验收日期:军(南)监提示1、注明:排水设计坡度、蓄水深度、蓄水时间、管道周围渗水情况、排水后积水情况等。
2、屋面在未做防水层前,宜进行泼水验收。
屋面泼水、淋水、蓄水试验记录 J3.1工程名称:浙江省军区杭州第五干休所住房整修工程验收日期:军(南)监提示1、注明:排水设计坡度、蓄水深度、蓄水时间、管道周围渗水情况、排水后积水情况等。
2、屋面在未做防水层前,宜进行泼水验收。
屋面泼水、淋水、蓄水试验记录 J3.1工程名称:浙江省军区杭州第五干休所住房整修工程验收日期:军(南)监提示1、注明:排水设计坡度、蓄水深度、蓄水时间、管道周围渗水情况、排水后积水情况等。
2、屋面在未做防水层前,宜进行泼水验收。
屋面泼水、淋水、蓄水试验记录 J3.1工程名称:浙江省军区杭州第五干休所住房整修工程验收日期:军(南)监提示1、注明:排水设计坡度、蓄水深度、蓄水时间、管道周围渗水情况、排水后积水情况等。
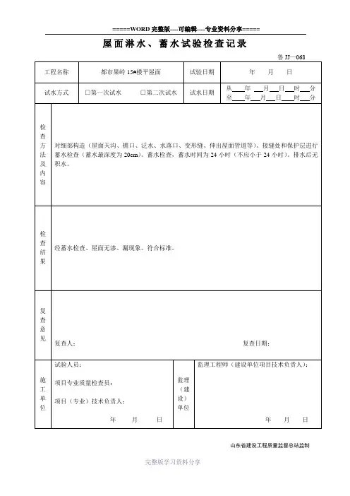
附件:屋面淋水、蓄水试验检查记录
山东省建设工程质量监督总站监制
地下室防水效果检查记录
山东省建设工程质量监督总站监制
山东省建设工程质量监督总站监制外墙、外窗淋水试验记录
给水管道水、气压试验记录
山东省建设工程质量监督总站监制室内排水管道通水试验记录
室内排水管道通球试验记录
山东省建设工程质量监督总站监制室内铸铁排水管道灌水试验记录
山东省建设工程质量监督总站监制卫生器具满水试验记录
采暖系统调试记录
山东省建设工程质量监督总站监制电气照明通电试运行记录
注:试运行时间:公建应为24h,民用住宅应为8h,每2h记录运行状态1次,检查结论栏可根据需要分格记录。
山东省建设工程质量监督总站监制
电气照明(动力)全负荷试运行记录
山东省建设工程质量监督总站监制电气绝缘电阻测试记录
试。
山东省建设工程质量监督总站监制
电气接地电阻测试记录
山东省建设工程质量监督总站监制漏电保护器检测记录
注:竣工验收前应对所有漏电保护装置检测漏电动作电流值,并用按钮和插座检验器检查线路漏电与相序是否符合规范要求。
山东省建设工程质量监督总站监制
等电位联结测试记录
山东省建设工程质量监督总站监制大型灯具安装过载试验记录
山东省建设工程质量监督总站监制风管强度检测记录
山东省建设工程质量监督总站监制风管系统漏风量检测记录。
附件:屋面淋水、蓄水试验检查记录
山东省建设工程质量监督总站监制
地下室防水效果检查记录
山东省建设工程质量监督总站监制
山东省建设工程质量监督总站监制外墙、外窗淋水试验记录
给水管道水、气压试验记录
山东省建设工程质量监督总站监制室内排水管道通水试验记录
室内排水管道通球试验记录
山东省建设工程质量监督总站监制室内铸铁排水管道灌水试验记录
山东省建设工程质量监督总站监制卫生器具满水试验记录
采暖系统调试记录
山东省建设工程质量监督总站监制电气照明通电试运行记录
注:试运行时间:公建应为24h,民用住宅应为8h,每2h记录运行状态1次,检查结论栏可根据需要分格记录。
山东省建设工程质量监督总站监制
电气照明(动力)全负荷试运行记录
山东省建设工程质量监督总站监制电气绝缘电阻测试记录
试。
山东省建设工程质量监督总站监制
电气接地电阻测试记录
山东省建设工程质量监督总站监制漏电保护器检测记录
注:竣工验收前应对所有漏电保护装置检测漏电动作电流值,并用按钮和插座检验器检查线路漏电与相序是否符合规范要求。
山东省建设工程质量监督总站监制
等电位联结测试记录
山东省建设工程质量监督总站监制大型灯具安装过载试验记录
山东省建设工程质量监督总站监制风管强度检测记录
山东省建设工程质量监督总站监制风管系统漏风量检测记录。
屋面泼水、淋水、蓄水试验记录
工程名称:吉县兰家圪塔、老革委旧危房改造工程4#楼验收日期:年月日
屋面泼水、淋水、蓄水试验记录
军(南)监
提示
1、注明:排水设计坡度、蓄水深度、蓄水时间、管道周围渗水情况、排水后积水情况等。
2、屋面在未做防水层前,宜进行泼水验收。
屋面泼水、淋水、蓄水试验记录
工程名称:浙江省军区杭州第五干休所住房整修工程验收日期:
监
提示
1、注明:排水设计坡度、蓄水深度、蓄水时间、管道周围渗水情况、排水后积水情况等。
2、屋面在未做防水层前,宜进行泼水验收。
屋面泼水、淋水、蓄水试验记录
工程名称:浙江省军区杭州第五干休所住房整修工程验收日期:
监
提示
1、注明:排水设计坡度、蓄水深度、蓄水时间、管道周围渗水情况、排水后积水情况等。
2、屋面在未做防水层前,宜进行泼水验收。
屋面泼水、淋水、蓄水试验记录
工程名称:浙江省军区杭州第五干休所住房整修工程验收日期:
监
提示
1、注明:排水设计坡度、蓄水深度、蓄水时间、管道周围渗水情况、排水后积水情况等。
2、屋面在未做防水层前,宜进行泼水验收。
屋面泼水、淋水、蓄水试验记录
军(南)监
提示
1、注明:排水设计坡度、蓄水深度、蓄水时间、管道周围渗水情况、排水后积水情况等。
2、屋面在未做防水层前,宜进行泼水验收。
屋面泼水、淋水、蓄水试验记录
工程名称:浙江省军区杭州第五干休所住房整修工程验收日期:
军(南)监
提示
1、注明:排水设计坡度、蓄水深度、蓄水时间、管道周围渗水情况、排水后积水情况等。
2、屋面在未做防水层前,宜进行泼水验收。
屋面泼水、淋水、蓄水试验记录
工程名称:浙江省军区杭州第五干休所住房整修工程验收日期:
军(南)监
提示
1、注明:排水设计坡度、蓄水深度、蓄水时间、管道周围渗水情况、排水后积水情况等。
2、屋面在未做防水层前,宜进行泼水验收。