沉降观测记录表——路基沉降板观测记录汇总表
- 格式:xls
- 大小:19.00 KB
- 文档页数:21
沉降观测记录表格精选沉降观测记录工程名称:编号:00-06-B□□□观测点编号:M1,M2,M3,M4第1次测量日期:2010年月日,标高(m),沉降量(mm),本次累计第2次测量日期:2010年月日,标高(m),沉降量(mm),本次累计第3次测量日期:2010年月日,标高(m),沉降量(mm),本次累计工程状态:完成一层柱二层梁板,完成二层柱三层梁板,完成三层柱四层梁板观测者:记录者:见证人:项目专业技术负责人:第5次测量日期:2010年月日,标高(m),沉降量(mm),本次累计第6次测量日期:2010年月日,标高(m),沉降量(mm),本次累计第7次测量日期:2010年月日,标高(m),沉降量(mm),本次累计工程状态:完成五层柱六层梁板,完成六层柱七层梁板,完成七层柱八层梁板观测者:记录者:见证人:项目专业技术负责人:第9次测量日期:2010年月日,标高(m),沉降量(mm),本次累计第10次测量日期:2010年月日,标高(m),沉降量(mm),本次累计第11次测量日期:2010年月日,标高(m),沉降量(mm),本次累计工程状态:完成九层柱十层梁板,完成十层柱十一层梁板,完成十一层柱十二层梁板观测者:记录者:见证人:项目专业技术负责人:第13次测量日期:2010年月日,标高(m),沉降量(mm),本次累计第14次测量日期:2010年月日,标高(m),沉降量(mm),本次累计第15次测量日期:2010年月日,标高(m),沉降量(mm),本次累计工程状态:完成十三层柱十四层梁板,完成十四层柱十五层梁板,完成十五层柱十六层梁板观测者:记录者:见证人:项目专业技术负责人:第17次测量日期:2010年月日,标高(m),沉降量(mm),本次累计第18次测量日期:2010年月日,标高(m),沉降量(mm),本次累计第19次测量日期:2010年月日,标高(m),沉降量(mm),本次累计工程名称:编号:00-06-B□□□沉降观测记录工程名称:编号:00-06-B□□□观测点编号。
Xxx工程
软基沉降与水平位移观测记录
承包单位:工程名称:施工标段:
现场施工负责人:质检员:现场技术人员:监理:日期:
xxx工程
软基沉降观测曲线图
承包单位:工程名称:施工标段:
现场施工负责人:质检员:现场技术人员:监理:日期:
xxx工程
沉降期路堤的回填记录表
承包单位:工程名称:施工标段:
现场施工负责人:质检员:现场技术人员:监理:
xxx工程
施工期沉降汇总记录
承包单位:工程名称:施工标段:
现场施工负责人:质检员:现场技术人员:监理:
xxx工程
侧向位移汇总记录表
承包单位:工程名称:施工标段:
现场施工负责人:质检员:现场技术人员:监理:。
附件三:附表附表1 工程沉降变形观测准备工作检查记录表新建合肥至福州铁路(闽赣段)工程沉降变形观测准备工作检查记录表注:本表一式4份,施工、设计、监理和建设单位各1份。
附表2 工程沉降变形观测结果评估验收记录表新建合肥至福州铁路(闽赣段)工程沉降变形观测结果评估验收记录表注:本表一式5份,施工、设计、监理、咨询和建设单位各1份。
附表3 路基沉降水准测量记录表水准测量记录表(路基)附表4 路基沉降观测记录表(沉降观测桩)路基沉降观测记录表(沉降观测桩)工程名称:测量单位:测量负责人:复核:监理:年月日附表5 路基观测桩沉降量记录汇总表沉降观测记录表——路基观测桩沉降量记录汇总表断面里程:第页共页55附表6 路基沉降观测记录表(沉降板)路基沉降观测记录表(沉降板)测量:复核:监理:年月日附表7 路基沉降板观测记录汇总表(沉降板)沉降观测记录表——路基沉降板观测记录汇总表断面里程:第页共页单位:整理:复核:年月日57附表8 路基沉降板观测记录表(剖面管)路基沉降观测记录表(剖面管)填表:复核:监理:日期:58附表9 路基分层沉降观测记录表沉降观测记录表——路基分层沉降观测记录表里程段落:观测日期:第页共页2.每次磁环测量均需重复测量两次,并以磁环下部响声为准。
单位:测量:记录:年月日时59附表10 路基分层沉降观测记录汇总表沉降观测记录表——路基分层沉降观测记录汇总表断面里程:第页共页60附表11 路基边桩位移观测记录表沉降观测记录表——路基边桩位移观测记录表里程段落:观测日期:第页共页年月日时附表12 路基边桩位移观测记录汇总表沉降观测记录表——路基边桩位移观测记录汇总表断面里程:第页共页附表13 过渡段沉降量记录汇总表沉降观测记录表——过渡段沉降量记录汇总表第页共页附表14 桥梁墩台沉降观测汇总表桥梁墩(台)沉降观测汇总表桥梁名称_____桥梁起止里程_____填表___复核___附表15 桥梁墩(台)沉降量记录表沉降观测记录表——桥梁墩(台)沉降量记录表桥梁名称:观测日期: 第页共页附表16 桥梁墩(台)沉降量记录汇总表沉降观测记录表——桥梁墩(台)沉降量记录汇总表桥梁名称:墩(台)编号:墩(台)里程:第页共页附表17 涵洞沉降量记录表沉降观测记录表——涵洞沉降量记录表里程段落:观测日期: 第页共页附表18 涵洞沉降量记录汇总表沉降观测记录表——涵洞沉降量记录汇总表涵洞中心里程:涵洞孔径(m):涵长(m):第页共页附表19 隧道沉降量记录表沉降观测记录表——隧道沉降量记录表隧道名称:观测日期:第页共页附表20 隧道沉降量记录汇总表沉降观测记录表——隧道沉降量记录汇总表隧道名称:断面里程:第页共页附表21 横剖面沉降测试记录表横剖面沉降测试记录表填表: 日期: 复核: 日期: 监理: 日期。
沉降观测记录表编号:001工程名称建技中研乌拉特后旗获各琦风电场一期49.5MW工程施工单位内蒙古第三电力建设工程有限责任公司测量人谢俊机构部位 1#风机基础浇注日期2014年8月26日记录人孟建明观测点编号第一次第二次第三次第四次 2014 年8月27日 2014年9月30日 2014年10月2日 2014年10月12日标高(m)沉降量(mm)标高(m)沉降量(mm)标高(m)沉降量(mm)标高(m)沉降量(mm)本次累计本次累计本次累计本次累计1 1.65 1 1 1.65 12 1.65 13 1.65 1 42 1.66 0 0 1.66 1 1 1.66 1 2 1.66 1 33 1.64 1 1 1.64 1 2 1.64 1 3 1.64 0 34 1.63 1 1 1.63 1 2 1.63 1 3 1.63 0 3 沉降点布置简图:注:1、2、3、4号点为沉降观测点。
沉降曲线:浇筑后风机吊装前风机吊装完风机吊装后1 2 3 4项目专业技术负责人: 项目专业质量检查员: 班组长:1 / 33沉降观测记录表编号:002工程名称建技中研乌拉特后旗获各琦风电场一期49.5MW工程施工单位内蒙古第三电力建设工程有限责任公司测量人谢俊机构部位 2#风机基础浇注日期2014年8月26日记录人孟建明观测点编号第一次第二次第三次第四次 2014 年8月27日 2014年9月30日 2014年10月2日 2014年10月12日标高(m)沉降量(mm)标高(m)沉降量(mm)标高(m)沉降量(mm)标高(m)沉降量(mm)本次累计本次累计本次累计本次累计1 1.65 1 1 1.65 12 1.65 13 1.65 1 42 1.66 0 0 1.66 1 1 1.66 1 2 1.66 1 33 1.64 1 1 1.64 1 2 1.64 1 3 1.64 0 34 1.63 1 1 1.63 1 2 1.63 1 3 1.63 0 3 沉降点布置简图:注:1、2、3、4号点为沉降观测点。
沉降观测记录表
沉降观测记录表
编号:002
项目专业技术负责人: 项目专业质量检查员: 班组长:
沉降观测记录表
沉降观测记录表
沉降观测记录表
沉降观测记录表
沉降观测记录表
沉降观测记录表
沉降观测记录表
沉降观测记录表
沉降观测记录表
沉降观测记录表
沉降观测记录表
沉降观测记录表
沉降观测记录表
沉降观测记录表
沉降观测记录表
沉降观测记录表
沉降观测记录表
沉降观测记录表
沉降观测记录表
沉降观测记录表
沉降观测记录表
沉降观测记录表
沉降观测记录表
沉降观测记录表
编号:026
项目专业技术负责人: 项目专业质量检查员: 班组长:
沉降观测记录表
沉降观测记录表
沉降观测记录表
沉降观测记录表
沉降观测记录表
沉降观测记录表
沉降观测记录表。
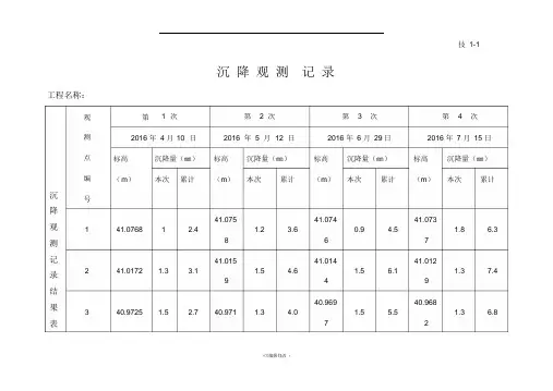
观第 1 次第 2 次第 3 次第 4 次测2016 年 4 月10 日2016 年 5 月12 日2016 年 6 月29 日2016 年7 月15 日点标高沉降量(㎜)标高沉降量(㎜)标高沉降量(㎜)标高沉降量(㎜)编(m)本次累计(m)本次累计(m)本次累计(m)本次累计沉降号观测记录结果表41.075 41.074 41.0731 41.0768 1 2.4 1.2 3.6 0.9 4.5 1.8 6.38 6 741.015 41.014 41.0122 41.0172 1.3 3.1 1.5 4.6 1.5 6.1 1.3 7.49 4 940.969 40.9683 40.9725 1.5 2.7 40.971 1.3 4.0 1.5 5.5 1.3 6.87 2技1-1沉降观测记录工程名称:40.967 40.966 40.9654 40.9691 1.4 2.97 1 3.971.2 5.151.3 6.440.955 40.954 40.9535 40.9565 1 2.3 0.8 3.1 1.2 4.3 1.8 6.15 7 541.137 41.135 41.1346 41.1391 1.6 3.35 1.7 5.081.5 6.531.2 7.7施工单位:(章)工程项目技术负责人:观测:记录:沉降观测记录 1.4 5.0 1.2 6.27 1 技1-2沉降观测记录工程名称:居住、商业(一期B、C-2 地块)工程5# 楼观第 1 次第 2 次第 3 次第 4 次测2016 年 4 月10 日2016 年 5 月12 日2016 年 6 月29 日2016 年7 月15 日点标高沉降量(㎜)标高沉降量(㎜)标高沉降量(㎜)标高沉降量(㎜)编(m)本次累计(m)本次累计(m)本次累计(m)本次累计号1 40.7677 1.3 2.5 40.7661.9 4.440.7641.5 5.9 40.763 1 6.94 540.762 40.761 40.7602 40.7646 1.9 3.6 1.6 7.83结果表40.751 40.7483 40.7524 1.2 2.521.2 3.7 40.75 1.5 5.251.1 6.340.707 40.7054 40.7091 1.7 3.2 1.7 4.9 1.7 6.6 40.704 1.9 8.54 740.903 40.902 40.9005 40.9042 0.8 2.041 3.041.5 4.591.4 5.9 6 40.7204 1.12.640.7191.9 4.540.7171.2 5.740.7161.3 7.03 4 2沉降观测记录结果表1 40.8124 1.5 2.5 1.6 4.1 1.2 5.3 1.6 6.99 3 140.920 40.9182 40.9223 1.3 2.9 40.921 0.8 3.7 1.6 5.3 1.8 7.12 640.920 40.918 40.9173 40.9223 1.8 3.3 1.7 5.0 1.7 6.7 1.3 8.05 8 1施工单位:(章)工程项目技术负责人:观测:记录:沉降观测记录工程名称:居住、商业(一期B、C-2 地块)工程8# 楼观第 1 次第 2 次第 3 次第 4 次测2016 年 4 月10 日2016 年 5 月12 日2016 年 6 月29 日2016 年7 月15 日点标高沉降量(㎜)标高沉降量(㎜)标高沉降量(㎜)标高沉降量(㎜)编号(m)本次累计(m)本次累计(m)本次累计(m)本次累计40.810 40.809 40.80840.807 40.8054 40.8085 1.3 2.42 1.5 3.970.7 4.6 40.805 1.6 6.241.225 41.223 41.2225 41.2263 1 2.4 1.8 4.2 1.3 5.5 1.1 6.63 5 240.839 40.837 40.8366 40.841 1.6 3.44 1.7 5.171.5 6.621.3 7.9施工单位:(章)工程项目技术负责人:观测:记录:沉 降观测记 录1.44.5 1.66.122沉 降 观 测 记 录工程名称:居住、商业(一期 B 、C-2 地块)工程 2# 楼观 第 1 次 第 2 次第 3 次 第 4 次 测 2016 年 4 月 10 日 2016 年 5 月 12 日 2016 年 6 月 29 日 2016 年 7 月 15 日 点 标高 沉降量(㎜) 标高 沉降量(㎜) 标高 沉降量(㎜) 标高 沉降量(㎜) 编( m )本次 累计(m )本次累计(m )本次累计(m )本次累计号141.65251.83.041.65014.041.64941.6481.45.41.87.27 7 341.96241.96041.959241.96351.33.11.37.48结果表42.080 42.078 42.0773 42.0818 1.6 2.521.3 3.891.6 5.431.1 6.541.645 41.643 41.6424 41.6465 1.2 2.5 1.5 4.0 1.2 5.2 1.2 6.43 8 641.595 41.594 41.5925 41.597 1.4 2.961.5 4.411.6 6.051.4 7.4 6 42.0798 1.63.142.0781.8 4.942.0761.7 6.642.0741.6 8.22 4 7沉 降观测记 录1.54.01.25.236施工单位: (章) 工程项目技术负责人: 观测: 记录:沉 降 观 测 记 录工程名称:居住、商业(一期 B 、C-2 地块)工程 4# 楼观 第 1 次 第 2 次第 3 次 第 4 次 测 2016 年 4 月 10 日 2016 年 5 月 12 日 2016 年 6 月 29 日 2016 年 7 月 15 日 点 标高 沉降量(㎜) 标高 沉降量(㎜) 标高 沉降量(㎜) 标高 沉降量(㎜) 编( m )本次 累计(m )本次累计(m )本次累计(m )本次累计号42.08042.07842.0771 42.08181.62.51.33.8 29 1.65.43 1.1 6.5241.64651.22.541.64541.64341.6421.26.48结果表42.075 42.0743 42.0766 1.1 2.551.2 3.731.3 5.0 42.073 1.5 6.542.075 42.073 42.0724 42.0767 1.3 2.5 1.8 4.3 1.1 5.4 1.6 7.04 6 541.997 41.995 41.9945 41.9992 1.8 3.241.8 5.061.5 6.511.6 8.1 6 41.9939 1.42.641.9921.3 3.941.9911.7 5.641.9891.4 7.05 2 5观第 1 次第 2 次第 3 次第 4 次测2016 年 4 月10 日2016 年 5 月12 日2016 年 6 月29 日2016 年7 月15 日点标高沉降量(㎜)标高沉降量(㎜)标高沉降量(㎜)标高沉降量(㎜)编(m)本次累计(m)本次累计(m)本次累计(m)本次累计沉降号观42.173 42.171 42.1701 42.1741 0.9 2.1 1.3 3.4 1 4.4 1.2 5.62 9 9施工单位:(章)工程项目技术负责人:观测:记录:沉降观测记录工程名称:居住、商业(一期B、C-2 地块)工程3# 楼测记录结果表42.069 42.068 42.0662 42.0711 1.6 1.651.22.831.9 4.741.3 7.141.645 41.643 41.6423 41.6465 1.2 2.5 1.5 4.0 1.2 5.2 1.2 6.43 8 641.595 41.594 41.5924 41.597 1.4 2.961.5 4.411.6 6.051.4 7.4 5 41.9992 1.8 3.241.9971.8 5.041.9951.5 6.541.9941.6 8.14 6 16 42.0766 1.1 2.542.0751.2 3.742.0741.3 5.0 42.073 1.5 6.55 3施工单位:(章)工程项目技术负责人:观测:记录:沉降观测记录工程名称:居住、商业(一期B、C-2 地块)工程6# 楼观第 1 次第 2 次第 3 次第 4 次测2016 年 4 月10 日2016 年 5 月12 日2016 年 6 月29 日2016 年7 月15 日点标高沉降量(㎜)标高沉降量(㎜)标高沉降量(㎜)标高沉降量(㎜)编(m)本次累计(m)本次累计(m)本次累计(m)本次累计沉号降观测记录结果表42.076 42.075 42.0741 42.0775 1.3 1.321.3 3.491 4.491.2 5.642.063 42.062 42.0602 42.0652 1.6 1.6 1.2 2.8 1.9 4.7 1.3 7.16 4 542.012 41.011 41.0093 42.0137 1.2 2.551.5 4.01.2 5.291.2 6.4 4 42.0686 1.4 2.942.0671.5 4.442.0651.6 6.042.0641.4 7.42 7 15 42.0617 1.8 3.242.0591.8 5.042.0581.5 6.542.0561.6 8.19 1 641.975 41.974 41.9736 41.9768 1.1 2.5 1.2 3.7 1.3 5.0 1.5 6.57 5 2施工单位:(章)工程项目技术负责人:观测:记录:沉降观测记录工程名称:居住、商业(一期B、C-2 地块)工程7# 楼观第 1 次第 2 次第 3 次第 4 次测2016 年 4 月10 日2016 年 5 月12 日2016 年 6 月29 日2016 年7 月15 日点标高沉降量(㎜)标高沉降量(㎜)标高沉降量(㎜)标高沉降量(㎜)编(m)本次累计(m)本次累计(m)本次累计(m)本次累计沉号降观测记录结果表1 42.093 1.0 1.0 42.083 1.2 2.2 42.071 1 3.2 42.061 0.9 4.12 42.0013 0.8 0.842.0001.32.142.0021.9 4.042.0011.6 5.65 9 041.612 41.611 41.6103 41.614 1.3 1.3 1.2 2.5 1.2 3.7 1.2 4.97 5 341.613 41.611 41.6104 41.6136 0.6 0.6 1.4 2.0 1.6 3.6 1.4 5.00 6 041.667 41.665 41.6635 41.6683 1.3 1.3 1.6 2.9 1.5 4.4 1.8 6.20 4 941.998 41.997 41.9976 41.9998 1.0 1.081.52.521.3 3.851.1 4.9施工单位:(章)工程项目技术负责人:观测:记录:Welcome To Download !!!欢迎您的下载,资料仅供参考!。
-- - 建筑物沉降观测测量记录-- -编号:DLMJTC-001建筑物沉降观测测量记录工程名称银利财富广场8#楼水准点编号水准点所在位置永久水准点水准点高程22.53M观测起止日期2013.2.15始观测性质见证观测工程地点XX省含山县铜闸镇银利财富广场测量仪器仪器名称:水准仪沉降观测结果观测点编号观测点相对标高(m)第一次2013年2月28日标高(m)沉降量(mm)本次累计M1 -2.2 -2.2 0 0 M2 -2.25 -2.251 1 1 M3 -2.1 -2.1 0 0 M4-2.3 -2.301 1 1 M5-2.32 -2.32 0 0 M6-2.23 -2.23 0 0 观测点布置简图-工程进度状态架空层层顶梁板建筑物沉降观测测量记录观测点布置简图-工程进度状态一层顶梁板施工单位项目技术负责人施测人监理(建设)单位监理工程师(建设单位项目专业技术负责人)建筑物沉降观测测量记录工程名称银利财富广场8#楼水准点编号水准点所在位置永久水准点水准点高程22.53M 观测起止日期2013.2.15始观测性质见证观测工程地点XX省含山县铜闸镇银利财富广场测量仪器仪器名称:水准仪沉降观测结果观测点编号观测点相对标高(m)第三次2013年4月7日标高(m)沉降量(mm)本次累计M1 -2.2 -2.202 1 2 M2 -2.25 -2.252 0 2 M3 -2.1 -2.101 0 1M4-2.3 -2.303 1 3 M5-2.32 -2.323 1 3 M6-2.23 -2.232 1 2观测点布置简图-工程进度状态二层顶梁板施工单位项目技术负责人施测人监理(建设)单位监理工程师(建设单位项目专业技术负责人)建筑物沉降观测测量记录工程名称银利财富广场8#楼水准点编号水准点所在位置永久水准点水准点高程22.53M 观测起止日期2013.2.15始观测性质见证观测工程地点XX省含山县铜闸镇银利财富广场测量仪器仪器名称:水准仪沉降观测观测点编号观测点相对标高(m)第四次2013年5月10日标高沉降量(mm)结果(m) 本次累计M1 -2.2 -2.203 1 3 M2 -2.25 -2.253 1 3 M3 -2.1 -2.102 1 2 M4-2.3 -2.303 0 3 M5-2.32 -2.323 0 3 M6-2.23 -2.233 1 3观测点布置简图-工程进度状态三层顶梁板施工单位项目技术负责人施测人监理(建设)单位监理工程师(建设单位项目专业技术负责人)建筑物沉降观测测量报验申请表工程名称:银利广场1#楼编号:建筑物沉降观测测量记录。