钣金最小折弯半径
- 格式:docx
- 大小:513.02 KB
- 文档页数:2
钣金件折弯半径与板厚的关系
1、 折弯半径与钣金件板厚的关系
折弯半径与钣金件板厚之间有着密切的关系,在钣金件加工过程中,折弯半径是一个很重要的参数。
折弯半径越大,折弯越容易;折弯半径越小,折弯越困难。
如果折弯半径太小,容易产生平坦和壮型的焊接问题,折弯钣金件可能会因为弯曲太多而断裂。
随着板厚的增加,折弯半径可能会变大。
因此,在加工较厚的钣金件时,要注意折弯半径的变化。
板厚介于1mm及3mm之间时,折弯半径可以控制在1.2-1.5mm 之间;
板厚介于4mm及6mm之间时,折弯半径可以控制在2-3mm之间;
板厚介于7mm及8mm之间时,折弯半径可以控制在3-4mm之间;
板厚介于9mm及12mm之间时,折弯半径可以控制在4-6mm之间;
板厚大于13mm时,折弯半径可以控制在6-8mm之间。
此外,还需要考虑材料的屈服点来确定折弯半径。
材料的屈服点越低,折弯半径就要比较大,以避免折弯的钣金件发生断裂。
因此,在加工钣金件时,需要正确地计算出折弯半径,以保证钣金件的加工质量。
钣金折弯:折弯件的最小弯曲半径材料弯曲时,其圆角区上,外层收到拉伸,内层则受到压缩。
当材料厚度一定时,内r越小,材料的拉伸和压缩就越严重;当外层圆角的拉伸应力超过材料的极限强度时,就会产生裂缝和折断,因此,弯曲零件的结构设计,应避免过小的弯曲圆角半径。
公司常用材料的最小弯曲半径见下表。
序号材料最小弯曲半径08、08F、10、10F、DX2、SPCC、E1-T52、0Cr18Ni9、1Cr18Ni9、1Cr18Ni9Ti、1100-H24、T20.4t15、20、Q235、Q235A、15F0.5t25、30、Q2550.6t1Cr13、H62(M、Y、Y2、冷轧)0.8t45、501.0t55、601.5t65Mn、60SiMn、1Cr17Ni7、1Cr17Ni7-Y、1Cr17Ni7-DY、SUS301、0Cr18Ni9、SUS3022.0t转载请注明出自 /bbs弯曲半径是指弯曲件的内侧半径,t是材料的壁厚。
t为材料壁厚,M为退火状态,Y为硬状态,Y2为1/2硬状态。
公司常用金属材料最小折弯半径列表弯曲件的直边高度一般情况下的最小直边高度要求弯曲件的直边高度不宜太小,最小高度按(图 4.2.1)要求:h>2t。
图4.2.1.1 弯曲件的直边高度最小值特殊要求的直边高度如果设计需要弯曲件的直边高度h≤2t,,则首先要加大弯边高度,弯好后再加工到需要尺寸;或者在弯曲变形区内加工浅槽后,再折弯(如下图所示)。
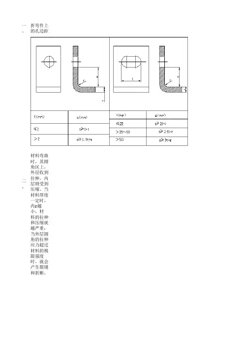
图4.2.2.1 特殊情况下的直边高度要求弯边侧边带有斜角的直边高度当弯边侧边带有斜角的弯曲件时(图 4.2.3),侧面的最小高度为:h=(2~4)t>3mm图4.2.3.1 弯边侧边带有斜角的直边高度折弯件上的孔边距孔边距:先冲孔后折弯,孔的位置应处于弯曲变形区外,避免弯曲时孔会产生变形。
孔壁至弯边的距离见表下表。
(目前对于本条,本人常用的方法是s≥2.5t)折弯件上的孔边距局部弯曲的工艺切口折弯件的弯曲线应避开尺寸突变的位置局部弯曲某一段边缘时,为了防止尖角处应力集中产生弯裂,可将弯曲线移动一定距离,以离开尺寸突变处(图4.4.1.1 a),或开工艺槽(图4.4.1.1 b),或冲工艺孔(图4.4.1.1 c) 。
钣金折弯:折弯件的最小弯曲半径材料弯曲时,其圆角区上,外层收到拉伸,层则受到压缩。
当材料厚度一定时,r越小,材料的拉伸和压缩就越严重;当外层圆角的拉伸应力超过材料的极限强度时,就会产生裂缝和折断,因此,弯曲零件的结构设计,应避免过小的弯曲圆角半径。
公司常用材料的最小弯曲半径见下表。
序号材料最小弯曲半径08、08F、10、10F、DX2、SPCC、E1-T52、0Cr18Ni9、1Cr18Ni9、1Cr18Ni9Ti、1100-H24、T20.4t15、20、Q235、Q235A、15F0.5t25、30、Q2550.6t1Cr13、H62(M、Y、Y2、冷轧)0.8t45、501.0t55、601.5t65Mn、60SiMn、1Cr17Ni7、1Cr17Ni7-Y、1Cr17Ni7-DY、SUS301、0Cr18Ni9、SUS3022.0t请注明出自designroad./bbs弯曲半径是指弯曲件的侧半径,t是材料的壁厚。
t为材料壁厚,M为退火状态,Y为硬状态,Y2为1/2硬状态。
公司常用金属材料最小折弯半径列表弯曲件的直边高度一般情况下的最小直边高度要求弯曲件的直边高度不宜太小,最小高度按(图4.2.1)要求:h>2t。
图4.2.1.1 弯曲件的直边高度最小值特殊要求的直边高度如果设计需要弯曲件的直边高度h≤2t,,则首先要加大弯边高度,弯好后再加工到需要尺寸;或者在弯曲变形区加工浅槽后,再折弯(如下图所示)。
图4.2.2.1 特殊情况下的直边高度要求弯边侧边带有斜角的直边高度当弯边侧边带有斜角的弯曲件时(图 4.2.3),侧面的最小高度为:h=(2~4)t >3mm图4.2.3.1 弯边侧边带有斜角的直边高度折弯件上的孔边距孔边距:先冲孔后折弯,孔的位置应处于弯曲变形区外,避免弯曲时孔会产生变形。
孔壁至弯边的距离见表下表。
(目前对于本条,本人常用的方法是s≥2.5t)折弯件上的孔边距局部弯曲的工艺切口折弯件的弯曲线应避开尺寸突变的位置局部弯曲某一段边缘时,为了防止尖角处应力集中产生弯裂,可将弯曲线移动一定距离,以离开尺寸突变处(图4.4.1.1 a),或开工艺槽(图4.4.1.1 b),或冲工艺孔(图4.4.1.1 c) 。
一、折弯件上的孔边距
二、材料弯曲时,其圆角区上,外层收到拉伸,内层则受到压缩。
当材料厚度一定时,内r越小,材
料的拉伸和压缩就越严重;当外层圆角的拉伸应力超过材料的极限强度时,就会产生裂缝和折断,因此,弯曲零件的结构设计,应避免过小的弯曲圆角半径。
公司常用材料的最小弯曲半径见下表。
弯曲半径是指弯曲件的内侧半径,t是材料的壁厚。
t为材料壁厚,M为退火状态,Y为硬状态,Y2为1/2硬状态。
常用金属材料最小折弯半径列表
小,材
产生裂缝和折断,弯曲半径见下表。
1.5mm钣金折弯半径一、1.5mm钣金折弯半径是指在制造过程中对1.5mm厚度的钣金进行弯曲时,所需的曲率半径。
这个参数在工业制造中的应用非常广泛,涉及到各种领域,如汽车制造、电子设备、建筑等。
本文将详细讨论1.5mm钣金折弯半径的重要性以及与之相关的标准。
二、1.5mm钣金折弯半径的重要性影响弯曲后的形状和结构:折弯半径决定了钣金在弯曲后的形状。
适当的折弯半径可以确保零部件的几何形状和结构满足设计要求,避免因折弯导致的形变和变形。
影响零部件的强度和耐久性:折弯过程中,如果半径过小,可能导致钣金发生裂纹或变形,从而影响零部件的强度和耐久性。
因此,选择适当的折弯半径对于确保零部件质量至关重要。
影响制造过程的精度:折弯半径的选择直接关系到制造过程的精度。
适当选择折弯半径有助于提高生产效率、降低废品率,并确保零部件的一致性。
考虑工艺性和成本:过小的折弯半径可能导致制造难度增加,增加成本。
适当的折弯半径既要满足设计要求,又要考虑到制造的可行性和成本效益。
三、相关标准和规范行业标准:不同行业和国家可能有不同的标准,例如ISO、ASTM等。
这些标准通常规定了不同厚度和材料的钣金折弯半径的范围和要求,制造商需要根据具体的标准选择合适的折弯半径。
设计要求:在产品设计阶段,工程师通常会根据零部件的用途、材料和厚度等因素规定折弯半径的要求。
这些设计要求是确保零部件性能和质量的关键依据。
材料特性:不同的材料对折弯半径有着不同的要求。
某些材料可能更容易发生裂纹,需要较大的折弯半径来确保制造过程中的安全性和可行性。
设备能力:制造过程中使用的折弯设备的能力也是确定折弯半径的一个重要因素。
设备的最小弯曲半径限制了可选择的折弯半径范围。
四、选择1.5mm钣金折弯半径的原则遵循设计要求:在产品设计阶段,工程师应根据零部件的功能和要求规定适当的折弯半径。
制造过程中应确保严格遵循这些设计要求。
考虑材料特性:不同的材料对折弯的敏感性不同,因此在选择折弯半径时需要考虑具体材料的特性,以防止裂纹和变形。
钣金折弯:折弯件的最小弯曲半径材料弯曲时,其圆角区上,外层收到拉伸,内层则受到压缩。
当材料厚度一定时,内r越小,材料的拉伸和压缩就越严重;当外层圆角的拉伸应力超过材料的极限强度时,就会产生裂缝和折断,因此,弯曲零件的结构设计,应避免过小的弯曲圆角半径。
公司常用材料的最小弯曲半径见下表。
序号材料最小弯曲半径08、08F、10、10F、DX2、SPCC、E1-T52、0Cr18Ni9、1Cr18Ni9、1Cr18Ni9Ti、1100-H24、T20.4t15、20、Q235、Q235A、15F0.5t25、30、Q2550.6t1Cr13、H62(M、Y、Y2、冷轧)0.8t45、501.0t55、601.5t65Mn、60SiMn、1Cr17Ni7、1Cr17Ni7-Y、1Cr17Ni7-DY、SUS301、0Cr18Ni9、SUS3022.0t转载请注明出自 /bbs钣金折弯:折弯件的最小弯曲半径材料弯曲时,其圆角区上,外层收到拉伸,内层则受到压缩。
当材料厚度一定时,内r越小,材料的拉伸和压缩就越严重;当外层圆角的拉伸应力超过材料的极限强度时,就会产生裂缝和折断,因此,弯曲零件的结构设计,应避免过小的弯曲圆角半径。
公司常用材料的最小弯曲半径见下表。
序号材料最小弯曲半径08、08F、10、10F、DX2、SPCC、E1-T52、0Cr18Ni9、1Cr18Ni9、1Cr18Ni9Ti、1100-H24、T20.4t15、20、Q235、Q235A、15F0.5t25、30、Q2550.6t1Cr13、H62(M、Y、Y2、冷轧)0.8t45、501.0t55、601.5t65Mn、60SiMn、1Cr17Ni7、1Cr17Ni7-Y、1Cr17Ni7-DY、SUS301、0Cr18Ni9、SUS3022.0t转载请注明出自 /bbs钣金折弯:折弯件的最小弯曲半径材料弯曲时,其圆角区上,外层收到拉伸,内层则受到压缩。
钣金最小折弯半径
1 钣金折弯最小半径
钣金折弯是在金属制品加工过程中必不可少的一步操作,其最小折弯半径也是衡量一个好的钣金产品的重要指标。
钣金折弯最小半径受到多种因素影响,尤其是金属材料质量、折弯工艺两个因素。
首先,金属材料的质量对最小折弯半径起着至关重要的作用。
折弯机械加工的塑性变形能力与金属的硬度密切相关,而金属的硬度又受到温度和退火处理程度的影响,所以好的金属材料能够保证机械加工塑性变形,折弯最小半径才能达到客户要求。
其次,折弯工艺也影响着钣金折弯最小半径。
折弯工艺的优劣不但决定着折弯几何精度,而且也影响最小折弯半径的大小。
对于边角材来说,折弯工艺的优劣会直接影响最小折弯半径,折弯工艺有不同的方法,采用折弯机、热弯、冷弯的不同方式,可以实现不同的最小折弯半径。
此外,还需要注意金属材料的厚度、宽度、机械性质等因素,可以帮助折弯工艺工程师准确掌握钣金折弯最小半径。
2 总结
在金属制品加工中,折弯是不可或缺的操作,钣金折弯最小半径是衡量一个好的钣金产品的重要指标。
最小折弯半径完全受到金属材
料质量以及折弯工艺的影响,正确掌握好金属材料和折弯工艺,可以实现折弯最小半径的要求。
钣金折弯半径是钣金图纸中要求的一个数值,这个在值实际加工中很难确定有多大。
其实这个钣金折弯半径是跟料厚、折弯机压力大小、折弯模具下模槽宽有一定关系的。
具体有什么关系,今天我们来研究一下:实际钣金加工中经验得出:一般板厚不大于6mm时,在折弯时,钣金折弯内半径可以直接用板厚尺寸做为半径。
当板厚大于6mm且小于12mm时,板内折弯半径一般是板厚的1.25倍至1.5倍。
板厚不小于12mm时,板内折弯半径一般取2倍至3倍的板厚。
当折弯半径为R=0.5时,一般的钣金厚度T就等于0.5mm。
如果需要大于或小于板厚的半径尺寸,需要用专用模具加工。
当钣金图纸要求板材折弯90°时,而折弯半径特别小的时候,应该采用板材先刨槽加工,再钣金折弯。
还可以加工特殊的折弯机模具上模及下模。
钣金折弯半径与折弯模具下模槽宽的大小有一定关系。
通过钣金加工中大量的实验发现,折弯模具下模槽宽与折弯半径大小有一定的关系。
比如:1.0mm板材采用8毫米槽宽来折弯,这样压出来的折弯半径理想状态下是R1。
如果用20毫米槽宽来折弯的话,由于折弯时上模都是往下运动,拉伸板材深度达到一定的角度。
那我们知道20毫米宽的槽面积要比8毫米宽的槽面积大,在用20毫米宽槽折弯时,拉伸面积也变大同时R角也会增大。
所以,在对板材折弯半径有要求,又不损害折弯机模具的情况下,我们尽量用窄槽来折弯。
正常情况下,建议还是按照标准的板厚与槽宽成1:8的比例来操作。
最小不能小于板厚与槽宽成1:6的比例来操作,钣金折弯可适当小一些,不能小于板厚与槽宽的1:4的比例来操作。
建议:在强度允许的情况下,优先采用先刨槽在折弯的方法,来制作小的钣金折弯半径。
钣金加工折弯半径根据材料厚度和折弯槽口宽度有关,简单方便的,比较粗糙的方法是:一般板厚不大于6mm时,在折弯时板内弯曲半径可以直接以板厚尺寸作为半径,板厚大于6mm小于12mm时,板内折弯半径一般是板厚的1.25倍至1.5倍,板厚不小于12mm 时,板内折弯半径一般取2倍至3倍的板厚。
成型最小折边一、L折。
1.决定最小L折的因素。
V槽中间距离为悬空段,成型时,折边必须超过此悬空段,具体搭边尺寸各公司有小小区别,(下V槽因使用时间长,R角变大,搭边距离将会随之变大,否则会“滑位”)。
2.换算公式(经验式):6*T/2+0.5+(1.8*T/2)3.如下图,T=1,K=1.8*1,最小L折:3+0.5+0.9=4.4特注:⑴因每个公司的下V槽并一定都齐全,故需要灵活使用公式。
⑵特别情况下,需用更小V槽时,原则上相对V槽减小不能超过2.0MM.⑶附表。
说明:尽量采用黑粗线最小折边尺寸。
一、U折。
1.U折的种类A.常规折弯刀成型。
B.垫片反折压平。
(先折至30°,中间放一块合适垫板后压平。
)2.决定最小U折的因素。
A .上模具的形状。
(如下图)从常规刀具来看,小U折最佳刀具为“弯刀”。
(弯刀有很多种型号,具体要依公司现有尺寸)C.折边尺寸。
(见下小图)两尺寸的梯增关系:A愈长则B愈长。
3.换算公式:(大弯刀经验型)◆ 0.5MM板:最小U折A尺寸=7.67。
B尺寸=0.5板最小L折3.0。
梯增值:A尺寸每梯增1MM,B尺寸对应梯增1.87,公式:已知A尺寸,求B尺寸=(A-7.67)/T*梯增值+该板厚最小L折如:A=15时,B=(15-7.67)/0.5*1.87+ 3.0=30.4已知B尺寸,求A尺寸=(B-该板厚最小L折)/梯增值*T+7.67. 如:B=30.4时,A=(30.4-3)/1.87*0.5+7. 67=15◆ 0.8MM板最小U折A尺寸=8.5,B尺寸=0.8最小L折4.2。
梯增值:1.87/0.5*0.8=2.99◆ 1.0MM板最小U折A尺寸=8.94,B尺寸=1.0最小L折4.5梯增值:1.87/0.5*1.0=3.7◆ 1.2MM板最小U折A尺寸=9.3,B尺寸=1.2最小L折4.5梯增值:1.87/0.5*1.2=4.5◆ 1.5MM板最小U折A尺寸=10.3,B尺寸=1.5最小L折6.2梯增值:1.87/0.5*1.5=5.5◆ 2.0MM板最小U折A尺寸=12.7,B尺寸=2.0最小L折12.0梯增值:1.87/0.5*2=7.4特注:1. A尺寸超过85.0MM及B尺寸超过60.0MM的不按此公式计算。
钣金折弯:之杨若古兰创作折弯件的最小曲折半径材料曲折时,其圆角区上,外层收到拉伸,内层则受到紧缩.当材料厚度必定时,内r越小,材料的拉伸和紧缩就越严重;当外层圆角的拉伸应力超出材料的极限强度时,就会发生裂缝和折断,是以,曲折零件的结构设计,应防止过小的曲折圆角半径.公司经常使用材料的最小曲折半径见下表.序号材料最小曲折半径08、08F、10、10F、DX2、SPCC、E1-T52、0Cr18Ni9、1Cr18Ni9、1Cr18Ni9Ti、1100-H24、T215、20、Q235、Q235A、15F25、30、Q2551Cr13、H62(M、Y、Y2、冷轧)45、5055、6065Mn、60SiMn、1Cr17Ni7、1Cr17Ni7-Y、1Cr17Ni7-DY、SUS301、0Cr18Ni9、SUS302曲折半径是指曲折件的内侧半径,t是材料的壁厚.t为材料壁厚,M为退火形态,Y为硬形态,Y2为1/2硬形态.公司经常使用金属材料最小折弯半径列表曲折件的直边高度普通情况下的最小直边高度请求曲折件的直边高度不宜太小,最小高度按(图 4.2.1)请求:h>2t.图4.2.1.1 曲折件的直边高度最小值特殊请求的直边高度如果设计须要曲折件的直边高度h≤2t,,则首先要加大弯边高度,弯好后再加工到须要尺寸;或者在曲折变形区内加工浅槽后,再折弯(如下图所示).图4.2.2.1 特殊情况下的直边高度请求弯边侧边带有斜角的直边高度当弯边侧边带有斜角的曲折件时(图4.2.3),正面的最小高度为:h=(2~4)t>3mm图4.2.3.1 弯边侧边带有斜角的直边高度折弯件上的孔边距孔边距:先冲孔后折弯,孔的地位应处于曲折变形区外,防止曲折时孔会发生变形.孔壁至弯边的距离见表下表.(目前对于本条,本人经常使用的方法是s≥2.5t)折弯件上的孔边距局部曲折的工艺切口折弯件的曲折线应避开尺寸突变的地位局部曲折某一段边沿时,为了防止尖角处应力集中发生弯裂,可将曲折线挪动必定距离,以离开尺寸突变处(图4.4.1.1 a),或开工艺槽(图 4.4.1.1 b),或冲工艺孔(图4.4.1.1 c) .留意图中的尺寸请求:S≥R ;槽宽k≥t;槽深L ≥ t+R+k/2. 图4.4.1.1 局部曲折的设计处理方法当孔位于折弯变形区内,所采纳的切口方式当孔在折弯变形区内时,采取的切口方式示例(图4.4.2.1)图4.4.2.1 切口方式示例带斜边的折弯边应避开变形区打死边的设计请求打死边的死边长度与材料的厚度有关.如下图所示,普通死边最小长度L≥3.5t+R.其中t为材料壁厚,R为打死边前道工序(如下图右所示)的最小内折弯半径.设计时添加的工艺定位孔为包管毛坯在模具中精确定位,防止曲折时毛坯偏移而发生废品,应事后在设计时添加工艺定位孔,如下图所示.特别是多次曲折成形的零件,均必须以工艺孔为定位基准,以减少累计误差,包管产品质量.标注曲折件相干尺寸时,要考虑工艺性图4.8.1曲折件标注示例如上图所示所示,a)先冲孔后折弯,L尺寸精度容易包管,加工方便.b)和c)如果尺寸L精度请求高,则须要先折弯后加工孔,加工麻烦.曲折件的回弹影响回弹的身分很多,包含:材料的机械功能、壁厚、曲折半径和曲折时的正压力等.折弯件的内圆角半径与板厚之比越大,回弹就越大.从设计上按捺回弹的方法示例曲折件的回弹,目前主如果由生产厂家在模具设计时,采纳必定的措施进行规避.同时,从设计上改进某些结构促使回弹角简少如下图所示:在曲折区压抑加强筋,不但可以提高工件的刚度,也有益于按捺回弹.钣金加工工艺流程随着当今社会的发展,钣金业也随之敏捷发展,此刻钣金涉及到各行各业,对于任何一个钣金件来说,它都有必定的加工过程,也就是所谓的工艺流程,要了解钣金加工流程,首先要晓得钣金材料的选用.一、材料的选用,钣金加普通用到的材料有冷轧板(SPCC)、热轧板(SHCC)、镀锌板(SECC、SGCC),铜(CU)黄铜、紫铜、铍铜,铝板(6061、6063、硬铝等),铝型材,不锈钢(镜面、拉丝面、雾面),根据产品感化分歧,选用材料分歧,普通需从产品其用处及成本上来考虑.1.冷轧板SPCC,次要用电镀和烤漆件,成本低,易成型,材料厚度≤3.2mm.2.热轧板SHCC,材料T≥3.0mm ,也是用电镀,烤漆件,成本低,但难成型,次要用平板件.3.镀锌板SECC、SGCC.SECC电解板分N料、P料,N 料次要不作概况处理,成本高,P料用于喷涂件.4.铜;次要用导电感化料件,其概况处理是镀镍、镀铬,或不作处理,成本高.5.铝板;普通用概况铬酸盐(J11-A),氧化(导电氧化,化学氧化),成本高,有镀银,镀镍.6.铝型材;截面结构复杂的料件,大量用于各种插箱中.概况处理同铝板.7.不锈钢;次要用不作任何概况处理,、成本高.二、图面审核,要编写零件的工艺流程,首先要晓得零件图的各种技术请求;则图面审核是对零件工艺流程编写的最次要环节.1.检查图面是否齐全.2.图面视图关系,标注是否清楚,齐全,标注尺寸单位.3.拆卸关系,拆卸请求重点尺寸.4.新旧版图面区别.5.外文图的翻译.6.表处代号转换.7.图面成绩反馈与处埋.8.材料9.品质请求与工艺请求10.正式发行图面,须加盖品质控制章.三、睁开留意事项,睁开图是根据零件图(3D)睁开的平面图(2D)1.睁开方式要合,要便当节省材料及加工性2.合理选择问隙及包边方式,T=2.0以下问隙0.2,T=2-3问隙0.5,包边方式采取长边包短边(门板类)3.合理考虑公差外形尺寸:负差走到底,正差走一半;孔形尺寸:正差走到底,负差走一半.4.毛刺方向5.抽牙、压铆、撕裂、冲凸点(包),等地位方向,画出剖视图6.核对材质,板厚,以板厚公差7.特殊角度,折弯角内半径(普通R=0.5)要试折而定睁开8.有易出错(类似分歧错误称)的地方应重点提示9.尺寸较多的地方要加放大图10.需喷涂呵护地方须暗示四、板金加工的工艺流程,根据钣金件结构的差别,工艺流程可各不不异,但总的不超出以下几点.1、下料:下料方式有各种,次要有以下几种方式①.剪床:是利用剪床剪切条料简单料件,它主如果为模具落料成形筹办加工,成本低,精度低于0.2,但只能加工无孔无切角的条料或块料.②.冲床:是利用冲床分一步或多步在板材上将零件睁开后的平板件冲裁成形各种外形料件,其长处是耗费工时短,效力高,精度高,成本低,适用大批量生产,但要设计模具.③.NC数控下料,NC下料时首先要编写数控加工程式,利用编程软件,将绘制的睁开图编写成NC数拉加工机床可识此外程式,让其根据这些程式一步一刀在平板上冲裁各构外形平板件,但其结构受刀具结构所至,成本低,精度于0.15.④.镭射下料,是利用激光切割方式,在大平板上将其平板的结构外形切割出来,同NC下料一样需编写镭射程式,它可下各种复杂外形的平板件,成本高,精度于0.1.⑤.锯床:次要用下铝型材、方管、图管、圆棒料之类,成本低,精度低.1.钳工:沉孔、攻丝、扩孔、钻孔沉孔角度普通120℃,用于拉铆钉,90℃用于沉头螺钉,攻丝英制底孔.2.翻边:又叫抽孔、翻孔,就是在一个较小的基孔上抽成一个稍大的孔,再攻丝,次要用板厚比较薄的钣金加工,添加其强度和螺纹圈数,防止滑牙,普通用于板厚比较薄,其孔周正常的浅翻边,厚度基本没有变更,答应有厚度的变薄30-40%时,可得到比正常翻边高度大高40-60%的高度,用挤薄50%时,可得最大的翻边高度,当板厚较大时,如2.0、2.5等以上的板厚,即可直接攻丝.3.冲床:是利用模具成形的加工工序,普通冲床加工的有冲孔、切角、落料、冲凸包(凸点),冲撕裂、抽孔、成形等加工方式,其加工须要有响应的模具来完成操纵,如冲孔落料模、凸包模、撕裂模、抽孔模、成型模等,操纵次要留意地位,方向性.4.压铆:压铆就本公司而言,次要有压铆螺母、螺钉、松不脱等,其是通过液压压铆机或冲床来完成操纵,将其铆接到钣金件上,还有涨铆方式,需留意方向性.5.折弯;折弯就是将2D的平板件,折成功D 的零件.其加工须要有折床及响应折弯模具完成,它也有必定折弯顺序,其准绳是对下一刀不发生干涉的先折,会发生干涉的后折.l 折弯条数是T=3.0mm以下6倍板厚计算槽宽,如:T=1.0、V=6 .0 F=1.8、T=1.2、V=8、F=2.2、T=1.5、V=10、F=2.7、T=2.0、V=12、l 折床模具分类,直刀、弯刀(80℃、30℃)l 铝板折弯时,有裂纹,可添加下模槽宽式添加上模R (退火可防止裂纹)l 折弯时留意事项:Ⅰ图面,请求板材厚度,数量;Ⅱ折弯方向Ⅲ折弯角度;Ⅳ折弯尺寸;Ⅵ外观、电镀铬化料件禁绝有折痕.折弯与压铆工序关系,普通情况下先压铆后折弯,但有料件压铆后会干涉就要先折后压,又有些需折弯—压铆—再折弯等工序.6.焊接:焊接定义:被焊材料原子与分子距京达晶格距离构成一体①分类:a 熔化焊:氩弧焊、CO2焊、气体焊、手工焊b 压力焊:点焊、对焊、撞焊c 钎焊:电铬焊、铜丝②焊接方式:a CO2气体呵护焊b 氩弧焊c 点焊接等d 机器人焊焊接方式的选用是根据实际请求和材质而定,普通来说CO2气体呵护焊用于铁板类焊搠;氩弧焊用于不锈钢、铝板类焊接上,机器人焊接,可节省工时,提高工作效力和焊接质量,减轻工作强度.③焊接符号:Δ 角焊,Д、I型焊,V型焊接,单边V型焊接(V)带钝边V型焊接(V),点焊(O),塞焊或槽焊(∏),卷边焊(χ),带钝边单边V型焊(V),带钝之U型焊,带钝的J型焊,封底焊,逢焊④箭头线和接头⑤焊接缺失及其预防措失点焊:强度不敷可打凸点,强加焊接面积CO2焊:生产率高,能源耗费少,成本低,抗锈能力强氩弧焊:溶深浅,溶接速度慢,效力低,生产成本高,具有夹钨缺陷,但具有焊接质量较好的长处,可焊接有色金属,如铝、铜、镁等.⑥焊接变形缘由:焊接前筹办缺乏,需添加夹具焊接治具不良改善工艺焊接顺序欠好⑦焊接变形效处死:火焰效处死振动法锤击法人工时师法冷轧板卷是以热轧卷为原料,在室温下在再结晶温度以下进行轧制而成,包含板和卷,国内浩繁钢厂如宝钢、武钢、鞍钢等均可以生产.其中成张交货的称为钢板,也称盒板或平板;长度很长、成卷交货的称为钢带,也称卷板. 生产工艺:生产过程中因为不进行加热,所以不存在热轧常出现的麻点和氧化铁皮等缺陷,概况质量好、光洁度高.而且冷轧产品的尺寸精度高,产品的功能和组织能满足一些特殊的使用请求,如电磁功能、深冲功能等. 规格:厚度为0.2-4mm,宽度为600-2 000mm,钢板长度为1 200-6 000mm. 牌号:Q195A-Q235A、Q195AF-Q235AF、Q295A(B)-Q345 A(B);SPCC、SPCD、SPCE、ST12-15;DC01-06 功能:次要采取低碳钢牌号,请求具有良好的冷弯和焊接功能,和必定的冲压功能. 利用领域:冷轧板带用处很广,如汽车制作、电气产品、机车车辆、航空、精密仪表、食品罐头等.冷扎板在生产的时候就是在常温下滚扎而成的,而钢在常温下自愿塑性变形会发生硬化,是以,冷扎板很硬,而在冲压的时候拉伸量绝对比较小.冷轧板概况不但亮,不像镀锌板那样光亮光亮的.基板有两种:冷轧基板和热轧基板.镀锌板是指以冷轧板或者热轧板为基板,在基板上镀有锌含量不小于97%的锌层冷轧板卷是以热轧卷为原料,在室温下在再结晶温度以下进行轧制而成,包含板和卷,国内浩繁钢厂如宝钢、武钢、鞍钢等均可以生产.其中成张交货的称为钢板,也称盒板或平板;长度很长、成卷交货的称为钢带,也称卷板.冷轧的定义: 是再结晶下的轧制,但普通理解为使用常温轧制材料的轧制.铝冷轧分为板轧和箔轧.厚度在0.15~以上的称为板,0.15~以下的称为箔.欧美多采取3~6台连续式轧机作为冷轧设备生产工艺: 生产过程中因为不进行加热,所以不存在热轧常出现的麻点和氧化铁皮等缺陷,概况质量好、光洁度高.而且冷轧产品的尺寸精度高,产品的功能和组织能满足一些特殊的使用请求,如电磁功能、深冲功能等.规格:厚度为0.2-4mm,宽度为600-2 000mm,钢板长度为1200-6000mm.牌号:Q195A-Q235A、Q195AF-Q235AF、Q295A(B)-Q345A(B);SPCC、SPCD、SPCE、ST12-15;DC01-06 功能:次要采取低碳钢牌号,请求具有良好的冷弯和焊接功能,和必定的冲压功能.利用领域:冷轧板带用处很广,如汽车制作、电气产品、机车车辆、航空、精密仪表、食品罐头等.冷轧薄钢板是普通碳素结构钢冷轧板的简称,也称冷轧板,俗称冷板,有时会被误写成冷扎板.冷板是由普通碳素结构钢热轧钢带,经过进一步冷轧制成厚度小于4mm的钢板.因为在常温下轧制,不发生氧化铁皮,是以,冷板概况质量好,尺寸精度高,再加之退火处理,其机械功能和工艺功能都优于热轧薄钢板,在很多领域里,特别是家电制作领域,已逐步用它取代热轧薄钢板.适用牌号:Q195、Q215、Q235、Q275;SPCC(日本牌号);ST12(德国牌号)符号:1、Q—普通碳素结构钢屈服点(极限)的代号,它是“屈”的第一个汉语拼音字母的大小写;195、215、235、255、275—分别暗示它们屈服点(极限)的数值,单位:兆帕MPa(N/mm2);因为Q235钢的强度、塑性、韧性和焊接性等综合机械功能在普通碳素结构钢中属最了,能较好地满足普通的使用请求,所以利用范围十分广泛.2、S-钢(Steel)、P-板(Plate)、C-冷轧(cold)、第四位C-普通级(common).3、ST-钢(Steel)、12-普通级冷轧薄钢板、标识表记标帜:尺寸精度—尺寸—钢板品种尺度冷轧钢板:钢号—技术条件尺度标识表记标帜示例:B-0.57501500-GB708-88;钢板、尺度号Q/BQB402,牌号SPCC,热处理形态退火+平整(S),表央加工形态为麻面D,概况质量为FB级的切边(切边EC,不切边EM)钢板、厚度0.5mm,B级精度,宽度1000mm,A级精度,长度2000mm,A级精度,不服度精度为PF.A,则标识表记标帜为:钢板ECQ/BQB 402-SPCC-SD-FB/(0.51000A2000A-PF.A);冷轧钢板:Q225-GB912-89 次要产地有:宝钢、鞍钢、本钢、武钢、邯钢、包钢、唐钢、涟钢、济钢等冷轧普通薄钢板:由普通碳素结构钢或低合金结构钢冷轧制成.冷轧板概况质量较好.具有良好的冲压功能.对其请求要包管冷弯和杯试验合格,经常使用于汽车等行业和镀层板的原料.冷轧优良薄钢板:次要包含各种优良钢冷轧薄板,最经常使用的是碳素结构钢板,特别是深冲压用冷轧薄钢板,是由低碳优良钢08Al冷轧的薄板,钢板按概况质量分为三组;Ⅰ、Ⅱ、Ⅲ,分别暗示特别高级、高级、较高的精整概况,按拉延级别分为ZF、HF、F级(代表用于冲制拉延最复杂、很复杂、复杂的零件),根据钢板厚度答应偏差,又分为A、B两级精度、广泛用于汽车迁延机工业.冷轧钢板,概况光洁,加工良好,用于汽车、冰箱、洗衣机等家电,和财产设备、各种建筑材料.随着经济发展,冷轧钢板已被称为古代社会的必须材料. 冷轧产品的分类:热轧酸洗、轧硬卷、普通冷轧、镀锌(电镀锌、耐指纹、热镀锌)、镀铝锌、电镀锡、彩涂、电工钢(矽钢片)等.1、热轧酸洗:2、轧硬卷:在常温下,对热轧酸洗卷进行连续轧制.产品特点:因为没有经过退火处理,其硬度很高(HRB大于90),机械加工功能极差,只能进行简单的无方向性的小于90度的折弯加工(垂直于卷取方向).钣金工艺具体内容图纸到手后,根据睁开图及批量的分歧选择分歧落料方式,其中有激光,数控冲床,剪板,模具等方式,然后根据图纸做出响应的睁开.数控冲床受刀具方面的影响,对于一些异形工件和不规则孔的加工,在边沿会出现较大的毛刺,要进行后期去毛刺的处理,同时对工件的精度有必定的影响;激光加工无刀具限制,断面平整,适合异形工件的加工,但对于小工件加工耗时较长.在数控和激光旁放置工作台,利于板料放置在机器上进行加工,减少抬板的工作量.一些可以利用的边料放置在指定的地方,为折弯时试模提供材料.在工件落料后,边角、毛刺、接点要进行须要的修整(打磨处理),在刀具接点处,用平锉刀进行修整,对于毛刺较大的工件用打磨机进行修整,小内孔接点处用绝对应的小锉刀修整,以包管外观的美观,同时外形的修整也为折弯时定位作出了包管,使折弯时工件靠在折弯机上地位分歧,包管同批产品尺寸的分歧.在落料完成后,进入下道工序,分歧的工件根据加工的请求进入响应的工序.有折弯,压铆,翻边攻丝,点焊,打凸包,段差,有时在折弯一两道后要将螺母或螺柱压好,其中有模具打凸包和段差的地方要考虑先加工,以避免其它工序先加工后会发生干涉,不克不及完成须要的加工.在上盖或下壳上有卡勾时,如折弯后不克不及碰焊要在折弯之前加工好.折弯时要首先要根据图纸上的尺寸,材料厚度确定折弯时用的刀具和刀槽,防止产品与刀具相碰撞惹起变形是上模选用的关键(在同一个产品中,可能会用到分歧型号的上模),下模的选用根据板材的厚度来确定.其次是确定折弯的前后顺序,折弯普通规律是先内后外,先小后大,先特殊后普通.有要压死边的工件首先将工件折弯到30°—40°,然后用整平模将工件压死.压铆时,要考虑螺柱的高度选择不异分歧的模具,然后对压力机的压力进行调整,以包管螺柱和工件概况平齐,防止螺柱没压牢或压出超出工件面,形成工件报废.焊接有氩弧焊,点焊,二氧化碳呵护焊,手工电弧焊等,点焊首先要考虑工件焊接的地位,在批量生产时考虑做定位工装包管点焊地位精确.为了焊接牢固,在要焊接的工件上打凸点,可以使凸点在通电焊接前与平板均匀接触,以包管各点加热的分歧,同时也能够确定焊接地位,同样的,要进行焊接,要调好预压时间,保压时间,保持时间,停止时间,包管工件可以点焊牢固.点焊后在工件概况会出现焊疤,要用平磨机进行处理,亚弧焊次要用于两工件较大,又要连接在一路时,或者一个工件的边角处理,达到工件概况的平整,光滑.亚弧焊时发生的热量易使工件变形,焊接后要用打磨机和平磨机进行处理,特别是边角方面较多.工件在折弯,压铆等工序完成后要进行概况处理,分歧板材概况的处理方式分歧,冷板加工后普通进行概况电镀,电镀完后不进行喷涂处理,采取的是进行磷化处理,磷化处理后要进行喷涂处理.电镀板类概况清洗,脱脂,然后进行喷涂.不锈钢板(有镜面板,雾面板,拉丝板)是在折弯前进行可以进行拉丝处理,不必喷涂,如需喷涂要进行打毛处理;铝板普通采取氧化处理,根据喷涂分歧的色彩选择分歧的氧化底色,经常使用的有黑色和赋性氧化;铝板需喷涂的进行铬酸盐氧化处理后喷涂.概况前处理如许做可以使清洁概况,明显提高涂膜附出力,能成倍提高涂膜的耐蚀力.清洗的流程先清洗工件,先将工件挂在流水线上,首先经过清洗溶液中(合金去油粉),然后进入清水中,其次经过喷淋区,再经过烘干区,最初将工件从流水线上取下.在概况前处理后,进入喷涂工序,在工件请求拆卸后喷涂时,牙或部分导电孔需呵护处理,牙孔可查入软胶棒或拧入螺钉,需导电呵护的要用高温胶带贴上,大批量的做定位工装来定位呵护,如许喷涂时不会喷到工件内部,在工件外概况能看到的螺母(翻边)孔处用螺钉呵护,以避免喷涂后工件螺母(翻边)孔处须要回牙.一些批量大的工件还用到工装呵护;工件不拆卸喷涂时,不须要喷涂的区域用耐高温胶带和纸片挡住,一些露在里面的螺母(螺柱)孔用螺钉或耐高温橡胶呵护.如工件双面喷涂,用同样方法呵护螺母(螺柱)孔;小工件用铅丝或曲别针等物品窜在一路后喷涂;一些工件概况请求高,在喷涂前要进行刮灰处理;一些工件在接地符处用公用耐高温贴纸呵护.在进行喷涂时,首先工件挂在流水线上,用气管吹去概况的粘上的灰尘.进入喷涂区喷涂,喷完后顺着流水线进入到烘干区,最初从流水线上取下喷涂好的工件.其中还有手工喷涂和主动喷涂两类,如许采取的工装就分歧了.在喷涂以后进入拆卸工序,拆卸前,要将本来喷涂顶用的呵护贴纸撕去,确定零件内螺纹孔没有被撒进漆或粉,在全部过程中,要戴上手套,防止手上灰尘附在工件上,有些工件还要用气枪吹干净.拆卸好以后就进入包装环节了,工件检查后装入公用的包装袋中进行呵护,一些没有公用包装的工件用气泡膜等进行包装,在包装前先将气泡膜裁成可以包装工件的大小,以避免一面包装一面裁,影响加工速度;批量大的可定做公用纸箱或气泡袋、胶垫、托盘、木箱等.包装好后放入纸箱,然后在纸箱上贴上响应成品或半成品标签.钣金件的质量除在生产制程中严酷请求外,就是须要独立于生产的品质检验,一是按图纸严酷把关尺寸,二是严酷把关外观质量,对尺寸不符者进行返修或报废处理,外观不答应碰划伤,喷涂后的色差、耐蚀性、附出力等进行检验.如许可以找到睁开图错误,制程中的不良习气,制程中的错误,如数冲编程错误,模具错误等.。
钣金折弯半径标准没有一个固定的数值,它会受到多种因素的影响,如材料厚度、折弯机压力、折弯模具下模槽宽度等。
在实际加工中,可以根据以下方法来确定合适的折弯半径:
1. 对于薄板(板厚小于6mm),可以采用板厚作为折弯半径。
2. 对于中等厚度的板材(板厚在6mm至12mm之间),折弯半径一般为板厚的1.25倍至1.5倍。
3. 对于较厚板材(板厚不小于12mm),折弯半径一般为板厚的1.5倍。
4. 另外,不锈钢材料的折弯半径一般较大,通常为板厚的2倍。
5. 在实际操作中,可以根据折弯机的性能、模具的选择以及生产工艺等因素来调整折弯半径。
6. 如果不确定合适的折弯半径,可以先进行小批量试验,根据试验结果调整折弯半径。
0.5mm钣金折弯半径
0.5mm钣金折弯半径是指在钣金加工中,对于0.5mm厚度的
钣金,在进行折弯加工时所需要的最小弯曲半径。
这个数值对于钣金加工来说非常重要,因为它决定了钣金加工的精度和质量。
在进行钣金折弯时,如果弯曲半径过小,就会导致钣金变形、破裂等问题,从而影响加工的质量和精度。
因此,在进行钣金折弯时,需要根据不同的厚度和材质来确定合适的折弯半径。
对于0.5mm厚度的钣金来说,其折弯半径一般不少于1.5倍钣金厚度,即0.75mm。
这个数值是经过实践和经验总结得出的,可以保证钣金加工的质量和精度。
当然,具体的折弯半径还需要根据具体的加工要求和材料来确定。
在进行钣金加工时,需要根据不同的厚度、材质、形状等因素来选择合适的折弯半径,以确保加工出来的钣金零件符合要求。
总之,0.5mm钣金折弯半径是钣金加工中一个非常重要的参数,需要根据实际情况来确定合适的数值。
在进行钣金加工时,需要注意选择合适的折弯半径,并严格控制加工过程中的各项参数,以确保加工出来的钣金零件质量和精度符合要求。
---------------------------------------------------------------最新资料推荐------------------------------------------------------关于钣金折弯半径钣金折弯:折弯件的最小弯曲半径材料弯曲时,其圆角区上,外层收到拉伸,内层则受到压缩。
当材料厚度一定时,内 r 越小,材料的拉伸和压缩就越严重;当外层圆角的拉伸应力超过材料的极限强度时,就会产生裂缝和折断,因此,弯曲零件的结构设计,应避免过小的弯曲圆角半径。
公司常用材料的最小弯曲半径见下表。
序号材料最小弯曲半径08、08F、10、10F、DX2、SPCC、E1-T52、0Cr18Ni9、1Cr18Ni9、1Cr18Ni9Ti、 1100-H24、T20.4t15、20、Q235、Q235A、15F 0.5t25、30、Q255 0.6t1Cr13、H62(M、Y、Y2、冷轧) 0.8t45、50 1.0t55、60 1.5t65Mn、60SiMn、1Cr17Ni7、1Cr17Ni7-Y、1Cr17Ni7-DY、SUS301、0Cr18Ni9、 SUS302 2.0t 转载请注明出自/bbs1/ 22弯曲半径是指弯曲件的内侧半径,t 是材料的壁厚。
t 为材料壁厚,M 为退火状态,Y 为硬状态,Y2 为 1/2 硬状态。
公司常用金属材料最小折弯半径列表弯曲件的直边高度一般情况下的最小直边高度要求弯曲件的直边高度不宜太小,最小高度按(图 4.2.1)要求:h>2t。
图 4.2.1.1 弯曲件的直边高度最小值特殊要求的直边高度如果设计需要弯曲件的直边高度h≤2t,,则首先要加大弯边高度,弯好后再加工到需要尺寸;或者在弯曲变形区内加工浅槽后,再折弯(如下图所示)。
图 4.2.2.1 特殊情况下的直边高度要求弯边侧边带有斜角的直边高度当弯边侧边带有斜角的弯曲件时(图 4.2.3),侧面的最小高度为:h=(2~4)t >3mm图 4.2.3.1 弯边侧边带有斜角的直边高度折弯件上的孔边距孔边距:先冲孔后折弯,孔的位置应处于弯曲变形区外,避免弯曲时孔会产生变形。
钣金折弯:折弯件的最小弯曲半径材料弯曲时,其圆角区上,外层收到拉伸,内层则受到压缩。
当材料厚度一定时,内r越小,材料的拉伸和压缩就越严重;当外层圆角的拉伸应力超过材料的极限强度时,就会产生裂缝和折断,因此,弯曲零件的结构设计,应避免过小的弯曲圆角半径。
公司常用材料的最小弯曲半径见下表。
序号材料最小弯曲半径08、08F、10、10F、DX2、SPCC、E1-T52、0Cr18Ni9、1Cr18Ni9、1Cr18Ni9Ti、1100-H24、T20.4t15、20、Q235、Q235A、15F0.5t25、30、Q2550.6t1Cr13、H62(M、Y、Y2、冷轧)0.8t45、501.0t55、601.5t65Mn、60SiMn、1Cr17Ni7、1Cr17Ni7-Y、1Cr17Ni7-DY、SUS301、0Cr18Ni9、SUS3022.0t转载请注明出自/bbs弯曲半径是指弯曲件的内侧半径,t是材料的壁厚。
t为材料壁厚,M为退火状态,Y为硬状态,Y2为1/2硬状态。
公司常用金属材料最小折弯半径列表弯曲件的直边高度一般情况下的最小直边高度要求弯曲件的直边高度不宜太小,最小高度按(图4.2.1)要求:h>2t。
图4.2.1.1 弯曲件的直边高度最小值特殊要求的直边高度如果设计需要弯曲件的直边高度h≤2t,,则首先要加大弯边高度,弯好后再加工到需要尺寸;或者在弯曲变形区内加工浅槽后,再折弯(如下图所示)。
图4.2.2.1 特殊情况下的直边高度要求弯边侧边带有斜角的直边高度当弯边侧边带有斜角的弯曲件时(图 4.2.3),侧面的最小高度为:h=(2~4)t >3mm图4.2.3.1 弯边侧边带有斜角的直边高度折弯件上的孔边距孔边距:先冲孔后折弯,孔的位置应处于弯曲变形区外,避免弯曲时孔会产生变形。
孔壁至弯边的距离见表下表。
(目前对于本条,本人常用的方法是s≥2.5t)折弯件上的孔边距局部弯曲的工艺切口折弯件的弯曲线应避开尺寸突变的位置局部弯曲某一段边缘时,为了防止尖角处应力集中产生弯裂,可将弯曲线移动一定距离,以离开尺寸突变处(图4.4.1.1 a),或开工艺槽(图4.4.1.1 b),或冲工艺孔(图4.4.1.1 c) 。