PROE中钣金件折弯半径的确定
- 格式:doc
- 大小:54.00 KB
- 文档页数:4
钣金折弯:折弯件的最小弯曲半径材料弯曲时,其圆角区上,外层收到拉伸,内层则受到压缩。
当材料厚度一定时,内r越小,材料的拉伸和压缩就越严重;当外层圆角的拉伸应力超过材料的极限强度时,就会产生裂缝和折断,因此,弯曲零件的结构设计,应避免过小的弯曲圆角半径。
公司常用材料的最小弯曲半径见下表。
序号材料最小弯曲半径08、08F、10、10F、DX2、SPCC、E1-T52、0Cr18Ni9、1Cr18Ni9、1Cr18Ni9Ti、1100-H24、T20.4t15、20、Q235、Q235A、15F0.5t25、30、Q2550.6t1Cr13、H62(M、Y、Y2、冷轧)0.8t45、501.0t55、601.5t65Mn、60SiMn、1Cr17Ni7、1Cr17Ni7-Y、1Cr17Ni7-DY、SUS301、0Cr18Ni9、SUS3022.0t请注明出自designroad./bbs弯曲半径是指弯曲件的内侧半径,t是材料的壁厚。
t为材料壁厚,M为退火状态,Y为硬状态,Y2为1/2硬状态。
公司常用金属材料最小折弯半径列表弯曲件的直边高度一般情况下的最小直边高度要求弯曲件的直边高度不宜太小,最小高度按(图4.2.1)要求:h>2t。
图4.2.1.1 弯曲件的直边高度最小值特殊要求的直边高度如果设计需要弯曲件的直边高度h≤2t,,则首先要加大弯边高度,弯好后再加工到需要尺寸;或者在弯曲变形区内加工浅槽后,再折弯(如下图所示)。
图4.2.2.1 特殊情况下的直边高度要求弯边侧边带有斜角的直边高度当弯边侧边带有斜角的弯曲件时(图4.2.3),侧面的最小高度为:h=(2~4)t >3mm图4.2.3.1 弯边侧边带有斜角的直边高度折弯件上的孔边距孔边距:先冲孔后折弯,孔的位置应处于弯曲变形区外,避免弯曲时孔会产生变形。
孔壁至弯边的距离见表下表。
(目前对于本条,本人常用的方法是s≥2.5t)折弯件上的孔边距局部弯曲的工艺切口折弯件的弯曲线应避开尺寸突变的位置局部弯曲某一段边缘时,为了防止尖角处应力集中产生弯裂,可将弯曲线移动一定距离,以离开尺寸突变处(图4.4.1.1 a),或开工艺槽(图4.4.1.1 b),或冲工艺孔(图4.4.1.1 c) 。
ProE中各种各样的折弯2009-12-03 21:06:20 作者:ICAD1 来源:智造网—助力中国制造业创新—在设计过程中,只要壁特征存在,可随时添加折弯。
可跨多个成形特征添加折弯,但不能在多个特征与另一个折弯交叉处添加这些特征。
根据折弯在钣金件设计中的放置位置,您可能需要添加折弯止裂槽。
关于折弯折弯将钣金件壁成形为斜形或筒形。
草绘折弯线,并用方向箭头或草绘视图确定折弯的方向。
折弯线是计算展开长度和创建折弯几何的参照点。
在设计过程中,只要壁特征存在,可随时添加折弯。
可跨多个成形特征添加折弯,但不能在多个特征与另一个折弯交叉处添加这些特征。
根据折弯在钣金件设计中的放置位置,您可能需要添加折弯止裂槽。
有两种主要折弯类型:角度(Angle) - 折弯特定半径和角度。
方向箭头决定折弯位置。
角度折弯在折弯线的一侧形成,或者在两侧对等地形成。
滚动(Roll) - 折弯特定半径和角度,由半径和要折弯的平整材料的数量共同决定。
草绘视图影响着折弯位置。
滚动折弯在查看草绘的方向形成。
如果要螺旋滚动材料,要知道材料长度。
如果材料通过自身折弯,滚动折弯将失败。
每个角度或滚动折弯有三个折弯选项可用:规则折弯带有过渡的折弯平面折弯创建没有过渡曲面的标准折弯。
在折弯和要保持平整的区域之间变形曲面。
围绕轴(该轴垂直于驱动曲面和草绘平面)创建折弯。
注意:不能用“镜像”(mirror) 选项复制折弯。
通常可展平零半径折弯,但不能展平有斜切口穿过的折弯。
增加惯性矩可提高折弯的壁刚度。
用“展开长度”(DEV LENGTH) 菜单,可修改折弯区域的展开长度。
修改展开长度会影响展平几何和折弯回去特征。
更改展开长度缺省情况下,将根据“零件折弯表”或“特征折弯表”中定义的Y 因子和K 因子值计算展开长度。
在“模型树”中选取您想修改其展开长度的特征并右键单击。
出现快捷菜单。
单击“编辑”(Edit)。
尺寸显示在图形窗口中。
双击展开长度,“展开长度”(DEV LENGTH) 菜单出现。
从事钣金工作多年,今天为您详解PROE中折弯表与K因子!折弯展开是钣金生产中非常重要的一环,现在为大家说说PROE中是如何得到展开系数的!想要展开,必须先明白以下几个名词。
如图现在通常的展开方法有两种,折弯扣除=M(一般用于90度展开),中性层法,即使用K因子(非90度)。
这两种方法在原理上是一样的!我们现在来看PROE中是如何用折弯表实现90度展开的。
我们以1.0MM 的冷板为例,通常工厂用的折弯扣除是1.7.意思就是如下图所示的一个折弯件(长和宽都是25.折弯内角r=0.5),他的展开尺寸就是25+25-1.7=48.3那在PROE中要如何得到这个值呢,新建一个钣金件,做如下图形,完成退出。
得到这样一个零件大家看到这里有个DEV值,这个值就是与钣金展开相关的一个值了,我们现在来看看他的展开尺寸,前面说了,这个钣金件的展开尺寸应该是48.3的,但这里只有48.2,小数点后面还一堆数,看起来就不爽!如何改变他,使他变成我们所需要的呢?这里就要改动那个DEV值了。
我们把DEV值设为1.3看看。
再生后再次测量展开长度,嗯,这里已经是我们所需要的了,那么这个值是怎么来的呢?这里提供个公式,DEV=2(r+T)-M,关于这个公式的意义和来历,等下再说。
我们再来看如何使用折弯表得到这个值编缉-设置-折弯许可-定义,随便输入一个数字作为折弯表名,打开折弯表得到这个表,我们先看内侧半径(R)下面的那一横排,这排是定义折弯内圆角的,也即上图的r,再看厚度(T)下面的一竖排,这里定义的是板料的厚度。
两栏相交的格就是DEV值。
好。
我们在折弯表内填下如图的值。
保存,退出。
现在我们把零件的厚度设为1.5MM。
他的折弯扣除应该是2.5MM。
那么展开长度应该是47.5,再来看看PORE中的展开长度是否如此!嗯,完全稳合!现在我们再来看中性层法,首先,大家先来看这个公式,L=A+B-2*tan(@/2)/(y+r)+2*PI*(y+r)*@/360, L为展开长度.对照第一个图,大家就应该明白了。
钣金折弯半径标准没有一个固定的数值,它会受到多种因素的影响,如材料厚度、折弯机压力、折弯模具下模槽宽度等。
在实际加工中,可以根据以下方法来确定合适的折弯半径:
1. 对于薄板(板厚小于6mm),可以采用板厚作为折弯半径。
2. 对于中等厚度的板材(板厚在6mm至12mm之间),折弯半径一般为板厚的1.25倍至1.5倍。
3. 对于较厚板材(板厚不小于12mm),折弯半径一般为板厚的1.5倍。
4. 另外,不锈钢材料的折弯半径一般较大,通常为板厚的2倍。
5. 在实际操作中,可以根据折弯机的性能、模具的选择以及生产工艺等因素来调整折弯半径。
6. 如果不确定合适的折弯半径,可以先进行小批量试验,根据试验结果调整折弯半径。
钣金展开计算和proe折弯表[精华] 钣金展开计算和PROE折弯表PROE, 钣金, 折弯本帖最后由 sparkchen 于 2009-5-2 17:35 编辑我是做钣金加工行业的(公司是用激光和数冲下料),每天的工作就是负责一些客户图纸的展开。
用PROE默认的折弯表将产品展开,展开尺寸和实际所要的展开尺寸差很多,不能直接用于产品下料。
我以前都是转成DWG格式后再调整,这样很慢。
如果会用PROE展开的话,设置这个折弯表,只要设置折弯表和公司的系数表一致,直接导入折弯表,就可以直接做产品展开的工作了,可以提高工作效率,实用的折弯表对我们来说是意义很大。
通过自己的摸索,我动手做了一个钣金折弯表,平时在公司也用这个表,现在拿出来供大家分享,希望与大家有所帮助,如有需要改进的地方也请多多指出,谢谢~首先看一下钣金产品的展开公式:直角展开: L=A+B-2T+K(L:展开长度,K:展开系数),如下图:斜角展开:L=A+B+(180-C)K/90(L:展开长度,K:展开系数),如下图:R角折弯展开:L=A+B+π(R+0.5T)*C/180,(L:展开长度),如下图:压死边展开:L=A+B-F或L=A+B-0.5T(F值大概等于0.5T),(L:展开长度,F:展开系数),如下图:其中的K值在附件里有,我这表是我现在公司用的。
每个公司K值不同,因为公司钣材的供应商不同,同一个供应商不同批次的板材K值也稍有不同。
下面的就是我的PROE折弯表了:"FORMULA""IF (R/T)>2.5""L=PI*(R+0.5*T)/2""ELSE""L=PI*(R+0.35*T)/2""ENDIF""END FORMULA""!""CONVERSION""IF ANGLE>0 & ANGLE<90""L=PI*(R+0.5*T)*ANGLE/180""ENDIF""IF ANGLE<=180 & ANGLE>90""L=3*(R+T/2)*ANGLE/180""ENDIF""END CONVERSION""! 该表可用于以下材料""START MATERIALS""SPCC""END MATERIALS""!""TABLE""! 内侧半径(R)"" " 0.000000 0.500000 0.800000 1.000000 1.200000 1.500000 1.600000 2.000000 2.300000 2.500000 3.000000 3.500000 4.000000 5.000000 6.0000007.0000008.000000"!厚度 (T)"0.500000 0.200000 1.200000 1.800000 2.200000 2.6000000.800000 0.240000 1.240000 1.840000 2.240000 2.640000 3.2400003.4400004.2400001.000000 0.300000 1.300000 1.9000002.300000 2.7000003.3000003.5000004.3000004.9000005.3000001.200000 0.360000 1.360000 1.9600002.360000 2.7600003.3600003.5600004.3600004.9600005.3600006.3600001.500000 0.500000 1.5000002.100000 2.500000 2.9000003.5000003.7000004.5000005.100000 5.5000006.5000007.5000001.600000 0.580000 1.5800002.180000 2.580000 2.980000 5.5800003.7800004.5800005.180000 5.5800006.5800007.5800008.5800002.000000 0.700000 1.700000 2.300000 2.7000003.100000 3.7000003.9000004.7000005.300000 5.7000006.7000007.7000008.70000010.7000002.300000 0.800000 1.800000 2.400000 2.8000003.200000 3.8000004.000000 4.8000005.400000 5.8000006.8000007.8000008.80000010.8000002.500000 1.000000 2.000000 2.6000003.000000 3.4000004.0000004.2000005.0000005.6000006.0000007.0000008.0000009.000000 11.00000013.0000003.000000 1.000000 2.000000 2.600000 3.000000 3.4000004.0000004.2000005.0000005.6000006.0000007.0000008.0000009.000000 11.000000 13.00000015.0000003.500000 1.200000 2.200000 2.800000 3.200000 3.6000004.2000004.4000005.200000 2.8000006.2000007.2000008.2000009.200000 11.200000 13.200000 15.20000017.2000004.000000 1.500000 2.500000 3.100000 3.500000 3.900000 4.5000004.7000005.5000006.100000 6.5000007.5000008.5000009.500000 11.500000 13.50000015.50000017.5000005.000000 1.600000 2.600000 3.200000 3.600000 4.000000 4.6000004.8000005.6000006.200000 6.6000007.6000008.6000009.600000 11.600000 13.600000 15.60000017.600000折弯表里的ANGLE 是PROE里的折弯角度(实际产品折弯角的补角)。
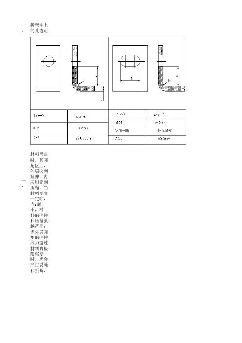
一、折弯件上的孔边距
二、材料弯曲时,其圆角区上,外层收到拉伸,内层则受到压缩。
当材料厚度一定时,内r越小,材
料的拉伸和压缩就越严重;当外层圆角的拉伸应力超过材料的极限强度时,就会产生裂缝和折断,因此,弯曲零件的结构设计,应避免过小的弯曲圆角半径。
公司常用材料的最小弯曲半径见下表。
弯曲半径是指弯曲件的内侧半径,t是材料的壁厚。
t为材料壁厚,M为退火状态,Y为硬状态,Y2为1/2硬状态。
常用金属材料最小折弯半径列表
四、
小,材
产生裂缝和折断,弯曲半径见下表。
从事钣金工作多年,今天为您详解PROE中折弯表与K因子!折弯展开是钣金生产中非常重要的一环,现在为大家说说PROE中是如何得到展开系数的!想要展开,必须先明白以下几个名词。
如图现在通常的展开方法有两种,折弯扣除=M(一般用于90度展开),中性层法,即使用K因子(非90度)。
这两种方法在原理上是一样的!我们现在来看PROE中是如何用折弯表实现90度展开的。
我们以1.0MM 的冷板为例,通常工厂用的折弯扣除是1.7.意思就是如下图所示的一个折弯件(长和宽都是25.折弯内角r=0.5),他的展开尺寸就是25+25-1.7=48.3那在PROE中要如何得到这个值呢,新建一个钣金件,做如下图形,完成退出。
得到这样一个零件大家看到这里有个DEV值,这个值就是与钣金展开相关的一个值了,我们现在来看看他的展开尺寸,前面说了,这个钣金件的展开尺寸应该是48.3的,但这里只有48.2,小数点后面还一堆数,看起来就不爽!如何改变他,使他变成我们所需要的呢?这里就要改动那个DEV值了。
我们把DEV值设为1.3看看。
再生后再次测量展开长度,嗯,这里已经是我们所需要的了,那么这个值是怎么来的呢?这里提供个公式,DEV=2(r+T)-M,关于这个公式的意义和来历,等下再说。
我们再来看如何使用折弯表得到这个值编缉-设置-折弯许可-定义,随便输入一个数字作为折弯表名,打开折弯表得到这个表,我们先看内侧半径(R)下面的那一横排,这排是定义折弯内圆角的,也即上图的r,再看厚度(T)下面的一竖排,这里定义的是板料的厚度。
两栏相交的格就是DEV值。
好。
我们在折弯表内填下如图的值。
保存,退出。
现在我们把零件的厚度设为1.5MM。
他的折弯扣除应该是2.5MM。
那么展开长度应该是47.5,再来看看PORE中的展开长度是否如此!嗯,完全稳合!现在我们再来看中性层法,首先,大家先来看这个公式,L=A+B-2*tan(@/2)/(y+r)+2*PI*(y+r)*@/360, L为展开长度.对照第一个图,大家就应该明白了。
1.5mm钣金折弯半径一、1.5mm钣金折弯半径是指在制造过程中对1.5mm厚度的钣金进行弯曲时,所需的曲率半径。
这个参数在工业制造中的应用非常广泛,涉及到各种领域,如汽车制造、电子设备、建筑等。
本文将详细讨论1.5mm钣金折弯半径的重要性以及与之相关的标准。
二、1.5mm钣金折弯半径的重要性影响弯曲后的形状和结构:折弯半径决定了钣金在弯曲后的形状。
适当的折弯半径可以确保零部件的几何形状和结构满足设计要求,避免因折弯导致的形变和变形。
影响零部件的强度和耐久性:折弯过程中,如果半径过小,可能导致钣金发生裂纹或变形,从而影响零部件的强度和耐久性。
因此,选择适当的折弯半径对于确保零部件质量至关重要。
影响制造过程的精度:折弯半径的选择直接关系到制造过程的精度。
适当选择折弯半径有助于提高生产效率、降低废品率,并确保零部件的一致性。
考虑工艺性和成本:过小的折弯半径可能导致制造难度增加,增加成本。
适当的折弯半径既要满足设计要求,又要考虑到制造的可行性和成本效益。
三、相关标准和规范行业标准:不同行业和国家可能有不同的标准,例如ISO、ASTM等。
这些标准通常规定了不同厚度和材料的钣金折弯半径的范围和要求,制造商需要根据具体的标准选择合适的折弯半径。
设计要求:在产品设计阶段,工程师通常会根据零部件的用途、材料和厚度等因素规定折弯半径的要求。
这些设计要求是确保零部件性能和质量的关键依据。
材料特性:不同的材料对折弯半径有着不同的要求。
某些材料可能更容易发生裂纹,需要较大的折弯半径来确保制造过程中的安全性和可行性。
设备能力:制造过程中使用的折弯设备的能力也是确定折弯半径的一个重要因素。
设备的最小弯曲半径限制了可选择的折弯半径范围。
四、选择1.5mm钣金折弯半径的原则遵循设计要求:在产品设计阶段,工程师应根据零部件的功能和要求规定适当的折弯半径。
制造过程中应确保严格遵循这些设计要求。
考虑材料特性:不同的材料对折弯的敏感性不同,因此在选择折弯半径时需要考虑具体材料的特性,以防止裂纹和变形。
Pro/E钣金设计中折弯半径的确定方法在钣金设计中,用传统方法画展开图时,只要有一个尺寸算错,加工后就可能导致零件报废。
但是用Pro/E设计就非常轻松,只需输人精确的折弯半径,不用作任何尺寸计算,点击"展开"后,系统会自动展开,得到精确的展开图。
用Pro/E进行钣金设计,在平整壁侧面创建折弯壁时,会出现SELRADIUS选取半径的命令菜单,要求设计人员选择折弯半径。
系统提供选择的折弯半径为:等于工件厚度;等于2倍的工件厚度;"EnterValue输人值"。
实际情况中,对于高精度的扳金件设计来说,折弯半径正好"等于工件厚度"的情况很少,"等于2倍的工件厚度"更少见,多选取"EnterValue输入值"。
在Pro/E钣金设计中,影响展开图尺寸精度的关键因素是折弯半径。
只有输人精确的折弯半径,才能得到精确的展开尺寸。
可是在Pro/E钣金模块中,没有固定的公式可以计算折弯半径。
使展开图的尺寸精度,因设计人员的经验不同而产生程度不同的设计误差。
甚至一些厂家对于精度要求很高的重要钣金件,宁愿用传统方法作展开图,也不敢用Pro/E自动生成的展开图下料。
因此,本文重点介绍Pro/E钣金设计中折弯半径的确定方法。
2实测圆角半径不能作为Pro/E折弯半径的"EnterValue输入值"传统的确定展开尺寸的方法,一般通过做试验,把试样折弯后,测量成型尺寸,再把成型尺寸和试样的下料尺寸比较,得出延伸量。
名义尺寸减去延伸量,就是下料用的展开尺寸。
因为延伸量随折弯圆角的大小而不同,生产厂家根据钣金件要求线条简洁的特点,通常对相同厚度的板材,选用统一的较小圆角R<板厚,得到统一的延伸量,以简化制造工艺。
如果有特殊要求必须采用不同的折弯圆角,则需单独求出延伸量,但这种情况很少。
如图l所示的折弯,1.2mm厚的Q235冷板,通常选用7mm宽的下模,已知折弯90°的延伸量为2.l,每翼外档尺寸都是100的L形工件,其展开尺寸为:100+100-2.1=197.9。
关于钣金折弯半径Document serial number【UU89WT-UU98YT-UU8CB-UUUT-UUT108】钣金折弯:折弯件的最小弯曲半径材料弯曲时,其圆角区上,外层收到拉伸,内层则受到压缩。
当材料厚度一定时,内r越小,材料的拉伸和压缩就越严重;当外层圆角的拉伸应力超过材料的极限强度时,就会产生裂缝和折断,因此,弯曲零件的结构设计,应避免过小的弯曲圆角半径。
公司常用材料的最小弯曲半径见下表。
序号材料最小弯曲半径08、08F、10、10F、DX2、SPCC、E1-T52、0Cr18Ni9、1Cr18Ni9、1Cr18Ni9Ti、1100-H24、T215、20、Q235、Q235A、15F25、30、Q2551Cr13、H62(M、Y、Y2、冷轧)45、5055、6065Mn、60SiMn、1Cr17Ni7、1Cr17Ni7-Y、1Cr17Ni7-DY、SUS301、0Cr18Ni9、SUS302转载请注明出自 bbs弯曲半径是指弯曲件的内侧半径,t是材料的壁厚。
t为材料壁厚,M为退火状态,Y为硬状态,Y2为1/2硬状态。
公司常用金属材料最小折弯半径列表弯曲件的直边高度一般情况下的最小直边高度要求弯曲件的直边高度不宜太小,最小高度按(图4.2.1)要求:h>2t。
图4.2.1.1 弯曲件的直边高度最小值特殊要求的直边高度如果设计需要弯曲件的直边高度h≤2t,,则首先要加大弯边高度,弯好后再加工到需要尺寸;或者在弯曲变形区内加工浅槽后,再折弯(如下图所示)。
图4.2.2.1 特殊情况下的直边高度要求弯边侧边带有斜角的直边高度当弯边侧边带有斜角的弯曲件时(图4.2.3),侧面的最小高度为:h=(2~4)t>3mm图4.2.3.1 弯边侧边带有斜角的直边高度折弯件上的孔边距孔边距:先冲孔后折弯,孔的位置应处于弯曲变形区外,避免弯曲时孔会产生变形。
孔壁至弯边的距离见表下表。
(目前对于本条,本人常用的方法是s≥)折弯件上的孔边距局部弯曲的工艺切口折弯件的弯曲线应避开尺寸突变的位置局部弯曲某一段边缘时,为了防止尖角处应力集中产生弯裂,可将弯曲线移动一定距离,以离开尺寸突变处(图4.4.1.1 a),或开工艺槽(图b),或冲工艺孔(图.1.1 c) 。
钣金折弯:折弯件得最小弯曲半径材料弯曲时,其圆角区上,外层收到拉伸,内层则受到压缩。
当材料厚度一定时,内r 越小,材料得拉伸与压缩就越严重;当外层圆角得拉伸应力超过材料得极限强度时,就会产生裂缝与折断,因此,弯曲零件得结构设计,应避免过小得弯曲圆角半径。
公司常用材料得最小弯曲半径见下表。
序号材料最小弯曲半径08、08F、10、10F、DX2、SPCC、E1T52、0Cr18Ni9、1Cr18Ni9、1Cr18Ni9Ti、1100H24、T20、4t15、20、Q235、Q235A、15F0、5t25、30、Q2550、6t1Cr13、H62(M、Y、Y2、冷轧)0、8t45、501、0t55、601、5t65Mn、60SiMn、1Cr17Ni7、1Cr17Ni7Y、1Cr17Ni7DY、SUS301、0Cr18Ni9、SUS3022、0t转载请注明出自designroad/bbs弯曲半径就是指弯曲件得内侧半径,t就是材料得壁厚。
t为材料壁厚,M为退火状态,Y为硬状态,Y2为1/2硬状态。
公司常用金属材料最小折弯半径列表弯曲件得直边高度一般情况下得最小直边高度要求弯曲件得直边高度不宜太小,最小高度按(图4、2、1)要求:h>2t。
图4、2、1、1 弯曲件得直边高度最小值特殊要求得直边高度如果设计需要弯曲件得直边高度h≤2t,,则首先要加大弯边高度,弯好后再加工到需要尺寸;或者在弯曲变形区内加工浅槽后,再折弯(如下图所示)。
图4、2、2、1 特殊情况下得直边高度要求弯边侧边带有斜角得直边高度当弯边侧边带有斜角得弯曲件时(图4、2、3),侧面得最小高度为:h=(2~4)t>3mm 图4、2、3、1 弯边侧边带有斜角得直边高度折弯件上得孔边距孔边距:先冲孔后折弯,孔得位置应处于弯曲变形区外,避免弯曲时孔会产生变形。
孔壁至弯边得距离见表下表。
(目前对于本条,本人常用得方法就是s≥2、5t)折弯件上得孔边距局部弯曲得工艺切口折弯件得弯曲线应避开尺寸突变得位置局部弯曲某一段边缘时,为了防止尖角处应力集中产生弯裂,可将弯曲线移动一定距离,以离开尺寸突变处(图4、4、1、1 a),或开工艺槽(图4、4、1、1 b),或冲工艺孔(图4、4、1、1 c) 。
基于Pro/ENGINEER二次开发的钣金件自定义折弯表的应用(网络)在开清设备和梳棉机等纺织机械中,都用到许多钣金件。
在实际工作中,钣金件的展开计算对于工艺人员来说是一项很重要的工作。
工艺人员在计算时,要根据不同的情况,如:在折弯时是否有压板,折弯内经与板材厚度比的大小等来查表确定中性折弯线的位移系数,然后根据位移系数确定中性折弯线半径,最后将中性折弯线半径代人公式计算出折弯处的展开长度。
整个计算过程繁琐、效率低且容易出错。
以基于特征、参数化和全相关而著称的Pro/ENGINEER(简称Pro/E)软件,它不仅拥有灵活多变的钣金件特征构建方法,也提供了2种计算钣金件折弯处展平长度的方法,同时还为用户进行二次开发提供了用户化工具箱——Pro/TOOLKIT。
该工具箱为用户程序、软件及第三方程序提供了与Pro/E的无缝连接。
选择Pro/E 作为钣金件的设计和展开计算的平台,可以大大提高工作效率、简化计算过程、提高计算的准确度。
1 基本方法1.1 Pro/E中折弯处展平尺寸的计算方法方法一:Y因子和K因子法Y因子和K因子是由钣金件材料的中性折弯线(相对于厚度而言)的位置所定义的常数。
中性层的位置取决于设计中所用的钣金件材料类型、板材厚度等,其数字范围从0到1,数字越小代表材料越软。
K因子是折弯内半径与钣金件厚度的距离比,如图1所示。
K因子的计算公式:k因子=δ/T。
Y因子可通过K因子来计算,其计算公式:Y因子=K因子×(II/2)。
Y因子的缺省值为0.50。
图1 钣金件展平示意图其中:δ——折弯内半径与钣金件边之间的距离;T——钣金件厚度;L——在正方形之间的展开长度;R——折弯半径;N——中性折弯线。
使用Y因子或K因子计算钣金件展平长度,其计算公式:L=(0.57π×R+Y×T)×(θ/90)在同一钣金件中,如果应用K因子或Y因子计算展平长度,软件将按照某一特定的值对各个折弯处进行展平长度计算,而不考虑因为折弯内径与板厚比值不同导致的中性折弯线的偏移量不同,从而导致下料时的尺寸存在较大的误差。
钣金折弯半径计算
钣金折弯半径是指在钣金加工过程中,将钣金弯曲成所需形状时所使用的弯曲半径。
其计算方法可以按照以下步骤进行:
1. 确定所需弯曲角度:首先需要确定所需的弯曲角度,即钣金需要弯曲的角度。
这通常由零件图纸或设计要求指定。
2. 确定材料的弯曲性能:钣金的弯曲性能取决于其厚度、材料和硬度等因素。
这些信息可以从材料的技术数据表中获得。
3. 确定折弯力:折弯力是将钣金弯曲的力量,通常由折弯机的压力提供。
折弯力应该足够强大,以确保材料在弯曲过程中不会断裂或产生其他形式的损坏。
4. 根据公式计算折弯半径:折弯半径是根据弯曲角度、材料的弯曲性能和折弯力计算得出的。
通常使用以下公式进行计算:
折弯半径= K ×t
其中,K是取决于材料和弯曲角度的系数,t是钣金厚度。
这个系数可以从技术数据表中获得,或者使用经验公式进行计算。
一般来说,K值越小,则所需的弯曲半径越小。
在使用这些步骤进行计算时,需要确保使用准确的数据和公式。
此外,需要注意钣金的弯曲过程中可能会发生的问题,如弯曲时产生的应力集中、弯曲后的变形等。
如果出现这些问题,需要采取相应的措施进行处理,以确保钣金零件的质量和精度。
Pro/E钣金设计中折弯半径的确定方法
在钣金设计中,用传统方法画展开图时,只要有一个尺寸算错,加工后就可能导致零件报废。
但是用Pro/E设计就非常轻松,只需输人精确的折弯半径,不用作任何尺寸计算,点击"展开"后,系统会自动展开,得到精确的展开图。
用Pro/E进行钣金设计,在平整壁侧面创建折弯壁时,会出现SEL RADIUS选取半径的命令菜单,要求设计人员选择折弯半径。
系统提供选择的折弯半径为:等于工件厚度;等于2倍的工件厚度; "Enter Value输人值"。
实际情况中,对于高精度的扳金件设计来说,折弯半径正好"等于工件厚度"的情况很少,"等于2倍的工件厚度"更少见,多选取"Enter Value 输入值"。
在Pro/E钣金设计中,影响展开图尺寸精度的关键因素是折弯半径。
只有输人精确的折弯半径,才能得到精确的展开尺寸。
可是在Pro/E钣金模块中,没有固定的公式可以计算折弯半径。
使展开图的尺寸精度,因设计人员的经验不同而产生程度不同的设计误差。
甚至一些厂家对于精度要求很高的重要钣金件,宁愿用传统方法作展开图,也不敢用Pro/E自动生成的展开图下料。
因此,本文重点介绍Pro/E钣金设计中折弯半径的确定方法。
2 实测圆角半径不能作为Pro/E折弯半径的"Enter Value输入值"
传统的确定展开尺寸的方法,一般通过做试验,把试样折弯后,测量成型尺寸,再把成型尺寸和试样的下料尺寸比较,得出延伸量。
名义尺寸减去延伸量,就是下料用的展开尺寸。
因为延伸量随折弯圆角的大小而不同,生产厂家根据钣金件要求线条简洁的特点,通常对相同厚度的板材,选用统一的较小圆角R<板厚,得到统一的延伸量,以简化制造工艺。
如果有特殊要求必须采用不同的折弯圆角,则需单独求出延伸量,但这种情况很少。
如图l所示的折弯,1.2mm厚的Q235冷板,通常选用7mm宽的下模,已知折弯90°
的延伸量为2.l,每翼外档尺寸都是100的L形工件,其展开尺寸为:100+100-2.1=197.9。
如果板材拆弯2次,就减去2个延申量,折弯3次,减去3个延伸量……依此类推。
如果折弯角度不是90°,其延伸量就要按折弯比例打折扣。
如折弯45°,延伸量取二分之一,即1.05,30°。
取三分之一,即0.7。
产生相应延伸量的折弯圆角可以实际测量,但是这个实测圆角的折弯半径,不能作为Pr o/E钣金设计时,SEL RAbIUS选取半径]/"Enter Value输人值"使用。
仍以1.2mm厚的冷板为例,产生2.1延伸量的圆角半径(外圆角),实测为R2.5 ,而正确的Pro/E钣金设计的折弯半径"Enter Value输人值"(外圆角)应当是1.9,显然不是一回事。
另外,折弯圆角很难测量精确,尤其对于非直角折弯。
3 确定Pro/E折弯半径"Enter Value输入值"的步骤
图2所示的钣金件,每个壁上都布有大小不等的方孔、圆孔,这些孔都有相应的装配要
求,是个典型的较高精度的钣金零件。
其中8个小4.3孔.同轴度要求在Φ0.1以内。
零件材料Q235冷板,1.2mm厚,所有孔都在数控冲床下料时一并作出。
对于这种高精度的钣金件,如果展开的理论尺寸已经含有误差,加工后的精度就无法保证。
现以图2零件为例,说明P ro/E钣金设计时,如何确定折弯半径。
首先在Pro/E钣金零件设计中,"创建分离的平整壁",作出中间长126.99的那块壁。
接着使用半径创建平整壁,作出侧边长101.78的那块壁。
退出草绘前,需要输入半径数值,这里采用系统默认的内侧半径。
1.2mm厚的冷板是常用材料,查得钣金厂家现成的延伸量数据为
2.1,两块壁折弯900的展开长应为:
126.99+101.78一延伸量2.1=226.67 Pro/E设计中输人半径数值后,如果展开长=226. b7,这个半径就对了。
根据经验,常用钢板的Pro/E折弯输人内半径都小于且接近板材厚度,所以先设内半径R=1.00钣金生成后,点击"Flat Patte。
平整阵列"展开,得到展开长226.540输人半径偏大,需调整;
接着用R=0.7输人,得到展开长226.67,与用延伸量算出的展开尺寸相等。
零件上共有4处折弯,折弯半径都相同。
零件成型后,用"Flat Pattern平整阵列"展开.得到展开长=346.020现在用延伸量数据来验算展开长:
126.99+(101.78+11.94 )x2-4x2.1=346.03
2个展开长数据比较,存在设计误差0.01 mm。
考虑到折弯一次时两者都等于226.67,误差为零.这个精度应该可以接受。
如需更精确,可以设R=0.697,自动展开后,折弯一次和折弯4次的尺寸,都和延伸量求出的尺寸相同,误差均为零。
图2零件由于输人了精确的半径数值,因而得到准确的展开尺寸,进而为零件达到成品
精度要求,包括8个tb4.3mm孔的同轴度要求,创造了条件。
本例钣金也可用拉伸方法设计,截面一次性草绘完成,然后拉伸155.19mm。
但是草绘截面时,也要输人用上述方法得到的内半径0.7mm或外半径1.9mm,才能得到正确的展开长346.02mm。