碎石5~25mm
- 格式:xls
- 大小:20.50 KB
- 文档页数:3
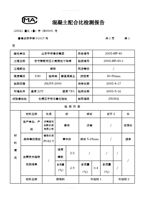
混凝土配合比检测报告(2006)量认(鲁)字(R0009)号鲁建试资字第01017号共1页第1页委托单位山东平安建设集团报告编号2008-HP-40工程名称东方美郡东区小高层地下车库检测编号2008-HP-40-1工程部位装饰抗渗等级/强度等级C30砼种类普通混凝土坍落度30-50mm检测依据JGJ55-2000送样日期2008-4-17环境条件温度22℃湿度73%检测日期2008-5-16试验室地址长清区平安办事处驻地邮政编码250306检测内容材料情况材料名称水泥砂碎石石子2水生产单位、产地济南世纪创新水泥有限公司泰安济南/饮用水品种等级规格普通水泥PO32.5黄中砂碎石5-25mm/洁净主要技术指标实测结果/细度模数2.8////含泥量(%)2.5含泥量(%)0.4含泥量(%)/材料名称掺和料外加剂1外加剂2生产单位、产地///品种规格型号///砼配合比每立方米材料用量(kg)水泥砂石子水掺和料外加剂1外加剂2 4206791174152///重量配合比1 1.50 2.250.37///水灰比养护方法坍落度(mm)砂率(%)7天强度(Mpa)28天强度(Mpa)抗渗、抗冻等级0.56标养404025.939.4/检测说明1.本试验仅对见证来样负责。
2.本配比为常温干料设计。
3.见证人:张磊封样人:李吉国批准:校核:主检:检测单位:(盖章)签发日期:2008-5-16济南市泉景建设工程检测有限公司混凝土配合比检测报告混凝土配比检测报告鲁建试资字第号共1页第1页批准:校核:主检:检测单位:(盖章)签发日期:2007-11-23济南市泉景建设工程检测有限公司混凝土配合比检测报告共1页第1页鲁建试资字第号批准:校核:主检:检测单位:(盖章)签发日期:2008-5-16济南市泉景建设工程检测有限公司瓷砖检验报告鲁建试资字第01Ⅱ22号共1页第1页批准:校核:主检:检测单位:(盖章)签发日期:2007-05-14普通混凝土用碎石、卵石检测报告鲁建试资字第号共1页第1页400表观密度(kg/)堆积密度(kg/)紧密密度(kg/)批准:校核:主检:检测单位:(盖章)签发日期:2007-10-26济南市泉景建设工程检测有限公司普通混凝土用砂检测报告鲁建试资字第号共1页第1页400表观密度(kg/)堆积密度(kg/)紧密密度(kg/)批准:校核:主检:检测单位:(盖章)签发日期:2007-10-26济南市泉景建设工程检测有限公司普通混凝土用碎石、卵石检测报告鲁建试资字第号共1页第1页表观密度(kg/)堆积密度(kg/)紧密密度(kg/)----------------------------批准:校核:主检:检测单位:(盖章)签发日期:2007-05-1济南市泉景建设工程检测有限公司精选资料。
一、设计依据普通混凝土配合比设计规程《JGJ55-2011》二、设计目的和要求(1)设计坍落度180±20mm;(2)混凝土设计强度为30MPa°三、材料(1)水泥:P.042.5,28d胶砂抗压强度48.6MPa,安定性合格;(2)砂:II区中砂,细度模数2.6;(3)碎石:最大粒径25mm,连续级配;(4)外加剂:聚竣酸高性能减水剂,固含量12%,掺量1.8%,减水率25%;(5)粉煤灰:F-H级粉煤灰,细度18.3%,需水量比99%;(6)粒化高炉矿渣粉:S95级,流动度比98%,28d活性指数101%;(7)拌和水:饮用水。
四、配合比设计计算(一)计算配制强度(fbu,O)由于缺乏强度标准差统计资料,因此根据《规程》表4.0.2选择强度标准差O为5.0MPa o表4.0.2C25-C45C5O-C55Σ 4.0 5.0 6.0根据公式fcu,02fcu,k+1.645B式中:fcu,0——混凝土试配强度(MPa)fcu,k ----- 设计强度(MPa)6 ----- 标准差,取5试配强度:fcu,0=fcu,k+l∙645σ230+1.645X5238.2(MPa)(二)混凝土水胶比(W/B)(1)确定矿物掺合料掺量应根据《规程》中表3.0.5-1的规定,并考虑混凝土原材料、应用部位和施工工艺等因素来确定矿物掺合料掺量。
表最大掺量(%)采用硅酸盐水泥采用普通硅酸盐水泥≤0.404535粉煤灰>0.404030粒化高炉矿渣≤0.406555粉>0.405545钢渣粉—3020磷渣粉—3020硅灰—1010≤0.406555复合掺合料>0.405545注:1采用其它通用硅酸盐水泥时,宜将水泥混合材掺量20%以上的混合材量计入矿物掺合料;2复合掺合料各组分的掺量不宜超过单掺时的最大掺量;3在混合使用两种或两种以上矿物掺合料时,矿物掺合料总掺量应符合表中复合掺合料的规定。
预拌混凝土碎石质量要求一、压碎值要求:预拌混凝土一般采用花岗岩,石灰石、石英石等材质人工碎石,碎石风化石和软弱颗粒含量不能太高,具体用压碎指标值试验进行测量,压碎指标值在6%-12%最好,太低碎石材质过硬,破碎出来颗粒形状不好,太高满足不了硬度要求;二、粒径大小要求:商混站泵送混凝土较多,为便于泵送施工,一般使用粒径为5-20mm或5-25mm连续级配碎石,一般采用5-10mm粒径碎石和10-20粒径碎石掺配成5-20或5-25连续级配要求,具体掺配比例通过碎石筛分试验和孔隙率试验决定,一般为3:7;三、颗粒形状要求:预拌混凝土碎石形状标准用针、片状颗粒含量衡量,即碎石中针状和片状的颗粒含量,C30-C55的混凝土要求针、片状颗粒含量小于15%,用用针片状颗粒含量试验测量;四、洁净度要求:商混用碎石的含泥量要求1%,泥块含量要求低于0.5%,并尽量不含石粉;五、下面是以上要求的具体试验方法:碎石或卵石取样及试样准备方法一、依据标准:《普通混凝土用碎石质量标准及检验方法》(JGJ52-2006)。
二、每验收批取样方法:1、在料堆上取样时,取样部位应均匀分布。
取样前先将取样部位表层铲除,然后由各部位抽取大致相等的石子16份,组成一组样品。
2、从皮带运输机上取样时,应在皮带运输机机尾的出料处用接料器定时抽取8份石子,组成一组样品。
3、从汽车上取样时,应从不同部位和深度抽取大致相等石子16份,组成一组样品。
三、若检验不合格,应重新取样,对不合格项进行加倍复验,若仍不能满足标准要求,应按不合格品处理。
四、每组样品的取样数量:1、对单一项试验,所需碎石或卵石的最小取样数量(Kg),应符合下表规定:2、须作几项试验时,如确能保证样品经一项试验后不致影响另一项试验的结果。
可用同一组样品进行几项不同的试验。
五、每组样品应妥善包装,以避免细料散失及遭受污染。
并应附有卡片标明样品编号、取样时间、产地、规格、样品量、代表数量、要求检验的项目及取样方法等。
C30混凝土配合比计算书一、设计依据1、普通混凝土配合比设计规程《JGJ55-2011》二、设计目的和要求1、设计坍落度180±20mm;2、混凝土设计强度为30MPa。
三、组成材料1、水泥:P.042.5,28d抗压强度47MPa;2、砂:II区中砂,细度模数2.7;3、碎石:5~25mm合成级配碎石(5~10mm;10~25mm=30%:70%);4、外加剂:聚羧酸高性能减水剂,掺量1.8%,减水率25%;5、粉煤灰:F-II级粉煤灰;6、粒化高炉矿渣粉:S95级;7、拌和水:饮用水。
四、配合比设计计算(1)计算配制强度(fcu,0)根据公式fcu,0≥fcu,k+1.645δ式中:fcu,0——混凝土试配强度(MPa)fcu,k——设计强度(MPa)δ——标准差,取5试配强度fcu,0=fcu,k+1.645σ=30+1.645×5=38.2(MPa)(2)混凝土水胶比(W/B)W/B=ɑa×fb/(fcu,0+ɑa×ɑb×fb)式中:ɑa,ɑb——回归系数,分别取0.53,0.20,fb——胶凝材料强度。
已知,水泥28d胶砂抗压强度为47.0MPa,方案一,粉煤灰掺量为30%,影响系数取0.75,则胶凝材料强度为:47.0×0.75=35.3MPa;方案二,矿粉、粉煤灰双掺,各掺20%,影响系数:粉煤灰取0.8矿粉取0.98。
则胶凝材料强度为:47.0×0.8×0.98=36.8MPa;由水胶比公式求得:方案一:W/B=0.53×35.3/(38.2+0.53×0.20×35.3)=0.45。
方案二:W/B=0.53×36.8/(38.2+0.53×0.20×36.8)=0.46。
(3)确定用水量碎石最大粒径为25mm,坍落度75~90mm时,查表用水量取210kg,未掺外加剂、坍落度180mm时单位用水量为:(180-90)/20×5+210=232.5kg/m3。
比重与容重
公称粒径为5~25mm 的碎石,比重:2820kg/m3 ,容重:1420kg/m3;
公称粒径为16~31.5mm的碎石,比重:2240kg/m3 ,容重:1120kg/m3;
公称粒径为5~16mm的碎石,比重:2560kg/m3 ,容重:1280kg/m3;
“容重”与“密度”的概念在理论上是一样的,只是应用的环境有所不同:
1、容重一般是工程上用的一立方的重量,即单位容积内物体的重量。
而密度应用范围很广,即“单位体积物质的质量”,液体、固体、气体都可以用。
2、容重还表示物体由于受地球引力而表现出的重力特性,对于均质流体,容重也指作用在单位体积上的重力。
有的书上用ν来表示。
在国际单位制中,其单位是:牛/立方米(如在标准状况下,空气的容重为12.70牛/立方米,其密度为1.293千克/立方米)。
3、两个量在数值上是ν=9.8ρ (近似计算ν=10ρ ),但传统单位不同。
4、类似量还有比容、比重(已不用)。
理论上是一样的,但是应用的环境稍有不同。
容重一般是工程上用的一立方的重量。
而比重和密度是一样的,但在学生课本里不用比重了,而改用密度了。
C30混凝土中碎石的容重一般是1100Kg,砂子一般是750Kg,C30混凝土的容重一般是2400Kg。
碎石的表观密度是2600-2700Kg/M3,堆积密度是1650Kg/M3;砂子的表观密度是2600Kg/M3左右,堆积密度是1450Kg/M3.。
C30混凝土配合比计算过程一、设计依据1、普通混凝土配合比设计规程《JGJ55-2011》。
2、施工图纸等相关标准。
二、设计目的和要求1、设计坍落度180±20mm。
2、混凝土设计强度为30MPa。
三、组成材料1、水泥:P.042.5,28d抗压强度47MPa。
2、砂:II区中砂,细度模数2.7。
3、碎石:5~25mm合成级配碎石(5~10mm;10~25mm=30%:70%)。
4、外加剂:聚羧酸高性能减水剂,掺量1.8%,减水率25%。
5、粉煤灰:F-II级粉煤灰。
6、粒化高炉矿渣粉:S95级。
7、拌和水:饮用水。
四、配合比设计计算1、计算配制强度(fcu,0)根据公式 fcu,0 ≥ fcu,k+1.645δ式中:fcu,0——混凝土试配强度(MPa)fcu,k——设计强度(MPa)δ——标准差,取5试配强度 fcu,0 = fcu,k+1.645σ = 30+1.645×5 = 38.2(MPa)2、混凝土水胶比(W/B)W/B = ɑa×fb/(fcu,0+ɑa×ɑb×fb)式中:ɑa,ɑb——回归系数,分别取0.53,0.20,fb——胶凝材料强度。
已知,水泥28d胶砂抗压强度为47.0MPa,【方案一】:粉煤灰掺量为30%,影响系数取0.75,则胶凝材料强度为:47.0×0.75=35.3MPa;【方案二】:矿粉、粉煤灰双掺,各掺20%,影响系数:粉煤灰取0.8矿粉取0.98。
则胶凝材料强度为:47.0×0.8×0.98=36.8MPa;由水胶比公式求得:方案一:W/B=0.53×35.3/(38.2+0.53×0.20×35.3)=0.45。
方案二:W/B=0.53×36.8/(38.2+0.53×0.20×36.8)=0.46。
3、确定用水量碎石最大粒径为25mm,坍落度75~90mm时,查表用水量取210kg,未掺外加剂、坍落度180mm时单位用水量为:(180-90)/20×5+210=232.5kg/m3。
3.1 总则3.1.1 适用范围本工艺标准适用于工业与民用建筑地面和路面采用碎石垫层碎砖垫层工程。
3.1.2 编制参考标准及规范(1)《建筑工程施工质量验收统一标准》(GB50300-2001)(2)《建筑地面工程施工质量验收规范》(GB50209-2002)3.2 术语3.2.1 基层面层下的构造层,包括填充层、隔离层、找平层、垫层和基土等。
3.2.2 垫层承受并传递地面荷载于基土上的构造层。
3.2.3 基土底层地面的地基土层。
3.3 基本规定(1)建筑地面的沉降缝、伸缩缝和防震缝,应与结构相应缝的位置一致,且应贯通建筑地面的垫层;(2)沉降缝和防震缝的宽度应符合设计要求,缝内清理干净,以柔性密封材料填嵌后用板封盖,并应与面层齐平。
3.3.7 垫层工程施工质量的检验,应符合下列规定:(1)垫层的施工质量验收应按每个施工段(或变形缝)作为检验批。
(2)每检验批应以各子分部工程的基层按自然间(或标准间)检验,抽查数量应随机检验不应少于3 间;不足3 间,应全数检查;其中走廊(过道)应以10 延长米为1 间,工业厂房(按单跨计)、礼堂、门厅应以两个轴线为1 间计算。
3.3.8 垫层工程的施工质量检验的主控项目,必须达到本标准规定的质量标准,认定为合格;一般项目80%以上的检查点(处)符合规范规定的质量要求,其他检查点(处)不得有明显影响使用,并不得大于允许偏差值的50%为合格。
凡达不到质量标准时,应按现行国家标准《建筑工程施工质量验收统一标准》(GB50300-2001)的规定处理。
3.3.9 垫层工程完工前、后,检验批及分项工程应由监理工程师(建设单位项目技术负责人)组织施工单位项目专业质量(技术)负责人等进行验收。
3.4 施工准备3 .4.1 技术准备(1)进行技术复核,基层标高、管道敷设符合设计要求,并经验收合格。
3.3.1 在垫层工程施工时,应建立质量管理体系并严格参照本施工工艺标准。
3.3.2 垫层材料应按设计要求和《建筑地面工程施工质量验收规范》(GB50209-2002)的规定选用,并应符合国家标准的规定:使用前,应报监理验收,合格后方准验收。
5-25mm碎石密度标准碎石是一种常用于建筑和道路工程中的材料,它具有坚固耐用的特点。
在施工过程中,我们会遇到各种规格和要求的碎石,其中5-25mm 碎石是一种常见的规格。
在使用碎石之前,了解5-25mm碎石的密度标准对于确保工程质量至关重要。
本文将详细介绍5-25mm碎石密度的标准。
1. 碎石密度的定义碎石的密度是指单位体积内碎石的质量,通常以“克/立方厘米”或“千克/立方米”表示。
密度直接反应了碎石的松散程度,密度越大表示碎石的紧密程度越高。
2. 5-25mm碎石密度标准的重要性碎石在道路和建筑工程中扮演着重要的角色,对于保证工程的坚固和稳定至关重要。
而在使用碎石的过程中,了解其密度标准能够确保其在工程中的正确使用。
如果碎石密度低于标准,会影响工程的承重能力和稳定性;如果碎石密度高于标准,会增加成本和资源浪费。
3. 5-25mm碎石密度标准的要求根据相关标准规定,5-25mm碎石的密度标准应在1.4克/立方厘米(千克/立方米)到1.6克/立方厘厘米(千克/立方米)之间。
该标准是根据实际工程需要和碎石的物理特性而确定的,能够保证工程的质量和稳定性。
4. 影响5-25mm碎石密度的因素碎石密度受多种因素的影响,主要包括碎石的成分、形状和粒度等。
不同种类的碎石具有不同的物理特性,因此其密度也会有所差异。
在5-25mm碎石中,细碎石的密度通常比较大,而大块石料的密度相对较小。
此外,碎石的形状也会对其密度产生一定的影响。
具有平整表面的碎石比较紧密,密度相对较大;而具有不规则形状的碎石密度相对较小。
碎石粒度的大小也会对其密度产生一定的影响。
通常情况下,相同质量的较细碎石比较厚的石块密度要大,因为细碎石之间的空隙较小,紧密程度较高。
5. 测量5-25mm碎石密度的方法测量5-25mm碎石的密度可以采用实验室测试或现场测试的方法。
实验室测试方法通常使用一定体积的碎石进行称重,然后通过计算得到碎石的密度。
现场测试方法一般使用密度测定仪器,例如剖面密度计。
碎石回填方案
铺设碎石前先检验基土土质,清除松散土、积水、污泥、杂质.并打底夯两遍,使表土密实。
在墙面弹线,在地面设标桩,找好标高、挂线,作控制铺填厚度的标准。
碎石垫层的厚度不应小于100mm,垫层应分层压(夯)实,达到表面坚实、平整。
碎石铺时接线由一端向另一端铺设,摊铺均匀,不得有粗细颗粒分离现象,表面空隙应,以粒径为5~25mm 的细碎石填补。
铺完一段,压实前洒水使表面湿润。
小面积房间采用蛙式打夯机夯实,不少于三遍;大面积采用小型振动压路机压实,不少于四遍,均夯(压)至表面平整不松动为止。
夯实后的厚度不应大于虚铺厚度的3/4。
基土表面与碎石之间应先铺一层5~25mm 碎石。
粗砂层,以防局部土下陷或软弱。
混凝土碎石质量要求一、压碎值要求:预拌混凝土一般采用花岗岩,石灰石、石英石等材质人工碎石,碎石风化石和软弱颗粒含量不能太高,具体用压碎指标值试验进行测量,压碎指标值在6%-12%最好,太低碎石材质过硬,破碎出来颗粒形状不好,太高满足不了硬度要求;二、粒径大小要求:商混站泵送混凝土较多,为便于泵送施工,一般使用粒径为5-20mm或5-25mm连续级配碎石,一般采用5-10mm粒径碎石和10-20粒径碎石掺配成5-20或5-25连续级配要求,具体掺配比例通过碎石筛分试验和孔隙率试验决定,一般为3:7;三、颗粒形状要求:预拌混凝土碎石形状标准用针、片状颗粒含量衡量,即碎石中针状和片状的颗粒含量,C30-C55的混凝土要求针、片状颗粒含量小于15%,用用针片状颗粒含量试验测量;四、洁净度要求:商混用碎石的含泥量要求1%,泥块含量要求低于0.5%,并尽量不含石粉;五、下面是以上要求的具体试验方法:碎石或卵石取样及试样准备方法一、依据标准:《普通混凝土用碎石质量标准及检验方法》(JGJ52-2006)。
二、每验收批取样方法:1、在料堆上取样时,取样部位应均匀分布。
取样前先将取样部位表层铲除,然后由各部位抽取大致相等的石子16份,组成一组样品。
2、从皮带运输机上取样时,应在皮带运输机机尾的出料处用接料器定时抽取8份石子,组成一组样品。
3、从汽车上取样时,应从不同部位和深度抽取大致相等石子16份,组成一组样品。
三、若检验不合格,应重新取样,对不合格项进行加倍复验,若仍不能满足标准要求,应按不合格品处理。
四、每组样品的取样数量:1、对单一项试验,所需碎石或卵石的最小取样数量(Kg),应符合下表规定:2、须作几项试验时,如确能保证样品经一项试验后不致影响另一项试验的结果。
可用同一组样品进行几项不同的试验。
五、每组样品应妥善包装,以避免细料散失及遭受污染。
并应附有卡片标明样品编号、取样时间、产地、规格、样品量、代表数量、要求检验的项目及取样方法等。
乡村道路级配碎石基层配比标准下载提示:该文档是本店铺精心编制而成的,希望大家下载后,能够帮助大家解决实际问题。
文档下载后可定制修改,请根据实际需要进行调整和使用,谢谢!本店铺为大家提供各种类型的实用资料,如教育随笔、日记赏析、句子摘抄、古诗大全、经典美文、话题作文、工作总结、词语解析、文案摘录、其他资料等等,想了解不同资料格式和写法,敬请关注!Download tips: This document is carefully compiled by this editor. I hope that after you download it, it can help you solve practical problems. The document can be customized and modified after downloading, please adjust and use it according to actual needs, thank you! In addition, this shop provides you with various types of practical materials, such as educational essays, diary appreciation, sentence excerpts, ancient poems, classic articles, topic composition, work summary, word parsing, copy excerpts, other materials and so on, want to know different data formats and writing methods, please pay attention!乡村道路级配碎石基层配比标准引言乡村道路的建设是农村发展的重要组成部分,而道路的基层材料选择及其配比标准直接影响道路的使用寿命和承载能力。