高分子湿敏电阻规格书
- 格式:pdf
- 大小:149.42 KB
- 文档页数:3
CHR-01阻抗型高分子湿度传感器(湿敏电阻)产品规格书一.应用范围:本资料适用于阻抗型高分子湿度传感器,型号CHR-01二.外型尺寸及内部结构示意图:1—外壳(ABS) 2—基片(AL2O3) 3—电极4—感湿材料5—引脚三.电性能参数表1* 元件使用在(85 - 120℃)时,需在高温下标定,器件外壳需另制** 25℃标准曲线见图2 *** 0-60℃阻抗特性数据见表2及图3表2:0~60℃湿度阻抗特性数据单位: KΩ* 所有数据均由LCR数字电桥在1VAC/1KHZ测试所得。
四、应用电路建议1、如使用模拟电路,建议将湿度信号变为电压信号输出,请向厂家索取。
2、可采用555时基或RC振荡电路,将湿度传感器等效为阻抗值,测量振荡频率输出,振荡频率在1K Hz左右,(在60%RH,25℃)(建议串联电容采用温度系数低,精度在±5% J级有机聚合物电容,例如涤纶或聚丙烯类电容)3、对于采用单片机电路采集信号,可参考厂家提供的《湿度传感器单片机应用指南》五.引用标准GB/T15768-95 电容式湿敏元件及湿度传感器总规范SJ/T10431-93 湿敏元件用湿度发生器和湿度测试方法SJ20760-99 高分子湿度传感器总规范六.注意事项1.不要对元件使用直流电源,检测时请使用电桥阻抗(LCR)测试设备2.避免硬物或手指直接接触元件表面,以免划伤或污染敏感膜3.焊接时温度不能过高(<180℃,2S 膜表面),使用低温烙铁或用镊子保护4.尽量避免在以下环境中直接使用:盐雾,腐蚀性气体:强酸(硫酸,盐酸),强碱,有机溶剂(酒精,丙酮等)5.推荐储存条件:温度:10℃~40℃ 湿度:20%RH --60%RH图2110100100020%30%40%50%60%70%80%90%100%相对湿度(%RH)图2:25℃下湿度阻抗特性图阻抗(K Ω)图3110100100020%30%40%50%60%70%80%90%100%相对湿度(%RH)图3:0~60℃湿度阻抗特性图阻抗(K Ω)。
湿敏电阻是利用湿敏材料吸收空气中的水分而导致本身电阻值发生变化这一原理而制成的。
1、半导体陶瓷湿敏元件铬酸镁-二氧化钛陶瓷湿敏元件是较常用的一种湿度传感器,它是由MgCr2O4-TiO2固熔体组成的多孔性半导体陶瓷。
这种材料的表面电阻值能在很宽的范围内随湿度的增加而变小,即使在高湿条件下,对其进行多次反复的热清洗,性能仍不改变。
该元件采用了MgCr2O4-T iO2多孔陶瓷,电极材料二氧化钌通过丝网印制到陶瓷片的两面,在高温烧结下形成多孔性电极。
在陶瓷片周围装置有电阻丝绕制的加热器,以450、1min对陶瓷表面进行热清洗。
湿敏电阻的电阻-相对湿度特性曲线如图2.5.1所示。
图电阻-湿度特性曲线图是这种湿敏元件应用的一种测量电路。
图中R为湿敏电阻,为温度补偿用热敏电阻。
为了使检测湿度的灵敏度最大,可使R=。
这时传感器的输出电压通过跟随器并经整流和滤波后,一方面送入比较器1与参考电压U1比较,其输出信号控制某一湿度;另一方面送到比较器2与参考电压U2比较,其输出信号控制加热电路,以便按一定时间加热清洗。
图湿敏电阻测量电路方框图2、氯化锂湿敏电阻图是氯化锂湿敏电阻的结构图。
它是在聚碳酸酯基片上制成一对梳状金电极,然后浸涂溶于聚乙烯醇的氯化锂胶状溶液,其表面再涂上一层多孔性保护膜而成。
氯化锂是潮解性盐,这种电解质溶液形成的薄膜能随着空气中水蒸汽的变化而吸湿或脱湿。
感湿膜的电阻随空气相对湿度变化而变化,当空气中湿度增加时,感湿膜中盐的浓度降低。
图氯化锂湿敏电阻结构图是一种相对湿度计的电原理框图。
测量探头由氯化锂湿敏电阻和热敏电阻组成,并通过三线电缆接至电桥上。
热敏电阻是作为温度补偿用,测量时先对指示装置的温度补偿进行适当修正,将电桥校正至零点,就可以从刻度盘上直接读出相对湿度值。
电桥由分压电阻组成两个臂,另外,和或和组成另外两个臂。
电桥由振荡器供给交流电压。
电桥的输出经放大器放大后,通过整流电路送给电流表指示。
特点:湿敏电阻(湿敏传感器)是在导电半导体陶瓷基片上涂履一层高分子感湿膜,与空气中相对湿度变化导致电阻值系数变化原理。
应用于数字式温湿度表、电子温湿度计、加湿机、抽湿机、空调、气象测量场合。
优点:具有良好的灵敏感应特性、防水性、稳定性、高精度、低飘移,工业级,可替代日本韩国等同类进口产品。
SHR01-313K特点:湿敏电阻(湿敏传感器)是在导电半导体陶瓷基片上涂履一层高分子感湿膜,与空气中相对湿度变化导致电阻值系数变化原理。
应用于数字式温湿度表、电子温湿度计、加湿机、抽湿机、空调、气象测量场合。
优点:具有良好的灵敏感应特性、防水性、稳定性、高精度、低飘移,工业级,可替代日本韩国等同类进口产品。
特点:湿敏电阻(湿敏传感器)是在导电半导体陶瓷基片上涂履一层高分子感湿膜,与空气中相对湿度变化导致电阻值系数变化原理。
应用于数字式温湿度表、电子温湿度计、加湿机、抽湿机、空调、气象测量场合。
优点:具有良好的灵敏感应特性、防水性、稳定性、高精度、低飘移,高性价比,可替代日本神荣、北陆、韩国等同类进口产品。
SHR02-313K特点:湿敏电阻(湿敏传感器)是在导电半导体陶瓷基片上涂履一层高分子感湿膜,与空气中相对湿度变化导致电阻值系数变化原理。
应用于数字式温湿度表、电子温湿度计、加湿机、抽湿机、空调、气象测量场合。
优点:具有良好的灵敏感应特性、防水性、稳定性、高精度、低飘移,高性价比,可替代日本神荣、北陆、韩国进口等同类产品。
特点:湿敏电阻(湿敏传感器)是在导电半导体陶瓷基片上涂履一层高分子感湿膜,与空气中相对湿度变化导致电阻值系数变化原理。
应用于数字式温湿度表、电子温湿度计、加湿机、抽湿机、空调、气象测量场合。
优点:具有良好的灵敏感应特性、防水性、稳定性、高精度、低飘移,高性价比,可替代日本神荣、北陆、韩国进口等同类产品。
特点:电容式温湿度模块是将湿度传感器非线性电阻值转换为线性电压信号输出,体积小,使用方便,精度高。
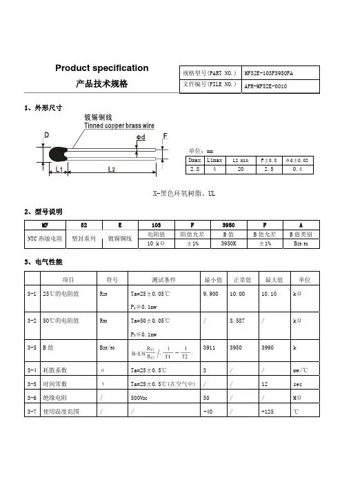
直热式负温度系数热敏电阻器规格书Directly heated negative temperature coefficient thermistorsNTC Specification客户名称 CUSTOMER NAME产品名称 PART NAME MF72 NTC热敏电阻产品规格 PART NUMBER NTC5D-20签发日期 ISSUE DATE2024-10-09确认CONFIRM特殊要求(承认书其它页内容与此表不一致时,以此表为准)产品规格代码和应用范围及特点PartNumber and Application Range and Characteristics一、产品规格代码 PARTNUMBER二、应用范围及特点Application Range and Characteristics1、产品特点 FeatureofPowerThermistor1.1应用范围 Appliaction1.2特点 Characteristic○转换电源,开关电源,UPS电源○Switchingpower-supply,switchpower,upspower ○镇流器及各类加热器 ○Electronicenergysavinglampselectronicballast and all kindsofelectricheater ○各类显像管,显示器 ○AllkindsofRT,display ○电子节能灯,其他照明灯具○Bulbandotherlightinglamps○体积小,功率大,抑制浪涌电流能力强○Smallsize,largepower,strongcapacityof suppressionofinrushcurrent ○反应速度快○Fastresporse○材料常数(B值)大,残余电阻小○Bigmaterialconstant(Bvalue),small residualresistance ○寿命长,可靠性高○Longlifeandhighreliability ○系列全,应用范围宽○Completeseries,wideapplications外型尺寸及材料和电性能External dimensions and material and electrical properties一、外型尺寸及相关标准External dimensions and relevant standards3 产品尺寸 Product size4 材料 Materials(1)封装材料(Wrapper) :酚醛树脂(Modified phenolic resin)(2)引线(Down-lead) :CP线(CP Wire)(3)颜色(Coating color):黑色(Black)二、电性能Electrical performance1 引线形状 Lead the shape2 产品标识 Product identificationNTC 5D-20NTC负温度系数热敏电阻器 NTCthermistor 5额定零功率电阻值 5ΩD 圆片型Disk-Type20直径 20±1(mm)型号Part NoD maxT maxd ±0.05F ±1P max直引线StraightLead WireL 5D-2022.56 1.010/7.5420型号R25(Ω)最大稳态电流(A)残余电阻(Ω)耗散系数(mw/℃)热时间常数(s)最大允许使用容量值240V/120V(μF)B值(K)工作温度(℃)认证UL/CULCQCTUV5D-20570.087约24约113820/33002800-40~ +200pass pass pass产品结构、材料及制造工艺流程Product structure, materials and manufacturing process flow 一、NTC 热敏电阻产品结构 NTC Thermisto Product structure二、材料 Materials三、制造工艺流程 Manufacturing process flowMF72型NTC热敏电阻工艺流程图备注:所有工序工人必须自检.产品阻温特性及静态伏安特性Resistance-Temperature Characteristic and Staracteristic 一、产品阻温特性Resistance-Temperature Characteristic二、静态伏安特性Staracteristic热敏电阻技术术语及安全可靠性properties of products一、HEL热敏电阻技术术语二、电气性能 Electrical Characteristics三、机械性能Mechanical Characteristics四、可靠性试验Reliability Test包装方式Packing methods 一、散装式样 BULK STYLE(1)常规产品包装Normal product packaging(2)切脚产品包装 Cut the feet product packaging二、编带包装式样Packing style编带尺寸Tape size存储条件Storage condition1 存贮环境条件2 请不要在下列条件下使用本元件,否则将可能导致性能衰退或产品损毁,甚至引起火灾。
湿敏电阻及其参数
湿敏电阻是一种对环境温度敏感的元件,它的电阻值能随着环境的相对温度变化而变化。
湿敏电阻在电路中的文字符号用字母“R"或者”RS“表示。
湿敏电阻的主要参数
湿敏电阻的主要参数有相对湿度、温度系数、灵敏度、测湿范围、湿滞效应、响应时间等。
1、相对湿度是指在某一温度下,空气中所含水蒸气的实际密度与同一温度下饱和密度之比,通常用”RH“表示。
例如:20%RH,则表示空气相对湿度20%。
2、湿度温度系数是指在环境湿度恒定时,湿敏电阻在温度每变化1℃时其湿度指示的变化量。
3、灵敏度是指湿敏电阻检测湿度时的分辨率。
4、湿滞效应是指湿敏电阻在吸湿和脱湿过程中电器参数表现的滞后现象。
5、响应时间是指湿敏电阻在湿度检测环境快速变化时,其电阻值的变化情况(反应速度)。
产品简介优良的线性高性价比能耗低测量范围宽响应迅速抗污染能力强性能稳定HR202湿敏电阻是采用有机高分子材料的一种新型的湿度敏感元件,感湿范围宽,长期使用性能稳定,可以应用于仓储、车厢、居室内空气质量控制、楼宇自控、医疗、工业控制系统及科研领域等广泛的应用。
技术参数工作范围:20…95%RH 0…60℃供电电压:1.5V AC(Max 正弦波)工作频率:500Hz…2KHz额定功率:0.2mW(Max 正弦波)中心值(at25℃1KHz 1V AC 60%RH正弦波):31.0kΩ阻抗范围(at25℃1KHz 1V AC 60%RH正弦波):19.8…50.2kΩ湿度检测精度:±5%RH湿敏电阻器是一种对环境温度敏感的元件,它的电阻值能随着环境的相对温度变化而变化。
湿敏电阻器在电路中的文字符号用字母“R”或“RS”表示,图1-28是其电路图形符号。
(一)湿敏电阻器的结构特性及应用1.湿敏电阻器的结构特性湿敏电阻器一般由基体、电极和感温层等组成,如图所示。
有的湿敏电阻器还设有防尘外壳。
基体采用聚碳酸酯板、氧化铝、电子陶瓷等不吸水、耐高温的材料制成。
感湿层为微孔型结构,具有电解质特性。
根据感湿层使用的材料和配方不同,它分为正电阻湿度特性(即湿度增大时,电阻值减小)。
2.湿敏电阻器的应用湿敏电阻器广泛应用于洗衣机、空调器、录像机、微波炉等家用电器及工业、农业等方面作湿度检测、湿度控制用。
湿敏电阻器的应用电路3湿敏电阻器的主要参数湿敏电阻器的主要参数有相对湿度、温度系数、灵敏度、测湿范围、湿滞效应、响应时间等。
1.相对温度相对湿度是指在某一温度下,空气中所含水蒸气的实际密度与同一温度下饱和密度之比,通常用“RH”表示。
例如:20%RH,则表示空气相对湿度为20%。
2.湿度温度系数湿度温度系数是指在环境湿度恒定时,湿敏电阻器在温度每变化1℃时,其湿度指示的变化量。
3.灵敏度灵敏度是指湿敏电阻器检测湿度时的分辨率。
n 特点1. 满足 RoHS 要求2. 径向引线型3. 最适合工业领域使用的自复性装置4. 维持电流从 0.1 到 3.75A5. 最大工作电压60V6. 工作温度范围﹕-40 ~ +85℃7. 认证﹕UL /cUL/TUVn 用途1. 马达﹑风扇﹑吹风机2. 键盘/鼠标3. 变压器4. 工业控制设备5. 汽车电子n 编码规则n 尺寸K R G 0 6 0 0 1 3 5 I B Y 12345678910111213141516A B C D E F型号Max. Max. Typ. Typ. Max. Typ.KRG0600010 7.4 12.7 5.0±0.8 10.5±0.5 3.0 0.5±0.02 KRG0600017 7.4 12.7 5.0±0.8 10.5±0.5 3.0 0.5±0.02 KRG0600020 7.4 12.2 5.0±0.8 10.5±0.5 3.0 0.5±0.02 KRG0600025 7.4 12.7 5.0±0.8 10.5±0.5 3.0 0.5±0.02 KRG0600030 7.4 13.0 5.0±0.8 10.5±0.5 3.0 0.5±0.02 KRG0600040 7.6 13.5 5.0±0.8 10.5±0.5 3.0 0.5±0.02 KRG0600050 7.6 13.7 5.0±0.8 10.5±0.5 3.0 0.5±0.02 KRG0600065 9.7 14.5 5.0±0.8 10.5±0.5 3.0 0.5±0.02 KRG0600075 10.4 15.2 5.0±0.8 10.5±0.5 3.0 0.5±0.02 KRG0600090 11.7 15.7 5.0±0.8 10.5±0.5 3.0 0.5±0.02 KRG0600110 13.0 18.0 5.0±0.8 11.0±0.8 3.0 0.8±0.02 KRG0600135 14.5 19.6 5.0±0.8 11.0±0.8 3.0 0.8±0.02 KRG0600160 16.3 21.3 5.0±0.8 11.0±0.8 3.0 0.8±0.02 KRG0600185 17.8 22.9 5.0±0.8 11.0±0.8 3.0 0.8±0.02 KRG0600250 21.3 26.4 10.0±0.8 11.0±0.8 3.0 0.8±0.02 KRG0600300 24.9 30.0 10.0±0.8 11.0±0.8 3.0 0.8±0.02 KRG0600375 28.4 33.5 10.0±0.8 11.0±0.8 3.0 0.8±0.02n特性(23℃)最大工作电压Vmax. 最大故障电流Imax.维持电流Ihold@23℃动作电流Itrip@23℃功率耗损Pd(Typ.)在特定电流下最大动作时间阻值(Ω) 安规认证初始电阻(Ri)动作或焊接1小时后最大电阻(R1)型号(V dc) (A) (A) (A) (W) (A) (Sec.)Min. Max. MaxUL/cUL TUVKRG0600010 60 40 0.10 0.20 0.38 0.50 4.0 2.500 4.500 7.50 √√KRG0600017 60 40 0.17 0.34 0.48 0.85 3.0 3.300 5.210 8.00 √√KRG0600020 60 40 0.20 0.40 0.41 1.00 2.2 1.830 2.750 4.40 √√KRG0600025 60 40 0.25 0.50 0.45 1.25 2.5 1.250 1.950 3.00 √√KRG0600030 60 40 0.30 0.60 0.49 1.50 3.0 0.880 1.330 2.10 √√KRG0600040 60 40 0.40 0.80 0.56 2.00 3.8 0.550 0.860 1.29 √√KRG0600050 60 40 0.50 1.00 0.77 2.50 4.0 0.500 0.770 1.17 √√KRG0600065 60 40 0.65 1.30 0.88 3.25 5.3 0.310 0.480 0.72 √√KRG0600075 60 40 0.75 1.50 0.92 3.75 6.3 0.250 0.400 0.60 √√KRG0600090 60 40 0.90 1.80 0.99 4.50 7.2 0.200 0.310 0.47 √√KRG0600110 60 40 1.10 2.20 1.50 5.50 8.2 0.150 0.250 0.38 √√KRG0600135 60 40 1.35 2.70 1.70 6.75 9.6 0.120 0.190 0.30 √√KRG0600160 60 40 1.60 3.20 1.90 8.00 11.4 0.090 0.140 0.22 √√KRG0600185 60 40 1.85 3.70 2.10 9.25 12.6 0.080 0.120 0.19 √√KRG0600250 60 40 2.50 5.00 2.50 12.50 15.6 0.050 0.080 0.13 √√KRG0600300 60 40 3.00 6.00 2.80 15.00 19.8 0.040 0.060 0.10 √√KRG0600375 60 40 3.75 7.50 3.20 18.75 24.0 0.030 0.050 0.08 √√备注1﹕UL&cUL 文件编号E138827TUV 文件编号. R50066618备注2﹕可根据客户要求生产其它Vmax等级产品。
湿敏传感器——湿敏电阻实验
一、实验原理:
高分子湿敏电阻主要是使用高分子固体电解质材料作为感湿膜,由于膜中的可动离子产生导电性,随着湿度的增加,电离作用增强,可动离子的浓度增大,电极间电阻减小,反之,电极间的电阻增大,通过测量湿敏电阻值的变化,就可得到相应的湿度值。
实验所需部件:
湿敏电阻、公共实验模块(一)(二)、音频信号源、示波器、电压表
二、实验步骤:
1、连接主机与实验模块的电源和传感器接口,观察湿敏电阻结构,转换电
端接电压表。
路输出V
2、开启主机电源,按图(14)接好测试线路,音频信号1KHZ、幅度≦2V,低通滤波器输出端接电压表,示波器接相敏检波器③端。
3、调节电桥WD电位器及移相器,使电压表指示为零,差动放大器增益可根据系统输出大小调节。
4、轻轻用嘴对湿敏电阻吹气,观察相敏检波器③端波形及低通滤波器输出电压的变化。
5、近距离对传感器呵气,观察系统输出最大时相敏检波器③端的波形及恢复过程,由此大致判断传感器的吸湿和脱湿时间。
6、试将湿敏电阻接入湿敏电容模块做实验二十六内容,比较两种实验结果。
注意事项:
给传感器表面不能直接接触水分,不能用硬物碰擦,以免损伤感湿膜。
激励信号必须从音频180°端口接入,信号幅度严格限定≦VP-P2V。
避免用直流信号作为激励源,以免传感器极化。
Specification sheet ref CA02-006/CA02-007 (page 1 of 2)H u m i d i t y S e n s o rModel. C5-M3 & C7-M3The SHINYEI HUMENT Type HPR-MQ is a humidity device formed by distributing a humidity sensitive macro-molecule onto an electrode substrate. The resistance of the device varies exponentially with variation on Relative Humidity.ApplicationFeatureWide humidity operating range Air-conditioner, Humidifier, DehumidifierOutstanding repeatability Humidity Controller, Humidity TransmitterLong-term stability Hygrometer, Hygro-recorderLow hysteresis Copying machineSmall and light-weight Clock, Weather-forecast barometerCharacteristicsModel C5-M3 C7-M3 Humidity Sensor element Shinyei Hument HPR-MQ-M3Rated Voltage 5 VAC (Max.)Rated Power 5mW. AC (Max.)Operating Temperature Range -20 to 60deg. C -20 to 70deg. C Operating Humidity Range 95%rh or lessStandard Humidity Resistance 31k Ohm (at 25deg. C, 60%rH, 1kHz)Humidity Measurement Accuracy +/-5%rh(at 25deg. C, 60%rh, 1kHz)+/-3.5%rh(at 25deg. C, 60%rh, 1kHz) is available Temperature Dependence 0.6%rh/deg. CMaterial of Sensor Housing ABSColor of Sensor Housing White IvoryDimension 6.8 x 24.8 x 3.6 mm 10 x 27.5 x 5 mmSpecification sheet ref CA02-006/CA02-007 Page 2 of 2Configuration (Dimensions in mm)C5-M3 C7-M3Nominal Characteristics<Frequency Characteristics><Temperature Characteristics>Remark; We have the right to revise specifications and product configurations without notice.Caution for use! Avoid condensation and drenching.! Avoid application of the Humidity Sensor in the salt, inorganic gases and organic gases.(LCRmeter)Wave :sineVolt.:1VACTemp.:25℃H u m i d i t y S e n s o r r e s i s t a n c e 〔Ω〕Relative Humidity 〔%RH〕10kHz1kHz100Hz4567101010103103040506070809020Relative Humidity 〔%RH〕H u m i d i t y S e n s o r R e s i s t a n c e 〔Ω〕Wave:正弦波Freq.:1kHz(LCRmeter)Volt.:1VAC60℃50℃40℃30℃25℃20℃10℃0℃456710101010310。
湿敏电阻的基本参数
湿敏电阻是一种能够感应环境中湿度变化的电阻,常用于湿度传感器中。
其基本参数包括:
1. 阻值范围:湿敏电阻的阻值范围一般在几十到几百兆欧姆之间。
2. 湿度灵敏度:湿敏电阻对湿度的灵敏度是指其阻值随着湿度变化的幅度。
一般来说,湿敏电阻的湿度灵敏度越高,其阻值对湿度的变化就更为敏感。
3. 温度系数:湿敏电阻的阻值随温度的变化也会发生改变,这种变化与温度系数相关。
温度系数越小,湿敏电阻的阻值对温度变化的影响就越小。
4. 饱和湿度:湿敏电阻能够感应的湿度范围一般是从干燥到饱和湿度。
饱和湿度是指环境中湿度最高时的湿度值。
5. 响应时间:湿敏电阻对湿度的变化需要一定的时间才能产生响应,这个时间就是响应时间。
响应时间越短,湿敏电阻对湿度的变化就更为及时。
以上是湿敏电阻的基本参数,这些参数的不同也会影响湿敏电阻在实际应用中的效果。
- 1 -。
湿敏电阻器HR31 产品手册更多详情请登陆:一、产品概述HR31温湿度计用新型湿敏电阻是采用有机高分子材料的一种新型湿度敏感元件,具有感湿范围宽,响应迅速,抗污染能力强,无需加热清洗及长期使用性能稳定可靠等诸多特点。
外形尺寸(单位:mm)二、应用范围电子、制药、粮食、仓储、烟草、纺织、气象等行业。
温湿度表、加湿器、除湿机、空调、微波炉等产品。
三、产品亮点外型美观、长期稳定性好、标准工业尺寸、温湿度测量范围宽、高低温湿度测量精确。
四、电路图五、产品参数定额电压:1.5V AC (Max,正弦波)定额功率:0.2mW (Max,正弦波)工作频率:500Hz~2kHz使用温度:0~60℃使用湿度:95%RH以下(非结露)湿滞回差:≤2%RH响应时间:吸湿, ≤20S;脱湿≤40S稳定性:≤1%RH/年湿度检测精度:≤±5%RH相对湿度条件:at25℃1kHz 1V AC (正弦波) 湿度:60%RH中心值:31 KΩ阻抗值范围:19.8~50.2 KΩ湿度检测精度:±5%RH六、标准检定条件大气中、温度25℃、测定频率数1kHz 、测定电压1V AC(正弦波)作为基准。
特性测定,测定前先把湿度传感器放入25℃/ 0%RH的干燥空气中放置30分钟,湿度发生装置发生湿度60%RH ,放入湿度传感器15分钟后测定阻抗值。
测定装置:分流式湿度发生装置:AHR-1型LCR电桥:TH2810A测定用线:1芯屏蔽线稳定性测试:规格值以60%RH 湿度变化量为基准。
各试验完毕后,湿度传感器在常温常湿的正常空气中放置24小时后、测定出其湿度变化量。
七、相对湿度-阻抗特性八、电气阻抗R(KΩ)九、示例代码/**********************单片机:SN8P2501B晶振:内置16M 4分频子程序说明:__interrupt IntIn() 为定时器中断函数StartOneTImeSample(void) 执行一次检测操作**********************/typedef struct{unsigned char u8WihtchIOCharge;unsigned long u16ChargeTimeIo; //固定电阻充电时间unsigned long u16ChargeTimeHumi; //湿度电阻充电时间}ChargeTyPe;#define CHARGE_HUMIDITY_IO_HIGH() FP21 = 1#define CHARGE_HUNIDITY_IO_LOW() FP21 = 0#define CHARGE_IO_HIGH() FP20 = 1#define CHARGE_IO_LOW() FP20 = 0#define CHARGE_IO_HI() P2M = 0X00#define F_data 20__interrupt IntIn(){WDTR = 0X5A; //看门狗T0C = F_data;m_st_ChargeType.u8WihtchIOCharge++;if(m_st_ChargeType.u8WihtchIOCharge&0x80) //湿充电{if(m_st_ChargeType.u8WihtchIOCharge >= 0x84) //高低脉冲比例3:1{CHARGE_HUNIDITY_IO_LOW();m_st_ChargeType.u8WihtchIOCharge = 0x80;}else if(m_st_ChargeType.u8WihtchIOCharge >= 0x81){CHARGE_HUMIDITY_IO_HIGH();}}else{if(m_st_ChargeType.u8WihtchIOCharge == 0x01)//标准充电{CHARGE_IO_HIGH();}else if(m_st_ChargeType.u8WihtchIOCharge == 0x04)//高低脉冲比例3:1{CHARGE_IO_LOW();m_st_ChargeType.u8WihtchIOCharge = 0x00;}}m_st_ChargeType.u16ChargeTimeIo++;FT0IRQ = 0; //clear t0 irq flag}void StartOneTImeSample(void){CHARGE_IO_HI(); //P1口转为输入当作高阻m_st_ChargeType.u16ChargeTimeIo = 0; //变量初始化if(m_st_ChargeType.u8WihtchIOCharge&0x80){FP21M = 1; //输出CHARGE_HUNIDITY_IO_LOW();}else{FP20M = 1; //输出CHARGE_IO_LOW();}delay1N(2); //延时等待端口稳定T0C = F_data; //记数值从新装载FT0ENB = 1;// //开定时器自动进行测量while(1){if(FP22) //检测充电门限{FT0ENB = 0;// 门限到,关定时器if(m_st_ChargeType.u8WihtchIOCharge&0x80)//记录湿度敏电阻充电时间{m_st_ChargeType.u16ChargeTimeHumi =m_st_ChargeType.u16ChargeTimeIo;}break;}}P2M = 0X23;P2 = 0X00;//放电FP22M = 1;FP22 = 0;delay1N(100);FP22M = 0;}十、许可证协议未经版权持有人的事先书面许可,不得以任何形式或者任何手段,无论是电子的还是机械的(其中包括影印),对本手册任何部分进行复制,也不得将其内容传达给第三方。
湿度传感器HGL12A产品手册一、产品概述本产品为电阻型高分子湿度传感器(HGL12A),具备功能,具有响应速度快、湿滞小、性能稳定可靠,一致性、互换性好的特点。
产品特性与行业主流湿度传感器兼容。
二、外型尺寸单位:mm(±0.5)三、应用领域家电行业:空调、加湿设备、除湿设备、空气清新机等电器;工业农业:大气环境检测、工业过程控制、测量仪表、大棚种植、仓储、食品保鲜等。
礼品行业:温湿度计、电子万年历、电波钟(RCC)、数码相框、家庭气象站等;四、型号规格型号HGL12A;产品符合ROHS环保要求。
五、电气性能5.1、工作电压、频率工作电压:Vpp≤5.5V/AC;工作频率:0.5~2k Hz;5.2、工作温湿度工作温度:0~50℃;工作湿度:20~95%RH;5.3、稳定性、温度特性稳定性:≤2%RH/年;温度特性:≤0.5%RH/℃;5.4、湿度检测精度测量精度:≤±3%RH;5.5、响应速度响应时间:≤20秒六、标准检定条件6.1、温度25℃(±1℃),测定频率1KHZ,设定工作电压为1V/AC(正弦波);6.2、检测设备为交流电桥(LCR)(备注:不能使用普通万用表电阻档测试);6.3、采用恒湿发生装置:恒湿交变箱(HG-1型)。
七、产品阻抗湿度特性数据表参考附件1、2八、可靠性测试标准测试条件:环境温度25℃、测定频率数1kHz、测定电压1V/AC(正弦波)作为基准。
特性测定,测定前先把湿度传感器放入25℃/30%RH的干燥空气中放置30分钟,湿度发生装置发生湿度60%RH,放入湿度传感器30分钟后测定阻抗值。
测试装置:LCR电桥(TH2810),恒温恒湿实验箱,手持ROTRONIC高精度温湿度表(±1%RH)序号项目试验方法标准值1引脚强度10N垂直外壳方向拉引脚10秒无破损、引脚脱落,电气性能正常2耐冲击性硬质地板上1m高,自由跌落3次无破损、引脚脱落,电气性能正常3耐震动性频率10~55Hz、振幅1.5mm(10~55~10Hz)向X-Y-Z方向分别2小时振动无破损、引脚脱落,电气性能正常4耐焊接性把传感器引脚浸入350度锡槽中,5秒钟拿起,反复2次;±5%RH以内5耐寒性温度-10℃以下空气中放置1000小时±5%RH以内6耐湿性温度50℃、湿度90%RH空气中放置1000小时±5%RH以内7温度循环-10℃放置30分钟,升温到50℃/60%RH,放置30分钟;循环100次±5%RH以内8湿度循环25℃,30%RH放置30分钟,转入90%RH放置30分钟,循环100次±5%RH以内9耐溶剂常温下,将传感器放置于有机气体、酒精和丙酮空气中放置30分钟±5%RH以内10通电放置一般室内(常温常湿)1kHz,5Vpp方波,连续1000小时放置±5%RH以内备注:1.标准值为(25℃,60%RH)环境下所测定湿敏电阻的阻抗;2.每项可靠性试验后,把传感器放置在常温常湿的空气,放置24小时后再测量其阻抗变化对应的湿度偏差。
DHR01-3035型 高分子高分子湿敏电阻湿敏电阻湿敏电阻规格规格规格说明说明说明书书一、原理阻抗型高分子湿度传感器(湿敏电阻), 采用功能高分子膜涂敷在带有导电电极陶瓷衬底上,形成阻抗随相对湿度变化成对数变化的敏感部件,导电机理为水分子的存在影响高分子膜内部导电离子的迁移率。
二、应用适合电气电力设备、仪器仪表、除湿加湿设备、电子温湿表、制冷、干燥、气象等需湿度测量的场所。
三、特性高精度,高可靠,高耐水性,高、低湿适应性; 稳定,低漂移,反应快速。
四、电气规格工作电压 1V AC(50Hz ~ 2 K Hz) 检测范围 20%~ 95% RH 检测精度 ±5%储存温度 -20℃~﹢60℃ 95%RH 以下(无结露) 工作温度范围 -20℃~﹢80℃ 95%RH 以下(无结露) 特征阻抗 30 KΩ (60%RH, 25℃) 响应时间 ≤12 s (20%~ 90%) 湿度飘移(/年) ≤±2% RH 湿滞 ≤ 1.5% RH五、外型尺寸及内部结构示意图如下:六、型号命名D HR HR 010101 —— XXXX XXXX公司代号公司代号 湿敏电阻湿敏电阻湿敏电阻 编号编号编号 阻值阻值阻值((30-35KΩ)) 备注:1、标称阻值是指在温度为25℃,相对湿度为60%RH 下所测量阻抗值2、本规格书所有参数均由LCR 数字电桥在(1K Hz,1V)下所测阻抗3、基本参数:温度为25℃下,特征阻抗值 (单位:KΩ)型号湿度rh30%40%50%60%70%80% 90%DHR01-3035 阻值KΩ 352.8 166.6 60.6 29.9 15.4 9.13 4.6 4、各温度下,不同湿度/阻抗数据表 见表1 5、各温度下,不同湿度/阻抗3D 图 见图3七、可靠性测试:1、热测试:放置在50℃,30%RH 环境1000小时后,在通常环境下1小时后,阻抗变化不超过初始值对应湿度的±5%RH;2、冷测试:放置在-10℃环境1000小时后,在通常环境下1小时后,阻抗变化不超过初始值对应湿度的±5%RH。
DHR01-3035型 高分子高分子湿敏电阻湿敏电阻湿敏电阻规格规格规格说明说明说明书书
一、原理
阻抗型高分子湿度传感器(湿敏电阻), 采用功能高分子膜涂敷在带有导电电极陶瓷衬底上,形成阻抗随相对湿度变化成对数变化的敏感部件,导电机理为水分子的存在影响高分子膜内部导电离子的迁移率。
二、应用
适合电气电力设备、仪器仪表、除湿加湿设备、电子温湿表、制冷、干燥、气象等需湿度测量的场所。
三、特性
高精度,高可靠,高耐水性,高、低湿适应性; 稳定,低漂移,反应快速。
四、电气规格
工作电压 1V AC(50Hz ~ 2 K Hz) 检测范围 20%~ 95% RH 检测精度 ±5%
储存温度 -20℃~﹢60℃ 95%RH 以下(无结露) 工作温度范围 -20℃~﹢80℃ 95%RH 以下(无结露) 特征阻抗 30 KΩ (60%RH, 25℃) 响应时间 ≤12 s (20%~ 90%) 湿度飘移(/年) ≤±2% RH 湿滞 ≤ 1.5% RH
五、外型尺寸及内部结构示意图如下:
六、型号命名
D HR HR 010101 —— XXXX XXXX
公司代号公司代号 湿敏电阻湿敏电阻湿敏电阻 编号编号编号 阻值阻值阻值((30-35KΩ)
) 备注:
1、标称阻值是指在温度为25℃,相对湿度为60%RH 下所测量阻抗值
2、本规格书所有参数均由LCR 数字电桥在(1K Hz,1V)下所测阻抗
3、基本参数:温度为25℃下,特征阻抗值 (单位:KΩ)
型号
湿度rh
30%
40%
50%
60%
70%
80% 90%
DHR01-3035 阻值KΩ 352.8 166.6 60.6 29.9 15.4 9.13 4.6 4、各温度下,不同湿度/阻抗数据表 见表1 5、各温度下,不同湿度/阻抗3D 图 见图3
七、可靠性测试:
1、热测试:放置在50℃,30%RH 环境1000小时后,在通常环境下1小时后,阻抗变化不超过初始值对应湿度的±5%RH;
2、冷测试:放置在-10℃环境1000小时后,在通常环境下1小时后,阻抗变化不超过初始值对应湿度的±5%RH。
八、应用电路建议
1、如使用模拟电路,建议将湿度信号变为电压信号输出,请向厂家索取;
2、可采用555时基或RC 振荡电路,将湿度传感器等效为阻抗值,测量振荡频率输出,振荡频率在1K Hz 左右,(在60%RH,25℃)(建议串联电容采用温度系数低,精度在±5% J 级有机聚合物电容,例如涤纶或聚丙烯类电容);
3、对于采用单片机电路采集信号,可参考厂家提供的《湿度传感器单片机应用指南》 。
九、引用标准
GB/T15768-95 电容式湿敏元件及湿度传感器总规范; SJ/T10431-93 湿敏元件用湿度发生器和湿度测试方法;
SJ20760-99 高分子湿度传感器总规范。
十、注意事项
1.不要对元件使用直流电源,检测时请使用电桥阻抗(LCR)测试设备;
2.避免硬物或手指直接接触元件表面,以免划伤或污染感湿膜;
3.焊接时温度不能过高(<180℃,2S 膜表面),使用低温烙铁或用镊子保护;
4.尽量避免在以下环境中直接使用:
盐雾,腐蚀性气体:强酸(硫酸,盐酸),强碱,有机溶剂(酒精,丙酮)等; 5.推荐储存条件:温度:10℃~40℃ 湿度:20%RH --60%RH 。
十一、DHR01-3035(3OK)数据及3D曲线图
1、不同温度下各湿度阻抗数据如下(单位: KΩ):
* 所有数据均由LCR数字电桥在1VAC/1KHZ测试所得2、不同温度下各湿度 阻抗3D曲线图。