中小型汽轮机(背压机)主要技术参数
- 格式:pdf
- 大小:694.30 KB
- 文档页数:18
1.5mw小型背压汽轮机参数
摘要:
1.小型背压汽轮机概述
2.1.5MW小型背压汽轮机的参数
3.1.5MW小型背压汽轮机的应用领域
正文:
1.小型背压汽轮机概述
小型背压汽轮机是一种高效、节能的发电设备,广泛应用于工业生产、矿山、石油、天然气等领域。
它具有体积小、重量轻、安装方便等优点,可满足各种场合的能源需求。
2.1.5MW小型背压汽轮机的参数
1.5MW小型背压汽轮机是一种中小型汽轮机,功率为1.5MW,具有较高的热效率。
其技术参数如下:
(1)蒸汽参数:饱和蒸汽压力0.35MPa~1.6MPa,饱和蒸汽温度120℃~450℃;
(2)转速:3000rpm~10000rpm;
(3)重量:约10吨;
(4)尺寸:长×宽×高约3m×1.5m×2m。
3.1.5MW小型背压汽轮机的应用领域
1.5MW小型背压汽轮机广泛应用于以下领域:
(1)工业生产:纺织、造纸、食品、化工等行业,利用废热、废气发电,
实现能源回收;
(2)矿山:煤矿、铁矿、金矿等矿山企业,满足矿山的电力需求;
(3)石油、天然气:油气田、炼油厂等,利用石油、天然气伴生气发电;
(4)新能源:太阳能、风能等可再生能源领域,实现清洁能源的利用;
(5)其他:如船舶、数据中心等需要备用电源的场合。
前言本说明书是为帮助操作者按正确的程序操作和维护本汽轮机,进而帮助操作者辩认各零部件,以利于该机达到最佳性能和最长的使用寿命。
注意1.在装运前后和开车前,应确认所有的螺栓和接头已恰当拧紧。
2.汽轮机运转时,转动部件不得裸露在外,所有联轴节及其它转动部件必须设防护设置以防人员接触发生事故。
3.本机备有手动脱扣(停车)装置,以便在紧急状态下能迅速停车。
这个装置必须定期检查和试验。
检查和试验的时间由使用者根据情况自行确定。
建议对试验结果作好记录。
4.安装电气设备时,一定要检查,并拧紧所有端子接头,线夹,螺母,螺钉等连接元件。
这些连接元件在运输中可能会松动,因此,设备在已经运行时及元件有温升后,最好再紧固一次。
5.从事这类工作时,一定要先断开电源。
6.与汽轮机有关人员应完整地阅读本说明书,以利于安全运行。
索引第一部分:汽轮机………………………………………… 第一章: 概述…………………………………………… 第二章: 结构…………………………………………… 第三章: 运行与操作…………………………………… 第四章: 汽轮机的检修………………………………… 第五章: 主要图纸……………………………………… 第二部分:辅助设备………………………………………第一部份:汽轮机第一章:概述第 1 节: 概述 第 2 节: 汽轮机性能曲线第1节:概述业主:辽宁华锦通达化工股份有限公司设备名称:驱动给水泵用背压汽轮机汽轮机位号:汽轮机型号: 5BL-3卖方服务处:辽宁省锦州市锦州新锦化机械制造有限公司电话:(0416)3593027传真:(0416)3593127邮编: 121007地址:辽宁省锦州经济开发区锦港大街二段18号第2节:汽轮机性能曲线1、调节级后压力与主蒸汽流量的关系曲线进汽压力: 4.6MPa(a)进汽温度: 410℃排汽压力: 1.1 MPa(a)额定转速:11000 rpm额定功率:2500 Kw图1.2.12、主蒸汽流量与功率的关系曲线进汽压力:4.6MPa(a)进汽温度:410℃排汽压力:1.1 MPa(a)额定转速:11000 rpm额定功率:2500 Kw图1.2.2第二章结构要点第 1节 引言 第 2节 滑销装置 第 3节 径向与推力轴承组件 第 4节 汽封装置 第 5节 主汽阀 第 6节 调节阀 第 7节 调节装置 第 8节 喷嘴和隔板 第 9节 叶片和围带 第10节 汽轮机转子 第11节 管道 第12节 盘车装置第1节引言本章旨在让用户了解这台汽轮机的主要结构,期望用户在了解其主要结构后能更有效地操作这台汽轮机。
基本简介背压机组是以热负荷来调整发电负荷的发电机组,也就是说发电量跟着外界供蒸汽的多少来变化的,气轮机进多少气机组排多少气。
所以背压气轮机的经济性较好,而抽气气轮机可以纯发电也可以通过抽气向外界供热,它的电热相互调整性比较好,一般热电单位都装有两台气轮机,单位可以根据外界负荷的变化作出相应的调整,保证机组经济运行。
背压2000KW汽轮发电机组模型图主要特点背压机组是热电联合生产(热点联产)运行的机组,热电联产使能源得到合理利用,是节约能源的一项重要措施。
在众多的汽轮发电机组中,背压机由于消除了凝汽器的冷源损失,在热力循环效率方面是最高的,从而降低了发电煤耗、节约能源,故而得以广泛应用。
然而,背压机亦有下述缺点:它对负荷变化的适应性差,机组发电量受制于热负荷变化。
当低热负荷时,汽轮机效率下降,从而使经济效益降低。
容量确定背压机组初参数的确定从热力学理论上讲,初参数越高,热电站的循环效率也越高。
但对具体某一工程来说,并不是初参数越高越好,要看汽机的容量大小,锅炉效率的高低,汽轮机的内效率及电站初投资,运行维护要求等多种因素比较,选择合理的初参数。
对于背压汽轮机来说,当背压和流量确定后,其作功能力取决于汽轮机的内效率和进汽参数。
进汽参数越高,如初压和初温越高,蒸汽的绝热焓降Δi越大,其作功能越大,汽耗率d越小,经济效益也越高。
对于背压机的内效率而言,在容积流量相对较小的情况下初压的提高是不利的,因为增大了叶片高度和部分进汽损失。
初温的提高;增大了叶片高度,提高内效率。
流量的增大对内效率的提高亦是有益的。
综上所述,当汽轮机的流量(较大时)和背压确定之后,要提高出力,又要使汽轮机的内效率不致下降,这就需要在提高初压的同时提高初温。
对于化工、造纸等中型企业的自备热电站而言,究竟提高多少为最佳进汽参数,应经过综合技术经济比较而定。
机组选择关于供热机组的选择,要贯彻以热定电的原则,要视企业的工艺用热情况而定。
企业是用一种参数的蒸汽,还是两种参数的蒸汽;是常年供热,还是间断供热;冬、夏用汽量的大小及参数有何不同;是用热为主,还是热电并重,热负荷是否稳定等。
北京北重汽轮电机有限责任公司北京北重汽轮电机有限责任公司(简称北重公司,前身北京重型电机厂创建于1958年),是以生产经营火力发电机组(包括电站汽轮机、汽轮发电机及其辅机)为主导的电力装备制造企业。
北重公司主要生产亚临界、超临界300–360MW湿冷、空冷、单双抽供热火电机组和超超临界660MW机组等大机组,以及余热利用、生物质发电、热电联产、垃圾发电、工业汽轮机等领域小机组为主导的产品系列,具有年产5000MW火电机组的生产能力。
公司拥有专业的售后服务平台,能够为客户提供660MW及以下汽轮发电机组改造、技术咨询以及电厂节能降耗全面解决方案,积极拓展电站设备成套、工程总包业务。
背压式汽轮机本系列汽轮机按热负荷运行。
功率自15MW至50MW。
抽汽背压式汽轮机本系列汽轮机的特点是可以同时提供两种不同压力的工业用汽,并且两种用汽量可进行调整,热电联产具有较大的灵活性和适应性。
本系列汽轮机可按热负荷运行,还允许按纯背压工况运行。
功率自12MW至30MW。
杭州汽轮机股份有限公司杭州汽轮机股份有限公司是杭汽轮集团的核心企业。
该公司是国内唯一能按用户特殊需要非标设计制造工业汽轮机的厂家,生产的工业汽轮机按驱动对象不同分为工业驱动汽轮机和工业发电汽轮机两大类。
背压冲动式汽轮机该厂自行设计的背压式汽轮机为单杠冲动式汽轮机,汽轮机带有齿轮减速装置。
汽轮机采用全液压式调节系统并配备具有不同功能的保安装置,还可根据用户需要配置备压电调装置。
抽汽背压反动式汽轮机本系列机组采用的调节系统是有一系列标准部套构成,抽汽压力或排气压力的自动调节系通过抽气压力或排气压力变换成电量或气动量,再由电动或气动调节气等一系列调节元件的动作来完成。
本机组还配备具有不同功能的保安监控装置。
多级背压反动式汽轮机本背压式汽轮机的优点是效率高。
山东青能动力股份有限公司山东青能动力股份有限公司主要产品有:凝汽式、背压式、抽凝式、抽背式、补汽式、再热式等所有类型的汽轮机,重点研制推广单层快装、三台一站式特色汽轮机、高速高效节能汽轮机,以及与汽轮机配套的各种发电机、电控设备等。
对背压机组某些问题的探讨徐健(吉化公司设计院)热电联合生产,使能源得到合理利用,是节约能源的一项重要措施。
在众多的汽轮发电机组中,背压机由于消除了凝汽器的冷源损失,在热力循环效率方面是最高的,从而降低了发电煤耗、节约能源,故而得以广泛应用。
然而,背压机亦有下述缺点:它对负荷变化的适应性差,机组发电量受制于热负荷变化。
当低热负荷时,汽轮机效率下降,从而使经济效益降低。
以B6-35/10为例,当进汽量减少10%,汽轮机内效率降低1.5%∽4.5%,使热化发电率随之下降。
B6-35/10机组额定工况下,热化发电率为118.9度/百万大卡,进汽量为额定工况的70%时,热化发电率则降至109.4度/百万大卡。
上述原因,使得人们思考和研究如何正确选择背压机的容量和参数?如何在热电联产中克服背压机的弱点以提高发电的经济效益?本文结合化工、造纸等中型企业背压机的选择和计算有关问题,提出自己的几点看法。
1.背压机的选择条件及容量、参数的确定1.1背压机的选择条件关于供热机组的选择,要贯彻以热定电的原则,要视企业的工艺用热情况而定。
企业是用一种参数的蒸汽,还是两种参数的蒸汽;是常年供热,还是间断供热;冬、夏用汽量的大小及参数有何不同;是用热为主,还是热电并重,热负荷是否稳定等。
例如,化肥厂需1.5∽1.7MPa和0.25MPa的蒸汽;造纸、制糖厂需0.3∽1.3MPa蒸汽;制碱厂需1.3MPa和0.5MPa的蒸汽;化纤厂需3.9∽4.1MPa和0.5MPa蒸汽等,对于北方和南方的企业还有采暖用汽与否的区别,故尔北方企业冬夏用汽量的差别甚大,也影响了机组的选型。
对于机组的选型,比较统一的看法是:对于常年用热在6000小时或以上,且只有一种参数的稳定的热用户,选用背压式机组是最理想的。
因此,它广泛用于化工、造纸等企业中作为带基本热负荷的机组或作为工业裕压发电的机组。
对于需要二种蒸汽参数,且常年较稳定的热用户,以选抽汽背压式机组为宜;对既用热又用电,且热负荷变化较频繁的热用户,则选用抽汽冷凝式机组较为合适。
北京北重汽轮电机有限责任公司北京北重汽轮电机有限责任公司(简称北重公司,前身北京重型电机厂创建于1958年),是以生产经营火力发电机组(包括电站汽轮机、汽轮发电机及其辅机)为主导的电力装备制造企业。
北重公司主要生产亚临界、超临界300–360MW湿冷、空冷、单双抽供热火电机组和超超临界660MW机组等大机组,以及余热利用、生物质发电、热电联产、垃圾发电、工业汽轮机等领域小机组为主导的产品系列,具有年产5000MW火电机组的生产能力。
公司拥有专业的售后服务平台,能够为客户提供660MW及以下汽轮发电机组改造、技术咨询以及电厂节能降耗全面解决方案,积极拓展电站设备成套、工程总包业务。
背压式汽轮机本系列汽轮机按热负荷运行。
功率自15MW至50MW。
抽汽背压式汽轮机本系列汽轮机的特点是可以同时提供两种不同压力的工业用汽,并且两种用汽量可进行调整,热电联产具有较大的灵活性和适应性。
本系列汽轮机可按热负荷运行,还允许按纯背压工况运行。
功率自12MW至30MW。
杭州汽轮机股份有限公司杭州汽轮机股份有限公司是杭汽轮集团的核心企业。
该公司是国内唯一能按用户特殊需要非标设计制造工业汽轮机的厂家,生产的工业汽轮机按驱动对象不同分为工业驱动汽轮机和工业发电汽轮机两大类。
背压冲动式汽轮机该厂自行设计的背压式汽轮机为单杠冲动式汽轮机,汽轮机带有齿轮减速装置。
汽轮机采用全液压式调节系统并配备具有不同功能的保安装置,还可根据用户需要配置备压电调装置。
抽汽背压反动式汽轮机本系列机组采用的调节系统是有一系列标准部套构成,抽汽压力或排气压力的自动调节系通过抽气压力或排气压力变换成电量或气动量,再由电动或气动调节气等一系列调节元件的动作来完成。
本机组还配备具有不同功能的保安监控装置。
多级背压反动式汽轮机本背压式汽轮机的优点是效率高。
山东青能动力股份有限公司山东青能动力股份有限公司主要产品有:凝汽式、背压式、抽凝式、抽背式、补汽式、再热式等所有类型的汽轮机,重点研制推广单层快装、三台一站式特色汽轮机、高速高效节能汽轮机,以及与汽轮机配套的各种发电机、电控设备等。
背压式汽轮发电机组参数背压式汽轮发电机组参数的评估与优化1. 前言背压式汽轮发电机组是一种常见的能源转换设备,可将热能转化为电能。
在设计和运行过程中,对其参数进行全面评估和优化是至关重要的。
本文将深入探讨背压式汽轮发电机组的参数,并重点关注其深度和广度。
2. 背压式汽轮发电机组的工作原理背压式汽轮发电机组采用的是逆向布氏循环,它将高温高压的蒸汽从汽轮机中排出,然后通过背压式涡轮扩展机使其膨胀,最终到达低压、低温条件下。
该过程既可以提供发电所需的动力,又可以回收蒸汽的余热。
3. 背压式汽轮发电机组的参数在评估背压式汽轮发电机组的性能时,有几个关键参数需要考虑:3.1 蒸汽输入参数:包括蒸汽的温度、压力和质量流量。
这些参数直接影响发电机组的产能和效率。
3.2 并联电网:背压式汽轮发电机组通常与电网并联运行。
在设计和操作中,需要考虑与电网的匹配,以确保发电能力与电网需求相协调。
3.3 涡轮扩展机参数:包括扩展机的工作压力比和扩展机的效率。
这些参数直接影响蒸汽膨胀过程的效率,从而影响发电机组的整体效率。
3.4 背压比:背压比是背压式汽轮发电机组的一个重要参数,它表示了扩展机排气压力与进汽压力之比。
合理选择背压比可以在满足一定发电能力的最大限度地回收余热。
4. 评估方法及优化策略4.1 评估方法:对于背压式汽轮发电机组的参数评估,可以采用数值模拟、实验测试和经验分析相结合的方法。
数值模拟能够提供详细的参数分布和性能预测,实验测试能够验证模拟结果的准确性,而经验分析则可以根据已有案例进行参数调整和优化。
4.2 优化策略:在评估过程中,可以通过调整背压比、优化涡轮扩展机参数和优化蒸汽输入参数等方式来提高发电机组的效率和性能。
还可以考虑热回收使用、设备布局和维护策略等方面的优化。
5. 个人观点和理解背压式汽轮发电机组的参数评估和优化是一个综合性的工作,需要考虑多个因素的相互影响。
在设计和操作中,需要充分理解发电机组的工作原理、电网需求和热力学性能,以便合理选择和调整参数。
1×6MW背压式汽轮机简介湖州南太湖热电有限公司6MW背压机组技改工程环境影响报告书(简要本)国电环境保护研究院国环评证甲字第1905 号2007年11月中国·南京1 项目的基本组成、规模及基本构成项目名称、规模及基本构成如表1-1表1-1 项目基本构成项目名称湖州南太湖热电有限公司6MW背压机组技改工程建设单位湖州南太湖热电有限公司规模()项目单机容量及台数总容量备注现有工程 1×6MW背压式机组+1×12MW抽凝机组 18 于2006年4月正式投产运行,采用3台75t/hCFB锅炉。
本期工程 1×6MW背压机组 6 本期不增设锅炉。
全厂 2×6MW+1×12MW 24 本工程建成投产后,热电公司总的装机容量为24MW,其中两台6MW背压汽轮机带基本热负荷,背压机正常运行时满负荷发电供热,12MW的抽凝式汽轮机不运行,该抽凝机组参与热负荷波动的调节。
主体工程锅炉:不新增锅炉。
现有锅炉可以运行的最大连续蒸发量为90t/h,且锅炉配套的已建辅机如风机、除尘器、除氧器等均是按锅炉最大连续蒸发量(90t/h)选型和配置的。
汽轮机:1×6MW背压式汽轮机(B6-4.9/0.98)发电机:1×6MW发电机(QF-J6-2)年运行6000小时辅助工程供水系统现有工程有完善的供排水系统,生活用水由市政给水管网提供,本工程不增加生活用水;工业水由吉华化工公司从十三工段河取水提供。
本工程生活用水、工业用水均接自原有相应的系统。
本期新增循环水补充水和化水补充水共77.5 m3/h,现有水泵能满足本期增加工业水量,现有循环水管网满足本期增加循环水量的要求。
化水处理系统利用现有化学水设备,本期不新(扩)建,处理方式采用一级固定床除盐加混床处理。
除灰渣系统无需扩建。
输送系统包括煤码头可移动带式输送机,及煤场储量、破碎筛分设备、石灰石系统等,无需扩建。
背压汽轮机排气温度范围-概述说明以及解释1.引言1.1 概述概述部分:背压汽轮机是一种常见的发电设备,其排气温度是其正常运行中需要关注的重要参数之一。
排气温度的合理控制对于保证背压汽轮机的高效稳定运行至关重要。
本文旨在探讨背压汽轮机排气温度的范围及其对背压汽轮机的影响因素,并提供对排气温度的合理范围和控制方法的建议。
首先,我们将介绍背压汽轮机的基本原理,以便读者能够更好地理解背压汽轮机排气温度的概念和重要性。
其次,我们将分析影响背压汽轮机排气温度的因素,包括进出口温度差、压比、负荷变化等,从而帮助读者全面了解排气温度的形成机理。
然后,我们将重点讨论背压汽轮机排气温度的合理范围。
过高或过低的排气温度都会对背压汽轮机的性能和寿命产生不利影响,因此找到一个合适的范围是至关重要的。
我们将根据经验和相关研究成果,结合实际案例,提出背压汽轮机排气温度的合理范围。
最后,我们将介绍针对背压汽轮机排气温度的控制方法。
通过合理的控制手段,如调整进出口温度差、优化压比、采用适当的负荷调节策略等,可以实现对排气温度的有效控制,从而提高背压汽轮机的效率和可靠性。
通过这些内容的阐述,希望读者能够加深对背压汽轮机排气温度的理解,并在实际运行中做出合理的决策和控制,以确保背压汽轮机的正常运行和性能表现。
1.2文章结构1.2 文章结构本文按照以下结构进行阐述背压汽轮机排气温度范围的相关内容:1. 引言:在本部分,将对本文的背压汽轮机排气温度范围的研究背景和意义进行概述,指出本文的目的和重要性。
2. 正文:2.1 背压汽轮机的基本原理:本部分将介绍背压汽轮机的基本工作原理,包括其构造和热力循环过程,以便为后续对排气温度范围的讨论提供基础知识。
2.2 背压汽轮机排气温度的影响因素:在本部分,将详细探讨影响背压汽轮机排气温度的各种因素,包括进气温度、进气压力、背压、燃烧温度等,并强调它们与排气温度范围之间的关系。
3. 结论:3.1 背压汽轮机排气温度的合理范围:在本部分,将对背压汽轮机排气温度的合理范围进行总结和归纳,讨论其在不同工况下的变化规律,并解释其对背压汽轮机性能的影响。
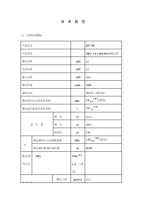
目录第一章汽轮机的技术规范 (1)第一节汽轮机本体的技术规范 (1)一、汽轮机主要技术数据 (1)二结构性能 (1)第二节热力系统 (5)一、主汽系统 (5)二、抽汽系统 (5)三、汽封系统 (5)四、减温减压装置 (5)结构简述: (5)第三节调节保安系统 (6)一、调节系统油压 (7)二、电液调节系统 (7)第四节汽轮机辅助设备的技术规范 (15)一、转动辅机参数 (15)二、汽封加热器参数 (18)三、高压加热器参数 (18)四、除氧器参数 (19)五、冷油器 (20)六、减温减压器 (20)第二章汽轮机的联锁和保护设置及实验 (21)第一节汽轮机组的试验 (21)一、汽轮机保护试验 (21)第三章汽轮机的启动与停止 (29)第一节汽轮机禁止启动条件 (29)第二节联锁保护 (30)第三节启动前的准备工作 (30)第四节汽轮机的启动 (31)第五节停机 (33)第四章运行中的监视与维护 (34)第六章汽机辅助设备的运行 (35)第一节除氧器运行 (35)第二节给水泵的运行 (37)第三节冷油器运行 (41)第四节滤水器滤网清洗 (42)第五节一般动力设备启、停通则 (42)第六节高压加热器的启停操作 (43)第七节减温减压器的投入 (44)第六章事故处理与预防 (44)第一节事故处理的原则及顺序 (44)第二节紧急停机与故障停机 (45)一、汽轮机在下列情况下紧急停机 (45)二、故障停机 (45)第三节典型事故处理 (45)一、汽轮机的水冲击 (45)二、油系统工作失常 (46)三、失火 (49)四、机组振动和异音 (49)五、轴向位移增大 (50)六、汽轮机超速 (50)七、厂用电中断 (51)八、汽轮机运行中胀差增大 (52)九、汽轮机大轴弯曲 (52)十、汽轮机断油烧瓦 (52)十一、给水泵的事故处理 (53)十二调速系统工作失常 (54)十三管道故障 (54)十四保护误动作 (55)十五泵组各种故障情况及处理 (55)十六除氧器常见故障及处理 (60)十七各种管道压力下降的原因及处理 (61)十八转动设备故障 (62)十九现场失火 (63)第四节重大事故防范措施 (63)一防止弯曲 (63)二防止超速 (64)三防止烧瓦 (64)附录A 常用法定计量单位名称、符号对照表 (64)附录B 常用公式 (66)附录C 饱和温度参照表 (66)汽轮发电机组详细工况表 (67)第一章汽轮机的技术规范第一节汽轮机本体的技术规范一、汽轮机主要技术数据1 .汽轮机型号CB12-8.83/1.9/0.9812 .汽轮机型式单缸、单轴、冲动、抽汽背压式3 .额定功率/最大功率 12000kW/15000kW4.额定转速 3000r/min5.电网额定频率 50Hz6.主汽门前额定蒸汽压力 8.83Mpa7.主汽门前额定蒸汽温度 535℃8.额定进汽量/抽汽量 126t/h / 30t/h9.最大抽汽工况进汽量/抽汽量 148t/h / 40t/h10.纯背压工况进汽量 128.5t/h11.抽汽压力 1.9MPa12. 排汽压力 0.981MPa13.额定抽汽工况排汽温度 295.78℃14. 转子旋转方向自汽轮机向发电机看为顺时针15. 转子临界转速~3637r/min16 .汽轮机外型尺寸(mm) ~6399×3600×3300(长×宽×高)(高为调节阀至运转层平台的高度)17. 汽轮机主要重量(kg)转子~8179上半汽缸组合~16000下半汽缸组合~18000本体总重~56000二结构性能1.CB12-8.83/1.9/0.981型汽轮机为高温高压冲动抽汽背压式机组, 由单缸、单轴组成,汽轮机通过刚性联轴器直接带动发电机。
北京北重汽轮电机有限责任公司北京北重汽轮电机有限责任公司(简称北重公司,前身北京重型电机厂创建于1958年),是以生产经营火力发电机组(包括电站汽轮机、汽轮发电机及其辅机)为主导的电力装备制造企业。
北重公司主要生产亚临界、超临界300–360MW湿冷、空冷、单双抽供热火电机组和超超临界660MW机组等大机组,以及余热利用、生物质发电、热电联产、垃圾发电、工业汽轮机等领域小机组为主导的产品系列,具有年产5000MW火电机组的生产能力。
公司拥有专业的售后服务平台,能够为客户提供660MW及以下汽轮发电机组改造、技术咨询以及电厂节能降耗全面解决方案,积极拓展电站设备成套、工程总包业务。
背压式汽轮机本系列汽轮机按热负荷运行。
功率自15MW至50MW。
抽汽背压式汽轮机本系列汽轮机的特点是可以同时提供两种不同压力的工业用汽,并且两种用汽量可进行调整,热电联产具有较大的灵活性和适应性。
本系列汽轮机可按热负荷运行,还允许按纯背压工况运行。
功率自12MW至30MW。
杭州汽轮机股份有限公司杭州汽轮机股份有限公司是杭汽轮集团的核心企业。
该公司是国内唯一能按用户特殊需要非标设计制造工业汽轮机的厂家,生产的工业汽轮机按驱动对象不同分为工业驱动汽轮机和工业发电汽轮机两大类。
背压冲动式汽轮机该厂自行设计的背压式汽轮机为单杠冲动式汽轮机,汽轮机带有齿轮减速装置。
汽轮机采用全液压式调节系统并配备具有不同功能的保安装置,还可根据用户需要配置备压电调装置。
抽汽背压反动式汽轮机本系列机组采用的调节系统是有一系列标准部套构成,抽汽压力或排气压力的自动调节系通过抽气压力或排气压力变换成电量或气动量,再由电动或气动调节气等一系列调节元件的动作来完成。
本机组还配备具有不同功能的保安监控装置。
多级背压反动式汽轮机本背压式汽轮机的优点是效率高。
山东青能动力股份有限公司山东青能动力股份有限公司主要产品有:凝汽式、背压式、抽凝式、抽背式、补汽式、再热式等所有类型的汽轮机,重点研制推广单层快装、三台一站式特色汽轮机、高速高效节能汽轮机,以及与汽轮机配套的各种发电机、电控设备等。