涤纶电容的耐压读法
- 格式:doc
- 大小:24.00 KB
- 文档页数:1
电容容量的大小就是表示能贮存电能的大小,电容对交流信号的阻碍作用称为容抗,它与交流信号的频率和电容量有关。
容抗XC=1/2πf c (f表示交流信号的频率,C表示电容容量)电话机中常用电容的种类有电解电容、瓷片电容、贴片电容、独石电容、钽电容和涤纶电容等。
识别方法:电容的识别方法与电阻的识别方法基本相同,分直标法、色标法和数标法3种。
电容的基本单位用法拉(F)表示,其它1h=103mh=106uh=109nh=1012ph容量大的电容其容量值在电容上直接标明,如10 uF/16V容量小的电容其容量值在电容上用字母表示或数字表示我们常用的电容有:1、电解电容:多数在1μF以上,直接用数字表示。
如:4.7μF、100μF、220μF等等。
这种电容的两极有正负之分,长脚是正极。
2、瓷片电容:多数在1μF以下,直接用数字表示。
如:10、22、0.047、0.1等等,这里要注意的是单位。
凡用整数表示的,单位默认pF;凡用小数表示的,单位默认μF。
如以上例子中,分别是10P、22P、0.047μF、220μF等。
现在国际上流行另一种类似色环电阻的表示方法(单位默认pF):如:“473”即47000pF=0.047μF“103”即10000pF=0.01μF等等,“XXX”第一、二个数字是有效数字,第三个数字代表后面添加0的个数。
这种表示法已经相当普遍。
1、直标法用数字和单位符号直接标出。
如01uF表示0.01微法,有些电容用“R”表示小数点,如R56表示0.56微法。
2、文字符号法用数字和文字符号有规律的组合来表示容量。
如p10表示0.1pF,1p0表示1pF,6P8表示6.8pF, 2u2表示2.2uF.3、色标法用色环或色点表示电容器的主要参数。
电容器的色标法与电阻相同。
电容器偏差标志符号:+100%-0--H、+100%-10%--R、+50%-10%--T、+30%-10%--Q、+50%-20%--S、+80%-20%--Z。
各类电容容值的读法东北师范大学伍春霖各类电容容值的读法伍春霖(东北师范大学,长春)摘要:电容容量的大小就是表示能贮存电能的大小,电容对交流信号的阻碍作用称为容抗,它与交流信号的频率和电容量有关。
但是由于分类方法不一样,它的读法存在着一定的差异。
关键词:法拉(F)毫法(mF)、微法(uF)、纳法(nF)、皮法(pF)。
(其中:1法拉=103毫法=106微法=109纳法=1012皮法)我们常用的电容有:1、电解电容:多数在1µF以上,直接用数字表示。
如:4.7µF、100µF、220µF等等。
这种电容的两极有正负之分,长脚是正极。
2、瓷片电容:多数在1µF以下,直接用数字表示。
如:10、22、0.047、0.1等等,这里要注意的是单位。
凡用整数表示的,单位默认pF;凡用小数表示的,单位默认µF。
如以上例子中,分别是10P、22P、0.047µF、0.1µF等。
现在国际上流行另一种类似色环电阻的表示方法(单位默认pF):如:“473”即47000pF=0.047µF “103”即10000pF=0.01µF等等,“XXX”第一、二个数字是有效数字,第三个数字代表后面添加0的个数。
这种表示法已经相当普遍。
1、直标法直接标注法把耐压值直接印在电容器上3.2符号表示法采用一个数字和一个字母组合而成。
数字表示10的幂指数,字母表示数值,单位是V(伏)。
代表6.3*10=63V 2F代表3.15*100=315V 3A代表1.0*1000=1000V 1K代表8.0*10=80V 数字最大为4,如4Z代表90000V。
电容器耐压值2、文字符号法用数字和文字符号有规律的组合来表示容量。
如p10表示0.1pF,1p0表示1pF,6P8表示6.8pF, 2u2表示2.2uF.3、色标法用色环或色点表示电容器的主要参数。
容藕合.为了防止信号中韵低频分量损失过大,一般总采用容量较大的电解电容。
两种电容的材质是不同的。
陶瓷电容无极性,电解电容有极性。
陶瓷电容的容量一般较小,电解电容的容值可以做得很大。
另外两者的用途也有差别,陶资电容一般用于信号源滤波,而电解电容一般用于电源部分。
电解电容与瓷片电容的构造和特性有很大的不同!前者是有极大容量低频特性!后者是无极小容量高频特性!电解电容多用在藕合,滤波,退藕,等音频及低通电路!容量多为几微微法到0.1微法!瓷片电容多用在振荡,选频,藕合,反馈等高频和特高频电路!瓷片电容的高频特性很好!稳定性也很好!是高频电路里的最常用电容!容量多为0.5微法到几千至上万微法!电容的作用:1)旁路旁路电容是为本地器件提供能量的储能器件,它能使稳压器的输出均匀化,降低负载需求。
就像小型可充电电池一样,旁路电容能够被充电,并向器件进行放电。
为尽量减少阻抗,旁路电容要尽量靠近负载器件的供电电源管脚和地管脚。
这能够很好地防止输入值过大而导致的地电位抬高和噪声。
地电位是地连接处在通过大电流毛刺时的电压降。
2)去耦去耦,又称解耦。
从电路来说,总是可以区分为驱动的源和被驱动的负载。
如果负载电容比较大,驱动电路要把电容充电、放电,才能完成信号的跳变,在上升沿比较陡峭的时候,电流比较大,这样驱动的电流就会吸收很大的电源电流,由于电路中的电感,电阻(特别是芯片管脚上的电感,会产生反弹),这种电流相对于正常情况来说实际上就是一种噪声,会影响前级的正常工作,这就是所谓的“耦合”。
去耦电容就是起到一个“电池”的作用,满足驱动电路电流的变化,避免相互间的耦合干扰。
将旁路电容和去耦电容结合起来将更容易理解。
旁路电容实际也是去耦合的,只是旁路电容一般是指高频旁路,也就是给高频的开关噪声提高一条低阻抗泄防途径。
高频旁路电容一般比较小,根据谐振频率一般取0.1μF、0.01μF 等;而去耦合电容的容量一般较大,可能是10μF 或者更大,依据电路中分布参数、以及驱动电流的变化大小来确定。
涤纶电容简介用两片金属箔做电极,夹在极薄绝缘介质中,卷成圆柱形或者扁柱形芯子,介质是涤纶。
涤纶薄膜电容,介电常数较高,体积小,容量大,稳定性较好,适宜做旁路电容。
突出优点:薄膜电容的精度、损耗角、绝缘电阻、温度特性、可靠性及适应环境等指标都优于电解电容,瓷片电容两种电容。
突出缺点:容量价格比及容量体积比都大于以上两种电容。
用途:在各种直流或中低频脉动电路中使用。
适宜作为旁路电容使用。
容值范围:470pF——4.7uF。
额定电压范围:63-630V。
损耗角正切:0.3-0.7。
工作温度:零下55到零上125摄氏度。
温度系数:+200 — +600ppm常见分类:跟很多电容一样,涤纶电容还有很多细小的分类,比如常见的CL11,CL21;区别在于CL21电容内壁采用金属化技术,体积较CL11小很多,但整体性能不如CL11。
因此购买时需要向商家说明,是买哪一种。
参数识别国外电容器耐压值通常用字母来表示基数,常见的代码和基数对应关系是:A:1.0;B:1.25;C:1.6;D:2.0;E:2.5;F:3.15;G4.0;H:5.0;J:6.3;K:8.0;Z:9.0;字母前面的数表示10的幂,比如2A,即为10^2*1.0=100V,2C为10^2*1.6=160V 等等。
耐压值后方的字母表示电容容量,单位为pF。
例如 823表示容量为82*10^3=82000Pf ,224表示22*10^4=220000pf=0.22uF;最后的字母表示精度,比如J表示容量允许偏差为±5%等等。
典型的电容标识示例:2A823J 即82000Pf±5%,耐压100V。
电容器的参数标注方法(一)直标法:将电容器的主要参数(标称容量、额定电压、及允许偏差)直接标注在电容器上,如0.0047μf/275V,0.0047μf是容量,相当于4700Pf,275V 应是耐压(不属优选数系列)。
(二)文字符号法:采用数字或字母与数字混合的方法来标注电容器的主要参数。
电容的分类、标识、及识读电容(名词解释):由两个金属极,中间夹有绝缘材料(介质)构成。
由于绝缘材料的不同,所构成的电容器的种类也有所不同。
一、电容的分类1.按结构可分为:1)固定电容、2)可变电容、3)半可变电容(微调电容)2.按介质材料可分为:1)气体介质电容:空气电容2)电解电容:液态电解电容(如铝质电解液电容)、固态电解电容3)无机介质电容:瓷介电容、云母电容、玻璃釉电容4)有机介质电容:聚乙酯电容(Mylar电容)、金属化聚乙酯电容(MKT电容)聚丙烯电容(PP电容)、金属化聚丙烯电容(MKP电容)聚苯乙烯电容(PS电容)、聚碳酸电容、聚酯电容(涤纶电容)3.按极性分为:1)有极性电容、2)无极性电容。
二、电容的主要参数:标称容量、耐压、绝缘电阻、损耗、允许误差、温度系数、频率特性1.电容量的单位及换算关系:1F=103mF、1mF=103μF、1μF=103 nF、1nF=103pF2.耐压单位 V(伏):电容器在电路中能够长期稳定、可靠工作,所承受的最大直流电压。
对于结构、介质、容量相同的器件,耐压越高,体积越大。
无极性电容的耐压值有:63V、100V、160V、250V、400V、600V、1000V等有极性电容的耐压值有:(与无极性电容相比要低)4V、6.3V、10V、16V、25V、35V、50V、63V、80V、100V、220V、400V等。
3.绝缘电阻:电容的是指电容器两极之间的电阻,或称漏电阻。
绝缘电阻的大小决定于电容器介质性能的好坏。
使用电容器时应选绝缘电阻大的。
绝缘电阻越小,漏电越严重,这样会影响电路的正常工作。
4.允许误差:电容器的标称容量与其实际容量之差,再除以标称容量所得的百分数,就是电容器的允许误差。
表2-1常用电容其精度等级(与电阻的表示方法相同)表2-2 电容偏差标识符号表2-3 电容标称容量系列表2-4不同类别电容的标称容量系列值5.温度系数:在一定温度范围内,温度每变化1℃,电容量的相对变化值。
电容的耐压和绝缘电阻
电容的耐压和绝缘电阻
电容长期可靠地工作,它能承受的最大直流电压,就是电容的耐压,也叫做电容的直流工作电压。
如果在交流电路中,要注意所加的交流电压最大值不能超过电容的直流工作电压值。
表1是常用固定电容直流工作电压系列。
有*的数值,只限电解电容用。
常用固定电容的直流电压系列
1.6 4 6.3 10 16 25 32* 40 50 63
100 125* 160 250 300* 400 450* 500 630 1000
由于电容两极之间的介质不是绝对的绝缘体,它的电阻不是无限大,而是一个有限的数值,一般在1000兆欧以上。
电容两极之间的电阻叫做绝缘电阻,或者叫做漏电电阻。
漏电电阻越小,漏电越严重。
电容漏电会引起能量损耗,这种损耗不仅影响电容的寿命,而且会影响电路的工作。
因此,漏电电阻越大越好。
涤纶电容的识别方法
涤纶电容是一种常用的电子元器件,其特点是稳定性高、质量轻、体积小等。
然而,在实际应用中,由于其外观与其他电容非常相似,因此很容易出现混淆的情况。
为此,本文将介绍涤纶电容的识别方法,包括以下几个方面:
1. 外观特征:涤纶电容通常为白色或黄色,外壳呈圆柱形或方形,表面光滑。
与其他电容相比,涤纶电容的外观更加简洁,没有复杂的结构和装饰。
2. 标识:涤纶电容通常在外壳上标有电容的参数,如电容值、电压等。
这些参数可以通过连接测试仪器进行测量,以进一步确认电容的类型。
3. 尺寸:涤纶电容的尺寸通常比其他电容小,如直径为3mm或5mm,长度为9mm或12mm。
这可以通过比较不同电容的尺寸来判断涤纶电容。
4. 材料:涤纶电容的外壳通常由聚酯薄膜或聚酰胺薄膜制成。
这可以通过观察外壳的材质来判断电容的类型。
总之,通过以上几个方面的判断,可以很好地识别涤纶电容,避免误用其他类型的电容。
- 1 -。
电容的基本单位是F(法),其它单位还有:毫法(mF)、微法(uF)、纳法(nF)、皮法(pF)。
由于单位F 的容量太大,所以我们看到的一般都是μF、nF、pF的单位。
换算关系:1F=1000000μF,1μF=1000nF=1000000pF。
电容的标注方法分为:直标法、色标法和数标法。
对于体积比较大的电容,多采用直标法。
如果是0.005,表示0.005uF=5nF。
如果是5n,那就表示的是5nF。
数标法:一般用三位数字表示容量大小,前两位表示有效数字,第三位数字是10的多少次方。
如:102表示10x10x10 PF=1000PF,203表示20x10x10x10 PF。
如:“473”即47000pF=0.047μF“103”即10000pF=0.01μF等等,一、认识电容1F=1,000,000uF1uF=1,000nF1nF=1000pF1F=103mF=106uF=109nF=1012pF1、在各种电子设备中,调谐、耦合、滤波、去耦、隔断直流电、旁路交流电等,都需要用到电容器。
电容器通常叫做电容。
电容的种类很多,按结构形式来分,有固定电容、半可变电容、可变电容。
常用电容按介质区分有纸介电容、油浸纸介电容、金属化纸介电容、云母电容、薄膜电容、陶瓷电容、电解电容、铝电解电容、钽、铌电解电容等。
2、在电路图中电容单位的标注规则。
通常在容量小于10000pF的时候,用pF做单位,大于10000pF的时候,用uF做单位。
为了简便起见,大于100pF而小于1uF的电容常常不注单位。
没有小数点的,它的单位是pF,有小数点的,它的单位是uF。
例如,3300就是3300pF,0.1就是0.1uF等。
3、电容使用常识。
电容在电路中实际要承受的电压不能超过它的耐压值。
在滤波电路中,电容的耐压值不要小于交流有效值的1.42倍。
使用电解电容的时候,还要注意正负极不要接反。
不同电路应该选用不同种类的电容。
揩振回路可以选用云母、高频陶瓷电容,隔直流可以选用纸介、涤纶、云母、电解、陶瓷等电容,滤波可以选用电解电容,旁路可以选用涤纶、纸介、陶瓷、电解等电容。
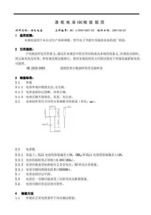
涤纶电容IQC检验规范材料名称:涤纶电容文件编号:QS/ J-2004-C001-02制作日期:2004-03-231适用范围:本规范适用于本公司生产各种规格、型号电子节能灯用涤纶电容的进厂检验。
2 引用规范:下列规范所包含的条文,通过在本规范中的引用而构成为本规范的条文。
在规范出版时,所示版本均为有效,所有规范都会被修订,使用本规范的各方应探讨使用下列规范最新版本的可能性。
GB 2828-2003 逐批检查计数抽样程序及抽样表3 检验标准:3.1 外观3.1.1 电容外观应圆滑光洁,无毛刺。
3.1.2 电容表面印记清晰,内容正确。
3.1.3 电容引脚不得氧化、发黑、有污迹。
3.2 电容的外型尺寸应符合其规格书的要求(单位:mm)。
3.3 电参数3.3.1 常温下,CL21电容的容量偏差±5%,CBB22和CL11电容的容量偏差±10%。
3.3.2 电容的损耗角正切值≤0.008(1KHz)。
3.3.3 电容应能承受标称耐压2.5倍电压,30秒无击穿现象。
3.3.4 电容引脚间绝缘电阻R≥30000MΩ。
3.4 电容表面印记牢固。
3.5 电容任一引脚应能承受三次折弯而无断裂现象。
3.6 电容引脚应有良好的可焊性。
4检验方法4.1 外观在正常光照条件下用目测法检验。
4.2 电容的外形尺寸用精度为0.02mm的游标卡尺在正常光照条件下进行检验。
4.3 电容容量和损耗角用“YD2810D型LCR 数字电桥”测试仪在1KHz 频率下进行测量,电容耐压用“YF2672C型耐压测试仪”进行测试,电容引脚间绝缘电阻用兆欧表或绝缘电阻测试仪进行测量。
4.4 电容表面印记用酒精棉花擦拭三次以后仍应清晰可辨。
4.5 引脚抗弯性能:用镊子夹住电容器任一引脚的中间位置,折弯90°,然后扳直,如此为一次,要求3次折弯在同一平面的同一方向上,要求不能有断裂现象发生。
4.6 电容器的引脚可焊性进行检验,应符合5.2.1的规定。
涤纶电容的读数⽅法⼀种国外电容耐压系列表⽰法电容耐压值有⼀种是⽤1位数字和1个字母表⽰的,如2G472J,头两位2G是表⽰耐压,后⾯的⼤家知道是表⽰容量与误差,这种耐压表⽰法较少资料介绍,且不太好记,现整理献给⼤家,碰到时可查阅对照:A B C D E F G H J K Z0 1.0 1.25 1.6 2.0 2.5 3.15 4.0 5.0 6.3 8.0 9.01 10 12.5 16 20 25 31.5 40 50 63 80 902 100 125 160 200 250 315 400 500 630 800 9003 1000 1250 1600 2000 2500 3150 4000 5000 6300 8000 90004 10000 12500 16000 20000 25000 31500 40000 50000 63000 80000 90000电容器耐压的标注也有两种常见⽅法,⼀种是把耐压值直接印在电容器上,另⼀种是采⽤⼀个数字和⼀个字母组合⽽成.数字表⽰10的幂指数,字母表⽰数值,单位是V(伏).1J代表 6.3×10=63V2F代表 3.15×100=315V3A代表 1.0×1000=1000V1K代表 8.0×10=80V数字最⼤为4,如4Z代90000V.只表有容量未标出耐压的默认耐压63V,举列如104k 就是100000PF/63V 在如274K 200就是270000PF/200V 再如MPPS392J2000V 这是在电容上直接标出那么我们只看392J就是3900PF/2000V前⾯的MPP是电容的规格说明他的种类再如CBB12点200 180nJ 我们只看180n就是18nf 耐压200V CBB12是型号本⽂上⾯耐压资料来⾃⽹上,下⾯为本⼈的举列,⼀些⼤的涤纶电容都直接标出多少伏如2KV都⽐较常见,随便举个列如只有682J630不管他630后⾯有⽆V他都表⽰630V.。
涤纶电容器耐压的标注涤纶电容器耐压的标注是采用一个数字和一个字母组合而成。
数字表示10的幂指数,字母表示数值,单位是V(伏)。
字母=数值A=1.0 B=1.25 C=1.6 D=2.0 E=2.5 F=3.15G=4.0 H=5.0 J=6.3 K=8.0 Z=9.0eg.:2A=1.0*10^2=1.0*100=100V1J=6.3*10^1=63V该电容的耐压是100V.电容容量单位为“法拉”,用字母“F”表示.比F小的换算单位还有MF(兆法)μF ﹑(微法)﹑NF(毫微法) ﹑PF(微微法)PcE838电子-技术资料-电子元件-电路图-技术应用网站-基本知识-原理-维修-作用-参数-电子元器件符号由于电容"F"单位的容量非常大,所以我们看到的一般都是μF、nF、pF的单位。
在常见的电路图中μF﹑PF有的将F省略掉显示μ﹑P实际的电容标注法一般是小于9900P用P表示大于0.01μ(含0.01)用μ表示。
PcE838电子-技术资料-电子元件-电路图-技术应用网站-基本知识-原理-维修-作用-参数-电子元器件符号1nf=1000pfPcE838电子-技术资料-电子元件-电路图-技术应用网站-基本知识-原理-维修-作用-参数-电子元器件符号1μf=1000nf=1000000pFPcE838电子-技术资料-电子元件-电路图-技术应用网站-基本知识-原理-维修-作用-参数-电子元器件符号1F=1000Mf=1000000μf=1000000000nf=1000000000000Pf在线计算PcE838电子-技术资料-电子元件-电路图-技术应用网站-基本知识-原理-维修-作用-参数-电子元器件符号电容器容量换算:电脑桌面壁纸PcE838电子-技术资料-电子元件-电路图-技术应用网站-基本知识-原理-维修-作用-参数-电子元器件符号1、N(毫微法)表示PcE838电子-技术资料-电子元件-电路图-技术应用网站-基本知识-原理-维修-作用-参数-电子元器件符号1n=1000PPcE838电子-技术资料-电子元件-电路图-技术应用网站-基本知识-原理-维修-作用-参数-电子元器件符号10n=0.01μPcE838电子-技术资料-电子元件-电路图-技术应用网站-基本知识-原理-维修-作用-参数-电子元器件符号100n=0.1μ新艺图库PcE838电子-技术资料-电子元件-电路图-技术应用网站-基本知识-原理-维修-作用-参数-电子元器件符号例:3n3表示3300Pf 22N表示0.022μf 470n表示0.47μfPcE838电子-技术资料-电子元件-电路图-技术应用网站-基本知识-原理-维修-作用-参数-电子元器件符号3、直接标注法:PcE838电子-技术资料-电子元件-电路图-技术应用网站-基本知识-原理-维修-作用-参数-电子元器件符号0.01μ0.047μ3300pf 560pf 显示的就是实际容量不必换算PcE838电子-技术资料-电子元件-电路图-技术应用网站-基本知识-原理-维修-作用-参数-电子元器件符号4、用乘方数表示:PcE838电子-技术资料-电子元件-电路图-技术应用网站-基本知识-原理-维修-作用-参数-电子元器件符号10 10+无=10P手机主题下载PcE838电子-技术资料-电子元件-电路图-技术应用网站-基本知识-原理-维修-作用-参数-电子元器件符号101 10+0=100P电脑桌面壁纸PcE838电子-技术资料-电子元件-电路图-技术应用网站-基本知识-原理-维修-作用-参数-电子元器件符号102 10+00=1000P PcE838电子-技术资料-电子元件-电路图-技术应用网站-基本知识-原理-维修-作用-参数-电子元器件符号103 10+000=0.01PcE838电子-技术资料-电子元件-电路图-技术应用网站-基本知识-原理-维修-作用-参数-电子元器件符号104 10+0000=0.1PcE838电子-技术资料-电子元件-电路图-技术应用网站-基本知识-原理-维修-作用-参数-电子元器件符号105 10+00000=1μ838手机主题下载电子PcE838电子-技术资料-电子元件-电路图-技术应用网站-基本知识-原理-维修-作用-参数-电子元器件符号前2位为容量。
专业概论课程论文题目: 各类电容容值的读法摘要:电容的标注包括容值的标注,精度误差表示及其耐压值标注。
其中,电容的基本单位是法拉;容值的标注方法包括N(毫微法)表示法,直接标注法,乘方数表示法,符号表示法以及色码表示法;耐压值表示法包括直接标注法和符号表示法。
关键词:电容容值,N(毫微法)表示法,直接标注法,乘方数表示法,符号表示法以及色码表示法;电容耐压值,直接标注法,符号表示法目录:1.容值的标注1.1电容的单位1.2 N(毫微法)表示法1.3直接标注法1.4乘方数表示法1.5符号表示法1.6色码表示法2. 电容器误差精度值代号标识法3. 电容器耐压值3.1直接标注法3.2符号表示法4. 小结各类电容容值的读法电容的标注法电容的标注包括容值,精度误差和耐压值。
1 容值的标注1.1电容的单位电容的基本单位是“法拉”,用字母“F”表示,此外还有MF(兆法),μF(微法), nF(纳法),pF(皮法)。
由于电容 F 的容量非常大,所以我们看到的一般都是μF、nF、pF的单位,而不是F的单位。
他们之间的具体换算如下:1F=1000000μF1μF=1000nF=1000000pF在常见的电路图中μF﹑PF有的将F省略掉显示μ﹑P实际的电容标注法一般是小于9900P用P表示大于0.01μ(含0.01)用μ表示。
1.2 N(毫微法)表示法1n=1000P10n=0.01μ100n=0.1μ例:3n3表示3300Pf 22N表示0.022μf 470n表示0.47μf1.3 直接标注法0.01μ 0.047μ 3300pf 560pf 显示的就是实际容量不必换算1.4 乘方数表示法例:10 10+无=10P101 10+0=100P102 10+00=1000P103 10+000=0.01104 10+0000=0.1105 10+00000=1μ前2位为容量。
第三位为乘方数,乘方数单位为P,如221表示22加一个零等于220P,472表示47加二个零等于4700P,683表示68加三个零等于0.068μf1.5 符号表示法这种符号多用于贴片或小型电解电容,读法与用乘方数表示多少有些相似的地方,使用时要注意。
电容容值表一、瓷片电容(非正负极):5PF 100PF(101)1000PF/1nF(102)10nF/0.01uF(103)10PF 120PF(121)1500PF/1.5nF(152)15nF/0.015uF(153)12PF 150PF(151)1800PF/1.8nF(182)20nF/0.02uF(203)15PF 220PF(221)2000PF/2nF(202)22nF/0.022uF(223)18PF 330PF(331)2200PF/2.2nF(222)33nF/0.033uF(333)20PF 470PF(471)2700PF/2.7nF(272)40nF/0.04uF(403)22PF 560PF(561)3300PF/3.3nF(332)47nF/0.047uF(473)27PF 680PF(681)4700PF/4.7nF(472)82nF/0.082uF(823)30PF 820PF(821)5600PF/5.6nF(562)100nF/0.1uF(104)33PF 6800PF/6.8nF(682)39PF47PF50PF68PF82PF二、独石电容(非正负极):100PF(101)1000PF/1nF(102)10nF/0.01uF(103)100nF/0.1uF(104)1uF(105)470PF(471)220nF/0.22uF(224) 2.2uF(225)470nF/0.47uF(474)三、涤纶电容(非正负极):1000PF/1nF(102)10nF/0.01uF(103)100nF/0.1uF(104)1500PF/1.5nF(152)15nF/0.015uF(153)220nF/0.22uF(224)2200PF/2.2nF(222)22nF/0.022uF(223)470nF/0.47uF(474)2700PF/2.7nF(272)27nF/0.027uF(2733300PF/3.3nF(332)33nF/0.033uF(333)4700PF/4.7nF(472)47nF/0.047uF(473)5600PF/5.6nF(562)56nF/0.056uF(563)6800PF/6.8nF(682)四、电解电容(正负极):0.1uF/50uF 1uF/50uF 100uF/25uF 1000uF/16uF0.22uF/50uF 2.2uF/50uF 100uF/35uF 1000uF/25uF0.33uF/50uF 3.3uF/50uF 100uF/50uF 1000uF/50uF0.47uF/50uF 4.7uF/50uF 220uF/25uF 2200uF/6.3uF10uF/50uF 330uF/35uF 2200uF/25uF22uF/50uF 470uF/25uF 2200uF/50uF33uF/16uF 470uF/50uF 3300uF/25uF47uF/25uF 680uF/16uF 3300uF/35uF47uF/50uF 680uF/25uF 3300uF/50uF4700uF/25uF4700uF/50uF电阻阻值:颜色:黑褐红橙黄绿蓝紫灰白金银代表数值:0 1 2 3 4 5 6 7 8 9 误差误差3色电阻:第一色环是十位数,第二色环是个位数,第三色环是应乘倍数,三环色标标称值的容差为20%4色环电阻:第一色环是十位数,第二色环是个位数,第三色环是应乘倍数(第三环还有金、银两色,金色为10的负一次方,银色为10的负二次方),第四色环是误差率,金色为5%,银色为10%,无色为20%。
涤纶电容器参数的标注方法
涤纶电容器参数的标注方法
今天有客户问我,我们的涤纶电容的参数怎幺去读取,小编感到疑惑,产品参数都标注的十分清楚的,经过了解后,发现客户原来看的是其他家的产品。
其实,涤纶电容器是有多种标注方法的,下面给大家讲讲。
涤纶电容是指用金属箔膜做素子,卷成圆柱形或者扁柱形芯子,介质是涤纶,涤纶薄膜电容,介电常数较高,体积小,容量大,稳定性较好,适宜做旁路电容,一般有以下几种标注方法:
1)文字符号法。
一般采用数字或字母与数字混合的方法来标注电容器的主要参数。
2)数字标注法。
一般是用3位数字表示电容器的容量。
其中前两位为有效值数字,第三位为倍乘数,也就是有效值之后有多少个零,就是多少了。
可能大家不太懂,这里给大家举个例子:如474,表示有效值是47,后面再加4个0,即470000Pf=0.47μf。
3)直标法:直接将电容器的主要参数(如:(容量、额定电压、最高耐压、偏差范围等)标注在电容器上。
比如0.47μf/310V,0.47μf是容量,相当于470000Pf,310V是耐压。
有的还会标上“J”“K”“M”等是偏差范围,J、K、M对应的偏差范围分别是5%、10%、20%。
以上就是常见的涤纶电容器参数的标注方法了,如果您有其他问题,可以咨询我们,我们将竭诚为您解答。
我们专业制造安规电容,压敏电阻,陶瓷电容,独石电容,薄膜电容,涤纶电容,您的支持和反馈是我们前进的动力。
以上资讯来自智旭电子公司研发部,更多资讯请大家移步至网站中获取。
333涤纶电容
333涤纶电容是一种电容器,具有优异的性能和广泛的应用领域。
涤纶电容是以聚酯薄膜作为介质的电容器,具有较高的耐温性能和良好的耐腐蚀性。
下面将详细介绍333涤纶电容的特点和应用。
首先,333涤纶电容具有较高的耐温性能。
相比于许多常见的电容器,涤纶电容能够承受更高的工作温度,通常可达到125℃。
这使得它在高温环境下的工作更加可靠,适用于一些对电容器要求较高的领域,如汽车电子、航空航天等。
其次,333涤纶电容具有良好的耐腐蚀性。
由于涤纶薄膜的特殊结构,涤纶电容能够抵御腐蚀性气体和液体的侵蚀,延长了电容器的使用寿命。
这使得它在一些恶劣环境下的应用更加可靠,如化工、海洋工程等领域。
此外,333涤纶电容具有较低的损耗因子和较高的介电强度。
损耗因子是衡量电容器能量损失程度的参数,而介电强度则是介质能够承受的最大电场强度。
涤纶电容由于其特殊的材料和结构,能够在
保持较低损耗因子的同时,具备较高的介电强度。
这使得它在一些对能量传输和存储要求高的领域中得到广泛应用,如电力电子、通信设备等。
总结起来,333涤纶电容作为一种优质的电容器,具有耐温性能好、耐腐蚀性强、损耗因子低等优点。
这使得它在许多领域中都有着广泛的应用,如汽车电子、航空航天、化工、电力电子等。
随着科技的不断进步,涤纶电容将会继续发展并在更多的领域中发挥重要作用。