华为基站硬件结构
- 格式:ppt
- 大小:721.00 KB
- 文档页数:6
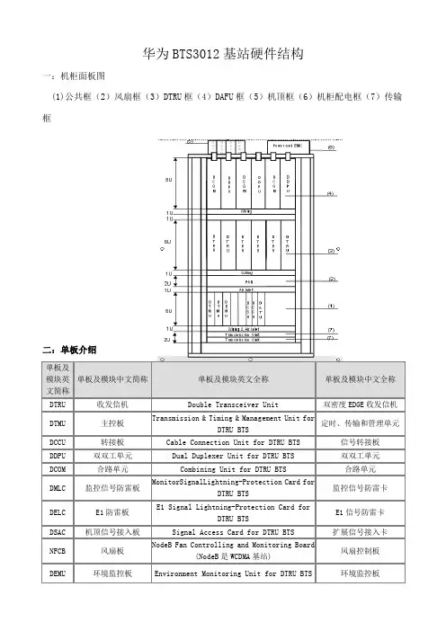
华为BTS3012基站硬件结构一:机柜面板图(1)公共框(2)风扇框(3)DTRU框(4)DAFU框(5)机顶框(6)机柜配电框(7)传输框二:单板介绍单板及模块英文简称单板及模块中文简称单板及模块英文全称单板及模块中文全称DTRU 收发信机Double Transceiver Unit 双密度EDGE收发信机DTMU 主控板Transmission & Timing & Management Unit forDTRU BTS定时、传输和管理单元DCCU 转接板Cable Connection Unit for DTRU BTS 信号转接板DDPU 双双工单元Dual Duplexer Unit for DTRU BTS 双双工单元DCOM 合路单元Combining Unit for DTRU BTS 合路单元DMLC 监控信号防雷板MonitorSignalLightning-Protection Card forDTRU BTS监控信号防雷卡DELC E1防雷板E1 Signal Lightning-Protection Card forDTRU BTSE1信号防雷卡DSAC 机顶信号接入板Signal Access Card for DTRU BTS 扩展信号接入卡NFCB 风扇板NodeB Fan Controlling and Monitoring Board(NodeB是WCDMA基站)风扇控制板DEMU 环境监控板Environment Monitoring Unit for DTRU BTS 环境监控板三:系统组成华为BTS3012主要有四部分组成:公共子系统,双密度载频子系统,射频前端子系统,天馈子系统。
公共子系统包括基站公共子系统,机顶接入子系统定时传输管理单板(DTMU)环境监控板(DEMU)并柜信号转接板(DCSU)信号转接板(DCCU)天线&塔放控制板(DATU)机顶接入子系统——组成单板监控信号防雷卡(DMLC)(选配)E1信号防雷卡(DELC)扩展信号接入卡(DSAC)双密度载频子系统——组成单板双密度收发信单元DTRU(Double Transceiver Unit)背板DTRB射频前端子系统——组成单板双密度双双工单元DDPU(Dual Duplexer Unit for DTRU BTS)双密度合路单元DCOM(Combining Unit for DTRU BTS)天馈子系统组成结构:天线、馈线、TMA(塔顶放大器)。
华为第四代基站U R R U
结构图
标准化管理部编码-[99968T-6889628-J68568-1689N]
华为第四代基站BBU+RRU结构图
1、BBU
BBU3900采用盒式结构,是一个19英寸宽、2U高的小型化的盒式设备,可安装在任何具有19英寸宽、2U高的室内环境或有防护功能的室外机柜中,BBU3900外观如所示。
2、RRU
RRU为室外型射频拉远单元,可靠近天线安装,RRU外观如图:
(带外壳图)
(不带外壳图)
3、4815电源模块
电源系统由整流模块、监控模块和交直流配电插框组成,其结构如图:
交直流配电插框的机械尺寸: 43.6mm×482.6mm×270mm
安装尺寸如图:
4、4805电源模块
电源系统由整流模块、监控模块和交直流配电插框组成,其结构如图:
交直流配电插框的机械尺寸(高×深×宽):
43mm×240mm×436mm(不含挂耳)
43mm×240mm×482mm(含挂耳)
安装尺寸如图:。
第一部分基站硬件介绍1.1 DBBP530基站系统概述DBBP530基站系统是华为新一代TD-SCDMA分布式基站,采用业界技术领先的多形态统一模块设计,具有体积小、容量大、功耗低、易于快速部署等特点。
1.1.1 DBBP530基站系统系统组成DBBP530基站系统的功能模块可灵活组合,以满足不同场景下的无线覆盖要求。
DBBP530基站系统的系统组成如图所示。
DBBP530基站系统的系统组成BBU设备是基带处理单元,完成NodeB与RNC之间的信息交互。
BBU与RRU之间使用光纤连接。
天馈系统接收上行信号,发射下行信号。
LMT(Local Maintenance Terminal)是安装了“华为本地维护终端”软件组,并与网元的实际操作维护网络连通的操作维护终端。
LMT可通过DBBP530维护DBBP530基站系统。
1.2 DBBP530设备DBBP530设备是基带处理单元,完成NodeB与RNC之间的信息交互。
DBBP530的主要功能包括:∙提供与RNC通信的物理接口,完成NodeB与RNC之间的信息交互。
∙提供与RRU通信的CPRI接口。
∙提供与LMT(或DOMC920)连接的维护通道。
∙完成上下行数据处理功能。
∙集中管理整个NodeB系统,包括操作维护和信令处理。
∙提供系统时钟。
DBBP530外形DBBP530采用19英寸盒式结构,高度为2U,提供8种业务单板插槽、两个电源单板插槽、1个风扇模块插槽。
DBBP530外形如图所示。
DBBP530外形DBBP530面板DBBP530的前面板共有11个槽位,除电源、风扇槽位,其它槽位可根据实际需求,配置不同的单板。
DBBP530面板如图所示。
DBBP530面板外观说明:BBP与BBI面板外观一致,但BBP不具有外接光接口功能。
1.2.1 MPT单板MPT(Main Processing&Transmission unit)单板是DBBP530的主控传输板,为其他单板提供信令处理和资源管理功能。
华为第四代基站BBU+RRU结构图
1、BBU
BBU3900采用盒式结构,是一个19英寸宽、2U高的小型化的盒式设备,可安装在任何具有19英寸宽、2U高的室内环境或有防护功能的室外机柜中,BBU3900外观如所示。
2、RRU
RRU为室外型射频拉远单元,可靠近天线安装,RRU外观如图:
(带外壳图)
(不带外壳图)
3、4815电源模块
电源系统由整流模块、监控模块和交直流配电插框组成,其结构如图:
交直流配电插框的机械尺寸: 43.6mm×482.6mm×270mm
安装尺寸如图:
4、4805电源模块
电源系统由整流模块、监控模块和交直流配电插框组成,其结构如图:
交直流配电插框的机械尺寸(高×深×宽):
43mm×240mm×436mm(不含挂耳)
43mm×240mm×482mm(含挂耳)
安装尺寸如图:。
5G 基站概述及基本操作 Copyright © Huawei Technologies Co., Ltd. All rights reserved.培训目标●学完本课程后,您应该能:☐了解华为5G基站的方案及产品☐了解BTS5900序列基站的功能及模块☐了解LampSite功能及模块☐了解5G基站的基本操作,包括设备及链路管理,基本无线参数管理1.5G基站概述2.5G基站基本操作1.5G基站概述1.1 系统概述1.2 系统结构1.3 机柜及其部件1.4 室内方案概述2. 5G基站基本操作SA(Standalone)组网采用Option 2组网架构,即采用端到端的5G网络架构,从终端、无线新空口到核心网都采用5G相关标准,支持5G各类接口和实现5G各项功能来提供5G各类服务。
●NSA主要聚焦5G初期部署的eMBB业务。
●LTE 是锚点,可以重用当前的EPC,可以快速引入5G。
华为gNodeB基站描述5G当前支持多种站型,包括DBS3900、DBS5900等多种,基站硬件主要由机柜、BBU和射频模块组成。
基带单元BBU3910/BBU5900射频单元RRU/AAU 机柜CPRI/eCPRI容量规格项目规格NR(TDD)-Sub6G(18个小区, 100MHz,2T2R/4T4R/32T32R/64T64R)2块UMPTg+6块UBBPg2d NR(TDD)-Sub6G(36个小区, 100MHz, 2T2R/4T4R/8T8R)2块UMPTe+6块UBBPg3e部署场景AAU RRU站点供电方案BBU 机柜BBU 时钟目录1.5G基站概述1.1 系统概述1.2 系统结构1.3 机柜及其部件1.4 室内方案概述2. 5G基站基本操作BBU5900和BBU3910物理结构●BBU5900●尺寸:86mm x 442mm x 310mm(高x 宽x 深) ●重量:满配置≤18kg ●BBU3910●尺寸:86mm x 442mm x 310mm(高x 宽x 深) ●重量:15kg(满配置)BBU逻辑结构BBU采用模块化设计,由基带子系统、整机子系统、传输子系统、互联子系统、主控子系统、监控子系统和时钟子系统组成BBU5900上有11个槽位,各类型单板在BBU槽位中的分布如下图所示。
一、华为BTS3012设备配置及故障介绍 (2)(1)BTS3012结构及功能 (2)(2)BTS3012典型配置 (2)(3)配置S4 (3)(4)配置S5&S6 (4)(5)配置S8 (4)(6)配置S12 (5)二、BTS3006C结构介绍 (6)(1)、BTS3006C具有和宏基站一样的双密度特性,同时又具有小基站的工程特性,安装方便、维护简单 (6)(2)BTS3006c典型配置 (6)(3)BTS3006C新增光传输 (8)三、华为DBS3900设备介绍 (9)一、华为BTS3012设备配置及故障介绍(1)BTS3012结构及功能(2)B TS3012典型配置BTS3012基站并柜并组最多支持2并柜3并组;每个柜可以配置12个TRX;对应关系如下表:(3)配置S4(4) 配置S5&S6典型配置S5~S6(合路器DFCU+DDPU): 1 副双极化天线 天馈模式:上行支路0和下行支路需配置发送模式选择:DFCU 载频“不合路” ,DDPU 载频“宽带合路” 接收模式选择:DFCU 载频“接收分路” ,DDPU 载频“接收分路”(5) 配置S8典型配置S8(合路器DFCU*2): 1 副双极化天线天馈模式:上行支路0和下行支路需配置发送模式选择:DFCU载频“不合路”接收模式选择:DFCU载频“接收分路”(6)配置S12典型配置S10~12(合路器DFCU*2+DFCB): 1 副双极化天线天馈模式:上行支路0和下行支路需配置 ,DFCB只配置下行支路发送模式选择:DFCU载频“不合路”接收模式选择:DFCU载频“接收分路”二、BTS3006C结构介绍(1)、BTS3006C具有和宏基站一样的双密度特性,同时又具有小基站的工程特性,安装方便、维护简单(2)BTS3006c典型配置由于3006c使用的传输模式为光传输接入,经模块DMCM里的光传输转换单板IASU转换为E1接入,每块DMCM支持四路,当新增一路传输是需对DMCM进三、华为DBS3900设备介绍DBS3900的功能模块包括BBU3036和RRU模块。
华为第四代基站BBU+RRU结构图
1、BBU
BBU3900采用盒式结构,是一个19英寸宽、2U高的小型化的盒式设备,可安装在任何具有19英寸宽、2U高的室内环境或有防护功能的室外机柜中,BBU3900外观如所示。
2、RRU
RRU为室外型射频拉远单元,可靠近天线安装,RRU外观如图:
(带外壳图)
(不带外壳图)
3、4815电源模块
电源系统由整流模块、监控模块和交直流配电插框组成,其结构如图:
交直流配电插框的机械尺寸: 43.6mm×482.6mm×270mm
安装尺寸如图:
4、4805电源模块
电源系统由整流模块、监控模块和交直流配电插框组成,其结构如图:交直流配电插框的机械尺寸(高×深×宽):
43mm×240mm×436mm(不含挂耳)
43mm×240mm×482mm(含挂耳)
安装尺寸如图:。