微波波导型号与详细参数
- 格式:xls
- 大小:63.50 KB
- 文档页数:8
波导中微波的模式波导是一种用来传输微波信号的导波结构,由金属壁面构成,中间空腔内充满介质。
在波导中,微波信号通过内部的反射而传播,产生各种模式。
不同模式具有不同的传播特性和分布特点,对于波导设计和应用都非常重要。
本文将介绍波导中常见的几种微波模式。
1.矩形波导模式:矩形波导是最常见的一种波导类型,由金属矩形管道组成。
在矩形波导中,有许多不同的模式,包括正交模式(TE模式)和纵向模式(TM模式)。
(1)TE模式:TE模式是横向电场模式,在矩形波导中,电场垂直于波导的横截面方向。
TE模式的特点是不含有磁场分量,只有电场分量。
TE模式分为TE10,TE20,TE01等不同的阶次。
(2)TM模式:TM模式是纵向磁场模式,在矩形波导中,磁场沿波导的横截面方向。
TM模式的特点是不含有电场分量,只有磁场分量。
TM模式也分为TM10,TM20,TM01等不同的阶次。
矩形波导模式的分布特点是波束在波导内壁上反射,形成驻波模式。
TE和TM模式可以共存,交替出现。
2.圆形波导模式:圆形波导是由金属圆管构成的波导结构。
圆形波导模式与矩形波导模式类似,也有TE模式和TM模式,但其阶次的确定方式略有不同。
(1)TE模式:TE模式是横向电场模式,电场沿着圆柱壁面方向。
TE 模式中的波动电场与壁面垂直,并且没有磁场分量。
(2)TM模式:TM模式是纵向磁场模式,磁场沿着圆柱壁面方向。
TM 模式中的波动磁场与壁面垂直,并且没有电场分量。
与矩形波导不同的是,圆形波导模式的阶次由径向模式数目(m)和角向模式数目(n)两个参数共同确定。
例如,TE11模式表示径向和角向模式都为13.表面波模式:除了矩形和圆形波导模式外,波导中还存在一种特殊的模式,称为表面波模式。
表面波模式是指波在波导壁面上沿着壁面传播的模式,不进一步传播到波导的深处。
表面波模式包括射线波、栅波和电磁波导模式。
射线波模式是指波束沿着表面传播,而不发散或收敛;栅波模式是指波束被壁面上的栅格结构所限制;电磁波导模式是指在电磁波导中,电磁波束是由电和磁场的耦合形成的。
1.6功率分配器/合成器【产品简介】恒达微波提供一系列高性能的波导魔T 、功分器、合成器产品。
在魔T 的H 臂或E 臂接上负载,则可制成魔T 功率分配器或合成器。
波导魔T 具有如下特点:平衡臂两端对称;从E 臂输入的信号会在平衡臂两端等幅反相输出,H 臂隔离;从H 臂输入的信号会在平衡臂两端等幅同相输出,E 臂隔离;从平衡臂任一端输入的信号在E 臂和H 口等分输出,而对应平衡臂另一端隔离。
因此魔T 具有的对口隔离、邻口3dB 耦合及完全匹配的特点,使之在微波领域获得了广泛应用,尤其用在单脉冲雷达和差比较器、雷达收发开关、功率分配/合成、混频器及移相器等场合。
【型号描述】波导魔T ,波导管型号BJ100,材料为铝(材料为铜时缺省)。
产品类型:波导魔TH D - 100 W M T A波导管型号:B J 100恒达微波材料:铝【产品类型】类型代码含义类型代码含义WET 波导ET 接头WHT 波导HT 接头WMTPC 波导同相功率合成器WMTPD 波导同相功率分配器WMT 波导魔TWSWC 波导90°功率分配器/合成器(窄边耦合);I\U\XY\YU 型WTWC波导90°功率分配器/合成器(宽边耦合);I\U\XY\YU 型1.6.1波导ET 接头、波导HT 接头这两种器件在微波系统中常用作功率分配/合成元件。
波导ET 接头可以将E 口输入的信号在平衡臂两端等幅反相输出,反之,在平衡臂两端等幅反相输入信号则在E 口合成输出;波导HT 接头可以将H 口输入的信号在平衡臂等幅同相输出,反之,在平衡臂两端等幅同相输入信号则在H 口合成输出,但是ET 、HT 接头是不匹配的器件,只对其E 口或是H 口进行单端口匹配。
1.6.1.1波导ET 接头【标准产品数据表】产品型号频率范围(GHz)工作带宽对称性(dB)E口驻波比插损(dB)法兰材料涂覆HD-3WET0.32-0.49≤15%±0.25≤1.15≤0.2FDP铝氧化HD-4WET0.35-0.53≤15%±0.25≤1.15≤0.2FDP铝氧化HD-5WET0.41-0.62≤15%±0.25≤1.15≤0.2FDP铝氧化HD-6WET0.49-0.75≤15%±0.25≤1.15≤0.2FDP铝氧化HD-8WET0.64-0.98≤15%±0.25≤1.15≤0.2FDP铝氧化HD-9WET0.75-1.15≤15%±0.25≤1.15≤0.2FDP铝氧化HD-12WET0.96-1.46≤15%±0.25≤1.15≤0.2FDP铝氧化HD-14WET 1.13-1.73≤15%±0.25≤1.15≤0.2FDP铝氧化HD-18WET 1.45-2.20≤15%±0.25≤1.15≤0.2FDP铝氧化HD-22WET 1.72-2.61≤15%±0.25≤1.15≤0.2FDP铝氧化HD-26WET 2.17-3.30≤15%±0.25≤1.15≤0.2FDP铝氧化HD-32WET 2.60-3.95≤15%±0.25≤1.15≤0.2FDP铝氧化HD-40WET 3.22-4.90≤15%±0.25≤1.15≤0.2FDP铝氧化HD-48WET 3.94-5.99≤15%±0.35≤1.20≤0.2FDP铝氧化HD-58WET 4.64-7.05≤15%±0.35≤1.20≤0.2FDP铝氧化HD-70WET 5.38-8.17≤15%±0.35≤1.20≤0.3FDP铜镀银HD-84WET 6.57-9.99≤15%±0.35≤1.20≤0.3FBP铜镀银HD-100WET8.20-12.40≤15%±0.35≤1.20≤0.3FBP铜镀银HD-120WET9.84-15.0≤15%±0.35≤1.20≤0.3FBP铜镀银HD-140WET11.9-18.0≤15%±0.40≤1.25≤0.3FBP铜镀银HD-180WET14.5-22.0≤15%±0.40≤1.25≤0.4FBP铜镀银HD-220WET17.6-26.7≤15%±0.40≤1.25≤0.4FBP铜镀银HD-260WET21.7-33.0≤15%±0.40≤1.25≤0.4FBP铜镀银HD-320WET26.5-40.0≤15%±0.40≤1.25≤0.4FBP铜镀银HD-400WET32.9-50.1≤10%±0.50≤1.35≤0.5FUGP铜镀金HD-500WET39.2-59.6≤10%±0.50≤1.35≤0.5FUGP铜镀金HD-620WET49.8-75.8≤10%±0.50≤1.35≤0.5FUGP铜镀金HD-740WET60.5-91.9≤10%±0.50≤1.35≤0.5FUGP铜镀金HD-900WET73.8-112≤10%±0.50≤1.35≤0.5FUGP铜镀金1.6.1.2波导HT 接头【标准产品数据表】产品型号频率范围(GHz)工作带宽对称性(dB)H 口驻波比插损(dB)法兰材料涂覆HD-3WHT 0.32-0.49≤15%±0.25≤1.15≤0.2FDP 铝氧化HD-4WHT 0.35-0.53≤15%±0.25≤1.15≤0.2FDP 铝氧化HD-5WHT 0.41-0.62≤15%±0.25≤1.15≤0.2FDP 铝氧化HD-6WHT 0.49-0.75≤15%±0.25≤1.15≤0.2FDP 铝氧化HD-8WHT 0.64-0.98≤15%±0.25≤1.15≤0.2FDP 铝氧化HD-9WHT 0.75-1.15≤15%±0.25≤1.15≤0.2FDP 铝氧化HD-12WHT 0.96-1.46≤15%±0.25≤1.15≤0.2FDP 铝氧化HD-14WHT 1.13-1.73≤15%±0.25≤1.15≤0.2FDP 铝氧化HD-18WHT 1.45-2.20≤15%±0.25≤1.15≤0.2FDP 铝氧化HD-22WHT 1.72-2.61≤15%±0.25≤1.15≤0.2FDP 铝氧化HD-26WHT 2.17-3.30≤15%±0.25≤1.15≤0.2FDP 铝氧化HD-32WHT 2.60-3.95≤15%±0.25≤1.15≤0.2FDP 铝氧化HD-40WHT 3.22-4.90≤15%±0.25≤1.15≤0.2FDP 铝氧化HD-48WHT 3.94-5.99≤15%±0.35≤1.20≤0.2FDP 铝氧化HD-58WHT 4.64-7.05≤15%±0.35≤1.20≤0.2FDP 铝氧化HD-70WHT 5.38-8.17≤15%±0.35≤1.20≤0.3FDP 铜镀银HD-84WHT 6.57-9.99≤15%±0.35≤1.20≤0.3FBP 铜镀银HD-100WHT 8.20-12.40≤15%±0.35≤1.20≤0.3FBP 铜镀银HD-120WHT 9.84-15.0≤15%±0.35≤1.20≤0.3FBP 铜镀银HD-140WHT 11.9-18.0≤15%±0.40≤1.20≤0.3FBP 铜镀银HD-180WHT 14.5-22.0≤15%±0.40≤1.25≤0.4FBP 铜镀银HD-220WHT 17.6-26.7≤15%±0.40≤1.25≤0.4FBP 铜镀银HD-260WHT 21.7-33.0≤15%±0.40≤1.25≤0.4FBP 铜镀银HD-320WHT 26.5-40.0≤15%±0.40≤1.25≤0.4FBP 铜镀银HD-400WHT32.9-50.1≤10%±0.50≤1.35≤0.5FUGP铜镀金产品型号频率范围(GHz)工作带宽对称性(dB)H 口驻波比插损(dB)法兰材料涂覆HD-500WHT 39.2-59.6≤10%±0.50≤1.35≤0.5FUGP 铜镀金HD-620WHT 49.8-75.8≤10%±0.50≤1.35≤0.5FUGP 铜镀金HD-740WHT 60.5-91.9≤10%±0.50≤1.35≤0.5FUGP 铜镀金HD-900WHT73.8-112≤10%±0.50≤1.35≤0.5FUGP铜镀金1.6.2波导魔T【标准产品数据表】产品型号频率范围(GHz)工作带宽驻波比隔离度(E-H )(dB)对称性(dB)法兰材料涂覆H 口E 口HD-3WMT 0.32-0.49≤20%≤1.20≤1.50≥35≤0.25FDP 铝氧化HD-4WMT 0.35-0.53≤20%≤1.20≤1.50≥35≤0.25FDP 铝氧化HD-5WMT 0.41-0.62≤20%≤1.20≤1.50≥35≤0.25FDP 铝氧化HD-6WMT 0.49-0.75≤20%≤1.20≤1.50≥35≤0.25FDP 铝氧化HD-8WMT 0.64-0.98≤20%≤1.20≤1.50≥35≤0.25FDP 铝氧化HD-9WMT 0.75-1.15≤20%≤1.20≤1.50≥35≤0.25FDP 铝氧化HD-12WMT 0.96-1.46≤20%≤1.20≤1.50≥35≤0.25FDP 铝氧化HD-14WMT 1.13-1.73≤20%≤1.20≤1.50≥35≤0.25FDP 铝氧化HD-18WMT 1.45-2.20≤20%≤1.20≤1.50≥35≤0.25FDP 铝氧化HD-22WMT 1.72-2.61≤20%≤1.20≤1.50≥35≤0.4FDP 铝氧化HD-26WMT 2.17-3.30≤20%≤1.20≤1.50≥35≤0.4FDP 铝氧化HD-32WMT 2.60-3.95≤20%≤1.20≤1.50≥35≤0.4FDP 铝氧化HD-40WMT 3.22-4.90≤20%≤1.20≤1.50≥35≤0.4FDP 铝氧化HD-48WMT 3.94-5.99≤20%≤1.20≤1.50≥35≤0.4FDP 铝氧化HD-58WMT 4.64-7.05≤20%≤1.20≤1.50≥35≤0.4FDP 铝氧化HD-70WMT 5.38-8.17≤20%≤1.20≤1.50≥35≤0.4FDP 铜镀银HD-84WMT 6.57-9.99≤20%≤1.20≤1.50≥35≤0.4FBP 铜镀银HD-100WMT 8.20-12.4≤20%≤1.20≤1.50≥35≤0.4FBP 铜镀银HD-120WMT 9.84-15.0≤20%≤1.20≤1.50≥35≤0.4FBP铜镀银产品型号频率范围(GHz)工作带宽驻波比隔离度(E-H )(dB)对称性(dB)法兰材料涂覆H 口E 口HD-140WMT 11.9-18.0≤20%≤1.20≤1.50≥35≤0.4FBP 铜镀银HD-180WMT 14.5-22.0≤20%≤1.20≤1.50≥35≤0.4FBP 铜镀银HD-220WMT 17.6-26.7≤20%≤1.20≤1.50≥30≤0.4FBP 铜镀银HD-260WMT 21.7-33.0≤20%≤1.20≤1.50≥30≤0.4FBP 铜镀银HD-320WMT 26.5-40.0≤20%≤1.20≤1.50≥30≤0.4FBP 铜镀银HD-400WMT 32.9-50.1≤20%≤1.20≤1.50≥30≤0.5FUGP 铜镀金HD-500WMT 39.2-59.6≤20%≤1.20≤1.50≥30≤0.5FUGP 铜镀金HD-620WMT 49.8-75.8≤20%≤1.20≤1.50≥30≤0.5FUGP 铜镀金HD-740WMT 60.5-91.9≤20%≤1.20≤1.50≥30≤0.5FUGP 铜镀金HD-900WMT73.8-112≤20%≤1.20≤1.50≥30≤0.5FUGP铜镀金1.6.3波导同相功率分配器/合成器根据波导魔T 所特有的对口隔离、邻口3dB 耦合及完全匹配的特点,可在在波导魔T 的E 臂内置负载,制成波导同相功率分配器/合成器。
微波波段划分及应用微波波段划分是指根据频率将微波波段划分为不同的频段,常见的微波波段划分有以下几类:超高频(UHF)波段、SHF(Super High Frequency)波段、EHF (Extremely High Frequency)波段等。
下面将对各个频段进行详细介绍以及其应用领域。
首先是超高频(UHF)波段,其频率范围为300 MHz到3 GHz。
UHF波段具有较强的穿透力和传输能力,常常用于无线电通信,包括广播、电视、对讲机等。
此外,UHF波段还广泛应用于雷达系统、气象观测、无线局域网(WiFi)以及卫星通信等领域。
其次是SHF(Super High Frequency)波段,其频率范围为3 GHz到30 GHz。
SHF波段具有更大的带宽和更高的传输速率,广泛应用于通信领域。
在移动通信中,SHF波段被用于4G和5G网络,以提供高速数据传输和优质的通话体验。
此外,SHF波段还被应用于雷达、卫星通信、无线电天文学等方面。
最后是EHF(Extremely High Frequency)波段,其频率范围为30 GHz到300 GHz。
EHF波段具有更大的带宽和更高的传输速率,是实现高速无线通信的理想频段。
EHF波段被广泛应用于微波通信、毫米波通信以及军事领域的高频雷达、红外探测等。
此外,EHF波段还被应用于医学领域,如医学图像的传输和无线医疗设备的通信。
除了以上几类常见的微波波段划分,还存在其他频段的微波波段,如VHF(Very High Frequency)波段、L(Long Wave)波段和甚高频(SHF)波段等。
这些频段在无线通信、航空无线电通信、卫星通信、电子对抗等领域中都有特定的应用。
总的来说,微波波段的划分是根据频率范围来划分的,不同的频段在不同的应用领域具有不同的特点。
微波波段广泛应用于通信、雷达、无线电天文学、军事领域、医学领域等多个领域,为各种无线设备的发展提供了技术支持。
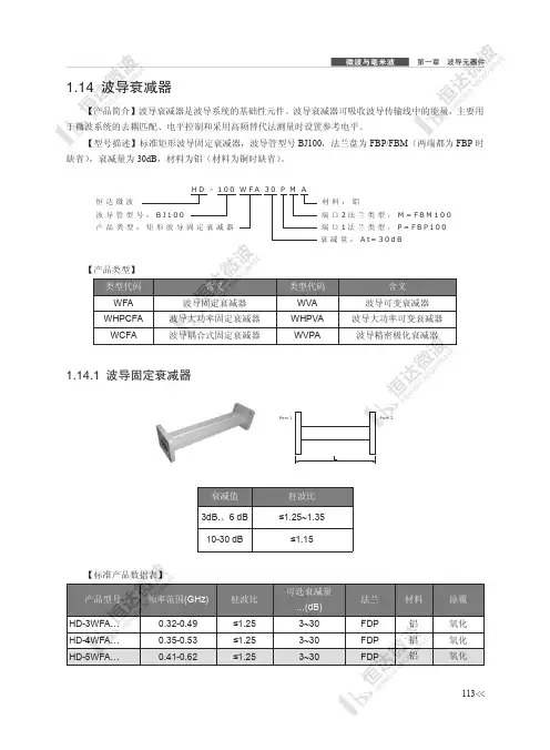
1.14波导衰减器【产品简介】波导衰减器是波导系统的基础性元件。
波导衰减器可吸收波导传输线中的能量,主要用于微波系统的去耦匹配、电平控制和采用高频替代法测量时设置参考电平。
【型号描述】标准矩形波导固定衰减器,波导管型号BJ100,法兰盘为FBP/FBM(两端都为FBP时缺省),衰减量为30dB,材料为铝(材料为铜时缺省)。
端口2法兰类型:M=F B M100端口1法兰类型:P=F B P100波导管型号:B J100衰减量:A t=30d B产品类型:矩形波导固定衰减器恒达微波材料:铝H D-100W F A30P M A【产品类型】类型代码含义类型代码含义WFA波导固定衰减器WVA波导可变衰减器WHPCFA波导大功率固定衰减器WHPVA波导大功率可变衰减器WCFA波导耦合式固定衰减器WVPA波导精密极化衰减器1.14.1波导固定衰减器Port 1Port 2衰减值驻波比3dB.、6dB≤1.25~1.3510-30dB≤1.15【标准产品数据表】产品型号频率范围(GHz)驻波比可选衰减量…(dB)法兰材料涂覆HD-3WFA…0.32-0.49≤1.253~30FDP铝氧化HD-4WFA…0.35-0.53≤1.253~30FDP铝氧化HD-5WFA…0.41-0.62≤1.253~30FDP铝氧化113产品型号频率范围(GHz)驻波比可选衰减量…(dB)法兰材料涂覆HD-6WFA…0.49-0.75≤1.253~30FDP铝氧化HD-8WFA…0.64-0.98≤1.253~30FDP铝氧化HD-9WFA…0.75-1.15≤1.253~30FDP铝氧化HD-12WFA…0.96-1.46≤1.253~30FDP铝氧化HD-14WFA… 1.13-1.73≤1.253~30FDP铝氧化HD-18WFA… 1.45-2.20≤1.253~30FDP铝氧化HD-22WFA… 1.72-2.61≤1.253~30FDP铝氧化HD-26WFA… 2.17-3.30≤1.253~30FDP铝氧化HD-32WFA… 2.60-3.95≤1.253~30FDP铝氧化HD-40WFA… 3.22-4.90≤1.253~30FDP铝氧化HD-48WFA… 3.94-5.99≤1.253~30FDP铝氧化HD-58WFA… 4.64-7.05≤1.253~30FDP铝氧化HD-70WFA… 5.38-8.17≤1.253~30FDP铜镀银HD-84WFA… 6.57-9.99≤1.253~30FBP铜镀银HD-100WFA…8.20-12.40≤1.253~30FBP铜镀银HD-120WFA…9.84-15.0≤1.253~30FBP铜镀银HD-140WFA…11.9-18.0≤1.253~30FBP铜镀银HD-180WFA…14.5-22.0≤1.253~30FBP铜镀银HD-220WFA…17.6-26.7≤1.253~30FBP铜镀银HD-260WFA…21.7-33.0≤1.253~30FBP铜镀银HD-320WFA…26.5-40.0≤1.253~30FBP铜镀银HD-400WFA…32.9-50.1≤1.303~30FUGP铜镀金HD-500WFA…39.2-59.6≤1.303~30FUGP铜镀金HD-620WFA…49.8-75.8≤1.303~30FUGP铜镀金HD-740WFA…60.5-91.9≤1.353~30FUGP铜镀金HD-900WFA…73.8-112≤1.353~30FUGP铜镀金1.14.2波导耦合式固定衰减器波导耦合式固定衰减器是一种以全带宽高方向性低耦合频响的耦合器为基础的高精度宽带固定衰减器。
1.5波导旋转关节【产品简介】旋转关节,主要用于雷达馈线系统中固定部分和旋转部分的连接,按结构形式可分为I 型、L 型和U 型等,按组成通道可分为单路,双路和多路旋转关节,产品频率范围覆盖2.6-40GHz 。
【型号描述】波导大功率旋转关节,波导管型号BJ100,结构形式为L 型,法兰类型为:FBP/FBM (两端都为FBP 时缺省),材料为铝(材料为铜时缺省)。
波导管型号:B J 100产品类型: 波导大功率旋转关节恒达微波H D - 100 W H P R J L P M A材料:A 铝材C 铜材单路L 型端口1/2法兰类型: P:平法兰 M:密封法兰 E:扼流法兰【产品类型】类型代码含义类型代码含义WRJ 波导旋转关节DRWRJ 双脊波导旋转关节WHPRJ 大功率波导旋转关节DRWHPRJ 大功率双脊波导旋转关节WRJ I T极化旋转关节CWRJ圆波导旋转关节1.5.1单路波导旋转关节【产品类型】型号代号含义结构图驻波起伏(WOW )插损起伏(WOW )旋转寿命(万转)I 单路I 型≤0.05≤0.05dB 300L 单路L 型≤0.05≤0.05dB 300U 单路U 型≤0.05≤0.05dB 3001.5.1.1I 型波导旋转关节【标准产品数据表】产品型号频率范围(GHz)工作带宽驻波比插损(dB )平均功率(W)峰值功率(KW)法兰材料涂覆HD-32WRJ I 2.60-3.95≤15%≤1.20≤0.25600600FDP 铝氧化HD-40WRJ I 3.22-4.90≤15%≤1.20≤0.25600600FDP 铝氧化HD-48WRJ I 3.94-5.99≤15%≤1.20≤0.25600600FDP 铝氧化HD-58WRJ I 4.64-7.05≤15%≤1.20≤0.25500150FDP 铝氧化HD-70WRJ I 5.38-8.17≤15%≤1.20≤0.25500150FDP 铝氧化HD-84WRJ I 6.57-9.99≤15%≤1.20≤0.3400150FBP 铜镀银HD-100WRJ I 8.20-12.5≤15%≤1.20≤0.3400150FBP 铜镀银HD-120WRJ I 9.84-15.0≤15%≤1.20≤0.320010FBP 铜镀银HD-140WRJ I 11.9-18.0≤15%≤1.20≤0.31004FBP 铜镀银HD-180WRJ I 14.5-22.0≤15%≤1.20≤0.31003FBP 铜镀银HD-220WRJI I 17.6-26.7≤15%≤1.25≤0.5500.5FBP 铜镀银HD-260WRJ I 21.7-33.0≤15%≤1.25≤0.5300.3FBP 铜镀银HD-320WRJ I26.5-40.0≤15%≤1.25≤0.5300.3FBP铜镀银1.5.1.2L 型旋转关节【标准产品数据表】产品型号频率范围(GHz)工作带宽驻波比插损(dB )平均功率(W)峰值功率(KW)法兰材料涂覆HD-32WRJL 2.60-3.95≤15%≤1.20≤0.25600600FDP 铝氧化HD-40WRJL 3.22-4.90≤15%≤1.20≤0.25600600FDP 铝氧化HD-48WRJL3.94-5.99≤15%≤1.20≤0.25600600FDP铝氧化产品型号频率范围(GHz)工作带宽驻波比插损(dB )平均功率(W)峰值功率(KW)法兰材料涂覆HD-58WRJL 4.64-7.05≤15%≤1.20≤0.25500150FDP 铝氧化HD-70WRJL 5.38-8.17≤15%≤1.20≤0.25500150FDP 铝氧化HD-84WRJL 6.57-9.99≤15%≤1.20≤0.3400150FBP 铜镀银HD-100WRJL 8.20-12.5≤15%≤1.20≤0.3400150FBP 铜镀银HD-120WRJL 9.84-15.0≤15%≤1.20≤0.320010FBP 铜镀银HD-140WRJL 11.9-18.0≤15%≤1.20≤0.31004FBP 铜镀银HD-180WRJL 14.5-22.0≤15%≤1.25≤0.31003FBP 铜镀银HD-220WRJL 17.6-26.7≤15%≤1.25≤0.5500.5FBP 铜镀银HD-260WRJL 21.7-33.0≤15%≤1.25≤0.5300.3FBP 铜镀银HD-320WRJL26.5-40.0≤15%≤1.25≤0.5300.3FBP铜镀银1.5.1.3U 型旋转关节【标准产品数据表】产品型号频率范围(GHz)工作带宽驻波比插损(dB )平均功率(W)峰值功率(KW)法兰材料涂覆HD-32WRJU 2.60-3.95≤15%≤1.20≤0.25600600FDP 铝氧化HD-40WRJU 3.22-4.90≤15%≤1.20≤0.25600600FDP 铝氧化HD-48WRJU 3.94-5.99≤15%≤1.20≤0.25600600FDP 铝氧化HD-58WRJU 4.64-7.05≤15%≤1.20≤0.25500150FDP 铝氧化HD-70WRJU 5.38-8.17≤15%≤1.20≤0.25500150FDP 铝氧化HD-84WRJU 6.57-9.99≤15%≤1.20≤0.3400150FBP 铜镀银HD-100WRJU 8.20-12.5≤15%≤1.20≤0.3400150FBP 铜镀银HD-120WRJU 9.84-15.0≤15%≤1.20≤0.320010FBP 铜镀银HD-140WRJU 11.9-18.0≤15%≤1.20≤0.31004FBP 铜镀银HD-180WRJU 14.5-22.0≤15%≤1.25≤0.31003FBP 铜镀银HD-220WRJU 17.6-26.7≤15%≤1.25≤0.5500.5FBP 铜镀银HD-260WRJU 21.7-33.0≤15%≤1.25≤0.5300.3FBP 铜镀银HD-320WRJU26.5-40.0≤15%≤1.25≤0.5300.3FBP铜镀银1.5.1.4大功率波导旋转关节【标准产品数据表】产品型号频率范围(GHz)工作带宽驻波比插损(dB )平均功率(W)法兰材料涂覆HD-32WHPRJUTM01 2.60-3.95≤5%≤1.15≤0.203000W FDP 铝镀银HD-40WHPRJUTM01 3.22-4.90≤5%≤1.15≤0.203000W FDP 铝镀银HD-48WHPRJUTM01 3.94-5.99≤5%≤1.15≤0.203000W FDP 铝镀银HD-58WHPRJUTM01 4.64-7.05≤5%≤1.15≤0.203000W FDP 铝镀银HD-70WHPRJUTM01 5.38-8.17≤5%≤1.15≤0.202000W FDP 铝镀银HD-84WHPRJUTM016.57-9.99≤5%≤1.20≤0.202000W FBP 铜镀银HD-100WHPRJUTM018.20-12.5≤5%≤1.20≤0.202000W FBP 铜镀银HD-120WHPRJUTM019.84-15.0≤5%≤1.20≤0.201000W FBP 铜镀银HD-140WHPRJUTM0111.9-18.0≤5%≤1.25≤0.202000W FBP 铜镀银HD-180WHPRJUTM0114.5-22.0≤5%≤1.25≤0.25500W FBP 铜镀银HD-220WHPRJUTM0117.6-26.7≤5%≤1.25≤0.25500W FBP 铜镀银HD-260WHPRJUTM0121.7-33.0≤5%≤1.25≤0.25300W FBP 铜镀银HD-320WHPRJUTM0126.5-40.0≤5%≤1.25≤0.25300WFBP铜镀银1.5.1.590°极化旋转关节【标准产品数据表】产品型号频率范围(GHz)驻波比插损(dB )平均功率(W)法兰材料涂覆HD-70WRJ I T 5.38-8.17≤1.25≤0.3200W FDP 铜镀银HD-84WRJ I T6.57-9.99≤1.25≤0.3100WFBP铜镀银产品型号频率范围(GHz)驻波比插损(dB )平均功率(W)法兰材料涂覆HD-100WRJ I T 8.20-12.5≤1.25≤0.3100W FBP 铜镀银HD-120WRJ I T 9.84-15.0≤1.25≤0.3100W FBP 铜镀银HD-140WRJ I T 11.9-18.0≤1.25≤0.3100W FBP 铜镀银HD-180WRJ I T 14.5-22.0≤1.25≤0.350W FBP 铜镀银HD-220WRJ I T 17.6-26.7≤1.4≤0.350W FBP 铜镀银HD-260WRJ I T 21.7-33.0≤1.5≤0.350W FBP 铜镀银HD-320WRJ I T26.5-40.0≤1.5≤0.350WFBP铜镀银1.5.1.6圆波导旋转关节圆波导旋转关节主要用于圆波导系统中固定部分和旋转部分的连接,主要结构形式为I 型。
标准波导尺寸波导是一种用于传输电磁波的管状结构,常用于微波和毫米波领域。
波导的尺寸对于其传输性能起着至关重要的作用。
在设计和制造波导时,必须严格遵循标准波导尺寸,以确保其性能和稳定性。
本文将介绍标准波导尺寸的相关内容,帮助读者更好地了解和应用波导技术。
波导的尺寸主要包括波导的截面尺寸、长度和材料等方面。
首先,波导的截面尺寸是指波导横截面的尺寸参数,包括宽度、高度和形状等。
这些参数直接影响波导的传输特性,如截止频率、传输损耗等。
因此,在设计波导时,必须根据具体的工作频率和传输要求来确定合适的截面尺寸。
其次,波导的长度也是一个重要的尺寸参数。
波导的长度不仅影响其传输特性,还直接关系到其在实际应用中的布局和安装。
在确定波导的长度时,需要考虑传输波长、场模式和功率损耗等因素,以保证波导的性能达到预期要求。
此外,波导的材料也对其性能产生重要影响。
不同材料的介电常数、磁导率和导电性能等参数不同,会直接影响波导的传输特性和损耗情况。
因此,在选择波导材料时,需要综合考虑工作频率、环境条件和成本等因素,以找到最合适的材料。
总的来说,标准波导尺寸是根据波导的工作频率、传输要求和实际应用环境等因素来确定的。
合理的波导尺寸设计能够有效地提高波导的传输性能和稳定性,减小传输损耗,提高系统的整体效率。
因此,在波导的设计和制造过程中,必须严格遵循标准波导尺寸,确保波导的性能达到预期要求。
总之,标准波导尺寸对于波导的设计和制造至关重要。
合理的波导尺寸设计能够提高波导的传输性能和稳定性,减小传输损耗,提高系统的整体效率。
因此,设计和制造波导时,必须严格遵循标准波导尺寸,确保波导的性能达到预期要求。
(射频)米波的频率范围在300 MHz –3GHz,主要用于通讯和电视广播。
(微波)厘米波的频率范围在3GHz—30GHz 主要用于雷达、卫星通讯,无线电导航。
毫米波的频率范围在30 GHz --300 GHz用于卫星通讯通信系统传输单位——分贝基础知识2010-02-03 14:13:56 阅读42 评论0 字号:大中小订阅在我们日常生活和工作中离不开自然计数法,但在一些自然科学和工程计算中,对物理量的描述往往采用对数计数法。
从本质上讲,在这些场合用对数形式描述物理量是因为它们符合人的心理感受特性。
这是因为,在一定的刺激范围内,当物理刺激量呈指数变化时,人们的心理感受是呈线性变化的,这就是心理学上的韦伯定律和费希钠定律。
它揭示了人的感官对宽广范围刺激的适应性和对微弱刺激的精细分辨,好象人的感受器官是一个对数转换装置一样。
例如两个倍频的声音可以感受一个八度音程,而一个十二平均律的小二度正好是八度音程的对数的十二分之一。
采用对数描述上述的物理量,一是用较小的数描述了较大的动态范围,特别有利于作图的情况。
它也把某些非线性变化的量转换成线性量。
例如频率从直流到1Hz的差别可比1000Hz到1001Hz差别大得多。
当然频率的对数单位不是以dB而是以倍频程表示。
另一个好处是把某些乘除运算变成了加减运算,如计算多级电路的增益,只需求各级增益的代数和,而不必将各级的放大/衰减倍数相乘。
我们知道,零和小于零的负数是没有对数的,只有大于零的正数才能取对数,这样一来,原来的物理量经过对数转换后,原来的功率、幅度、倍数等这些非负数性质的量,它们的值域便扩展到了整个实数范围。
这并不意味着它们本身变负了,而只是说明它们与给定的基准值相比,是大于基准值还是小于基准值,小于则用负对数表示,若大于则用正对数表示。
分贝的计算很简单,对于振幅类物理量,如电压、电流强度等,将测量值与基准值相比后求常用对数再乘以20;对于它们的平方项的物理量如功率,取对数后乘以10就行了;不管是振幅类还是平方项,变成分贝后它们的量级是一致的,可以直接进行比较、计算。
一、引言50欧姆阻抗的共面波导结构(cwpg)是一种常见的微波传输线结构,广泛应用于无线通信、雷达系统等领域。
它具有低损耗、高速度和良好的抗干扰能力等优点,因此备受工程技术人员的青睐。
本文将对50欧姆阻抗的共面波导结构的参数进行详细介绍,包括其特点、设计原理、优化方法等内容,旨在为相关领域的研究人员提供理论指导和实际应用参考。
二、50欧姆阻抗的共面波导结构的特点1. 与传统微带线相比,50欧姆阻抗的共面波导结构具有更低的损耗和更高的功率处理能力。
2. 该结构中的电磁场主要分布在金属板的两侧,在高频微波传输中显示出更好的稳定性和抗干扰能力。
3. 由于其结构简单、制作工艺成熟,50欧姆阻抗的共面波导结构在工程应用中具有较高的可靠性和稳定性。
三、50欧姆阻抗的共面波导结构的参数1. 传输特性参数1.1 电压驻波比(VSWR)50欧姆阻抗的共面波导结构的电压驻波比是衡量其匹配性能的重要指标,一般要求在设计工作频率范围内小于1.5,以保证较好的信号传输质量。
1.2 传输损耗传输损耗是指信号在传输过程中耗散的能量占总能量的比例。
50欧姆阻抗的共面波导结构的传输损耗要低于传统微带线,一般要求在工作频率下小于0.1dB/cm。
1.3 群速度群速度是指信号在传输线中传输的速度,50欧姆阻抗的共面波导结构的群速度要保持稳定,以确保信号的同步性和精准性。
2. 制造工艺参数2.1 金属板材料50欧姆阻抗的共面波导结构一般采用高导电性的金属材料,如铜、铝等,以保证电磁场的良好传输和抗干扰能力。
2.2 绝缘介质绝缘介质的选择对结构的参数有重要影响,在50欧姆阻抗的共面波导结构中,常用的绝缘介质材料包括PTFE、FR4等,其介电常数和介电损耗要求较高。
3. 结构优化参数3.1 宽度和间距50欧姆阻抗的共面波导结构的宽度和金属板之间的间距对其传输特性有很大影响,需要通过优化设计来实现在工作频率下的50欧姆阻抗匹配。
3.2 端口设计结构的端口设计包括输入输出端口的匹配和接头设计,直接影响了结构的传输性能和稳定性。
标准波导尺寸波导是一种用于传输电磁波的导向结构,广泛应用于通信、雷达、微波炉等领域。
波导的尺寸对其性能有着重要影响,因此了解标准波导尺寸对于工程设计和应用具有重要意义。
波导的尺寸包括宽度、高度、长度等参数,不同类型的波导有着不同的标准尺寸。
以下将介绍一些常见波导的标准尺寸及其应用。
矩形波导是最常见的一种波导类型,其标准尺寸通常由宽度和高度两个参数来描述。
常见的标准尺寸包括WR-90(10.16mm ×4.32mm)、WR-75(9.53mm × 3.81mm)、WR-62(15.75mm ×7.87mm)等。
不同尺寸的矩形波导适用于不同频段的传输,例如WR-90适用于X波段,WR-75适用于Ku波段。
圆形波导是另一种常见的波导类型,其标准尺寸由直径来描述。
常见的标准尺寸包括R100(100mm)、R120(120mm)、R150(150mm)等。
圆形波导通常用于低频段的传输,具有较好的电磁屏蔽性能和传输稳定性。
除了矩形和圆形波导,还有许多其他类型的波导,如双Ridged波导、同轴波导等,它们都有着各自的标准尺寸和特性。
在选择波导时,需要根据具体的应用需求来确定合适的尺寸和类型。
在工程设计中,正确选择和使用标准波导尺寸对于确保系统性能和稳定性至关重要。
通过合理匹配波导尺寸和频段,可以最大限度地减小传输损耗,提高系统的传输效率和可靠性。
总之,了解和掌握标准波导尺寸对于工程设计和应用具有重要意义。
不同类型的波导有着不同的标准尺寸,正确选择和使用标准波导尺寸可以最大限度地提高系统的性能和稳定性。
希望本文对于读者对标准波导尺寸有所帮助。
以上就是关于标准波导尺寸的相关内容,希望对大家有所帮助。
如果您对此有任何疑问或者需要进一步了解的话,请随时与我们联系。
77ghz 毫米波矩形波导尺寸77GHz毫米波矩形波导是一种用于传输高频电磁波的设备,通常应用于雷达系统、通信系统和无线电系统中。
其尺寸和设计对于传输效率和信号质量起着至关重要的作用。
在本文中,我们将深入探讨77GHz毫米波矩形波导的尺寸设计原理和步骤。
第一步,确定工作频率在77GHz毫米波矩形波导的设计中,首先需要确定工作频率。
工作频率将直接影响波导的尺寸和设计参数。
在雷达和通信系统中,77GHz是一个常用的工作频率,因为它在高频段中拥有较好的性能和传输特性。
第二步,选择合适的波导模式77GHz毫米波矩形波导可采用多种不同的模式,包括TE(Transverse Electric)模式和TM(Transverse Magnetic)模式。
选择合适的波导模式取决于具体的应用需求和设计要求。
一般来说,TE10模式是77GHz毫米波矩形波导的常见模式,因为它具有更低的损耗和更好的传输性能。
第三步,确定波导的截面尺寸一旦确定了工作频率和波导模式,接下来需要确定波导的截面尺寸。
波导的截面尺寸取决于特定的频率和模式,可以使用电磁场分布和波导方程进行计算。
对于毫米波矩形波导,常见的截面形状是长方形,其中宽度(b)和高度(h)是决定波导性能的主要参数。
第四步,计算波导的传输特性一旦波导的截面尺寸确定,可以使用Maxwell方程和波导方程计算波导的传输特性。
这些特性包括传输损耗、模式耦合和功率传输效率等。
通过精确的计算和仿真,可以验证波导的设计是否满足要求,并做出相应的调整和优化。
第五步,优化波导的设计根据计算和仿真结果,可以进行波导的设计优化。
优化的目标是最小化传输损耗、最大化功率传输效率和优化波导的频率响应。
常见的优化方法包括调整波导尺寸、添加衬底和改变波导布线等。
第六步,制备波导样品一旦波导的设计满足要求,下一步是制备波导样品。
常见的制备方法包括切割、打孔和铣削。
制备过程中需要保证波导的尺寸和几何形状与设计保持一致,并且确保表面光滑和无缺陷。
标准波导尺寸对照表导语:波导是一种用于传输微波信号的结构,常用于无线通信系统和雷达设备中。
波导的尺寸是非常重要的,它直接关系到波导的工作特性和性能。
下面是一份标准波导尺寸对照表,以便工程师在设计波导时参考使用。
1.WR-22:-内径:0.220英寸-外径:0.492英寸-波导宽度:0.109英寸2.WR-42:-内径:0.420英寸-外径:0.870英寸-波导宽度:0.315英寸3.WR-62:-内径:0.620英寸-外径:1.495英寸-波导宽度:0.560英寸4.WR-90:-内径:0.900英寸-外径:1.950英寸-波导宽度:0.750英寸5.WR-137:-内径:1.370英寸-外径:3.380英寸-波导宽度:1.100英寸6.WR-187:-内径:1.870英寸-外径:4.620英寸-波导宽度:1.540英寸7.WR-284:-内径:2.840英寸-外径:6.910英寸-波导宽度:2.220英寸8.WR-430:-内径:4.300英寸-外径:9.840英寸-波导宽度:3.840英寸需要注意的是,以上尺寸为常见的波导尺寸之一,实际上还有很多其他不同尺寸的波导可供选择,具体选择哪种尺寸,取决于使用情况和特定应用需求。
在选择波导尺寸时,工程师应该考虑以下几个因素:1.频率范围:不同尺寸的波导适用于不同的频率范围。
因此,工程师需要选择与所需频率范围相匹配的尺寸,以确保传输良好的信号质量。
2.功率要求:波导的尺寸与其所能承受的功率有关。
对于高功率应用,需要选择足够大的波导尺寸,以防止功率损耗和过热。
3.空间限制:波导的尺寸也受到空间限制的影响,尤其是在安装和布线时。
因此,工程师需要在适用的尺寸范围内进行选择,以满足具体的空间要求。
4.材料选择:波导的尺寸也与其材料有关。
常见的波导材料包括铜,铝,不锈钢等。
不同的材料具有不同的导电特性和热传导性能,因此也会影响到波导的尺寸选择。
总结:。
磁控管用的波导介绍磁控管用的波导是一种重要的电子器件,广泛应用于微波和毫米波器件中。
在磁控管中,波导负责将电磁波导引至磁控腔室,并将其传输到负载端。
本文将全面、详细、完整地探讨磁控管用的波导。
磁控管概述磁控管是一种利用电子束与交变磁场相互作用实现微波放大、振荡和调制的器件。
它由磁控腔室、阳极和阴极等部分构成。
为了有效地传输微波信号,磁控管内引入了波导。
波导的作用波导在磁控管中起着至关重要的作用,主要有以下几个方面:1.电磁波传输:波导在磁控管中承担着电磁波的传输任务,将高频信号从发射端传输到负载端。
波导的设计和性能将直接影响磁控管整体的工作性能。
2.电磁波阻抗匹配:波导内的电磁波传输需要与其他部分相匹配,以实现最大功率传输。
波导的特性阻抗需要与磁控管内其他部分的特性阻抗相匹配,以减小能量反射和信号损耗。
3.磁场分布:波导不仅能够传输电磁波,还能影响磁场的分布。
通过合理设计波导结构,可以实现对磁控腔室内磁场的控制,进而影响电子束的运动和微波信号的特性。
波导结构与类型波导的结构和类型具有多样性,不同的结构适用于不同的应用场景。
以下是常见的波导结构和类型。
波导结构常见的波导结构有矩形波导、圆柱波导和同轴波导。
矩形波导是将电磁波引导在一个矩形截面内的波导。
它广泛应用于微波和毫米波器件中,具有较好的传输特性和较低的损耗。
圆柱波导圆柱波导是在圆柱截面内引导电磁波的波导。
它适用于某些特殊场合,如环形加速器和圆柱形结构的微波器件。
同轴波导同轴波导是将电磁波导引在两个同心圆柱之间的波导。
它广泛应用于通信和广播领域,具有良好的抗干扰性能和高频率传输能力。
波导类型波导根据工作频率的不同可以分为短波波导和微波波导。
短波波导短波波导适用于低频率信号的传输。
常见的短波波导有金属管和金属棒。
微波波导微波波导适用于高频率信号的传输。
常见的微波波导有矩形波导、圆柱波导和同轴波导等。
波导特性和参数了解波导的特性和参数对于合理设计和应用具有重要意义。