蒂森故障参考
- 格式:pdf
- 大小:191.93 KB
- 文档页数:37
蒂森电梯快慢车可能会出现的问题及故障正文1 抱闸线圈得电,主机不动作。
原因:抱闸片跟主机锈死粘住。
可以拆松螺丝进行松动,也可以按“松闸”,四人在轿厢里齐跳,将抱闸片震松。
2. 出现轿顶开一段距离,主板复位。
不断重复该现象。
原因:可以先检查下控制柜后面及变频器柜的抱闸检测开关的线有没有插好。
另一个可能是抱闸检测开关失灵。
(1)可以用刀片刮下检测开关,将检测开关触头跟抱闸之间的锈铁屑刮掉。
(2)调节其距离:用内六角将检测开关拆下,将其置于刚好断开的状态,再将其拧紧。
注意事项:装检测开关时,注意其平行度。
将其装好后,一般都可以正常运行。
还是无法解决的话,需更换检测开关。
3. 抱闸线圈不得电,有时会得电,非正常。
原因:很大可能抱闸板烧坏。
4. 快车前的编码器自整定:①一般做P86前,先查看下P81的数据是否符合要求。
符合要求后,再进行P86。
②做好P86后(P105显示的脉冲数为零),将葫芦取下,可以进入P53查看电梯上下行的电流是否超过额定电流值。
当电梯可以上下运行及电流值正常后,说明P86编码器自整定成功。
假如发现电机运转电流太大,应重新做P86。
5. P86没做好的话,运行电流可能会过大,超过额定值或者可能会出现轿顶开电梯只下不上,轿顶动梯运行一段停一下的状况。
只需重新做一次P86就可解决问题。
6. 做好P86后,动梯出现一直溜梯的现象。
原因:动力线相序错误。
将动力线两两对换,直至正常运行,一般为蓝棕灰排列。
7. 快车调试时,注意码板的位置,确保底层、顶层及其他楼层的码板要装对位置及不可重复(相同)。
不然井道教入时会出错。
8. 在快车调试时,切记要将F67合上,不然电梯正常运行至底层的时候,电梯将停在底层,不响应其他选层信号。
9. 通讯故障,一般的办法是将0V线与零线短接,还有一种办法是将两条H、L线进行双绞,都是起到增大屏蔽的效果。
10. 现象:机房运行正常,轿顶运行半米左右自动停梯,报8616,8688,OC24等故障原因:没有调好抱闸检测开关解决方法:进入0500功能,看3c3d,调整好抱闸后,故障消除调整抱闸检测开关:a) 确认好抱闸检测开关X25接线无误后,将X25的线头插上b) 诊断仪主菜单调至0500→Enter→3c3d→手动拧螺母至4或8号灯刚好由亮变灭→用扳手将前一个螺母往开关方向旋出1/4圈→旋紧后面的螺母c) 如果抱闸开关是常开的,而电路图上要求是常闭的话,则通过以下步骤改变抱闸开关为常闭:d) 1500→转→15AE→Enter→AE86→Enter→AEAA→转→AE00→Enter→完毕,保存e) 启动电梯,看3C3D的4,8号灯同时变亮,若不是的话,就进行微调,直至两个指示灯同时变亮f) 检查X13的6,7上电压正常(6: 3V, 7: 1.9V)且X13线号正确后,将X13插到MC2对应端口11. 现象:按步骤在PT参数仪和诊断仪输入相应参数后,电梯不能运行原因:变频器到主机的动力线没有按颜色一一对应解决方法:断电后,将U,V,W与24,25,26对应接起来12. 现象:合上总开关Q00送电后,发现线槽有打火花现象原因:线槽中的随行电缆在拐角处有一条线破皮,导致与线槽外壳短接解决方法:将破皮处用胶布包好,并要求安装队以后在线槽的拐角处做必要地保护13. 现象:机房动车正常,轿顶检修运行不了,进入500的1415发现检修及检修上下行的指示灯都不亮原因:通讯线X13线排没插好解决方法:确认好X13上的线号及端子的6,7号脚电压正确后,将X13牢靠插上14. 现象:K00继电器不吸合原因:轿顶X14的4,5号脚没插好解决方法:将X14插好后,K00继电器动作正常15. 轿顶检修运行后报警,经排查发现为称重通讯线插头插反了16. 轿顶运行走走停停,重新调整抱闸检测开关后,解决了这一问题17. 轿顶检修运行不了,机房能运行。
蒂森电梯常见的故障及处理电梯故障原因详细分析【1】问题:电梯有错层现象,是由哪些原因所引起的?答;1:引轮有打滑现象,包括电梯快车急停引起的打滑。
请检查曳引轮、平衡系数、曳引轮包角等;2:终端减速或限位开关动作不可靠,这些开关动作后,如不能可靠复位会引起错层;3:编码器信号受干扰,导致脉冲计数不准确,电梯错层,请注意编码器线和动力线必须分开走线槽,编码器屏蔽层单端可靠接地。
控制柜中,变频器制动单元接线需和编码器线分开;4:对于PLC控制系统,电梯运行过程中,平层信号误动作、平层信号受到干扰或闪动会导致楼层数据错乱,电梯错层。
【2】问题:电梯经常有不关门现象,是由哪些原因所引起的?答;1:光幕或安全触板动作;2:开门按钮动作;3:本层外呼按钮卡死;4:关门到位信号误动作;5:超载开关动作;6:主板故障保护;7:电机温度保护动作;8:门机故障;9:通过主板CAN通讯干扰评估功能,检查CAN通讯状况。
恶劣的通讯状况也可能导致不关门现象;10:关门继电器、接触器有问题。
【3】问题:客户反映电梯经常有不开门现象,请问哪些原因会引起?答;1:开门限位动作不正常,经常误动作,导致不开门;2:门机有问题,门机机械上卡阻或者门机变频器故障;3:开门继电器有问题;4:主板报故障,有些故障会导致主板输出全部切断,包括开关门;5:关门按钮卡死,现在全串行的主板程序,对于关门按钮卡死,电梯停站后还是能够开门到位,但我司PLC控制的程序,关门按钮卡死,有可能导致电梯到站不开门;6:电梯错层,在其它楼层开门,厅外误以为到站不开门【4】问题:慢车运行,不接轿厢通讯时可以运行,接上轿厢通讯就不运行?答:不接轿厢通讯,主板不检测SM-02板的输入信号,接上轿厢通讯,主板将检测SM-02的输入信号,接上通讯线后出现不能运行的现象,一般是由下面原因所造成的:①:门机的开门到位信号不正确,如果门锁闭合时开门到位信号动作,那么电梯检修将不能运行;②:如果超载信号动作,那么电梯检修将不能运行。
蒂森MC2常见故障案例分析(中)故障86 00 :抱闸控制电路监控异常。
可能原因:检查抱闸开关的位置,检查抱闸刹衬是否磨损,必要时可以通过150D教⼊功能取消该监测功能。
86 01 : 抱闸仅能通过安全回路被关闭。
86 08 :开始运⾏之前,⼀个抱闸卡阻检测出开关打开。
故障解释:检查抱闸开关86 80 :开始运⾏之前,⼀个抱闸卡阻检测出开关打开。
故障解释:检查抱闸开关86 88 :开始运⾏之前,两个抱闸卡阻检测出开关打开。
故障解释:检查抱闸开关,或检查抱闸开关触点开闭状态,必要时通过AE86修改86 XX : 从V53.05程序版本,预留了通过位状态来判别故障。
信息(XX=如下的⼗六进制数)2^0 : 0(如果是1,则抱闸故障将被CPI-E记录)2^1 : 上或下运⾏指令(没有CPI-E)2^2 : 运⾏或⽅向接触器反馈信息2^3 : BLK1:=1表⽰⼀个抱闸开关信号异常2^4 : VRB信号(没有CPI-E)2^5 : SFG1信号(没有CPI-E)2^6 : 如果=1,则运⾏结束后死机注意:报抱闸故障先⽤万⽤表检测X25的1脚2脚是不是有电。
故障9500 Monitoring control device has triggered。
故障现象:电梯可能是在加速,全速或减速时,⿊屏消号,复位后显⽰“JU”调整运⾏后恢复正常。
故障解释:(Isostop 16M, Isostop 25M, Isostop 60 (API), controlledhydraulic elevator with Beringer control valve unit) 控制部分在运⾏阶段时驱动器停⽌。
现场处理:使⽤PT表检查API/CPI故障堆栈后再作处理,详见API/CPI的故障解释说明。
变频器的驱动监控有如下原因造成:1.客户电源造成,如客户的电源电压不稳定,缺相等造成相序继电器频繁动作(电梯运⾏过程中或启动时)。
蒂森电梯的曳引机常见故障及处理1.蒂森电梯的曳引机不开闸故障A.蒂森电梯的曳引机电磁线圈没有通电或电压不对。
应注意检查蒂森电梯的曳引机制动器接线及其电压值。
B.制动臂双侧弹簧压力过大。
调整弹簧压力,按曳引机额定转矩的2倍整定。
C.蒂森电梯的曳引机的制动器线圈损坏(开路)。
可用万用表测量。
D.蒂森电梯的曳引机的制动器开闸间隙小。
调节电磁铁的行程。
2.蒂森电梯的曳引机开闸和闭闸时双侧制动臂不同步A.制动臂双侧弹簧压力不均,开闸慢的一侧弹簧压力大于开闸快的一侧。
压力大的一侧应减少弹簧压力,在保证制动力足够的前提下尽可能使双侧压力相等。
B.两侧制动臂开闸行程不合适,调节制动瓦的开闸间隙。
3.蒂森电梯的曳引机制动器声音过大A.蒂森电梯的曳引机开闸时制动瓦和制动轮间隙不合适,当开闸间隙过大时声音加大。
B.蒂森电梯的曳引机检查制动体顶杆与制动臂顶杆螺栓是否留有1~1.5mm 的缓冲间隙。
4。
蒂森电梯的曳引机闭闸后的制动力矩不够A.双侧闸臂压紧弹簧压力不够,重新调整和校验。
B.蒂森电梯的曳引机制动体动铁芯顶杆与制动臂顶杆螺栓间没有留有自由活动间隙,双侧顶杆与制动臂顶死,造成制动臂不能充分回位。
调整制动臂顶杆螺栓。
C.蒂森电梯的曳引机制动轮和制动瓦间有油等杂物,使摩擦力减少。
注意清除油污等杂物。
5.运行时摩擦制动瓦闸带运行A.蒂森电梯的曳引机制动瓦和制动轮间隙过小。
按附录2重新调整间隙。
B.制动瓦上下不平行,造成上、下间隙差过大。
上部制动瓦已打开但下部制动瓦还有摩擦或相反情况。
按附录2调整制动瓦的上下平行性。
C.制动瓦下端定位螺栓调整不当,开闸时制动瓦上部内侧弹簧释放弹簧力使制动瓦上部与制动轮相摩擦。
按附录2调整制动瓦下端定位螺栓。
6.制动体线圈过热A.线圈电压过高。
检查线圈电压,最大值不超过额定值的7%。
B.制动体的持续运行率过大,必要时在控制系统中增加经济电阻,降低运行时线圈电压。
7.蒂森电梯的曳引机电机过热A.查看蒂森电梯的变频器电流是否明显大于电机额定值。
蒂森克虏伯电梯常见故障解决详解MC2 电梯:当在 1 楼按外呼后,电梯到 1 楼后电梯门打开后马上关门,没有故障码,电梯在其他楼层正常,如果在轿箱内按 1 楼内选,电梯到 1 楼后正常开门,经过⼀段时间后正常关门。
检查主板,发现 AF69 是 0。
(AF69:主楼层处门等待时间显⽰;AF6A:主楼层处门等待时间更改)。
TE-E 电梯:电梯空载下⾏单层,当电梯接近平层时电梯到站钟⼀直响,直到电梯平层。
如果轿箱内站⽴⼀个⼈,此现象不会出现,空载运⾏多层没问题。
检查发现轿箱靴衬过紧造成,松动后电梯正常。
MC1 电梯:电梯到达平层后,刚开始开门⽐较慢(约三分之⼀⾏程),好像没有⼒矩,⽤⼿轻推⼀下,电梯门正常,关门正常。
检查发现做完门⼑⾃学习后,脉冲显⽰ 600,重新门⼑⾃学习,脉冲显⽰为 530 后电梯开门正常(标准为 520)。
MC2 电梯:电梯显⽰ JU,故障码为 6400,测量主机侧热敏电阻有⼤约 200 欧姆的阻值,变频器测量为17――18 ⽆穷⼤,检查甲⽅轿箱照明接线不好导致控制柜内 F00 没电,F00没电导致 K153 不吸合,从⽽使变频器的 17――18 电阻为⽆穷⼤,处理后电梯正常。
MC2-S 电梯:⽤ PDA 做井道教⼊时经常出现不成功现象,⽤ I 型诊断仪可以解决,说明MC2-S 主板通讯⼝有问题。
TE-E 电梯:电梯显⽰死机符号,断电可以复位,故障代码为 32,9。
更换相序继电器后电梯正常MC2 ⽆机房电梯:电梯经常坏,显⽰ ju,――,报的故障码⽐较多,做电机⾃整定,升级主板程序后正常。
TE-E 电梯:电梯恒显⽰ 1,检查发现井道总线有断点,处理后正常。
TE-E 电梯:电梯频繁死机,检查发现抱闸接线松动,处理后正常。
MC2-S 电梯:电梯频繁报 9500 故障,检查地线,称重后电梯故障频率降低,但还是有,通过 PT 检查发现变频器报故障,更换变频器后电梯正常。
TE-E 电梯:由于甲⽅经常锁电梯,导致变频器参数经常复位,现场将 SM-01B 主板的JP5 的 11 直接接⾄ JP5 的 9,就是在锁梯的情况下,保证 KM1 吸合。
蒂森常见故障维修一例抱闸检测
现象:外呼板显示“--”,紧急电动运行启动正常,运行半米左右自动停梯,报8616,8688,OC24等故障。
原因:没有调好抱闸检测开关
解决方法:进入0500功能,看3c3d界面,观察抱闸同步状态,调整好抱闸后,故障消除。
调整抱闸检测开关步骤
1.
1. 确认好抱闸检测开关X25接线无误后,将X25的线头插上。
2.
诊断仪主菜单调至0500→Enter→3c3d→手动拧螺母至4或8号灯刚好由亮变灭→用扳手将前一个螺母往开关方向旋出1/4圈→旋紧后面的螺母。
3.
如果抱闸开关是常开的,而电路图上要求是常闭的话,则通过以下步骤改变抱闸开关为常闭。
4.
1500→15AE→Enter→AE86→Enter→AEAA→转→AE00→Enter→完毕,保存。
5.
启动电梯,看3C3D的4,8号灯同时变亮,若不是的话,就进行微调,直至两个指示灯同时变亮。
6.
检查X13的6,7上电压正常(6: 3V, 7: 1.9V)且X13线号正确后,将X13插到MC2对应端口。
蒂森克虏伯电梯TCM常见故障的诊断、分析及处理1、门系统方面的故障故障现象:电梯门关闭,内外指令正常登记,运行方向及COP、LIP楼层显示正常,不能启动也不能开门,关人。
故障解释:门锁机械锁钩在XX层卡住,在特性芯片内的门型号必须被正确设定。
现场处理:检查特性芯片的门机型号设定,带有门板驱动机构的一般设定参数:A093/F0F3=04,如果设定成其他值如28等,则偶尔会出现这个故障。
2)06XX故障现象:电梯门已经关闭,单梯内外指令全部消号,并联梯内指令消号,无法登记,无运行方向,COP、LIP楼层显示正常,不能启动也不能开门,关人。
故障解释:电梯三次关门尝试门锁不能闭合,15分钟后再次尝试。
现场处理:A)检查该层的门锁触点是否合得上,是否锁钩闭合不上,调整;B)检查该层的厅门机械部件是否卡阻,是否受到撞击,调整;C)检查厅门地坎内是否有异物如螺丝、小石子致厅门门锁不能闭合;D)检查门锁接线是否松动,接线盒也要一起检查,紧固。
3)14XX故障现象:电梯在运行中急停,层显消号,系统复位后显示”JU”调整运行结束后再次恢复正常运行。
现场处理:A)通过DU1检查故障代码,看XX是哪一层,一般来说使用MS2板的系统比较准确,国产的如MS2-C,MS3-C,MS3-S则不一定准确;B)有个别厅门锁触点因不能完全插入导致虚接,仔细检查并调整;C)门锁机械装置不到位致门锁触点闭合不牢靠,调整并活动部分润滑;D)高速电梯重点检查门锁片插入深度及簧片变形量,很重要;E)门锁触点回路接线松动;F)高层电梯使用的K139.1,K139.2,K139.3触点或接线不良;4)6300/63XX故障现象:电梯门已经关闭,电梯运行时突然门锁断开,该故障现象与14XX基本上相同,急停,消号,电梯重新调整运行后恢复。
现场处理:(与14XX处理方法基本相同)A)通过DU1检查故障代码,看XX是哪一层,一般来说使用MS2板的系统比较准确,国产的如MS2-C,MS3-C,MS3-S则不一定准确;B)有个别厅门锁触点因不能完全插入导致虚接,仔细检查并调整;C)门锁机械装置不到位致门锁触点闭合不牢靠,调整并活动部分润滑;D)高速电梯重点检查门锁片插入深度及簧片变形量,很重要;E)门锁触点回路接线松动;F)高层电梯使用的K139.1,K139.2,K139.3触点或接线不良;5)0701/0801故障现象:电梯开门到位后,虽门保护信号均正常也按住关门却不能正常关门,层显正常,大概30秒后关门,然后运行。
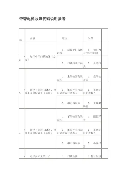
蒂森电梯故障代码帝森部分故障代码故障代码显示15SM-01-A多次重开门后门锁仍旧无法关门SM-01-B 方向指令给出后超过2秒变频器无运行信号反馈故障代码显示16SM-01-B在制动器信号给出的状态下发现变频器无运行信号反馈故障代码显示17SM-01主板上电时进行参数校验发现参数错误原因主控制器的设置参数超出本身的默认值对策修改到允许范围以内故障代码显示18井道自学习楼层与预设置楼层(指所有安装平层插板的楼层总数)不符合原因1.设定参数与实际层楼不符2.平层插板偏离3.平层感应器受到干扰对策1.设定成一致2.调整平层插板3.换一芯无干扰电缆线故障代码显示19SM-01-A板发现抱闸接触器KM3或者辅助接触器KM2触点不能安全释放(不启动)故障代码显示20SM-01-A板发现上平层干簧损坏或轿厢卡死故障代码显示21SM-01-A板发现下平层干簧损坏或轿厢卡死故障代码显示22电梯倒溜原因1.变频器未工作2.严重超载3.编码器损坏对策1.检查变频器2.调整超载开关3.更换编码器故障代码显示23电梯超速原因1.编码器打滑或损坏2.严重超载对策1.检查编码器的连接2.调整超载开关故障代码显示24电梯失速原因1.机械上有卡死现象,如:安全钳动作,蜗轮蜗杆咬死,电机轴承咬死2.抱闸未可*张开3.编码器损坏对策1.检查安全钳,蜗轮,蜗杆、齿轮箱、电机轴承2.检查抱闸张紧力3.检查编码器连线或更换森电梯TE-E故障代码故障代码显示内容原因对策02 运行中厅门锁脱开(急停) 1. 运行中门刀擦门球2. 门锁线头松动 1. 调门刀与门球的间隙2. 压紧线头03 错位(超过45CM),撞到上强停时修正(急停) 1. 上限位开关误动作2. 限位开关移动后未进行井道教入3. 编码器损坏 1. 查限位开关2. 重新进行井道教入3. 更换编码器04 错位(超过45CM),撞到下强停时修正(急停) 1. 下限位开关误动作2. 限位开关移动后未进行井道教入3. 编码器损坏 1. 限位开关2. 重新进行井道教入3. 换编码器05 电梯到站无法开门 1. 门锁短接2. 门电机打滑3. 门机不工作 1.停止短接2.检查皮带3.检查门机控制器06 关门受阻时间超过120秒 1. 关门时门锁无法合上2. 安全触板动作3. 外呼按钮卡死4. 门电机打滑5. 门机不工作08 SM-02-B和SM-03A轿厢控制器通讯中断(不接收指令) 1. 通讯受到干扰2. 通讯中断3. 终端电阻未短接 1.检查通讯线是否远离强电2.连接通讯线3.短接终端电阻09 调速器出错变频器故障对应变频器故障代码表处理10 错位(超过45CM),撞到上多层强慢时修正 1. 上行多层减速开关误动作2. 多层减速开关移动后未进行井道教入3. 编码器损坏 1.检查多层减速开关2.重新井道教入3.更换编码器11 错位(超过45CM),撞到下多层强慢时修正 1. 下行多层减速开关误动作2. 多层减速开关移动后未进行井道教入编码器损坏 1.检查多层减速开关2.重新井道教入3.更换编码器12 错位(超过45CM),撞到上单层强慢时修正 1. 上行单层减速开关误动作2. 单层减速开关移动后未进行井道教入3. 编码器损坏 1.检查单层减速开关2.重新井道教入3.更换编码器13 错位(超过45CM),撞到下单层强慢时修正 1. 下行单层减速开关误动作2. 单层减速开关移动后未进行井道教入编码器损坏 1. 检查单层减速开关2. 重新井道教入3. 更换编码器14 平层干簧错误15 SM-01-A多次重开门后门锁仍旧无法关门SM-01-B 方向指令给出后超过2秒变频器无运行信号反馈故障代码显示内容原因对策02运行中厅门锁脱开(急停)1.运行中门刀擦门球2.门锁线头松动1.调门刀与门球的间隙2.压紧线头03错位(超过45CM),撞到上强停时修正(急停)1.上限位开关误动作2.限位开关移动后未进行井道教入3.编码器损坏1.查限位开关2.重新进行井道教入3.更换编码器04错位(超过45CM),撞到下强停时修正(急停)1.下限位开关误动作2.限位开关移动后未进行井道教入3.编码器损坏1.限位开关2.重新进行井道教入3.换编码器05电梯到站无法开门1.门锁短接2.门电机打滑3.门机不工作1.停止短接2.检查皮带3.检查门机控制器06关门受阻时间超过120秒1.关门时门锁无法合上2.安全触板动作3.外呼按钮卡死4.门电机打滑5.门机不工作08SM-02-B和SM-03A轿厢控制器通讯中断(不接收指令)1.通讯受到干扰2.通讯中断3.终端电阻未短接1.检查通讯线是否远离强电2.连接通讯线3.短接终端电阻09调速器出错变频器故障对应变频器故障代码表处理10错位(超过45CM),撞到上多层强慢时修正1.上行多层减速开关误动作2.多层减速开关移动后未进行井道教入3.编码器损坏1.检查多层减速开关2.重新井道教入3.更换编码器11错位(超过45CM),撞到下多层强慢时修正1.下行多层减速开关误动作2.多层减速开关移动后未进行井道教入编码器损坏1.检查多层减速开关2.重新井道教入3.更换编码器12错位(超过45CM),撞到上单层强慢时修正1.上行单层减速开关误动作2.单层减速开关移动后未进行井道教入3.编码器损坏1.检查单层减速开关2.重新井道教入3.更换编码器13错位(超过45CM),撞到下单层强慢时修正1.下行单层减速开关误动作2.单层减速开关移动后未进行井道教入编码器损坏1.检查单层减速开关2.重新井道教入3.更换编码器14平层干簧错误15SM-01-A多次重开门后门锁仍旧无法关门SM-01-B方向指令给出后超过2秒变频器无运行信号反馈15故障代码SM-01-A多次重开门后门锁仍旧无法关门SM-01-B方向指令给出后超过2秒变频器无运行信号反馈16SM-01-B在制动器信号给出的状态下发现变频器无运行信号反馈17SM-01主板上电时进行参数校验发现参数错误主控制器的设置参数超出本身的默认值修改到允许范围以内18井道自学习楼层与预设置楼层(指所有安装平层插板的楼层总数)不符合1.设定参数与实际层楼不符2.平层插板偏离3.平层感应器受到干扰1.设定成一致2.调整平层插板3.换一芯无干扰电缆线19SM-01-A板发现抱闸接触器KM3或者辅助接触器KM2触点不能安全释放(不启动)故障代码显示内容原因对策20SM-01-A板发现上平层干簧损坏或轿厢卡死21SM-01-A板发现下平层干簧损坏或轿厢卡死22电梯倒溜1.变频器未工作2.严重超载3.编码器损坏1.检查变频器2.调整超载开关3.更换编码器23电梯超速1.编码器打滑或损坏2.严重超载1.检查编码器的连接2.调整超载开关24电梯失速1.机械上有卡死现象,如:安全钳动作,蜗轮蜗杆咬死,电机轴承咬死2.抱闸未可*张开3.编码器损坏1.检查安全钳,蜗轮,蜗杆、齿轮箱、电机轴承2.检查抱闸张紧力3.检查编码器连线或更换31电梯静止时有一定数量脉冲产生1.抱闸弹簧过松2.严重超载1.检查抱闸状况,紧抱闸弹簧2.减轻轿厢重量,调3.钢丝绳打滑4.编码器损坏整超载开关3.更换绳轮或钢丝绳4.更换编码器32安全回路动作1.相序继电器不正常2.安全回路动作1.检查相序2.检查安全回路35抱闸接触器检测出错1.接触器损坏,不能正常吸合2.接触器卡死3. X4输入信号断开1.更换接触器2.检查连接线36KM2接触器检测出错1.接触器损坏,不能正常吸合2.接触器卡死3.X15输入信号断开1.更换接触器2.检查连接线37门锁检测出错1.接触器损坏,不能正常吸合2.接触器卡死3.输入信号X9与X3不一致1.更换接触器2.检查连接线三菱电梯故障代码多少2F三菱电梯怎么老是在最低层或1层死机``而且走快车慢车从负一层到一层之间突然急停``然后再反平层开门又可以正常走梯``时不时会出现一次```出现多了就开着门死机``名称指示内容pp相序检查灯Wdt1拖动电脑工作灯Wdt2控制电脑工作灯41dg门关闭灯21开门指令22关门指令29安全回路89自动或运行中60自动状态dz门区指示灯ste串行通讯检查灯stm指令灯up上运行dn下运行mnt检查灯三菱GPS系列电梯的故障代码从GPS,GPS2到GPS3,系统机构发生了很大的变化,操作方法有较大差异。
故障码故障说明原因,修复或指导W 01 XX 门锁触点RK 或RKD 在XX 楼层处卡住在XX 层检查门锁触点或门的机械部件。
在任务特性程序中必须将正确的门型号编程输入6 02 01 召唤因监控作用被禁止CPU 中需要一块8-kbyte RAM 102 02 在电梯特性程序中 Quasi 的 ZSE 开关被删掉,但在Siemens 的CPU 中仍使用用Thyssen 的CPU 带后备电池的RAM 芯片(停电或HS 断开时存储位置信息)102 80 未定义或错误的运行阶段 103 YY 电梯特性程序中未编入泊停层、关梯层或消防员层电梯特性程序中的订货号 (标签) 必须和数据表列出的数据一致104 NN TCI:由磁开关ZSE 引起的故障TCI:CPU 检查是否有一个以上ZSE 动作,如果是,则停梯并且04 NN 故障连续存储4 次。
SM 304 XX TCM:由磁开关ZSE 引起的故障CPU 检查是否有一个以上的ZSE 动作。
所有的ZSE 动作的楼层XX 均会显示。
检查ZSE 磁开关。
故障只发生在ZSE 选层器。
05 YY 群控来的不正确的计算机请求(MG 板损坏或群控接线错误) TCI:检查MG 板或群控接线(圆电缆或扁电缆)TCM:检查群控总线(MZ1 板)软件故障:鉴别工作程序版本和次级标志(YY) 并通知2故障码故障说明原因,修复或指导W 06 XX 在HS:XX 处三次锁不上门后紧急停梯检查HS:XX 处门锁触点或门的机械部件(异物)。
参见17 页解释。
M207 00 TSO 故障- 主门:TSO 开关在给出TO 命令後30 秒内不动作,於是CPU 会模拟TSO 信号,因此在正常的等待时间到达後就能再度关门. TSO 开关损坏或调整不正确。
检查之。
在带轿门锁的电梯中轿门未锁的信息丢失。
如果TO 命令未被执行则故障也可能在门控制器中。
307 01 TSO 故障- 主门3)同故障07 00 3 07 02 TSO 故障- 主门3)虽然TK (门锁触点) 已接通,但TSO 仍发出轿厢主门开信号.N5 08 00 TSOD 故障- 后门TSOD 开关损坏或调整不正确(同故障07 00) 1 08 01 TSOD 故障- 后门3)同故障08 00 1 08 02 TSOD 故障- 后门3)虽然TK (门锁触点) 已接通, 但TSOD 仍发出轿厢后门开信号。
蒂森电梯故障代码帝森部分故障代码故障代码显示15SM-01-A多次重开门后门锁仍旧无法关门SM-01-B 方向指令给出后超过2秒变频器无运行信号反馈故障代码显示16SM-01-B在制动器信号给出的状态下发现变频器无运行信号反馈故障代码显示17SM-01主板上电时进行参数校验发现参数错误原因主控制器的设置参数超出本身的默认值对策修改到允许范围以内故障代码显示18井道自学习楼层与预设置楼层(指所有安装平层插板的楼层总数)不符合原因1.设定参数与实际层楼不符2.平层插板偏离3.平层感应器受到干扰对策1.设定成一致2.调整平层插板3.换一芯无干扰电缆线故障代码显示19SM-01-A板发现抱闸接触器KM3或者辅助接触器KM2触点不能安全释放(不启动)故障代码显示20SM-01-A板发现上平层干簧损坏或轿厢卡死故障代码显示21SM-01-A板发现下平层干簧损坏或轿厢卡死故障代码显示22电梯倒溜原因1.变频器未工作2.严重超载3.编码器损坏对策1.检查变频器2.调整超载开关3.更换编码器故障代码显示23电梯超速原因1.编码器打滑或损坏2.严重超载对策1.检查编码器的连接2.调整超载开关故障代码显示24电梯失速原因1.机械上有卡死现象,如:安全钳动作,蜗轮蜗杆咬死,电机轴承咬死2.抱闸未可*张开3.编码器损坏对策1.检查安全钳,蜗轮,蜗杆、齿轮箱、电机轴承2.检查抱闸张紧力3.检查编码器连线或更换森电梯TE-E故障代码故障代码显示内容原因对策02 运行中厅门锁脱开(急停) 1. 运行中门刀擦门球2. 门锁线头松动 1. 调门刀与门球的间隙2. 压紧线头03 错位(超过45CM),撞到上强停时修正(急停) 1. 上限位开关误动作2. 限位开关移动后未进行井道教入3. 编码器损坏 1. 查限位开关2. 重新进行井道教入3. 更换编码器04 错位(超过45CM),撞到下强停时修正(急停) 1. 下限位开关误动作2. 限位开关移动后未进行井道教入3. 编码器损坏 1. 限位开关2. 重新进行井道教入3. 换编码器05 电梯到站无法开门 1. 门锁短接2. 门电机打滑3. 门机不工作 1.停止短接2.检查皮带3.检查门机控制器06 关门受阻时间超过120秒 1. 关门时门锁无法合上2. 安全触板动作3. 外呼按钮卡死4. 门电机打滑5. 门机不工作08 SM-02-B和SM-03A轿厢控制器通讯中断(不接收指令) 1. 通讯受到干扰2. 通讯中断3. 终端电阻未短接 1.检查通讯线是否远离强电2.连接通讯线3.短接终端电阻09 调速器出错变频器故障对应变频器故障代码表处理10 错位(超过45CM),撞到上多层强慢时修正 1. 上行多层减速开关误动作2. 多层减速开关移动后未进行井道教入3. 编码器损坏 1.检查多层减速开关2.重新井道教入3.更换编码器11 错位(超过45CM),撞到下多层强慢时修正 1. 下行多层减速开关误动作2. 多层减速开关移动后未进行井道教入编码器损坏 1.检查多层减速开关2.重新井道教入3.更换编码器12 错位(超过45CM),撞到上单层强慢时修正 1. 上行单层减速开关误动作2. 单层减速开关移动后未进行井道教入3. 编码器损坏 1.检查单层减速开关2.重新井道教入3.更换编码器13 错位(超过45CM),撞到下单层强慢时修正 1. 下行单层减速开关误动作2. 单层减速开关移动后未进行井道教入编码器损坏 1. 检查单层减速开关2. 重新井道教入3. 更换编码器14 平层干簧错误15 SM-01-A多次重开门后门锁仍旧无法关门SM-01-B 方向指令给出后超过2秒变频器无运行信号反馈故障代码显示内容原因对策02运行中厅门锁脱开(急停)1.运行中门刀擦门球2.门锁线头松动1.调门刀与门球的间隙2.压紧线头03错位(超过45CM),撞到上强停时修正(急停)1.上限位开关误动作2.限位开关移动后未进行井道教入3.编码器损坏1.查限位开关2.重新进行井道教入3.更换编码器04错位(超过45CM),撞到下强停时修正(急停)1.下限位开关误动作2.限位开关移动后未进行井道教入3.编码器损坏1.限位开关2.重新进行井道教入3.换编码器05电梯到站无法开门1.门锁短接2.门电机打滑3.门机不工作1.停止短接2.检查皮带3.检查门机控制器06关门受阻时间超过120秒1.关门时门锁无法合上2.安全触板动作3.外呼按钮卡死4.门电机打滑5.门机不工作08SM-02-B和SM-03A轿厢控制器通讯中断(不接收指令)1.通讯受到干扰2.通讯中断3.终端电阻未短接1.检查通讯线是否远离强电2.连接通讯线3.短接终端电阻09调速器出错变频器故障对应变频器故障代码表处理10错位(超过45CM),撞到上多层强慢时修正1.上行多层减速开关误动作2.多层减速开关移动后未进行井道教入3.编码器损坏1.检查多层减速开关2.重新井道教入3.更换编码器11错位(超过45CM),撞到下多层强慢时修正1.下行多层减速开关误动作2.多层减速开关移动后未进行井道教入编码器损坏1.检查多层减速开关2.重新井道教入3.更换编码器12错位(超过45CM),撞到上单层强慢时修正1.上行单层减速开关误动作2.单层减速开关移动后未进行井道教入3.编码器损坏1.检查单层减速开关2.重新井道教入3.更换编码器13错位(超过45CM),撞到下单层强慢时修正1.下行单层减速开关误动作2.单层减速开关移动后未进行井道教入编码器损坏1.检查单层减速开关2.重新井道教入3.更换编码器14平层干簧错误15SM-01-A多次重开门后门锁仍旧无法关门SM-01-B方向指令给出后超过2秒变频器无运行信号反馈15故障代码SM-01-A多次重开门后门锁仍旧无法关门SM-01-B方向指令给出后超过2秒变频器无运行信号反馈16SM-01-B在制动器信号给出的状态下发现变频器无运行信号反馈17SM-01主板上电时进行参数校验发现参数错误主控制器的设置参数超出本身的默认值修改到允许范围以内18井道自学习楼层与预设置楼层(指所有安装平层插板的楼层总数)不符合1.设定参数与实际层楼不符2.平层插板偏离3.平层感应器受到干扰1.设定成一致2.调整平层插板3.换一芯无干扰电缆线19SM-01-A板发现抱闸接触器KM3或者辅助接触器KM2触点不能安全释放(不启动)故障代码显示内容原因对策20SM-01-A板发现上平层干簧损坏或轿厢卡死21SM-01-A板发现下平层干簧损坏或轿厢卡死22电梯倒溜1.变频器未工作2.严重超载3.编码器损坏1.检查变频器2.调整超载开关3.更换编码器23电梯超速1.编码器打滑或损坏2.严重超载1.检查编码器的连接2.调整超载开关24电梯失速1.机械上有卡死现象,如:安全钳动作,蜗轮蜗杆咬死,电机轴承咬死2.抱闸未可*张开3.编码器损坏1.检查安全钳,蜗轮,蜗杆、齿轮箱、电机轴承2.检查抱闸张紧力3.检查编码器连线或更换31电梯静止时有一定数量脉冲产生1.抱闸弹簧过松2.严重超载1.检查抱闸状况,紧抱闸弹簧2.减轻轿厢重量,调3.钢丝绳打滑4.编码器损坏整超载开关3.更换绳轮或钢丝绳4.更换编码器32安全回路动作1.相序继电器不正常2.安全回路动作1.检查相序2.检查安全回路35抱闸接触器检测出错1.接触器损坏,不能正常吸合2.接触器卡死3. X4输入信号断开1.更换接触器2.检查连接线36KM2接触器检测出错1.接触器损坏,不能正常吸合2.接触器卡死3.X15输入信号断开1.更换接触器2.检查连接线37门锁检测出错1.接触器损坏,不能正常吸合2.接触器卡死3.输入信号X9与X3不一致1.更换接触器2.检查连接线三菱电梯故障代码多少2F三菱电梯怎么老是在最低层或1层死机``而且走快车慢车从负一层到一层之间突然急停``然后再反平层开门又可以正常走梯``时不时会出现一次```出现多了就开着门死机``名称指示内容pp相序检查灯Wdt1拖动电脑工作灯Wdt2控制电脑工作灯41dg门关闭灯21开门指令22关门指令29安全回路89自动或运行中60自动状态dz门区指示灯ste串行通讯检查灯stm指令灯up上运行dn下运行mnt检查灯三菱GPS系列电梯的故障代码从GPS,GPS2到GPS3,系统机构发生了很大的变化,操作方法有较大差异。
蒂森克虏伯电梯TCM常见故障的诊断、分析及处理1、门系统方面的故障故障现象:电梯门关闭,内外指令正常登记,运行方向及COP、LIP楼层显示正常,不能启动也不能开门,关人。
故障解释:门锁机械锁钩在XX层卡住,在特性芯片内的门型号必须被正确设定。
现场处理:检查特性芯片的门机型号设定,带有门板驱动机构的一般设定参数:A093/F0F3=04,如果设定成其他值如28等,则偶尔会出现这个故障。
2)06XX故障现象:电梯门已经关闭,单梯内外指令全部消号,并联梯内指令消号,无法登记,无运行方向,COP、LIP楼层显示正常,不能启动也不能开门,关人。
故障解释:电梯三次关门尝试门锁不能闭合,15分钟后再次尝试。
现场处理:A)检查该层的门锁触点是否合得上,是否锁钩闭合不上,调整;B)检查该层的厅门机械部件是否卡阻,是否受到撞击,调整;C)检查厅门地坎内是否有异物如螺丝、小石子致厅门门锁不能闭合;D)检查门锁接线是否松动,接线盒也要一起检查,紧固。
3)14XX故障现象:电梯在运行中急停,层显消号,系统复位后显示”JU”调整运行结束后再次恢复正常运行。
现场处理:A)通过DU1检查故障代码,看XX是哪一层,一般来说使用MS2板的系统比较准确,国产的如MS2-C,MS3-C,MS3-S则不一定准确;B)有个别厅门锁触点因不能完全插入导致虚接,仔细检查并调整;C)门锁机械装置不到位致门锁触点闭合不牢靠,调整并活动部分润滑;D)高速电梯重点检查门锁片插入深度及簧片变形量,很重要;E)门锁触点回路接线松动;F)高层电梯使用的K139.1,K139.2,K139.3触点或接线不良;4)6300/63XX故障现象:电梯门已经关闭,电梯运行时突然门锁断开,该故障现象与14XX基本上相同,急停,消号,电梯重新调整运行后恢复。
现场处理:(与14XX处理方法基本相同)A)通过DU1检查故障代码,看XX是哪一层,一般来说使用MS2板的系统比较准确,国产的如MS2-C,MS3-C,MS3-S则不一定准确;B)有个别厅门锁触点因不能完全插入导致虚接,仔细检查并调整;C)门锁机械装置不到位致门锁触点闭合不牢靠,调整并活动部分润滑;D)高速电梯重点检查门锁片插入深度及簧片变形量,很重要;E)门锁触点回路接线松动;F)高层电梯使用的K139.1,K139.2,K139.3触点或接线不良;5)0701/0801故障现象:电梯开门到位后,虽门保护信号均正常也按住关门却不能正常关门,层显正常,大概30秒后关门,然后运行。
现场处理:A)发生时使用DU1查看0500功能0D列2.LED在开门到位时没有点亮;B)检查门机系统,第三方门机检查开门到位信号是否正常;C)门机问题,不能发出TSO信号,更换;D)MF3板X3TSO端口损坏;E)开门中受到卡阻门不能完全打开,检查门阻尼,力矩参数;F)TO开门命令未被执行,如使用K50A辅助开门继电器的第三方门系统。
6)0702/0802故障现象:电梯开门到位后,或者在关门时出现消号,黑屏,然后复位完成出现“JU”,关门后发生调整运行。
故障解释:该故障的原因是系统收到TSO信号时同时检测到RK闭合信号。
现场处理:A)检查电梯开门到位后,系统收到TSO信号,此时厅门锁仍然接通;B)门锁回路被短接,检查;C)关好门后,出现干扰致TSO信号有效,如K100门机曾出现这样的情况;D)MF3板X3TSO端口损坏,更换MF3板;E)K200门机的门刀与厅门门球发生卡阻不能开门。
7)0b04故障现象:平层区域死机,门状态不能确定。
连续在平层区域出现3次0702故障后发生。
故障解释:在连续3次出现0702故障情况后出现该故障停梯,需人为复位。
现场处理:A)检查电梯开门到位后,系统收到TSO信号,此时厅门锁仍然接通;B)门锁安全回路被短接,检查!8)0b01/0b02故障现象:电梯在平层区域保持开门不关门时间超过程序设定的4分钟。
(门光幕问题)现场处理:A)使用DU1的0500功能中0D列,2.LED主门和2.LED后门的状态;B)检查光幕的供电,连路连接,安装位置;C)光幕损坏,更换;D)MF3板X5/X6LS端口损坏,更换MF3板。
9)0CdX/0CEX故障现象:使用CAN连接的门机控制发出的故障,有些代码没有明显特征,有些表现为门控制复位,有些故障出现时门不关或不开。
故障解释:是由于门机控制部分检测出的故障通过CAN发送到主板,然后存入故障堆栈,如门机报告0CdC表示门机过热,0CD0表示门控制器复位,0Cd3表示通讯出现问题;现场处理:A)检查门机出现较高的工作温度则需重新调整门机机械部件和电气参数,可以增加散热片或者风扇加强散热;使用DU1的0000功能检查地址A3EA是否为1(节能开通);B)门机通讯终端电阻是否正确设定;C)门机已经工作不正常,更新程序或者更换;D)也可以将CAN连接改成通过MF3板并行信号连接。
9)F20d/F20E故障现象:电梯死机,显示“--”。
故障解释:故障出现于采用CAN连接的门机控制器,如果通过05006A/6B列看到没有门机连接则出现该故障;适用于蒂森F3、F5、F9、F2/1、F12门控制器。
现场处理:A)检查门机总线连接是否松脱,有时维保工作时不小心脚踩到门机线缆;B)检查门机控制盒X21号和2号端子有无24V门机控制电源;C)门机控制器CAN端口损坏,更换控制盒;D)特性芯片设定问题,检查A2CB21=Main Door Drive Present;22=RearDoor Drive Present。
E)门机损坏,X1端子有供电,但是没有任何指示灯亮,更换门机。
(需要注意的是如果电梯供电系统中N线虚接或者断开会引起门机烧坏!)2、安全回路方面的故障1)6000故障现象:电梯门已经关闭,电梯正常运行时突然急停,消号,电梯重新调整运行后恢复,如果安全回路持续断开,则一直显示“JU”,5分钟后出现故障码4906。
现场处理:A)早期使用API变频器的电梯有可能变频器出现故障致输出信号脱开引起;B)高速电梯的端站速度监控模块A28动作也会出这个故障;C)底坑的限速器涨紧装置的开关尤其新梯比较容易动作,调整位置;D)高速电梯的补偿绳的油阻尼器压力开关有时误动作;E)图纸-X1120端子之前的各种开关及接线检查;F)注意检查有时补偿链会在电梯运行时碰到如极限等开关引发此故障;2)6100故障现象:电梯门已经关闭,电梯正常运行时突然急停,消号,电梯重新调整运行后恢复。
现场处理:A)在运行中人为动作紧急电动或检修运行开关;B)轿顶的安全钳开关松动或动作不良,有一些电梯(包括进口电梯)的这种开关确实有些问题,稍微一震动触点容易断开,调整好;C)线路虚接松动;3)6200故障现象:电梯门已经关闭,电梯运行时急停,消号,电梯重新调整运行后恢复。
现场处理:检查并调整轿门门锁触点,簧片变形量及插入深度,还有检查线路是否松动。
3、信号输入异常的故障1)0b06故障现象:电梯无法检修运行,放正常后调整运行到平层,完全开门后死机,显示“--”。
故障解释:在使用地震功能的控制系统,该地震信号由1MP X2:7输入。
现场处理:A)调整好地震传感器,防止误触发;B)出现该情况时使用DU10500的33列2.LED,亮表明功能已经激活;C)检查地震功能辅助继电器K69;2)0b07故障现象:机房紧急电动可以运行,轿顶则不可以,层显显示“--”;或者快车运行时直接出现“--”。
故障解释:电梯处于正常情况下,如果控制检测到轿厢上、下行检修运行信号,则会死机。
现场处理:A)轿顶检修开关损坏;B)接线错误;C)MF3输入端口受到比较严重的干扰,如X2端子可以拔去试试。
3)3E00故障现象:电梯可以轿顶检修运行放正常后,层显显示“--”。
故障解释:限速器MAS磁铁吸上,但限速器内制动器位置检测开关没有接通(只限于Evolution电梯)。
现场处理:A)限速器开关卡阻或损坏;B)限速器棘爪滞住未脱开(如抓杆停在棘轮上,则磁铁的行程就相当小)修复:在磁铁和其底板之间加2只6mm垫圈。
4)3F00故障现象:电梯可以机房紧急电动运行,轿顶转检修后层显显示“--”,或者在检修状态下上电后显示“--”。
故障解释:限速器MAS磁铁没有吸和,但限速器内制动器位置检测开关不能断开。
(只限于Evolution电梯)现场处理:A)限速器开关卡阻或损坏;B)定时锁定接触器ZSP设定过长,限速器不能锁住。
C)新电梯中山产品采用的方案如K25.1或1MP通讯不良会出现,松江产品MC2X28:2/3之间短路插没有插好也会出现。
5)7100故障现象:电梯关门后准备或刚刚启动时运行出现,黑屏然后”JU”调整运行后恢复正常。
(还有一种现象:电梯关门过程中出现黑屏消号,关门后重新调整运行)故障解释:出现的原因是控制部分得到安全回路接通信号后发出启动命令,但是由于一些原因输出K01,K01.1没有动作,系统因无法得到接触器反馈信号而停梯;MC1通过MQ1板检测(AC220V信号),MC2通过X24端口检测(DC24V)MC3/CPIR通过TMI板X91端口检测。
7100现场处理:A)后一种故障现象只出现在提前开门的系统中,-X1133端子受到干扰,一般在133与N间接一负载如接触器线包可以有效解决;B)从137端子至K01接触器线包之间的电气线路进行仔细检查,虚接或松脱,有时出现接插件松动。
C)主板输出端口损坏,电梯无法输出启动信号,更换主板;D)使用老MC2主板,附加程序、接线、继电器工作不正常也会出现。
E)有的安全回路在厅门锁后面串接有S014盘车开关,如果动作也会出现;F)MQ1内的运行继电器触点接触不良,维修更换继电器或更换MQ1板;G)有的电路CPI的准备好信号触点串接在启动回路,但是由于变频器故障导致系统出现不能启动的情况;H)K01接触器线包损坏,或者接触器质量问题引起(如GL1配置的MG);I)早期的CPIR系统,TMI的软件版本高与Flash的程序版本低时会出现;6)7200故障现象:电梯关门后启动运行接触器吸合轿厢甚至还没有动出现黑屏然后”JU”调整运行后恢复正常。
故障解释:MC1通过MQ1板检测(AC220V信号),MC2通过X24端口检测(DC24V)MC3/CPIR通过TMI板X91端口检测。
现场处理:A)重点检查启动回路的K01的53/54辅助触点是否可靠动作;B)检查接触器连线是否松动;C)检查接触器常开辅助触点组信号是否有一组没有闭合好。
D)MQ1内的运行继电器触点接触不良,维修更换继电器或更换MQ1板。
7)4F00故障现象:连续多次黑屏后出现“--”死机。
故障解释:主板10次启动时出现接触器回馈信号错误后出现该故障。