拟参加本项目的监理人员一览表
- 格式:doc
- 大小:67.00 KB
- 文档页数:1
表A.0.1 总监理工程师任命通知书表A.0.2 项目监理机构人员配置/调整通知书津监理2015版表A.0.3 监理通知单构回复。
2.本表一式两份,项目监理机构、承包项目部各一份。
必要时抄送建设单位一份。
津监理2015版津监理2015版津监理2015版津监理2015版表A.0.7 旁站记录津监理2015版表A.0.8 工程变更通知单津监理2015版表A.0.9-1工程竣工预验收资料工程名称:编号:工程竣工预验收资料单位工程名称:建设单位:设计单位:勘察单位:承包单位:监理单位:预验收时间:注:本表一式一份,项目监理机构留存。
津监理2015版表A.0.9-2 工程竣工预验收小组成员及其分工表注:本表一式一份,项目监理机构留存。
津监理2015版表A.0.9-3 工程竣工预验收整改监理通知单构回复。
2.本表一式三份。
项目监理机构、建设单位、承包项目部各一份。
津监理2015版表A.0.9-4 工程竣工预验收记录2.本表一式一份,项目监理机构留存。
津监理2015版表A.0.10 监理报告位、承包项目部各一份。
津监理2015版表A.0.11 工程款支付证书津监理2015版表B.0.1 施工组织设计/施工方案报审表津监理2015版表B.0.2 工程进度计划报审表津监理2015版表B.0.3 工程分包单位资格报审表津监理2015版津监理2015版津监理2015版表B.0.6 试验单位资格报审表津监理2015版津监理2015版津监理2015版津监理2015版表B.0.10 施工测量成果检验报审表津监理2015版表B.0.11 报审表津监理 2015版表B.0.12 分部/子分部工程验收报审表2.分部工程需阶段验收,本表一式三份。
项目监理机构、建设单位、承包项目部各一份。
3.分部工程无需阶段验收,本表一式两份。
项目监理机构、承包项目部各一份。
津监理2015版表B.0.13 工程竣工预验收报审表津监理2015版津监理2015版津监理2015版津监理2015版表B.0.17 施工设施(机具、措施用材)备案表津监理2015版表B.0.18 监理通知回复单份。
污水处理厂监理规划目录一、工程概况二、监理工作范围三、监理工作主要内容四、工程项目监理目标与指导思想五、监理依据六、项目监理机构及职责七、工程项目监理措施A、质量控制措施B、进度控制措施C、投资控制措施D、部分专项监理措施E、安全监理措施八、合同管理九、信息管理十、组织协调十一、项目监理工作制度十二、拟投入本工程的办公、试验、检测设备一、工程概况工程名称:东明县污水处理厂工程规模:污水处理6万吨/日,改良型A/A/O 二级生化处理工艺 设计单位: 天津市华淼给排水研究设计院有限公司 建设地点:东明县菏东高速公司以南,垃圾处理厂北侧 质量标准:合格要求工期:2004年12月28日开工,厂区内2005年12月31日竣工;厂区外管网2005年12月31日竣工。
工程特点1、厂区主要构筑物如下:粗格栅及进水井、细格栅、旋流沉砂池、分配井、生化池、沉淀池、污泥泵池、污泥脱水机房、变配电站、综合楼等建筑物。
2、污水处理采用氧化沟工艺流程:工艺流程图3、主要工艺设备:4、自控系统本工程采用集散控制系统,现场PLC对夜位、温度、压力、溶解氧、污水酸碱度、流量、有度气体检测;同时对电压、电流、转速、功率等参数进行检测。
中控室主机对现场工艺设备进行集中控制,并显示实时检测参数,也可以进行参数调整。
监控系统可对全厂安全情况实行监控,并可记录实际状况。
5、本工程工艺管道较多,穿插作业量大;设备安装技术要求高、难度大;业主对工程质量要求严格。
二、监理工作范围工程建设中施工、调试、试生产及保修阶段的建设监理。
即监理范围包括污水处理厂厂区土建,设备安装、电器仪表、工艺管道,城区配套管网及南平路、人民路等四处泵站土建,配套管网泵站设备安装、电器仪表、工艺管道。
三、监理工作的基本内容监理工作的基本内容是受建设单位委托,进行建设工程的“四控、一管、一协调”,即进行工程的质量、进度、投资、安全控制、合同管理以及协调项目建设有关单位的工作关系。
工程全过程咨询代建项目管理规划大纲及管理手册目录一、工程概况 (1)1.1、工程概况 (1)1.2、工程建设目标: (1)二、项目管理工作职能、范围、内容 (2)2.1、工作职能 (2)2.2、工作范围 (2)2.3、工作内容 (3)三、项目管理的组织模式、结构与职责 (16)3.1、本工程建设管理模式 (16)3.2、本工程建设管理模式的界面划分 (17)3.3、本工程建设管理模式的职责分工 (18)四、项目管理部的组织模式、工作职责分工 (21)4.1、本项目管理部组织形式及人员配置方案 (21)项目组织机构架构图 (21)4.2、项目组织机构人员配备一览表 (22)4.3、岗位职能与分工 (24)五、项目管理工作的总体思路、构想、主要举措 (28)5.1、项目管理有定位 (28)5.2、组建优秀的派驻项目的团队与团队管理 (28)5.3、建立管理模式、分工、明确职责 (28)5.4、研究与编制项目管理大纲/管理工作计划/管理细则/工作方案,让其具有针对性、可操作性; (29)5.5、完善、优化符合本项目的项目管理日志、周报、月报的版式,能全面反映项目管理的全过程; (29)5.7、四个阶段项目管理工作的主流程策划 (29)5.8、建立项目管理工作WBS结构一级,二级分解体系,开展工作 (31)5.9、强化设计管理环节,注重设计管理成效 (32)5.10、招投标、合同、造价管理为重中之重,成败关键 (32)5.11、对设计、监理、施工、材料设备供应等进行有效的预控管理 (32)5.12、建立工作流程、配套管理方法、工作制度,推进标准化、程序化、规范化管理 (33)5.13、计划与统计管理 (34)5.14、对有技术难度,管理难度的重点难点进行重点管理,经验总结。
(34)5.15、阶段性总结、电子文档同步备份 (34)5.16、加强廉政建设,强化内部培训,寻求管理创新。
(34)5.17、控制投资是项目管理单位的职责 (35)5.18、施工质量和安全是工程建设的生命 (35)5.19、各方协调一致是工程建设最为重要的保证 (36)5.20、各种材料/设备,是反映工程现代化水平的重要标志 (37)5.21、廉政建设必须警钟长鸣 (37)5.22、政府支持是工程建设的重要保证 (37)5.23、域网络信息化办公 (37)5.24、全面执行ISO三标一体标准、规范工程建设工作 (37)六、项目管理目标的策划 (38)6.1、项目建设总目标: (38)6.2、建设工期目标: (38)6.3、质量目标: (38)6.4、投资控制目标: (38)6.5、文明施工和环境保护目标: (38)6.6、科技进步目标: (38)6.7、综合治理目标: (39)工程全过程咨询代建项目管理规划大纲及管理手册一、工程概况1.1、工程概况➢工程名称:*****工程➢建设单位:******➢代建单位:➢工程地点:****➢建设范围和内容:****1.2、工程建设目标:➢质量******;➢安全******;➢进度******;➢投资******;➢管理******。
I-编号3例会纪要(C1.1)例会时间参加人员监理单位:建设单位:承包单位:上次例会落实情况本次例会要求(本栏不够附续页)记录整理:日期:年月日签发:监理单位(章)本表与会单位各一份,如有不同意见,请在收到文件后48小时内提出,否则即表示认可纪要内容,按纪要内容执行。
Ⅱ-编号1工程开工/复工报审表(A1)致:(监理单位)我方承担的工程,已完成了以下各项工作,具备了开工/复工条件,特此申请施工,请核查并签发开工/复工指令。
附:1.开工报告2.(证明文件)承包单位(章)项目经理日期审查意见:项目监理机构总监理工程师日期Ⅱ-编号2施工组织设计(方案)报审表(A2)致:(监理单位)我方已根据施工合同的有关规定完成了工程施工组织设计(方案)的编制,并经我单位上级技术负责人审查批准,请予以审查。
附:施工组织设计(方案)承包单位(章)项目经理日期专业监理工程师审查意见:专业监理工程师日期总监理工程师审核意见:项目监理机构总监理工程师日期Ⅱ-编号3设计交底及图纸会审纪要(A2.1)工程名称:出席单位出席会议人员名单单位代表签字(盖章)建设单位监理单位设计单位有关单位承包单位主持人记录人会议地点:交底与会审日期:本表一式五份,建设单位、监理单位、设计单位各一份,承包单位二份。
设计交底与图纸会审表,由承包单位填写并报监理单位审核。
Ⅱ-编号3图纸会审(续页)(A2.2)工程名称:序号图号问题处理意见整理人签字:整理单位:Ⅱ-编号4分包单位资格报审表(A3)工程名称:致:(监理单位)经考察,我方认为拟选择的(分包单位)具有承担下列工程的施工资质和施工能力,可以保证本工程项目按合同的规定进行施工。
分包后,我方仍承担总包单位的全部责任。
请予以审查和批准。
附:1.分包单位资质材料;2.分包单位业绩材料。
分包工程名称(部位)工程数量拟分包工程合同额分包工程占全部工程合计承包单位(章)项目经理日期专业监理工程师审查意见:专业监理工程师日期总监理工程师审核意见:项目监理机构总监理工程师日期Ⅱ-编号5报验申请表(A4)工程名称:致:(监理单位)我单位已完成了工作,现报上该工程报验申请表,请予以审查和验收。
TCB01 施工技术方案申报表(承包[]技案号)合同名称:合同编号:说明:本表一式份,由承包人填写。
监理机构审签后,随同审批意见,承包人、监理机构、发包人、设代机构各1份。
TCB02 施工进度计划申报表(承包[]进度号)合同名称:合同编号:说明:本表一式份,由承包人填写。
监理机构审签后,随同审批意见,承包人、监理机构、发包人、设代机构各1份.TCB03 现场组织机构及主要人员报审表(承包[ ]机人号)合同名称:合同编号:说明:本表一式份,由承包人填写。
监理机构审签后,随同审核意见,承包人、监理机构、发包人各1份。
TCB04 材料/构配件进场报验单(承包[ ]材验号)合同名称:合同编号:说明:本表一式份,由承包人填写。
监理机构审签后,随同审核意见,承包人、监理机构、发包人、设代机构各1份。
TCB05 施工设备进场报验单(承包[]设备号)合同名称:合同编号:说明:本表一式份,由承包人填写.监理机构审签后,承包人、监理机构、发包人各1份.TCB06 工程预付款申报表(承包[ ]工预付号)合同名称:合同编号:说明:本表一式份,由承包人填写。
监理机构审签后,随同付款证书,承包人2份,监理机构、发包人各1份。
TCB07 工程材料预付款报审表(承包[ ]材预付号)合同名称:合同编号:说明:本表一式份,由承包人填写。
作为TCB25表的附表,一同流转,审批结算时用.TCB08 施工放样报验单(承包[ ]放样号)合同名称:合同编号:说明:本表一式份,由承包人填写.监理机构审签后,承包人2份,监理机构、发包人各1份.TCB09 联合测量通知单(承包[ ]联测号)合同名称:合同编号:说明:本表一式份,由承包人填写.监理机构审签后,承包人、监理机构、发包人各1份。
TCB10 施工测量成果报验单(承包[]测量号)合同名称:合同编号:说明:本表一式份,由承包人填写。
监理机构审签后,承包人、监理机构、发包人各1份。
TCB11 合同项目开工申请表(承包[ ]合开工号)合同名称: 合同编号:说明:本表一式份,由承包人填写。
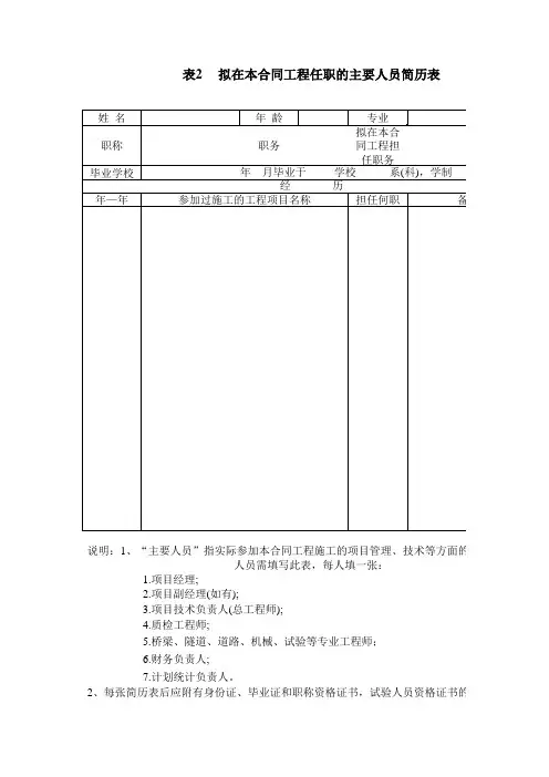
表2 拟在本合同工程任职的主要人员简历表
说明:1、“主要人员”指实际参加本合同工程施工的项目管理、技术等方面的负责人。
下列
人员需填写此表,每人填一张:
年5.桥梁、隧道、道路、机械、试验等专业工程师;
6.财务负责人;
7.计划统计负责人。
2、每张简历表后应附有身份证、毕业证和职称资格证书,试验人员资格证书的复印件。
在投
标文件正本中,所有证件均应采用彩色打印件。
1.项目经理;
2.项目副经理(如有);
3.项目技术负责人(总工程师);
4.质检工程师;
2、每张简历表后应附有身份证、毕业证和职称资格证书,试验人员资格证书的复印件。
在投
标文件正本中,所有证件均应采用彩色打印件。
拟在本合同工程任职的主要人员简历表
际参加本合同工程施工的项目管理、技术等方面的负责人。
下列人员需填写此表,每人填一张:
年__月毕业于_____学校______系(科),学制
历
路、机械、试验等专业工程师;。
证、毕业证和职称资格证书,试验人员资格证书的复印件。
在投正本中,所有证件均应采用彩色打印件。
有);
(总工程师);
证、毕业证和职称资格证书,试验人员资格证书的复印件。
在投正本中,所有证件均应采用彩色打印件。
目录一、投标报价书 (3)二、授权委托书 (4)三、投标保证金 (5)四、资格审查文件 (6)1、投标人基本情况表 (6)2、业绩证明材料 (14)(1)已完成或正在承担的类似工程监理情况 (14)(2)投标人获奖情况 (24)3、财务状况 (27)4、单位信誉及诉讼情况说明 (61)5、质量管理体系认证说明 (64)6、主要监理人员情况 (65)(1)拟参加本工程监理工作的监理人员汇总表 (65)(2)拟任本工程主要监理人员情况表 (66)7、本项目中使用的主要仪器设备一览表 (137)五、监理大纲 (141)第一章工程概况 (23)第二章、监理范围和服务内容,监理依据 (23)第三章监理机构设置、组成人员名单、监理人员岗位职责 (27)第四章监理工作程序、方法和制度 (32)第五章监理人员进场工作计划表 (36)第六章质量控制措施 (37)第七章安全控制措施 (51)第八章资金控制措施 (60)第九章进度控制措施 (64)第十章文明与环境控制措施 (73)第十一章合同、信息管理方案 (84)第十二章组织协调内容及措施 (93)第十三章监理工作重点与难点分析及对策 (97)第十四章、拟投入的监理设施、设备及配备计划 (103)第十五章现场旁站监理方案 (104)第十六章本工程主要分部分项工程质量控制的监理对策 (109)第十七章、工程常见通病防治 (118)第十八章保修阶段(缺陷责任期)监理 (125)六、其他资料 (248)1、无行贿犯罪记录查询 (249)2、总监理工程师无在建工程承诺书 (250)3、优惠承诺书 (251)4、反商业贿赂承诺书 (253)七、监理投标报价表 (254)一、投标报价书致:(招标人)我们收到你们编号为的第标段监理招标文件,经认真研究,我们决定参加该项目监理投标活动并投标,我们郑重声明以下诸点并负法律责任。
1.我方授权(姓名、职务)作为全权代表负责解释投标文件及处理有关事宜。
监理组织结构图拟用于本工程的现场组织机构各岗位的职责概述一、总监理工程师1.明确公司实施项目的总体目标,并依据项目情况提出组织实施方案。
2.接受公司关于项目情况的各项检查。
并定期汇报工程实施情况。
3.全面掌握项目的实施情况,代表公司对所监理工地履行监理职责。
4.协调与甲方及其他各方面的关系。
5.协同公司工程部组建监理组机构,配备各专业人员。
提出所需配备资源清单。
6.明确各专业监理目标及专业人员职责分工。
7.负责监理组所有人员的管理与考核工作,督促检查监理工程师履行其职责。
并有计划地实施这些检查。
8.制订工地监理工作制度和工作程序。
9.主持制定项目“监理规划”,根据工程情况要求各专业监理工程师编写监理实施细则。
10.参加设计交底、图纸会审;负责审批施工组织设计、施工方案及施工总进度计划。
11.审定施工分包单位。
12.签发工程开工令、停工令、复工令。
13.主持监理例会,协调各单位、各方面的关系。
14.负责工程总进度控制.15.负责合同管理主持处理工程索赔和合同履行中的重大争议和纠纷。
并及时上报。
16.组织分部工程、分期中间验收和工程竣工验收,审签验收报告及相关文件。
17.主持编制监理月报并定期向业主和公司进行汇报。
18.负责项目监理部内部工作协调;19.经常巡视现场,关键部位亲自督促查验。
20.主持处理工程中发生的重大质量事故。
并及时上报。
21.工程竣工后负责编写监理总结督促信息员将工程监理资料整理并归档。
22.负责监理费的回款工作。
二、专业监理工程师(土建、电气、暖通、给排水)1.制定本专业在监理实施中的目标,并努力实现。
2.掌握本专业的实施情况,了解项目整体实施情况,制定本专业的工程监理规划或实施细则,并认真贯彻实施。
3.进行图纸自审,填写图纸自审记录。
4.参加设计交底和图纸会审,负责提出专业图纸审查意见。
5.审查本专业施工组织设计、施工方案和施工进度计划,并负责本专业的施工质量及进度控制。
6.按工程进度计划检查本专业工程进展情况提出分析建议。
施工人员报审表(可以直接使用,可编辑优质资料,欢迎下载)进场施工人员报审表工程名称:说明:本表一式_叁_份,由施工单位填写。
监理单位审签后,随同审批意见,施工单位、监理单位、建设单位各1 份。
作业人员登记表企业资质及施工人员报审表附表:项目管理机构(一)项目管理机构配备情况表(二)项目经理简历表(三)项目技术负责人简历表夜间施工人员报备表注:1、各班组如有加班请将此表当天17点前报到安全部2、班组长加班前核实加班部位是否有烟头,发现有烟头及时上报安全部3、加班人员进场前自觉将烟放到存烟柜,并接受保安检查4、加班人员严禁将烟带进楼内违者罚款5000元5、在加班部位次日早晨发现有烟头视为加班单位人员抽烟,对加班单位罚款5000元。
夜间施工人员报备表注:1、各班组如有加班请将此表当天17点前报到安全部2、班组长加班前核实加班部位是否有烟头,发现有烟头及时上报安全部3、加班人员进场前自觉将烟放到存烟柜,并接受保安检查4、加班人员严禁将烟带进楼内违者罚款5000元5、在加班部位次日早晨发现有烟头视为加班单位人员抽烟,对加班单位罚款5000元。
入场安全教育记录教育类别:进场教育教育课时:4小时2021年11月5日进入施工现场安全教育要求一、进行现场规章制度和遵章守纪教育,主要内容是:1.本工程(包括施工生产现场)安全生产制度、规定及安全注意事项;2.工种的安全技术操作规程;3.高处作业、机械设备、电气安全基础知识;4.防火、防毒、防尘、防爆及紧急情况安全防范自救;5.防护用品发放标准及防护用品、用具使用的基本知识。
二、进行本工种岗位安全操作及班组安全制度、纪律教育,主要内容是:1.本班组作业特点及安全操作规程;2.班组安全活动制度及纪律;3.爱护和正确使用安全防护装置(设施)及个人劳动防护用品;4.本岗位易发生事故的不安全因素;5.本岗位的作业环境及使用的机械设备、工具的安全要求。
一、新工人安全须知1.新工人进入工地前必须认真学习本工种安全技术操作规程。
法定代表人授权书(式样)GD-B1-21兹授权我单位(姓名)担任工程项目的(建设、勘察、设计、施工、监理)项目负责人,对该工程项目的(建设、勘察、设计、施工、监理)工作实施组织管理,依据国家有关法律法规及标准规范履行职责,并依法对设计使用年限内的工程质量承担相应终身责任。
本授权书自授权之日起生效。
被授权人基本情况姓名身份证号注册执业资格注册执业证号被授权人签字:授权单位(盖章)法定代表人(签字):授权日期:年月日工程质量终身责任承诺书(式样)GD-B1-22本人受单位(法定代表人)授权,担任工程项目的(建设、勘察、设计、施工、监理)项目负责人,对该工程项目的(建设、勘察、设计、施工、监理)工作实施组织管理。
本人承诺严格依据国家有关法律法规及标准规范履行职责,并对设计使用年限内的工程质量承担相应终身责任。
承诺人签字:身 份 证 号:注册执业资格:注册执业证号:签字日期:年月日总监理工程师任命书GD-B1-23工程名称:编号:致:(建设单位)兹任命(注册监理工程师注册号:)为我单位项目总监理工程师。
负责履行建设工程监理合同、主持项目监理机构工作。
工程监理单位(盖章)法定代表人(签字):年月日注:本表一式三份,项目监理机构、建设单位、施工单位各一份。
项目监理机构印章使用授权书GD-B1-24致:(建设单位)一、现授权总监理工程师同志在工程中使用“”印章(如下图)。
二、授权期限:从贵单位收到本授权书之日起至监理合同及监理业务完成终止之日止。
三、印章使用范围:所有应有监理审核签认的工程资料和来往文件。
1.监理合同履行期间,授权人更换项目总监理工程师的,被授权人在本授权书上的授权行为在贵单位收到授权人更换项目总监理工程师通知之日起自行终止,由新任项目总监理工程师自动履行本授权书的权利和义务,本公司不再另行通知。
2.在递交贵单位的需加盖本授权书印章的文件,还应由(总)监理工程师签字方可生效;仅加盖印章无(总)监理工程师签字的无效。
高县大窝镇印田村土地整理项目监理比选方案高县国土资源局二0一一年十一月第一章比选公告及竞选邀请书A 比选公告*********************项目监理比选公告一、本项目经***********以*********[2011]41号批准建设,比选方案已经政府投资主管部门备案,比选方案备案号为 **********[2011] 号。
本项目现通过比选方式选择和确定中选人(承包人),诚邀符合资格条件的潜在申请人参与本项目的比选。
只有报名参加了比选,并被随机抽取到的比选申请人(即比选被邀请人),才有资格被比选人邀请参加比选竞争。
二、比选项目概况(表一)三、比选内容(合同段划分)(表二)四、资格要求(1)一般要求:具有独立企业法人资格;(2)资质要求:企业资质等级不应低于(包括):监理1:房屋建筑工程监理丙级资质或水利水电工程监理丙级资质或公路工程监理丙级资质;(3)其他要求:监理1:近三年(2008—2010年)至少完成过1个500万元及以上的土地开发整理工程监理业绩(需提供原件备查,复印件需加盖单位法人鲜章留存);项目总监为四川省注册监理工程师或全国注册监理工程师,并具有相关专业中级及以上技术职称,近三年(2008—2010年)至少完成过1个500万元及以上的土地开发整理工程监理业绩(需提供原件备查,复印件需加盖单位法人鲜章留存);项目总监、监理工程师需在本单位工作一年以上(当地县级以上主管部门证明),项目总监、监理工程师一经拟派,中选后不得更换,并需押证监理。
被随机抽中的单位比选时需提供营业执照副本、组织机构代码证、资质证书副本、税务登记证(以上证件原件,留加盖单位法人鲜章的复印件);(4)本项目不接受组成联合体参加比选。
五、报名及购买比选文件(1)请有意参加本项目竞争的比选申请人,到四川日报网站()报名并购买比选文件,比选文件收费为200元(人民币),售后不退。
比选申请人应按"比选申请人网上报名特别规定"的要求报名。
第一中标候选人:武汉中澳工程项目管理有限责任公司(三)投标人拟投入本项目总监理工程师及其他主要监理人员简历表
(三)投标人近年已完工的类似工程一览表
第二中标候选人:河南水运工程建设监理事务所
(三)投标人拟投入本项目总监理工程师及其他主要监理人员简历表-1
(三)投标人近年已完工的类似工程一览表
第三中标候选人:南京公正工程监理有限公司
(三)投标人拟投入本项目总监理工程师及其他主要监理人员简历表(1)
(三)投标人近年已完工的类似工程一览表。
项目施工监理竞争性谈判文件邀请人:有限公司年月总目录第一卷谈判须知、合同格式·················第一章谈判须知····················第二章工程建设监理合同及标准条件···········第二卷技术条件和相关内容及技术规范············第三章技术条件和相关内容···············第四章技术规范····················第三卷谈判书格式·····················第四卷竞争性谈判评审标准·················第一卷谈判须知、合同格式谈判邀请书被邀请人:1、建设项目施工监理,现通过竞争性谈判方式来拟确定监理单位,欢迎前来参加谈判。
一、资格预审申请人须知第一章总则(一)黄冈市住房和城乡建设委员会(招标人)作为新港二路(明珠大道至沿河西路 )道路、排水及配套工程监理(工程项目)的招标人,已按照有关法律、法规、规章完成了进行工程施工招标的所有批准、登记、备案等手续,已经具备进行监理招标的条件。
(二)招标人拟对本工程的投标人进行资格预审。
投标申请人可对本次发包的施工及保修阶段全过程监理提出资格预审申请。
(三)资格预审将面向具备建设行政主管部门核发的市政公用工程监理乙级及以上资质的,并具有足够资产及能力来有效地履行合同的监理企业。
(四)为能通过资格预审,并在此之后参加本工程的投标,参加资格预审的监理单位应提交以下1、2、3、4、5、6、7、8、9资格预审文件,以证明其符合规定要求的投标合格条件和履行合同的能力:1、营业执照副本(原件);2、资质证书副本(原件);3、投标人在工程所在地建设行政主管部门的登记备案证明(原件);4、法人证明或法人委托书(原件);5、拟派往本工程的项目总监的中华人民共和国《注册监理工程师注册执业证书》(原件);6、ISO9001质量保证体系认证(原件);7、企业近两年从事类似工程的业绩证明(原件);8、拟派往本工程的监理人员名单、中华人民共和国《注册监理工程师注册执业证书》(原件)、职称证及培训证(原件);9、拟用于本工程项目的主要监理检测仪器;(五)资格预审申请书中凡应由投标申请人的法定代表人或其委托代理人签字或盖章的,必须签字或盖章。
如不是投标申请人的法定代表人签字或盖章的,资格预审申请书中应附有法定代表人授权委托书。
(六)投标申请人提交的全部资料必须准确详细,以便招标人做到正确判断。
资格预审将完全依据资格预审文件提供的资料或者按招标人要求对所报资格预审文件的澄清材料。
如果没按要求在资格预审文件中提供具体证明材料,可能将导致资格预审文件不合格。
第二章申请书的密封与递交(七)投标申请人的资格预审申请书及有关资料、证明(相关行政主管部门的有效证明),及相关证件的原件必须密封后于2011年 6 月 29 日15:00 时以前送达湖北大鹏工程咨询有限公司(地点:黄冈市公共资源交易中心(黄州八一路46号八楼) )由公证人员收取,迟到的资格预审申请书和业绩及相关的资料、证明、证件将被拒绝接收。
水土保持生态建设工程监理规划一、编制依据本规划依据下列规范.标准.规定.办法和文件编制:《水土保持综合治理技术规范》(GB/T14653);《水土保持综合治理验收规范》(GB/T15733);《水土保治沟骨干工程暂行技术规范》(SD175-86);《水利工程建设监理规定》(水利部[1999]637号发布);《水土保持生态建设工程监理管理暂行办法》(水利部水建管[2003]79号发布);《项目初步设计》;《项目施工委托合同》;《项目监理委托合同》;二、工程概况(一)项目区简介1.项目区位置及范围.(二)项目规划1.建设目标.2.实施任务3.计划投资.三.项目组织(一)组织形式遵循“合理.协调.高效”原则,确定项目有关单位的关系。
(二)管理方式 1计划管理2财务管理3工程技术管理(三)建设单位、监理单位和承建单位之间的关系1项目建设有关各方,主要包括:建设单位、监理单位、设计单位、承建单位。
2建设单位和承建单位的关系为合同关系;3设单位和监理单位的关系为委托与被委托的关系;4监理单位和承建单位的关系为监理与被监理的关系。
(四)项目监理机构及人员1、监理机构设置成立水土保持生态工程监理部,由总监理工程师、监理工程师、监理员和信息员组成;实行总监理工程师负责制。
1.监理部主要人员总监理工程师:副总监理工程师:专业监理工程师:监理员:信息员:参加本项目监理的主要人员情况(表4-1)2.人员职责总监理工程师职责定项目监理机构人员分工及岗位职责,领导监理机构及其监理人员开展监理,对履行监理合同负全面责任。
助项目法人参加合同谈判,负责与业主、建设单位和施工方负责人联系,协调解决合同争议、索赔等问题。
持编写项目监理规划、审批监理实施细则,审核监理工作计划并组织实施,督促、检查执行情况。
查施工方的施工组织设计、施工技术方案、施工进度计划、劳动力配备等,督促、检查施工方的开工准备工作,审签开工报告。
审核并确认总承包单位选择的分包单位。
()招标工程登记表(监理)2、本表填写一式两份、招标公告(监理)(不采用资格预审方式)的,已在招标投标监督部门进行登记,具备招标条件。
现决定对该项目的工程监理进行公开招标,公告如下:一、工程概况工程名称:建设地点:监理范围:建筑面积:监理周期质量目标:结构类型及层数:标段划分:二、投标报名条件凡具备承担招标工程项目的能力并具备规定的资格条件的监理企业,均可参加上述项目(第标段)的投标。
投标申请人须是具备建设行政主管部门核发的(资质等级)及以上资质的法人或其他组织。
自愿组成联合体的各方均应具备承担招标工程项目的相应资质条件;相同专业的施工企业组成的联合体,按照资质等级低的施工企业的业务许可范围承揽工程。
三、投标报名时间和地点1、投标申请人持资质证书、营业执照、信用手册(原件)在市建筑市场管理中心报名,时间为:年月日至年月日,每天上午时分至时分,下午时分至时分(公休假除外)。
2、投标申请人报名后在约定的时间内领取招标文件、图纸和相关资料。
招标文件每套售价为元,售后不退。
3、投标申请人应按招标文件要求的时间和地点送达标书、按时参加开标会,并按招标文件要求如数提供投标保证金。
招标人:(公章)联系人:联系电话:地址:传真:招标代理单位:(公章)联系人:联系电话:地址:传真:年月日招标公告(监理)(采用资格预审方式)的,已在招标投标监督部门进行登记,具备招标条件。
现决定对该项目的工程监理进行公开招标,公告如下:一、工程概况工程名称:建设地点:监理范围:建筑面积:监理周期质量目标:结构类型及层数:标段划分:二、投标报名条件凡具备承担招标工程项目的能力并具备规定的资格条件的监理企业,均可就上述项目(第标段)向招标人进行投标报名并提出资格预审的申请,只有资格预审合格的投标申请人才能参加投标。
投标申请人须是具备建设行政主管部门核发的(资质等级)及以上资质的法人或其他组织。
自愿组成联合体的各方均应具备承担招标工程项目的相应资质条件;相同专业的施工企业组成的联合体,按照资质等级低的施工企业的业务许可范围承揽工程。
工程监理招标管理办法(3)工程监理招标管理办法按规定应当实行监理招标的工程,全部使用国有资金投资或者国有资金投资占控股或者主导地位的,必须实行公开招标,但经国家计委或者省人民政府依法批准可以进行邀请招标的重点建设项目除外。
其它工程可以实行邀请招标。
招标人采用公开招标方式的,应当通过国家指定报刊、信息网络或其他媒介并同时在湖北省工程建设信息网上发布招标公告。
招标人采用邀请招标方式的,应当向3个以上符合资质条件的投标人发出投标邀请书。
招标公告和投标邀请书应当载明招标人的名称和地址,招标工程的性质、规模、地点以及获取招标文件的办法等事项。
第十四条建设工程有下列情形之一的,经所在地县级以上地方人民政府建设行政主管部门批准,可以不实行监理招标:(一)停建或者缓建后恢复建设的单位工程,且监理企业未发生变更的;(二)在建工程追加的附属小型工程或者主体加层工程,且监理企业未发生变更的;(三)法律、法规、规章规定的其他情形。
第十五条招标人组织监理招标应按下列程序进行:(一)组建监理招标机构或办理委托招标手续;(二)向招投标管理机构办理招标备案登记手续;(三)编制招标文件并报招投标管理机构备案;(四)发布招标公告或发出投标邀请书;(五)对投标申请人进行资格预审(采取资格预审的);(六)向具备资格条件的投标人发放招标文件;(七)招标文件的澄清、修改、答疑;(八)按规定组成评标委员会;(九)开标;(十)评标;(十一)定标;(十二)招标人向招投标管理机构提交招标投标情况的书面报告;(十三)签发中标通知书;(十四)合同签订与备案。
第十六条招标人可以根据招标项目本身的要求,采用资格预审方式对投标申请人进行资格审查。
资格预审是指招标人发出招标公告或投标邀请书,要求潜在投标人提交资格预审的申请及有关证明资料,资格预审合格的,方可参加正式的投标竞争。
`实行资格预审的招标工程,招标人应当在招标公告或者投标邀请书中载明资格预审的条件和获取资格预审文件的办法。