监理单位人员情况一览表
- 格式:docx
- 大小:8.09 KB
- 文档页数:3
注意事项:在报送一览表的同时,下列资料须一并报送:1 、 单位、项目负责人如有更换, 应重新办理法定代表人受权书并签署工程质量终身责任承诺书。
在报送工程档案资料时,应将变更前与变更后的工程质量终身责任承诺 书、法定代表人授权书一同报送。
2 、 报送项目负责人身份证、执业资格证及注册证复印件并加盖单位公章单位 单位名称姓名建设单位勘察单位设计单位施工单位监理单位备注项目负责人身份证号执业资格 证号履职时间工程地点建造面积 (投资规模) 建造层数竣工日期质量责任主体及项目负责人工程名称施工许可证号结构类型开工日期兹任命(姓名) 为我(建设□、勘察□、设计□、施工□、监理□)单位名称:(工程名称):项目负责人,代表我单位履行工程质量安全职责。
项目负责人基本情况:姓名:性别:出生年月:身份证号:通讯地址:电话号码:手机号码:公司职务:职称:项目负责人(签字):法定代表人(签字):单位(盖章):年月日附件 1:工程名称:本人承诺在该工程建设过程中一定认真履行下列相应职责,并承担对该工程质量终身责任:1、严格遵守相关法律法规和规范标准,认真履行建设工程合同所规定的责任和义务。
2 、将工程发包或者委托给具有相应资质(资格)的施工、监理、勘察、设计、施工图审查机构和检测等单位,不将建设工程肢解发包,不迫使承包方以低于成本价竞标,不任意压缩合理工期(周期)。
对依法分项发包而未指定总包管理的分部份项工程的质量负总责。
3、向勘察、设计、施工、监理、施工图审查机构和检测等单位提供真实、准确、完整的与建设项目相关的原始材料。
4 、将勘察、设计文件报送具有相应资格的审查机构进行审查,及时向施工现场提供经审查合格的勘察、设计文件。
存在勘察设计变更的,严格执行勘察设计变更管理相关规定。
5、严格遵守基本建设程序,在开工前办理质量监督手续,领取施工许可证。
6、不明示或者暗示勘察、设计、施工、检测等单位违反工程建设强制性标准或者使用不合格的建造材料、建造配件和设备,降低工程质量。
目录1.工程开工/复工报审表(A1)2. 施工组织设计(方案)报审表(A2)3.分包单位资格报审(A3)4. 报验申请表(A4)5.工程款支付申请表(A5)6.监理工程师通知回复单(A6)7.工程临时延期申请表(A7)8.费用索赔申请表(A8)9.工程材料/构配件/设备报审表(A9)10.工程竣工报验单(A10)11.监理工程师通知单(B1)12.工程暂停令(B2)13.工程款支付证书(B3)14.工程临时延期审批表(B4)15.工程最终临时延期审批表(B5)16.费用索赔审批表(B6)17.监理工作联系单(C1)18.工程变更单(C2)19.文件资料目录20.文件接收登记表21.文件发放登记表22.文件更改报审表23.文件更改通知单24.文件资料回收销毁记录25.文件资料借阅登记表26.文件资料查阅登记表27.办公用品登记表28.业主提供技术资料和物品登记表29.业主提供的技术资料有效性验证记录表30.检测设备台帐31检测设备发放登记表32.检测设备周期检定计划表33.现场使用检测设备台帐34.监理规划编审表35.培训申请表36.质量活动签到表37.特种作业人员花名册38.试验室考核记录表39.定位放线复核记录40.原材料进场报验统计表41.商品砼监理控制内容一览表42.工程隐蔽会签单43.旁站监理记录(建市[2002]189号文)44.施工试验台帐(监理协会监制原表C3)45.工程计量核验汇总表(监理协会监制原表C4)46.工程款支付情况汇总表(监理协会监制原表C5)47.监理工程内部验收会签单47.监理工程内部验收记录表(2种)49.项目监理人员一览表50.监理工程统计月报表51.业主评价表52.管理评审计划表53.管理评审报告54.审核实施计划55.内部质量审核首/未次会议记录表56.现场内审记录57.内部质量审核不合格报告58.质量检查记录59.整改通知单60.纠正/预防措施要求61.培训实施记录A1工程开工/复工报审表工程名称:编号:A2施工组织设计(方案)报审表工程名称:编号:A3分包单位资格报审表工程名称:编号:A4报验申请表工程名称:编号:A5工程款支付申请表工程名称:编号:A6监理工程师通知/回复单工程名称:编号:A7工程临时延期申请表工程名称:编号:A8费用索赔申请表工程名称:编号:A9工程材料/构配件/设备报审表工程名称:编号:A10工程竣工报验单工程名称:编号:B1监理工程师通知单工程名称:编号:B2工程暂停令工程名称:编号:B3工程款支付证书工程名称:编号:B4工程临时延期审批表工程名称:编号:B5工程最终延期审批表工程名称:编号:B6费用索赔审批表工程名称:编号:C1监理工作联系单工程名称:编号:C2工程变更单工程名称:编号:JLZ-B版2003文件和资料目录编号:JLZ-B版 2003文件接收登记表编号:JLZ-B版 2003文件发放登记表编号:JLZ-B版 2003文件更改报审表编号:JLZ-B版2003文件更改通知单编号:JLZ-B版2003文件资料回收销毁记录编号:JLZ-B版2003文件资料借阅登记表编号:注:监理归档资料需外借时,须经公司总工程师审批并交押金。
工程质量监理手册1、为提高建设工程监理水平,规范监理行为,保证房屋建筑工程质量,制定本手册;2、本手册适用于珠海市范围内新建、改建、扩建的房屋建筑工程的质量监理行为;3、工程质量监理除应执行本手册的规定外,还应符合国家有关法律、法规和工程技术标准等规定;4、本手册填写内容必须真实、及时、完整;5、本手册由监理单位项目监理机构妥善保管,在建设工程竣工验收合格后,监理单位及时向城建档案部门移交;6、本手册视为监理工作凭证之一。
目录一、项目监理机构二、施工单位工程项目管理人员审查登记表三、旁站、巡视记录登记表四、天然地基鉴定、验收记录五、材料检验结果登记表六、钢材检验结构登记表七、钢材连接工艺试验及连接质量检测结果登记表八、主要项目检测结果登记表九、钢筋位置抽测结果登记表十、楼板厚度抽测记录表十一、混凝土及砂浆试块检验结果登记表十二、混凝土强度回弹抽测记录表十三、混凝土试件试压强度评定表十四、分部工程评定结果汇总表十五、工程质量事故处理登记表十六、地基基础分部工程验收记录粘贴页十七、主体分部工程验收记录粘贴页十八、其他重要资料粘贴表十九、施工技术资料审查记录一、项目监理机构根据号监理合同,我公司承担工程的监理任务,根据《建设工程监理规范》(GB50319-2000)和工程实际情况,本公司安排以下人员负责本工程的监理工作:二、施工单位工程项目管理人员审查登记表三、旁站、巡视记录登记表四、天然地基鉴定、验收记录五、材料检验结果登记表(如水泥、砌块、防水材料、水电材料等)六、钢材检验结果登记表七、钢材连结工艺试验及连接质量检验结果登记表八、主要项目检测结果登记表专业监理工程师执业章印鉴及签名:总监执业章印鉴及签名:注:本表主要登记法定检测单位实施的桩基及地基处理工程检测、砼结构及钢结构工程检测、铝窗及幕墙工程检测、饰面砖拉结强度检测、现场结构试验、室内环境检测、电气接地电阻、绝缘电阻测试等主要项目的检测结果。
杭州湾跨海大桥工程建设项目(I合同)桩基工程开工报告(滩涂区)承包单位:浙江省交通工程建设集团有限公司监理单位:东北林业大学工程监理部二OO四年二月二十五日杭州湾跨海大桥建设项目承包单位:Ⅰ合同项目经理部监理单位:一合同监理工程师办公室合同号:Ⅰ编号: S01/A9/D/0001/0402 .(A-9)分项工程开工申请单共3份,承包人报送监理工程师1份,经监理工程师批准后送业主1份备案,1份返回承包人存档杭州湾跨海大桥建设项目承包单位Ⅰ合同项目经理部监理单位一合同监理工程师办公室合同号Ⅰ编号S01/A11/D/0001/0402(A-3)施工技术方案报审表共3份,承包人报送监理工程师1份,业主1份,1份返回承包人存档杭州湾跨海大桥建设项目承包单位浙江省交通工程建设集团有限公司监理单位东北林业大学工程监理部合同号01 编号A-4-01-01(A-4)施工放样报验单共2份,承包人报送监理工程师1份,1份返回承包人存档杭州湾跨海大桥建设项目承包单位Ⅰ合同项目经理部监理单位一合同监理工程师办公室合同号Ⅰ编号S01/A6/D/0001/0402(A-6)进场设备报验单共2份,承包人报送监理工程师1份,1份返回承包人存档开工准备工作说明我部陆地区桩基已正常施工,滩涂区桩基前期施工准备工作已基本结束,目前栈桥和施工平台可以满足前期施工需要;导线、水准复测成果已审批;预先开工的桩位施工放样,测量工作已结束;投入本工程的管理人员,施工人员以及其它人员已基本到位;投入本工程的机械设备,材料等均已到位;海工砼配合比试验报告已审批。
本分项工程的施工准备已就绪,具备了开工条件。
具体工程准备情况如下:一、主要施工人员进场情况杭州湾跨海大桥工程I合同项目部自2003年10月28日进场以来,根据招标文件及实际施工需要设置相应的科室及部门,项目部下设工程科、质检科、机料科、财务科、信息科、测量队、安全保卫科、办公室、中心试验室及施工调度室等职能科室和四个直接承担施工任务的施工队,以及拌和站;对工程实施全方位、全过程的管理。
项目监理机构考核检查表(第一季度)检查日期:年月日工程项目名称建设单位名称监理单位名称施工单位名称项目总监姓名监理工程师资格证书编号监理工程师注册号检查结论考核得分得分率检查人员说明:1、检查内容依据:建设工程监理规范GB/T50319-2013、监理合同通用条件。
2、考核总评得分低于70分,为监理履职履责严重不到位;70-85分为监理履职履责基本到位;85分为监理履职履责到位。
3、①对监理履职履责严重不到位的项目总监,由建设单位进行诫勉约谈、发文通报批评,情况特别严重者,将书面上报住建局建议加重处罚;②对监理履职履责基本到位的项目总监,由建设单位依据相关合同规定要求限期整改;③对监理履职履责到位的项目总监,进行表彰。
检查表(一):监理单位内部管理工作检查组人员(签字):检查项目考核评分内容检查应得分检查实得分扣分事项理由监理单位人员及内部管理情况(10分)1总监任命或更换、是否报建设单位并得到其认可1分2项目监理机构及总监理工程师是否有任命文件1分3项目总监是否签署工程质量终身责任承诺书1分4专监、监理员配置专业是否满足规定要求1分5监理人员持证情况是否齐全1分6项目监理机构岗位职责、监理管理制度、监理工作流程是否明确、是否醒目1分7人员变更审批是否符合管理规定1分8项目监理机构是否配备办公设备及必要的技术规范、标准、图集1分9是否对施工现场定期开展巡视检查和考核1分10总监是否签署总监理工程师代表授权委托书(如有)1分小计检查表(二):监理单位综合管理工作检查组人员(签字):检查项目考核评分内容检查应得分检查实得分扣分事项理由综合管理工作(10分)1是否完成监理规划的编审、《监理规划》是否结合工程实际情况按规定编制(内容完整性、针对性)、是否按规定审批1分2是否参加建设单位主持的图纸会审及设计交底1分3《监理规划》是否报送建设单位、是否签批意见1分4施工组织设计审查资料是否齐全1分5危险性较大的分部分项工程、投资控制、进度控制《监理实施细则》是否编制齐全1分6建立《监理通知管理台账》对签发的各类《监理通知》进行管理;或签发的《监理通知》没有施工单位填写的《监理通知回复单》作闭合的。
四川省质量监督总站篇一:四川省建设工程质量监督报监登记表建设工程质量监督报监登记书质监 [ ]号工程名称:建设单位:监督部门:四川省建设厅制为了确保建设工程质量,根据国务院第279号令《建设工程质量管理条例》和《四川省建设管理条例》,持有关手续到工程质量监督总站理建设工程质量监督申报手续。
三、建设单位质量管理人员情况法人代表:项目负责人:联系电话:四、监理单位驻现场人员情况法人代表:项目负责人:联系电话:五、施工单位质量管理人员情况法人代表:项目负责人:联系电话:六、申报时,暂按工程中标介总额预缴监督费元,工程竣工后,按工程决算额多退少补建设单位:监理单位:施工单位:监督部门:(盖章)(盖章)(盖章)(盖章)联系人:联系人:联系人:联系人:电话:电话:电话:电话:年月日注:本表一式五份,建设单位、施工单位、报建中心各一份,质监站存二份。
四川省建设厅制篇二:四川省建设工程质量安全监督机构及人员考核办法(试行)四川省建设工程质量安全监督机构及人员考核办法(试行)第一章总则第一条为加强全省建设工程质量、安全监督机构和人员的管理,推动各级监督机构规范化、制度化建设,提高监督机构依法履行监督职责意识和工作水平,根据《中华人民共和国建筑法》、《中华人民共和国安全生产法》、《建设工程质量管理条例》、《建设工程安全生产管理条例》、《建设工程质量监督机构深化改革的指导意见》、《工程质量监督工作导则》和《建筑安全生产监督管理规定》等法律、法规,结合我省实际,制定本办法。
第二条本办法适用于四川省房屋建筑工程、市政基础设施工程和各类专业建设工程质量、安全监督机构和人员的考核管理。
第三条建设工程质量、安全监督机构(以下简称监督机构)是指受县级以上地方人民政府建设行政主管部门委托,依据有关法律、法规和工程建设强制性标准,对取得施工许可的工程建设项目实施过程中各参建责任主体和相关单位的质量、安全行为及工程实体质量、施工安全具体实施监督管理的机构。
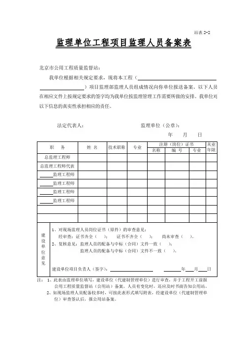
站表2-2监理单位工程项目监理人员备案表
北京市公用工程质量监督站:
我单位根据相关规定要求,现将本工程(
)项目监理部监理人员组成情况向你单位报送备案。
以下人员在相应文件上按规定要求的签字均为我单位按监理管理工作需要所做的安排。
我单位对以下信息的真实性承担相应的责任。
法定代表人:监理单位(公章):
年月日
注: 1、此表由监理单位填写,建设单位(代建制管理单位)进行审查,并于工程开工前报公用工程质量监督站(公用站)备案。
人员有变化时,还应及时书面告知公用站。
2、如现场监理人员配备较多时,可按此表形式填写附表,经建设单位(代建制管理单
位)审查签认后,报公用站备案。
总监理工程师授权通知书项目监理机构人员配置(调整)通知书监理通知单工程暂停令工程变更通知单津园监B6 编号:天津市园林建设工程工程竣工预验收报告工程名称:承包单位:建设单位:监理单位:预验收时间:工程竣工预验收报告目录工程竣工预验收小组成员及其分工表工程竣工预验收整改意见天津市园林建设工程现场证物照片总监理工程师代表授权通知书监理规划报审表监理细则报审表工程款支付证书旁站监理记录表津园监B13监理日记监理单位项目监理机构监理日记监理月报(年月)监理单位:项目监理机构:编号:建设单位签收人日期一、工程概况:1.工程的基本情况;2.本月工程形象部位;二、合同的履行概况:1.合同的履行情况;2.主要项目的变化情况;三、工程进度情况:1.本月实际完成情况与计划进度比较2.滞后或超出的原因分析3.采取的措施及效果四、工程计量与工程款支付:注:指对施工部位进行认可五、施工现场情况1.工程延误情况2.工程质量情况及问题(1)工程质量检验批验收情况(2)质量监督站、安全站、等有关检查情况评价并附照片(3)备案验收情况(遇有地基、基础、主体工程,需备案的;否则,只在竣工时做)3.工程进展中主要问题与困难,如施工中重大事故,重大索赔事件,材料、设备的使用情况及困难,组织协调方面的困难,异常天气的影响等。
4.安全情况六、监理的情况1.监理人员的配备2.监理工作的实施及效果、承包单位对监理程序的执行情况(1)说明(2)监理工作的实施及效果(3)监理例会情况七、主要材料、设备及构配件供应情况八、合同其他事项的处理情况1.工程变更情况2.工程延期情况3.费用索赔情况九、本月监理工作总结1.对本月工程进度、质量、工程款支付等方面的综合评价2.本月监理工作情况3.有关工程的意见和建议4.下月监理工作的重点第项目监理机构年月日津园监B15监理工作总结工程名称:监理单位:项目监理机构:建设单位签收人日期一、工程概况二、监理组织机构、监理人员和投入的监理设施三、监理合同履行情况四、监理工作成效五、施工过程中出现的问题,及其处理情况和相关建议六、必要的工程声像资料津园监B16 编号:监理业务手册监理企业(公章)填表说明一、“监理工程”一栏以监理合同为单位填写二、“工程类别及等级”分别按十四个行业类别中规定的工程等级标准填写三、“竣工验收结论”指建设单位组织竣工验收,最终形成的竣工验收意见四、填表可用钢笔填写,要求字迹工整,不得涂改。
办理施工安全监督手续用表(表JD-1)
工程概况表(表JD-1-1)
- 1 -
建设、施工、监理、主要分包单位企业及工程项目主要管理人员一览表(表JD-1-2)
注:由建设单位填写,包含主要专业分包及劳务分包单位相关信息,附技术职称、安全生产考核合格证书、执业资格证书等复印件。
- 2 -
建设、施工、监理、主要分包单位企业及工程项目主要管理人员一览表(表JD-1-2)
注:由建设单位填写,包含主要专业分包及劳务分包单位相关信息,附技术职称、安全生产考核合格证书、执业资格证书等复印件。
- 3 -
危险性较大的分部分项工程清单(表JD-1-3)
- 4 -
- 5 -
- 6 -。
监理拟采用表格名称一览表以上监理用表样式附后(除上表外,另加有监理月报样式)工程开工/复工报审表工程名称:XX市南明区实验小学教学楼工程编号:01A2外墙内保温工程施工(方案)报审表工程名称:南明区前进小学教学楼工程编号:A3分包单位资格报审表工程名称:编号:A4报验申请表工程名称:XX市南明区实验小学教学楼编号:A5工程款支付申请表工程名称:编号:监理工程师通知回复单工程名称:XX市南明区实验小学教学楼工程编号:003A7工程临时延期申请表工程名称:编号:A8费用索赔申请表工程名称:编号:A9工程材料/构配件/设备报审表工程名称:XX市南明区实验小学教学楼工程编号:A10工程竣工报验单工程名称:编号:混凝土浇注申请工程名称:编号:浇要注求1、浇捣前模板清是干净,浇水湿润2、后台计量器具交核,可证计量准确3、施工缝外浇水湿润,按要求接浆4、严格控制水灰比,按要求配料,振捣密实一式二份,查验后监理办公室留档一份,退承包人一份。
工程施工进度计划调整报审表工程名称:编号:HA-3工程变更费用申请单工程名称:编号:HA-4延长工期报审表工程名称:编号:HA-5整改复查报审表工程名称:编号:HA-6技术核定报审表工程名称:编号:HA-7工程质量问题(事故)报告工程名称:编号:HA-8工程质量事故处理方案报审单工程名称:编号:HA-9施工备忘录工程名称:编号:B1监理工程师通知单工程名称:XX市市西路422#启新商住楼编号:工程暂停令工程名称:编号:工程款支付证书工程名称:南明区前进小学教学楼工程编号:03工程临时延期审批表工程名称:编号:B5工程最终延期审批表工程名称:编号:B6费用索赔审批表工程名称:编号:H-B1工程监理检查记录YG-B2 编号:001见证取样和见证送检人员备案书致:(施工单位)XX建工集团第九建筑工程公司(质量监督机构) XX省质监站(见证取样检测中心、试验室)XX市建筑工程质量检测中心我单位决定,由罗仕洲王吉茂同志担任金狮小区四工区工程的见证取样和见证送检人员。
湖南省交通厅关于印发《湖南省公路水运工程质量监督实施细则》的通知文章属性•【制定机关】湖南省交通厅•【公布日期】2007.05.21•【字号】湘交质监[2007]234号•【施行日期】2007.05.21•【效力等级】地方规范性文件•【时效性】现行有效•【主题分类】公路正文湖南省交通厅关于印发《湖南省公路水运工程质量监督实施细则》的通知(湘交质监〔2007〕234号)各市州交通局、厅直有关单位:为进一步提高湖南省公路水运工程质量水平,规范全省公路水运工程质量监督工作,根据交通部《公路工程质量监督规定》(2005年第4号令)和《水运工程质量监督规定》(2000年第3号令),结合我省实际情况,组织制定了《湖南省公路水运工程质量监督实施细则》,现印发给你们,请认真组织实施。
附件:湖南省公路水运工程质量监督实施细则湖南省交通厅二○○七年五月二十一日湖南省公路水运工程质量监督实施细则第一条为加强公路水运工程质量监督,保证公路水运工程质量,保护人民生命和财产安全,根据交通部《公路工程质量监督规定》(2005年第4号令)和《水运工程质量监督规定》(2000年第3号令),结合我省实际情况,制定本细则。
第二条凡在省内从事公路水运工程建设活动以及对公路水运工程质量实施监督,应当遵守本细则。
本细则所称公路工程,是指公路及其附属工程的新建、改建、扩建以及养护大修等工程;水运工程,是指港口、航道、航标、通航建筑物,水工建筑物及支持系统、辅助和附属设施的新建,改建、扩建和养护大修工程。
本细则所称公路水运工程质量,是指有关法律、法规、规章、技术标准、设计文件以及合同对公路水运工程的安全、适用、经济、美观等特性的综合要求。
本细则所称公路水运工程质量监督,是指县级以上人民政府交通行政主管部门(以下简称交通主管部门)及其委托的公路水运工程质量监督机构(以下简称质监机构),依据有关法律、法规,对公路水运工程从业单位及人员的质量工作和工程质量实施强制性监督的行政行为。
工程类别总监理工程师总监理工程师代表专业监理工程师监理员1机构设置与职责1.1监理项目部(业主项目部)组建1.1.1定位监理项目部(业主项目部)是工程监理单位依据工程监理合同和建设管理单位相关要求组建并派驻工程现场的组织机构,公平、独立、诚信、科学地开展建设工程监理及相关服务活动,通过计划、组织、协调、监督、评价等管理手段,采用审查、见证、旁站、巡视、验收等方式方法,实现工程安全、质量、进度、造价和技术等各项建设目标。
1.1.2组建原则所有输变电工程必须组建监理项目部(业主项目部)。
监理单位应根据相关规定和监理合同约定的服务内容、服务期限、工程特点、规模、技术复杂程度等因素,在监理合同签订一个月内成立监理项目部(业主项目部),并将监理项目部(业主项目部)成立及总监理工程师的任命书面通知建设管理单位。
监理项目部(业主项目部)配备满足独立开展工程建设管理及监理工作的各类资源(包括办公、交通、通信、检测、个人安全防护用品等设备或工具,以及满足本工程需要的法律、法规、规程、规范、技术标准等依据性文件),并在工程建设期间,结合工程实际,合理调整资源配备,满足工作需要。
1.1.3人员配置、任职资格及条件监理项目部(业主项目部)应配备足额合格的监理人员,包括总监理工程师、总监理工程师代表、专业监理工程师、安全监理工程师、建设协调、造价工程师、信息资料员以及监理员,其中总监理工程师(及总监理工程师代表)、专业监理工程师、安全监理工程师为项目管理关键人员,应与投标文件保持一致。
监理项目部(业主项目部)人员配置基本要求见表1-1、表1-2。
表1-1 新建输变电工程监理项目部(业主项目部)人员配置基本要求一览表安全监理工程师2.其他工程总监理工程师经建设管理单位书面同意,最多可兼任3个建设工程。
3.监理合同仅包括变电站或线路工作内容时,监理项目部(业主项目部)可配置相应岗位人员.4.出线总长度不足10km的输变电工程,线路安全监理工程师可由线路专业监理工程师兼任5.线路带间隔的输变电工程,间隔施工时至少应配置一名相应专业的监理工程师。