各阶段监理机构人员配置要求一览表
- 格式:doc
- 大小:30.50 KB
- 文档页数:1
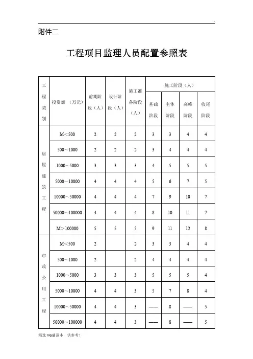
工施工阶段(人)施工准程 前期阶设计阶类 别房 屋 建 筑 工 程市 政 公 用工 程附件二工程项目监理人员配置参照表投资额 (万元)备阶段基础段(人) 段(人)(人)阶段主体阶段 高峰阶段收尾阶段M < 5002223344500 ~ 100022234441000 ~500033345555000 ~ 10000444567510000 ~500004447910750000 ~100000444810117M > 100000555911128M < 500223344500 ~ 10002244441000 ~500033355545000 ~ 10000443578410000 ~50000443——8——550000 ~ 4 4 3 ——8 —— 5100000M>100000 5 5 4 ——9 —— 6备注实际配备人数可为表中人数±1;建设工程项目监理人员岗位配低标准附件:建设工程项目监理人员岗位配低标准一、住宅工程人员标准9 万平方米以上总建筑面积6-9 万平方米3-6 万平方米1-3 万平方米1 万平方米以下总监理工程师1 人 1 人 1 人 1 人 1 人专业监理工程师3 人以上 2 人以上 2 人以上 1 人以上 1 人以上监理员 3 人以上 3 人以上 2 人以上 2 人以上 1 人以上二、工业厂房工程人员标准最大跨度36 米以上24-36 米24 米以下三、公共建筑、市政工程及其它工程建筑安装工程费(或施工合同价款)人员标准10000 万 元以 6000-10000 万3000 -6000 万 1000-3000 万1000 万元以下总监理工程师 1 人 1 人 1 人 专业监理工程师2 人以上 1 人以上 1 人以上 监理员2 人以上2 人以上1 人以上上元元元 总监理工程师 1 人1 人 1 人 1 人 1 人 专业监理工程师3 人以上 2 人以上 2 人以上 1 人以上 1 人以上 监理员3 人以上3 人以上2 人以上2 人以上1 人以上说明:1、本标准所列监理人员为常驻工地人员。
附件1:
施工项目部关键岗位人员配备标准
1.此标准为关键岗位人员最低配备标准。
2.对于复杂的体育场所、综合性工程以及工期较紧、多班施工作业的工程,在以上配备标准基础上应适当增加施工员、质量员、安全员人数。
3.当施工员、安全员为2人及以上时,应按专业配备。
附件2:
现场监理部关键岗位人员配备标准
1.此标准为关键岗位人员最低配备标准。
2.标准中总监指项目总监理工程师或总监代表,专监仅包括项目主导专业监理工程师,不包括非主导专业监理工程师。
3.建筑面积超过15万平方米,每增加5万平方米,各阶段专业监理工程师、监理员应各增加1人。
4.对于复杂的体育场所、综合性工程以及工期较紧、多班施工作业的工程,在以上配备标准基础上应适当增加主导专业监理工程师和监理员。
欢迎您的下载,
资料仅供参考!
致力为企业和个人提供合同协议,策划案计划书,学习课件等等
打造全网一站式需求。
附件1省建设工程项目监理机构人员配备标准备注:1、表中监理工程师人数指总监(总监代表)和全职专业监理工程师人数之和。
附属专业(水、暖、电)监理人员可同时担任不超过3个监理项目且3项合计房建工程不得超过12万平米、其他工程不得超过10000万元。
2、工程规模指同期施工的建设项目;若非同期施工,监理项目人员配备数量标准按实际开工面积配备人数。
3、以上标准为监理项目人数配备最低标准,建设单位对监理项目人员配备有具体要求的,监理单位可根据项目具体情况,对人员配备情况进行调整,以双方约定为准,但必须达到监理机构人员配备的最低标准要求。
附件2省建设工程施工阶段监理机构人员登记表建设单位(公章)监理单位(公章)注:此表一式四份,登记部门、建设单位各1份,监理单位2份,其中1份交现场监理机构备查。
附件3外地进冀工程监理企业登记表企业名称:(公章)企业法定代表人:(签名)填报日期:年月日说明1、《外地进冀工程监理企业登记表》(一式三份,加盖企业公章);2、进冀负责人;3、企业法定代表人声明;4、法人委托书与被委托人;5、工程监理企业所在省(直辖市)建设主管部门出具的出省(直辖市)承接监理业务介绍信(原件);6、工程监理企业营业执照;7、工程监理企业资质证书;8、进冀现场监理人员、职称证书、注册监理工程师执业证书,监理工程师、总监岗位任命书,经劳动保障部门签章的劳动合同,近三个月的三金(养老保险、医疗保险与失业保险)缴纳证明。
9、工程监理企业所在省(直辖市)建设工程质量监督管理部门出具的企业近三年未发生质量事故证明(原件);10、工程监理企业所在省(直辖市)建设工程安全监督管理部门出具的企业近三年未发生安全事故证明(原件);11、工程监理企业所在省(直辖市)建设工程建筑市场管理部门出具的企业近三年无市场违规行为证明(原件);12、招标公告或邀标书(容包括:工程名称、工程报名日期、工程开标日期、工程面积、工程造价)。
附件二
工程项目监理人员配置参照表
建设工程项目监理人员岗位配低标准
附件:
建设工程项目监理人员岗位配低标准一、住宅工程
二、工业厂房工程
三、公共建筑、市政工程及其它工程
说明:
1、本标准所列监理人员为常驻工地人员。
所列以上数包括本数、以下数不包括本数。
2、除下列规模大、技术复杂的项目一名总监理工程师只可担任一项委托监理合同的项目总监理工程师工作外,其它项目需要同时担任多项委托监理合同的项目总监理工程师工作时,须经建设单位同意,且最多不得超过三项。
(1)总建筑面积9万平方米以上的项目;
(2)最大跨度36米以上的项目;
(3)建筑安装工程费或施工合同价款10000万元以上的项目;
(4)二层以上地下室的项目。
建设单位同意是指由监理企业出具“各项目建设单位均同意其同时担任总监的报告”(需建设单位加盖公章)。
3、开工准备阶段(总监理工程师签发工程开工令前)、工程收尾阶段(总监理工程师收到施工单位填报的工程竣工报验单后)的监理人员数量,视现场工作需要,可不受上述标准限制。
4、项目监理人员必须配置1名负责安全监理的专业监理工程师或监理员,并根据监理合同范围配置有专业配套的监理人员;房建工程最少配置1名土建专业监理工程师,其它专业工程最少配置1名相应专业的专业监理工程师。
5、建设单位出具证明工程已完工的,本工程监理人员除总监外均可按规定在其它监理项目担任监理人员;监理企业提交竣工验收报告(交工报告)后,总监可在其它监理项目担任项目监理人员。
建设项目施工阶段监理机构人员配备最低标准(暂行)。
建筑监理机构及人员配置表
1. 监理机构
监理机构负责组织、协调和实施建筑工程监理工作,确保工程按照合同约定和相关法律法规进行监督和控制。
2. 监理人员配置
2.1 监理总工
监理总工是监理机构的核心人员,主要负责监督工程质量、进度和安全等方面的工作。
2.2 监理工程师
监理工程师是监理机构的重要成员,负责监督和检验施工单位的施工质量,协助监理总工完成监理工作。
2.3 建筑工程师
建筑工程师是监理机构中的专业人员,具备建筑工程设计和施工方面的技术知识,负责解决施工中的技术问题。
2.4 结构工程师
结构工程师是监理机构中的专业人员,具备建筑结构设计和施工方面的技术知识,负责解决建筑结构方面的技术问题。
2.5 暖通工程师
暖通工程师是监理机构中的专业人员,具备暖通工程设计和施工方面的技术知识,负责解决暖通方面的技术问题。
2.6 电气工程师
电气工程师是监理机构中的专业人员,具备电气工程设计和施工方面的技术知识,负责解决电气方面的技术问题。
2.7 环境工程师
环境工程师是监理机构中的专业人员,具备环境工程设计和施工方面的技术知识,负责解决环境方面的技术问题。
2.8 监理助理
监理助理是监理机构中的辅助人员,协助监理工作的进行,负责记录、整理、归档相关资料。
3. 人员配置表
注:人员配置表仅供参考,具体配置根据实际项目需求进行调整。
以上为建筑监理机构及人员配置表的内容。
附件2:
建设工程项目监理机构岗位人员配置要求
一、一般公共建筑
注:1.一级工程以单项工程3万平方米为基数,每增加3万平方米相应增加监理员1人;二级或三级工程分别以报建面积3万和1万平方米为基数,每增加2万平方米相应增加监理人员1人。
2.工业、高耸构筑工程及其它类型房建工程按照本表要求配置。
二、住宅工程
注:1.一级工程以小区建筑面积12万平方米为基数,每增加3万平方米相应增加监理员1人;二级及三级工程以小区建筑面积6万平方米为基数,每增加3万平方米相应增加监理员1人;
2.混合类项目中,住宅面积比例达到30%以上的,岗位人员按住宅工程要求配置。
三、市政公用工程
注:1.本表中N指造价,单位为万元。
2.工程造价超过10000万元的,以10000万元为基数,每增加2500万元,监理员增加1人。
四、小型建设项目
1.建筑面积≤3000平方米或工程造价≤300万元的房屋建筑、建筑装饰和机电安装等工程配备1名监理人员。
2.造价200万元以下(不含200万元)的市政公用项目的监理,经建设单位书面同意且工程地址在同一个镇区范围内,可由正在承担1000万元以下市政公用项目监理业务的监理机构兼管。
承接兼管业务的单位须在我局综合考评中被评为A或B等级,其中A等级监理单位可同时监管2个项目,B等级监理单位可同时监管1个项目,每个监管项目必须另行增加1名监理员。
建设工程项目监理机构岗位人员配置要求
令狐采学
一、一般公共建筑
注:1.一级工程以单项工程3万平方米为基数,每增加3万平方米相应增加监理员1人;二级或三级工程辨别以报建面积3万和1万平方米为基数,每增加2万平方米相应增加监理人员1人。
2.工业、高耸构筑工程及其它类型房建工程依照本表要求配置。
二、住宅工程
注:1.一级工程以小区建筑面积12万平方米为基数,每增加3万平方米相应增加监理员1人;二级及三级工程以小区建筑面积6万平方米为基数,每增加3万平方米相应增加监理员1人;
2.混合类项目中,住宅面积比例达到30%以上的,岗位人员按住宅工程要求配置。
三、市政公用工程
注:1.本表中N指造价,单位为万元。
2.工程造价超出10000万元的,以10000万元为基数,每增加2500万元,监理员增加1人。
四、小型建设项目
1.建筑面积≤3000平方米或工程造价≤300万元的衡宇建筑、建筑装饰和机电装置等工程配备1名监理人员。
2.造价200万元以下(不含200万元)的市政公用项目的监理,经建设单位书面同意且工程地址在同一个镇区规模内,可由正在承担1000万元以下市政公用项目监理业务的监理机构兼管。
承接兼管业务的单位须在我局综合考评中被评为A或B品级,其中A品级监理单位可同时监管2个项目,B品级监理单位可同时监管1个项目,每个监管项目必须另行增加1名监理员。
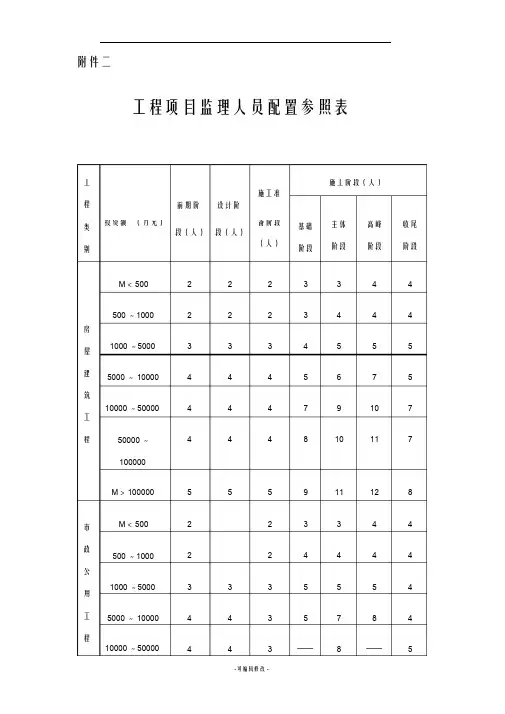
附件二
工程项目监理人员配置参照表
建设工程项目监理人员岗位配低标准附件:
建设工程项目监理人员岗位配低标准一、住宅工程
二、工业厂房工程
三、公共建筑、市政工程及其它工程
说明:
1、本标准所列监理人员为常驻工地人员。
所列以上数包括本数、以下数不包括本数。
2、除下列规模大、技术复杂的项目一名总监理工程师只可担任一项委托监理合同的项目总监理工程师工作外,其它项目需要同时担任多项委托监理合同的项目总监理工程师工作时,须经建设单位同意,且最多不得超过三项。
(1)总建筑面积9万平方米以上的项目;
(2)最大跨度36米以上的项目;
(3)建筑安装工程费或施工合同价款10000万元以上的项目;
(4)二层以上地下室的项目。
建设单位同意是指由监理企业出具“各项目建设单位均同意其同时担任总监的报告”(需建设单位加盖公章)。
3、开工准备阶段(总监理工程师签发工程开工令前)、工程收尾阶段(总监理工程师收到施工单位填报的工程竣工报验单后)的监理人员数量,视现场工作需要,可不受上述标准限制。
4、项目监理人员必须配置1名负责安全监理的专业监理工程师或监理员,并根据监理合同范围配置有专业配套的监理人员;房建工程最少配置1名土建专业监理工程师,其它专业工程最少配置1名相应专业的专业监理工程师。
5、建设单位出具证明工程已完工的,本工程监理人员除总监外均可按规定在其它监理项目担任监理人员;监理企业提交竣工验收报告(交工报告)后,总监可在其它监理项目担任项目监理人员。
建设项目施工阶段监理机构人员配备最低标准(暂行)。
附件:
建设工程项目监理人员岗位配置最低标准
1、本标准所列监理人员为常驻工地人员。
所列以上数包括本数、以下数不包括本数。
2、除下列规模大、技术复杂的项目一名总监理工程师只可担任一项委托监理合同的项目总监理工程师工作外,其它项目需要同时担任多项委托监理合同的项目总监理工程师工作时,须经建设单位同意,且最多不得超过三项。
(1)总建筑面积9万平方米以上的项目;
(2)最大跨度36米以上的项目;
(3)建筑安装工程费或施工合同价款10000万元以上的项目;
(4)二层以上地下室的项目。
建设单位同意是指由监理企业出具“各项目建设单位均同意其同时担任总监的报告”(需建设单位加盖公章)。
3、开工准备阶段(总监理工程师签发工程开工令前)、工程收尾阶段(总监理工程师收到施工单位填报的工程竣工报验单后)的监理人员数量,视现场工作需要,可不受上述标准限制。
4、项目监理人员必须配置1名负责安全监理的专业监理工程师或监理员,并根据监理合同范围配置有专业配套的监理人员;房建工程最少配置1名土建专业监理工程师,其它专业工程最少配置1名相应专业的专业监理工程师。
5、建设单位出具证明工程已完工的,本工程监理人员除总监外均可按规定在其它监理项目担任监理人员;监理企业提交竣工验收报告(交工报告)后,总监可在其它监理项目担任项目监理人员。
房屋建筑工程项目监理机构人员配置房屋建筑工程项目监理机构人员配置按照中国建设监理协会《项目监理机构人员配置标准(试行)》,该标准把房屋建筑工程分为住宅工程、一般公共建筑(I)和一般公共建筑(Ⅱ)等三类工程,高耸构筑物工程未列入该标准系列。
监理单位应结合房屋建筑工程特点,根据建设项目的建设规模、建设投资、建设工期、监理服务费用、不同施工阶段高峰期工作强度等进行项目监理机构人员配置。
1.住宅工程工程监理单位在按下表配置住宅工程项目监理机构人员时,应根据建设项目基础、主体结构形式,不同施工阶段,监理工作具体内容和范围等,科学合理、有效均衡地设置项目监理机构岗位、配置相应人员数量。
2.一般公共建筑工程(Ⅰ)本标准所述一般公共建筑(Ⅰ)是指具备使用上的公共开放性、功能多样性、人流交通大量性、建筑结构复杂性、建筑风格时代性等特点的单体或群体建筑。
工程监理单位在按下表所列工程概算投资额配置项目监理机构人员数量时,应充分考虑一般公共建筑(I)建设标准高、专业种类多、建设周期长、社会影响大、公众普遍关注等特点。
一般公共建筑工程(Ⅰ)项目监理机构人员配备表注:总监理工程师兼职在表中用(1)表示。
3.一般公共建筑工程(Ⅱ)本标准所述一般公共建筑工程(Ⅱ)是指一般状态下生产的单层和多层工业厂房建筑以及仓储类建筑。
单层工业厂房建筑一般指机械、冶金、纺织、化工等行业厂房:多层工业厂房建筑一般是指为轻工、电子、仪表、通信、医药等生产和配套服务项目。
北京市监理人员配备数量要求按照《北京市房屋建筑和市政基础设施工程监理人员配备管理规定》京建法[2019]12号的要求,项目监理机构的人员应根据项目性质、工程特点和专业需求配备,数量应满足不同施工阶段监理工作的需要和建设工程监理合同的约定。
新建公共建筑和市政公用工程,项目监理机构人员配置数量最低不少于3人。
根据工程规模或工程投资额的增加,相应增加项目监理机构人员配备。
新建公共建筑住宅工程和市政公用工程,项目监理机构人员最低配备参考标准见下表。
建设工程项目监理机构人员配置表
要求及说明:
1、人员配置在满足工程需要的前提下,征得建设单位同意,项目部监理人员配置不得少于上述要求。
监理公司要根据工程量、工程进度及专业需要,及时增派监理人员满足工程质量、安全监理工作需要。
2、多层建筑面积以80000m2为基准,高层建筑面积以90000m2为基准,每增加20000 m2,增加1名监理人员。
3、市政工程以5000万元以基准,每增加1000万元,增加1名监理人员。
4、公开招投标的项目,按公司投标文件中所承诺的人员及数量执行,备案时提交投标文件人员名单。
5、主体工程完工后,在满足监理工作需要的前提下,监理公司要求减少项目部监理人员的,减少人数不得超过备案人数的1∕3。
程序按监理公司向建设单位提出申请,工程质量监督部门核准。
建设工程项目监理机构岗位人员配置要求
一、一般公共建筑
注:1.一级工程以单项工程3万平方米为基数,每增加3万平方米相应增加监理员1人;二级或三级工程分别以报建面积3万和1万平方米为基数,每增加2万平方米相应增加监理人员1人。
2.工业、高耸构筑工程及其它类型房建工程按照本表要求配置。
二、住宅工程
注:1.一级工程以小区建筑面积12万平方米为基数,每增加3万平方米相应增加监理员1人;二级及三级工程以小区建筑面积6万平方米为基数,每增加3万平方米相应增加监理员1人;
2.混合类项目中,住宅面积比例达到30%以上的,岗位人员按住宅工程要求配置。
三、市政公用工程
注:1.本表中N指造价,单位为万元。
2.工程造价超过10000万元的,以10000万元为基数,每增加2500万元,监理员增加1人。
四、小型建设项目
1.建筑面积≤3000平方米或工程造价≤300万元的房屋建筑、建筑装饰和机电安装等工程配备1名监理人员。
2.造价200万元以下(不含200万元)的市政公用项目的监理,经建设单位书面同意且工程地址在同一个镇区范围内,可由正在承担1000万元以下市政公用项目监理业务的监理机构兼管。
承接兼管业务的单位须在我局综合考评中被评为A或B等级,其中A等级监理单位可同时监管2个项目,B等级监理单位可同时监管1个项目,每个监管项目必须另行增加1名监理员。
建设工程项目监理机构岗位人员配置要求
一般公共建筑
注:1•一级工程以单项工程 3万平方米为基数,每增加3万平方米相应增加监理员 1人;二级或三级工程分别以报建面积 3万和1万平方米为基数,每增加 2万平方米相应增加监理人员 1人。
2.工业、高耸构筑工程及其它类型房建工程按照本表要求配置。
、住宅工程
注:1. 一级工程以小区建筑面积12万平方米为基数,每增加 3万平方米相应增加监理员 1人; 级及三级工程以小区建筑面积6万平方米为基数,每增加 3万平方米相应增加监理员 1人;
2.混合类项目中,住宅面积比例达到30%以上的,岗位人员按住宅工程要求配置。
三、市政公用工程
2.工程造价超过10000万元的,以10000万元为基数,每增加 2500万元,监理员增加 1人。
四、小型建设项目
1.建筑面积W 3000平方米或工程造价W 300万元的房屋建
筑、建筑装饰和机电安装等工程配备1名监理人员。
2.造价200万元以下(不含200万元)的市政公用项目的监理,经建设单位书面同意且工程地址在同一个镇区范围内,可由
正在承担1000万元以下市政公用项目监理业务的监理机构兼管。
承接兼管业务的单位须在我局综合考评中被评为A或B等级,其
中A等级监理单位可同时监管2个项目,B等级监理单位可同时
监管1个项目,每个监管项目必须另行增加1名监理员。
附件二
工程项目监理人员配置参照表
建设工程项目监理人员岗位配低标准
附件:
建设工程项目监理人员岗位配低标准一、住宅工程
二、工业厂房工程
三、公共建筑、市政工程及其它工程
说明:
1、本标准所列监理人员为常驻工地人员。
所列以上数包括本数、以下数不包括本数。
2、除下列规模大、技术复杂的项目一名总监理工程师只可担任一项委托监理合同的项目总监理工程师工作外,其它项目需要同时担任多项委托监理合同的项目总监理工程师工作时,须经建设单位同意,且最多不得超过三项。
(1)总建筑面积9万平方米以上的项目;
(2)最大跨度36米以上的项目;
(3)建筑安装工程费或施工合同价款10000万元以上的项目;
(4)二层以上地下室的项目。
建设单位同意是指由监理企业出具“各项目建设单位均同意其同时担任总监的报告”(需建设单位加盖公章)。
3、开工准备阶段(总监理工程师签发工程开工令前)、工程收尾阶段(总监理工程师收到施工单位填报的工程竣工报验单后)的监理人员数量,视现场工作需要,可不受上述标准限制。
4、项目监理人员必须配置1名负责安全监理的专业监理工程师或监理员,并根据监理合同范围配置有专业配套的监理人员;房建工程最少配置1名土建专业监理工程师,其它专业工程最少配置1名相应专业的专业监理工程师。
5、建设单位出具证明工程已完工的,本工程监理人员除总监外均可按规定在其它监理项目担任监理人员;监理企业提交竣工验收报告(交工报告)后,总监可在其它监理项目担任项目监理人员。
建设项目施工阶段监理机构人员配备最低标准(暂行)。