第2章+工程设计、施工方案技术经济分析
- 格式:doc
- 大小:116.50 KB
- 文档页数:18
建设工程造价案例分析第一章:建设项目投资估算与财务评价知识点:1、投资估算(1)设备费①生产能力(指数法)②进口设备出库价格包括国内运输费(2)建安费(指数估算,物价调整,加权)(3)其他(4)基本预备(5)价差预备静态投资(6)建设期利息2、投资现金流量表(填表)P153、资本金现金流量(列示计算)P13:【案例四】P15:表1-9P17:【案例五】P21:表1-13P22:表1-14中的序号1 2 3 4 5 6P24:表1-15中的3净现金流量P36:【案例八】中的问题1第二章:工程设计、施工方案技术经济分析P42:1.设计方案评价指标与评价方法;2施工方案评价指标与评价方法P44:【案例二】重点看(有时间最好参考下2011 2012年的该章节考的真题)P46:表2-5P66:【案例十】重点看P81:【案例十五】重点看第三章:工程计量与计价P94:表3-5分部分项工程量计算表:序号1 2 3 4 5 掌握计算P132:表3-42 分部分项工程计算表P133:表3-43:人工挖基础土方综合单价分析表P136:表3-48 和表3-49P137:表3-50和表3-51第四章建设工程招标投标1、问答题:(计价书上面)1)招标文件内容(计价书上)2)投标文件内容3)招标工程量清单编制依据(计价书181页)4)投标报价的编制依据。
2、分析题:招投标方面的一个案例:比如题目中给出几个事件,问题对该事件进行分析。
问题和答案如下:1)上述做法是否妥当?“XX做法”妥当。
根据《招投标实施条例》相关的法规文件。
理由:风险范围,风险内容不能作为决定性因素。
2)开标,评标事件如何处理?3、《中华人民共和国招标投标法实施条例》中的如下条款:招标:16 17 21 22 26 27 32投标:35 37 38 40开标:48 51 52 54 55 57 584、P153:【案例七】重点看第五章: 工程合同价款管理知识点:一、(1)合同规定(2)网络图二、索赔程序三、索赔事件四、1网络图 2 工期计算1)双代号,总工期关键线路和时差2)时标网路画前锋线根据现在预测总工期原合同工期计划工期新合同工期实际工期五、工期延误主要原因:1)施工方:2)业主:计划变更1新增工程费用2改图加实箭线3机械加虚箭线3)客观:六:P194:【案例七】重点看。
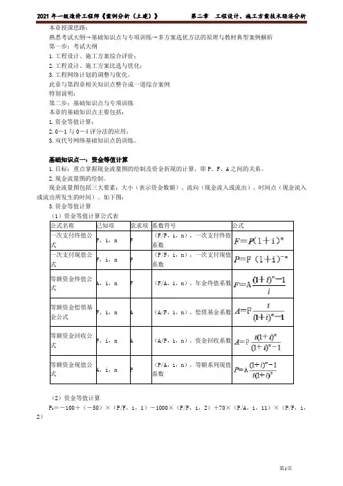
本章授课思路:熟悉考试大纲→基础知识点与专项训练→多方案选优方法的原理与教材典型案例解析第一步:考试大纲1.工程设计、施工方案综合评价;2.工程设计、施工方案比选与优化;3.工程网络计划的调整与优化。
此章与第四章相关知识点整合成一道综合案例特别说明:第二步:基础知识点与专项训练本章的基础知识点主要包括:1.资金等值计算;2.0-1与0-4评分法的应用;3.双代号网络基础知识点的训练。
基础知识点一:资金等值计算1.目标:重点掌握现金流量图的绘制及资金折现的计算,即P、F、A之间的关系。
2.现金流量图的绘制。
现金流量图包括三大要素:大小(表示资金数额)、流向(现金流入或流出)、时间点(现金流入或流出所发生的时间)。
如下图:3.资金等值计算(1)资金等值计算公式表公式名称已知项欲求项系数符号公式一次支付终值公式P,i,n F(F/P,i,n),一次支付终值系数一次支付现值公式F,i,n P(P/F,i,n),一次支付现值系数等额资金终值公式A,i,n F (F/A,i,n),年金终值系数等额资金偿债基金公式F,i,n A (A/F,i,n),偿债基金系数等额资金回收公式P,i,n A (A/P,i,n),资金回收系数等额资金现值公式A,i,n P(P/A,i,n),等额系列现值系数(2)资金等值计算P0=-100+(-50)×(P/F,i,1)-1000×(P/F,i,2)+70×(P/A,i,11)×(P/F,i,2)F(13)=-100×(F/P,i,13)-50×(F/P,i,12)-1000×(F/P,i,11)+70(F/A,i,11)4.说明(1)注意净现值与费用现值的区别;(2)注意净年值与费用年值的区别。
5.专项训练训练1背景:某企业拟建一座节能综合办公楼,建筑面积为25000m2,其工程设计方案部分资料如下:采用装配式钢结构框架体系,预制钢筋混凝土叠合板楼板,装饰、保温、防水三合一复合外墙,双玻断桥铝合金外墙窗,叠合板上现浇珍珠岩保温屋面。
第二章工程设计、施工方案技术经济分析方案评价与选择设计方案的技术经济分析评价方法:净现值(NPV)法步骤:1、计算每个方案的初始投资、年运行费用和每次大修理费用,注意考虑折算效益2、绘图,确定要求方案全寿命周期内的每一笔现金流量3、计算每个方案的费用现值4、费用现值最低的方案即为最优方案优选施工方案(案例16)1、不考虑资金时间价值1.1 直接比较缩短工期的工期奖励和支出的措施费,从中优选施工方案。
1.2 绘制现金流量表,不考虑利息,内容含每月支付工程款、支出的措施费、工期奖励)2、考虑资金时间价值2.1 按合同工期组织施工,计算工程款现值,注意折现后现值位置,有的需要两次折现2.2 列出各个施工方案,依次计算现金流现值,现金流现值大的为最优方案互斥方案选择评价方法:净年值NAV=净现值NPV*(A/P,i,n)A方案净年值=租金收入-运营维护支出-改建支出(净现值)*(A/P,i,n)A方案静态投资回收期=改建支出÷(租金收入-运营维护支出)施工机械经济组合经济组合1、挖掘机数量=总土方量÷(台班产量*天数),注意有小数加12、求自卸汽车数量,第1步求挖掘机和自卸汽车的台数比例,求出最经济的自卸汽车台数;第2步 若台数不够,超出部分需要另选其它型号自卸汽车。
计算按选定的挖掘机实际工作天数,并计算已选定的自卸汽车每天不能运完的土方量。
第3步 选择可能的自卸汽车组合方案,条件是运土量须大于剩余量,分别计算相应费用,取组合费用最低的。
例题:每立方米挖运直接费=(挖掘机台班单价*台数+自卸汽车台班单价*台数)*工作天数÷总土方量单位产量直接费=台班单价÷台班产量资金时间价值等值计算方法一次支付情形终值计算:(F/P,i,n)称为一次支付终值系数P--现值,现在的资金时间价值或本金,即特定时间序列起点时的价值F--终值,未来的资金时间价值或本利和,即特定时间序列终点的价值现值计算:(P/F,i,n)称为一次支付现值系数;P,F同上等额支付系列情形终值计算(F/A,i,n)称为等额系列终值系数或年金终值系数A--年金,特定时间序列各计息期末的等额支付系列价值偿债基金(终值的逆运算)(A/F,i,n)称为等额支付系列偿债基金系数现值计算(P/A,i,n)称为等额支付系列现值系数或年金现值系数资金回收(现值的逆运算)(A/P,i,n)称为等额支付系列资金回收系数2、工期、成本1、工期延误影响,从关键线路、非关键线路、总时差三方面进行分析2、延时加班时间计算公式:(1)列方程,正常时间完成的工作量+延时加班完成的工作量=总工作量(2)延误的时间÷(1-降效百分比)÷实际工作时间3、夜班加班时间计算,公式:(1)正常时间完成的工作量+有降效的白天完成的工作量+夜班完成的工作量=总工作量( 2)延误的时间÷(1-白天降效百分比-夜班降效百分比),因为白天有降效的天数等于夜班加班天数4、增加总费用=正常工作费用+延时加班费用+夜班费用5、若成本最低的工期>最可能工期>合同工期按合同工期组织施工利润=合同额-最低工期成本-压缩工期费用按成本最低工期组织施工利润=合同额-最低工期成本-逾期违约金按最可能工期组织施工利润=合同额-最低工期成本-压缩工期费用-预期违约金6、成本利润率=利润额÷(合同额-利润额)7、期望利润额=合同工期利润额*概率系数1+最低工期利润额*概率系数2+最可能工期利润额*概率系数38、产值利润率=利润额÷总产值(合同额)价值工程的应用1、选择最优方案一、价值指数法1、计算各方案的功能指数1、计算各功能的权重打分方法:1、环比评分法(DARE法)(适用于各个评价对象有明显的可比关系,能直接对比,并能准确地评定功能重要性程度比值的情况)步骤:1、根据功能系统图确定评价功能的级别。
施工方案的技术经济评价方法(一)定性评价方法这种方法是根据经验对施工方案的优劣进行分析和评价。
如工期是否合理,可按工期定额进行分析;流水段的划分是否适当等.定性评价方法比较方便,但不精确,决策易受主观因素影响。
(二)定量评价方法1.多指标比较法。
在应用时要注意应选用适当的指标,以保证指标的可比性。
多指标比较法主要用于在所比较的方案中,有一个方案的各项指标均优于其余的方案、优劣对比明显时的情况.如果各个方案的指标优劣不同,则应该采用下面的其他方法。
2.评分法这种方法是组织专家对施工方案进行评分,采用加权计算法计算各方案的总分,以总分高者为优。
这是在案例分析中常用的一种方法。
3.价值法这种方法是通过计算各方案的最终价值,以价值大小来评定方案的优劣.案例教材第二章案例1、2、6、7、8、属于此类.其中6类似于2003考题思路。
1、2类型尚未未考过。
第二节运用价值工程进行设计、施工方案的评价我们要注意技术与经济相结合,力求达到“技术先进条件下的经济合理,在经济合理的基础上技术先进”,强调“合理的技术先进”。
在价值工程方法中,价值是一个核心的概念。
价值是指研究对象所具有的功能与获得这些功能的全部费用之比,用公式可表示为价值=功能/费用价值工程侧重于在设计阶段开展工作。
价值分析不是单纯以追求降低成本,也不片面追求提高功能,而是正确处理好功能与成本的对立统一关系,研究功能与成本的最佳配置。
运用价值工程的功能指数法对设计、施工方案进行评价的基本步骤如下。
一、确定各项功能重要系数其计算公式为某项功能重要系数=∑(该功能各评价指标得分*该评价指标权重)/评价指标得分之和常用的功能指数计算方法:1、 0—1评分法的运用.案例仅给出各功能因素重要性之间的关系,各功能因素的权重需要根据0—1评分法将各功能一一对比,重要者得1分,不重要的得0分,为防止功能指数中出现零的情况,用各加1分的方法进行修正。
最后用修正得分除以总得分即为功能指数。
第二章工程设计施工方案技术经济分析1. 介绍在工程设计和施工方案的制定过程中,技术经济分析是至关重要的一步。
通过对技术和经济两个方面的综合考量,可以找到最合适的工程设计和施工方案,以确保项目进展顺利、效益最大化。
2. 技术分析技术分析是评估工程设计和施工方案所涉及的技术要求、方案的可行性和技术先进性等方面。
在进行技术分析时,需要考虑以下几个方面:•技术可行性:方案所涉及的技术是否成熟、可行。
•技术先进性:方案是否采用最新的技术手段,是否可以提高工程效率。
•技术可靠性:方案所采用的技术是否可靠,是否可以保证工程质量。
通过对这些方面的评估,可以确保工程设计和施工方案在技术上具备足够的可行性和可靠性。
3. 经济分析经济分析是评估工程设计和施工方案所涉及的经济成本、效益和风险等方面。
在进行经济分析时,需要考虑以下几个方面:•成本分析:对方案实施所需的全部成本进行详细估算。
•效益分析:评估方案实施后带来的经济效益和社会效益。
•风险分析:对方案实施可能面临的各种风险进行评估和控制。
通过对这些方面的评估,可以找到经济上最合理的工程设计和施工方案。
4. 技术经济分析的价值技术经济分析是工程设计和施工方案制定过程中的重要环节,它能够帮助决策者更好地了解各种方案的优缺点,从而选择最合适的方案。
通过技术经济分析,可以降低工程实施过程中的风险,提高项目的效益和成功率。
在实际项目中,技术经济分析也可以帮助项目团队更好地协同工作,确保项目进展符合最初设定的目标和计划。
5. 结论综上所述,技术经济分析在工程设计和施工方案的制定中发挥着重要作用。
通过综合考量技术和经济两方面因素,可以找到最合适的方案,确保项目的顺利进行和最终成功。
在实际项目中,需要重视并认真进行技术经济分析,以确保项目的可行性和效益达到最大化。
以上就是第二章“工程设计施工方案技术经济分析”的全部内容。
希望能对工程设计行业的从业者们有所帮助。
施工组织设计技术经济分析一、引言施工组织设计技术经济分析是指在工程施工过程中,通过对施工组织设计、技术方案和经济分析的综合研究,确定最佳的施工组织方式,以实现工程的高效、安全和经济建设。
本文将从施工组织设计、技术方案和经济分析三个方面进行详细阐述。
二、施工组织设计1. 施工组织设计的目标施工组织设计的目标是合理安排施工过程,提高施工效率,确保工程质量,降低施工风险,并最大程度地节约资源和减少环境影响。
2. 施工组织设计的内容(1)施工组织方案:包括施工工艺流程、施工方法选择、施工工期计划等。
(2)施工人员组织:包括施工人员的数量、岗位职责、配备要求等。
(3)施工设备组织:包括施工设备的选择、配置、使用计划等。
(4)施工材料组织:包括施工材料的选购、储存、使用计划等。
(5)施工安全组织:包括施工安全措施、应急预案、安全教育等。
3. 施工组织设计的方法(1)工艺分析法:通过对施工工艺流程的分析,确定最佳的施工顺序和方法。
(2)网络计划法:利用网络计划技术,对施工工序进行排序和优化,提高施工效率。
(3)摹拟仿真法:通过建立施工过程的仿真模型,摹拟施工现场的运行情况,评估不同组织方式的效果。
三、技术方案1. 技术方案的目标技术方案的目标是根据工程的特点和要求,提出最合适的施工工艺和技术措施,以确保工程的质量和进度。
2. 技术方案的内容(1)施工工艺:包括施工过程中的工序、工艺流程、施工方法等。
(2)技术措施:包括施工过程中需要采取的技术措施,如防水、防腐、防震等。
3. 技术方案的制定方法(1)技术经验法:根据过往的施工经验,总结出适合于该工程的施工工艺和技术措施。
(2)专家咨询法:请相关领域的专家进行咨询,根据其意见和建议制定技术方案。
(3)技术研究法:通过对类似工程的研究,提出适合于该工程的施工工艺和技术措施。
四、经济分析1. 经济分析的目标经济分析的目标是评估施工组织设计和技术方案的经济效益,包括成本控制、资源利用和投资回报等。
浅谈施工方案的技术经济分析在工程项目建设过程中,施工方案的制定是至关重要的环节之一。
一个优秀的施工方案不仅可以确保工程项目的顺利实施,还可以提高施工效率、降低成本、缩短工期。
本文将就施工方案的技术经济分析进行探讨,以期为相关人员提供有益的参考。
一、施工方案的技术分析技术分析是施工方案制定的重要前提。
在制定施工方案时,应首先考虑技术上的可行性。
具体来说,技术分析应包括以下几个方面:1、施工工艺的选用不同的施工工艺适用于不同的工程项目。
在选择施工工艺时,应根据工程项目的特点、设计要求、技术条件以及工期等因素进行综合考虑。
同时,还应考虑施工工艺的可靠性、成熟度以及与其他工序的匹配程度等因素。
通过对不同施工工艺的对比分析,选择最为适宜的施工工艺。
2、施工设备的选择施工设备是工程项目实施过程中不可或缺的组成部分。
在选择施工设备时,应考虑设备的技术性能、可靠性、适用性以及经济性等因素。
同时,还应考虑设备维修保养的便利性以及设备对环境的影响等因素。
通过对不同设备的综合分析,选择最为合适的施工设备。
3、施工组织的安排施工组织的安排是确保工程项目顺利实施的关键环节。
在制定施工组织时,应考虑工程项目的实际情况,结合设计要求和技术条件等因素进行综合考虑。
同时,还应考虑施工过程中的安全、质量、进度和成本等因素。
通过对不同施工组织的对比分析,选择最为合理的施工组织方案。
二、施工方案的经济分析经济分析是施工方案制定的重要方面之一。
在制定施工方案时,应同时考虑经济上的合理性。
具体来说,经济分析应包括以下几个方面:1、成本估算成本估算是施工方案经济分析的基础。
在制定施工方案时,应结合工程项目的实际情况,对直接成本和间接成本进行全面估算。
直接成本包括材料费、人工费、机械使用费等,而间接成本则包括管理费、税金等其他费用。
通过对成本的全面估算,为后续的经济分析提供可靠的数据支持。
2、效益预测效益预测是施工方案经济分析的重要环节。
在制定施工方案时,应考虑工程项目的实际情况和市场需求等因素,对工程项目的效益进行预测。
造价工程师《建设工程造价案例分析》专题六:运用价值工程方法进行方案的评价选优第二章工程设计、施工方案技术经济分析(对应考试第二题,20分)基本知识点:价值工程方法(管理教材第四章工程经济第三节P196)一、基本原理价值工程及其特点(了解):价值工程(ValueEngineering,VE)是以提高产品或作业价值为目的,通过有组织的创造性工作,寻求用最低的寿命周期成本,可靠地实现使用者所需功能的一种管理技术。
价值工程中所述的“价值”是指作为某种产品(或作业)所具有的功能与获得该功能的全部费用的比值。
它不是对象的使用价值,也不是对象的经济价值和交换价值,而是对象的比较价值,是作为评价事物有效程度的一种尺度提出来的。
这种对比关系可用一个数学式表示为:V=F/C式中:V——研究对象的价值;F——研究对象的功能;C——研究对象的成本,即周期寿命成本。
二、价值工程方法基本步骤1.对象选择(考试一般会直接给出);2.功能系统分析(考试一般不会涉及);3.功能评价;4.方案创造与评价(了解);5.方案实施与评价(了解)。
(一)对象选择的方法(了解)(二)功能系统分析功能分析包括功能分类、功能定义、功能整理和功能计量等内容。
(三)功能评价以功能目标成本为基准,1.功能现实成本C 的计算传统成本核算是以产品或零部件的成本为单位,功能现实成本的计算是以对象的功能为单位。
计算功能现实成本时,就是要将成本或零部件的现实成本换算成功能的现实成本。
功能现实成本计算表2.功能评价值F (目标成本)的计算对象的功能评价值F (目标成本),是指可靠地实现用户要求功能的最低成本,是企业预期的、立项的成本目标值。
运用功能重要性系数评价法求功能评价值:分配给各功能区作为该功能区的目标成本,即功能评价值。
步骤如下:(1)确定功能重要性系数(功能指数)功能评价的程序图1)环比评分法①确定需要评价的功能 F1、F2、F3、F4。
②对上下相邻两项功能的重要性进行对比打分,所打的分作为暂定重要性系数。
工程造价案例分析-工程设计、施工方案技术经济分析(总分:160.00,做题时间:90分钟)一、{{B}}(一){{/B}}(总题数:1,分数:20.00)1.某六层单元式住宅共54户,建筑面积为3 949.62m2。
原设计方案为砖混结构,内、外墙为240mm砖墙。
现拟定的新方案为内浇外砌结构,外墙做法不变,内墙采用C20混凝土浇筑。
新方案内横墙厚为140mm,内纵墙厚为160mm,其他部位的做法、选材及建筑标准与原方案相同。
两方案各项指标见表2-1。
{{B}}表2-1 设计方案指标对比表{{/B}}分析要点本案例主要考核利用技术经济指标对方案进行比较和评价,要求能准确计算各项指标值,并能根据评价指标进行设计方案的分析比较。
问题(1)请计算两方案如下技术经济指标:①两方案建筑面积、使用面积单方造价各多少?每平方米差价多少?②新方案每户增加使用面积多少平方米?多投入多少元?(2)若作为商品房,按使用面积单方售价5 647.96元出售,两方案的总售价相差多少?(3)若作为商品房,按建筑面积单方售价4 000元出售,两方案折合使用面积单方售价各为多少元?相差多少?(分数:20.00)__________________________________________________________________________________________ 正确答案:()解析:问题(1)解:①两方案的建筑面积、使用面积单方造价及每平方米差价见表2-15。
{{B}}表2-15{{/B}}由表用面积计算,新方案则比原方案高出3.59元,约高0.24%。
②每户平均增加的使用面积为:(2 881.98-2 797.20)/54=1.57 m2每户多投入:(4 300 342-4 163 789)/54=2 528.76元折合每平方米使用面积单价为:2 528.76/1.57=1 610.68元/m2计算结果是每户增加使用面积1.57m2,每户多投入2 528.76元。
本章授课思路(三步走)基本知识点(考纲要求)→基础知识点详解与同步专项训练→综合知识点剖析与教材相关典型案例详解第一步:基本知识点(考纲要求)包括:1.设计方案评价指标与评价方法;2.施工方案评价指标与评价方法;3.综合评价法在设计、施工方案评价中的应用;4.价值工程在设计、施工方案评价中的应用;5.寿命周期费用理论在方案评价中的应用;6.决策树法的基本概念及其在投资方案决策中的运用;7.工程网络进度计划时间参数的计算,进度计划的调整与优化。
第二步:基础知识点详解与同步专项训练基础知识点1:资金等值计算(1)目标:重点掌握现金流量图的绘制并熟练完成资金折现计算。
(2)相关科目关联:《建设工程造价管理》(3)详解1)现金流量图的绘制。
现金流量图包括三大要素:大小(表示资金数额)、流向(现金流入或流出)、时间点(现金流入或流出所发生的时间)。
如下图:2)资金等值计算资金等值基本计算公式资金等值计算公式公式名称已知项欲求项系数符号公式形象记忆一次支付终值P F (F/P,i,n) F=P(1+i)n一次存钱,到期本利取出一次支付现值 F P (P/F,i,n) P=F(1+i)-n已知到期本利合计数,求最初本金。
等额支付终值 A F (F/A,i,n)()iiAFn11-+=等额零存整取偿债基金 F A (A/F,i,n) ()11-+=niiFA已知最后要取出一笔钱,每年应等额存入多少钱年金现值 A P (P/A,i,n)()()nniiiAP+-+=111若干年每年可领取年金若干,求当初一次存入多少钱资金回收P A (A/P,i,n)()()111-++=nniiiPA住房按揭贷款,已知贷款额,求月供或年供3)资金等值计算P0=-100+(-50)×(P/F,i,1)-1000 ×(P/F,i,2)+7×(P/A,i,11)×(P/F,i,2)F(13)=-100×(F/P,i,13)-50×(F/P,i,12)-1000×(F/P,i,11)+7(F/A,i,11)A=P0×(A/P,i,13)或A=F(13)×(A/F,i,13)(4)同步专项训练(2011年真题摘录)背景:某咨询公司受业主委托,对某设计院提出屋面工程的三个设计方案进行评价。
第二章工程设计、施工方案技术经济分析试卷第二题主要知识点基于教材第2章:工程设计、施工方案技术经济分析一、典型题型汇总1.价值工程法在多方案选优及成本优化中的应用2.最小费用法在多方案选优中的应用3.费用效率法在多方案选优中的应用4.网络优化法在最优赶工方案中的应用5.影响因素方程在多方案选优中的应用6.决策树法在多方案选优中的应用典型题型解析典型题型一:价值工程在多方案选优及成本控制中的应用1.应具备的知识点重点掌握价值工程的原理(V=F/C)及解题思路:(1)确定各项功能的功能重要系数运用0-1评分法或0-4评分法对功能重要性评分,并计算功能重要性系数(即功能权重);(2)计算各方案的功能加权得分根据专家对功能的评分表和功能重要性系数,分别计算各方案的功能加权得分;(3)计算各方案的功能指数(F I)各方案的功能指数=该方案的功能加权得分/Σ各方案加权得分(4)计算各方案的成本指数(C I)各方案的成本指数=该方案的成本或造价/Σ各方案成本或造价(5)计算各方案的价值指数(V I)各方案的价值指数=该方案的功能指数/该方案的成本指数(6)多方案选优比较各方案的价值指数,选择价值指数最大的为最优方案。
(7)重点成本控制对象的选择1)根据各分析对象的功能指数进行目标成本分配;2)计算目标成本与目前成本的差额;3)选择成本降低额最大的对象为重点成本控制对象。
典型案例详解【案例一】(2013年真题)(0-1评分法)(0-4评分法)(价值工程法)某工程有A、B、C三个设计方案,有关专家决定从四个功能(分别以F1、F2、F3、F4表示)对不同方案进行评价,并得到以下结论:A、B、C三个方案中,F1的优劣顺序依次为B、A、C,F2的优劣顺序依次为A、C、B,F3的优劣顺序依次为C、B、A,F4的优劣顺序依次为A、B、C,经进一步研究,专家确定三个方案各功能的评价计分标准均为:最优者得3分,居中者得2分,最差者得1分。
二、价值工程的应用功能系数=各功能得分值/全部功能得分值之和成本系数=各项目成本值/全部项目成本之和价值系数=功能系数/成本系数2.价值工程在设计、施工方案评价、比选与改进中的应用在工程设计、施工等各建设阶段开展价值工程活动的一般步骤是:方案功能分析à方案功能评价à方案创新à方案评价。
(1)价值工程在方案评价、改进中的应用在对设计、施工方案进行评价和确定重点改进对象的基本过程是:1)选择开展价值工程活动的对象;2)分析研究对象具有哪些功能,各项功能之间的关系,确定功能评价系数;3)计算实现各项功能的现实成本,确定成本系数;4)确定研究对象的目标成本,并将目标成本分摊到各项功能上;5)将各项功能的目标成本与现实成本进行对比,确定成本改进期望值大的功能项目作为重点改进。
(二)案例解析【案例三】背景:某市高新技术开发区有两幢科研楼和一幢综合楼,其设计方案对比项目如下:A方案:结构方案为大柱网框架轻墙体系,采用预应力大跨度叠合楼板,墙体材料采用多孔砖及移动式可拆装式分室隔墙,窗户采用中空玻璃塑钢窗,面积利用系数为93%,单方造价为1438元/m2;B方案:结构方案同A方案,墙体采用内浇外砌,窗户采用单玻璃塑钢窗,面积利用系数为87%,单方造价为1108元/m2;C方案:结构方案采用砖混结构体系,采用多孔预应力板,墙体材料采用标准粘土砖,窗户采用双玻璃塑钢窗,面积利用系数为79%,单方造价为1082元/m2。
方案各功能的权重及各方案的功能得分见表2-5。
表2-5 各方案功能的权重及得分表问题:1.试应用价值工程方法选择最优设计方案。
2.为控制工程造价和进一步降低费用,拟针对所选的最优设计方案的土建工程部分,以工程材料费为对象开展价值工程分析。
将土建工程划分为四个功能项目,各功能项目得分值及其目前成本见表2-6。
按限额设计要求,目标成本额应控制为12170万元。
表2-6 功能项目得分及目前成本表试分析各功能项目的目标成本及其可能降低的额度,并确定功能改进顺序。
第一章建设项目投资估算与财务评价考点一:投资估算一、建设项目总投资的构成固定资产投资=建设投资+建设期利息=静态投资+动态投资流动资金=流动资产-流动负债二、建筑安装工程费建筑安装工程费=建筑工程费+安装工程费建筑工程费(安装工程费)=人工费+材料费+机械设备费+管理费+利润+规费+税金类似工程预算法:D=A×KK=a%K1+b%K2+c%K3+d%K4D—拟建工程单方造价A—类似工程单方造价a%,b%,c%,d%—类似工程单方造价中人工费、材料费、施工机具施工费、管利规税占单方造价的比重K1,K2,K3,K4—拟建工程地区与类似工程预算造价在人、材、机、管利规税之间的差异系数三、基本预备费的计算基本预备费=(工程费用+工程建设其他费)⨯基本预备费费率=(建筑安装工程费+设备及工器具购置费+工程建设其他费)⨯基本预备费费率四、价差预备费的计算式中PF——价差预备费;n——建设期年份数;I——建设期中第t年的静态投资计划额,包括工程费用、工程建设其他费用及基本预备费;tf——物价年均上涨率;m——建设前期年限(从编制估算到开工建设,单位:年)。
该公式考虑了建设前期的涨价因素,式中(1+f)0.5是按第t 年投资分期均匀投入考虑的涨价幅度。
五、建设期利息的计算特点:建设期借款分年均衡发放,建设期利息的计算按当年借款在年中支用考虑,即当年贷款按半年计息,上年贷款按全年计息。
建设期利息=建设期各年贷款利息之和;建设期只计息不还息,建设期借款本金及利息在运营期开始偿还。
有效利率与名义利率:六、生产能力指数法式中:C 2——拟建项目静态投资额;C 1——已建类似项目的静态投资额;Q 2——拟建项目生产能力;Q 1——已建类似项目的生产能力;x——生产能力指数;(需要判断)f——综合调整系数。
(题目给定)七、设备系数法C=E(1+f 1P 1+f 2P 2+f 3P 3+…)+I 式中:C——拟建项目的静态投资E——拟建项目根据当时当地价格计算的设备购置费P 1、P 2、P 3…——已建项目中建筑安装工程费及其他工程费等与设备购置费的比例f 1、f 2、f 3…——不同建设时间、地点而产生的定额、价格、费用标准等差异的调整系数I——拟建项目的其他费用八、流动资金的计算(1)扩大指标估算法:项目流动资金=拟建项目产量×单位产量占用流动资金数量(2)分项详细估算法:项目流动资金=流动资产-流动负债★1、流动资产1.1应收账款年经营成本/应收账款周转次数1.2预付账款外购商品或服务年费用金额/预付账款周转次数1.3存货外购原材料、燃料:其他材料费:在产品:产成品:年外购原材料、燃料费用/年周转次数其他材料付费/年周转次数(原材料燃料+工资+修理+年其他)/年周转次数(年经营成本-年其他营业费用)/年周转次数1.4现金(年工资福利费+年其他费)/现金周转次数2、流动负债2.1应付账款外购原材料、燃料、动力及其他材料年费用/应付账款周转次数2.2预收账款预收年营业收入年金额/预收账款周转次数3、流动资金=流动资产-流动负债考点二:财务评价一、运营期利息(运营期利息也是总成本费用的利息,注意区分建设期利息)(一)建设期投资借款(长期借款)在运营期产生的利息①等额本息(等额还本付息):每年应还的等额本息和A=111nni ii⨯-(+)建设期贷款本利和(+)某年应付利息=当年期初借款余额⨯年利率某年应付本金=当年应还的等额本息-当年应付利息②等额本金(等额还本、利息照付):每年应还等额的本金=建设期本利和/还款年限某年应付利息=当年期初本利和×利率(二)流动资金借款利息:贷款一般发生在运营期的前几年,年初借款,在运营期间每年只计息、不还本,运营期最后一年末还本。
第二章工程设计、施工方案技术经济分析2009年案例分析试题试题二(20分)某业主邀请若干厂家对某商务楼的设计方案进行评价,经专家讨论确定的主要评价指标分别为:功能适用性(F1)、经济合理性(F2)、结构可靠性(F3)、外形美观性(F4)、与环境协调性(F5)五项评价指标,各功能之间的重要性关系为:F3比F4重要得多,F3比F1重要,F1和F2同等重要,F4和F5同等重要,经过筛选后,最终对A、B、C三个设计方案进行评价,三个设计方案评价指标的评价得分结果和估算总造价见表2.1.表2.1 各方案评价指标的评价结果和估算总造价表问题:1.用0-4评分法计算各功能的权重,将计算结果填入答题纸表2.1中。
2.用价值指数法选择最佳设计方案,将计算结果填入答题纸表2.2和表2.3中。
3.若A、B、C三个方案的年度使用费用分别为340万元、300万元、350万元,设计使用年限均为50年,基准折现率为10%,用寿命周期年费用法选择最佳设计方案。
(表中数据保留3位小数、其余计算结果均保留两位小数)2009年案例分析试题二答案问题1:表2.1功能权重计算表问题2:A方案加权得分=9×0.225+8×0.225+10×0.35+7×0.1+8×0.1=8.825(分)B方案加权得分=8×0.225+10×0.225+9×0.35+8×0.1+9×0.1=8.900(分)C方案加权得分=10×0.225+8×0.225+8×0.35+9×0.1+8×0.1=8.550(分)合计得分=8.825+8.9+8.55=26.275(分)A方案功能指数=8.825/26.275=0.336B方案功能指数=8.9/26.275=0.339C方案功能指数=8.55/26.275=0.325A方案成本指数=6500/(6500+6600+6650)=0.329B方案功能指数=6600/(6500+6600+6650)=0.334C方案功能指数=6650/(6500+6600+6650)=0.337A方案价值指数=0.336/0.329=1.021B方案价值指数=0.339/0.334=1.015C方案价值指数=0.325/0.337=0.964A方案的价值指数最高,选择A方案问题3:A方案寿命周期年费用=6500×(A/P,10%,50)+340=995.58(万元)B方案寿命周期年费用=6600×(A/P,10%,50)+300=965.67(万元)C方案寿命周期年费用=6650×(A/P,10%,50)+350=1020.71(万元)B方案寿命周期年费用最低,选B方案。
2010年案例分析试题试题二:(20分)某工程有两个备选施工方案,采用方案一时,固定成本为160万元,与工期有关的费用为35万元/月;采用方案二时,固定成本为200万元,与工期有关的费用为25万元/月。
两方案除方案一机械台班消耗以后的直接工程费相关数据见表2.1。
表2.1 两个施工方案直接工程费的相关数据为了确定方案一的机械台班消耗,采用预算定额机械台班消耗量确定方法进行实测确定。
测定的相关资料如下:完成该工程所需机械的一次循环的正常延续时间为12分钟,一次循环生产的产量为0.3m3 ,该机械的正常利用系数为0.8,机械幅度差系数为25%。
问题:1、计算按照方案一完成每m3工程量所需的机械台班消耗指标。
2、方案一和方案二每1000 m3工程量的分部分项工程费分别为多少万元?3、当工期为12个月时,试分析两方案适用的工程量范围。
4、若本工程的工程量为9000 m3,合同工期为10个月,计算确定应采用哪个方案?若方案二可缩短工期10%,应采用哪个方案?(计算结果保留两位小数)2010年案例分析试题二答案问题1:机械台班的产量定额=60/12×0.3×8×80%=9.6(m3/台班)机械台班消耗量定额=1/9.6×(1+25%)=0.130(台班/m3)问题2:方案一的分部分项工程费用=(1.8×100+700+0.13×800)×1000/10000=98.40(万元/1000m3)方案二的分部分项工程费用=(1×100+700+0.375×800)×1000/10000=110.00(万元/1000m3)问题3:设工程量为Q,则:方案一的总费用=160+12×35+98.4Q方案二的总费用=200+12×25+110Q令两方案总费用相等,160+12×35+98.4Q=200+12×25+110QQ=(580-500)/(110-98.4)×1000=6896.55(m3)当工程量<6896.55m3时,方案一的总费用>方案二的总费用,选方案二;当工程量=6896.55m3时,两方案的总费用相等,两方案均可;当工程量>6896.55m3时,方案二的总费用>方案一的总费用,选方案一。
问题4:(1)方案一的总费用=160+10×35+98.4×9=1395.60(万元)方案二的总费用=200+10×25+110×9=1440.00(万元)选方案一。
(2)方案二工期可缩短工期10%则方案二的总费用=200+10×(1-10%)×25+110×9=1415.00(万元)还是选方案一。
2011年案例分析试题试题二(20分)某设计单位为拟建工业厂房提供三种屋面防水保温工程设计方案供业主选择。
方案一,硬泡聚氨酯防水保温材料(防水保温二合一);方案二,三元乙丙橡胶卷材(=2×1.2mm)加陶粒混凝土;方案三,SBS改性沥青防水卷材(=2×3mm)加陶粒混凝土。
三方案的综合单价、使用寿命、拆除费用等相关数据见表2.1。
表2.1 各方案相关数据拟建工业厂房的使用寿命为50年,不考虑50年后其拆除费用及残值,不考虑物价变动因素。
基准折现率为8%。
问题:1.分别列式计算拟建工业厂房寿命期内屋面防水保温工程各方案的综合单价现值。
用现值比较法确定屋面防水保温工程经济最优方案。
(计算结果保留2位小数)2.为控制工程造价和降低费用,造价工程师对选定的方案,以3个功能层为对象进行价值工程分析。
各功能项目得分及其目前成本见2.2表。
表2.2 功能项目得分及其目前成本表计算各功能项目的价值指数,并确定各功能项目的改进顺序。
(计算结果保留3位小数)2011年案例分析试题二答案问题1:方案一综合单价现值=260+(260+260×10%)×(P/F,8%,30)=288.42(元/m2)方案二综合单价现值=125+(90+90×20%)×(P/F,8%,15)+(90+90×20%)×(P/F,8%,30)+(90+90×20%)×(P/F,8%,45)=173.16(元/m2)方案三综合单价现值=115+(80+80×20%)×(P/F,8%,10)+(80+80×20%)×(P/F,8%,20)+(80+80×20%)×(P/F,8%,30)+(80+80×20%)×(P/F,8%,40)=194.02(元/m2)方案二的综合单价现值最小,方案二最优。
问题2:(1)各功能的功能指数找平层的功能指数=14/(14+20+40)=0.1892保温层的功能指数=20/(14+20+40)=0.2703防水层的功能指数=40/(14+20+40)=0.5405(2)各功能的成本指数找平层的成本指数=16.8/(16.8+14.5+37.4)=0.2445保温层的功能指数=14.5/(16.8+14.5+37.4)=0.2111防水层的功能指数=37.4/(16.8+14.5+37.4)=0.5444(3)各功能的价值指数找平层的价值指数=0.1892/0.2445=0.7738保温层的价值指数=0.2703/0.2111=1.2804防水层的价值指数=0.5405/0.5444=0.9928各功能改进的顺序依次为找平层-防水层-保温层2012年案例分析试题试题二:某智能大厦的一套设备系统有A、B、C三个采购方案,其有关数据,见表2.1。
现值系数见表2.2。
表2.1 设备系统各采购方案数据方案A B C项目购置费和安装费(万元)520 600 700 年度使用费(万元/年)65 60 55 使用年限(年)16 18 20 大修周期(年)8 10 10 大修费(万元/次)100 100 110 残值(万元)17 20 25表2.2 现值系数表n 8 10 16 18 20 (P/A,8%,n) 5.747 6.710 8.851 9.372 9.818 (P/F,8%,n)0.540 0.463 0.292 0.250 0.215问题:1.拟采用加权评分法选择采购方案,对购置费和安装费、年度使用费、使用年限三个指标进行打分评价,打分规则为:购置费和安装费最低的方案得10分,每增加10万元扣0.1分;年度使用费最低的方案得10分,每增加1万元扣0.1分;使用年限最长的方案得10分,每减少1年扣0.5分;以上三指标的权重以此为0.5、0.4和0.1。
应选择哪种采购方案较合理?(计算过程和结果直接填入答题纸上表2.1中)2.若各方案年费用仅考虑年度使用费、购置费和安装费,且已知A方案和C 方案相应的年费用分别为123.75万元和126.30万元,列式计算B方案的年费用,并按照年费用法做出采购方案比选。
3.若各方案年费用需进一步考虑大修费和残值、且已知A方案和C方案相应的年费用分别为130.41万元和132.03万元,列式计算B方案的年费用,并按照年费用法做出采购方案必选。
(计算结果保留两位小数)2012年案例分析试题二答案问题1:表2.1 方案比选表A方案得分最高,所以选A方案。
问题2:方案B的年费用=600×(A/P,8%,18)+60=600/9.372+60=124.02(万元)A方案的年费用最低,所以选A方案。
问题3:方案B的年费用=600×(A/P,8%,18)+60+100×(P /F,8%,10)×(A/P,8%,18)-20×(P /F,8%,18)×(A/P,8%,18)=600/9.372+60+100×0.463/9.372-20×0.25/9.372=128.43(万元)B方案的年费用最低,所以选B方案。