自动控制原理第三章答案
- 格式:doc
- 大小:489.00 KB
- 文档页数:12
3-1(1) )(2)(2.0t r t c= (2) )()()(24.0)(04.0t r t c t c t c=++ 试求系统闭环传递函数Φ(s),以及系统的单位脉冲响应g(t)和单位阶跃响应c(t)。
已知全部初始条件为零。
解:(1) 因为)(2)(2.0s R s sC =闭环传递函数ss R s C s 10)()()(==Φ 单位脉冲响应:s s C /10)(= 010)(≥=t t g单位阶跃响应c(t) 2/10)(s s C = 010)(≥=t t t c(2))()()124.004.0(2s R s C s s =++ 124.004.0)()(2++=s s s R s C 闭环传递函数124.004.01)()()(2++==s s s R s C s φ 单位脉冲响应:124.004.01)(2++=s s s C t e t g t 4sin 325)(3-= 单位阶跃响应h(t) 16)3(61]16)3[(25)(22+++-=++=s s s s s s Ct e t e t c t t 4sin 434cos 1)(33----=3-2 温度计的传递函数为11+Ts ,用其测量容器内的水温,1min 才能显示出该温度的98%的数值。
若加热容器使水温按10ºC/min 的速度匀速上升,问温度计的稳态指示误差有多大?解法一 依题意,温度计闭环传递函数11)(+=ΦTs s 由一阶系统阶跃响应特性可知:o o T c 98)4(=,因此有 min 14=T ,得出 min 25.0=T 。
视温度计为单位反馈系统,则开环传递函数为Ts s s s G 1)(1)()(=Φ-Φ= ⎩⎨⎧==11v T K用静态误差系数法,当t t r ⋅=10)( 时,C T Ke ss ︒===5.21010。
解法二 依题意,系统误差定义为 )()()(t c t r t e -=,应有 1111)()(1)()()(+=+-=-==ΦTs TsTs s R s C s R s E s e C T s Ts Ts ss R s s e s e s ss ︒==⋅+=Φ=→→5.210101lim )()(lim 23-3 已知二阶系统的单位阶跃响应为)1.536.1sin(5.1210)(2.1o tt et c +-=-试求系统的超调量σ%、峰值时间tp 和调节时间ts 。
3-1 解 该线圈的微分方程为 u =+diiR L dt对上式两边取拉氏变换,并令初始条件为零,可得传递函数为()1=()(+)+1I s RU s L R 时间常数+0.005T L R s ==,过渡时间=30.015s t T s =。
3-2 解 如图2-3-2所示系统的闭环传递函数为010()=(s)0.2+1+10+1H K C s KR S K Ts =其中0101+10H K K K =,0.21+10HT K =原系统的时间常数为0.2s ,放大系数为10,为了满足题目的要求,令0.02T s =和10K =,有0.9H K =和010K =。
3-3 解 设为温度计的输入,表示实际水温,设为温度计的输出,表示温度计的指示值,若实际水温为R (常值),则输入为幅值为R 的阶跃函数,输出为(t)=R(1-e )T c τ根据所给条件,有则时间常数。
3-4 解:所给传递函数的闭环极点为21,2=-1-n n s j ζωωζ±根据上式表达式,可以确定图2-3-3中的阴影部分为闭环极点可能位于的区域(考虑到对称性,只绘出s 平面的上半平面)。
图2-3-3 闭环极点可能位于的区域3-5解:典型二阶系统的传递函数为由如图2-3-4所示的响应曲线,可知峰值时间,超调量,根据二阶系统的性能指标计算公式和可以确定和,根据如图2-3-4所示曲线的终值,可以确定。
3-6 解:如图2-3-5所示系统的传递函数为是一个典型的二阶系统,其自然振荡频率为,令阻尼比可以确定,性能指标及分别为3-7 解:系统为典型二阶系统,自然振荡频率,阻尼比。
单位阶跃响应的表达式为(t>0)单位斜坡响应的表达式为3-8 解:当时,系统的闭环传递函数为其中,无阻尼自然振荡频率,阻尼比,单位阶跃响应的超调量峰值时间和过度过程时间分别为16.3%、0,36s和0.7s当,时系统的闭环传递函数为其中,无阻尼自然振荡频率,阻尼比,单位阶跃响应的超调量、峰值时间和过渡过程时间分别为30.9%、0.24s和0.7s。
第3章 控制系统的时域分析【基本要求】1. 掌握时域响应的基本概念,正确理解系统时域响应的五种主要性能指标;2. 掌握一阶系统的数学模型和典型时域响应的特点,并能熟练计算其性能指标和结构参数;3. 掌握二阶系统的数学模型和典型时域响应的特点,并能熟练计算其欠阻尼情况下的性能指标和结构参数;4. 掌握稳定性的定义以及线性定常系统稳定的充要条件,熟练应用劳斯判据判定系统稳定性;5. 正确理解稳态误差的定义,并掌握系统稳态误差、扰动稳态误差的计算方法。
微分方程和传递函数是控制系统的常用数学模型,在确定了控制系统的数学模型后,就可以对已知的控制系统进行性能分析,从而得出改进系统性能的方法。
对于线性定常系统,常用的分析方法有时域分析法、根轨迹分析法和频域分析法。
本章研究时域分析方法,包括简单系统的动态性能和稳态性能分析、稳定性分析、稳态误差分析以及高阶系统运动特性的近似分析等。
根轨迹分析法和频域分析法将分别在本书的第四章和第五章进行学习。
这里先引入时域分析法的基本概念。
所谓控制系统时域分析方法,就是给控制系统施加一个特定的输入信号,通过分析控制系统的输出响应对系统的性能进行分析。
由于系统的输出变量一般是时间t 的函数,故称这种响应为时域响应,这种分析方法被称为时域分析法。
当然,不同的方法有不同的特点和适用范围,但比较而言,时域分析法是一种直接在时间域中对系统进行分析的方法,具有直观、准确的优点,并且可以提供系统时间响应的全部信息。
3.1 系统的时域响应及其性能指标为了对控制系统的性能进行评价,需要首先研究系统在典型输入信号作用下的时域响应过程及其性能指标。
下面先介绍常用的典型输入信号。
3.1.1 典型输入信号由于系统的动态响应既取决于系统本身的结构和参数,又与其输入信号的形式和大小有关,而控制系统的实际输入信号往往是未知的。
为了便于对系统进行分析和设计,同时也为了便于对各种控制系统的性能进行评价和比较,需要假定一些基本的输入函数形式,称之为典型输入信号。
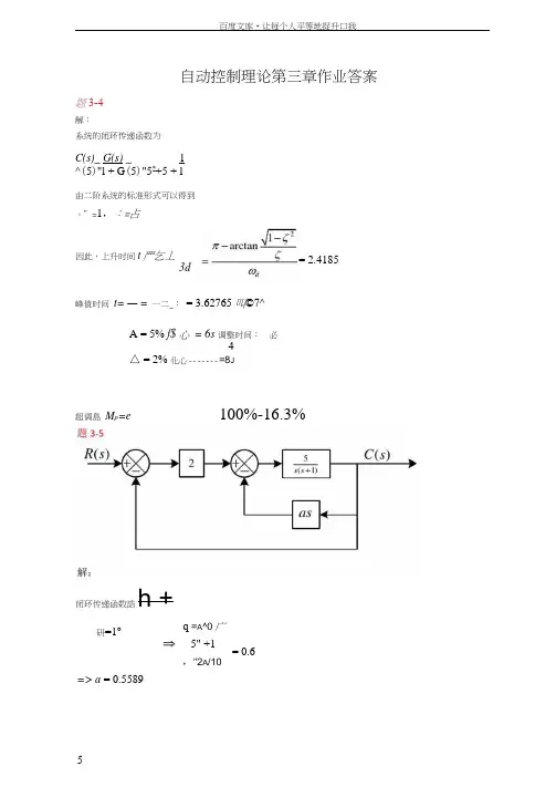
自动控制理论第三章作业答案题3-4解:系统的闭环传递函数为C(s)_ G(s) _ 1^(5)"l + G (5)"52+5 + l由二阶系统的标准形式可以得到。
”=1,:=占峰值时间 t= — = 一二_: = 3.62765 叫©7^A = 5% f$ 心 = 6s 调整时间:必4△ = 2% 化心 ------- =8J 超调島 M p =e100%-16.3%q =A ^0 广_ 5" +1,"2A /10 => a = 0.5589闭环传递函数誥h + 因此,上升时间t 严乞丄3d研=1° = 0.6= 2.4185超调量必卩=「翼x 100% =兰二! = 30%<=0.3579© = 33.64题3・8特征方程为?+8^2+245 + 100 = 0列出劳斯表:531 52 8 s 11.5s° 100⑵G (沪W)s(s-l)(s + 5)71 =l ・242sM 严 八r xl00% = △ = 5% 3 a ------ = 1.5815 叱 A = 2% 4 t 5 a ------ = 2」08$ 题3・7解:9.45%1131.9开环传递函数G (沪花现)右24.陂100 (1)G (S )_5(52+85 + 24)100 解:闭环传递函数为需乙“仏+ 24) + 10024 1000 第一列都是正数,所以系统稳立10(5 + 1)W:闭环传递函数器^s(s — l)(s + 5) + 10($ +l)特征方程为S3+5S2+5S +1O=O列出劳斯表:53 1 5 052 4 10 0s 2.5 05°10第一列都是正数,所以系统稳立⑶ G(s) = ---------- -- -------5(5-1)(2^ + 3)一)黑3) + 1。
解:闭环传递函数需=特征方程为2$' +疋一3s +10 = 0列出劳斯表:53 2 -3 0S2 1 10 0S1-23 05°10劳斯表第一列的数符号变了2次,因此在s平而的右半部分有两个特征根,系统不稳左。
第三章习题及答案3-1 已知系统脉冲响应如下,试求系统闭环传递函数Φ(s)。
t e t k 25.10125.0)(-=解 Φ()()./(.)s L k t s ==+001251253-2 设某高阶系统可用下列一阶微分方程近似描述T c t c t r t r t ••+=+()()()()τ其中,0<(T-τ)<1。
试证系统的动态性能指标为 T T T t d ⎥⎦⎤⎢⎣⎡⎪⎭⎫⎝⎛-+=τln 693.0t T r =22. T T T t s ⎥⎦⎤⎢⎣⎡-+=)ln(3τ 解 设单位阶跃输入ss R 1)(= 当初始条件为0时有:11)()(++=Ts s s R s C τ 11111)(+--=⋅++=∴Ts T s s Ts s s C ττ C t h t T Te t T()()/==---1τ 1) 当 t t d = 时h t T Te t td ()./==---051τ12=--T T e t T d τ/ ; Tt T T d-⎪⎭⎫ ⎝⎛-=-τln 2ln ⎥⎦⎤⎢⎣⎡⎪⎭⎫ ⎝⎛-+=∴T T T t d τln 2ln2) 求t r (即)(t c 从0.1到0.9所需时间) 当 Tt e TT t h /219.0)(---==τ; t T T T 201=--[ln()ln .]τ当 Tt eTT t h /111.0)(---==τ; t T T T 109=--[ln()ln .]τ 则 t t t T T r =-==21090122ln ... 3) 求 t sTt s s eTT t h /195.0)(---==τ ∴=--t T T T s [ln ln .]τ005=-+T T T[ln ln ]τ20=+-T T T [ln]3τ3-3 一阶系统结构图如题3-3图所示。
要求系统闭环增益2=ΦK ,调节时间4.0≤s t (s ),试确定参数21,K K 的值。
自动控制原理(孟华)第3章习题解答自动控制原理(孟华)的习题答案。
3.1.已知系统的单位阶跃响应为c(t) 1 0.2e 60t 1.2e 10t试求:(1)系统的闭环传递函数Φ(s)=?(2) 阻尼比ζ=?无自然振荡频率ωn=?解:(1)由c(t)得系统的单位脉冲响应为g(t) 12e 60t 12e 10t (t 0)(s) L[g(t)] 12__12 2 s 10s 60s 70s 6002n(2)与标准(s) 2对比得:2s 2 n nn 600 24.5,702 6001.4293.2.设图3.36 (a)所示系统的单位阶跃响应如图3.36 (b)所示。
试确定系统参数K1,K2和a。
(a) (b)图3.36 习题3.2图解:系统的传递函数为K12 nK1K2s(s a)W(s) K2 2 K2 2K1s as K1s 2 n n1s(s a)又由图可知:超调量Mp4 3133峰值时间tp 0.1 s自动控制原理(孟华)的习题答案。
代入得2n K1 1 21e30.1 2 n K K2解得:ln32;0.33,n10 2233.3,K1 n 1108.89,a 2 n 2 0.33 33.3 21.98,K2 K 3。
3.3. 给定典型二阶系统的设计性能指标:超调量p 5%,调节时间ts 3s,峰值时间tp 1s,试确定系统极点配置的区域,以获得预期的响应特性。
解:设该二阶系统的开环传递函数为2nG sss 2 n 20.05 p e33 则满足上述设计性能指标:ts nt 1 p2n得:0.69,n 1 n2由上述各不等式得系统极点配置的区域如下图阴影部分所示:自动控制原理(孟华)的习题答案。
3.4.设一系统如图3.37所示。
(a)求闭环传递函数C(s)/R(s),并在S平面上画出零极点分布图;(b)当r(t)为单位阶跃函数时,求c(t)并做出c(t)与t的关系曲线。
图3.37 习题3.4图解:(a)系统框图化简之后有C(s)2 s2 R(s)s 0.5s 2.252 s(s35j)(s j)22z1 2,s1,2零极点分布图如下:35j 2自动控制原理(孟华)的习题答案。
3-1(1) )(2)(2.0t r t c= (2) )()()(24.0)(04.0t r t c t c t c=++ 试求系统闭环传递函数Φ(s),以及系统的单位脉冲响应g(t)和单位阶跃响应c(t)。
已知全部初始条件为零。
解:(1) 因为)(2)(2.0s R s sC =闭环传递函数ss R s C s 10)()()(==Φ 单位脉冲响应:s s C /10)(= 010)(≥=t t g单位阶跃响应c(t) 2/10)(s s C = 010)(≥=t t t c(2))()()124.004.0(2s R s C s s =++ 124.004.0)()(2++=s s s R s C 闭环传递函数124.004.01)()()(2++==s s s R s C s φ 单位脉冲响应:124.004.01)(2++=s s s C t e t g t 4s i n 325)(3-= 单位阶跃响应h(t) 16)3(61]16)3[(25)(22+++-=++=s s s s s s Ct e t e t c t t 4sin 434cos 1)(33----=3-2 温度计的传递函数为11+Ts ,用其测量容器内的水温,1min 才能显示出该温度的98%的数值。
若加热容器使水温按10ºC/min 的速度匀速上升,问温度计的稳态指示误差有多大?解法一 依题意,温度计闭环传递函数11)(+=ΦTs s 由一阶系统阶跃响应特性可知:o o T c 98)4(=,因此有 min 14=T ,得出 min 25.0=T 。
视温度计为单位反馈系统,则开环传递函数为Tss s s G 1)(1)()(=Φ-Φ=⎩⎨⎧==11v TK 用静态误差系数法,当t t r ⋅=10)( 时,C T Ke ss ︒===5.21010。
解法二 依题意,系统误差定义为 )()()(t c t r t e -=,应有 1111)()(1)()()(+=+-=-==ΦTs TsTs s R s C s R s E s e C T s Ts Ts ss R s s e s e s ss ︒==⋅+=Φ=→→5.210101lim )()(lim 23-3 已知二阶系统的单位阶跃响应为)1.536.1sin(5.1210)(2.1o tt et c +-=-试求系统的超调量σ%、峰值时间tp 和调节时间ts 。
3-1 设系统的微分方程式如下:(1) )(2)(2.0t r t c =&(2) )()()(24.0)(04.0t r t c t c t c =++&&&试求系统闭环传递函数Φ(s),以及系统的单位脉冲响应g(t)和单位阶跃响应c(t)。
已知全部初始条件为零。
解:(1) 因为)(2)(2.0s R s sC = 闭环传递函数ss R s C s 10)()()(==Φ 单位脉冲响应:s s C /10)(= 010)(≥=t t g单位阶跃响应c(t) 2/10)(s s C = 010)(≥=t t t c(2))()()124.004.0(2s R s C s s =++ 124.004.0)()(2++=s s s R s C 闭环传递函数124.004.01)()()(2++==s s s R s C s φ 单位脉冲响应:124.004.01)(2++=s s s C t e t g t 4sin 325)(3-= 单位阶跃响应h(t) 16)3(61]16)3[(25)(22+++-=++=s s s s s s Ct e t e t c t t 4sin 434cos 1)(33----=3-2 温度计的传递函数为11+Ts ,用其测量容器内的水温,1min 才能显示出该温度的98%的数值。
若加热容器使水温按10ºC/min 的速度匀速上升,问温度计的稳态指示误差有多大?解法一 依题意,温度计闭环传递函数11)(+=ΦTs s 由一阶系统阶跃响应特性可知:o o T c 98)4(=,因此有 min 14=T ,得出 min 25.0=T 。
视温度计为单位反馈系统,则开环传递函数为Tss s s G 1)(1)()(=Φ-Φ=⎩⎨⎧==11v TK 用静态误差系数法,当t t r ⋅=10)( 时,C T Ke ss ︒===5.21010。
第三章 线性系统的时域分析与校正习题及答案3-1 已知系统脉冲响应t e t k 25.10125.0)(-=试求系统闭环传递函数)(s Φ。
解 Φ()()./(.)s L k t s ==+00125125 3-2 设某高阶系统可用下列一阶微分方程T c t c t r t r t ∙∙+=+()()()()τ近似描述,其中,1)(0<-<τT 。
试证系统的动态性能指标为 T T T t d ⎥⎦⎤⎢⎣⎡⎪⎭⎫⎝⎛-+=τln 693.0t T r =22. T T T t s ⎥⎦⎤⎢⎣⎡-+=)ln(3τ 解 设单位阶跃输入ss R 1)(=当初始条件为0时有:11)()(++=Ts s s R s C τ 11111)(+--=⋅++=∴Ts T s s Ts s s C ττC t h t T Te t T()()/==---1τ 1) 当 t t d = 时h t T Te t td ()./==---051τ12=--T T e t T d τ/ ; T t T T d -⎪⎭⎫ ⎝⎛-=-τln 2ln ⎥⎦⎤⎢⎣⎡⎪⎭⎫ ⎝⎛-+=∴T T T t d τln 2ln2) 求t r (即)(t c 从1.0到9.0所需时间)当 Tt e TT t h /219.0)(---==τ; t T T T 201=--[ln()ln .]τ 当 Tt e TT t h /111.0)(---==τ; t T T T 109=--[ln()ln .]τ 则 t t t T T r =-==21090122ln ... 3) 求 t sTt s s e TT t h /195.0)(---==τ ]ln 3[]20ln [ln ]05.0ln [ln TT T T T T T T T t s τττ-+=+-=--=∴3-3 一阶系统结构图如图3-45所示。
要求系统闭环增益2=ΦK ,调节时间4.0≤s t s ,试确定参数21,K K 的值。
3-1设温度计需要在一分钟内指示出响应值的98%,并且假设温度计为一阶系统,求时间常数T 。
如果将温度计放在澡盆内,澡盆的温度以10C/min 的速度线性变化。
求温度计的误差。
解:c(t)=c(∞)98%t=4T=1 min r(t)=10te(t)=r(t)-c(t)c(t)=10(t-T+e )-t/T =10(T-e )-t/T =10T =2.5T=0.253-2电路系统如图所示,其中F C k R k R μ5.2,200,20110=Ω=Ω=。
设系统初始状态为零,试求:系统的单位阶跃响应8)()(1=t u t u c c 以及时的1t 值;解:R 1Cs+1R 1/R 0G (s )= u c (t)=K(1–e t T -)KTs +1=T=R 1C=0.5 K=R 1/R 0=10=10(1–e -2t )8=10(1–e -2t)0.8=1–e-2te -2t =0.2 t=0.8g(t)=e -t/T T Kt 1=0.8=4u c (t)=K(t-T+T e -t/T )=4R(s)=1s 2R(s)=1R(s)=1s 3T 2=K(s s+1/T+T s 2-1s 3-T 2)=1.2Ts 1s 3K +1U c (s)= -0.5t+0.25-0.25e -2t )12t 2u c (t)=10(3-3已知单位反馈系统的开环传递函数为)5(4)(+=s s s G 试求该系统的单位阶跃响应。
解:C(s)=s 2+5s+4R(s)4s(s+1)(s+4)C(s)=4R(s)=s1s+41+1/3s =4/3s +1-c(t)=1+ 4e 13-4t -t 3-e3-4已知单位负反馈系统的开环传递函数为 )1(1)(+=s s s G 试求该系统的上升时间r t 。
、峰值时间p t 、超调量%σ和调整时间s t 。
1s(s+1)G(s)=t p =d ωπ 3.140.866= =3.63t s = ζ3ωn=6t s = ζ4ωn =8解:C(s)=s 2+s+1R(s)12= 1ωn 2ωn ζ=1ζ=0.5=1ωn =0.866d ω= ωn 2 ζ1-=60o -1ζ=tg β21-ζt r =d ωπβ-= 3.14-3.14/30.866=2.42σ%=100%e -ζζπ1-2=16%e -1.83-6已知系统的单位阶跃响应为t te et c 10602.12.01)(---+= ,试求:(1)系统的闭环传递函数;(2)系统的阻尼比ζ和无阻尼自然震荡频率n ω;解:s+60+C(s)=0.21s 1.2s +10-s(s+60)(s+10)=600=s 2+70s+600C(s)R(s)600R(s)=s 12=600ωn2ωn ζ=70ζ=1.43=24.5ωn3-7设二阶控制系统的单位阶跃响应曲线如图所示,如果该系统为单位负反馈系统,试确定其开环传递函数。
自动控制理论第三章作业答案题3-4解:系统的闭环传递函数为由二阶系统的标准形式可以得到因此,上升时间 2.418r dd t s ππβωω--===峰值时间 3.6276p d t s πω=== 调整时间:35% 642% 8s n s n t s t s ωζωζ∆=≈=∆=≈=超调量:100%16.3%p M e =⨯=题3-5解:题3-7解:题3-8 (1)2100()(824)G s s s s =++ 解:闭环传递函数为2()100()(824)100C s R s s s s =+++ 特征方程为328241000s s s +++=列出劳斯表:第一列都是正数,所以系统稳定(2)10(1)()(1)(5)s G s s s s +=-+ 解:闭环传递函数()10(1)()(1)(5)10(1)C s s R s s s s s +=-+++ 特征方程为3255100s s s +++=列出劳斯表:第一列都是正数,所以系统稳定(3)10()(1)(23)G s s s s =-+ 解:闭环传递函数()10()(1)(23)10C s R s s s s =-++ 特征方程为3223100s s s +-+=列出劳斯表:劳斯表第一列的数符号变了2次,因此在s 平面的右半部分有两个特征根,系统不稳定。
题3-9(1)320.10s s s K +++=解:列出劳斯表要使系统稳定,则有(2)432413360s s s s K ++++=解:列出劳斯表:要使系统稳定,则有题3-10解:系统的闭环传递函数为:特征方程为2(2)(4)(625)=0s s s s K +++++系统产生等幅振荡,则特征根在虚轴上令s j ω=,有43212691982000j j K ωωωω--+++=题3-12解:闭环传递函数为特征方程为列出劳斯表:要使系统稳定,有。
3-1(1) )(2)(2.0t r t c= (2) )()()(24.0)(04.0t r t c t c t c=++ 试求系统闭环传递函数Φ(s),以及系统的单位脉冲响应g(t)和单位阶跃响应c(t)。
已知全部初始条件为零。
解:(1) 因为)(2)(2.0s R s sC =闭环传递函数ss R s C s 10)()()(==Φ 单位脉冲响应:s s C /10)(= 010)(≥=t t g单位阶跃响应c(t) 2/10)(s s C = 010)(≥=t t t c(2))()()124.004.0(2s R s C s s =++ 124.004.0)()(2++=s s s R s C 闭环传递函数124.004.01)()()(2++==s s s R s C s φ 单位脉冲响应:124.004.01)(2++=s s s C t e t g t 4sin 325)(3-= 单位阶跃响应h(t) 16)3(61]16)3[(25)(22+++-=++=s s s s s s Ct e t e t c t t 4sin 434cos 1)(33----=3-2 温度计的传递函数为11+Ts ,用其测量容器内的水温,1min 才能显示出该温度的98%的数值。
若加热容器使水温按10ºC/min 的速度匀速上升,问温度计的稳态指示误差有多大?解法一 依题意,温度计闭环传递函数11)(+=ΦTs s 由一阶系统阶跃响应特性可知:o o T c 98)4(=,因此有 min 14=T ,得出 min 25.0=T 。
视温度计为单位反馈系统,则开环传递函数为Ts s s s G 1)(1)()(=Φ-Φ= ⎩⎨⎧==11v T K用静态误差系数法,当t t r ⋅=10)( 时,C T Ke ss ︒===5.21010。
解法二 依题意,系统误差定义为 )()()(t c t r t e -=,应有 1111)()(1)()()(+=+-=-==ΦTs TsTs s R s C s R s E s e C T s Ts Ts ss R s s e s e s ss ︒==⋅+=Φ=→→5.210101lim )()(lim 23-3 已知二阶系统的单位阶跃响应为)1.536.1sin(5.1210)(2.1o tt et c +-=-试求系统的超调量σ%、峰值时间tp 和调节时间ts 。
第三章 线性系统的时域分析与校正习题及答案3-1 已知系统脉冲响应t 25.1e 0125.0)t (k -=,试求系统闭环传递函数)s (Φ。
解 [])25.1s /(0125.0)t (k L )s (+==Φ3-2 一阶系统结构如图所示。
要求单位阶跃输入时调节时间4.0t s ≤s (误差带为5%),稳态输出为2,试确定参数21k ,k 的值。
解 由结构图写出闭环系统传递函数 1k k s k 1k k s k sk k 1s k )s (212211211+=+=+=Φ 闭环增益2k 1k 2==Φ, 得:5.0k 2= 令调节时间4.0k k 3T 3t 21s ≤==,得:15k 1≥。
3-3 给定典型二阶系统的设计指标:超调量0<%32.4%≤σ,调节时间 s 5.0t s <,峰值时间s 1t p <,试确定系统极点配置的区域,以获得预期的响应特性。
解 依题 %32.4%≤σ, )45(707.0︒≤≥⇒βξ;5.05.3t ns <ωξ=, 7n >ωξ⇒; n p t ωξπ21-=1<, 14.312>-⇒n ωξ综合以上条件可画出满足要求的特征根区域如图所示。
3-4 电子心脏起博器心律控制系统结构如图所示,其中模仿心脏的传递函数相当于一纯积分环节。
解 依题,系统传递函数为2n n 22n 2s 2s 05.0K s 05.01s 05.0K)s (ω+ξω+ω=++=Φ ⎪⎪⎩⎪⎪⎨⎧ω⨯=ξ=ωn n 205.0105.0K 令 5.0=ξ可解出 ⎩⎨⎧=ω=2020K n将 s 1t =代入二阶系统阶跃响应公式()β+ωξ-ξ--=ξω-t 1sin 1e 1)t (h n 22tn 可得 m in 00145.60s 000024.1)1(h 次次==5.0=ξ时,系统超调量 %3.16%=σ,最大心速为min 78.69s 163.1163.01t (h p 次次)==+=3-5 机器人控制系统结构如图所示, 试确定参数21k ,k 值,使系统阶跃响应的峰值时间5.0t p =s ,超调量%2%=σ。
解 依题,系统传递函数为(1) 若5.0=ξ对应最佳响应,问起博器增益K 应取多大?(2) 若期望心速为60次/min ,并突然接通起博器,问1s 钟后实际心速为多少?瞬时最大心速多大?2n n 22n 12121211s 2s K K s )K K 1(s K )1s (s )1s K (K 1)1s (s K )s (ω+ξω+ω=+++=++++=ΦΦ 由 ⎪⎩⎪⎨⎧=ωξ-π=≤=σξ-πξ-5.01t 02.0e n 2p 1o o 2 联立求解得 ⎩⎨⎧=ω=ξ1078.0n 比较)(s Φ分母系数得 ⎪⎩⎪⎨⎧=-ξω==ω=146.0K 12K 100K 1n 22n 1 3-6 图(a)所示系统的单位阶跃响应如图(b)所示。
试确定系统参数,k 12k ,a 和传递函数C(s)/R(s)。
解 由系统阶跃响应曲线有⎪⎩⎪⎨⎧=-=σ==∞oo o o p 3.333)34(1.0t 3)(h系统闭环传递函数为2nn 22n 21221s 2s K K as s K K )s (ω+ξω+ω=++=Φ(1)由 ⎪⎩⎪⎨⎧==σ=ωξ-π=ξ-ξπ-o o 1oo n 2p 3.33e 1.01t 2 联立求解得 ⎩⎨⎧=ω=ξ28.3333.0n 由式(1)⎩⎨⎧=ξω==ω=222a 1108K n 2n 1 另外 3K K as s K K lim s 1)s (s lim )(h 212210s 0s ==++=⋅Φ=∞→→ 56.110796s .21s 68.3322)s (2++=Φ3-7 已知系统的特征方程为D(s),试判断系统的稳定性,并确定在右半s 平面根的个数及纯虚根。
(1) 0100s 24s 8s )s (D 23=+++=(2) 02s s 5s 10s 3)s (D 234=++++=(3) 010s 11s 4s 2s 2s )s (D 2345=+++++=(4) 048s 32s 24s 12s 3s )s (D 2345=+++++=(5) 05s 2s 4s 2s )s (D 234=-++-=解 (1) 0100s 24s 8s )s (D 23=+++=Routh : s 3 1 24s 2 8 100s 1 92s 0100 第一列同号,所以系统稳定。
(2) 02s s 5s 10s 3)s (D 234=++++=Routh : s 4 3 5 2s 3 10 1s 2 47 20s 1 -153s 0 20第一列元素变号两次,有2个正实部根。
(3)1011422)(2345+++++=s s s s s s D =0Routh : S 5 1 2 11S 4 2 4 10S 3 ε 12S 2 244-ε ε10S 1442452+ε-εS 0 ε10第一列元素变号两次,有2个正实部根。
(4)483224123)(2345+++++=s s s s s s D =0Routh : s 5 1 12 32s 4 3 24 48 s 33122434⨯-= 32348316⨯-= 0 s 2 424316412⨯-⨯= 48 s 1216448120⨯-⨯= 辅助方程 124802s +=, s 24 辅助方程求导:024=s s 0 48第一列没有变号,系统没有正实部根。
对辅助方程求解,得到系统一对虚根 2j s 2,1±=,系统不稳定。
(5) 05s 2s 4s 2s )s (D 234=-++-=Routh : s 4 1 4 -5s 3 -2 2s 2 10 -10s 1 0 辅助方程 010s 102=-s 1 20 辅助方程求导 0s 20=s 0 -10第一列元素变号3次,有3个正实部根,系统不稳定。
.解辅助方程得:s 1=-1,s 2=+1,由长除法得s 3=+1+j2,s 4=+1-j23-8 单位反馈系统的开环传递函数)5s )(3s (s k )s (G ++=,试判断系统稳定性;若要求系统特征根的实部不大于1-,试确定k 的取值范围。
解 特征方程为:0k s 15s 8s )s (D 23=+++=Routh : S 3 1 15S 2 8 kS 120-kS 0 k120k 0<<时系统稳定。
做代换 1s s -'= 有: 0)8k (s 2s 5s k )1s (15)1s (8)1s ()s (D 2323=-+'+'+'=+-'+-+-'=' Routh : S 3 1 2S 2 5 k-8S 18-k 18k <⇒S 0 k-8 8k >⇒系统特征根的实部不大于1-的k 值范围为: 18k 8≤≤3-9 下图是船舶横摇镇定系统结构图,为增加船只的阻尼引入了内环速度反馈。
(1) 动力矩对船只倾斜角的传递函数)s (M )s (N Θ; (2) 单位阶跃时倾斜角θ的终值不超过0.1,且系统的阻尼比为0.5,求2k 、1k 和3k 应满足的方程。
解 (1))K K 5.01(s )K K 5.02.0(s 5.01s 2.0s K K 5.01s 2.0s s K K 5.011s 2.0s 5.0)s (M )s (213222a 12322N ++++=++++++++=Θ(2)由题意知:1.0K K 5.015.0)s (M )s (s 1s lim )s (M )s ()s (M s lim )(21N 0s N N 0s ≤+=Θ⋅⋅=Θ⋅=∞θ→→ 得8K K 21≥。
由 )s (M )s (N Θ 有: ⎪⎩⎪⎨⎧=+=+=5.025.02.05.013221n n K K K K ωξω, 可得 55.015.02.02132≥+=+K K K K 最终得:072.44.05232=-≥k k 3-10 温度计的传递函数为11+Ts ,用其测量容器内的水温,1min 才能显示出该温度的98%的数值。
若加热容器使水温按10ºC/min 的速度匀速上升,问温度计的稳态指示误差有多大?解法一 依题意,温度计闭环传递函数1Ts 1)s (+=Φ,由一阶系统阶跃响应特性可知:o o 98)T 4(h =,因此有 min 1T 4=,得出 min 25.0T =。
视温度计为单位反馈系统,则开环传递函数为Ts 1)s (1)s ()s (G =Φ-Φ= ⎩⎨⎧==1v T 1K 用静态误差系数法,当t 10)t (r ⋅= 时,C 5.2T 10K 10e ss ︒===。
解法二 依题意,系统误差定义为 )t (c )t (r )t (e -=,应有 1Ts Ts 1Ts 11)s (R )s (C 1)s (R )s (E )s (e +=+-=-==Φ C 5.2T 10s101Ts Ts s lim )s (R )s (s lim e 20s e 0s ss ︒==⋅+=Φ=→→3-11 某单位反馈系统的开环传递函数如下,试求系统的静态误差系数及输入信号分别为t ),t (1)t (r =和2t 时系统的稳态误差。
)2s 2s )(4s (s )1s (7)s (G 2++++= 解 )2s 2s )(4s (s )1s (7)s (G 2++++= ⎩⎨⎧==1v 87K 由静态误差系数法)t (1)t (r =时, 0e ss =t )t (r =时, 14.178K A e ss === 2t )t (r =时, ∞=ss e3-12 试确定图示系统中参数0K 和τ的值,使系统对)(t r 而言是II 型系统。
解 )1s (K K )1s T )(1s T ()1s (K )1s T )(1s T ()1s (K K 1)1s T )(1s T ()1s (K )s (G 02121021+τ-+++τ=+++τ-+++τ= )K K 1(s )K K T T (s T T )1s (K 0021221-+τ-+++τ= 依题意应有:⎩⎨⎧=τ-+=-0K K T T 0K K 10210 联立求解得 ⎩⎨⎧+=τ=210T T K 1K 此时系统开环传递函数为 22121s T T K s )T T (K )s (G ++=考虑系统的稳定性,系统特征方程为0K s )T T (K s T T )s (D 21221=+++=当 1T ,2T ,0K >时,系统稳定。