弱电常用图形符号
- 格式:doc
- 大小:2.99 MB
- 文档页数:11
弱电工程图例符号大全弱电一般是指直流电路或音频、视频线路、网络线路、电话线路,直流电压一般在36V以内。
家用电器中的电话、电脑、电视机的信号输入(有线电视线路)、音响设备(输出端线路)等用电器均为弱电电气设备。
符号是指具有某种代表意义或性质的标识。
来源于规定或者约定俗成,其形式简单,种类繁多,用途广泛,具有很强的艺术魅力。
而弱电符号则为弱电工程术语的简洁表达方式,为日常表达图纸的设计提供标准支持。
1.RVS(2*1.0)+UTP-5 RVB 平行多股软线,两根芯线是平行包在护套中的;RVS 对绞多股软线,就是将RVB的软芯撕开,对绞,一般用为电话线、音响线(扩音线);(2*1.0) 成品外径(宽度×厚度)/mm ;UTP-5 五类(非屏蔽-两对)网络线; 2.SYWV-75-5-SC15:根据字面的意思可理解成型号为sywv-75-5电视线穿钢管,15应该是钢管的直径。
3.UTP-6+HPV-2*2*0.5-SC20;理解成六类网线和电话线穿钢管。
2*2*0.5应该是两根两芯0.5平方毫米的电话线,20应该是钢管的直径。
4.ZR-RVS-2*1.5;在计算工程量时一根管对应一根线,2X1.5是两芯截面1.5的,是一根。
5.ZBN-RVS-4*1.5;在计算工程量时是按几根算, 管线是1m, 这个是信号线,双铰线。
按一根计算就是1m. 6.消防里的ZR-RVS 2×1.5 的RNS的含义是:ZR 阻燃;RVS 全称为:铜芯聚氯乙烯绝缘绞型连接用软电线、对绞多股软线,简称双绞线,俗称麻花线。
字母S代表双绞线;字母R代表软线;字母V代表聚氯乙烯(绝缘体);这种线多用于消防火灾自动报警系统的探测器线路 7.智能弱电中RVVP 4×16/0.15 (4×0.30mm?)四芯圆形护套屏蔽电线。
适用12-125 RVV2×16/0.15(2×0.3 mm?)扁型电源线适用2-1877;RVS2*1.5是背景音乐广播线适用2-1877 8.RVVP4*16/0.15 即“4(芯)乘0.3(平方毫米)屏蔽(聚氯乙烯)护套软线,其中每个字母的含义如下: 多线芯软线(型号中第1位字母,R),聚氯乙烯绝缘(型号中第2位字母,V),聚氯乙烯护套(型号中第3位字母,V),铜软线或镀锡软铜线编织屏蔽(型号中第4位字母,P),带绝缘层的线芯数4芯(型号中第5位字母,4),缘层内的导体线芯数16芯(型号中第7、8位字母,16),缘层内的导体线芯直径0.15mm(型号中第10~13位字母,0.15)。
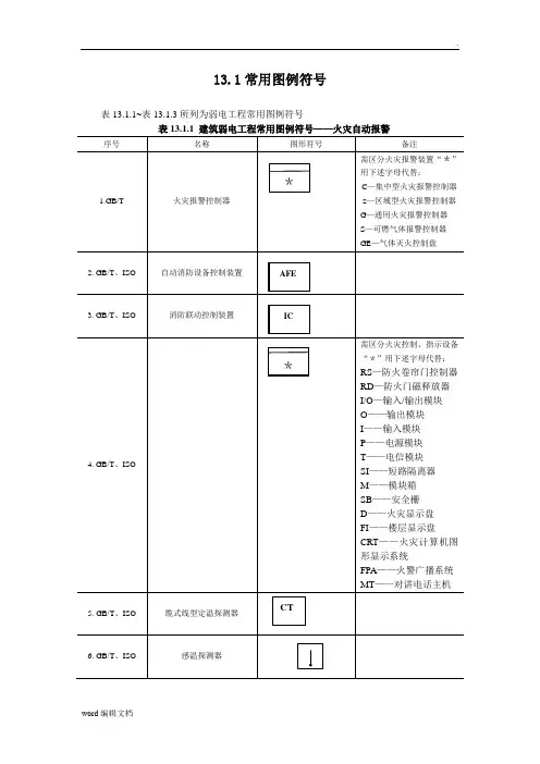
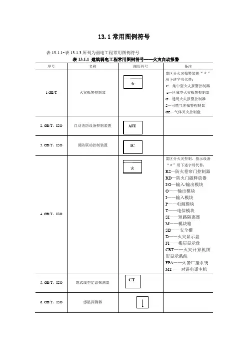
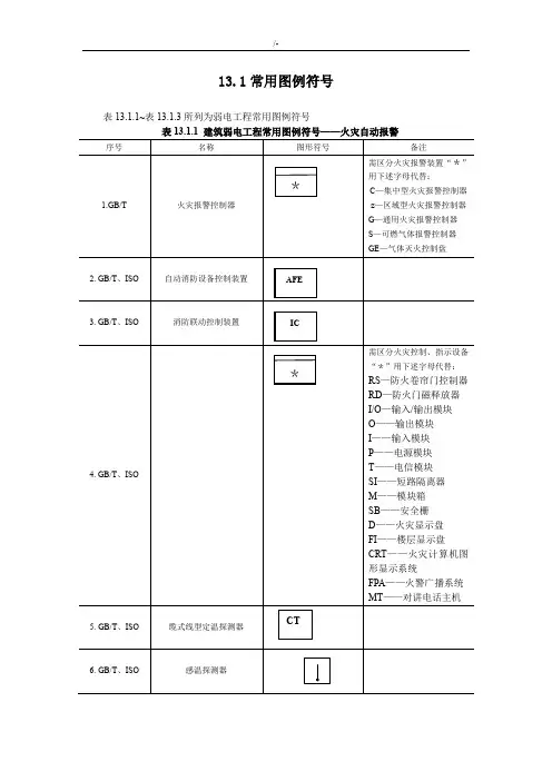
13.1常用图例符号表13.1.1~表13.1.3所列为弱电工程常用图例符号表13.1.1 建筑弱电工程常用图例符号——火灾自动报警表13.1.2 建筑弱电工程常用图例符号——公共广播表13.1.3建筑弱电工程常用图例符号——电视系统序号名称图形符号备注1. GB/T、IEC 天线一般符号2. 带矩形波导馈线的抛物面天线3. GB/T、IEC 放大器一般符号中断器一般符号4. GB/T、IEC 混合网络5. 二路分配器6. 三路分配器7. 四路分配器8. 定向耦合器9. 信号分支一般符号10. 系统出现端11. 均衡器12. 可变均衡器13. 衰减器14. 可变衰减器15. 高通滤波器16. 低通滤波器17. 带通滤波器18. 带阻滤波器19. 陷波器20. 调制器、调节器或鉴别器一般符号21. 匹配终端22. 彩色电视接收机23. 卫星电视接收机s24. 线路供电器(示出交流型)25. 供电阻断器(示在一条分配馈线上)26. 有限电视接收天线27. 高频避雷器28. 视频通路(电视)V29. 光纤或光缆一般符号30. 光发射机31. 光接收机32.GB 光电转换器33.GB 电光转换器表13.1.4建筑弱电工程常用图例符号——电话通信系统序号名称图形符号备注1. 建筑群配线架2. 主配线架3. 楼层配线架4. 程控交换机5. 集线器6. 光缆配线设备7. 信息插座8. 综合布线接口9. 架空交接箱A:编号B:容量10. 落地交接箱A:编号B:容量11. 壁龛交接箱A:编号B:容量12. 挂墙交接箱A:编号B:容量13. 电信插座一般符号14. 电话出线盒15. 电话机一般符号16. 按键式电话机17. 传真机一般符号。
弱电图纸中符号表示大全一、导线穿管表示SC-焊接钢管MT-电线管PC-PVC塑料硬管FPC-阻燃塑料硬管CT-桥架MR-金属线槽M-钢索CP-金属软管PR-塑料线槽RC-镀锌钢管二、导线敷设方式表示DB-直埋TC-电缆沟BC-暗敷在梁内CLC-暗敷在柱内WC-暗敷在墙内CE-沿天棚顶敷设CC-暗敷在天棚顶内SCE-吊顶内敷设F-地板及地坪下SR-沿钢索BE-沿屋架,梁WE-沿墙明敷三、灯具安装方式的表示CS-链吊DS-管吊W-墙壁安装C-吸顶R-嵌入S-支架CL-柱上沿钢线槽:SR沿屋架或跨屋架:BE沿柱或跨柱:CLE穿焊接钢管敷设:SC穿电线管敷设:MT穿硬塑料管敷设:PC穿阻燃半硬聚氯乙烯管敷设:FPC电缆桥架敷设:CT金属线槽敷设:MR塑料线槽敷设:PR用钢索敷设:M穿聚氯乙烯塑料波纹电线管敷设:KPC 穿金属软管敷设:CP直接埋设:DB电缆沟敷设:TC导线敷设部位的标注沿或跨梁(屋架)敷设:AB暗敷在梁内:BC沿或跨柱敷设:AC暗敷设在柱内:CLC沿墙面敷设:WS暗敷设在墙内:WC沿天棚或顶板面敷设:CE暗敷设在屋面或顶板内:CC吊顶内敷设:SCE地板或地面下敷设:FCHSM8-63C/3PDTQ30-32/2P 这两个应该是两种塑壳断路器的型号,HSM8-63C/3P 适用于照明回路中,为3极开关,额定电流为63A(3联开关)DTQ30-32/2P 也是塑壳断路器的一种,额定电流32A,2极开关其他那些符号都是关于导线穿管和敷设方式的一些表示方法,你对照着查一下。
四、型号的含义R-连接用软电缆(电线),软结构。
V-绝缘聚氯乙烯。
V-聚氯乙烯绝缘V-聚氯乙烯护套B-平型(扁形)。
S-双绞型。
A-镀锡或镀银。
F-耐高温P-编织屏蔽P2-铜带屏蔽P22-钢带铠装Y—预制型、一般省略,或聚烯烃护套FD—产品类别代号,指分支电缆。
将要颁布的建设部标准用FZ 表示,其实质相同。
YJ—交联聚乙烯绝缘V—聚氯乙烯绝缘或护套ZR—阻燃型NH—耐火型WDZ—无卤低烟阻燃型WDN—无卤低烟耐火型例如:SYV 75-5-1(A、B、C)S: 射频 Y:聚乙烯绝缘 V:聚氯乙烯护套 A:64编 B:96编 C:128编75:75欧姆 5:线径为5MM 1:代表单芯SYWV 75-5-1S: 射频 Y:聚乙烯绝缘 W:物理发泡 V:聚氯乙烯护套75:75欧姆 5:线缆外径为5MM 1:代表单芯例如:RVVP2*32/0.2 RVV2*1.0 BVRR: 软线 VV:双层护套线 P屏蔽2:2芯多股线32:每芯有32根铜丝0.2:每根铜丝直径为0.2MMZR-RVS2*24/0.12ZR: 阻燃 R: 软线 S:双绞线2:2芯多股线24:每芯有24根铜丝0.12:每根铜丝直径为0.12MM1、型号、名称RV 铜芯氯乙烯绝缘连接电缆(电线)AVR 镀锡铜芯聚乙烯绝缘平型连接软电缆(电线)RVB 铜芯聚氯乙烯平型连接电线RVS 铜芯聚氯乙烯绞型连接电线RVV 铜芯聚氯乙烯绝缘聚氯乙烯护套圆形连接软电缆ARVV 镀锡铜芯聚氯乙烯绝缘聚氯乙烯护套平形连接软电缆RVVB 铜芯聚氯乙烯绝缘聚氯乙烯护套平形连接软电缆RV-105 铜芯耐热105℃聚氯乙烯绝缘聚氯乙烯绝缘连接软电缆AF-205AFS-250AFP-250 镀银聚氯乙氟塑料绝缘耐高温-60℃~250℃连接软电线2、规格表示法的含义规格采用芯数、标称截面和电压等级表示。
创作编号:GB8878185555334563BT9125XW创作者:凤呜大王*13.1常用图例符号表13.1.1~表13.1.3所列为弱电工程常用图例符号表13.1.1 建筑弱电工程常用图例符号——火灾自动报警表13.1.2 建筑弱电工程常用图例符号——公共广播表13.1.3建筑弱电工程常用图例符号——电视系统12. 可变均衡器13. 衰减器14. 可变衰减器15. 高通滤波器16. 低通滤波器17. 带通滤波器18. 带阻滤波器19. 陷波器20. 调制器、调节器或鉴别器一般符号21. 匹配终端22. 彩色电视接收机23. 卫星电视接收机s24. 线路供电器(示出交流型)25. 供电阻断器(示在一条分配馈线上)26. 有限电视接收天线27. 高频避雷器28. 视频通路(电视)V29. 光纤或光缆一般符号30. 光发射机31. 光接收机32.GB 光电转换器33.GB 电光转换器表13.1.4建筑弱电工程常用图例符号——电话通信系统序号名称图形符号备注1. 建筑群配线架2. 主配线架3. 楼层配线架4. 程控交换机5. 集线器6. 光缆配线设备7. 信息插座8. 综合布线接口9. 架空交接箱A:编号B:容量10. 落地交接箱A:编号B:容量11. 壁龛交接箱A:编号B:容量12. 挂墙交接箱A:编号B:容量13. 电信插座一般符号14. 电话出线盒15. 电话机一般符号16. 按键式电话机17. 传真机一般符号创作编号:GB8878185555334563BT9125XW创作者:凤呜大王*。
13.1常用图例符号表13.1.1~表13.1.3所列为弱电工程常用图例符号
表13.1.1 建筑弱电工程常用图例符号——火灾自动报警
页脚内容1
页脚内容2
页脚内容3
页脚内容4
页脚内容5
页脚内容6
页脚内容7
页脚内容8
页脚内容9
页脚内容10
表13.1.2 建筑弱电工程常用图例符号——公共广播
页脚内容11
页脚内容12
页脚内容13
页脚内容14
页脚内容15
表13.1.3建筑弱电工程常用图例符号——电视系统
页脚内容16
页脚内容17
页脚内容18
页脚内容19
页脚内容20
页脚内容21
页脚内容22
30.光发射机
31.光接收机
32.GB光电转换器
33.GB电光转换器
表13.1.4建筑弱电工程常用图例符号——电话通信系统
序号名称图形符号备注1.建筑群配线架
页脚内容23
页脚内容24
页脚内容25
页脚内容26
页脚内容27
页脚内容28
页脚内容29
页脚内容30
弱电布线施工方案
页脚内容31。
弱电图纸中敷设方式符号表示大全一、导线穿管表示SC-焊接钢管MT-电线管PC-PVC塑料硬管FPC-阻燃塑料硬管CT-桥架MR-金属线槽M-钢索CP-金属软管PR-塑料线槽RC-镀锌钢管二、导线敷设方式表示DB-直埋TC-电缆沟BC-暗敷在梁内CLC-暗敷在柱内WC-暗敷在墙内CE-沿天棚顶敷设CC-暗敷在天棚顶内SCE-吊顶内敷设F-地板及地坪下SR-沿钢索BE-沿屋架,梁WE-沿墙明敷三、灯具安装方式的表示CS-链吊DS-管吊W-墙壁安装C-吸顶R-嵌入S-支架CL-柱上沿钢线槽:SR沿屋架或跨屋架:BE沿柱或跨柱:CLE穿焊接钢管敷设:SC穿电线管敷设:MT穿硬塑料管敷设:PC穿阻燃半硬聚氯乙烯管敷设:FPC电缆桥架敷设:CT金属线槽敷设:MR塑料线槽敷设:PR用钢索敷设:M穿聚氯乙烯塑料波纹电线管敷设:KPC穿金属软管敷设:CP直接埋设:DB电缆沟敷设:TC导线敷设部位的标注沿或跨梁(屋架)敷设:AB暗敷在梁内:BC沿或跨柱敷设:AC暗敷设在柱内:CLC沿墙面敷设:WS暗敷设在墙内:WC沿天棚或顶板面敷设:CE暗敷设在屋面或顶板内:CC吊顶内敷设:SCE地板或地面下敷设:FCHSM8-63C/3PDTQ30-32/2P?这两个应该是两种塑壳断路器的型号,HSM8-63C/3P?适用于照明回路中,为3极开关,额定电流为63A(3联开关)DTQ30-32/2P?也是塑壳断路器的一种,额定电流32A,2极开关其他那些符号都是关于导线穿管和敷设方式的一些表示方法,你对照着查一下。
四、型号的含义R-连接用软电缆(电线),软结构。
V-绝缘聚氯乙烯。
?V-聚氯乙烯绝缘V-聚氯乙烯护套B-平型(扁形)。
S-双绞型。
A-镀锡或镀银。
F-耐高温P-编织屏蔽P2-铜带屏蔽P22-钢带铠装Y—预制型、一般省略,或聚烯烃护套FD—产品类别代号,指分支电缆。
将要颁布的建设部标准用FZ表示,其实质相同。
YJ—交联聚乙烯绝缘V—聚氯乙烯绝缘或护套ZR—阻燃型NH—耐火型WDZ—无卤低烟阻燃型WDN—无卤低烟耐火型例如:SYV?75-5-1(A、B、C)S:?射频?Y:聚乙烯绝缘?V:聚氯乙烯护套?A:64编?B:96编?C:128编75:75欧姆?5:线径为5MM?1:代表单芯SYWV?75-5-1S:?射频?Y:聚乙烯绝缘?W:物理发泡?V:聚氯乙烯护套75:75欧姆?5:线缆外径为5MM?1:代表单芯例如:RVVP2*32/0.2?RVV2*1.0?BVRR:?软线?VV:双层护套线?P屏蔽2:2芯多股线?32:每芯有32根铜丝?0.2:每根铜丝直径为0.2MMZR-RVS2*24/0.12ZR:?阻燃?R:?软线?S:双绞线2:2芯多股线?24:每芯有24根铜丝?0.12:每根铜丝直径为0.12MM1、型号、名称RV?铜芯氯乙烯绝缘连接电缆(电线)AVR?镀锡铜芯聚乙烯绝缘平型连接软电缆(电线)RVB?铜芯聚氯乙烯平型连接电线RVS?铜芯聚氯乙烯绞型连接电线RVV?铜芯聚氯乙烯绝缘聚氯乙烯护套圆形连接软电缆ARVV?镀锡铜芯聚氯乙烯绝缘聚氯乙烯护套平形连接软电缆RVVB?铜芯聚氯乙烯绝缘聚氯乙烯护套平形连接软电缆RV-105?铜芯耐热105℃聚氯乙烯绝缘聚氯乙烯绝缘连接软电缆AF-205AFS-250AFP-250?镀银聚氯乙氟塑料绝缘耐高温-60℃~250℃连接软电线2、规格表示法的含义规格采用芯数、标称截面和电压等级表示。
之司秆蘸矗创作表13.1.1 建筑弱电工程经常使用图例符号——火灾自动报警——公共广播31. 端子箱XT32. 端子板1 2 3 4 5 6 733. 继电器线圈34. 匹配电阻、匹配负载35. 保安器36. 广播线路B37. 调频FM38. 调幅AM——电视系统序号名称图形符号备注1. GB/T、IEC 天线一般符号2. 带矩形波导馈线的抛物面天线3. GB/T、IEC 放大器一般符号中断器一般符号4. GB/T、IEC 混合网络5. 二路分配器6. 三路分配器7. 四路分配器8. 定向耦合器9. 信号分支一般符号10. 系统出现端11. 均衡器12. 可变均衡器13. 衰减器14. 可变衰减器15. 高通滤波器16. 低通滤波器17. 带通滤波器18. 带阻滤波器19. 陷波器20. 调制器、调节器或鉴别器一般符号21. 匹配终端22. 黑色电视接收机23. 卫星电视接收机s24. 线路供电器(示出交流型)25. 供电阻断器(示在一条分配馈线上)26. 有限电视接收天线27. 高频避雷器28. 视频通路(电视)V29. 光纤或光缆一般符号30. 光发射机31. 光接收机光电转换器电光转换器——电话通信系统序号名称图形符号备注1. 建筑群配线架2. 主配线架3. 楼层配线架4. 程控交换机5. 集线器6. 光缆配线设备7. 信息插座8. 综合布线接口9. 架空交接箱A:编号B:容量10. 落地交接箱A:编号B:容量11. 壁龛交接箱A:编号B:容量12. 挂墙交接箱A:编号B:容量13. 电信插座一般符号14. 电话出线盒15. 电话机一般符号16. 按键式电话机17. 传真机一般符号。
弱电常用图形符号
13.1常用图例符号
表13.1.1~表13.1.3所列为弱电工程常用图例符号
表13.1.1 建筑弱电工程常用图例符号——火灾自动报警
表13.1.2 建筑弱电工程常用图例符号——公共广播
表13.1.3建筑弱电工程常用图例符号——电视系统
19. 陷波器
20. 调制器、调节器或鉴别器一般符号
21. 匹配终端
22. 彩色电视接收机
23. 卫星电视
接收机
s
24. 线路供电器(示出交流型)
25. 供电阻断器(示在一条分配馈线上)
26. 有限电视接收天线
27. 高频避雷
器
28. 视频通路
(电视)
V
29. 光纤或光缆一般符
号
30. 光发射机
31. 光接收机
32.GB 光电转换
器
33.GB
电光转换
器
表13.1.4建筑弱电工程常用图例符号——电话通信系统
序号名称图形符号备注
1. 建筑群配线
架
2. 主配线架。