进场道路 级配碎石(碎砾石)基层检验批质量检验记录表
- 格式:xls
- 大小:16.50 KB
- 文档页数:1
级配砂砾及级配砾石基层检验批质量验收记录一、基本信息项目名称:XX道路改造工程施工单位:XX建筑工程有限公司监理单位:XX监理有限公司验收时间:2024年4月1日二、材料验收1.级配砂砾验收人员根据工程设计要求及相关规范,对施工单位提交的级配砂砾进行了检测和验收。
检测结果如下:(1)粒径分布:经过筛分分析,级配砂砾符合设计要求,和规范要求相符。
(2)含水率:经过称重法检测,级配砂砾的含水率为4%,符合规范要求。
(3)坚实度:采用压实度仪进行压实度测试,级配砂砾压实度达到90%,符合规范要求。
综上所述,级配砂砾材料质量合格。
2.级配砾石基层验收人员对施工单位提交的级配砾石基层进行了检测和验收。
检测结果如下:(1)厚度:通过测量,级配砾石基层的平均厚度为30cm,符合设计要求。
(2)密实度:采用核密度计对级配砾石基层进行了密度检测,密度值为2.0g/cm³,符合规范要求。
(3)稳定性:对级配砾石基层进行了稳定性检测,结果显示基层的稳定性满足要求。
综上所述,级配砾石基层材料质量合格。
三、施工质量验收1.确认基层平整度:验收人员对级配砾石基层的平整度进行了检测。
通过使用水平仪和直尺进行测量,平整度符合设计要求。
2.确认基层压实度:验收人员对级配砾石基层的压实度进行了检测。
通过使用万能压路机对基层进行了三次压实,检测结果满足规范要求。
3.确认基层质量:验收人员对级配砾石基层的质量进行了检测。
通过目测和触摸,基层质量良好,无明显沉陷或坑槽。
四、验收结论根据对级配砂砾及级配砾石基层的材料检测和施工质量验收,结论如下:监理单位应加强对基层施工的监督和检查,及时发现和纠正任何施工质量问题。
五、附录1.级配砂砾化验报告2.级配砾石基层施工记录3.基层压实度测试记录4.级配砾石基层验收照片注:以上内容仅为示例,实际情况可能因项目不同而有所差异,具体应根据实际工程需要进行调整。
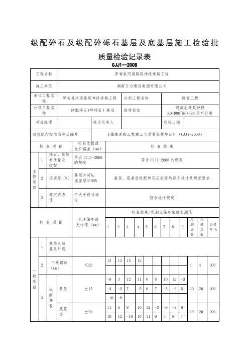
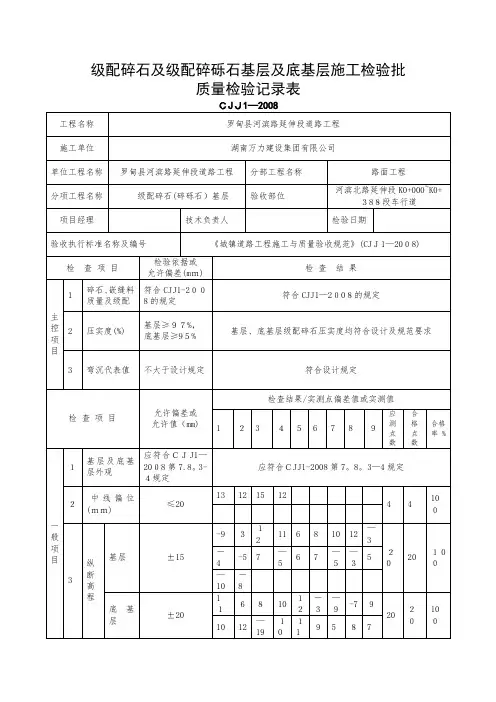
级配碎石及级配碎砾石基层及底基层施工检验批
质量检验记录表
续上页
2 主控项目、一般项目的检查结果,需用语言描述的项,应按CJJ1-2008的要求详实描述;主控项目的计数检验项先填写“检验批主控项目计数检验记录表”(G1-1-1),然后将计数检验结果填写在本表相应的检查结果栏
内;检验批一般项目计数检验数据较多、本表空格不够填写的项,可填写“检验批一般项目计数检验记录表”(G1-1-2),将该表作为本表的附页。
级配碎石及级配碎砾石基层及底基层质量检验标准(CJJ1-2008)
7.8.4 级配碎石及级配碎砾石基层及底基层质量检验应符合下列规定:
主控项目
检查数量:按不同材料进场批次,每批次抽检不应少于1次。
检验方法:查检验报告。
2 级配碎石压实度,基层不得小于97%,底基层不应小于95%。
检查数量:每1000㎡抽检1点。
检验方法:灌砂法或灌水法。
3 弯沉值,不应大于设计规定。
检查数量:设计规定时每车道。
每20m,测1点。
检验方法:弯沉仪检测。
一般项目
4 外观质量:表面应平整、坚实,无推移、松散、浮石现象。
检查数量:全数检查。
检验方法:观察。
表7.8.3 级配砂砾及级配砂石基层和底基层允许偏差。
基层(级配碎石、碎砾石)检验批质量检验记录注:(B为基层宽度)本表由施工项目专业质量检查员填写,监理工程师(建设单位项目专业技术负责人)组织项目。
专业质量检查员等进行验收,并应按上表进行记录。
基层(级配碎石、碎砾石)检验批质量检验记录表编号:020006注:(B为基层宽度)本表由施工项目专业质量检查员填写,监理工程师(建设单位项目专业技术负责人)组织项目。
专业质量检查员等进行验收,并应按上表进行记录。
基层(级配碎石、碎砾石)检验批质量检验记录表编号:020006注:(B为基层宽度)本表由施工项目专业质量检查员填写,监理工程师(建设单位项目专业技术负责人)组织项目。
专业质量检查员等进行验收,并应按上表进行记录。
基层(级配碎石、碎砾石)检验批质量检验记录表编号:020006注:(B为基层宽度)本表由施工项目专业质量检查员填写,监理工程师(建设单位项目专业技术负责人)组织项目。
专业质量检查员等进行验收,并应按上表进行记录。
基层(级配碎石、碎砾石)检验批质量检验记录表编号:020006注:(B为基层宽度)本表由施工项目专业质量检查员填写,监理工程师(建设单位项目专业技术负责人)组织项目。
专业质量检查员等进行验收,并应按上表进行记录。
基层(级配碎石、碎砾石)检验批质量检验记录表编号:020006注:(B为基层宽度)本表由施工项目专业质量检查员填写,监理工程师(建设单位项目专业技术负责人)组织项目。
专业质量检查员等进行验收,并应按上表进行记录。
基层(级配碎石、碎砾石)检验批质量检验记录表编号:020006注:(B为基层宽度)本表由施工项目专业质量检查员填写,监理工程师(建设单位项目专业技术负责人)组织项目。
专业质量检查员等进行验收,并应按上表进行记录。
基层(级配碎石、碎砾石)检验批质量检验记录表编号:020006注:(B为基层宽度)本表由施工项目专业质量检查员填写,监理工程师(建设单位项目专业技术负责人)组织项目。
级配碎石及级配碎砾石基层及底基层施工检验批质量检验
接下表
注:1、B为施工时必要的附加宽度。
级配碎石及级配碎砾石基层及底基层质量检验标准
(CJJ1—2008)
7.8.4 级配碎石及级配碎砾石基层及底基层质量检验应符合下列规定:
主控项目
1 碎石与嵌缝料质量及级配应符合本规范第7.7.1条的有关规定。
检查数量:按不同材料进场批次,每批次抽检不应少于1次。
检验方法:查检验报告。
2 级配碎石压实度,基层不得小于97%,底基层不应小于95%。
检查数量:每1000m2抽检1点。
检验方法:灌砂法或灌水法。
3 弯沉值,不应大于设计规定。
检查数量:设计规定时每车道。
每20m,测1点。
检验方法:弯沉仪检测。
一般项目
4 外观质量:表面应平整、坚实,无推移、松散、浮石现象。
检查数量:全数检查。
检验方法:观察。
5 级配碎石及级配碎砾石基层和底基层的偏差应符合本规范表7.8.3的有关规定。
表7.8.3 级配砂砾及级配砂石基层和底基层允许偏差。
级配碎石及级配碎砾石基层及底基层施工检验批
质量检验记录表
续上页
2主控项目、一般项目的检查结果,需用语言描述的项,应按CJJ1—2008的要求详实描述;主控项目的计数检验项先填写“检验批主控项目计数检验记录表”(G1—1-1),然后将计数检验结果填写在本表相应的检查结果栏内;检验批一般项目计数检验数据较多、本表空格不够填写的项,可填写“检验批一般项目计数检验记录表”(G1-1-2),将该表作为本表的附页。
级配碎石及级配碎砾石基层及底基层质量检验标准(CJJ 1—2008)
7.8.4 级配碎石及级配碎砾石基层及底基层质量检验应符合下列规定:
主控项目
1碎石与嵌缝料质量及级配应符合本规范第7。
7.1条的有关规定。
检查数量:按不同材料进场批次,每批次抽检不应少于1次。
检验方法:查检验报告。
2 级配碎石压实度,基层不得小于97%,底基层不应小于95%。
检查数量:每1000㎡抽检1点。
检验方法:灌砂法或灌水法。
3 弯沉值,不应大于设计规定.
检查数量:设计规定时每车道。
每20m,测1点。
检验方法:弯沉仪检测。
一般项目
4 外观质量:表面应平整、坚实,无推移、松散、浮石现象。
检查数量:全数检查。
检验方法:观察.
5级配碎石及级配碎砾石基层和底基层的偏差应符合本规范表7。
8.3的有关规定。
表7。
8.3 级配砂砾及级配砂石基层和底基层允许偏差。
基层(级配碎砾、碎砾石)检验批质量检查记录
编号:020006 □口
工程名称分部工程名称分项工程名称级配碎砾、碎砾石基层
施工单位施工员项目经理
分包单位分包项目经理施工班组长
工程数量验收部位(或桩号)项目技术负责人
交方班组接方班组检验日期年月日
检查项目序
号
检查内容
检验依据/允许偏差
(规定值或土偏差值)
检验频率检查结果/实测点偏差值或实测值
范围点数12345678910
应测点
数
合格点
数
合格率
(%
主控项
目
1材料
碎石与嵌缝集料质量级配应符合本规
范第7.7.1条规定
不同材料进场批
次
每批1次检验报告编号:2压实度基层》97% 底基层》95%1000 就1检验报告编号:4弯沉值
(设计有要求时)〉设计规定每车道、每
20m
1检验报告编号:
般项目
1中线位移(mr)< 20100m1 2纵断咼程中(mr)
基层± 15
20m1
底基层± 20
3平整度(mm
基层< 10
20m1~3
底基层< 15
4宽度(mm》设计规定+B40m1 5横坡
± 0.3%且不
反坡
路宽v 9m
20m
2
路宽9~154
路宽〉15m6 6厚度(mm砾石+20; -10砾石+20; -10%厚度1000 m21表 A.0.1
施工单位检查评定结论
项目专业质量检验员:(签字)年月日
监理(建设)单位验收结论
监理工程师:(签字)
(或建设单位项目专业技术负责人):(签字)年月日。
级配碎石及级配碎砾石基层及底基层施工检验批
质量检验记录表
续上页
2 主控项目、一般项目的检查结果,需用语言描述的项,应按CJJ1-2008的要求详实描述;主控项目的计数检验项先填写“检验批主控项目计数检验记录表”(G1-1-1),然后将计数检验结果填写在本表相应的检查结果栏内;检验批一般项目计数检验数据较多、本表空格不够填写的项,可填写“检验批一般项目计数检验记录表”(G1-1-2),将该表作为本表的附页。
级配碎石及级配碎砾石基层及底基层质量检验标准(CJJ1-2008)
7.8.4 级配碎石及级配碎砾石基层及底基层质量检验应符合下列规定:
主控项目
1 碎石与嵌缝料质量及级配应符合本规范第7.7.1条的有关规定。
检查数量:按不同材料进场批次,每批次抽检不应少于1次。
检验方法:查检验报告。
2 级配碎石压实度,基层不得小于97%,底基层不应小于95%。
检查数量:每1000㎡抽检1点。
检验方法:灌砂法或灌水法。
3 弯沉值,不应大于设计规定。
检查数量:设计规定时每车道。
每20m,测1点。
检验方法:弯沉仪检测。
一般项目
4 外观质量:表面应平整、坚实,无推移、松散、浮石现象。
检查数量:全数检查。
检验方法:观察。
5 级配碎石及级配碎砾石基层和底基层的偏差应符合本规范表7.8.3的有关规定。
表7.8.3 级配砂砾及级配砂石基层和底基层允许偏差。