工程碎石垫层和碎砖垫层检验批质量验收记录表
- 格式:doc
- 大小:89.50 KB
- 文档页数:6
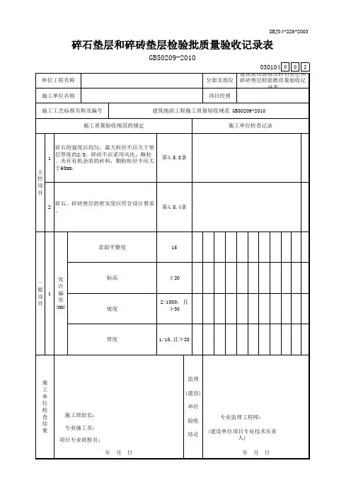
碎石垫层和碎砖垫层检验批质量验收记录表GB50209—2002(Ⅳ)说明(Ⅳ)030101主控项目:1、碎石的强度应均匀,最大粒径不应大于垫层厚度的2/3;碎砖不应采用风化、酥松、夹有有机杂质的砖料,颗粒粒径不应大于60mm。
观察检查和检查材质合格证明文件及检测报告。
2、碎石、碎砖垫层的密实度,符合设计要求。
观察检查和检查试验记录。
一般项目:1、碎石、碎砖垫层的允许偏差,应按本规范表4.1.5中的检验方法检验,其中厚度偏差为±1/10设计厚度。
检验方法:观察检查和检抽试验记录。
地基与基础分部报验申请表工程名称:定远县2022年农村义务教育维修改造③项目一标段(定远五中)土方开挖报验申请表工程名称:定远县2016年农村义务教育维修改造③项目一标段(定远五中)土土方开挖隐蔽工程验收记录无支护土方子分部报验申请表工程名称:定远县2016年农村义务教育维修改造③项目一标段(定远五中)垫层混凝土报验申请表工程名称:定远县2016年农村义务教育维修改造③项目一标段(定远五中)混施混凝土分项工程(原材料、配合比)检验批质量验收记录基础垫层隐蔽工程验收记录基础墙砖砌体报验申请表工程名称:定远县2016年农村义务教育维修改造③项目一标段(定远五中)砌体分项工程质量验收记录围墙砖砌体分项工程检验批质量验收记录土方回填报验申请表工程名称:定远县2016年农村义务教育维修改造③项目一标段(定远五中)土方回填分项工程质量验收记录土方回填分项工程检验批质量验收记录砖砌体结构报验申请表工程名称:定远县2016年农村义务教育维修改造③项目一标段(定远五中)围砌项检质收混凝土工程报验申请表工程名称:定远县2016年农村义务教育维修改造③项目一标段(定远五中)混施混凝土分项工程(原材料、配合比)检验批质量验收记录现浇结构报验申请表工程名称:定远县2016年农村义务教育维修改造③项目一标段(定远五中)装饰分部报验申请表工程名称:定远县2016年农村义务教育维修改造③项目一标段(定远五中)装饰分部工程质量验收记录抹灰子分部报验申请表工程名称:定远县2016年农村义务教育维修改造③项目一标段(定远五中)抹灰子分部工程质量验收记录抹灰分项工程报验申请表工程名称:定远县2016年农村义务教育维修改造③项目一标段(定远五中)一般抹灰分项工程质量验收记录围墙一般抹灰报验申请表工程名称:定远县2016年农村义务教育维修改造③项目一标段(定远五中)一灰工验量记涂饰子分部报验申请表工程名称:定远县2016年农村义务教育维修改造③项目一标段(定远五中)饰子分部工程质量验收记录水性涂料分项工程报验申请表工程名称:定远县2016年农村义务教育维修改造③项目一标段(定远五中)分项工程质量验收记录内外墙涂料报验申请表工程名称:定远县2016年农村义务教育维修改造③项目一标段(定远五中)记录。
碎石垫层和碎砖垫层检验批质量验收记录表表格格
式
Prepared on 22 November 2020
碎石垫层和碎砖垫层检验批质量验收记录表
GB50209—2002
(Ⅳ)
030101□□
说明
(Ⅳ)
030101
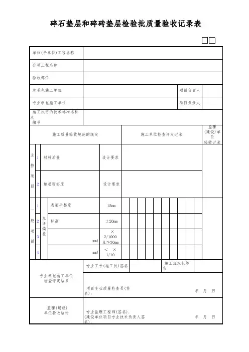
主控项目:
1、碎石的强度应均匀,最大粒径不应大于垫层厚度的2/3;碎砖不应采用风化、酥松、夹有有机杂质的砖料,颗粒粒径不应大于60mm。
观察检查和检查材质合格证明文件及检测报告。
2、碎石、碎砖垫层的密实度,符合设计要求。
观察检查和检查试验记录。
一般项目:
1、碎石、碎砖垫层的允许偏差,应按本规范表4.1.5中的检验方法检验,其中厚度偏差为±1/10设计厚度。
检验方法:观察检查和检抽试验记录。
碎石垫层和碎砖垫层查验批质量查收记录表
鲁JJ—
155001
单位(子单位)工程名称
分部(子分部)工程名称建筑装饰装饰(地面)查收部
位四层
施工单位项目经
理
分包单位分包项目经理
施工履行标准名称及编号
建筑地面工程施工质
量查收规范GB50209-2002
施工质量查收规范的规定
施工单位检查评定记
录
监理(建设)
单位
查收记录
主1资
料质量设计要求控
项
2垫层密实度设计要求目
1表面平坦度15mm
一2同
意
标高±20mm 般
项
3
误
差
坡度
2/1000
目
且≯30mm 4厚度<1/10h
专业工长(施工员)施工班
组长
施工单位检查
评定结果
项目专业质量检查员: 年月日
监理(建设)单位
查收结论
专业监理工程师:
年月日
(建设单位项目专业技术负责
人):
山东省建设工程质量监察总站
监制。
碎石垫层和碎砖垫层检验批质量验收记录表GB50209-2002(Ⅳ)美文欣赏1、走过春的田野,趟过夏的激流,来到秋天就是安静祥和的世界。
秋天,虽没有玫瑰的芳香,却有秋菊的淡雅,没有繁花似锦,却有硕果累累。
秋天,没有夏日的激情,却有浪漫的温情,没有春的奔放,却有收获的喜悦。
清风落叶舞秋韵,枝头硕果醉秋容。
秋天是甘美的酒,秋天是壮丽的诗,秋天是动人的歌。
2、人的一生就是一个储蓄的过程,在奋斗的时候储存了希望;在耕耘的时候储存了一粒种子;在旅行的时候储存了风景;在微笑的时候储存了快乐。
聪明的人善于储蓄,在漫长而短暂的人生旅途中,学会储蓄每一个闪光的瞬间,然后用它们酿成一杯美好的回忆,在四季的变幻与交替之间,散发浓香,珍藏一生!3、春天来了,我要把心灵放回萦绕柔肠的远方。
让心灵长出北归大雁的翅膀,乘着吹动彩云的熏风,捧着湿润江南的霡霂,唱着荡漾晨舟的渔歌,沾着充盈夜窗的芬芳,回到久别的家乡。
我翻开解冻的泥土,挖出埋藏在这里的梦,让她沐浴灿烂的阳光,期待她慢慢长出枝蔓,结下向往已久的真爱的果实。
4、好好享受生活吧,每个人都是幸福的。
人生山一程,水一程,轻握一份懂得,将牵挂折叠,将幸福尽收,带着明媚,温暖前行,只要心是温润的,再遥远的路也会走的安然,回眸处,愿阳光时时明媚,愿生活处处晴好。
5、漂然月色,时光随风远逝,悄然又到雨季,花,依旧美;心,依旧静。
月的柔情,夜懂;心的清澈,雨懂;你的深情,我懂。
人生没有绝美,曾经习惯漂浮的你我,曾几何时,向往一种平实的安定,风雨共度,淡然在心,凡尘远路,彼此守护着心的旅程。
沧桑不是自然,而是经历;幸福不是状态,而是感受。
6、疏疏篱落,酒意消,惆怅多。
阑珊灯火,映照旧阁。
红粉朱唇,腔板欲与谁歌?画脸粉色,凝眸着世间因果;未央歌舞,轮回着缘起缘落。
舞袖舒广青衣薄,何似院落寂寞。
风起,谁人轻叩我柴扉小门,执我之手,听我戏说?7、经年,未染流殇漠漠清殇。
流年为祭。
琴瑟曲中倦红妆,霓裳舞中残娇靥。
030101
碎石垫层和碎砖垫层检验批质量验收记录
表
GB50209- 2002
人生最大的幸福,莫过于连一分钟都无法休息零碎的时间实在可以成就大事业珍惜时间可以使生命变的更有价值时间象奔腾澎湃的急湍,它一去无返,毫不流连一个人越知道时
间的价值,就越感到失时的痛苦得到时间,就是得到一切用经济学的眼光来看,时间就是一种财富时间一点一滴凋谢,犹如蜡烛漫漫燃尽我总是感觉到时间的巨轮在我背后奔驰,日益迫近夜晚给老人带来平静,给年轻人带来希望不浪费时间,每时每刻都做些有用的事,戒掉一切不必要的行为时间乃是万物中最宝贵的东西,但如果浪费了,那就是最大的浪费我的产业多么美,多么广,多么宽,时间是我的财产,我的田地是时间时间就是性命,无端的空耗别人的时间,知识是取之不尽,用之不竭的。
只有最大限度地挖掘它,才能体会到学习的乐趣。
新想法常常瞬息即逝,必须集中精力,牢记在心,及时捕获。
每天早晨睁开眼睛,深吸一口气,给自己一个微笑,然后说:“在这美妙的一天,我又要获得多少知识啊!” 不要为这个世界而惊叹,要让这个世界为你而惊叹!如果说学习有捷径可走,那也一定是勤奋。
学习犹如农民耕作,汗水滋润了种子,汗水浇灌了幼苗,没有人瞬间奉送给你一个丰收。
藏书再多,倘若不读,只是一种癖好;读书再多,倘若不用,只能成为空谈。
学习好似一片沃土,只要辛勤耕耘,定会有累累的硕果;如若懒于
劳作,当别人跳起丰收之舞时,你已是后悔莫及了。
不渴望能够一跃千里,
只希望每天能够前进一步,学习的成功与失败原因是多方面的,要首先从自己身上找原因,才能受到鼓
舞,找出努力的方向。