纯化水机操作规程介绍
- 格式:docx
- 大小:16.27 KB
- 文档页数:9
纯化水设备的操作规程一.工艺简介清洗装置原水f原水箱f原水泵f机械过滤器f活性碳过滤器f软化器f精密过滤器f 一级加药装置(NaOH)高压泵f一级反渗透装置f淡水箱f淡水泵一二级高压泵一二级反透渗装置f 纯水箱f纯水泵f紫外线杀菌器f用水点清洗装置预处理:原水f原水箱f原水泵f机械过滤器f活性碳过滤器f软化器f精密过滤器二.操作(一)预处理+一级反渗透A.开机1.检查原水箱是否有充足的水;2.打开原水泵前控制阀;3.打开机械过滤器、活性碳过滤器、软化器、精密过滤器的进水阀以及软化器出水阀;4.完全打开浓水调节阀;5.打开膜前进水调节阀(正常情况下不要调节);6.启动原水泵,打开精密过滤器的排气阀排完气后,启动一级高压泵;7. 2分钟后调节浓、淡水流量至适当位置;8.调节原水泵前控制阀使压力W。
9.停机1.完全打开浓水调节阀,低压冲洗膜2分钟左右;2.关闭一级高压泵、原水泵;3.关闭原水泵前控制阀、精滤进水阀;4.关闭自来水阀。
C.清洗再生a.石英砂的清洗1.打开机械过滤器的反冲阀、排空阀;2.关闭机械过滤器的进水阀、排污阀、活性碳过滤器的进水阀、反冲阀;3.打开原水泵前控制阀,启动原水泵,反冲石英砂15分钟左右;4.打开机械过滤器的进水阀、排污阀,.关闭机械过滤器的反冲阀、排空阀正洗至出水澄清。
b.活性碳的清洗(用机械过滤器的出水清洗)1.打开活性碳过滤器的反冲阀、排空阀;2.关闭活性碳过滤器的进水阀、排污阀、软化器的进水阀、反冲阀;3.关闭机械过滤器的排污阀,反冲活性碳15分钟左右;4.打开活性碳过滤器的进水阀、排污阀,关闭其反冲阀、排空阀,正洗至出水澄清;5.关闭原水泵,活性碳过滤器的排污阀。
c.软化器的再生1.配制10%的食盐溶液待用;2.打开软化器的排空阀、排污阀,排完柱体中的水;3.关闭软化器的进水阀、反冲阀、排污阀、精滤进水阀,打开软化器出水阀、清洗阀,启动清洗泵,进盐后关闭清洗泵,清洗阀、软化器出水阀,浸泡树脂2〜4小时;4.打开软化器的反冲阀、排空阀,打开机械过滤器、活性碳过滤器进水阀、原水泵前控制阀启动原水泵,反洗树脂15分钟左右。
纯化水机操作规程介绍湖南康普制药有限公司GMP文件一、目的:规范纯化水机操作规程,确保纯化水质量稳定,确保药品质量。
二、适用范围:适用于纯化水机的操作。
三、责任者:纯化水制备岗位操作工。
四、引用标准、依据或支持文件:<药品生产质量管理规范>(98年版)五、纯化水机操作规程:1、准备工作1.1 检查纯化水系统的储罐、管道、泵等清洁情况合格,有合格证。
1.2 检查纯化水系统的状态标志为正常。
1.3 检查原水水压。
1.4 检查电器设备,启动机器,试机3min正常,方可使用。
2、操作内容:2.1 机械过滤器2.1.1 装料后进行滤料清洗,打开上排阀及反洗阀进水,进水强度为15m3/h×m2,时间约15min。
2.1.2 滤料清洗干净后,关闭反洗阀,上排阀,静止5-8min左右,然后打开进水阀,下排阀,进入正洗状态,正洗时进水速度控制在空塔滤速为6-8m/h,时间约15min左右。
2.1.3 当正洗出水水质达到要求后,打开出水阀,关闭下排阀,进入正常运行状态。
2.1.4 过滤器工作一段时间后,当进、出水压差≥0.08MPa时,必须对过滤器进行反冲洗,打开上排阀,关闭出水阀,进水阀,然后打开反洗阀进水,反洗强度与滤料清洗(2.1.2条)时完全相同,时间约15min。
2.1.5 反洗干净后,关闭反洗阀,上排阀,静止2-5min,然后打开进水阀,下排阀,进入正洗状态,正洗时进水速度控制在空塔滤速为6-8m/h,时间约15min左右。
2.1.6 当正洗出水水质达到要求后,打开出水阀,关闭下排阀,进入正常运行状态。
2.2 活性炭吸附柱2.2.1 原水经机械过滤器过滤后,打开进水阀门,控制水压在0.15-0.25MPa,进水流量为1m3/h~15 m3/h。
2.2.2 过滤柱每天反冲洗一次,方法为:打开下进水阀和上排污阀进行反冲至出水澄清,关闭下进水阀和上排污阀,备用。
2.2.3 每二小时检查一次出水水质,水质检查项目及频率:氨盐氯化物PH值、电阻率。
纯水机操作规程引言概述:纯水机是一种用于制备高纯度水的设备,广泛应用于实验室、制药、电子等领域。
正确操作纯水机对于保证水质纯净度和设备正常运行非常重要。
本文将详细介绍纯水机的操作规程,以确保用户正确操作并获得高质量的纯净水。
一、设备准备1.1 检查供电和水源:确保纯水机连接到稳定的电源,并检查水源管道是否畅通。
1.2 清洁设备表面:使用干净的软布擦拭纯水机的外表面,确保无尘和杂质。
1.3 检查滤芯状态:检查滤芯是否需要更换,如有需要请按照说明书进行更换。
二、开机操作2.1 打开进水阀门:缓慢打开进水阀门,确保水流平稳,避免因水流过大而对设备产生冲击。
2.2 打开电源开关:按下电源开关,确保纯水机正常启动,注意观察指示灯是否亮起。
2.3 检查设备运行状态:观察设备运行状态,如有异常情况及时停机检查,避免设备故障。
三、制水操作3.1 调节水流速度:根据实际需要,适当调节进水阀门,控制水流速度,避免过快或过慢。
3.2 监测水质指示:观察纯水机的水质指示,确保水质达到预期要求,如有异常情况及时停机检查。
3.3 收集纯净水:使用干净的容器收集纯净水,避免交叉污染,同时注意避免水流溢出。
四、停机操作4.1 关闭进水阀门:在停机前,先关闭进水阀门,避免水源进入设备。
4.2 关闭电源开关:按下电源开关,确保纯水机停机,同时断开电源,注意观察指示灯是否熄灭。
4.3 清洁设备表面:使用干净的软布擦拭纯水机的外表面,确保无尘和杂质。
五、日常维护5.1 定期更换滤芯:根据滤芯的使用寿命和使用情况,定期更换滤芯,以保证水质稳定。
5.2 清洗设备管道:定期对纯水机的管道进行清洗,避免杂质积聚和污染。
5.3 定期检查设备:定期检查设备的运行状态和水质指示,如有异常情况及时处理或维修。
总结:正确操作纯水机是获得高质量纯净水的关键。
通过设备准备、开机操作、制水操作、停机操作和日常维护等五个方面的规程,可以确保纯水机的正常运行和水质的稳定。
纯水机安全操作规程范本一、设备使用前的准备工作1. 确保设备及周边环境整洁干净。
2. 检查设备是否符合使用条件,如电源是否正常连接、配件是否齐全等。
3. 确认设备的操作手册和相关安全资料是否在现场,以备查询和参考使用。
二、设备操作规范1. 设备启动前a. 上岗前应认真阅读并熟悉设备的操作手册和相关安全规定。
b. 按照操作手册和安全规定正确佩戴个人防护装备,如手套、安全眼镜等。
c. 检查设备的电源开关是否处于关闭状态,确保设备处于安全状态。
2. 设备启动操作a. 确认设备连接的电源是否符合要求,如电压、功率等。
b. 按照操作手册的指引,将设备的电源开关打开。
c. 确认设备的液位是否正常,如需添加水或其他液体,应按照操作手册的要求进行操作。
3. 设备运行期间注意事项a. 运行期间严禁将手指或其他物体伸入设备内部。
b. 发现设备异常噪音或异味时,应立即停止使用,并及时向上级汇报。
c. 定时检查设备周边的电源线和连接线是否破损,如发现问题应及时进行维修或更换。
4. 设备停机操作a. 停机前,应将设备的电源开关关闭,切断设备的电源供应。
b. 按照操作手册的指引,正确关闭设备的各个部件。
5. 设备维护与保养a. 定期清洁设备表面和内部排水管道,防止积存污垢影响设备正常运行。
b. 定期检查设备的密封件、管道连接等是否存在漏水现象,如发现问题应及时修复。
c. 定期更换设备的滤芯、滤膜等易损件,以保证设备的正常运行和过滤效果。
d. 设备的维护保养应由专业人员进行,严禁未经许可的人员擅自进行拆卸和维修。
6. 紧急情况处理a. 发生紧急情况时,应立即停止设备的运行,并按照应急预案进行处置。
b. 发生设备故障时,应立即切断设备的电源,并及时联系维修人员进行处理。
三、事故预防和处理1. 设备使用过程中应注意防止电源线和连接线走火等事故发生,远离易燃物品。
2. 在设备运行过程中,应防止水滴或其他液体进入控制板、开关箱等部位,避免触电事故的发生。
纯化水装置操作规程1.纯化水装置工作原理:逆渗透过程是利用半透性螺旋卷式膜,分离去除水中的可溶性固体,有机物、胶体物质及细菌。
原水以一定压力被送至并通过逆渗透膜,水透过膜的微小孔径,经收集后得到纯水。
方块工艺流程:原水卜T I原水箱卜―I原水泵F— I机械过滤器卄T 活性碳过滤器+总I精密过滤器氢氧化钠清洗装置二级反渗透二级高压泵淡水泵淡水箱一级反渗透一级高压泵2.开车准备2.1.打开原水(自来水)旁路阀,排除部分自来水,直到排出的自来水清亮无浑浊物;22接通电源,确认纯化水装置各指示灯指示正常。
23按照工艺要求,打开或关闭系统相关阀门。
3.预处理和一级反渗透3.1.预处理和一级反渗透开车操作3.1.1.观察原水箱是否有充足的水;3.1.2.打开原水泵前控制阀;3.1.3 .打开机械过滤器、活性碳过滤器、精密过滤器的进水阀;3.1.4.将电磁阀开到手动位置(或完全打开浓水调节阀);3.1.5.打开膜前进水调节阀(正常情况下不要调节);3.1.6.启动原水泵、一级高压泵;3.1.7.2分钟后将电磁阀开到自动位置,调节浓淡水流量至适当位置;3.1.8.调节原水泵前控制阀使机械过滤器压力v 0.2Mpa。
3.2.预处理和一级反渗透停机操作3.2.1.将电磁阀开到手动位置;(或完全打开浓水调节阀),低压冲洗膜2分钟左右;3.2.2.关闭原水泵、一级高压泵;3.2.3.关闭自来水阀、精滤进水阀。
3.3.预处理和一级反渗透维护保养及注意事项3.3.1.预处理和一级反渗透清洗再生3.3.1.1.石英砂的清洗3.3.1.2.打开机械过滤器的反冲阀、排空阀;3.3.1.3.关闭机械过滤器的进水阀、活性碳过滤器的进水阀、反冲阀;3.3.1.4.打开原水泵前控制阀,启动原水泵。
反冲石英砂15分钟左右;3.3.1.5.打开机械过滤器的进水阀、排污阀;3.3.1.6.关闭机械过滤器的反冲阀、排空阀正洗至出水澄清。
3.3.2.活性碳的清洗(用机械过滤器的出水清洗)3.3.2.1.打开活性碳过滤器的反冲阀、排空阀;3.3.2.2.关闭活性碳过滤器的进水阀、精滤的进水阀;3.3.2.3.关闭机械过滤器的排污阀,反冲活性碳15 分钟左右;3.3.2.4.打开活性碳过滤器的进水阀、排污阀;3.3.2.5.关闭活性碳过滤器的反冲阀、排空阀,正洗至出水澄清;3.3.2.6.关闭原水阀、活性碳过滤器的排污阀。
纯水机操作规程引言概述:纯水机是一种用于制备高纯度水的设备,广泛应用于实验室、医药、电子等行业。
正确操作纯水机可以保证水质的纯净度和稳定性,提高实验和生产的准确性和可靠性。
本文将详细介绍纯水机的操作规程,包括设备启动、水质检测、日常维护等方面。
一、设备启动1.1 检查电源与电器设备1.2 检查水源连接1.3 打开主机电源在启动纯水机之前,需要进行一系列的准备工作,确保设备正常运行。
二、水质检测2.1 准备检测仪器2.2 取样2.3 进行水质检测水质检测是纯水机操作中至关重要的一步,通过检测水质的纯净度和稳定性,可以及时发现问题并采取相应的措施。
三、日常维护3.1 定期清洗3.2 更换滤芯3.3 检查设备运行状态日常维护是保证纯水机正常运行的关键,定期清洗和更换滤芯可以有效防止污染物的积累,检查设备运行状态可以及时发现故障并进行维修。
四、安全操作4.1 熟悉设备操作手册4.2 避免过度使用4.3 停机前的注意事项安全操作是使用纯水机时必须要注意的事项,熟悉设备操作手册可以避免误操作,避免过度使用可以延长设备寿命,停机前的注意事项可以保证设备停机后的安全性。
五、故障排除5.1 常见故障及排除方法5.2 寻求专业人员匡助5.3 记录故障及维修情况在使用纯水机的过程中,可能会遇到一些故障,通过了解常见故障及排除方法,可以自行解决一些简单的问题,对于较为复杂的故障,应寻求专业人员的匡助,并及时记录故障及维修情况,以便日后参考和分析。
结论:正确操作纯水机是保证水质纯净度和稳定性的关键,通过遵守设备启动、水质检测、日常维护、安全操作和故障排除的规程,可以有效提高实验和生产的准确性和可靠性。
希翼本文所介绍的纯水机操作规程能对使用者提供匡助,确保纯水机的正常运行。
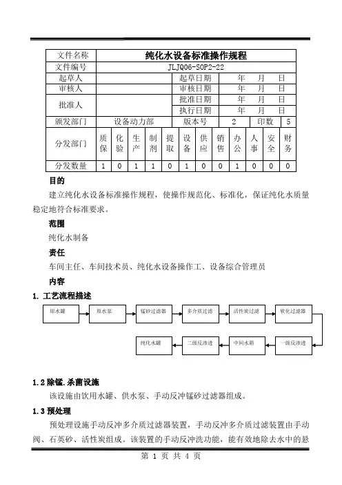
目的建立纯化水设备标准操作规程,使操作规范化、标准化,保证纯化水质量稳定地符合标准要求。
范围纯化水制备责任车间主任、车间技术员、纯化水设备操作工、设备综合管理员内容1.工艺流程描述1.2除锰.杀菌设施该设施由饮用水罐、供水泵、手动反冲锰砂过滤器组成。
1.3预处理预处理设施手动反冲多介质过滤器装置,手动反冲多介质过滤装置由手动阀、石英砂、活性炭组成。
该装置的手动反冲洗功能,能有效地除去水中的悬浮物和有机物。
活化软化过滤装置由手动控制阀、进口树脂和一个再生盐桶组成。
该装置具有去除水中的钙、镁离子的功能,可防止反渗透膜结垢等问题。
精密过滤器采用一只进口的5微米的过滤器。
精密过滤器前后分别安装压力表测量过滤器前后的压力,过滤器前后的压力差可以表明过滤器的工作状况。
2.生产过程2.1预处理部分2.2打开电气控制柜的电源。
2.3检查原水箱内水位,若水位过低,则须打开原水箱进水阀进水。
2.4启动锰砂过滤器、多介质过滤器、活化软化过滤器的手动反冲洗功能。
注:原水箱的水位,及时加水或停水。
3.开机操作3.1开机前检查供水、供电、预处理的过滤管及系统各部分是否正常。
3.2接通反渗透主机电源,控制盘上电源指示灯HL1亮。
3.3打开反渗透主机入水阀门f5,一二级浓水控制阀门f5、f6,排污阀门f6,一级纯水出水阀门f9,关闭f2、f7、f10、f11;等待一级流量计f2充满水,气泡减少,将一级高压泵开启,启动一级反渗透,一级高压泵工作指示灯HL5亮。
将二级高压泵启动,启动二级反渗透,二级高压泵工作指示灯HL9亮。
调节废水流量控制阀f5,使一级纯水和废水流量比在1:1至1:0.7之间,调节过程中压力表P3的压力应控制在140Psi左右,最高不的超过220Psi。
调节二级废水流量控制阀f4,调节压力表P5的压力应控制在140Psi 左右,最高不的超过220Psi。
3.4反渗透设备在开机后最初生产的水一般纯度较低,必要时应该另作它用或排放。
纯化水设备安全操作及保养规程纯化水设备是实验室中一个必不可少的设备,它可以产生高质量的纯净水,用于实验室分析、制备等工作。
但是,使用不当可能会对实验室和操作人员造成危害。
为了确保实验室人员的安全,本文档将详细介绍纯化水设备的安全操作规程及保养要点。
安全操作规程1. 预防触电(1)不使用双极或三极插头将纯化水设备插入墙壁插座,而应该使用只有一个极性的插头。
(2)在操作之前必须确保手在完全干燥的情况下再进行操作。
(3)确保所有电器部件正确接线,不允许散线或线路接反。
(4)使用设备时,请勿用湿手接触电源插头。
(5)如果发现漏电现象,应当立即停止使用,通知技术人员进行检查修理。
2. 预防火灾(1)切勿将各类物品压在水机上,防止它们燃烧。
(2)不要在水机附近堆放易燃物品,防止它们不慎引起火灾。
(3)设备选用区必须保持干燥,尽量避免模具的积水、水迹,防止滋生细菌,避免机器发生故障而引起火灾。
(1)操作人员必须在使用加热器之前熟悉热水温度设置,尤其是对于较高温度,必须做好安全防护措施。
(2)更换水桶时,应检查水桶内是否有残留的热水,如有应使用保护手套或刻意倾倒以避免烫伤。
4. 防止误操作(1)管理员应当负责操作培训的安排,确保新的操作人员已经受到适当的培训。
(2)操作人员每次使用设备前,必须了解设备的操作原理及细节,特别要注意操作人员的用水量和水质,以免造成机器内膜破损。
(3)操作人员不得以任何形式阻止装置中的安全装置。
设备保养要点1. 定期清洗为了保证设备的正常运行,应定期清洗设备。
清洗缸内应使用纯净水,不得使用实验室中的友好液体。
2. 换水桶每当水桶的水位降到最低限度时,应该及时更换水桶。
在更换水桶前,应该检查水桶阀门是否完好,以防发生泄漏或污水。
应保证设备的部件不被腐蚀,还可以采取包裹等措施来防止零件生锈,延长纯化水设备的寿命。
4. 定期检查维修应定期检查纯化水设备的性能,进行维修。
同时,应制定完善的维修保养计划,保证设备的正常运行。
纯化水机操作规程介绍1.1 开机前准备在操作纯化水机前,首先要确保水源已经接通,并且水质符合要求。
同时检查纯化水机的电源接线是否牢固,水管连接是否正确,水质监测仪表是否正常。
1.2 开机操作打开纯化水机的电源开关,待机器启动完成后,按照操作面板上的指示选择相应的流水量和纯化水质量。
等待机器自动工作完成。
1.3 运行维护在纯化水机运行的过程中,需要定期检查水质监测仪表的数值是否正常,一旦发现水质异常,立即停机检修。
同时定期对滤芯、膜组等部件进行清洗和更换。
1.4 关机操作在不需要使用纯化水机时,首先要将操作面板上的流水量和纯化水质量设为最低,然后关闭电源开关。
同时及时将纯化水机内的水排空,确保机器内部干净并且防止水管结霜。
1.5 安全注意事项在操作纯化水机时,要注意防止水花溅出伤人,避免机器接触到潮湿的环境,确保机器处于干燥通风的环境中运行。
同时避免在使用过程中随意拆动机器部件,以免造成损坏或人员受伤。
1.6 日常清洁定期对纯化水机的外部进行清洁,并且及时清理掉附着在机器外壳上的污垢。
同时定期对机器内部进行清洁和消毒,保持良好的工作环境和水质。
1.7 定期维护定期对纯化水机进行维护保养,包括更换滤芯、清洗膜组等操作。
在维护过程中,要按照操作手册要求进行操作,并且定期请专业技术人员进行检修和维护。
1.8 废水处理在纯化水机的日常运行中,会产生一定量的废水。
对废水的处理对于环境保护至关重要。
我们可以将废水收集起来进行二次利用,或者通过合适的处理设备处理后再排放。
废水的处理和利用要符合当地的环境法规和要求。
1.9 紧急处理在纯化水机运行过程中,可能会出现故障或者其他紧急情况。
在发生紧急情况时,操作人员要能够迅速准确地判断情况,采取相应的紧急处理措施。
同时要及时向相关人员报告,并进行记录和故障排查。
1.10 防止交叉污染纯化水机操作人员要严格遵守操作规程,避免在操作过程中引入外来污染物,确保纯化水的质量。
纯化水操作说明
纯化水操作说明:
1.引言
本操作说明旨在详细介绍纯化水的使用方法和注意事项,为用户提供准确而安全的操作指南。
2.设备准备
2.1 准备纯化水设备所需材料和工具:纯化水设备、水源、滤芯、连接管道等。
2.2 确保设备完好无损,检查维护记录和保养状况,确保设备处于正常工作状态。
2.3 准备所需纯化水材料,确保材料质量可靠。
3.操作步骤
3.1 将纯化水设备连接至水源,并确保连接管道无泄漏。
3.2 检查滤芯状态,如滤芯已损坏或超过更换周期,及时更换并记录更换时间。
3.3 打开水源,待纯化水设备开始工作。
3.4 调节设备参数,如流量、温度等,根据需要进行调整。
3.5 使用纯化水,可以通过连接管道或者取用装置来获取所需
的纯化水。
3.6 使用完毕后,关闭水源,并断开连接管道。
4.注意事项
4.1 使用纯化水前,要仔细检查水质是否达标,确保水质符合
相关要求。
4.2 定期检查纯化水设备的运行状态,及时修复故障或更换损
坏的零件。
4.3 按照设备厂家的要求进行日常维护保养,保证设备正常运行。
4.4 定期检测纯化水质量,并记录相关数据以备查。
附件:本文档涉及附件,请参阅附件所述的相关资料。
法律名词及注释:
1.纯化水:经过一系列物理或化学处理,去除水中杂质和离子,达到一定纯净度的水。
2.滤芯:水处理设备中的重要组成部分,通过滤网等材料过滤
水中的杂质。
3.水质达标:指水中各项物理、化学指标符合国家或行业标准要求。
实验室纯化水系统操作规程
《实验室纯化水系统操作规程》
1. 概述
实验室纯化水系统的操作规程是为了确保实验室水质的净化和维护设备的稳定运行。
实验室纯化水系统操作规程涵盖了设备的开启、关闭、日常维护和故障处理等内容。
2. 设备开启
在使用实验室纯化水系统之前,需要确保设备处于正常工作状态。
先打开进水阀门,并检查进水管道是否畅通,再打开主电源开关,待设备运行稳定后才可开始使用。
3. 设备关闭
在使用完实验室纯化水系统后,务必关闭主电源开关和进水阀门。
然后将设备内的残余水排空,保持系统内部干燥。
4. 日常维护
定期检查滤芯和电离树脂的运行状态,及时更换损坏的部件。
每周对设备进行一次全面清洁,包括外部和内部的清洁工作。
5. 故障处理
在发现设备故障时,立即停止使用并关闭主电源开关。
根据故障代码进行排查,若无法解决问题,及时联系维修人员进行维护。
以上就是《实验室纯化水系统操作规程》的基本内容,操作规
程的严格执行能够确保实验室水质纯净,并延长设备的使用寿命。
纯水机安全操作规程
一、操作流程
1、打开主机电源。
2、按下【RO】,即可制备三级水,再按一次关闭。
3、按下【UP】,即可制备超纯水,再按一次关闭。
4、仅对北斗智能过滤器进行冲洗,按一次,可进行冲洗,再按一次,取消冲洗,一次冲洗三到五分钟,建议2个月冲洗一次。
二、注意事项:
1、中间的屏幕是动画状态显示主机状态。
屏幕共分三个区域,上面一排分别显示冲洗、制水、水满、缺水、检修。
通电后设备处于任一状态,屏幕都会即时显示。
2、左下角为水质显示,分别显示原水及纯水的TDS,电导率与TDS的关系为1μs/cm约等于0.5ppmTDS,随着开机取水、水质会发生变化。
以动态为主。
纯化水机组设备安全操作及保养规程作为纯化水机组设备的使用者,我们需要了解如何正确的操作和保养,以确保设备的正常运行和延长设备使用寿命。
一、安全操作规程1. 设备启动前准备工作在启动设备之前,需要进行以下准备工作:•检查电源是否正常,是否与机器负载匹配。
•确认进出水管道是否连接好。
•检查水压是否稳定在正常范围内。
•切勿将设备放置在潮湿、易燃或易爆的环境中。
2. 设备启动及运行操作启动设备前,需要确认操作人员已经阅读并了解设备的操作说明书,了解操作流程,必要时请向专业人士咨询。
启动设备时需要按照以下流程进行:•开启水源,一般来说不需要关闭阀门。
•启动设备,这时候设备会自动运行。
•注意观察设备的运行状况及各个指示灯的状态。
在设备运行过程中,需要注意以下事项:•确保设备周围物品不会影响机器运行,尤其不能堵塞进气口和出气口。
•禁止随意翻开设备保护罩,不得触摸机器内部组件,更不能随意拆卸任何部件。
•避免任何物品与设备直接接触,以免影响使用效果。
•当设备出现异常或者异常噪音时,应及时通过专业人士进行检修。
3. 设备关闭当设备使用完毕或需要维护时,应该按照以下流程关闭设备:•先按下电源关闭键,关闭设备。
•如果停机时间较长,需要关闭水源。
•如果设备需要长时间进行维护,需要拔掉电源插头。
二、保养规程为了延长纯化水机组的使用寿命,我们需要定期对设备进行保养。
这里介绍几个保养规程:1. 定期清洁器件纯化水机组设备在不断的运行中,会吸附大量的杂质,进而会影响设备的使用寿命和水质。
因此,需要定期清洁机器内部的器件,避免水道阻塞。
具体的清洁方法:•首先关闭进水阀、出水阀,并切断电源。
•然后打开机器保护罩,拆下各部分器件,并进行清洗。
在清洗过程中,需要避免使用过硬或刻薄的东西,使用中性洗涤剂等清洗物,最后冲洗干净即可。
2. 定期更换过滤器纯化水机组的滤芯、反渗透膜等组件需要定期更换,保证设备的正常使用。
根据使用量,我们建议更换周期为每年一次。
纯化水设备操作步骤1)、RO系统手动操作流程开启步骤:(前提:进水压力控制在0.15Mpa-0.5Mpa,流量大于等于700L/H、纯化水箱液位低于上液位)接通水源、电源→开总进水调节阀→开高压泵进水阀→开浓水调节阀→旋转手动/停止/自动到手动(手动指示灯亮)→按原水阀开关(指示灯亮)→按高压泵开关(指示灯亮)→运行5~10秒(开保安过滤器排气阀至排水顺畅,同时开启高压泵排气口至排水顺畅,低压压力达到0. 1Mpa)→调节高压泵进水阀→调节浓水调节阀(使淡水流量计显示达到100L/H,低压表压力在0.05Mpa-0. 1Mpa,控制高压压力在0.8-1.2Mpa)关闭步骤:按高压泵开关(指示灯灭)→按原水阀开关(指示灯灭)→旋转手动/停止/自动到停止→关闭电源→关闭水源注意:1、手动状态水泵不受液位控制,需手动原水水阀开关来控制水箱液位;2、水泵不得空转、必须保证有水状态。
2)、输送系统手动操作流程开启步骤: (前提:纯化水箱液位高于下液位)开纯化水箱出水阀→旋转手动/停止/自动到手动(手动指示灯亮)→按输送泵开关(指示灯亮)关闭步骤:按输送泵开关(指示灯灭)→旋转手动/停止/自动到停止→关闭电源→关闭水源3)、系统自动(建议自动)开启步骤:(前提:检查各个阀门是否在正常状态,按手动运行模式检查)接通水源、电源→旋转手动/停止/自动到自动(自动指示灯亮)关闭步骤:旋转手动/停止/自动到停止→关闭电源→关闭水源注:当电接点压力表达到高压超限时系统会报警停机(报警指示灯亮),检查出报警原园(报警原因有RO膜堵塞,检查阀门有无异动),问题处理后按报警复位开关,当低压报警时系统会报警停机(报警指示灯亮)(检查滤芯是否定期更换,预处理是否按我司维护手册进行维护),问题处理后按报警复位开关,按照自动运行开启设备正常运行即可。
纯化水设备使用注意事项1、设备长时间不用时,请务必断开电源。
2、本机所建议更换各类滤芯的周期,是参考了使用地范围中符合国家标准的自来水的平均指标而统计估算得出的。
纯化水系统操作规程详解一、引言纯化水是用于实验室、工业生产等领域的一种高纯度水,其质量和纯度要求较高。
为了保证纯化水系统的正常运行和使用,制定操作规程是必要的。
本文将详细介绍纯化水系统操作规程的要点。
二、相关设备1.纯化水设备:包括反渗透设备、阳离子交换器、阴离子交换器、混床交换器等。
2.水箱:用于存储纯化水的容器。
3.管道:将纯化水输送到使用地点。
三、操作步骤1.开机检查在每次启动纯化水系统之前,必须进行开机检查。
检查内容包括设备是否正常运转,水箱是否有足够的水,管道是否有漏水等。
若发现异常情况,必须及时解决并修复。
2.启动纯化水设备按照设备操作手册的要求,启动纯化水设备。
在启动过程中,要注意设备的运转情况,确保其正常工作。
3.检查纯化水质量启动纯化水设备后,需要取样检查纯化水的质量。
通常可以使用pH试纸、电导率仪等设备来检测其酸碱度和电导率。
若检测结果不符合要求,需要进行调整和修复。
4.检查水箱定期检查水箱,确保其内部清洁卫生。
如果发现水箱内有杂质或污垢,应及时清理和消毒。
5.定期维护设备对纯化水设备进行定期维护是保证其正常运行的关键。
维护内容包括更换滤芯、清洗管道、消毒设备等。
维护计划可以根据设备操作手册的要求制定,并记录下来。
6.使用纯化水使用纯化水时,应选择合适的取水器具,并注意避免污染。
使用前要注意清洗器具,避免残留杂质。
7.关机操作每次使用完纯化水后,需要将设备和水箱关闭,以节约能源和延长设备使用寿命。
8.废水处理产生的废水需要进行处理,避免对环境造成污染。
废水处理方式可以根据实际情况选择,包括中和、沉淀等方法。
四、安全注意事项1.操作人员必须穿戴好工作服和防护用具,避免身体暴露在水中。
2.在操作过程中,切勿随意更改设备设置参数,以免影响纯化水的质量和产量。
3.操作人员要严格按照操作规程进行操作,切勿违规行为,避免设备故障或事故发生。
4.严禁私自拆卸纯化水设备,维修和更换设备必须由专业技术人员进行。
药厂纯化水系统操作规程一、总则为确保药厂纯化水系统的正常运行,提高纯化水的质量和稳定性,保障药品生产的安全性和质量,制定本操作规程。
二、工作职责1.纯化水系统的日常管理、监督和操作;2.纯化水设备和设施的维护保养;3.纯化水的在线监测;4.纯化水设备的维修和维护;5.监督纯化水系统的清洁和消毒工作。
三、操作规范1.纯化水设备的开机前准备a.检查主要设备、管道、阀门等是否正常;b.确保纯化水设备、泵、过滤器等已清洗干净;c.确保纯化水设备内无杂物;d.排除纯化水设备气压不正常的情况。
2.纯化水设备的开机操作a.依次启动纯水制备设备、加热系统、过滤系统等设备;b.检查设备运行情况,确保设备正常工作;c.监测纯化水出水口的水质。
3.纯化水设备的日常操作a.定期更换纯化水设备的滤芯、滤膜等易损件;b.定期进行设备的维护保养,包括清洗、消毒等;c.定期监测纯化水的水质,确保水质符合要求;d.遇到设备故障需及时报修,不得拆卸设备或随意修复。
4.纯化水设备的停机操作a.按规定程序关闭纯化水设备;b.清洁纯化水设备及周围环境;c.查找设备异常情况并记录。
5.纯化水设备的维护保养a.定期清洗纯化水设备、过滤器及管道;b.定期消毒纯化水设备;c.定期检查纯化水设备、管道、阀门的密封情况,修复漏水漏气等问题;d.定期校准纯化水设备的传感器和仪表。
6.纯化水设备的清洁和消毒a.定期清洗纯化水设备及管道,清除内部杂质和污垢;b.定期进行纯化水系统的消毒,确保所用化学药剂符合规范;c.在清洁和消毒过程中,注意防止化学药剂残留和环境污染。
四、操作注意事项1.操作人员应穿戴符合规定的工作服和工作鞋;2.操作人员应按照程序和要求操作,禁止私自调节设备参数;3.操作人员必须定期接受相关培训,提高操作技能;4.操作过程中如发现异常情况应及时报告;5.操作人员应保持工作环境整洁,确保纯化水设备周围没有杂物。
五、违规处理对于违反操作规程的人员,将根据情节轻重给予相应的处罚,严重的将追究相关责任。
二级反渗透纯化水系统标准操作规程目 的:统一、规范二级反渗透纯化水系统标准操作规程。
适用范围:适用于本企业二级反渗透纯化水制备岗位的操作人员。
职 责:纯化水制备岗位的操作人员对本文件实施负责,车间主任、QA 负责监控。
内 容:1.开机前的准备工作1.1.检查该设备是否有清洁干净无灰尘及油污。
1.2.检查供水管线是否畅通及管道上的不锈钢浮球阀、水位传感器及压力传感器等是否正常。
2.操作步骤2.1.二级反渗透纯化水制备系统工艺流程加阻垢剂装置原水调节去用水管网2.2.原水箱2.2.1.确认控制阀开闭状态正确,及电控系统正常后,打开进水阀,原水箱即处于进水状态。
2.2.2.水箱半年至一年清洗一次。
2.2.3.运行中每2小时观察记录一次,水位由指示灯显示2.3.原水泵。
2.3.1.确认水泵进出口水路畅通。
2.3.2.启动前先拧开泵上方的排气螺塞,将泵体内的空气排净。
2.3.3.若水泵停用较长时间而重新使用时,应先检查电机风叶转动是否灵活,以防止锈蚀影响运行。
2.3.4.水泵受中间水箱水位、原水箱水位控制。
2.3.5.将面板上的开关打到自动位置即可实现正常运行。
2.4.机械过滤器。
2.4.1.启动:初次运行。
开启V2、V3,关闭出水阀进行反冲洗,待反冲出水口出水后,关闭泵及阀门,使滤料浸泡4小时,再开启V2和V3及原水泵进行反冲洗,至反冲出水清晰为止。
2.4.2.标准运行:开启进水阀V1。
调节标准流量即为正常运行。
一般每天进行反冲一次。
2.4.3.反冲洗2.4.3.1.打开V2、V3;2.4.3.2.将面板上的增压泵开关打到手动位置(其余泵开关至于停止位),冲洗30分钟。
反冲洗后,需要进行正冲洗,步骤如下:2.4.3.3.打开V1、V4;2.4.3.4.将面板上的增压泵开关打到手动位置,冲洗30分钟;2.4.3.5.冲洗完毕,打开V1,投入正常运行。
2.5.活性碳过滤器2.5.1.启动:初次运行,启动活性炭过滤器,开启V6、V7进行反冲洗,等反冲出水口出水后,关闭水泵及阀门,使滤料(活性碳)浸泡约8小时。
c:\iknow\docshare\data\cur_work\.....\
湖南康普制药有限公司GMP文件
一、目的:
规范纯化水机操作规程,确保纯化水质量稳定,确保药品质量。
二、适用范围:
适用于纯化水机的操作。
三、责任者:
纯化水制备岗位操作工。
四、引用标准、依据或支持文件:
《药品生产质量管理规范》(98年版)
五、纯化水机操作规程:
1、准备工作
1.1 检查纯化水系统的储罐、管道、泵等清洁情况合格,有合格证。
1.2 检查纯化水系统的状态标志为正常。
1.3 检查原水水压。
1.4 检查电器设备,启动机器,试机3min正常,方可使用。
2、操作内容:
2.1 机械过滤器
2.1.1 装料后进行滤料清洗,打开上排阀及反洗阀进水,进水强度为15m3/h×m2,时间约15min。
2.1.2 滤料清洗干净后,关闭反洗阀,上排阀,静止5-8min左右,然后打开进水阀,下排阀,进入正洗状态,正洗时进水速度控制在空塔滤速为6-8m/h,时间约15min左右。
2.1.3 当正洗出水水质达到要求后,打开出水阀,关闭下排阀,进入正常运行状态。
2.1.4 过滤器工作一段时间后,当进、出水压差≥0.08MPa时,必须对过滤器进行反冲洗,打开上排阀,关闭出水阀,进水阀,然后打开反洗阀进水,反洗强度与滤料清洗(2.1.2条)时完全相同,时间约15min。
2.1.5 反洗干净后,关闭反洗阀,上排阀,静止2-5min,然后打开进水阀,下排阀,进入正洗状态,正洗时进水速度控制在空塔滤速为6-8m/h,时间约15min 左右。
2.1.6 当正洗出水水质达到要求后,打开出水阀,关闭下排阀,进入正常运行状态。
2.2 活性炭吸附柱
2.2.1 原水经机械过滤器过滤后,打开进水阀门,控制水压在0.15-0.25MPa,进水流量为1m3/h~15 m3/h。
2.2.2 过滤柱每天反冲洗一次,方法为:打开下进水阀和上排污阀进行反冲至出水澄清,关闭下进水阀和上排污阀,备用。
2.2.3 每二小时检查一次出水水质,水质检查项目及频率:氨盐氯化物PH值、电阻率。
每周全检一次,停用设备重新使用应检查全项。
2.2.4 每一操作过程最后开的一个阀门缓慢打开,以免流量计浮子上冲力太大,将流量计冲坏。
2.2.5 检查活性炭吸附柱处理后的水质、水量、水压符合要求后,进入RO系统。
2.3 反渗透
2.3.1 开启排放、回流阀,启动预处理设备,使供水量约为装置进水量的130%。
2.3.2 打开各压力表开关、总进水阀、浓水出口阀、产品排放阀。
2.3.3 关闭泵排放阀,待组件内充满水后关闭装置总进水阀。
待泵进口压力大于0.2MPa,冲洗15分钟,并检查各高、低压管路是否有渗漏。
2.3.4 调整进水阀,浓水出口阀使进水压力达到1.5MPa,且浓水排放量为总进水量30%。
2.3.5 检测产品水电导率,符合要求时开启产品水出水阀,关闭产品水排放阀。
2.4 停机:关闭启动电源,关闭进水阀,排尽系统内积水,关闭出水阀。
3、填写生产原始记录
4、及时做好工作间清场、清洁。
保安过滤器更换记录
微孔过滤器更换记录
PAC加药系统使用记录
阻垢剂加压系统使用记录。