工地项目广州市建筑工程文明施工检查评分表
- 格式:docx
- 大小:16.82 KB
- 文档页数:6
文明施工检查评分表备注:(一)基坑开挖阶段扬尘防治措施1.控制扬尘作业。
土石方及支护施工的爆破、挖掘、风炮作业等应采取喷淋、洒水等防扬尘措施,未施工的裸露作业面、裸露区域应使用密目安全网进行有效覆盖。
2.规范土石方运输车辆。
必须使用密闭加盖运输车辆,并严格控制渣土装车高度,装车高度一律不得高出车辆挡板。
3.坡道硬化、覆盖。
基坑内坡道应采取硬化、覆盖等防扬尘措施。
4.大风天气。
风速四级以上天气时,现场应停止土石方开挖、锚杆打孔、建筑垃圾清理和倒运等易产生扬尘的作业。
(二)主体施工阶段扬尘防治措施1.建筑物围挡。
在建建筑物必须使用符合标准要求的密目式安全立网进行全封闭围挡,并及时整理、维护,确保严密、清洁、平整、美观。
2.物料堆放。
建筑施工现场水泥等易产生扬尘的材料应放置在封闭的库房内,无法存放在库房的应进行有效覆盖,严禁露天放置。
3.严禁抛洒垃圾。
建筑施工现场禁止从建筑内向外抛扬建筑垃圾。
架体内脚手板转层时应先洒水湿润并清理脚手板上的杂物,清理时严禁高空抛撒。
4.严禁露天切割作业。
施工现场墙体砌筑、建材切割应有密闭的专用配砖切割场地,并有降尘措施,严禁现场干式切割造成扬尘污染。
5.粉尘、垃圾清理。
现场道路不得有粉尘、浮土,清扫时应先洒水湿润。
建筑施工现场应设建筑废料集中堆放点,分类堆放,及时清运。
生活垃圾应采用密闭式容器装存,日产日清。
(三)装饰装修阶段扬尘防治措施1.严禁露天切割作业。
施工现场镶贴石材和墙地瓷砖时应有密闭的专用配砖切割场地,并有降尘降噪措施,严禁现场干式切割造成扬尘污染。
2.粉尘、垃圾清理。
现场道路、场区内不得有粉尘、浮土,清扫时应先洒水湿润。
建筑物内垃圾清理应先洒水湿润后,才能清扫,禁止从建筑内向外抛扬建筑垃圾。
3.主体脚手架拆除时应先清理架体内的杂物,清理时严禁高空抛撒,拆除脚手架密目安全网围挡不得产生扬尘。
(四)竣工前阶段扬尘防治措施1.室外作业。
项目范围内室外管网、道路、绿化等施工作业应采取扬尘防治措施,未施工的裸露作业面、土堆等应严密覆盖。
建筑施工文明工地检查评分表(一)(安全实体防护)工程名称:检查日期:年月日标准要求抽查内容评分说明标准分得分脚手架(30分)落地式脚手架、悬挑式脚手架、整体提升式脚手架、吊蓝脚手架材质、制作、搭拆、安全装置等符合相关规范与规定。
搭设脚手架的各材料的材质、规格不符合要求的,每发现一次扣1分;连墙件不足扣3分,机位不足扣3分,安全装置不合格扣3分,吊蓝脚手架挑梁锚固不符合方案的扣3分,吊蓝作业人员未系安全带扣3分;脚手架搭设前无交底扣2分。
脚手架搭设完毕未办理验收手续扣3分,无量比的验收内容扣2分;无移交使用记录的扣1分。
6 卸料平台搭设符合安全要求。
卸料平台无验收手续扣2分,无限重标记扣1分,超载扣1分,栏杆上堆料扣1分,与外架相连扣2分,无移交记录的扣1分。
4 剪刀撑设置应符合要求。
每发现一处不符合要求的扣1分。
4 脚手架高度、立杆、大横杆、小横杆间距应符合要求。
每发现一处不符合要求的扣1分。
3 脚手架内立杆与建筑物这间间距不得大于15mm,水平防护符合要求。
每发现一处不符合要求的扣1分。
3 立杆基础平整、夯实,有排水措施,并设置通长木垫板、底座,扫地杆设置完整。
每发现一处不符合要求的扣1分。
3 脚手架外侧设置密目式安全网进行封闭。
未封闭扣1分,封闭不严密扣0.5分;无安全通道,每发现一处扣1分3 搭拆脚手架时,材料堆码应符合要求。
每发现一处不符合要求的扣0.5分。
2 门洞加固构件应符合规范要求。
每发现一处不符合要求的扣0.5分。
2 小计30“三宝”“四口”及临边防护(12分)正确使用安全帽、安全带每发现一人未正确使用的扣0.5分;安全帽、安全带材质不符合要求扣2分5 安全帽、安全带、安全网规格、材质符合要求。
不符合要求扣5分。
5 立网、水平网搭设应符合要求。
每发现一处不符合要求的扣0.5分。
1 “四口”应设置工具式防护设施,且防护严密。
每发现一处不符合要求的扣 0.5分。
1 “临边”庆设置工具式防护,且防护严密。
文明施工检查评分表施工检查评分表序号检查项目扣分标准应得分实得分1 在市区主要路段的工地周围未设置高于2.5m的围挡扣10分1.1 现场一般路段的工地周围未设置高于1.8m的围挡扣10分1.2 围挡保护材料不坚固、不稳定、不整洁、不美观扣5-7分1.3 围挡没有沿工地四周连续设置扣3-5分2 施工现场进出口无大门扣3分2.1 无门卫和无门卫制度扣3分2.2 进入施工现场不配戴工作卡扣3分2.3 门头未设置企业标志扣3分3 工地地面未做硬地化处理扣5分3.1 道路不畅通扣5分3.2 无排水设施、排水不畅通扣4分3.3 无防止泥浆、污水、废水外流或堵塞下水道和排水河道措施扣3分3.4 工地有积水扣2分3.5 工地未设置吸烟处、随意吸烟扣2分4 温暖季节无绿化布置扣4分4.1 建筑材料、构件、料具不按总平面布局堆放扣4分4.2 料堆未挂名称、品种、规格等标牌扣2分4.3 堆放不整齐扣3分4.4 未做到工完场地清扣3分4.5 建筑垃圾堆放不整齐、未标出名称、品种扣3分4.6 易燃易爆物品未分类存放扣4分5 在建工程兼作住宿扣8分5.1 施工作业区与办公、生活区不能明显划分扣6分5.2 现场宿舍无保暖和防煤气中毒措施扣5分5.3 宿舍无消暑和防蚊虫叮咬措施扣3分5.4 无床铺、生活用品放置不整齐扣2分5.5 宿舍周围环境不卫生、不安全扣3分5.6 无消防措施、制度或无灭火器材扣10分5.7 灭火器材配置不合理扣5分5.8 无消防水源(高层建筑)或不能满足消防要求扣8分5.9 无动火审批手续和动火监护扣5分6 生活区未给工人设置研究和娱乐场所扣4分7 综合未建立治安保卫制度的、责任未分解到人扣3-5分7.1 治安防范措施不利,常发生失盗事件扣3-5分7.2 大门口处挂的八牌一图、内容不全,缺一项扣2分8 标牌不规范、不整齐的扣3分8.1 无安全标语扣3分8.2 无宣传栏、读报栏、黑板报等扣5分9 厕所不符合卫生要求扣4分9.1 无厕所,随地大小便扣8分10 食堂不符合卫生要求扣8分10.1 无卫生责任制扣5分10.2 不能保证供应卫生饮水的扣10分10.3 无淋浴室或淋浴室不符合要求扣5分10.4 生活垃圾未及时处理,未装,无专人管理扣3-5分10.5 无保健医药箱扣5分本文介绍了一份文明施工检查评分表,该表列出了施工现场中可能存在的问题,并按照问题的严重程度进行了扣分。
广东省建筑工程安全生产文明施工优良样板工地检查评分表背景介绍为了提高广东省建筑工程的安全生产水平,推动文明施工,促进建筑业的可持续发展,广东省安全生产监督管理局制定了《广东省建筑工程安全生产文明施工优良样板工地检查评分表》。
运用范围该评分表主要适用于广东省境内的所有建筑工程,包括住宅、商业、工业、文化、教育等各类建筑。
评分细则评分细则主要分为以下几个方面:1. 环境卫生包括:•工地周边的卫生情况;•施工现场的垃圾、渣土等处理情况;•施工用水和用电的合理利用。
2. 安全生产包括:•施工现场的安全标志和安全设施是否设置完备;•工人是否正确使用个人防护装备;•施工过程中是否存在重大安全隐患。
3. 环境保护包括:•对施工现场声、光、气、水等方面的污染情况;•是否对生态环境进行保护及恢复措施;•是否采取低碳、节能、环保措施。
4. 管理工作包括:•外来人员进出管理;•立案管理和档案管理;•合同管理等所有管理工作。
5. 其他方面包括:•符合当地政策规定;•社会满意度等其他方面的评价。
评分标准总分为100分,各评分细项得分情况如下:评分细项得分情况环境卫生20分安全生产30分环境保护20分管理工作20分其他方面10分评分结果通过检查,将工地划分为以下几个等级:•特等优良:得分≥90分;•优良:80分≤得分<90分;•一般:70分≤得分<80分;•较差:得分<70分。
结束语该评分表的制定和实施,将对广东省建筑行业的安全生产、文明施工,以及环境保护等方面做出重要贡献。
同时,该评分表也可以为工地的管理者提供明确定位、详实的评价标准,为建筑行业的可持续发展提供强有力的保障。
建筑工程现场安全文明施工检查打分表背景建筑工程是一个高风险的施工行业,除了要保证工程质量和进度,还要注意施工现场的安全和文明,以确保工人和周围人员的人身安全和健康。
因此,为了全面了解施工现场的安全文明情况,采用文明施工检查打分表进行评估和监督非常必要。
检查打分表示例下面是建筑工程现场安全文明施工检查打分表的基本示例,共分成两部分:安全检查和文明施工检查。
安全检查检查项评分标准扣分标准安全生产许可证5分-有,0分-无无安全警示标志5分-齐全明显,0分-缺失或不明显1-2个缺失或不明显,扣1分;3个以上缺失或不明显,扣2分安全防护设施5分-完好有效,0分-缺失或损坏1处受损,扣1分;2处受损或缺失,扣2分现场人员配备5分-符合要求,0分-不符合要求人员未配备安全帽或别的防护用品,扣1分;配备不符规定,扣2分机械设备安全5分-符合要求,0分-不符合要求设备存在缺失或不良,扣1分施工现场噪声、粉尘控制5分-符合要求,0分-不符合要求噪声、粉尘没有得到有效控制,扣1分急救器械、安全出口5分-符合要求,0分-不符合要求急救器材、安全出口存在缺失或不符规定,扣1分文明施工检查检查项评分标准扣分标准现场文明秩序30分-良好,20分-一般,10分-较差,0分-差工地秩序混乱或存在安全隐患,扣4-6分施工用水、用电管理20分-良好,15分-一般,10分-较差,0分-差未按要求管理用水、用电,扣2-4分施工垃圾和污水处理20分-良好,15分-一般,10分-较差,0分-差未按要求处理垃圾和污水,扣2-4分施工站点管理20分-良好,15分-一般,10分-站点管理混乱或存在安全隐较差,0分-差患,扣2-4分现场安全环保意识10分-较好,5分-一般,0分-差工人安全环保意识差或不存在,扣2-4分检查标准解释安全检查•安全生产许可证:是否具有安全生产许可证。
•安全警示标志:包括指示牌、标志、标识等,是否齐全、明显。
•安全防护设施:包括隔离、架设脚手架、扶手、安全网等设施,是否完好、有效。
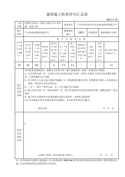
建筑施工检查评分汇总表注:安全检查评分按照《建筑施工安全检查标准》JGJ59-99进行阶段评价检查应由总监理工程师签署意见,施工企业单独组织的日常检查也可用此表。
美文欣赏1、走过春的田野,趟过夏的激流,来到秋天就是安静祥和的世界。
秋天,虽没有玫瑰的芳香,却有秋菊的淡雅,没有繁花似锦,却有硕果累累。
秋天,没有夏日的激情,却有浪漫的温情,没有春的奔放,却有收获的喜悦。
清风落叶舞秋韵,枝头硕果醉秋容。
秋天是甘美的酒,秋天是壮丽的诗,秋天是动人的歌。
2、人的一生就是一个储蓄的过程,在奋斗的时候储存了希望;在耕耘的时候储存了一粒种子;在旅行的时候储存了风景;在微笑的时候储存了快乐。
聪明的人善于储蓄,在漫长而短暂的人生旅途中,学会储蓄每一个闪光的瞬间,然后用它们酿成一杯美好的回忆,在四季的变幻与交替之间,散发浓香,珍藏一生!3、春天来了,我要把心灵放回萦绕柔肠的远方。
让心灵长出北归大雁的翅膀,乘着吹动彩云的熏风,捧着湿润江南的霡霂,唱着荡漾晨舟的渔歌,沾着充盈夜窗的芬芳,回到久别的家乡。
我翻开解冻的泥土,挖出埋藏在这里的梦,让她沐浴灿烂的阳光,期待她慢慢长出枝蔓,结下向往已久的真爱的果实。
4、好好享受生活吧,每个人都是幸福的。
人生山一程,水一程,轻握一份懂得,将牵挂折叠,将幸福尽收,带着明媚,温暖前行,只要心是温润的,再遥远的路也会走的安然,回眸处,愿阳光时时明媚,愿生活处处晴好。
5、漂然月色,时光随风远逝,悄然又到雨季,花,依旧美;心,依旧静。
月的柔情,夜懂;心的清澈,雨懂;你的深情,我懂。
人生没有绝美,曾经习惯漂浮的你我,曾几何时,向往一种平实的安定,风雨共度,淡然在心,凡尘远路,彼此守护着心的旅程。
沧桑不是自然,而是经历;幸福不是状态,而是感受。
6、疏疏篱落,酒意消,惆怅多。
阑珊灯火,映照旧阁。
红粉朱唇,腔板欲与谁歌?画脸粉色,凝眸着世间因果;未央歌舞,轮回着缘起缘落。
舞袖舒广青衣薄,何似院落寂寞。
风起,谁人轻叩我柴扉小门,执我之手,听我戏说?7、经年,未染流殇漠漠清殇。
一、基本信息1. 工程名称:____________________2. 施工单位:____________________3. 项目经理:____________________4. 检查日期:____________________二、检查项目及评分标准1. 施工现场管理(10分)(1)现场围挡设置(2分):围挡设置合理,高度符合要求,无破损。
(2)现场标识(2分):安全警示标志、工程标识、环保标识等设置齐全,清晰可见。
(3)材料堆放(2分):材料堆放整齐,分类存放,无污染。
(4)施工场地清洁(2分):现场无垃圾、杂物,保持清洁。
(5)临时设施(2分):临时设施布局合理,符合要求。
2. 施工过程管理(20分)(1)施工方案(4分):施工方案合理,技术措施得当。
(2)施工组织设计(4分):施工组织设计合理,人员、设备配置充足。
(3)施工进度(4分):施工进度符合计划,无严重滞后。
(4)质量控制(4分):质量控制措施到位,质量符合要求。
(5)安全文明施工(4分):安全文明施工措施到位,现场安全文明。
3. 施工资料管理(10分)(1)工程技术资料(3分):工程技术资料齐全,内容完整。
(2)施工记录(3分):施工记录齐全,内容真实。
(3)验收资料(4分):验收资料齐全,符合要求。
4. 环保、节能措施(10分)(1)环保措施(5分):环保措施到位,符合要求。
(2)节能措施(5分):节能措施到位,符合要求。
三、评分标准1. 满分:50分2. 评分等级:(1)优秀(45-50分):施工现场管理、施工过程管理、施工资料管理、环保、节能措施等方面均达到高标准。
(2)良好(35-44分):施工现场管理、施工过程管理、施工资料管理、环保、节能措施等方面基本达到要求。
(3)合格(25-34分):施工现场管理、施工过程管理、施工资料管理、环保、节能措施等方面基本符合要求。
(4)不合格(25分以下):施工现场管理、施工过程管理、施工资料管理、环保、节能措施等方面存在问题较多。
广州市建筑工程文明施工检查评分表1. 检查目的为了规范广州市建筑工程的文明施工行为,营造安全卫生、文明规范的工地环境,加强监管执法力度,促进建筑工程施工进程。
2. 评分细则2.1 建筑工程项目管理情况(30分)•工程项目负责人是否具备相应的资格证书,有无从事相应工作的经历和能力、是否按规定进行监理报验程序,合同、图纸、设计方案等主要文件是否齐全并按要求书面通知有关部门等,评分标准:25分;•工程项目管理是否规范,班组长带班是否严格按程序报到,施工计划和工程质量监督组织是否按规定执行,现场安全保卫制度和卫生保洁制度是否严格落实等,评分标准:5分。
2.2 施工现场安全与文明施工情况(40分)•施工现场无违章建筑、危险操作、建筑材料无乱堆乱放现象,评分标准:10分;•施工现场无爆竹烟花及噪音扰民现象等,评分标准:10分;•施工现场人员着装是否符合规定,施工场地周围是否设置警示标志和施工围挡等,评分标准:10分;•施工现场文明施工,是否保持现场清洁卫生、不乱倒垃圾、施工标准化、安全文明施工、无粗口、无吸烟等,评分标准:10分。
2.3 环保与节能施工情况(20分)•炊事房厨余垃圾处理,评分标准:5分;•整场施工垃圾处理,评分标准:5分;•有效节能措施,评分标准:5分;•环保措施是否得当和是否对附近环境构成不利影响,评分标准:5分。
2.4 其他(10分)•工地临街是否清洁整齐,评分标准:5分;•工地内有无淫秽色情、赌博、霸王执法等违法行为,评分标准:5分。
3. 总结以上评分细则以及评分标准均为广州市建筑工程文明施工检查的标准,评分细则描述了评判工地文明施工的标准细节,通过积极开展检查工作,可以有效规范建筑工程文明施工行为,以实现安全文明规范的工地环境,推进建筑工程施工进程,进一步促进广州市经济社会的发展。
建筑工地文明施工检查评分表序号检查项目扣分标准应得分数扣减分数实得分数1 现场围栏1、工地四周必须设置连续、整齐、牢固的围墙,墙高1.8m以上。
(5分)2、围墙书写规范的宣传标语。
(2分)3、五牌一图必须齐全、整齐,标明项目名称、施工单位、建设单位等。
(5分)4、施工现场有黑板或报栏,内容必须经常更换,现场张贴宣传标语。
(1分)5、出入口要设置大门,并有门卫和门卫制。
(2分)102 组织制度1、有环境卫生和文明管理组织网络和责任人。
(3分)2、有环境卫生管理制度。
(2分)3、现场应有施工许可证、建管、质监、安监等有关施工手续。
(5分)4、建立文明施工自检台账。
(3分)103 施工场地1、施工场地出入口,主要通道要硬化处理,有冲洗车辆设施。
(5分)2、场内道路坚实、平坦、有排水设施。
(5分)3、施工现场无积水、黑臭和施工垃圾。
(5分)4、施工现场天天清扫,保持整洁卫生。
(2分)5、废料必须及时清理。
(2分)6、各类建筑材料必须按总平面布局分类,定点堆放并有标识。
(5分)154 工地办公室1、有固定的办公室,标牌醒目。
(3分)2、办公室有卫生值日表。
(2分)3、办公用具摆设整齐,窗明几净,无蚊蝇。
(3分)4、工作人员穿戴、行为文明,挂牌上岗,不随地吐痰和乱弹烟灰,乱倒茶叶。
(5分)105 工地宿舍1、有卫生管理制度,卫生值日表,做到天天有人打扫,保持室内窗明几净,通风良好,无异味。
(4分)2、生活区与施工区必须明显划分。
(8分)3、睡铺必须使用正规床铺。
(2分)4、床上用具、各类物品放置整齐,做到清洁美观。
(2分)5、一律禁止使用电炉及其他电热器。
(8分)6、生活垃圾袋装,并有相应的收集设施。
(2分)15序号检查项目扣分标准应得分数扣减分数实得分数6 工地食堂1、食堂选址应离污染源30米外。
(5分)2、灶台及周围要镶贴白色瓷砖,并有通风排烟设备。
(2分)3、地面要铺设地砖,每天打扫干净,保持室内外整洁。
附件3
广东省建筑工程安全生产文明施工
优良样板工地检查评分表
形象进度( ) 初评()复查()工程地区:
工程名称:序号:
总承包单位:
监理单位:
参建单位:
参建单位:
项目经理姓名: 安全生产考核合格证书号:
总监理工程师姓名: 执业证书号:
总评分:文明施工分项得分:
检评组签名:
组长:组员:
广东省建筑安全协会制
检查评分表(一)法定程序主要内容
说明:
1、上表列出的14项检查内容为省双优工地评选的主要项目,不能缺项。
2、检查通过的,在检查结果相应栏目中打钩(√),不通过的打叉(X)。
检查评分表(二)
安全管理分项
检查评分表(三)
文明施工、脚手架、基坑支护与模板、“三宝”、“四口”防护分项
检查评分表(四)施工用电、施工机械等分项。