建筑施工安全检查评分表
- 格式:doc
- 大小:235.00 KB
- 文档页数:47
表3.0.1建筑施工平安检查评分汇总表日表3.0.2平安管理检查评分表续表3.0.2平安管理检查评分表注:1、每项最多扣减分数不大于该项应得分数;2、保证项目有一项不得分或保证项目小计得分不足40分的,检查评分表计零分;10×该表检查项目实得分数合计3、该表换算到表3.0.1后得分=100续表3.0.3文明施工检查评分表注:1.每项最多扣减分数不大于该项应得分数;2.保证项目有一项不得分或保证项目小计得分不足40分的,检查评分表计零分;20×该表检查项目实得分数合计3.该表换算到表3.0.1后得分=100表3.0.4-1落地式外脚手架检查评分表-1 落地式外脚手架检查评分表注:1、发觉脚手架钢木、钢竹混合搭设或竹脚手架搭设单排架,检查评分表计算;2、每项最多扣减分数不大于应得分数;3、保证项目有一项不得分或保证项目小计得分不足40分的,检查评分表计零分;10×该表检查项目实得分数合计4、该表换算到表3.0.1后得分=100表3.0.4-2悬挑式脚手架检查评分表2.每项最多扣减分数不大于该项应得分数;3.保证项目有一项不得分或保证项目小计得分不足40分的,检查评分表计零分; 10×该表检查项目实得分数合计4.该表换算到表3.0.1后得分=100表3.0.4-4挂脚手架检查评分表2.每项最多扣减分数不大于该项应得分数;3.保证项目有一项不得分或保证项目小计得分不足40分的,检查评分表计零分;10×该表检查项目实得分数合计4.该表换算到表3.0.1后得分=100表3.0.4-5吊篮脚手架检查评分表续表3.0.4-5吊篮脚手架检查评分表注:1、每项最多扣减分数不大于该项应得分数;2、保证项目有一项不得分或保证项目小计得分不足40分的,检查评分表计零分;10×该表检查项目实得分数合计 3、该表换算到表3.0.1后得分=100表3.0.5基坑支护平安检查评分表续表3.0.5基坑支护平安检查评分表注:1.每项最多扣减分数不大于该项应得分数;2.保证项目有一项不得分或保证项目小计得分不足40分的,检查评分表计零分;10×该表检查项目实得分数合计 3.该表换算到表3.0.1后得分=100表3.0.6模板工程平安检查评分表续表3.0.6模板工程检查评分表注:1.每项最多扣减分数不大于该项应得分数;2.保证项目有一项不得分或保证项目小计得分不足40分的,检查评分表计零分;10×该表检查项目实得分数合计3.该表换算到表3.0.1后得分=100“三宝”、“四口”防护检查评分表注:1.每项最多扣减分数不大于该项应得分数;10×该表检查项目实得分数合计2.该表换算到表3.0.1后得分=100表3.0.8施工用电检查评分表续表3.0.8施工用电检查评分表注:1、每项最多扣减分数不大于该项应得分数;2、保证项目有一项不得分或保证项目小计得分不足40分的,检查评分表计零分;10×该表检查项目实得分数合计3、该表换算到表3.0.1后得分=100表3.0.9物料提升机(龙门架、井字架)检查评分表续表3.0.9物料提升机(龙门架、井字架)检查评分表注:1.每项最多扣减分数不大于该项应得分数;2.保证项目有一项不得分或保证项目小计得分不足40分的,检查评分表计零分;10×该表检查项目实得分数合计3.该表换算到表3.0.1后得分=100表3.0.10外用电梯(人货两用电梯)检查评分表续表3.0.10外用电梯(人货两用电梯)检查评分表注:1.每项最多扣减分数不大于该项应得分数;2.保证项目有一项不得分或保证项目小计得分不足40分的,检查评分表计零分;10×该表检查项目实得分数合计 3.该表换算到表3.0.1后得分=100表3.0.11塔吊检查评分表续表3.0.11塔吊检查评分表注:1.每项最多扣减分数不大于该项应得分数;2.保证项目有一项不得分或保证项目小计得分不足40分的,检查评分表计零分;10×该表检查项目实得分数合计 3.该表换算到表3.0.1后得分=100表3.0.13施工机具检查评分表续表3.0.13施工机具检查评分表注:1、每项最多扣减分数不大于该项应得分数;5×该表检查项目实得分数合计2、该表换算到表3.0.1后得分=100。
建筑施工安全质量标准化检查评分表建筑施工安全质量标准化检查评分表施工单位。
项目名称:检查项目考核内容评分说明1.未建立安全生产责任制、未制定各工种安全技术操作规程、未按规定配备专(兼)职安全员扣1-5分。
2.未制定安全控制指标、安全达标、文明施工目标考核办法未落实或落实不好的扣1-3分。
3.施工组织设计中安全措施不全面、无针对性或未落实扣1-3分。
4.无书面安全技术交底、交底针对性不强、未履行签字手续的扣1-3分。
5.无定期安全检查制度、安全检查无记录、隐患整改不到位扣1-3分。
6.无安全教育制度、新入场工人未进行三级安全教育、变换工种时未进行安全教育、未按规定进行培训的扣1-3分。
7.未制定安全生产应急预案;未建立应急救援组织、配备救援人员;未配置应急救援器材;未进行应急救援演练的扣1-3分。
8.分包单位资质、资格、分包手续不全或失效,或未签定安全生产协议书扣1-2分。
9.未经培训从事特种作业、未持操作证上岗的每人次扣1-2分。
10.工伤事故未按规定报告、安全事故未按规定进行调查分析、制定防范措施的扣1-2分。
11.主要施工区域、危险部位、未按规定悬挂安全标志,无现场安全标志布置图、未按部位和现场设施的变化调整安全标志的扣1-2分。
12.市区主要路段的工地未设置封闭围挡或围挡高度小于2.5m、一般路段的工地未设置封闭围挡或围挡高度小于1.8m,围档未到达坚固、稳定、整洁、美观的有一项扣1分。
13.施工现场进出口未设置大门、无门卫和无门卫制度、进入施工现场不佩戴工作卡、门头未设置企业标志、大门口处挂的五牌一图其内容不全、标牌不规范、不整齐、无安全标语、无宣传栏、读报栏、黑板报等扣1-3分。
14.工地地面未做硬化处理、道路不畅通、无排水设施或排水不通畅、温暖季节无绿化布置的扣1分。
15.建筑材料、构件、料具不按总平面布局堆放、料堆未挂名称、品种、规格等标牌、堆放不整齐、未做到工完场地清、易燃易爆物品未分类存放的每有一项扣1分。
表1安全管理检查评分表序号检查项目扣分标准应得分数扣减分数实得分数1保证项目安全生产责任制未建立安全生产责任制,扣10分安全生产责任制未经责任人签字确认,扣3分未备有各工种安全技术操作规程,扣2~10分未按规定配备专职安全员,扣2~10分工程项目部承包合同中未明确安全生产考核指标,扣5分未制定安全生产资金保障制度,扣5分未编制安全资金使用计划或未按计划实施,扣2~5分未制定伤亡控制、安全达标、文明施工等管理目标,扣5分未进行安全责任目标分解,扣5分未建立安全生产责任制和责任目标的考核制度,扣5分未按考核制度对管理人员定期考核,扣2~5分10 0 102 施工组织设计施工组织设计中未制定安全技术措施,扣10分危险性较大的分部分项工程未编制安全专项施工方案,扣10分未按规定对超过一定规模危险性较大的分部分项工程专项施工方案进行专家论证,扣10分施工组织设计、专项施工方案未经审批,扣10分安全技术措施、专项施工方案无针对性或缺少设计计算,扣2~8分未按施工组织设计、专项施工方案组织实施,扣2~10分10 0 103 安全技术交底未进行书面安全技术交底,扣10分未按分部分项进行交底,扣5分交底内容不全面或针对性不强,扣2~5分交底未履行签字手续,扣4分10 0 104 安全检查未建立安全检查制度,扣10分未有安全检查记录,扣5分事故隐患的整改未做到定人、定时间、定措施,扣2~6分对重大事故隐患整改通知书所列项目未按期整改和复查,扣5~10分10 0 105 安全教育未建立安全教育培训制度,扣10分施工入场工人未进行三级安全教育培训和考核,扣5分未明确具体安全教育培训内容,扣2~8分变换工种或采用新技术、新工艺、新设备、新材料施工时未进行安全教育,扣5分施工管理人员、专职安全员未按规定进行年度教育培训和考核,每人扣2分10 0 106 应急预案未制定安全生产应急救援预案,扣10分未建立应急救援组织或未按规定配备救援人员,扣2~6分未定期进行应急救援演练,扣5分未配置应急救援器材和设备,扣5分10 0 10 小计60 0 607一般项目分包单位安全管理分包单位资质、资格、分包手续不全或失效,扣10分未签定安全生产协议书,扣5分分包合同、安全生产协议书,签字盖章手续不全,扣2~6分分包单位未按规定建立安全机构或未配备专职安全员,扣2~6分10 0 108 持证上岗未经培训从事施工、安全管理和特种作业,每人扣5分项目经理、专职安全员和特种作业人员未持证上岗,每人扣2分10 0 109 生产安全事故处理生产安全事故未按规定报告,扣10分生产安全事故未按规定进行调查分析、制定防范措施,扣10分未依法为施工作业人员办理保险,扣5分10 0 1010 安全标志主要施工区域、危险部位未按规定悬挂安全标志,扣2~6分未绘制现场安全标志布置图,扣3分未按部位和现场设施的变化调整安全标志设置,扣2~6分未设置重大危险源公示牌,扣5分10 6 4小计40 6 34 检查项目合计100 6 94表2文明施工检查评分表序号检查项目扣分标准应得分数扣减分数实得分数1保证项目现场围挡市区主要路段的工地未设置封闭围挡或围挡高度小于2.5m,扣5~10分一般路段的工地未设置封闭围挡或围挡高度小于1.8m,扣~10分围挡未达到坚固、稳定、整洁、美观,扣5~10分10 0 102 封闭管理施工现场出入口未设置大门,扣10分未设置门卫室,扣5分未建立门卫值守管理制度或未配备门卫值守人员,扣2~6分施工人员进入施工现场未佩戴工作卡,扣2分施工现场出入口未标有企业名称或标识,扣2分未设置车辆冲洗设施,扣3分10 0 103 施工场地施工现场主要道路及材料加工区地面未进行硬化处理,扣5分施工现场道路不畅通、路面不平整坚实,扣5分施工现场未采取防尘措施,扣5分施工现场未设置排水设施或排水不通畅、有积水,扣5分未采取防止泥浆、污水、废水污染环境措施,扣2~10分未设置吸烟处、随意吸烟,扣5分温暖季节未进行绿化布置,扣3分10 0 104 现场材料建筑材料、构件、料具未按总平面布局码放,扣4分材料码放不整齐、未标明名称、规格,扣2分施工现场材料存放未采取防火、防锈蚀、防雨措施,扣3~10分建筑物内施工垃圾的清运未使用器具或管道运输,扣5分易燃易爆物品未分类储藏在专用库房、未采取防火措施,扣5~10分10 2 85 现场住宿施工作业区、材料存放区与办公区、生活区未采取隔离措施,扣6分宿舍、办公用房防火等级不符合有关消防安全技术规范要求,扣10分在建工程、伙房、库房兼做住宿,扣10分宿舍未设置可开启式窗户,扣4分宿舍未设置床铺、床铺超过2层或通道宽度小于0.9m,扣2~6分宿舍人均面积或人员数量不符合规范要求,扣5分冬季宿舍内未采取采暖和防一氧化碳中毒措施,扣5分夏季宿舍内未采取防暑降温和防蚊蝇措施,扣5分生活用品摆放混乱、环境卫生不符合要求,扣3分10 0 106 现场防火施工现场未制定消防安全管理制度、消防措施,扣10分施工现场的临时用房和作业场所的防火设计不符合规范要求,扣10分施工现场消防通道、消防水源的设置不符合规范要求,扣5~10分施工现场灭火器材布局、配置不合理或灭火器材失效,扣5分未办理动火审批手续或未指定动火监护人员,扣5~10分10 5 10 小计60 7 537 综合治理生活区未设置供作业人员学习和娱乐场所,扣2分施工现场未建立治安保卫制度或责任未分解到人,扣3~5分施工现场未制定治安防范措施,扣5分10 0 108一般项目公示标牌大门口处设置的公示牌内容不全,扣2~8分标牌不规范、不整齐,扣3分未设置安全标语,扣3分未设置宣传栏、读报栏、黑板报,扣2~4分10 0 109 生活设施未建立卫生责任制度,扣5分食堂与厕所、垃圾站、有毒有害场所距离不符合规范要求,扣2~6分食堂未办理卫生许可证或未办理炊事人员健康证,扣5分食堂使用的燃气罐未单独设置存放间或存放间通风条件不良,扣2~4分食堂未配备排风、冷藏、消毒、防鼠、防蚊蝇等设施,扣4分厕所内的设施数量或布局不符合规范要求,扣2~6分厕所卫生未达到规定要求,扣4分不能保证现场人员卫生饮水,扣5分未设置淋浴室或淋浴室不能满足现场人员需求,扣4分生活垃圾未装容器或未及时清理,扣3~5分10 0 1010 社区服务夜间未经许可施工,扣8分施工现场焚烧各类废弃物,扣8分施工现场未制定防粉尘、防噪音、防光污染等措施,扣5分未制定施工不扰民措施,扣5分10 0 10 小计40 0 40检查项目合计100 7 93表B.14施工用电检查评分表序号检查项目扣分标准应得分数扣减分数实得分数1保证项目外电防护外电线路与在建工程及脚手架、起重机械、场内机动车道之间的安全距离不符合规范要求且未采取防护措施,扣10分防护设施未设置明显的警示标志,扣5分防护设施与外电线路的安全距离及搭设方式不符合规范要求,扣5~10分在外电架空线路正下方施工、建造临时设施或堆放材料物品扣10分10 0 102 接地与接零保护系统施工现场专用的电源中性点直接接地的低压配电系统未采用TN~S接零保护系统,扣20分配电系统未采用同一保护系统,扣20分保护零线引出位置不符合规范要求扣5~10分电气设备未接保护零线,每处扣2分保护零线装设开关、熔断器或通过工作电流,扣20分保护零线材质、规格及颜色标记不符合规范要求,每处扣2分工作接地与重复接地的设置、安装及接地装置的材料不符合规范要求,扣10~20分工作接地电阻大于4Ω,重复接地电阻大于10Ω,扣20分施工现场起重机、物料提升机、施工升降机、脚手架防雷措施不符合规范要求,扣5~10分做防雷接地机械上的电气设备,保护零线未做重复接地,扣10分20 2 183 配电线路线路及接头不能保证机械强度和绝缘强度,扣5~10分线路未设短路、过载保护,扣5~10分线路截面不能满足负荷电流,每处扣2分线路的设施、材料及相序排列、档距、与邻近线路或固定物的距离不符合规范,扣5~10分电缆沿地面明设,沿脚手架、树木等敷设或敷设不符合规范要求,扣5~10分线路敷设的电缆不符合规范要求,扣5~10分室内明敷主干线距地面高度小于2.5m,每处扣2分10 0 104 配电箱与开关箱配电系统未采用三级配电、二级漏电保护系统,扣10~20分用电设备未有各自专用的开关箱,每处扣2分箱体结构、箱内电器设置不符合规范要求,扣10~20分配电箱零线端子板的设置、连接不符合规范要求扣5~10分漏电保护器参数不匹配或检测不灵敏,每处扣2分配电箱与开关箱电器损坏或进出线混乱,每处扣2分箱体未设置系统接线图和分路标记,每处扣2分箱体未设门、锁,未采取防雨措施,每处扣2分箱体安装位置、高度及周边通道不符合规范要求,每处扣2分分配电箱与开关箱、开关箱与用电设备的距离不符合规范要求,每处扣2分20 2 18 小计60 4 565一般项目配电室与配电装置配电室建筑耐火等级未达到三级,扣15分未配置适用于电气火灾的的灭火器材,扣3分配电室、配电装置布设不符合规范要求,扣5~10分配电装置中的仪表、电气元件设置不符合规范要求或仪表、电气元件损坏,扣5~10分备用发电机组未与外电线路进行连锁,扣15分配电室未采取防雨雪和小动物侵入的措施,扣10分配电室未设警示标志、工地供电平面图和系统图,扣3~5分15 0 156 现场照明照明用电与动力用电混用,每处扣2分特殊场所未使用36V及以下安全电压,扣15分手持照明灯未使用36V以下电源供电,扣10分照明变压器未使用双绕组安全隔离变压器,扣15分灯具金属外壳未接保护零线,每处扣2分灯具与地面、易燃物之间小于安全距离,每处扣,2分照明线路和安全电压线路的架设不符合规范要求,扣10分施工现场未按规范要求配备应急照明,每处扣2分15 2 137 用电档案总包单位与分包单位未订立临时用电管理协议,扣10分未制定专项用电施工组织设计、外电防护专项方案或设计、方案缺乏针对性,扣5~10分专项用电施工组织设计、外电防护专项方案未履行审批程序,实施后相关部门未组织验收,扣5~10分接地电阻、绝缘电阻和漏电保护器检测记录未填写或填写不真实,扣3分安全技术交底、设备设施验收记录未填写或填写不真实,扣3分定期巡视检查、隐患整改记录未填写或填写不真实,扣3分档案资料不齐全、未设专人管理,扣3分10 0 10小计40 4 36 检查项目合计100 8 92表B.19施工机具检查评分表序号检查项目扣分标准应得分数扣减分数实得分数1 平刨平刨安装后未履行验收程序,扣5分未设置护手安全装置,扣5分传动部位未设置防护罩,扣5分未做保护接零或未设置漏电保护器,扣10分未设置安全作业棚,扣6分使用多功能木工机具,扣10分10 0102 圆盘锯圆盘锯安装后未履行验收程序,扣5分未设置锯盘护罩、分料器、防护挡板安全装置和传动部位未设置防护罩,每处扣3分未做保护接零或未设置漏电保护器,扣10分未设置安全作业棚,扣6分使用多功能木工机具,扣10分10 643 手持电动工具Ⅰ类手持电动工具未采取保护接零或未设置漏电保护器,扣8分使用Ⅰ类手持电动工具不按规定穿戴绝缘用品,扣6分手持电动工具随意接长电源线,扣4分8 084 钢筋机械机械安装后未履行验收程序,扣5分未做保护接零或未设置漏电保护器,扣10分钢筋加工区未设置作业棚,钢筋对焊作业区未采取防止火花飞溅措施或冷拉作业区未设置防护栏,每处扣5分传动部位未设置防护罩,扣5分10 1005 电焊机电焊机安装后未履行验收程序,扣5分未做保护接零或未设置漏电保护器,扣10分未设置二次空载降压保护器,扣10分一次线长度超过规定或未进行穿管保护,扣3分二次线未采用防水橡皮护套铜芯软电缆,扣10分二次线长度超过规定或绝缘层老化,扣3分电焊机未设置防雨罩或接线柱未设置防护罩,扣5分10 376 搅拌机搅拌机安装后未履行验收程序,扣5分未做保护接零或未设置漏电保护器,扣10分离合器、制动器、钢丝绳达不到规定要求,每项扣5分上料斗未设置安全挂钩或止挡装置,扣5分传动部位未设置防护罩,扣4分未设置安全作业棚,扣6分10 0107 气瓶气瓶未安装减压器,扣8分乙炔瓶未安装回火防止器,扣8分气瓶间距小于5m或与明火距离小于10m未采取隔离措施,扣8分气瓶未设置防震圈和防护帽,扣2分气瓶存放不符合要求,扣4分8 088 翻斗车翻斗车制动、转向装置不灵敏,扣5分驾驶员无证操作,扣8分行车载人或违章行车,扣,8分8 0 89 潜水泵未做保护接零或未设置漏电保护器,扣6分负荷线未使用专用防水橡皮电缆,扣6分负荷线有接头,扣3分6 0610 振捣器未做保护接零或未设置漏电保护器,扣8分未使用移动式配电箱,扣4分电缆线长度超过30米,扣4分操作人员未穿戴绝缘防护用品,扣8分8 0811 桩工机械机械安装后未履行验收程序,扣10分作业前未编制专项施工方案或未按规定进行安全技术交底,扣10分安全装置不齐全或不灵敏,扣10分机械作业区地面承载力不符合规定要求或未采取有效硬化措施,扣12分机械与输电线路安全距离不符合规范要求,扣12分12 012检查项目合计100 19 81。
质量安全生产管理考核评分汇总表2、优秀及较差项目填写评分表中“备注”中的项目,或填表人认为较为优秀或较差的其它项目.表1 施工现场安全生产管理考核评分原则公司名称:表2施工现场工程质量检查评分原则工程名称::注:一票否决后,得分为零安全生产检查评分工作的阐明一、原则化工地质量、安全生产检查评分工作由建筑工程质量监督站组织实施。
考核状况由监督员及现场管理人员报质监站备案.考核根据《建筑施工安全检查原则》部分确保项目的重要内容(表 1、表 2),对房屋建筑工程和市政工程进行现场检查。
施工单位对考核评定得分有异议的,可在 7 个工作日内向城乡建设局申诉,由其决定与否重新现场评分。
二、安全机构根据工程进度进行现场评价检查:(一)房屋建筑工程,现场检查评分应在工程基础阶段(正负零下列的施工完毕 60%以上工程量)、主体阶段(正负零以上的施工完毕 60%以上工程量)、装修阶段(室内外抹灰的施工完毕60%以上工程量)进行多次现场检查,每次现场检查应由 2 名及以上人员参加,间隔日期应在 30 日及其以上.施工工期不能满足间隔日期规定的,每次现场检查的间隔日期可由实施现场检查工作的安全机构的重要负责人决定。
(二)市政工程自工程开工之日起至竣工结束,现场检查不得少于三次,参加人员人数及间隔日期按照上款规定执行。
(三)安全机构每次进行现场检查,应当场计算检查得分,并将得分填写在《原则化工地安全生产检查评分表》(附表3)上,施工现场项目负责人签字。
施工现场项目负责人无正当理由,不推行签字义务的,安全机构能够评定该工程本次现场检查得分为零,并在15 日内将有关状况书面报告市(行署)或农垦、森工总局安全机构备案.(四)安全机构进行的现场检查,可事先告知,也可随机进行,检查过程中对于3 分及其以上的扣分点,应摄影或录像(因施工现场未设立而扣分的除外)。
(五)现场初次检查分数在85 分下列的,经施工单位书面申请,安全机构允许在规定的期限内整治后重新进行一次现场检查,并作为本次现场评价的最后分数。
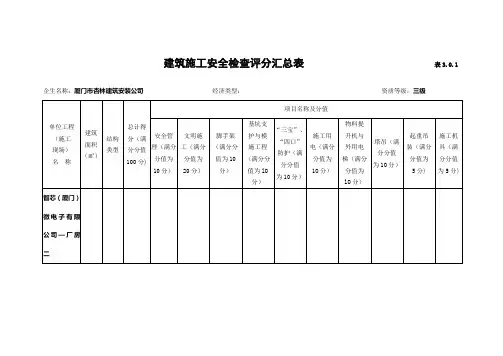
建筑施工安全检查评分汇总表表3.0.1 企生名称:厦门市杏林建筑安装公司经济类型:资质等级:三级年月日此表号为(建筑施工安全检查标准)中“3检查评分表的表序,下同。
安全管理检查评分表表3.0.2 施工单位:厦门市杏林建筑安装公司工程名称:智芯(厦门)微电子有限公司—厂房二续表注:1.每项最多扣减分数不大于该项应得分数。
2.保证项目有一项不得分或保证项目小计得分不足40分,检查评分表计零分。
3.该表换算到表3.0.1后得分=10×该表检查项目实得分数合计100检查人签名:受检人员签名:年月日文明施工检查评分表表3.0.3 施工单位:厦门市杏林建筑安装公司工程名称:智芯(厦门)微电子有限公司—厂房二续表注:1.每项最多扣减分数不大于该项应得分数。
2.保证项目有一项不得分或保证项目小计得分不足40分,检查评分表计零分。
3.该表换算到表3.0.1后得分=20×该表检查项目实得分数合计。
100检查人签名:受检人员签名:年月日落地式外脚手架检查评分表表3.0.4-1 施工单位:厦门市杏林建筑安装公司工程名称:智芯(厦门)微电子有限公司—厂房二续表注:1.发现脚手架钢本、钢竹混合搭设或竹脚手架搭设单排架,检查评分表计零分。
2.每项最多扣减分数不大于该项应得分数。
3.保证项目有一项不得分或保证项目小计得分不足40分,检查评分表计零分。
4.该表换算到表3.0.1后得分=10×该表检查项目实得分数合计。
100检查人签名:受检人员签名:年月日悬挑式脚手架检查评分表表3.0.4-2施工单位:厦门市杏林建筑安装公司工程名称:智芯(厦门)微电子有限公司—厂房二注:1.发现脚手架钢木、钢竹混合搭设,检查评分表计零分。
2.每项最多扣减分数不大于该项应得分数。
3.保证项目有一项不得分或保证项目小计得分不足40分,检查评分表计零分。
4.该表换算到表3.0.1后得分=10×该表检查项目实得分数合计。
建筑施工安全检查评分汇总表
建筑施工安全检查评定标准分优良、合格、不合格三个等级:
优良:各分项的保证项目得分均在40分及以上、汇总表得分在80分及以上为优良;如:
合格:各分项的保证项目得分在40分及以上、汇总表得分在70分及以上;或有一分项(保证项目得分在40分以下)表未得分,但汇总表得分在75分及以上;如:
不合格:汇总表得分不足70分;
有一分项(保证项目得分在40分以下)表未得分,且汇总表得分在75分以下;
当起重吊装检查表或施工机具检查中未得分,但汇总表得分在80分以下。
3.1、安全管理检查评分表年月日
3.3.1、落地式脚手架检查评分表年月日
3.3.2、悬挑式脚手架检查评分表年月日
3.3.3、门式脚手架检查评分表年月日
3.3.4、挂脚手架检查评分表年月日
3.3.5、吊蓝脚手架检查评分表年月日
3.3.6、附着式升降脚手架(整体提升架或爬架)检查评分表
年月日
3.4、基坑支护安全检查评分表年月日
3.5、模板工程安全检查评分表年月日
3.6、“三宝”“四口”防护检查评分表年月日
3.7、施工用电检查评分表年月日
注:在建工程(含脚手架具)的外侧边缘与外电架空线路之间的最小安全操作距离
凡用电设备≥5台或总容量≥50KW的工地,必须编制用电施工组织设计,用电必须专人管理。
3.9、外用电梯(人货两用电梯)检查评分表年月日
3.10、塔吊检查评分表年月日
3.11、起重吊装安全检查评分表年月日
3.12、施工机具检查评分表年月日。
表3。
0。
1建筑施工安全检查评分汇总表企业名称:经济类型:资质等级:年月日表3.0.2安全管理检查评分表续表3。
0.2安全管理检查评分表注:1、每项最多扣减分数不大于该项应得分数;2、保证项目有一项不得分或保证项目小计得分不足40分的,检查评分表计零分;10×该表检查项目实得分数合计3、该表换算到表3。
0。
1后得分=100表3.0。
3文明施工检查评分表注:1.每项最多扣减分数不大于该项应得分数;2.保证项目有一项不得分或保证项目小计得分不足40分的,检查评分表计零分;20×该表检查项目实得分数合计3。
该表换算到表3.0.1后得分=100表3。
0.4-1落地式外脚手架检查评分表注:1、发现脚手架钢木、钢竹混合搭设或竹脚手架搭设单排架,检查评分表计算;2、每项最多扣减分数不大于应得分数;3、保证项目有一项不得分或保证项目小计得分不足40分的,检查评分表计零分;10×该表检查项目实得分数合计4、该表换算到表3.0。
1后得分=100表3.0。
4-2悬挑式脚手架检查评分表2.每项最多扣减分数不大于该项应得分数;3。
保证项目有一项不得分或保证项目小计得分不足40分的,检查评分表计零分;10×该表检查项目实得分数合计4。
该表换算到表3.0。
1后得分=100表3。
0。
4—4挂脚手架检查评分表2.每项最多扣减分数不大于该项应得分数;3.保证项目有一项不得分或保证项目小计得分不足40分的,检查评分表计零分;10×该表检查项目实得分数合计4。
该表换算到表3.0.1后得分=100表3.0.4-5吊篮脚手架检查评分表注:1、每项最多扣减分数不大于该项应得分数;2、保证项目有一项不得分或保证项目小计得分不足40分的,检查评分表计零分;10×该表检查项目实得分数合计 3、该表换算到表3.0.1后得分=100表3。
0.5基坑支护安全检查评分表续表3。
0.5基坑支护安全检查评分表注:1。
建筑施工安全检查评分汇总表
表AQ-C15-04 施工单位:编号:
表3.0.2 安全管理检查评分表
表3.0.3 文明施工检查评分表
表3.0.4-1 落地式外脚手架检查评分表
表3.0.4-2 悬挑式脚手架检查评分表
表3.0.4-3 门型脚手架检查评分表
表3.0.4-4 挂脚手架检查评分表
表3.0.4-5 吊篮脚手架检查评分表
表3.0.4-6 附着式升降脚手架(整体提升架或爬架)检查评分表
表3.0.5基坑支护安全检查评分表
表3.0.6模板工程安全检查评分表
表3.0.7 “三宝”“四口”防护检查评分表
表3.0.8 施工用电检查评分表
表3.0.9 物料提升机(龙门架、井字架)检查评分表
表3.0.10 外用电梯(人货两用电梯)检查评分表
表3.0.11 塔吊检查评分表
表3.0.12 起重吊装安全检查评分表
表3.0.13 施工机具检查评分表。
表建筑施工安全检查评分汇总表自治区建筑业协会书店发行(乌市和平北路6号电话:)(每本定价:3.50元)表安全管理检查评分表100自治区建筑业协会书店发行(乌市和平北路6号电话:)(每本定价:3.50元)表3.0.3 模板工程安全检查评分表3.该表换算到表后得分= 10×该表检查项目实得分数合计100自治区建筑业协会书店发行(乌市和平北路6号电话:)(每本定价:3.50元)表3.0.4 “三宝”“四口”防护检查评分表注:1.每项最多扣减分数不大于该项应得分数。
2.该表换算到表后得分= 10×该表检查项目实得分数合计100自治区建筑业协会书店发行(乌市和平北路6号电话:)(每本定价:3.50元)表3.0.5 施工用电检查评分表自治区建筑业协会书店发行(乌市和平北路6号电话:)(每本定价:3.50元)表3.0.6 塔吊检查评分表自治区建筑业协会书店发行(乌市和平北路6号电话:)(每本定价:3.50元)表3.0.7 基坑支护安全检查评分表自治区建筑业协会书店发行(乌市和平北路6号电话:)(每本定价:3.50元)表3.0.8-1 落地式外脚手架检查评分表自治区建筑业协会书店发行(乌市和平北路6号电话:)(每本定价:3.50元)表3.0.8-2 悬挑式外脚手架检查评分表自治区建筑业协会书店发行(乌市和平北路6号电话:)(每本定价:3.50元)表3.0.8-3 挂脚手架检查评分表自治区建筑业协会书店发行(乌市和平北路6号电话:)(每本定价:3.50元)表3.0.8-4 门型脚手架检查评分表自治区建筑业协会书店发行(乌市和平北路6号电话:)(每本定价:3.50元)表3.0.8-5 吊篮脚手架安全检查评分表自治区建筑业协会书店发行(乌市和平北路6号电话:)(每本定价:3.50元)表3.0.8-6 附着式升降脚手架(整体提升架或爬架)安全检查评分表自治区建筑业协会书店发行(乌市和平北路6号电话:)(每本定价:3.50元)表3.0.9 施工机具检查评分表表3.0.10 文明施工检查评分表表3.0.11 起重吊装安全检查评分表100自治区建筑业协会书店发行(乌市和平北路6号电话:)(每本定价:3.50元)表3.0.12 外用电梯(人货两用电梯)安全检查评分表自治区建筑业协会书店发行(乌市和平北路6号电话:)(每本定价:3.50元)表3.0.13 物料提升机(龙门架、井字架)检查评分表自治区建筑业协会书店发行(乌市和平北路6号电话:)(每本定价:3.50元)。
安全管理检查评分表序号保证项目检查项目扣分标准应得分数扣减分数实得分数1 安全生产责任制未建立安全责任制,扣10分各级各部门未执行责任制,扣4~6分经济承包中无安全生产指标,扣10分未制定各工种安全技术操作规程,扣10分未按规定配备专(兼)职安全员的扣10分管理人员责任制考核不合格,扣5分102 目标管理未制定安全管理目标(伤亡控制指标和安全达标、文明施工目标),扣10分未进行安全责任目标分解的扣10分无责任目标考核规定的扣8分考核办法未落实或落实不好的扣5分103 施工组织设计施工组织设计中无安全措施,扣10分施工组织设计未经审批,扣10分专业性较强的项目,未单独编制专项安全施工组织设计扣8分安全措施不全面,扣2~4分安全措施无针对性,扣6~8分安全措施未落实,扣8分104 分部(分项)工程安全技术交底无书面安全技术交底的扣10分交底针对性不强,扣4~6分交底不全面,扣4分交底未履行签字手续,扣2~4分5 安全检查无定期安全检查制度,扣5分安全检查无记录,扣5分检查出事故隐患整改做不到定人,定时间、定措施,扣2~6分对重大事故隐患整改通知书所列项目未如期完成,扣5分106 安全教育无安全教育制度,扣10分新入厂工人未进行三级安全教育,扣10分无具体安全教育内容,扣6~8分变换工种时未进行安全教育,扣10分每有一人不懂本工种安全技术操作规程扣2分施工管理人员未按规定进行年度培训的扣5分专职安全员未按规定进行年度培训考核或考核不合格的扣5分10小计60安全管理检查评分表序号保证项目检查项目扣分标准应得分数扣减分数实得分数7 班前安全活动未建立班前安全活动制度,扣10分班前安全活动无记录,扣2分108 特种作业持证上岗有一人未经培训从事特种作业,扣4分有一人未持操作证上岗,扣2分109 工伤事故工伤事故未按规定报告,扣3~5分工伤事故未按事故调查分析规定处理扣10分未建立工伤事故档案,扣4分1010 安全标志无现场安全标志布置总平面图,扣5分现场未按安全标志总平面图设置安全标志的扣5分105安全检查无定期安全检查制度,扣5分安全检查无记录,扣5分检查出事故隐患整改做不到定人,定时间、定措施,扣2~6分对重大事故隐患整改通知书所列项目未如期完成,扣5分10小计40注:1、每项最多扣减分数不大于该项应得分数;2、保证项目有一项不得分或保证项目小计得分不足40分的,检查评分表计零分;3、该表换算到表3.0.1后得分=10×该表检查项目实得分数合计100文明施工检查评分表序号保证项目检查项目扣分标准应得分数扣减分数实得分数1 现场围挡在市区主要路段的工地周围未设置高于2.5m的围挡,扣10分一般路段的工地周围未设置高于1.8m的围挡扣10分围挡材料不坚固、不稳定,不整洁不美观,扣5~7分围挡没有沿工地四周连续设置的扣3~5分102 封闭管理施工现场进出口无大门的扣3分无门卫和无门卫制度的扣3分进入施工现场不佩戴工作卡的扣3分门头未设置企业标志的扣3分103 施工场地工地地面未做硬化处理的扣5分道路不畅通的扣5分无排水设施,排水不通畅的扣4分无防止泥浆、污水、废水外流或堵塞下水道和排水河道措施的扣3分工地有积水的扣2分工地未设置吸烟处、随意吸烟的扣2分温暖季节无绿化布置的扣4分104 材料堆放建筑材料、构件、料具不按总平面布局堆放的扣4分料堆未挂名称、品种、规格等标牌的扣2分堆放不整齐扣3分未做到工完场地清的扣3分建筑垃圾堆放不整齐、未标出名称、品种的扣3分易燃易爆物品未分类存放的扣4分105 现场住宿在建工程兼作住宿的扣8分施工作业区与办公、生活区不能明显划分的扣6分宿舍无保暖和防煤气中毒措施的扣5分宿舍无消暑和防蚊虫叮咬措施的扣5分无床铺、生活用品放置不整齐的扣2分宿舍周围环境不卫生、不安全的扣3分106 现场防火无消防措施制度或无灭火器材的扣10分灭火器材配置不合理的扣5分无消防水源(高层建筑)或不能满足消防要求扣8分无动火审批手续和动火监护的扣5分10小计60文明施工检查评分表序号检查项目扣分标准应得分数扣减分数实得分数7 治安综合治理生活区未给工人设置学习娱乐场所的扣4分未建立治安保卫制度的、责任未分解到人的扣3~5分治安防范措施不利,常发生失盗事件的扣3~5分88 施工现场标牌大门口处挂的五牌一图、内容不全、缺一项扣2分标牌不规范、不整齐的扣3分无安全标语,扣5分无宣传栏、读报栏、黑板报等的扣5分89 生活设施厕所不符合卫生要求的扣4分无厕所,随地大小便的扣8分食堂不符合卫生要求的扣8分无卫生责任制,扣5分不能保证供应卫生饮水的扣8分无淋810 保健急救无保健医药箱的扣5分无急救措施和急救器材的扣8分无经培训的急救人员,扣4分未开展卫生防病宣传教育的扣4分811社区服务无防风尘、防噪音措施,扣5分夜间未经许可施工的扣8分现场焚烧有毒、有害物质的扣5分未建立施工不扰民措施的扣5分8 小计40注:1、每项最多扣减分数不大于该项应得分数;2、保证项目有一项不得分或保证项目小计得分不足40分的,检查评分表计零分;3、该表换算到表3.0.1后得分=10×该表检查项目实得分数合计100落地式外脚手架检查评分表序号检查项目扣分标准应得分数扣减分数实得分数1 保证项目施工方案脚手架无施工方案的扣10分脚手架高度超过规范规定无设计计算书或未经审批的扣10分施工方案,不能指导施工的扣5-8分102 立杆基础每10延长米立杆基础不平、不实、不符合方案设计要求,扣2分每10延长米立杆缺少底座、垫木、扣5分每10延长米无扫地杆,扣5分每10延长米木脚手架立杆不埋地或无扫地杆,扣5分每10延长米无排水措施,扣1分103 架体与建筑结构拉结脚手架高度在7米以上,架体与建筑结构拉结,按规定要求每少一处,扣2分拉结不坚固每一处,扣1分104 杆件间距与剪刀撑每10延长米立杆、大横杆、小横杆间距超过规定要求每一处,扣2分不按规定设置剪刀撑的每一处,扣5分剪刀撑未沿脚手架高度连续设置或角度不符合要求,扣5分105 脚手板与防护栏杆脚手板不满铺,扣7-10分脚手板材质不符合要求,扣7-10分每有一处探头板,扣2分脚手架外侧未设置密目式安全网或网间不严实的扣10分施工层不设1.2m高防护栏杆和18cm高挡脚板的扣5分106 交底与验收脚手架搭设前无交底,扣5分脚手架搭设完毕未办理验收手续,扣10分无量化的验收内容,扣5分10小计60 落地式外脚手架检查评分表序号检查项目扣分标准应得分数扣减分数实得分数7 一般项目小横杆设置不按立杆与大横杆交点设置小横杆的,每有一处,扣2分小横杆只固定一端的每有一处扣1分单排架子小横杆插入墙内小于24cm的每有一处,扣2分108 杆件搭结木立杆、大横杆每有一处搭结小于1.5米,扣1分钢管立杆采用搭结的每一处,扣2分59 架体内封闭施工层以下每隔10m未用平网或其他措施封闭的扣5分施工层脚手架内立杆与建筑物之间未进行封闭的扣5分510 脚手架材质木杆直径、材质不符合要求的扣4—5分钢管弯曲、锈蚀严重的扣4—5分511 通道架体不设上下通道的扣5分通道设置不符合要求的扣1-3分512 卸料平台卸料平台未经设计计算,扣10分卸料平台搭设部符合设计要求,扣10分卸料平台支撑系统与脚手架连接的扣8分卸料平台无限定荷载标牌的扣3分10 小计40检查项目合计100注:1、每项最多扣减分数不大于该项应得分数;2、保证项目有一项不得分或保证项目小计得分不足40分的,检查评分表计零分;3、该表换算到表3.0.1后得分=10×该表检查项目实得分数合计100落地式外脚手架检查评分表序号检查项目扣分标准应得分数扣减分数实得分数7一般项目小横杆设置不按立杆与大横杆交点设置小横杆的,每有一处,扣2分小横杆只固定一端的每有一处扣1分单排架子小横杆插入墙内小于24cm的每有一处,扣2分108 杆件搭结木立杆、大横杆每有一处搭结小于1.5米,扣1分钢管立杆采用搭结的每一处,扣2分59 架体内封闭施工层以下每隔10m未用平网或其他措施封闭的扣5分施工层脚手架内立杆与建筑物之间未进行封闭的扣5分510 脚手架材质木杆直径、材质不符合要求的扣4—5分钢管弯曲、锈蚀严重的扣4—5分511 通道架体不设上下通道的扣5分通道设置不符合要求的扣1-3分512 卸料平台卸料平台未经设计计算,扣10分卸料平台搭设部符合设计要求,扣10分卸料平台支撑系统与脚手架连接的扣8分卸料平台无限定荷载标牌的扣3分10 小计40检查项目合计100注:1、每项最多扣减分数不大于该项应得分数;2、保证项目有一项不得分或保证项目小计得分不足40分的,检查评分表计零分;3、该表换算到表3.0.1后得分=10×该表检查项目实得分数合计100基坑支护安全检查评分表序号检查项目扣分标准应得分数扣减分数实得分数6一般上下通道人员上下无专用通道的扣10分设置的通道不符合要求的扣6分107 项目土方开挖施工机械进场未经验收的扣5分挖土作业时,有人员进入挖土机作业半径内的扣6分挖土机作业位置不牢、不安全的扣10分司机无证作业的扣10分未按规定程序挖土或超挖的扣10分108 基坑支护未按规定进行基坑支护变形检测的扣10分未按规定对毗邻建筑物和重要管线和道路进行沉降观测的扣10分109 作业环境基坑内作业人员无安全立足点的扣10分垂直作业上下无隔离防护措施的扣10分光线不足未设置足够照明的扣5分10 小计40检查项目合计100。