毛细管粘度计检定误差影响因素分析及探讨
- 格式:doc
- 大小:25.50 KB
- 文档页数:3
毛细管粘度计检定误差影响因素分析及探讨摘要:本文通过分析影响毛细管粘度计检定过程中产生误差的主要影响因素,提出降低检定误差的主要途径,从而为提高检定精度,获得正确的测量结果提供帮助。
关键词:毛细管粘度计检定途径1 引言毛细管粘度计的常数检定与很多因素有关,特别是温度影响、装液误差影响、装液温度与检定温度不一致造成的影响、垂直度影响、计时误差影响、震动影响等。
本文将通过讨论影响检定误差的主要因素,寻找提高检定精度的途径,以获得正确的测量结果。
2 影响毛细管粘度计检定的主要因素研究2.1 温度因素的影响我们一般选用相对法来检定工作毛细管粘度计的常数。
所以我们只要测量一定体积的标准粘度液流经毛细管的时间t,就可求得粘度计的常数。
众所周知粘度与温度的关系非常密切,温度是影响标准粘度液值的重要因素。
由于液体分子间距离小,分子热运动不如气体剧烈,其内摩擦主要是由分子引力引起的。
当温度升高时,分子间距离加大,引力减小,内摩擦也随之减小,故液体粘度随温度的升高而减少。
我们检定用的标准粘度液主要是精制石油和精制甲基硅油。
实验证明当温度变化±0.1℃时,石油粘度变化±0.5%,硅油粘度变化±0.2%。
所以温度变化将直接影响毛细管常数测定的准确性。
2.2 装液误差的影响我们从泊肃叶公式可知,液体在粘度计中流动的快慢除与常数项有关外,还与两个量有关:一是重力加速度g,在g大的地点测得的流动时间t会偏小,在g小的地方则结果相反,但如果标准液定值和粘度计常数测定在同一地方则没有影响;另一个就是h(即上、下液面间的垂直距离),如果装液多了,h就小,流动就慢,装液少了h就大,流动就快,而流动时间直接影响粘度计常数测定的准确性。
这就要求我们熟知规程中有关平氏、乌氏、芬氏、逆流粘度计的装液规则,并熟练掌握操作程序。
2.3 垂直度调节误差的影响实际检定工作中,由于缺乏责任心和经验及视觉误差等一些主观因素,往往会造成垂直度调节失误,带来倾斜误差。
石油产品工作毛细管粘度计检定过程中常见的影响因素及对策作者:栗阳冯仁冰来源:《科学与财富》2016年第23期摘要:石油产品工作毛细管粘度计检定的基本方法有标准粘度液法和标准粘度计法。
由于其检定过程中易受外界环境因素及人为因素的影响,使检定结果出现误差。
本人针对标准粘度液检定法在检定过程中应注意一些方面的影响因素及处理方法进行阐述,仅供参考。
关键词:石油产品;毛细管粘度计;检定\石油产品工作毛细管粘度计检定的基本方法有标准粘度液法和标准粘度计法。
我们常用的方法为标准粘度液检定法,其检定原理是利用已知准确粘度值的标准液,在标准液定值温度下,根据其流动时间来标定粘度计常数。
由于其检定过程中易受外界环境因素及人为因素的影响,使检定结果出现误差。
笔者认为,在检定过程中应注意以下几个方面的影响因素及处理方法。
1 常见的影响因素分析1.1 温度对检定结果的影响温度是影响粘度计检定的主要因素。
在检定过程中,标准液的粘度随温度的变化而变化,极易改变其在被检粘度计中的流动时间,使检定结果出现误差。
主要体现在两个方面:一是环境温度的影响。
环境温度的突然改变,会造成浴温的升高或降低,标准液流动时间也随之改变。
如阳光照射恒温槽会使浴温升高,门窗关闭不严,检定人员在恒温槽周围来回走动也会对环境温度产生影响,进而影响浴温。
二是浴温的影响。
在检定过程中,当恒温槽控温系统精度和传感器敏感度不高,对浴温控制超出允许误差范围时,势必会使浴温产生波动,改变标准液的流动时间。
1.2 清洗对检定结果的影响粘度计清洗不干净,很容易使管壁内留有油膜,甚至混入一些杂质、纤维物等。
这样在检定时会使标准液产生“挂壁”现象,严重时纤维物还会阻塞毛细管,影响标准液在毛细管内的正常流动,给检定带来严重影响,势必造成检定结果的误差。
1.3 垂直对检定结果的影响粘度计检定时若未能使毛细管垂直,将改变标准液有效液柱的高度,并引起液柱压差的变化,从而改变标准液的流动时间。
浅谈计量检定中的误差分析内蒙古自治区鄂尔多斯市017000摘要:本文对计量检定中误差形成原因进行了简要分析并提出了相应减少误差的对策。
关键词:计量器具;存在问题;误差分析;随着人们消费维权意识的不断增强,不仅质量意识不断提高,计量意识同步增强,商品的净含量准确与否也成为备受人们关注的焦点。
作为市场监督管理部门从事计量检定的工作者,能否做好本职,精通业务,将计量检定过程中的误差降低到最小,既维护消费者的合法权益,又不致给生产销售商带来过多的经济损失,职责神圣,责无旁贷。
一、计量检定中误差形成的原因1.现场检测环境造成的误差:衡器检定大都在野外、现场,温度和湿度是造成计量检定中检测数据误差的客观原因。
比如同一台衡器,在炎热的夏天,在春秋的雨天,在寒冷的冬天,因自然天气的变化,会造成计量检定数据的轻微偏差,而这种微小的误差应在长期的检测工作实践中把握规律,不断探索加以科学地修正,确保计量检定数据的科学真实可靠。
2.使用标准器造成的误差:主要是指标准器其附件等检定设备所造成的误差。
目前计量检定大多采用数字式仪器,数字式仪器所特有的量化误差是造成计量误差的直接原因。
虽然每年都对标准器、标准砝码按国家规定定期进行检定和校验对比,由于在长期的计量检定中,标准器原件搬来搬去会产生自然老化、疲劳,标准砝码提来提去也会产生自然磨损,这都可能在检定过程中造成微妙的误差,这也有待于在计量检定操作中加以考虑,加以修正,确保计量检定数据的正确准确可靠。
3.检定检测方法造成的误差:在计量检定中,尽管按照国家计量检定规程进行检测,但对于不同种类、不同系列的衡器,其检测程序和方法不尽相同,比如电子汽车衡、数字指示秤、电子天平等,各自有各自的检定规程和检测方法,既不能通用,也不能滥用。
由于衡器用途有别,品种繁多,相同系列容器用相同的方法检定,即使检测技术再精细,由于衡器本身规格大小的不同,也会产生细微的误差,在所难免。
这就要求我们计量检定人员在检测工作中对技术要精益求精,对经验要不断总结,务求科学严谨,把自然误差缩小到最小。
毛细管粘度计检定误差影响因素分析及探讨毛细管粘度计是一种用于测量液体粘度的仪器,精度高、操作简单、可靠性强,被广泛应用于各个领域。
然而,在使用毛细管粘度计时,测量误差是不可避免的,下面就毛细管粘度计检定误差影响因素进行分析及探讨。
1.温度影响液体粘度与温度密切相关,温度对液体粘度的影响是非常明显的,一般情况下,粘度随温度的升高而降低。
在使用毛细管粘度计时,温度的变化会对测量结果产生影响,因此,在测量之前应对温度进行标定。
2.粘度计漂移毛细管粘度计的漂移是指毛细管在使用过程中由于外部环境的因素,导致毛细管荧光标线的位置发生偏移。
这种漂移不仅会影响毛细管粘度计的精度,还会影响其重复性和稳定性。
3.粘度计紊流误差由于流体的流动容易引起紊流,导致计量范围从而对测量精度产生影响。
4.毛细管直径误差毛细管直径的误差是另一个影响毛细管粘度测量误差的因素。
毛细管直径是直接影响流体流动速度的因素之一。
如果毛细管直径不符合标准,那么就会影响其测量精度。
5.时间影响毛细管粘度计的精度也受到时间影响。
流体的粘度随时间的变化,因此,在测量之前应确保流体达到极限粘度,并使流体达到静止状态。
6.操作技巧毛细管粘度计的操作技巧也会影响其测量误差。
操作人员的技巧和经验直接影响着毛细管粘度计的测量精度和可靠性。
操作人员在使用设备时,应当时刻注意操作环境,保证操作环境的干净整洁,避免不必要的污染。
总体来说,毛细管粘度计检定误差的影响因素主要有温度、漂移、紊流误差、毛细管直径误差、时间、操作技巧等。
综合考虑以上因素,我们可以找到减少误差的措施,从而提高毛细管粘度计的测量精度和可靠性。
计量检定工作中的误差分析随着近年来社会经济的快速发展,计量器具被广泛运用于现代企业经营生产以及科学研究的各个方面,企业需要对生产要素以及产品的精准测量和检验,才能确保生产出来的产品拥有较高的产品质量,从而通过较高质量的产品有效满足市场的需求和变化,从而帮助企业逐步提升市场竞争力。
因此计量器具的测量精准性对于提升产品质量具有十分重要的关系,比如工作环境的影响以及检验方法的影响还有计量器具自身的精准度和操作人员的操作方法等诸多原因,都会在计量器具在使用过程中对测量精准性产生一定的影响,为快速提升计量器具的精准度,需要对计量器具进行定期检查和效验,才能最大限度减少计量器具在使用过程中的测量误差。
1.计量检定中误差形成的原因1.1检测人员操作造成的误差检测操作人员在对产品进行计量检测时,难免会受到心理状态以及情绪干扰等多重因素的影响,从而使得计量检测结果出现不同程度的误差。
比如计量检测人员在检测时由于情绪激动,就会对测量数据进行误读和误判,或者针对测量产品采取不正确的操作,导致测量结果与真实结果存在较大的偏差,导致测量结果出现较大偏差的主要因素包括以下几方面:首先,由于测量人员在测量产品之前存在过度疲劳或者测量环境较为恶劣,使得测量人员很难集中精力进行产品的精准测量,因此测量人员只能在心情烦闷和注意力分散等心理状态下进行测量,从而使得测量结果很容易产生各种误读或者误判等现象,从而对测量结果产生一定的误差,严重影响测量结果的准确性。
其次,由于计量器具是高精度测量仪器,因此需要测量人员在测量产品之前需要对测量的重要性拥有足够的认识和了解,才能集中精力并且认真测量产品的精读,如果测量人员对测量器具缺乏应有的重视程度,就会在测量过程中产生各种疏忽或者放松,这样就会对测量结果产生极大的影响和误差。
1.2现场检测环境造成的误差测量现场的温度和适度以及噪音和光照环境等不同因素,都会对测量结果产生较大的影响。
比如在较为潮湿或者腐蚀性较大以及容易遭受污染的环境中开展计量工作,就会使得计量器具很难达到特殊环境的使用要求,而使计量结果受到较大的影响,从而逐步降低计量的准确性。
石油产品用工作毛细管粘度计在检定中需注意的几个因素及应对措施摘要:本文探讨了石油产品用工作毛细管粘度计在检定过程中容易引起误差的几个因素,并对这些因素提出了应对措施。
如果在检定过程中减少这些因素的影响,不但可以提高粘度计检定的准确性,还能减少不必要的工作量。
关键词:工作毛细管粘度计;检定;误差运动粘度是液体石油产品质量评定中的一项重要指标。
通过GB/T 265-1988《石油产品运动粘度测定法和动力粘度计算法》测定石油产品的运动粘度,工作毛细管粘度计需根据JJG155-1991《工作毛细管粘度计检定规程》要求定期检定,经检定合格并在检定周期内使用的粘度计才能正常使用,否则会因为粘度计超出检定期限而常数发生变化,直接影响对油品质量测定的正确性。
经过多年的实践工作,在用标准粘度液进行工作毛细管粘度计的检定过程中必须注意以下因素。
一、影响毛细管粘度计检定的主要因素(一)粘度计的清洗与干燥粘度计清洗不干净,管内壁容易残留油膜,甚至混入杂质。
在检定时会使标准液产生挂壁现象,直接影响标准液在毛细管内的正常流动,会引起粘度计重复测量液体的流动时间长短相差很大,造成重复性超差,使整组数据无效。
有时在一个系列里重复性没有超差,但进行平行测定时,两个系列数据超出允许误差范围,而不得不重新清洗,增加不必要的工作量。
(二)粘度计毛细管是否垂直粘度计检定时如果毛细管不垂直,将改变标准液有效液柱的高度,会引起液柱压差的变化,直接影响标准液在毛细管内的流动时间,使检定结果产生误差。
(三)装液的影响没有按照规程选择合适牌号的标准液,粘度计吸取标准液过多或过少,装液时产生断流或气泡,都会导致标准液在毛细管内的流动时间不符合要求,从而影响检定结果的准确性。
(四)毛细管中有气泡在粘度计检定过程中,毛细管中的标准液如果存在气泡,就会影响吸入标准液的体积,改变标准液的密度,而且会产生气阻,形成非连续的流动,使流动时间延长,造成检定结果的误差。
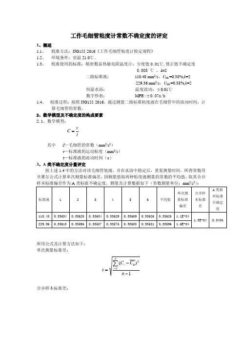
工作毛细管粘度计常数不确定度的评定1、概述1.1、 校准方法:JJG155-2016《工作毛细管粘度计检定规程》 1.2、 环境条件:室温21.0℃。
1.3、 校准使用的标准:精密数显热敏电阻温度计:分度值0.01℃,修正值不确定度0.005 ℃ ,k =2二级标准液: 110.48 mm 2/s ,U rel =0.38%,k =2229.36 mm 2/s ,U rel =0.38%,k =2 恒温水浴: 温度波动:±0.01℃ 数字秒表: MPE :±0.07s/h1.4、 校准过程:按照JJG155-2016,通过测量二级标准粘度液在毛细管中的流动时间,计算毛细管的常数。
2、数学模型及不确定度的构成要素 2.1、数学模型:t v C =其中 C —毛细管的常数(mm 2/s 2) v —标准液的运动粘度(mm 2/s ) t —标准液的流动时间(s ) 3、A 类不确定度分量评定按上述1.4中的方法对该毛细管装液,并在水浴中稳定后,重复测量时间,所得常数用贝赛尔公式计算单次测量标准偏差,因测量值取两种粘度液测量的常数的平均值,取其合并样本标准偏差作为A 类标准不确定度,测量及计算数据如下(常数测量单位:mm 22):所用公式及计算方法如下: 单次测量标准差:1)(210--=∑=n C Cs ni i合并样本标准差:mss mi ip ∑==12)A (rel u =0.040%4、B 类不确定度分量的4.1、 时间测量的不确定度根据秒表检定规程,在该校准过程中,记时总时间测量的最大允许误差为±0.07s,为矩形分布,测量低黏度时,影响较大,以测量低黏度时计算。
s t u 04.03/07.0)(== )(t u rel =0.04s/328s=0.012%4.2 标准粘度液粘度值的不确定度4.2.1: )(1v u 标准液运动粘度定值的不确定度引起,其相对标准不确定度为%190.02/%38.0)(1==v u rel4.2.2: )(2v u 标准液运动粘度值的年变化率引起,该标准液的年变化率±0.2%,均匀分布,所以%115.03/%2.0)(2==v u rel4.3 温度效应所产生的不确定度4.3.1 温度计或温度测量产生的误差所带来的不确定度 根据温度计检定证书,修正值的不确定度为0.005℃, k =2 标准不确定度为:0.005℃/2=0.0025℃4.3.2温度波动及温场均匀性误差带来的不确定度水浴的温度波动温场均匀性误差均为±0.01 ℃,可视作均匀分布,,两个半宽相同的均匀分布的和为三角分布,半宽为0.02℃,k =6 标准不确定度为:0.02℃/6=0.0082℃4.3.3温度的合成不确定度220082.00025.0+≈0.01℃4.3.4查阅相关资料,在20℃,温度变化0.01℃时,所用标准液的变化率为0.044%%044.0)(=T u rel5.毛细管安装不垂直所产生的不确定度查阅相关资料,对于平氏毛细管,该项相对标准不确定度为:0.042%6、合成标准不确定度)()()()(2222222νrel relrel relA rel u v ut u u C u +++=+)(2T u rel=)(C urel0.234%7、扩展不确定度 2%,47.0==k U rel8、报告毛细管常数值C =0.3361 mm 2/s 2,U rel =0.47%,k =2。
毛细管黏度计检定中应注意的几个事项黏度在石油的开采过程中是一项十分重要的参数,它影响着石油储量的计算、石油炼制加工、输送及储存、试油效应,是衡量石油相关产品的质量及整个石油开采工程经济效益的重要指标之一,因此准确测定黏度值对石油的开采、炼制加工及输送、储存等是相当重要的。
而毛细管黏度计又是最为常用的黏度测定的方法,毛细管黏度计在整个石油开采加工及科研生产中应用较为广泛。
通过实际工作和观察学习,我们认为在毛细管黏度计的检定过程中,需要注意以下几个方面:1)检定温度的影响黏度对温度的影响极为敏感,液体的黏度与温度并不成线性关系,温度越低,黏温关系越密切。
检定时的环境温度及湿度要符合检定规程的要求,控制好检定温度,检定中涉及到的所有设备必须经检定合格后才可以使用,避免因仪器设备引入误差而影响黏度的检定结果,进而影响到工作的决策,做出决策上的失误,导致事故发生,造成经济损失。
2)装液温度与检定温度不同的影响装液温度与检定温度不同时,在检定温度条件下,试样的体积将发生变化,致使有效高度发生变化,导致标准液在毛细管内流动时间的变化,影响着最终的结果。
装液温度与检定温度相差大及装液量的不准,都会使得毛细管常数变大或变小,检定结果的质量得不到保证。
3)标准黏度液的影响要正确选择、使用有标准物质证书和在有效期内的黏度标准液,确保标准物质的溯源一致性。
妥善保管好标准物质,按要求进行配置相应的设备,保证储存环境条件满足要求,只有这样才能确保标准物质的稳定性和完好性,保证检定数据的准确性和可靠性。
4)流动时间的影响对不同管径的毛细管黏度计应选择合适的标准液进行检定,如选择不当,将使得标准液在毛细管内流动时间过长或过短。
如流动时间过短,标准液在毛细管中流速太快,易形成湍流,这就失去本检定方法的基础(流体在层流条件下)。
如流动时间过长,容易受到温度波动或其它偶然因素的影响而造成误差,可能使得流体的流动性质发生改变,从而使检定结果偏离真实值。
关于计量检定工作质量的影响因素及对策◎徐建华新时期,计量检定工作中积极推广应用新仪器和新设备,来满足工作的需求和要求。
这些变化也给质量管理工作带来很多挑战,需进行创新和优化。
通过引入新技术和新方法,提升计量检定工作质量水平,创造更多的价值与作用。
一、计量检定的重要性从检定工作的开展角度分析,主要是为了评定计量器具是否准确,计量特性是否达到法定要求。
人们生活中常常接触到的加油业务、出租车业务以及体温计等,都需要进行计量检定,分析是否达到精准使用的要求,实施严格地控制,规范市场秩序,为人们提供精准地服务。
做好计量检定工作,关系到民生以及行业的健康发展,因此要高度重视。
二、影响计量检定质量的因素1.检定器具与检定条件。
计量检定工作的开展,必须要做好器具控制。
由于检定的对象差异,所以使用的检定仪器工具也都不同,因此要做好全面严格控制。
从以往的计量检定经验总结,若仪器设备不配套,则会影响检定的质量与效果。
除此之外,检定条件不符合规则,未严格按照操作的标准和要求执行,也会影响计量检定结果的真实性和有效性,因此必须要做好严格控制,选择配套的器具,创造适宜的条件,保证检定结果的真实性和有效性。
2.检定方法的选择和执行。
加油站使用的加油机需要检定,市场上的计量器需要检定,人们日常使用的温度计也需要检定。
检定对象类型过多,若想保证计量检定工作符合规范和要求,必须要结合对象的特点,选择适宜的检定方法,指导作业标准化开展和落实。
组织开展检定作业时,则需要遵循检定工作的规程和办法,控制好检定操作的细节和要点。
从检定工作实际分析,在检定操作的过程中存在着不规范情况,需做好检定流程和方法的规范,保障检定工作目标实现。
组织专门的负责人员,做好检定方法运用过程控制,高质量落实检定工作,实现检定的价值。
3.检定人员。
目前,很多地区都在积极推进计量放管服改革,力求提升互联网+计量政务服务能力与水平,实现计量器具强制检定的“最多跑一次”。
毛细管粘度计的不确定度评估----原油粘度的测定一、检测依据SY/T 5523-2000油田水分析方法二、检测过程描述按下列过程测定运动粘度:.使用如图所示的粘度计。
将粘度计调整为水平状态,利用铅垂线从两个相互垂直的方向去检查毛细管的垂直情况。
2.2.观测恒温水浴上面所插温度计读数,看是否达到50℃;若有出入,调整温度微调旋钮,使恒温水浴温度达到50℃;把装好试样的粘度计浸在50℃的恒温水浴内,恒温15min;利用毛细管粘度计管身1口所套的橡皮管将试样吸入扩张部分3,使试样液面稍高于标线a,并且注意不要让毛细管和扩张部分3的液体产生气泡或裂隙。
此时观察试样在管身中的流动情况,液面正好达到标线a时,开起秒表,液面正好流到标线b时,停止秒表。
试样的液面在扩张部分3流动时,注意恒温水浴中正在搅拌的液体要保持恒定温度,而且扩张部分中不应该出现气泡。
记录秒表记录的流动时间。
每个样品应重复测定至少四次,其中各次流动时间与其算术平均值的差数应符合:在温度50℃测定粘度时,这个差数应不超过算术平均值的±%,然后,取不少于三次的流动时间所得的算术平均值作为试样的平均流动时间。
运动粘度计算公式为:V t=c•τt。
其中c为粘度计常数,单位为mm2/s2 .τt为时间差。
三、分析确定测量量和溯源途径粘度计常数c可用有证标样整体溯源,或进行校准溯源。
四、不确定度来源分析建立不确定度来源因果图。
如下:五、建立测量模型V=c •τt •K •f T •f w •f g +a ref式子中,K 代表平均测量结果引入的对粘度计系数的修正值,其数值K=0i0V V ,0i V 为V 01,V 02,...V 0n 次测量的平均值。
f t 代表由温度引入的不确定度系数。
f w 代表由垂直度引入的不确定度系数。
fg 代表由固定程度引入的不确定度系数。
a ref 代表重复性引入的不确定度系数。
六、分析、评定和计算各测量值的标准不确定度、 在重复测量的过程中,垂直度、固定程度和在标准状况下测量的温度偏差引起的不确定度可以算入重复性不确定度而得到修正。
第25卷第7期2006年7月实验室研究与探索RESE ARCH AND EXP LORATI ON I N LABORAT ORYV ol.25N o.7Jul.2006对两种黏度计测量原理的分析与改进章新友1,周旭清1,章青2(1.江西中医学院,江西南昌330006;2.南昌大学,江西南昌330006摘要:通过分析物理实验教学中常用的两种黏度计的原理,指出它们都存在由测量原理带来的系统误差,并介绍一种能克服上述系统误差的黏度测量装置。
关键词:黏度计;原理分析;装置改进中图分类号:G 642文献标识码:A 文章编号:100627167(20060720754204Analysis of the Mea surement Principle of TwoVisco smeters and the ImprovementZH ANG Xin 2you 1,ZHOU Xu 2qing 1,ZH ANG Qing2(1.Jiangxi C ollege of T C M ,Nanchang 330006,China ;2.NanchangUniv.,Nanchang 330006Abstract :By analyzing the principle of tw o viscosimeters comm only used in physics experimental teaching ,this article proposed that both of them have the system errors from measurement principle ,and introduced a measuring equipment to eliminate the above system errors.K ey w ords :viscosimeter ;principle analysis ;equipemnt im provement收稿日期:2005211203作者简介:章新友(1962-,男,教授,主要研究方向:中医药物理学和中医工程学。
毛细管法测定液体黏度实验问题的讨论郭嘉泰;荆彦锋;牛晓东【摘要】就毛细管法测定液体黏度实验中的三个问题进行了详细的分析和解释.【期刊名称】《大学物理实验》【年(卷),期】2018(031)001【总页数】3页(P59-61)【关键词】毛细管黏度计;层流;泊肃叶定律;重力;黏性力【作者】郭嘉泰;荆彦锋;牛晓东【作者单位】长治医学院,山西长治 046000;长治医学院,山西长治 046000;长治医学院,山西长治 046000【正文语种】中文【中图分类】O357在医用物理学实验中常用毛细管法测定低黏性液体的黏度。
奥氏粘度计由于制作容易,操作简便,具有较高的测量精度,所以成为了毛细管法测定液体黏度的常用仪器,它特别适用于黏滞系数小的液体,如水、汽油、酒精、血浆或血清等的研究。
在临床上及医药行业被广泛使用。
笔者从事医学物理学理论教学和实验教学多年,从教学课题出发,对大多数医学物理实验进行了逐一研究分析,本研究就学生提出的毛细管法测定液体黏度的有关问题给出了较详尽的解释。
1 学生提出的问题学生提出的问题主要有三点:一是毛细管的毛细现象会不会影响管子两端的压强差?二是竖直管子两端的压强差真的就是ρgΔh吗?大家知道静止时是一定的,但当黏性液体流动时会克服黏性力做功,这时还会一样吗?三是泊肃叶公式[1]是从水平圆细管中得到的,式中Δp是进管口压强和出管口压强的差值,进管口压强大于出管口压强;而在实验时[2]要把毛细管沿铅直方向放置,压强差由重力引起,为Δp=ρgΔh,这时则是进管口压强小于出管口压强。
符合泊肃叶公式吗?2 对问题的分析讨论2.1 介绍仪器结构如图1所示,毛细管黏度计由U形的玻璃管构成,一边管子较粗,有一大玻璃泡A,另一边管子较细,有一小玻璃泡B。
小玻璃泡B的下端有一段毛细管L,小玻璃泡B上下两端各有一划痕m、n(涂为红色)。
实验时,流过毛细管的液体体积为小玻璃泡B内的体积,亦即液面从m下降到n时的体积,平均液面高度点b,大玻璃泡A内液面高度点a在大玻璃泡的中部,实验过程中基本不变。
毛细管粘度计检定误差影响因素分析及探讨
摘要:本文通过分析影响毛细管粘度计检定过程中产生误差的主要影响因素,提出降低检定误差的主要途径,从而为提高检定精度,获得正确的测量结果提供帮助。
关键词:毛细管粘度计检定途径
1 引言
毛细管粘度计的常数检定与很多因素有关,特别是温度影响、装液误差影响、装液温度与检定温度不一致造成的影响、垂直度影响、计时误差影响、震动影响等。
本文将通过讨论影响检定误差的主要因素,寻找提高检定精度的途径,以获得正确的测量结果。
2 影响毛细管粘度计检定的主要因素研究
2.1 温度因素的影响
我们一般选用相对法来检定工作毛细管粘度计的常数。
所以我们只要测量一定体积的标准粘度液流经毛细管的时间t,就可求得粘度计的常数。
众所周知粘度与温度的关系非常密切,温度是影响标准粘度液值的重要因素。
由于液体分子间距离小,分子热运动不如气体剧烈,其内摩擦主要是由分子引力引起的。
当温度升高时,分子间距离加大,引力减小,内摩擦也随之减小,故液体粘度随温度的升高而减少。
我们检定用的标准粘度液主要是精制石油和精制甲基硅油。
实验证明当温度变化±0.1℃时,石油粘度变化±0.5%,硅油粘度变化±0.2%。
所以温度变化将直接影响毛细管常数测定的准确性。
2.2 装液误差的影响
我们从泊肃叶公式可知,液体在粘度计中流动的快慢除与常数项有关外,还与两个量有关:一是重力加速度g,在g大的地点测得的流动时间t会偏小,在g小的地方则结果相反,但如果标准液定值和粘度计常数测定在同一地方则没有影响;另一个就是h(即上、下液面间的垂直距离),如果装液多了,h就小,流动就慢,装液少了h就大,流动就快,而流动时间直接影响粘度计常数测定的准确性。
这就要求我们熟知规程中有关平氏、乌氏、芬氏、逆流粘度计的装液规则,并熟练掌握操作程序。
2.3 垂直度调节误差的影响
实际检定工作中,由于缺乏责任心和经验及视觉误差等一些主观因素,往往会造成垂直度调节失误,带来倾斜误差。
2.4 计时误差的影响
计时正确的首要条件是要有分度值不大于0.1s的电子秒表或其他自动电子计时器,且必须周检合格(误差不超过0.05%)。
其次是要多练习眼力,启动秒表的瞬间应是液体弯月面的最低点与计时球下标线相切的瞬间(眼睛应与下标线平行,即当下标线成直线时)。
计时时思想要集中,手要快,尽量做到眼到、手到、时间到,保持三者的一致性。
2.5 震动的影响
重力式毛细管粘度计的检定原理,是用相对法测量一定体积的液体在重力作用下流经毛细管所需时间,从而求得粘度计的常数。
所以在整个检定过程中我们必须保证液体在毛细管中的流动是完全靠自然的重力作用,而不受任何震动的影响。
3 降低检定误差的主要途径探讨
3.1 正确存放标准粘度液
标准粘度液要装在清洁、干燥、密闭的玻璃瓶中(最好是深色玻璃瓶),特别要注意存放的地点要避光、清洁,以避免高、低温度的影响。
3.2 配备精密的控温、测温设备
因我国标准液的定值温度为20℃,所以在做毛细管常数检定时必须要求配备的高性能恒温槽达到如下技术指标:温度波动不得超过(20±0.01)℃,温场温差不超过(20±0.01)℃。
高分辨率的精密温度计(分度值为0.01℃)。
在检定过程中须随时关注温度的变化,必要时可做温度修正。
3.3 减少装液温度与检定温度不一致造成的影响
执行检定时的环境必须严格遵守JJG155一1991《工作毛细管粘度计检定规程》的规定:实验室温度与检定温度相差不应大于±2℃,即实验室环境须保持(20±2)℃。
如果偏离这个界定环境,那么势必影响检定的正确性。
因为当装液温度高于检定温度时,液体体积在检定槽内缩小,体积变小,也就是液体装得少了,影响h的大小(h为上液面与下液面之间的垂直距离)。
反之,体积大了,也就是液体大多了,h就小。
所以要尽量使环境温度接近恒温槽温度,最低限度的降低温度对检定的影响,以确保测量结果的准确性。
3.4 严格外观检查获得准确测量结果
多数检定工作者只是按照规程对毛细管粘度计进行外观检查,而忽略了对粘度计各部分尺寸的检查。
笔者在长期从事粘度检定工作中发现,由于国内毛细管粘度计厂家良秀不齐,其对产品的均匀性和毛细管内径的控制都不如国外的产
品。
标注为同一内径的粘度计测出的常数有时能相差1-2倍,导致装液选择错误而大大加长了流动时间,从而带来测量不确定因素的增加。
因此外部尺寸的检查非常重要。
3.5 清洗粘度计是检定前的重要环节
粘度计的清洗非常麻烦和繁琐。
但如果粘度计内壁清洗不干净,液体在里面流动时将受到不应有的阻力或滑动,直接影响流出时间的测定。
有时同一系列的粘度计重复测量液体的流动时间长短相差很大,造成重复性超差,使整组数据无效。
有时在一个系列里重复性没有超差,但进行平行测定时,两个系列数据超出允许误差范围,而不得不重新清洗,增加不必要的工作量。
与其这样,那么我们在第一次清洗时就要严格执行规程中的清洗程序,树立良好的从业习惯,认真对待每一个工作环节,那种偷徽、马虎、侥幸心理是坚决不能有的,否则只能是事倍功半。
3.6减少垂直度调节误差的影响
毛细管竖直部分只有垂直时(即cos900)函数值为零,水平分力为零,产生流动的外力等于自然重力,流动是正常的。
如调节稍有倾斜(即不是900),则函数值不为零,垂力分为垂直方向和水平方向两个力,产生流动的外力作用小于重力,液体流动变慢。
由于调节不垂直,直接影响上下液面间的垂直距离变化,影响h的大小。
故检定时要细心、认真,减少垂直度调节误差的影响。
3.7 减少震动误差的影响
怎样减少震动呢?首先恒温室和恒温槽要远离震源,并可在恒温槽脚下垫减震块,使整个装置处于平静无直接震源的环境中;其次检定过程中尽量不要去碰撞恒温槽,尤其是在计时过程中,以保证记录流动时间的真实性。
由运动粘度的计算公式中我们不难看出,对于毛细管粘度计的检定,流动时间是非常重要的一个量。
4 结论与认识
综上所述,毛细管粘度计检定误差主要来自温度、清洗、装液、垂直度调节、计时、震动等方面的影响,其实他们最终影响的就是流动时间。
所以为了获得准确无误的流动时间,我们必须重视这些因素,积极主动地将这些影响粘度计检定的因素减至最小程度。
使我们的检定真正做到科学、公正、准确。
参考文献
[1]陈惠钊.粘度测量.北京:中国计量出版社,1994.。