(2020)公差与配合形位公差表
- 格式:doc
- 大小:734.61 KB
- 文档页数:12
公差与配合(摘自GB1800 ~1804- 79)免费1.基本误差系列及配合种类.2 .标准公差值及孔和轴的极限误差值标准公差值 ( 基本尺寸大于6 至 500mm)基本尺寸公差等级mm IT5 IT6 IT7 IT8 IT9 IT10 IT11 IT12 >6~ 10 6 9 15 22 36 58 90 150 >10~18 8 11 18 27 43 70 110 180 >18~30 9 13 21 33 52 84 130 210 >30~50 11 16 25 39 62 100 160 250 >50~80 13 19 30 46 74 120 190 300 >80~ 120 15 22 35 54 87 140 220 350 >120~180 18 25 40 63 100 160 250 400 >180~250 20 29 46 72 115 185 290 460 >250~315 23 32 52 81 130 210 320 520 >315~400 25 36 57 89 140 230 360 570 >400~500 27 40 63 97 155 250 400 630孔的极限差值(基本尺寸由大于10 至 315mm)μ m 等基本尺寸m m公差带级>0~18 >18~30 >30~50 >50~80 >80~120 >120~180 >180~250 >250~315+77 +98 +119 +146 +174 +208 +242 +271 8+50 +65 +80 +100 +120 +145 +170 +190+93 +117 +142 +174 +207 +245 +285 +320 ▼ 9+50 +65 +80 +100 +120 +145 +170 +190 D+120 +149 +180 +220 +260 +305 +355 +40010+50 +65 +80 +100 +120 +145 +170 +190+160 +195 +240 +290 +340 +395 +460 +51011+50 +65 +80 +100 +120 +145 +170 +190公差带级>0~18>18~30>30~50>50~80>80~120>120~180 >180~250>250~315+43 +53 +66 +79 +94 +110 +129 +142 6+32 +40 +50 +60 +72 +85 +100 +110+50 +61 +75 +90 +107 +125 +146 +162 7+32 +40 +50 +60 +72 +85 +100 +110+59 +73 +89 +106 +126 +148 +172 +191E 8+32 +40 +50 +60 +72 +85 +100 +110+75 +92 +112 +134 +159 +185 +215 +240 9+32 +40 +50 +60 +72 +85 +100 +110+102 +124 +150 +180 +212 +245 +285 +32010+32 +40 +50 +60 +72 +85 +100 +110+27 +33 +41 +49 +58 +68 +79 +88 6+16 +20 +25 +30 +36 +43 +50 +56+34 +41 +50 +60 +71 +83 +96 +108 7+16 +20 +25 +30 +36 +43 +50 +56 F+43 +53 +64 +76 +90 +106 +122 +137 ▼8+16 +20 +25 +30 +36 +43 +50 +56+59 +72 +87 +104 +123 +143 +165 +186 9+16 +20 +25 +30 +36 +43 +50 +56+11 +13 +16 +19 +22 +25 +29 +32 60 0 0 0 0 0 0 0+18 +21 +25 +30 +35 +40 +46 +52 ▼7H 0 0 0 0 0 0 0 0+27 +33 +39 +46 +54 +63 +72 +81 ▼80 0 0 0 0 0 0 0+43 +52 +62 +74 +87+100 +115 +130 ▼90 0 0 0 0 0 0 0公差带级>0~18>18~30>30~50>50~80>80~120>120~180 >180~250>250~315+70 +84 +100 +120 +140 +160 +185 +210100 0 0 0 0 0 0 0+110 +130 +160 +190 +220 +250 +290 +320 ▼110 0 0 0 0 0 0 0+2 +2 +3 +4 +4 +4 +5 +5 6-9 - 11 -13 - 15 - 18 -21 - 24 - 27+6 +6 +7 +9 +10 +12 +13 +16 K ▼ 7- 12 - 15 -18 - 21 - 25 -28 - 33 - 36+8 +10 +12 +14 +16 +20 +22 +25 8- 19 - 23 -27 - 32 - 38 -43 - 50 - 56-9 - 11 -12 - 14 - 16 -20 - 22 - 25 6- 20 - 28 -24 - 33 - 38 -45 - 51 - 57-5 - 7 - 8 -9 - 10 -12 - 14 - 14 N ▼ 7- 23 - 28 -33 - 39 - 45 -52 - 60 - 66-3 - 3 - 3 -4 - 4 - 4 -5 - 5 8- 30 - 36 -42 - 50 - 58 -67 - 77 - 86- 15 - 18 -21 - 26 - 30 -36 - 41 - 47 6- 26 - 31 -37 - 45 - 52 -61 - 70 - 79 P- 11 - 14 -17 - 21 - 24 -28 - 33 - 36 ▼ 7- 29 - 35 -42 - 51 - 59 -68 - 79 - 88轴的极限误差(基本尺寸因为大于10 至 315mm)等基本尺寸m m公差带级>10~18 >18~30 >30~50 >50~80 >80~120 >120~180 >180~250 >250~315公差带级>10~18>18~30>30~50>50~80>80~120>120~180 >180~250>250~315d 6 - 50 -65 - 80 - 100 - 120 - 145 - 170 - 190- 61 -78 - 96 - 119 - 142 - 170 - 199 - 2227 - 50 -65 - 80 - 100 - 120 - 145 - 170 - 190- 68 -86 - 105 - 130 - 155 - 185 - 216 - 2428 - 50 -65 - 80 - 100 - 120 - 145 - 170 - 190- 77 -98 - 119 - 146 - 174 - 208 - 242 - 271 ▼ 9 - 50 -65 - 80 - 100 - 120 - 145 - 170 - 190- 93 -117 - 142 - 174 - 207 - 245 - 285 - 32010 - 50 -65 - 80 - 100 - 120 - 145 - 170 - 190- 120 -149 - 180 - 220 - 260 - 305 - 355 - 400f ▼ 7 - 16 -20 - 25 - 30 - 36 - 43 - 50 - 56- 34 -41 - 50 - 60 - 71 - 83 - 96 - 1088 - 16 -20 - 25 - 30 - 36 - 43 - 50 - 56- 43 -53 - 64 - 76 - 90 - 106 - 122 - 1379 - 16 -20 - 25 - 30 - 36 - 43 - 50 - 56- 59 -72 - 87 - 104 - 123 - 143 - 165 - 186g 5 - 6 -7 - 9 - 10 - 12 - 14 - 15 - 17- 14 -16 - 20 - 23 - 27 - 32 - 35 - 40 ▼ 6 - 6 -7 - 9 - 10 - 12 - 14 - 15 - 17- 17 -20 - 25 - 29 - 34 - 39 - 44 - 497 - 6 -7 - 9 - 10 - 12 - 14 - 15 - 17- 24 -28 - 34 - 40 - 47 - 54 - 61 - 69h 0 0 0 000005— 8 — 9 —11 — 13 — 15 —18 — 20 — 230 0 0 00000▼6— 11 — 13 —16 — 19 — 22 —25 — 29 — 32公差带级>10~18>18~30>30~50>50~80>80~120>120~180 >180~250>250~3150 0 0 0 0 0 0 0▼7— 18 — 21 —25 — 30 — 35 —40 — 46 — 520 0 0 0 0 0 0 08— 27 — 33 —39 — 46 — 54 —63 — 72 — 810 0 0 0 0 0 0 0▼9— 43 — 52 —62 — 74 — 87 — 100 — 115 —130K +9 +11 +13 +15 +18 +21 +24 +27 5+1 +2 +2 +2 +3 +3 +4 +4+12 +15 +18 +21 +25 +28 +33 +36 ▼6+1 +2 +2 +2 +3 +3 +3 +4+19 +23 +27 +32 +38 +43 +50 +56 7+1 +2 +2 +2 +3 +3 +4 +4M +15 +17 +20 +24 +28 +33 +37 +43 5+7 +8 +9 +11 +13 +15 +17 +20+18 +21 +25 +30 +35 +40 +46 +52 6+7 +8 +9 +11 +13 +15 +17 +20+25 +29 +34 +41 +48 +55 +63 +72 7+7 +8 +9 +11 +13 +15 +17 +20N +20 +24 +28 +33 +38 +45 +51 +57 5+12 +15 +17 +22 +23 +27 +31 +34+23 +28 +33 +39 +45 +52 +60 +66 ▼6+12 +15 +17 +20 +23 +27 +31 +34+30 +36 +42 +50 +58 +67 +77 +86 7+12 +15 +17 +20 +23 +27 +31 +34p +26 +31 +37 +45 +52 +61 +70 +79 5+18 +22 +26 +32 +37 +43 +50 +56公差带级>10~18>18~30>30~50>50~80>80~120>120~180 >180~250>250~315+29 +35 +42 +51 +59 +68 +79 +88 ▼6+18 +22 +26 +32 +37 +43 +50 +56+36 +43 +51 +62 +72 +83 +96 +108 7+18 +22 +26 +32 +37 +43 +50 +56 注:标明▼者为优先公差等级,应优先采用。
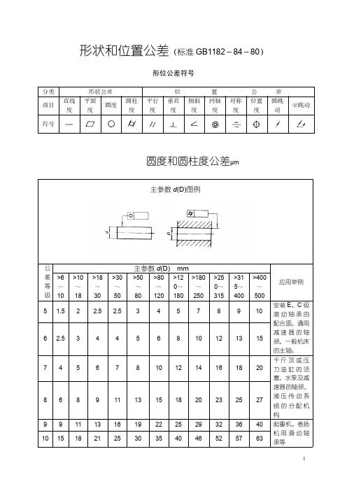
形状和位置公差(标准GB1182-84-80)形位公差符号圆度和圆柱度公差μm主参数d (D)图例公差等级主参数d (D)mm应用举例>6~10>10~18>18~30>30~50>50~80>80~120>120~180>180~250>250~315>315~400>400~50051.522.52.534578910安装E 、C 级滚动轴承的配合面,通用减速器的轴颈,一般机床的主轴。
6 2.534456*********745678101214161820千斤顶或压力油缸的活塞,水泵及减速器的轴颈,液压传动系统的分配机构868911131518202325279911131619222529323640起重机、卷扬机用滑动轴承等101518212530354046525763直线度和平面度公差μm主参数L 图例公差等级主要参数Lmm应用举例≤10>10~16>16~25>25~40>40~63>63~100>100~160>160~250>250~400>400~63052 2.534568101215普通精度的机床导轨6345681012152025756810121520253040轴承体的支承面,减速器的壳体,轴系支承轴承的接合面881012152025304050609121520253040506080100辅助机构及手动机械的支承面,液压管件和法兰的连接面1020253040506080100120150平行度、垂直度和倾斜度公差μm主参数L 、d (D)图例公差等级主参数L 、d (D )mm应用举例≤10>10~16>16~25>25~40>40~63>63~100>100~160>160~250>250~400>400~630556810121520253040垂直度用于发动机的轴和离合器的凸缘,装D 、E 级轴承和装C 、D 级轴承之箱体的凸肩68101215202530405060平行度用于中等精度钻模的工作面,7~10级精度齿轮传动壳体孔的中心线7121520253040506080100垂直度用于装F 、G 级轴承之壳体孔的轴线,按h6与g6连接的锥形轴减速机的机体孔中心线820253040506080100120150平行度用于重型机械轴承盖的端面、手动传动装置中的传动轴同轴度、对称度、圆跳动和全跳动公差确定μm主参数d(D)、B、L图例公差等级主参数d(D)、B、Lmm应用举例>3~6>6~10>10~18>18~30>30~50>50~120>120~250>250~5005345681012156和7级精度齿轮轴的配合面,较高精度的快速轴,较高精度机床的轴套6568101215202578101215202530408和9级精度齿轮轴的配合面,普通精度高速轴(100r/min以下),长度在1m 以下的主传动轴,起重运输机的鼓轮配合孔和导轮的滚动面M1215202530405060表面粗糙度表面粗糙度R a值的应用范围粗糙度代号光洁度代号表面形状、特征加工方法应用范围ⅠⅡ除净毛刺铸、锻、冲压、热轧、冷轧用于保持原供应状况的表面微见刀痕粗车,刨,立铣,平铣,钻毛坯粗加工后的表面可见加工痕迹车,镗,刨,钻,平铣,立铣,锉,粗铰,磨,铣齿比较精确的粗加工表面,如车端面、倒角微见加工痕迹车,镗,刨,铣,刮1~2点/cm2,拉,磨,锉滚压,铣齿不重要零件的非结合面,如轴、盖的端面,倒角,齿轮及皮带轮的侧面、平键及键槽的上下面,轴或孔的退刀槽看不见加工痕迹车,镗,刨,铣,铰,拉,磨,滚压,铣齿,刮1~2点/cm2IT12级公差的零件的结合面,如盖板、套筒等与其它零件联接但不形成配合的表面,齿轮的非工作面,键与键槽的工作面,轴与毡圈的摩擦面可辨加工痕迹的方向车,镗,拉,磨,立铣,铰,滚压,刮3~10点/cm2IT8~IT12级公差的零件的结合面,如皮带轮的工作面,普通精度齿轮的齿面,与低精度滚动轴承相配合的箱体孔微辨加工痕迹的方向铰,磨,镗,拉,滚压,刮3~10点/cm2IT6~IT8厅级公差的零件的结合面;与齿轮、蜗轮、套筒等的配合面;与高精度滚动轴承相配合的轴颈;7级精度大小齿轮的工作面;滑动轴承轴瓦的工作面;7~8级精度蜗杆的齿面不可辨加工痕迹的方向布轮磨,磨,研磨,超级加工IT5、IT6级公差的零件的结合面,与C级精度滚动轴承配合的轴颈;3、4、5级精度齿轮的工作面暗光泽面超级加工仪器导轨表面;要求密封的液压传动的工作面;塞的外表面;活汽缸的内表面注:1.粗糙度代号I为第一种过渡方式。
公差与配合1.基本偏差系列及配合种类.2.标准公差值及孔和轴的极限偏差值标准公差值(基本尺寸大于6至500mm)基本尺寸mm 公差等级IT5IT6IT7IT8IT9IT10IT11IT12>6~10 >10~18>18~30 >30~50 >50~80 >80~120 >120~180>180~250>250~315>315~400>400~50068911131518202325279111316192225293236401518212530354046525763222733394654637281899736435262748710011513014015558708410012014016018521023025090110130160190220250290320360400150180210250300350400460520570630孔的极限差值(基本尺寸由大于10至315mm)μm轴的极限偏差(基本尺寸由于大于10至315mm)注:标注▼者为优先公差等级,应优先选用。
形状和位置公差(摘自GB1182~1184-80)形位公差符号分类形状公差位置公差项目直线度平面度圆度圆柱度平行度垂直度倾斜度同轴度对称度位置度圆跳动全跳动符号圆度和圆柱度公差μm主参数d(D)图例公差等级主参数d(D) mm应用举例>6~10>10~18>18~30>30~50>50~80>80~120>120~180>180~250>250~315>315~400>400~5005234578910安装E、C级滚动轴承的配合面,通用减速器的轴颈,一般机床的主轴。
634456********* 745678101214161820千斤顶或压力油缸的活塞,水泵及减速器的轴颈,液压传动系统的分配机构86891113151820232527 9911131619222529323640起重机、卷扬机用滑动轴承等101518212530354046525763直线度和平面度公差μm主参数L图例公差等级主要参数L mm应用举例≤10>10~16>16~25>25~40>40~63>63~100>100~160>160~250>250~400>400~6305234568101215普通精度的机床导轨6345681012152025756810121520253040轴承体的支承面,减速器的壳体,轴系支承轴承的接合面881012152025304050609121520253040506080100辅助机构及手动机械的支承面,液压管件和法兰的连接面1020253040506080100120150平行度、垂直度和倾斜度公差μm公差等级主参数L、d(D)mm应用举例≤10>10~16>16~25>25~40>40~63>63~100>100~160>160~250>250~400>400~630556810121520253040垂直度用于发动机的轴和离合器的凸缘,装D、E级轴承和装C、D级轴承之箱体的凸肩68101215202530405060平行度用于中等精度钻模的工作面,7~10级精度齿轮传动壳体孔的中心线7121520253040506080100垂直度用于装F、G 级轴承之壳体孔的轴线,按h6与g6连接的锥形轴减速机的机体孔中心线820253040506080100120150平行度用于重型机械轴承盖的端面、手动传动装置中的传动轴同轴度、对称度、圆跳动和全跳动公差确良μm公差等级主参数d(D)、B、Lmm应用举例>3~6>6~10>10~18>18~30>30~50>50~120>120~250>250~5005345681012156和7级精度齿轮轴的配合面,较高精度的快速轴,较高精度机床的轴套6568101215202578101215202530408和9级精度齿轮轴的配合面,普通精度高速轴(100r/min以下),长度在1m以下的主传动轴,起重运输机的鼓轮配合孔和导轮的滚动面M1215202530405060表面粗糙度表面粗糙度R值的应用范围粗糙度代号光洁度代号表面形状、特征加工方法应用范围ⅠⅡ除净毛刺铸、锻、冲压、热轧、冷轧用于保持原供应状况的表面微见刀痕粗车,刨,立铣,平铣,钻毛坯粗加工后的表面可见加工痕迹车,镗,刨,钻,平铣,立铣,锉,粗铰,磨,铣齿比较精确的粗加工表面,如车端面、倒角微见加工痕迹车,镗,刨,铣,刮1~2点/cm2,拉,磨,锉滚压,铣齿不重要零件的非结合面,如轴、盖的端面,倒角,齿轮及皮带轮的侧面、平键及键槽的上下面,轴或孔的退刀槽看不见加工痕迹车,镗,刨,铣,铰,拉,磨,滚压,铣齿,刮1~2点/cm2IT12级公差的零件的结合面,如盖板、套筒等与其它零件联接但不形成配合的表面,齿轮的非工作面,键与键槽的工作面,轴与毡圈的摩擦面可辨加工痕迹的方向车,镗,拉,磨,立铣,铰,滚压,刮3~10点/cm2IT8~IT12级公差的零件的结合面,如皮带轮的工作面,普通精度齿轮的齿面,与低精度滚动轴承相配合的箱体孔微辨加工痕迹的方向铰,磨,镗,拉,滚压,刮3~10点/cm2IT6~IT8厅级公差的零件的结合面;与齿轮、蜗轮、套筒等的配合面;与高精度滚动轴承相配合的轴颈;7级精度大小齿轮的工作面;滑动轴承轴瓦的工作面;7~8 级精度蜗杆的齿面不可辨加工痕迹的方向布轮磨,磨,研磨,超级加工IT5、IT6级公差的零件的结合面,与C级精度滚动轴承配合的轴颈;3、4、5级精度齿轮的工作面暗光泽面超级加工仪器导轨表面;要求密封的液压传动的工作面;塞的外表面;活汽缸的内表面注:1. 粗糙度代号I为第一种过渡方式。
公差与配合标准表————————————————————————————————作者:————————————————————————————————日期:公差与配合(摘自GB1800~1804-79) 1.基本偏差系列及配合种类.2.标准公差值及孔和轴的极限偏差值标准公差值(基本尺寸大于6至500mm)基本尺寸mm公差等级IT5 IT6IT7 IT8 IT9 IT10 IT11 IT12>6~10>10~18>18~30 >30~50 >50~80 >80~120>120~180 >180~250 >250~315>315~400>400~50068911131518202325279111316192225293236401518212530354046525763222733394654637281899736435262748710011513014015558708410012014016018521023025090110130160190220250290320360400150180210250300350400460520570630孔的极限差值(基本尺寸由大于10至315mm) μm公差带等级基本尺寸mm>0~18>18~30 >30~50 >50~80 >80~120>120~180 >180~250>250~315D8+77+50+98+65+119+80+146+100+174+120+208+145+242+170+271+190 ▼9+93+50+117+65+142+80+174+100+207+120+245+145+285+170+320+190 10+120+50+149+65+180+80+220+100+260+120+305+145+355+170+400+19011+160+50+195+65+240+80+290+100+340+120+395+145+460+170+510+190公差带级>0~18>18~30 >30~50 >50~80 >80~120>120~180 >180~250>250~315E 6+43+32+53+40+66+50+79+60+94+72+110+85+129+100+142+110 7+50+32+61+40+75+50+90+60+107+72+125+85+146+100+162+110 8+59+32+73+40+89+50+106+60+126+72+148+85+172+100+191+110 9+75+32+92+40+112+50+134+60+159+72+185+85+215+100+240+11010+102+32+124+40+150+50+180+60+212+72+245+85+285+100+320+110F6+27+16+33+20+41+25+49+30+58+36+68+43+79+50+88+56 7+34+16+41+20+50+25+60+30+71+36+83+43+96+50+108+56 ▼8+43+16+53+20+64+25+76+30+90+36+106+43+122+50+137+569+59+16+72+20+87+25+104+30+123+36+143+43+165+50+186+56H6+11+130+16+19+22+250+290+320▼7+18+210+25+300+35+40+46+520 ▼8+27+33+39+46+54+63+72+810 ▼9+43+52+62+74+87+1000+115+130公差带级>0~18>18~30 >30~50 >50~80 >80~120>120~180 >180~250>250~31510+700 +84+100+120+1400+1600+185+210▼11+1100 +130+160+190+2200+250+290+320K6+2-9+2-11+3-13+4-15+4-18+4-21+5-24+5-27 ▼7+6-12+6-15+7-18+9-21+10-25+12-28+13-33+16-36 8+8-19+10-23+12-27+14-32+16-38+20-43+22-50+25-56N6-9-20-11-28-12-24-14-33-16-38-20-45-22-51-25-57 ▼7-5-23-7-28-8-33-9-39-10-45-12-52-14-60-14-66 8-3-30-3-36-3-42-4-50-4-58-4-67-5-77-5-86P6-15-26-18-31-21-37-26-45-30-52-36-61-41-70-47-79 ▼7-11-29-14-35-17-42-21-51-24-59-28-68-33-79-36-88 轴的极限偏差 (基本尺寸由于大于10至315mm)公差带等级基本尺寸m m>10~18>18~30 >30~50 >50~80>80~120>120~180 >180~250>250~315公差带级>10~18>18~30 >30~50 >50~80>80~120>120~180 >180~250>250~315d6-50-61 -65-78-80-96-100-119-120-142-145-170-170-199-190-2227 -50-68 -65-86-80-105-100-130-120-155-145-185-170-216-190-2428 -50-77 -65-98-80-119-100-146-120-174-145-208-170-242-190-271▼9-50-93 -65-117-80-142-100-174-120-207-145-245-170-285-190-32010 -50-120 -65-149-80-180-100-220-120-260-145-305-170-355-190-400f▼7-16-34 -20-41-25-50-30-60-36-71-43-83-50-96-56-1088 -16-43-20-53-25-64-30-76-36-90-43-106-50-122-56-1379 -16-59 -20-72-25-87-30-104-36-123-43-143-50-165-56-186g 5 -6-14 -7-16-9-20-10-23-12-27-14-32-15-35-17-40▼6-6-17 -7-20-9-25-10-29-12-34-14-39-15-44-17-497 -6-24-7-28-9-34-10-40-12-47-14-54-15-61-17-69h5—8—90—110—130—15—180—20—23公差带级>10~18>18~30 >30~50 >50~80>80~120>120~180 >180~250>250~315▼6—11—13—160—19—22—25—290—32▼70—180—21—250—30—35—40—460—528—27—33—39—46—54—630—72—81▼9—43—52—62—74—87—1000—115—130K5+9+1+11+2+13+2+15+2+18+3+21+3+24+4+27+4▼6+12+1+15+2+18+2+21+2+25+3+28+3+33+3+36+47+19+1 +23+2+27+2+32+2+38+3+43+3+50+4+56+4M5+15+7 +17+8+20+9+24+11+28+13+33+15+37+17+43+206+18+7 +21+8+25+9+30+11+35+13+40+15+46+17+52+207+25+7+29+8+34+9+41+11+48+13+55+15+63+17+72+20N5+20+12 +24+15+28+17+33+22+38+23+45+27+51+31+57+34▼6+23+12+28+15+33+17+39+20+45+23+52+27+60+31+66+347+30+12 +36+15+42+17+50+20+58+23+67+27+77+31+86+34公差带级>10~18>18~30 >30~50 >50~80>80~120>120~180 >180~250>250~315p5+26+18 +31+22+37+26+45+32+52+37+61+43+70+50+79+56▼6+29+18+35+22+42+26+51+32+59+37+68+43+79+50+88+567+36+18+43+22+51+26+62+32+72+37+83+43+96+50+108+56注:标注▼者为优先公差等级,应优先选用。
公差与配合(摘自GB1800~1804-79)免费1.基本偏差系列及配合种类.2.标准公差值及孔和轴的极限偏差值标准公差值(基本尺寸大于6至500mm)孔的极限差值(基本尺寸由大于10至315mm)μm轴的极限偏差(基本尺寸由于大于10至315mm)注:标注▼者为优先公差等级,应优先选用。
形状和位置公差(摘自GB1182~1184-80)形位公差符号分类形状公差位置公差项目直线度平面度圆度圆柱度平行度垂直度倾斜度同轴度对称度位置度圆跳动全跳动符号圆度和圆柱度公差μm 主参数d(D)图例直线度和平面度公差μm主参数L图例公差等级主要参数L mm应用举例≤10>10~16>16~25>25~40>40~63>63~100>100~160>160~250>250~400>400~6305234568101215普通精度的机床导轨6345681012152025 756810121520253040轴承平行度、垂直度和倾斜度公差μm主参数L、d (D)图例公差等级主参数L、d(D) mm应用举例≤10>10~16>16~25>25~40>40~63>63~100>100~160>160~250>250~400>400~630556810121520253040垂直度用于发动机的轴和离合器的凸缘,装D、E级轴承和装C、D级轴面、手动传动装置中的传动轴同轴度、对称度、圆跳动和全跳动公差确良μm主参数d(D)、B、L图例公差等级主参数d(D)、B、Lmm应用举例>3~6>6~10>10~18>18~30>30~50>50~120>120~250>250~500表面粗糙度表面粗糙度R a值的应用范围粗糙度代号光洁度代号表面形状、特征加工方法应用范围ⅠⅡ除净毛刺铸、锻、冲压、热轧、冷轧用于保持原供应状况的表面微见刀痕粗车,刨,立铣,平铣,钻毛坯粗加工后的表面可见加工痕迹车,镗,刨,钻,平铣,立铣,锉,粗铰,磨,铣齿比较精确的粗加工表面,如车端面、倒角微见加工痕迹车,镗,刨,铣,刮1~2点/cm2,拉,磨,不重要零件的非结合面,如轴、盖的端面,倒角,齿轮及皮带轮的侧面、平键及键槽的上锉滚压,铣齿下面,轴或孔的退刀槽看不见加工痕迹车,镗,刨,铣,铰,拉,磨,滚压,铣齿,刮1~2点/cm2IT12级公差的零件的结合面,如盖板、套筒等与其它零件联接但不形成配合的表面,齿轮的非工作面,键与键槽的工作面,轴与毡圈的摩擦面可辨加工痕迹的方向车,镗,拉,磨,立铣,铰,滚压,刮3~10点/cm2IT8~IT12级公差的零件的结合面,如皮带轮的工作面,普通精度齿轮的齿面,与低精度滚动轴承相配合的箱体孔微辨加工痕迹的方向铰,磨,镗,拉,滚压,刮3~10点/cm2IT6~IT8厅级公差的零件的结合面;与齿轮、蜗轮、套筒等的配合面;与高精度滚动轴承相配合的轴颈;7级精度大小齿轮的工作面;滑动轴承轴瓦的工作面;7~8级精度蜗杆的齿面不可辨加工痕迹的方向布轮磨,磨,研磨,超级加工IT5、IT6级公差的零件的结合面,与C级精度滚动轴承配合的轴颈;3、4、5级精度齿轮的工作面暗光泽面超级加工仪器导轨表面;要求密封的液压传动的工作面;塞的外表面;活汽缸的内表面注:1. 粗糙度代号I为第一种过渡方式。
标注公差、基本偏差、配合、基准制和形位公差1.标准公差和基本偏差为便于生产,实现零件的互换性及满足不同的使用要求,国家标准《极限与配合》规定了公差带由标准公差和基本偏差两个要素组成。
标准公差确定公差带的大小,而基本偏差确定公差带的位置。
1)标准公差(IT)标准公差的数值由基本尺寸和公差等级来决定。
其中公差等级是确定尺寸精确程度的标记。
标准公差分为20级,即IT01,IT0,IT1,…,IT18。
其尺寸精确程度从IT01到IT18依次降低。
标准公差的具体数值见有关标准。
2)基本偏差基本偏差是指在标准的极限与配合中,确定公差带相对零线位置的上偏差或下偏差,一般指靠近零线的那个偏差。
当公差带在零线的上方时,基本偏差为下偏差;反之,则为上偏差。
基本偏差共有28个,代号用拉丁字母表示,大写为孔,小写为轴。
从基本偏差系列图中可以看出:孔的基本偏差A~H和轴的基本偏差k~zc为下偏差;,孔的基本偏差K~ZC和轴的基本偏差a~h为上偏差,JS和js的公差带对称分布于零线两边、孔和轴的上、下偏差分别都是+IT/2、-IT/2。
基本偏差系列图只表示公差带的位置,不表示公差的大小,因此,公差带一端是开口,开口的另一端由标准公差限定。
基本偏差和标准公差,根据尺寸公差的定义有以下的计算式:ES=EI+IT 或EI=ES-IT ei=es-IT或es=ei+IT孔和轴的公差带代号用基本偏差代号与公差带等级代号组成。
2.配合基本尺寸相同的、相互结合的孔和轴公差带之间的关系,称为配合。
根据使用要求的不同,孔和轴之间的配合有松有紧,因而国标规定配合种类:1)间隙配合孔与轴装配时,有间隙(包括最小间隙等于零)的配合。
孔的公差带在轴的公差带之上。
2)过渡配合孔与轴装配时,可能有间隙或过盈的配合。
孔的公差带与轴的公差带互相交叠。
3)过盈配合孔与轴装配时有过盈(包括最小过盈等于零)的配合。
孔的公差带在轴的公差带之下。
3.基准制在制造配合的零件时,使其中一种零件作为基准件,它的基本偏差一定,通过改变另一种非基准件的基本偏差来获得各种不同性质配合的制度称为基准制。
公差/值(tolerance/value) ['tɔlərəns] ['vælju:]基本尺寸(basic size) ['beisik]偏差(deviation) [,di:vi'eiʃən]上/下偏差(upper/lower deviation) ['ʌpə] ['ləuə]配合/间隙配合/过盈配合/过渡配合(fit/clearance fit/interference fit/ transition fits) ['fit] ['kliərəns] [,intə'fiərəns] [træn'siʒən, -'ziʃən, trɑ:n-]单/双边公差(unilateral/bilateral tolerance) [,ju:ni'lætərəl] [,bai'lætərəl]标准/精度公差(standard/ precision tolerance) ['stændəd] [pri'siʒən]基准/特征/点/线/平面/轴线(datum/feature/point/line/ plane/axis) ['deitəm] ['fi:tʃə] [pɔint] [plein] ['æksis]最大/小材料状态(M/LMC=maximum/least material condition) ['mæksiməm] [li:st] [mə'tiəriəl] [kən'diʃən]理论正确尺寸(theoretical size ) [,θiə'retikəl, ,θi:ə-]基本尺寸(basic dimension) [di'menʃən]直径/半径(diameter/radius) [dai'æmitə] ['reidiəs]直线度(straightness) ['streitnis]平面度(flatness) ['flætnis]圆度(circularity) [,sə:kju'lærəti]圆柱度(cylindricity)线轮廓度(profile of a line) ['prəufail]面轮廓度(profile of a surface) ['sə:fis] 表面;表层;外观['prəufail]轮廓;外形定向公差(orientation tolerance) [,ɔ:rien'teiʃən, əu-]平行度(parallelism) ['pærəlelizəm]垂直度(perpendicularity) ['pə:pen,dikju'læriti]倾斜度(角度) (angularity) [,æŋɡju'lærəti]位置度(position)对称度(symmetry) ['simitri]同轴度(同心度) (concentricity) [kɔnsen'trisiti]圆跳动(circular runout) ['sə:kjulə] ['rʌnaut]全跳动(total runout) ['təutəl] 全部的;完全的;整个的.总数,合计坐标尺寸(coordinate dimensioning) [kəu'ɔ:dinit] [di'menʃəniŋ]尺寸标注;标示尺寸几何尺寸(geometric dimensioning) [dʒiəu'metrik]拔模斜度(draft angle) [drɑ:ft, dræft] ['æŋɡl]分型线(parting line) ['pɑ:tiŋ]外圆角/内圆角拔模斜度(rounds/fillets draft) [raunds] ['filits]肋材和尖角(rib and corner) [rib] ['kɔ:nə]顶/测/端视图(top/side/ end view) [tɔp] [vju:]。
公差与配合(摘自GB1800~1804-79)
1.基本偏差系列及配合种类
.2.标准公差值及孔和轴的极限偏差值
孔的极限差值(基本尺寸由大于10至315mm)μm
轴的极限偏差(基本尺寸由于大于10至315mm)
注:标注▼者为优先公差等级,应优先选用。
形状和位置公差(摘自GB1182~1184-80)
形位公差符号
圆度和圆柱度公差μm
主参数d(D)图例
直线度和平面度公差μm 主参数L图例
平行度、垂直度和倾斜度公差μm 主参数L、d (D)图例
同轴度、对称度、圆跳动和全跳动公差确良μm 主参数d(D)、B、L图例
表面粗糙度
值的应用范围
表面粗糙度R
5,R a的最大允许值取6.3。
因此,在不影响原表面粗糙要求的情况下,取该值有利于加工。
2. 粗糙度代号Ⅱ为第2种过渡方式。
它是取新国标中相应最靠近的上一档的第1系列值,如原光洁度为▽5,R a的最
大允许值取3.2。
因此,取该值提高了原表面粗糙度的要求和加工的成本。
公差与配合(摘自GB1800~1804-79)
1.基本偏差系列及配合种类
.2.标准公差值及孔和轴的极限偏差值
孔的极限差值(基本尺寸由大于10至315mm)μm
轴的极限偏差(基本尺寸由于大于10至315mm)
注:标注▼者为优先公差等级,应优先选用。
形状和位置公差(摘自GB1182~1184-80)
形位公差符号
圆度和圆柱度公差μm
主参数d(D)图例
直线度和平面度公差μm 主参数L图例
平行度、垂直度和倾斜度公差μm
主参数L、d (D)图例
同轴度、对称度、圆跳动和全跳动公差确良 μm
主参数d(D)、B 、L 图例
表面粗糙度
表面粗糙度R a 值的应用范围
注:1. 粗糙度代号I为第一种过渡方式。
它是取新国标中相应最靠近的下一档的第1系列值,如原光洁度(旧国标)为▽5,R a的最大允许值取6.3。
因此,在不影响原表面粗糙要求的情况下,取该值有利于加工。
2. 粗糙度代号Ⅱ为第2种过渡方式。
它是取新国标中相应最靠近的上一档的第1系列值,如原光洁度为▽5,R a
的最大允许值取3.2。
因此,取该值提高了原表面粗糙度的要求和加工的成本。
公差与配合(摘自GB1800~1804-79)免费1.基本偏差系列及配合种类.2.标准公差值及孔和轴的极限偏差值标准公差值(基本尺寸大于6至500mm)孔的极限差值(基本尺寸由大于10至315mm)μm轴的极限偏差(基本尺寸由于大于10至315mm)公差带级>10~18>18~30 >30~50 >50~80 >80~120>120~180 >180~250>250~315 ▼6+29+18+35+22+42+26+51+32+59+37+68+43+79+50+88+56 7+36+18+43+22+51+26+62+32+72+37+83+43+96+50+108+56注:标注▼者为优先公差等级,应优先选用。
形状和位置公差(摘自GB1182~1184-80)形位公差符号分类形状公差位置公差项目直线度平面度圆度圆柱度平行度垂直度倾斜度同轴度对称度位置度圆跳动全跳动符号圆度和圆柱度公差μm主参数d(D)图例公差等级主参数d(D) mm应用举例>6~10>10~18>18~30>30~50>50~80>80~120>120~180>180~250>250~315>315~400>400~5005 1.5 2 2.5 2.5 3 4 5 7 8 9 10安装E、C级滚动轴承的配合面,通用减速器的轴颈,一般机床的主轴。
6 2.5 3 4 4 5 6 8 10 12 13 157 4 5 6 7 8 10 12 14 16 18 20千斤顶或压力油缸的活塞,水泵及减速器的轴颈,液压传动系统的分配机构8 6 8 9 11 13 15 18 20 23 25 279 9 11 13 16 19 22 25 29 32 36 40 起重机、卷扬机用滑动轴承等10 15 18 21 25 30 35 40 46 52 57 63直线度和平面度公差μm 主参数L图例公主要参数L mm 应用举例差等级≤10>10~16>16~25>25~40>40~63>63~100>100~160>160~250>250~400>400~6305 2 2.5 3 4 56 8 10 12 15 普通精度的机床导轨6 3 4 5 6 8 10 12 15 20 257 5 6 8 10 12 15 20 25 30 40 轴承体的支承面,减速器的壳体,轴系支承轴承的接合面8 8 10 12 15 20 25 30 40 50 609 12 15 20 25 30 40 50 60 80 100辅助机构及手动机械的支承面,液压管件和法兰的连接面10 20 25 30 40 50 60 80 100 120 150平行度、垂直度和倾斜度公差μm主参数L、d (D)图例公差主参数L、d(D)mm 应用举例同轴度、对称度、圆跳动和全跳动公差确良μm主参数d(D)、B、L图例公差等级主参数d(D)、B、Lmm应用举例>3~6 >6~10>10~18>18~30>30~50>50~120>120~250>250~5005 3 4 56 8 10 12 156和7级精度齿轮轴的配合面,较高精度的快速轴,较高精度机床的轴套6 5 6 8 10 12 15 20 257 8 10 12 15 20 25 30 40 8和9级精度齿轮轴的配合面,普通精度高速轴(100r/min以下),长度在1m以下的主传动轴,起重运输机的鼓轮配合孔和导轮的滚动面M 12 15 20 25 30 40 50 60 表面粗糙度表面粗糙度R a值的应用范围粗糙度代号光洁度代号表面形状、特征加工方法应用范围ⅠⅡ除净毛刺铸、锻、冲压、热轧、冷轧用于保持原供应状况的表面微见刀痕粗车,刨,立铣,平铣,钻毛坯粗加工后的表面可见加工痕迹车,镗,刨,钻,平铣,立铣,锉,粗铰,磨,铣齿比较精确的粗加工表面,如车端面、倒角微见加工痕迹车,镗,刨,铣,刮1~2点/cm2,拉,磨,锉滚压,铣齿不重要零件的非结合面,如轴、盖的端面,倒角,齿轮及皮带轮的侧面、平键及键槽的上下面,轴或孔的退刀槽看不见加工痕迹车,镗,刨,铣,铰,拉,磨,滚压,铣齿,刮1~2点/cm2IT12级公差的零件的结合面,如盖板、套筒等与其它零件联接但不形成配合的表面,齿轮的非工作面,键与键槽的工作面,轴与毡圈的摩擦面可辨加工痕迹的方向车,镗,拉,磨,立铣,铰,滚压,刮3~10点/cm2IT8~IT12级公差的零件的结合面,如皮带轮的工作面,普通精度齿轮的齿面,与低精度滚动轴承相配合的箱体孔微辨加工痕迹的方向铰,磨,镗,拉,滚压,刮3~10点/cm2IT6~IT8厅级公差的零件的结合面;与齿轮、蜗轮、套筒等的配合面;与高精度滚动轴承相配合的轴颈;7级精度大小齿轮的工作面;滑动轴承轴瓦的工作面;7~8 级精度蜗杆的齿面不可辨加工痕迹的方向布轮磨,磨,研磨,超级加工IT5、IT6级公差的零件的结合面,与C级精度滚动轴承配合的轴颈;3、4、5级精度齿轮的工作面暗光泽面超级加工仪器导轨表面;要求密封的液压传动的工作面;塞的外表面;活汽缸的内注:1. 粗糙度代号I为第一种过渡方式。
长度单位:1毫米=1000微米公差与配合(摘自GB1800~1804-79)1.基本偏差系列及配合种类.2.标准公差值及孔和轴的极限偏差值标准公差值(基本尺寸大于6至500mm) μm孔的极限差值(基本尺寸由大于10至315mm)μm轴的极限偏差(基本尺寸由于大于10至315mm)注:标注▼者为优先公差等级,应优先选用。
形状和位置公差(摘自GB1182~1184-80)形位公差符号圆度和圆柱度公差 μm主参数d (D)图例直线度和平面度公差 μm主参数L 图例平行度、垂直度和倾斜度公差 μm 主参数L 、d (D)图例同轴度、对称度、圆跳动和全跳动公差确良 μm主参数d(D)、B 、L 图例表面粗糙度表面粗糙度R a值的应用范围注:1. 粗糙度代号I为第一种过渡方式。
它是取新国标中相应最靠近的下一档的第1系列值,如原光洁度(旧国标)为▽5,R a的最大允许值取6.3。
因此,在不影响原表面粗糙要求的情况下,取该值有利于加工。
2. 粗糙度代号Ⅱ为第2种过渡方式。
它是取新国标中相应最靠近的上一档的第1系列值,如原光洁度为▽5,R a的最大允许值取3.2。
因此,取该值提高了原表面粗糙度的要求和加工的成本。
机械加工自由公差2011-02-28 09:32何谓自由尺寸公差?旧国标(HG)159-59中,在基准件公差上,把精度等级分成 12级。
取自其中8、9两级精度基准件公差,称为自由尺寸公差。
将偏差分为;单向(+)或(-)、双向(±)二种。
在自由尺寸公差的注解中提示;① 自由尺寸公差仅适用于机械加工表面。
② 自由尺寸公差在工作图上不标注。
③ 单向偏差对于轴用(-)号,对于孔、孔深、槽宽、螬深及槽长用(+)号,其余均用双向正负偏差(±)。
④ 不能纳入上述明确原则的自由尺寸,且有单向偏差要求时,设计者应在工图中注出,否则按双向偏差制造。
修定后国标(GB)1800-79中,标准公差分20级。
即;IT01、IT0、IT1至IT18。
公差与配合形位公差表
公差与配合(摘自GB1800~1804-79)1.基本偏差系列及配合种类
.2.标准公差值及孔和轴的极限偏差值
基本尺寸mm
公差等级
IT5 IT6 IT7 IT8 IT9 IT10 IT11 IT12
轴的极限偏差(基本尺寸由于大于10至315mm)
形状和位置公差(摘自GB1182~1184-80)
形位公差符号
分类形状公差位置公差
项目
直线
度
平面
度
圆度
圆柱
度
平行
度
垂直
度
倾斜
度
同轴
度
对称
度
位置
度
圆跳
动
全跳动符号
圆度和圆柱度公差μm
主参数d(D)图例
公
差
等
级
主参数d(D) mm
应用举例>6
~
10
>10
~18
>18
~30
>30
~50
>50~
80
>80
~
120
>120
~
180
>180
~250
>250
~
315
>315
~
400
>400
~500
5 1.5 2 2.5 2.5 3 4 5 7 8 9 10
安装E、C级滚
动轴承的配合
面,通用减速器
的轴颈,一般机
床的主轴。
6 2.5 3 4 4 5 6 8 10 12 13 15
7 4 5 6 7 8 10 12 14 16 18 20
千斤顶或压力
油缸的活塞,水
泵及减速器的
轴颈,液压传动
系统的分配机
构
8 6 8 9 11 13 15 18 20 23 25 27
9 9 11 13 16 19 22 25 29 32 36 40 起重机、卷扬机
用滑动轴承等10 15 18 21 25 30 35 40 46 52 57 63
直线度和平面度公差μm 主参数L图例
公差等级
主要参数L mm
应用举例≤
10
>10~
16
>16~
25
>25~
40
>40~
63
>63~
100
>100~
160
>160~
250
>250~
400
>400~
630
5 2 2.5 3 4 5
6 8 10 12 15
普通精度的机
床导轨
6 3 4 5 6 8 10 12 15 20 25
7 5 6 8 10 12 15 20 25 30 40
轴承体的支承面,减速器的壳体,轴系支承轴承的接合面
8 8 10 12 15 20 25 30 40 50 60
9 12 15 20 25 30 40 50 60 80 100
辅助机构及手动机械的支承面,液压管件和法兰的连接面
10 20 25 30 40 50 60 80 100 120 150
平行度、垂直度和倾斜度公差μm
主参数L、d (D)图例
公差等级
主参数L、d(D)mm
应用举例≤10
>10~
16
>16~
25
>25~
40
>40~
63
>63~
100
>100
~160
>160
~250
>250
~400
>400
~630
5 5
6 8 10 12 15 20 25 30 40 垂直度用于发动机的轴和离合器的凸缘,装D、E级轴承和装C、D级轴承之箱体的凸肩
6 8 10 12 15 20 25 30 40 50 60 平行度用于中等精度钻模的工作面,7~10级精度齿轮传动壳体孔的中心
线
7 12 15 20 25 30 40 50 60 80 100 垂直度用于装F、G 级轴承之壳体孔的轴线,按h6与g6连接的锥形轴减速机的机体孔中心线
8 20 25 30 40 50 60 80 100 120 150 平行度用于重型机械轴承盖的端面、手动传动装置中的
传动轴
同轴度、对称度、圆跳动和全跳动公差确良μm 主参数d(D)、B、L图例
公差等级
主参数d(D)、B、Lmm
应用举例>3~6 >6~10
>10~
18
>18~
30
>30~
50
>50~
120
>120~
250
>250~
500
5 3 4 5
6 8 10 12 15 6和7级精度齿轮轴
的配合面,较高精度
的快速轴,较高精度
机床的轴套
6 5 6 8 10 12 15 20 25
7 8 10 12 15 20 25 30 40 8和9级精度齿轮轴的配合面,普通精度高速轴(100r/min 以下),长度在1m 以下的主传动轴,起重运输机的鼓轮配合孔和导轮的滚动面
M 12 15 20 25 30 40 50 60 表面粗糙度
表面粗糙度R a值的应用范围
粗糙度代号光洁度
代号表面形状、特征加工方法应用范围
ⅠⅡ
除净毛刺铸、锻、冲压、热轧、
冷轧
用于保持原供应状况的表面
微见刀痕粗车,刨,立铣,平铣,
钻
毛坯粗加工后的表面
可见加工痕迹车,镗,刨,钻,平铣,
立铣,锉,粗铰,磨,
铣齿
比较精确的粗加工表面,如车端面、
倒角
微见加工痕迹车,镗,刨,铣,刮1~
2点/cm2,拉,磨,
锉滚压,铣齿
不重要零件的非结合面,如轴、盖的
端面,倒角,齿轮及皮带轮的侧面、
平键及键槽的上下面,轴或孔的退刀
槽
看不见加工痕迹车,镗,刨,铣,铰,
拉,磨,滚压,铣齿,
刮1~2点/cm2
IT12级公差的零件的结合面,如盖板、
套筒等与其它零件联接但不形成配合
的表面,齿轮的非工作面,键与键槽
的工作面,轴与毡圈的摩擦面
可辨加工痕迹的方向车,镗,拉,磨,立铣,
铰,滚压,刮3~10点
/cm2
IT8~IT12级公差的零件的结合面,
如皮带轮的工作面,普通精度齿轮的
齿面,与低精度滚动轴承相配合的箱
体孔
微辨加工痕迹的方向铰,磨,镗,拉,滚压,
刮3~10点/cm2
IT6~IT8厅级公差的零件的结合面;
与齿轮、蜗轮、套筒等的配合面;与
高精度滚动轴承相配合的轴颈;7级
精度大小齿轮的工作面;滑动轴承轴
瓦的工作面;7~8 级精度蜗杆的齿面
不可辨加工痕迹的方向布轮磨,磨,研磨,超
级加工
IT5、IT6级公差的零件的结合面,与
C级精度滚动轴承配合的轴颈;3、4、
5级精度齿轮的工作面
暗光泽面超级加工仪器导轨表面;要求密封的液压传动的工作面;塞的外表面;活汽缸的内表面
为▽5,R a的最大允许值取6.3。
因此,在不影响原表面粗糙要求的情况下,取该值有利于加工。
2. 粗糙度代号Ⅱ为第2种过渡方式。
它是取新国标中相应最靠近的上一档的第1系列值,如原光洁度为▽5,R a 的最大允许值取
3.2。
因此,取该值提高了原表面粗糙度的要求和加工的成本。