电路图讲解
- 格式:ppt
- 大小:187.50 KB
- 文档页数:19
开关电源电路图原理讲解图解一、开关电源的电路组成开关电源的主要电路是由输入电磁干扰滤波器(EMI)、整流滤波电路、功率变换电路、PWM控制器电路、输出整流滤波电路组成。
辅助电路有输入过欠压保护电路、输出过欠压保护电路、输出过流保护电路、输出短路保护电路等。
开关电源的电路组成方框图如下:二、输入电路的原理及常见电路1、AC 输入整流滤波电路原理:①防雷电路:当有雷击,产生高压经电网导入电源时,由MOV1、MOV2、MOV3:F1、F2、F3、FDG1 组成的电路进行保护。
当加在压敏电阻两端的电压超过其工作电压时,其阻值降低,使高压能量消耗在压敏电阻上,若电流过大,F1、F2、F3 会烧毁保护后级电路。
②输入滤波电路:C1、L1、C2、C3组成的双π型滤波网络主要是对输入电源的电磁噪声及杂波信号进行抑制,防止对电源干扰,同时也防止电源本身产生的高频杂波对电网干扰。
当电源开启瞬间,要对C5充电,由于瞬间电流大,加RT1(热敏电阻)就能有效的防止浪涌电流。
因瞬时能量全消耗在RT1电阻上,一定时间后温度升高后RT1阻值减小(RT1是负温系数元件),这时它消耗的能量非常小,后级电路可正常工作。
③整流滤波电路:交流电压经BRG1整流后,经C5滤波后得到较为纯净的直流电压。
若C5容量变小,输出的交流纹波将增大。
2、DC 输入滤波电路原理:①输入滤波电路:C1、L1、C2组成的双π型滤波网络主要是对输入电源的电磁噪声及杂波信号进行抑制,防止对电源干扰,同时也防止电源本身产生的高频杂波对电网干扰。
C3、C4 为安规电容,L2、L3为差模电感。
②R1、R2、R3、Z1、C6、Q1、Z2、R4、R5、Q2、RT1、C7组成抗浪涌电路。
在起机的瞬间,由于C6的存在Q2不导通,电流经RT1构成回路。
当C6上的电压充至Z1的稳压值时Q2导通。
如果C8漏电或后级电路短路现象,在起机的瞬间电流在RT1上产生的压降增大,Q1导通使Q2没有栅极电压不导通,RT1将会在很短的时间烧毁,以保护后级电路。
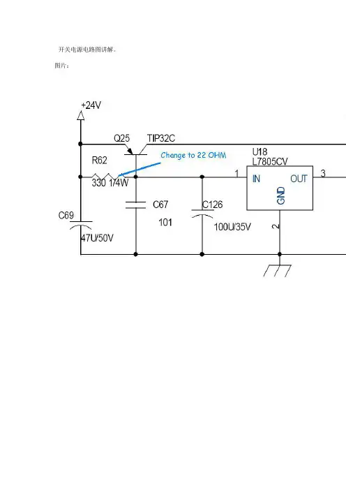
开关电源电路图讲解。
-图片:图片:图片:图片:开关电源电路图一、主电路从交流电网输入、直流输出的全过程,包含:1、输入滤波器:其作用是将电网存在的杂波过滤,同时也阻碍本机发生的杂波反馈到公共电网。
2、整流与滤波:将电网交流电源直接整流为较平滑的直流电,以供下一级变换。
3、逆变:将整流后的直流电变成高频交流电,这是高频开关电源的核心部分,频率越高,体积、重量与输出功率之比越小。
4、输出整流与滤波:根据负载需要,提供稳定可靠的直流电源。
二、控制电路一方面从输出端取样,经与设定尺度进行比较,然后去控制逆变器,改变其频率或脉宽,达到输出稳定,另一方面,根据测试电路提供的资料,经呵护电路鉴别,提供控制电路对整机进行各种呵护措施。
三、检测电路除了提供呵护电路中正在运行中各种参数外,还提供各种显示仪表资料。
四、辅助电源提供所有单一电路的分歧要求电源。
开关控制稳压原理开关K以一定的时间间隔重复地接通和断开,在开关K接通时,输入电源E通过开关K 和滤波电路提供给负载RL,在整个开关接通期间,电源E向负载提供能量;当开关K断开时,输入电源E便中断了能量的提供。
可见,输入电源向负载提供能量是断续的,为使负载能得到连续的能量提供,开关稳压电源必须要有一套储能装置,在开关接通时将一部分能量储存起来,在开关断开时,向负载释放。
图中,由电感L、电容C2和二极管D组成的电路,就具有这种功能。
电感L用以储存能量,在开关断开时,储存在电感L中的能量通过二极管D释放给负载,使负载得到连续而稳定的能量,因二极管D使负载电流连续不竭,所以称为续流二极管。
在AB间的电压平均值EAB可用下式暗示:EAB=TON/T*E式中TON为开关每次接通的时间,T为开关通断的工作周期(即开关接通时间TON和关断时间TOFF之和)。
由式可知,改变开关接通时间和工作周期的比例,AB间电压的平均值也随之改变,因此,随着负载及输入电源电压的变更自动调整TON和T的比例便能使输出电压V0维持不变。
关于物理简化电路图的方法讲解初中物理简化电路图的方法讲解关于物理学中电路图的内容讲解,希望同学们认真看看下面的知识。
电路图其实就是看看串联还是并联。
第1步:所有电压表以及它左右两边直至节点的导线遮去不看。
第2步:寻找有没有其他节点,如果有再看两两节点之间的东西,比如电流表测什么电流(与之串联)之类的。
(电源到节点的电阻或者电流表是在干路上的,这点要明白,先用铅笔描干路)第3步:复查,重新走一遍电路,还是电压表遮掉。
第4步:看电压表两端导线“抱”着哪(几)个用电器或者电阻,就是测哪个的电压。
结束。
(PS. 这都是我当初学电路初探时候的心得,但愿对你有用)希望上面对物理中电路图知识的讲解学习,同学们都能很好的掌握,相信同学们会在考试中取得很好的成绩的。
初二物理电路图分析方法讲解下面是对电流流向法的知识讲解,希望可以很好的帮助同学们对学习。
电流流向法电流流向法,就是从电源的正极开始,到电源的负极结束,顺着电流的方向,连接电路,或分析电路的方法。
利用这种方法,可以准确有效地判断一个电路是纯串联还是纯并联,还是混联。
如图1所示的电路图,用其他颜色(如:红色)的笔,从电源的正极开始,画出电流的流向(如图1所示),电流没有分支,此电路为串联电路。
如图2所示的电路图,从电源的正极开始,画出电流的流向,电流出现了三个分支,分别经过三个电阻,故此电路为并联电路。
又如图3所示的电路图,从电源的正极开始,画出电流的流向,电流经过开关S、灯泡S3后,分为两支,上面的一支经过灯泡L1、电阻,下面的一支经过灯泡L2、电流表A2,两分支电流汇合后又经过电流表A1,回到电源的.负极。
故此电路是既有串联又有并联的混联电路。
由此分析可知,开关S、灯泡L3和电流表A1串在干路上,上面的支路中灯泡L1和电阻串联,下面的支路灯泡L2和电流表A2串联,两支路之间为并联。
电流表A1测干路中的电流,电流表A2测下面的支路经过灯泡L2中的电流。
用电流流向法分析电路,电路的连接情况、元件仪表工作情况就一目了然了。
12V直流电源电路原理图讲解这些是无变压器(trafo)设计的12V直流(电源电路)。
这些电路使用容抗代替(电阻);并且它不会产生太多热量。
该电路消耗约30ma 的交流电。
为了安全起见,请务必使用(保险丝)和/或易熔(电阻器)。
给出的值仅供参考。
如果您使用光隔离器作为电路的输出设备,那么应该有足够的功率用于(定时器)、光控开关、温度(控制器)等。
警告!!!:该电路有潜在危险!如果您的电力配有“火线”和“中性线”,则中性线通常连接到地面。
有时根本没有中性线,而有3 相线,两相之间的电压为115V 至240V。
如果您形成一条通向地球的导电路径,并且触摸其中一根相线(“带电”),这可能是致命的!
只有在您知道自己在做什么的情况下才能从事这样的项目,这对初学者来说没什么!。
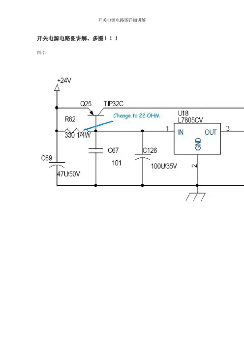
开关电源电路图讲解。
多图!!!图片:图片:图片:图片:开关电源电路图一、主电路从交流电网输入、直流输出的全过程,包括:1、输入滤波器:其作用是将电网存在的杂波过滤,同时也阻碍本机产生的杂波反馈到公共电网。
2、整流与滤波:将电网交流电源直接整流为较平滑的直流电,以供下一级变换。
3、逆变:将整流后的直流电变为高频交流电,这是高频开关电源的核心部分,频率越高,体积、重量与输出功率之比越小。
4、输出整流与滤波:根据负载需要,提供稳定可靠的直流电源。
二、控制电路一方面从输出端取样,经与设定标准进行比较,然后去控制逆变器,改变其频率或脉宽,达到输出稳定,另一方面,根据测试电路提供的资料,经保护电路鉴别,提供控制电路对整机进行各种保护措施。
三、检测电路除了提供保护电路中正在运行中各种参数外,还提供各种显示仪表资料。
四、辅助电源提供所有单一电路的不同要求电源。
开关控制稳压原理开关K以一定的时间间隔重复地接通和断开,在开关K接通时,输入电源E通过开关K和滤波电路提供给负载RL,在整个开关接通期间,电源E向负载提供能量;当开关K断开时,输入电源E便中断了能量的提供。
可见,输入电源向负载提供能量是断续的,为使负载能得到连续的能量提供,开关稳压电源必须要有一套储能装置,在开关接通时将一部份能量储存起来,在开关断开时,向负载释放。
图中,由电感L、电容C2和二极管D组成的电路,就具有这种功能。
电感L用以储存能量,在开关断开时,储存在电感L中的能量通过二极管D释放给负载,使负载得到连续而稳定的能量,因二极管D使负载电流连续不断,所以称为续流二极管。
在AB间的电压平均值EAB可用下式表示:EAB=TON/T*E式中TON为开关每次接通的时间,T为开关通断的工作周期(即开关接通时间TO N和关断时间TOFF之和)。
由式可知,改变开关接通时间和工作周期的比例,AB间电压的平均值也随之改变,因此,随着负载及输入电源电压的变化自动调整TON和T的比例便能使输出电压V 0维持不变。
初三物理电路图讲解什么是电路图电路图是一种用符号表示电路构造和元件连接关系的图形表示方法。
它是研究和分析电路的重要工具,可以帮助我们更好地理解电路的运作原理。
电路图的基本元素在电路图中,有一些基本元素是必不可少的。
下面是常见的几种基本元素:1.电源符号:用来表示电路中的电源,通常用直线和加号或减号组成。
正极用加号表示,负极用减号表示。
2.导线符号:用来表示电流在电路中的流动方向,通常用直线表示。
3.电阻符号:用来表示电路中的电阻,通常用矩形框表示。
在图中,通常会标注电阻的阻值。
4.开关符号:用来表示电路中的开关,通常用直线和弯折线组成。
当开关打开时,电流可以通过;当开关关闭时,电流无法通过。
5.灯泡符号:用来表示电路中的灯泡,通常用一个光波符号表示。
电路图的连线规则在绘制电路图时,我们需要遵循一些连线规则,以保证电路的正确性和可读性。
1.连线应该清晰明了,不要交叉或重叠。
2.连线应该从左到右,从上到下进行绘制,以保持连线的整洁和有序。
3.连线应该用直线表示,不要使用曲线或折线。
4.连线应该连接正确的元件,以确保电路的连通性和连贯性。
电路图的使用方法电路图不仅仅是用来表示电路的构造和连接关系,更多时候它是用来研究和分析电路的工具。
1.根据电路图可以计算电路中的电流、电压等物理量。
2.通过分析电路图可以确定电路中元件的工作状态。
3.通过电路图可以判断电路是否满足设计要求,是否存在故障。
4.通过修改电路图可以对电路进行改进或优化。
电路图的注意事项在绘制和分析电路图时,我们需要注意以下几点:1.熟悉电路图上各个元件的符号和功能,以便正确理解和分析电路。
2.确保电路图的连线正确无误,以免导致电路不工作或出现故障。
3.注意电路中的元件的额定参数,以确保电路工作在安全和正常的范围内。
4.在使用电路图进行分析时,需要考虑电气能量的传递和转换,以及能量的损耗和效率等因素。
总结电路图是研究和分析电路的重要工具,它能帮助我们更好地理解电路的运作原理。
20个基本电路图讲解一、桥式整流电路注意要点:1、二极管的单向导电性,伏安特性曲线,理想开关模型和恒压降;2、桥式整流电流流向过程,输入输出波形;3、计算:Vo,Io,二极管反向电压。
二、电源滤波器注意要点:1、电源滤波的过程,波形形成过程;2、计算:滤波电容的容量和耐压值选择。
三、信号滤波器注意要点:1、信号滤波器的作用,与电源滤波器的区别和相同点;2、LC 串联和并联电路的阻抗计算,幅频关系和相频关系曲线;3、画出通频带曲线,计算谐振频率。
四、微分和积分电路注意要点:1、电路的作用,与滤波器的区别和相同点;2、微分和积分电路电压变化过程分析,画出电压变化波形图;3、计算:时间常数,电压变化方程,电阻和电容参数的选择。
1电路的作用:积分电路:五、共射极放大电路注意要点:1、三极管的结构、三极管各极电流关系、特性曲线、放大条件;2、元器件的作用、电路的用途、电压放大倍数、输入和输出的信号电压相位关系、交流和直流等效电路图;3、静态工作点的计算、电压放大倍数的计算。
六、分压偏置式共射极放大电路分压偏置式共射极放大电路注意要点:1、元器件的作用、电路的用途、电压放大倍数、输入和输出的信号电压相位关系、交流和直流等效电路图;2、电流串联负反馈过程的分析,负反馈对电路参数的影响;3、静态工作点的计算、电压放大倍数的计算;4、受控源等效电路分析。
七、共集电极放大电路(射极跟随器)共集电极放大电路注意要点:1、元器件的作用、电路的用途、电压放大倍数、输入和输出的信号电压相位关系、交流和直流等效电路图。
电路的输入和输出阻抗特点;2、电流串联负反馈过程的分析,负反馈对电路参数的影响;3、静态工作点的计算、电压放大倍数的计算。
八、电路反馈框图电路反馈图注意要点:1、反馈的概念,正负反馈及其判断方法、并联反馈和串联反馈及其判断方法、电流反馈和电压反馈及其判断方法;2、带负反馈电路的放大增益;3、负反馈对电路的放大增益、通频带、增益的稳定性、失真、输入和输出电阻的影响;九、二极管稳压电路二极管稳压电路注意要点:1、稳压二极管的特性曲线;2、稳压二极管应用注意事项;3、稳压的过程分析。
教你三步看懂电路图基本电路图讲解
电路图是很多同学在学习物理科目时比较头疼的一个环节,想当年小编就是败在了电路图上才选择了学文科!下文小编给大家整理了电路图的学习教程,供参考!
教你如何散步简单看懂电路图1、根据由大到小,由粗到细的顺序识读各
种电路图
前面已谈到,一般的电路图主要有整机或系统方框图、板块或系统电路原理图、印刷电路板图和板块连线图等类型。
这些电路图各有各的用途和特点,但又有内在联系。
在识读这些电路图时,可以按照由大到小、由粗到细的顺序来识读。
这个顺序符合人们认识事物的一般规律,实践证明是行之有效的办法,可使初学者少走许多弯路。
2、根据基本电路程式可以识读电路方框图(系统、板块或整机)
前面谈到整机电路图有几种类型,其中组成方框图是其它类型电路图的基础,也是识读电路图的基础。
方框图又有整机简化方框图、整机详细方框图、板块组成方框图及系统方框图等类型。
有时,读者手边资料不全,可能没有上述各种方框图,或者方框图类型不全,为了正确、深入地读图,读者应当画出参考性组成方框图。
根据基本电路程式,可画出电路方框图。
根据整机电路原理图的电路程式可画出整机组成方框图,根据板块电路图的电路程式可画出板块系统组成方框图,根据系统电路图的电路程式可画出系统方框图。
电路组成方框图不反映电路的具体结构,主要是反映电路的功能,反映信号的变换过程,反映各级电路或各系统电路之间的联系,反映各种信号的来龙去脉。
实际上,看电。
初中物理电路图基础知识分析讲解初中物理是我们学生们必须学习的一门科目,其中涉及到诸如电路图等相关知识点。
以下将分别从电路图的基本构成、电路图的符号、电路图的绘制要点解析电路图的基础知识。
一、电路图的基本构成电路图通常由电源、导线、电器元件等多个构成要素组成。
电源常为电池、电源等,导线则是将电器元件连接起来的必要媒介,电器元件便是电路图的核心所在,如电阻、电容、电感器、开关等。
二、电路图的符号电路图的符号种类繁多,常见符号如下:1、电源符号电池、电源的电压符号一般用标准化的符号表示,电极上的符号是阴、阳极。
2、导线符号通常为一条细线,表示导体,若箭头指向线上,则表示电流方向;若箭头指向线外,则表示电流方向与箭头相反。
3、电阻符号电阻的符号为一个长方形,但注意电阻值应显示在内。
4、电容符号电容器的符号通常表示为两个平行的平板或圆轮,两平板间有空气介质或其他绝缘物质隔开。
5、开关符号开关代表前后连接或断开连接两电路的元件。
通常有普通开关、双刀双掷开关、三刀双掷开关等。
三、电路图的绘制要点要绘制清晰、准确、规整的电路图,我们需要遵循一定的原则和要点,具体如下:1、线条的规范化线条是电路图的重要组成部分,画线时应符合规范,如线宽应左高右低,粗细应随用途不同而变化。
2、符号选用妥当符号应以标准化、规范化的符号为主,有些不能选用标准符号的,可以用各种容易理解的字符代替。
3、杂物限制尽可能使用整齐,美观的排列方式,避免线路居长而乱的不锻炼。
综上所述,电路图是初中物理中的一个重要内容,掌握电路图的基本构成、符号和绘制要点是学生们取得好成绩的不可或缺的步骤。
在实践中,我们需要结合实际问题运用所学的知识,用电路图的方式来展示我们的解题思路和理解层次,更加高效地完成学业需求。