数控车床操作面板介绍3
- 格式:ppt
- 大小:1.30 MB
- 文档页数:21
基 础 技 能 模 块岗位技能:GJ –201T 数控车床基本操作方法数控车床基本操作方法主要任务是使学员正确使用数控车床,是数控车加工必须掌握的一项基本技能,主要有1、操作面板的使用方法;2、数控程序调入、编辑与调试方法;3、简易车床刀、数控车削的常用对刀方法。
GJ –201T 数控车床;2. 独立完成工件的手动,自动加工;60小时1. 读图 ①外形尺寸;②尺寸公差;③形位公差;④表面粗糙度;⑤技术要求;2. 刀具:外圆车刀、切槽刀3. 夹具:三爪卡盘4. 量具:游标卡尺、外径千分尺、5. 其他:垫铁、榔头、毛刷一. 操作面板的使用方法1 GJ_201T 数控车系统操作面板的功能GJ_201T 的操作面板如图所示,由液晶显示屏,功能键,编程与控制键盘及功能按钮与旋钮组成。
图3。
1:GJ_201M 的操作面板布局● 功能键 控制机床的操作或显示;● 编程与控制键盘 一般键盘功能;编程与控制键盘 液晶显示屏 主轴倍率旋进给倍率旋循环启动按进给保持按工作方式选择旋JOG 选择旋功能键 工艺流程:GJ –201T 数控车床操作方法●循环启动/指示灯按下此按钮,会根据操作方式完成相应的操作。
当操作进行中时,绿色指示灯亮;●进给保持/指示灯当处于自动加工方式时,按下此按钮,系统进入进给保持状态,再次按下此按钮,系统退出保持状态。
当进入保持状态时,红色指示灯亮; ●方式选择旋钮共有8个档位,从左至右依次为:MDI,自动连续(AUTO),自动单步(STEP),连续手动(MANU),增量手动/手轮(MANJ),点退(PROF),回零(HOME),复位(RESET);●进给倍率旋钮共有11个档位,倍率从0%~125%;●主轴倍率旋钮共有11个档位,倍率从75%~125%;2.数控机床开机与关机操作步骤2.1 开机步骤(1)将机床侧面的旋钮旋至ON位置。
(2)按下机床面板上方型的绿色按钮(3)系统启动后再打开急停按钮注意事项:1)开机之前,确认机床是正常的。
数控车床操作面板的组成1、显示装置数控车床的数控系统通过显示装置为操作人员提供必要的信息。
根据系统所处的状态和操作命令的不同,显示的信息可以是正在编辑的程序、正在运行的程序、机床的加工状态、机床坐标轴的指令/实际坐标值、加工轨迹的图形仿真、故障报警信号等。
较简单的显示装备只有若干个数码管,只能显示字符,显示信息也有限;较高级的系统一般配有CRT显示器或点阵式液晶显示器,一般能显示图形,显示的信息较为丰富。
2、NC键盘NC键盘包括MDI键盘及软键功能键等。
MDI键盘一般具有标准化的字母、数字和符号(有的通告上档键实现),主要用于零件程序的编辑,参数输入,MDI操作及管理等。
功能键一般用于系统的菜单的操作。
3、机床操作面板(MCP)机床控制面板集中了系统的所有按钮(故可称为按钮站),这些按钮用于直接控制机床的动作或加工过程,如启动、暂停零件程序的运行,手动进给坐标轴,调整进给速度等。
4、手持单元手持单元不是操作面板的必需件,有些数控车床的数控系统为方便操作人员使用配有手持单元,用于手摇方式增量进给坐标轴。
手持单元一般由手摇脉冲发生器MPG、坐标轴选择开关等组成。
数控车床操作面板操作键释义下面选用FANUC系统和广数系统为例,简单介绍了数控机床的操作面板上各个按键的基本功能与使用方法。
1、以“A”字母开头ABS绝对坐标(在CRT上显示机床现在的「绝对坐标」X、Z轴的位置)ALL综合坐标(在CRT上显示机床现在的「绝对坐标」X、Z轴和「相对坐标」U、W轴的位置)ALTER替换/修改(修改存储器中程序的字符或符号)AUTO自动操作方式(机床在此方式,机床可自动加工作业)AUXGRAPH图形显示(图形显示功能)2、以“C”字母开头CAN取消键(取消已键入缓冲器的字符或符号)数控车床广数系统操作面板数控车床广数系统操作面板CHECK检视(软键)CSTM/GR模拟框图形CURRNT单节CURSOR光标移动键(移动CRT里的光标,可至编辑处)3、以“D”字母开头DELETE删除键(删除存储器中程序的字符或符号)DGNOSPARAM参数键(参数设定和显示,诊断数据显示)4、以“E”字母开头EDIT编辑方式(程序编制、修改数据输入)EOB分号键(分号“;”输入键)5、以“F”字母开头FWD主轴正转6、以“H”字母开头HELP帮助键(帮助、助理)HEDSS手轮7、以“I”字母开头INPUT输入键(用于参数或偏置值的输入;启动I/O设备的输入;MDI方式下的指令数据的输入)INSERT插入键(在光标后插入字符或符号)8、以“J”字母开头JOG手动操作方式(机床在此方式,可手动操作、加工;类似于普通车床加工方式)9、以“L”字母开头LIB显示内存(在CRT上显示机床内存内容)LOCK锁(相当于控制某种操作开关)10、以“M”字母开头MAC-LOCK媒体存取控制锁(控制媒体存取)MDI手动数据输入方式(输入编制临用程序)MEM内存变量文件键MENUOFSET补正键(偏置值设定和显示;同下“OFS/SET”功能一样,此键英文字母根据机床生产地、系统、型号不同而不同)MESSAGE通讯联系键11、以“O”字母开头OFS/SET补正键(偏置值设定和显示;同上“MENUOFSET”功能一样,此键英文字母根据机床生产地、系统、型号不同而不同)ONPUTSTART输入执行键(输入程序到I/O设备)OPRALARM故键障资料键(报警号显示及软件操作面板的设定和显示)OPTSTOP选择M01停止(启动M01指令(M01见M代码表))OUTPUTSTART输出执行键(输出程序到I/O设备)12、以“P”字母开头PAGE翻页键(CRT画面向前/向后变换页面)POS位置键(在CRT上显示机床现在的位置)PROG或PRGRM或PRG程序键(显示内存中的程序内容;此键英文字母根据机床生产地、系统、型号不同而不同,但功能一样)13、以“R”字母开头RAPTDTRAV快速移动(在手动方式,帮助X、Z轴快速移动)REL相对坐标(在CRT上显示机床现在的「相对坐标」U、W轴的位置)RESET复位(按下此键,复位CNC系统。
数控车床面板操作数控车床是一种高精度、高效率的机床,其操作面板是控制车床工作的重要界面。
本文将介绍数控车床面板的基本操作方法和注意事项。
1.数控车床面板的基本结构2.常用控制按钮和操作手柄(1)开关按钮:数控车床的电源开关,用于开启或关闭车床的电源。
(2)紧急停止按钮:在紧急情况下,按下此按钮可以立即停止车床的运动。
(3)启动按钮:按下此按钮后,车床将按照预设的程序开始工作。
(4)手动操作按钮:用于手动控制各个轴向的移动,通常有快速移动和微动两种方式。
(5)手轮:用于手动操作车床的移动,通常用于微调工件位置。
3.数控车床面板的操作步骤(1)开机:将电源开关按钮设置为开启状态,车床的显示屏会亮起。
等待车床进行自检和初始化。
(3)设置工艺参数:根据工件的加工要求设置相应的工艺参数,包括转速、进给速度、切削深度等。
(4)设置刀具:选择合适的刀具并安装在车床上,根据需要调整刀具的位置和刀尖高度。
(5)调整工件位置:通过操作手柄或手动操作按钮,调整工件的位置,确保切削点正确对准工件。
(6)开始加工:按下启动按钮,车床开始按照预设的程序进行加工。
在加工过程中要密切观察各项参数的变化,确保工作的正常进行。
4.数控车床面板的注意事项(1)在操作面板上,不要随意触摸或按压其他按钮,以免触发不必要的指令。
(2)定期检查面板上的控制按钮和操作手柄的灵敏度,确保其正常工作。
(3)在设置工艺参数时,要根据具体的加工要求进行合理的设置,避免超过机床的承载能力。
(4)在调整工件位置时,要谨慎操作,以免引起误操作或意外伤害。
(5)加工过程中,要随时观察显示屏上的信息,确保工作的正常进行,及时处理异常情况。
总结:数控车床面板的操作是保证车床正常工作的关键之一、正确的操作可以提高加工效率和产品质量,同时也能确保操作人员的安全。
希望以上内容对您了解数控车床的操作面板有所帮助。
数控车床操作入门数控车床的操作入门一、操作面板的使用(如下图FL1-1所示)图FL1-11、总电源开关(QS1):合上总电源开关QS1机床电源接通,机床面板电源指示灯亮。
2、NC ON 按钮(SB1):按下NC ON 按钮,此时伺服强电通电,同时CRT上电,I/O模块也上电。
3、NC OFF 按钮(SB2):当按下NC OFF按钮是,则关闭伺服电源、CRT电源和I/O电源。
4工作方式选择(SA5):旋转开关(SA5),显示屏幕会出现以下种工作方式:编辑、自动、MDI、手轮、回参考点、手动、快速。
(1)快速方式:选择了该方式时,按下操作面板上的运动按钮X+、X-、Z+、Z-,则滑板以参数设定的快速速率运动。
注:快速方式在回参考点之后才生效。
(2)编辑方式(EDIT)用户可在该方式时,编加工程序,存储程序等,(3)MDI方式:用户在该方式时,用键盘输入程序命令,在循环条件满足的情况下按下“循环启动”执行程序。
(4)自动方式:用户选定加工程序时,在循环条件满足时,按下“循环启动”执行所选加工程序。
在执行时按下“进给保持”按钮,循环暂时中断。
在执行过程中按下“单段”按钮,执行完一行程序段后,运行停止,再按下“循环启动”程序继续执行。
(5)手轮方式:选定该方式后,转动手轮时滑板会向上下移动改变手轮倍率,手轮进给量以*1,*10,*100的倍率运行。
手轮倍率选择方法如下:a 选择手轮方式b 按一次X+选择X轴同时手轮倍率为*1,按下两次为*10,按下三次为*100再按又回到*1 以此类推。
C按一次Z+选择Z轴同时手轮倍率为*1,按下两次为*10,按下三次为*100再按又回到*1 以此类推。
(6)手动方式:选择该方式后,可以进行手动动作:按下X+,X轴作正向移动,按下X-,X轴作负向移动,按下Z+,Z轴作正向移动,按下Z-,Z轴作负向移动,移动的速度由“进给倍率”旋钮控制。
按下主轴正转按钮,则主轴正转灯亮,主轴电机开始正向移动,按下主轴停止按钮,主轴电机开始反转。
数控车床的基本操作I.引入n.讲解新课一、数控系统操作系统操作键盘在视窗的右上角,其左侧为显示屏,右侧是编程面板。
如下图所示:图1-1 FANUC 0i (车床)面1.按键介绍数字/字母键9十Op81X"Zw47暮叭Sj T K21F L H D40・* i数字/字母键用于输入数据到输入区域(如下图所示),系统自动判别取字母还是取数字。
字母和数字键通过键切换输入,如:O—P,7-A 编辑键替换键用输入的数据替换光标所在的数据。
B删除键删除光标所在的数据;或者删除一个程序或者删除全部程序。
插入键把输入区之中的数据插入到当前光标之后的位置。
Q取消键消除输入区内的数据。
謁回车换行键结束一行程序的输入并且换行。
■:厂上档键页面切换键讯乂程序显示与编辑页面。
m位置显示页面。
位置显示有三种方式,用PAGE按钮选择。
臼参数输入页面。
按第一次进入坐标系设置页面,按第二次进入刀具补偿参数页面。
进入不同的页面以后,用PAGE按钮切换。
系统参数页面诳心信息页面,如“报警”邃聶图形参数设置页面系统帮助页面呼复位键翻页按钮(PAGE二、机床操作面板机床操作面板位于窗口的右下侧,如下图所示 ,主要用于控制机床运行状 态,由模式选择按钮、运行控制开关等多个部分组成,每一部分的详细说明如图1-2 FANUC Oi (车床)面板、数控车床对刀对刀是数控机床加工中极其重要和复杂的工作。
对刀精度的高低将直接影 响到零件的加工精度。
在数控车床车削加工过程中,首先应确定零件的加工原点,以建立准确的 工件坐标系;其次要考虑刀具的不同尺寸对加工的影响, 这些都需要通过对刀 来解决。
二、刀位点刀位点是指程序编制中,用于表示刀具特征的点,也是对刀和加工的基准 点。
对于各类车光标移动(CURSORf 向上移动光标。
I向卜移动光标。
向左移动光标。
向右移动光标。
输入键 把输入区内的数据输入参数页面n«B*DH HJ -D,田向上翻页向下翻页。
数控车床操作面板介绍一、操作面板结构概述二、基本功能区介绍1.选择模式功能区:包括自动模式、手动模式和MDI模式等。
其中自动模式为数控机床自动循环运行程序,手动模式为手动操作运行各个轴的运动,MDI模式为手动输入指令和程序段运行。
3.调整功能区:用于调整机床运行参数,如进给速度、转速、进给倍率等。
4.轴操作功能区:用于控制机床各个轴运动,包括单轴手动操作、坐标轴选择、回零操作等。
5.辅助功能区:包括各种辅助功能操作,如刀具半径补偿、工件坐标系设定、轴坐标系设定等。
6.软硬限位功能区:用于设定软件限位和硬件限位,保证机床在加工过程中不超过规定的范围。
7.运行状态功能区:用于显示机床当前的状态,如运动状态、电机状态、警报信息等。
三、操作面板操作步骤1.启动数控机床,进入数控车床操作面板界面。
2.根据需要选择相应的模式,比如选择自动模式。
4.调整加工参数,如加工速度、进给速度、刀具半径补偿等。
5.根据需要选择轴操作功能区,手动操作机床各个轴的运动。
6.进行辅助功能操作,如设定工件坐标系、设定刀具补偿等。
7.进行软硬限位的设定,以确保机床在正常运行范围内。
8.确认加工参数和操作步骤无误后,开始运行加工程序。
9.随时监控机床的运行状态和加工情况,根据需要进行调整和修改。
四、需要注意的操作要点1.操作前应了解数控车床的基本原理和操作规程,确保了解各个操作按键的作用和功能。
2.操作过程中要注意安全,严格遵守机床的操作规范和安全操作要求。
3.加工程序的编写和输入要准确无误,以免产生加工差错和失误。
4.在操作过程中,要随时注意机床的运行状态和警报信息,及时处理异常情况。
5.对机床的维护和保养要及时进行,保证操作面板的正常运行。
总结:数控车床操作面板是数控机床的核心部件,具备多种功能和丰富的操作方式,通过合理使用操作面板,能够实现对机床的精确控制和加工参数的调整,提高生产效率和加工质量。
在使用过程中,需要按照操作规程进行操作,保证设备的安全运行和加工的准确性。
数控车床编程与操作(一) 熟悉机床操作面板图3、1-1 GSK980T面板1.方式选择EDIT:用于直接通过操作面板输入数控程序与编辑程序。
AUTO:进入自动加工模式。
MDI:手动数据输入。
REF:回参考点。
HNDL:手摇脉冲方式。
JOG:手动方式,手动连续移动台面或者刀具。
置光标于按钮上,点击鼠标左键,选择模式。
2.数控程序运行控制开关单程序段机床锁住辅助功能锁定空运行程序回零手轮X轴选择手轮Z 轴选择3.机床主轴手动控制开关手动开机床主轴正转手动关机床主轴手动开机床主轴反转4.辅助功能按钮冷却液润滑液换刀具5.手轮进给量控制按钮选择手动台面时每一步的距离:0、001毫米、0、01毫米、0、1毫米、1毫米。
置光标于旋钮上,点击鼠标左键选择。
6.程序运行控制开关循环停止循环启动MST选择停止7.系统控制开关NC启动NC停止8.手动移动机床台面按钮选择移动轴,正方向移动按钮,负方向移动按钮。
快速进给9.升降速按钮主轴升降速/快速进给升降速/进给升降速10紧急停止按钮(12)手轮(二)熟悉GSK980T数控系统的输入面板图3、2-1 GSK980T输入面板1、按键介绍(1)数字键(2)字母键数字/字母键用于输入数据到输入区域(如下图所示),系统自动判别取字母还就是取数字。
图3、2-2(3)编辑键位参数,位诊断含义显示方式的切换。
消除输入到键输入缓冲寄存器中的字符或符号。
键缓寄存器的内容由CRT显示。
例:键输入缓冲寄存器的显示为:N001时,按(CAN)键,则N001被取消。
用于程序的删除的编辑操纵。
用于程序的修改的编辑操纵。
用于程序的插入的编辑操纵。
(4)页面切换键按下其键,CRT显示现在位置,共有四页[相对],[绝对],[总与],[位置/程序],通过翻页键转换。
程序的显示、编辑等,共有三页,[MDI/模],[程序],[目录/存储量]。
显示,设定补偿量与宏变量,共有两项,[偏置],[宏变量]。
显示报警信息。
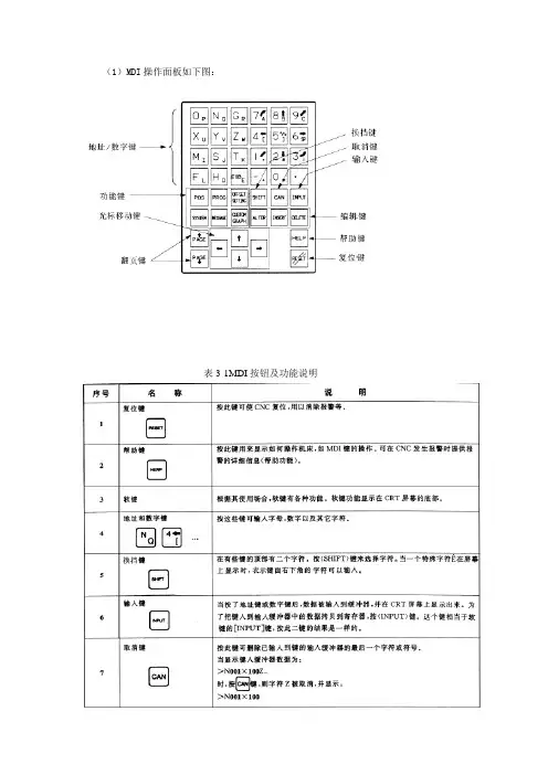
(1)MDI操作面板如下图:表3-1MDI按钮及功能说明上图中的功能键操作说明如下:1.在MDI面板上按功能键,属于选择功能的章选择软键出现。
2.按其中一个章选择软键,与报选取的章相对应的画面出现。
如果目标章的软键未显示,则按继续菜单键(下一个菜单键)。
3.当目标章的画面显示,按操作选择键显示被处理的数据。
4.为了重新显示章选择软键,按返回菜单键。
画面的一般操作如上所述。
然而,从一个画面到另一面面的实际显示过程是千变万化的。
(2)机械操作按钮. 图3-3。
图3-3表3-2机械操作按钮及功能说明图标名称功能说明回零/回参考点按此按钮,系统可进入回零模式手轮按此按钮,系统可进入手轮模式手动按此按钮,系统可进入手动模式,手动连续移动机床自动按此按钮,系统可进入自动模式MDI 按此按钮,系统可进入MDI模式,手动输入并执行指令编辑按此按钮,系统可进入编程状态,用于直接通过操作面板输入数控程序和编辑程序X方向回零批示灯X轴回零到位,此显示灯亮z方向回零批示灯Z轴回零到位,此显示灯亮手动,手轮,、G00速度修调按钮在手动或手轮模式下按此按钮,可以改变步进倍率选择性停止此按钮按下后,数控程序段中的M01指令有效跳段此按钮按下后,数控程序中的注释符号“/”有效单段此按钮按下后,运行程序进每次执行一个程序段空运行系统进入空运行模式机床锁按此按钮,机床锁住无法移动手动控制+X、—X、+Z、—Z的移动方向,中间键为快速移动键手动方式下,点击该按按钮,可以控制刀架向X、Z轴正负方向运动,中间是快速移动按钮。
手动换刀按此按钮,可以旋转刀架至所需刀具冷却液开/停按此按钮,打开或关闭冷却液主轴反转按此按钮,主轴反转主轴正转按此按钮,主轴正转卡盘暂不支持自动润滑按此按钮,自动对机床进行润滑主轴手动允许暂不支持主轴停按此按钮,主轴停转尾座暂不支持主轴手动加速按此按钮,调节主轴转速倍率主轴手动减速按此按钮,调节主轴转速倍率液压/气压泵暂不支持按此按钮,调节进给倍率进绘倍率调整旋钮手轮将光标移至此旋钮上后,通过点击鼠标的左键或右键来转动手轮急停按钮按此按钮,使机床移动立即停止,并且所有的输出如主轴的转动等都会关闭NC关系统电源关闭NC开系统电源打源。
数控车床操作面板介绍数控车床的类型和数控系统的种类很多,以及各生产厂家设计的操作面板也不尽相同,但操作面板中各种旋钮、按钮和键盘上键的基本功能与使用方法基本相同。
本节通过数控车床型号HM-077,以选用FANUC0-TC系统为例,介绍数控车床的操作。
操作面板1.CRT/MDI面板(CRT∕MDI面板由CRT显示器和MDI键盘组成)图1是上海第二机床厂生产的HM-077数控卧式车床操作面板,上半部分是弱电操作面板,直接与数控系统连接与通讯,称其为CRT/MDI面板(数控车床的类型和数控系统的种类很多,以及各生产厂家设计的操作面板也不尽相同,但操作面板中各种旋钮、按钮和键盘上键的基本功能与使用方法基本相同。
本节通过数控车床型号HM-077,以选用FANUC 0-TC系统为例,介绍数控车床的操作。
操作面板1. CRT/MDI面板(CRT∕MDI面板由CRT显示器和MDI键盘组成)图1是上海第二机床厂生产的HM-077数控卧式车床操作面板,上半部分是弱电操作面板,直接与数控系统连接与通讯,称其为CRT/MDI面板(图2);下半部分是强电操作面板,通过面板上的按扭与开关直接控制机床工作,又称其为机械操作面板(图3)。
图3-5-1 数控车床操作面板图3-5-2 CRT∕MDI面板图3-5-3 机械操作面板1)主功能键CRT∕MDI面板上键盘的各主功能键功能见表1。
表1 主功能键的功能键名称功能说明RESET复位键按下此键,复位CNC系统。
包括取消报警、主轴故障复位、中途退出自动操作循环和中途退出输入、输出过程等。
CURSOR光标移动键移动光标至编辑处PAGE页面转换键CRT画面向前变换页面CRT画面向后变换页面地址和数字键按下这些键,输入字母、数字和其它字符POS位置显示键在CRT上显示机床现在的位置PRGRM程序键在编辑方式,编辑和显示内存中的程序在MDI方式,输入和显示MDI数据在自动方式,指令值显示MENU OFFSET偏置值设定和显示DGNOS PARAM自诊断参数键参数设定和显示,诊断数据显示OPR ALARM报警号显示键报警号显示及软件操作面板的设定和显示AUX GRAPH图形显示键图形显示功能INPUT输入键用于参数或偏置值的输入;启动I/O设备的输入;MDI方式下的指令数据的输入OUTPT START输出启动键输出程序到I/O设备ALTER修改键修改存储器中程序的字符或符号INSRT插入键在光标后插入字符或符号CAN取消键取消已键入缓冲器的字符或符号DELET删除键删除存储器中程序的字符或符号2)子功能键CRT显示器下有五个子功能键,与显示器屏幕内下方的五个软键位置相互对应,随主功能状态不同,相应的软键有不同的含义,故称其为主功能状态下的子功能键。
项目四数控车床的操作与应用任务3 数控车削加工前基本操作3-3-5、数控车床的操作面板介绍(1)自动操作方式自动操作方式按照程序的指令控制机床连续自动加工。
(2)编辑方式编辑方式下,可以对工件加工程序进行存储和编辑。
(3)MDI(手动数据输入)用于临时执行程序(执行成功后程序消失,法那克系统程序段不超过10段),可通过CNC键盘输入一段程序,然后按动循环启动键执行该程序。
系统参数的修改必须在此方式下进行。
主轴转速可在此方式下用M41、M42、M43、M44指令指定主轴转速级数,在此方式下用M03、M04、M05指定主轴的正转、反转和停止;用M08、M09开断切削液;用相应的刀具指令调刀。
(4)远程执行在该模式下可以直接执行由外部数据源,(纸带、电缆)传入的程序(机床不保存的程序)。
(5)返回参考点按下此键,指示灯亮,机床处于手动返回参考点方式,通过按X或Z 轴正方向键,机床分别在X或Z轴方向返回参考点。
在此方式下机床的软超程保护功能和螺距补偿功能方有效。
(6)快速点动按下此快速点动键并同时按下相应的方向点动键,在快速倍率1%、25%、50%、100%中的任选一键,其指示灯亮,其余皆灭,该键上的百分数就是当前的快速倍率。
可使刀架按不同倍率快速移动。
(7)机动速度进给以特定的进给速度控制机床某坐标轴移动。
(8)手摇脉冲进给方式按下此键,并按下X键或Z键选择所需的进给倍率可通过手轮使刀架前后或左右运动进行试切削对刀。
(9)程序的单段运行在自动方式下,按一下单段运行键,该键指示灯亮,单段执行功能有效。
每按一次循环启动键,执行一段程序执行完毕停下来,再按动循环启动键,再执行下一段程序。
主要用于测试程序。
(10)程序段任选跳步操作按下此键,指示灯亮,程序段任选跳步功能有效,对凡在程序段前有/符号的程序段全部跳过不执行;再按一下此键,则该指示灯灭,该功能失效。
(11)程序选择性停止执行至M01时是否暂停。
(12)进给暂停在自动操作方式和MDI方式下,按下此键,程序执行被暂停,再按下循环启动键,程序继续执行。
数控车床操作面板按键解释大多数数控车床的按键功能基本是大同小异,所以说会了一种操作面板,其他的系统也就差不多了。
下面以广数928TA为例这个键盘是控制数控XZ轴移动的。
一般车床是不具备Y轴的。
按下X轴按键表示是即将移动X轴。
然后按上方向键和下方向键就可以。
让X轴上下移动。
当中的波纹线是快速移动模式。
按住此键的同时,按住方向键就会快速移动。
Z轴的控制一般是左右方向键控制的。
同样也可以配合当中波纹按键使用。
最左面的是表示手轮。
一般在需要控制XZ轴较小位移时使用。
电源指示开关表示,机床是否通电了。
最右边的是紧急停止开关,非常重要的一个开关。
一般在紧急状态下可以使用,拍下去的时候,机床的一切进给和转速就t停止了。
从上到下依次是主轴正转,主轴停止,主轴反转。
这三个按键从上到下依次是。
开切削液。
开油最后一个是换刀位按键。
用于转换刀位这是字母键和数字键不必过多解释了这几个按键是用来控制编辑程序的。
左上表示上翻页。
右上表示下翻页。
当中的方向键是就控制光标上下左右运动的参数键用来显示机床的参数设置。
显示命令就是显示坐标系用的。
按下命令键会出来下面的图片,具体可以看看插入命令是用来插入编程代码的。
删除是指删除代码。
回车就是确定的意思这是倍率按钮。
用来控制进给F的。
单段指令是控制单段的。
按下此键时,程序运行一段就停止继续下去。
跳段键是按下此键,代码前有/的程序段就会跳过。
shift就是换挡键和电脑上的一样。
回零用于机床归零操作。