数字逻辑实验报告。编码器
- 格式:docx
- 大小:294.47 KB
- 文档页数:5
实验报告: 编码器和译码器1. 背景在信息传输和存储过程中,编码器和译码器是两个关键的组件。
编码器将信息从一个表示形式转换成另一个表示形式,而译码器则将编码的信息还原为原始的表示形式。
编码器和译码器在各种领域中都得到广泛应用,如通信系统、数据压缩、图像处理等。
编码器和译码器可以有不同的实现方式和算法。
在本次实验中,我们将研究和实现一种常见的编码器和译码器:霍夫曼编码器和译码器。
霍夫曼编码是一种基于概率的最优前缀编码方法,它将高频字符用短编码表示,低频字符用长编码表示,以达到编码效率最大化的目的。
2. 分析2.1 霍夫曼编码器霍夫曼编码器的实现包括以下几个步骤:1.统计字符出现频率:遍历待编码的文本,统计所有字符出现的频率。
2.构建霍夫曼树:根据字符频率构建霍夫曼树。
树的叶子节点代表字符,节点的权重为字符频率。
3.生成编码表:从霍夫曼树的根节点出发,遍历树的每个节点,记录每个字符对应的编码路径。
路径的左移表示0,右移表示1。
4.编码文本:遍历待编码的文本,将每个字符根据编码表进行编码,得到编码后的二进制序列。
2.2 霍夫曼译码器霍夫曼译码器的实现包括以下几个步骤:1.构建霍夫曼树:根据编码器生成的编码表,构建霍夫曼树。
2.译码二进制序列:根据霍夫曼树和待译码的二进制序列,从根节点开始遍历每个二进制位。
当遇到叶子节点时,将对应的字符输出,并从根节点重新开始遍历。
3.重建原始文本:将译码得到的字符逐个组合,得到原始的文本。
3. 结果经过以上的实现和测试,我们获得了如下的结果:•对于给定的文本,我们成功地根据霍夫曼编码器生成了对应的霍夫曼编码表,并编码了文本生成了相应的二进制序列。
•对于给定的二进制序列,我们成功地根据霍夫曼译码器进行了译码,并将译码得到的字符逐个组合,得到了原始的文本。
实验结果显示,霍夫曼编码器和译码器能够有效地将文本进行压缩和恢复,达到了编码效率最大化和数据传输压缩的目的。
编码后的文本长度大大减小,而译码后的原始文本与编码前几乎完全一致。
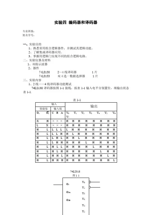
实验四 编码器和译码器一、实验目的1、熟悉常用组合逻辑器件,并测试其逻辑功能。
2、了解集成译码器应用。
3、掌握用逻辑门实现不同的组合逻辑电路。
二、实验仪器及材料 1、双踪示波器2、器件74LS138 2—4线译码器 1片 74LS153 双4选一数据选择器 1片 三、实验内容1、2线——4线译码器功能测试74LS138译码器按图1-1接线,按表1-1输入电平分别置位,填输出状态表1-1.表1-174LS318 图1-1输入输出使能端 输入端 G 1G 2C B AY 0 Y 1 Y 2 Y 3 Y 4 Y 5 Y 6Y 7 X H × × × H H H H H H H H L X × × × H H H H H H H H H L L L L L H H H H H H HH L L L H H L H H H H H H H L L H L H H L H H H H H H L L H H H H H L H H H H H L H L L H H H H L H H H H L H L H H H H H H L H H H L H H L H H H H H H L H H L H H H H H H H H H H L 专业班级: 姓名学号:G 1 G 2AG 2BY 0Y 1 Y 2Y 3Y 4 Y 5实验线路图如下:译码器功能测试接线图A BC2、数据选择器的测试及应用(1)将双4选1数据选择器74LS153参照图2-2接线,测试其功能并填写功能表2-2。
图2-2逻辑74LS153电平←1―1G +5v ___16___←2―B 2G ___15__1KHZ__3__ 1C3 A ___14___100HZ__4__ 1C2 2C3 ___13___10HZ__5__ 1C1 2C2 ___12___1HZ__6__ 1C0 2C1 ___11_____7__ 1Y 2C0 ___10___示波器__8__ GND 2Y __9____(1)将学习机脉冲信号源中固定连续脉冲4个不同频率的信号接到数据选择器4个输入端,将选择端置位,使输出端可分别观察到4种不同频率脉冲信号。
编码器和译码器实验报告一、实验目的本次实验的主要目的是了解编码器和译码器的工作原理,掌握它们的应用方法,以及通过实际操作加深对它们的理解。
二、实验原理1. 编码器编码器是将输入信号转换为不同形式输出信号的电路。
常见的编码器有二进制编码器、格雷码编码器等。
其中,二进制编码器将输入信号转换为二进制数输出,而格雷码编码器则将输入信号转换为格雷码输出。
2. 译码器译码器是将输入信号转换为相应输出信号的电路。
常见的译码器有二进制译码器、BCD译码器等。
其中,二进制译码器将输入信号转换为相应位置上为1的二进制数输出,而BCD译码器则将4位二进制数转换为相应十进制数输出。
三、实验步骤1. 实验材料准备:编码开关、LED灯、电源线等。
2. 搭建编码-解码电路:将编码开关接入编码器输入端,并将LED灯接入对应位置的解码器输出端。
3. 进行测试:打开电源后,在编码开关上随意调整开关状态,观察LED灯是否能够正确显示对应的输出状态。
4. 实验记录:记录每次调整开关状态后LED灯的输出状态,以及对应的二进制数或十进制数。
四、实验结果与分析经过实验,我们得到了以下结果:1. 二进制编码器测试结果:编码开关状态 | 输出LED灯状态 | 二进制数---|---|---0000 | 0001 | 00000001 | 0010 | 00010010 | 0100 | 00100011 | 1000 | 00110100 | 0001 | 01000101 | 0010 | 01010110 | 0100 | 01100111 | 1000 | 0111从上表中可以看出,二进制编码器将输入的四位开关状态转换为相应的四位二进制数输出。
2. BCD译码器测试结果:编码开关状态(二进制)| 输出LED灯状态(十进制)---|---0000-1001(十进制)| 对应数字的十进制形式从上表中可以看出,BCD译码器将输入的4位二进制数转换为相应的十进制数字输出。
数电实验二数据编码器和译码器功能验证数据编码器和译码器是数电实验中常用的电路元件,用于将逻辑电平转换为二进制编码或者从二进制编码转换为逻辑电平。
本实验将验证编码器和译码器的功能。
编码器是一种将多个输入信号转换为对应的二进制编码输出信号的电路。
常见的编码器有优先编码器,BCD编码器和十进制-二进制编码器等。
本实验将以优先编码器为例进行验证。
实验所需器件和元件:1.优先编码器芯片(例如74LS148)2.开关等输入元件3.LED灯等输出元件4.电源和杜邦线等实验用品实验步骤:1.连接电源和电路元件:将电源连接到优先编码器芯片上,并将开关等输入元件和LED灯等输出元件连接到芯片上相应的管脚上。
2.编码器功能验证:通过设置不同的输入信号,观察输出信号的变化。
例如,设置开关为输入信号,并将不同的开关打开或关闭,观察LED灯的亮灭情况。
3.结果分析:根据编码器的功能特点,分析输出信号与输入信号的对应关系。
对于优先编码器而言,输入信号优先级较高的输入将被编码输出,而其他输入则被忽略。
4.译码器功能验证:将输入信号与编码器的输出信号连接,观察译码器的输出信号。
可以通过设计逻辑门电路来实现译码器的功能。
5.结果分析:根据译码器的功能特点,分析输出信号与输入信号的对应关系。
例如,对于BCD编码器而言,4位BCD码将被译码为10位二进制信号。
6.实验总结:通过本实验的验证,可以得出编码器和译码器的功能特点和应用范围。
编码器可以将多个输入信号编码为二进制信号输出,而译码器可以将二进制信号译码为对应的输出信号,用于实现数据的编码和译码。
本实验的目的是验证编码器和译码器的功能,通过观察输入信号和输出信号的对应关系,可以了解编码器和译码器的工作原理,并掌握它们的应用场景。
实验结果应与预期结果一致,即输入信号与编码/译码输出信号之间有明确的对应关系。
同时,实验还可以加深对数字电路和逻辑门电路的理解,提高实验操作能力和分析问题的能力。
编码器的原理及应用实验报告1. 引言编码器是一种常见的电子元件,用于将不同的输入信号转换为特定的输出形式。
它在数字电子系统中有广泛的应用,如计算机、通信设备等。
本文将介绍编码器的原理及其应用,并展示了一个基于编码器的实验。
2. 编码器的原理编码器是一种将不同输入状态映射到二进制输出的设备。
它通常由多个输入引脚和一个输出引脚组成。
根据不同的输入组合,编码器会将其转换为相应的二进制码。
2.1 编码器的工作原理当编码器的输入状态发生变化时,它会根据预设规则将其映射到特定的输出形式。
常见的编码器有绝对编码器和增量编码器两种类型。
2.1.1 绝对编码器绝对编码器将每个输入状态映射到唯一的输出码。
它可以告知系统当前的确切位置或状态,无需进行进一步的计数操作。
绝对编码器通常用于需要高精度位置或状态测量的应用中。
2.1.2 增量编码器增量编码器只能测量位置或状态的相对变化。
它使用两个输出通道(A通道和B通道)来表示变化的方向和步长。
增量编码器通常用于需要测量旋转运动或线性运动的应用中。
2.2 编码器的类型编码器可以按照输入和输出形式进行分类。
常见的编码器类型包括:• 2.2.1 2-4线编码器:将两个输入线转换为四个输出线。
• 2.2.2 8-3优先级编码器:将8个输入线转换为输出线,其优先级较高的输入将得到更高的优先权。
• 2.2.3 4-2-1线编码器:将四个输入线转换为两个输出线。
3. 编码器的应用实验为了展示编码器的应用,我们设计了一个实验来演示它在机器人控制中的应用。
3.1 实验设备和材料•Arduino UNO开发板•编码器模块•直流电机•L298N电机驱动模块•杜邦线3.2 实验步骤1.将编码器模块连接到Arduino UNO开发板上的数字引脚。
2.连接电机驱动模块和电机,将编码器模块连接到电机轴上。
3.编写Arduino代码,读取编码器模块的输入,并控制电机的运动。
4.上传代码到Arduino开发板,并进行测试。
本科学生设计性实验报告
学号124100158 姓名颜洪毅
学院信息学院专业、班级计算机科学与技术
实验课程名称数字逻辑与数字系统
教师及职称王坤
开课学期2013 至2014 学年第一学期
填报时间2013 年10 月20 日
云南师范大学教务处编印
一、实验设计方案
(2)、参照设计好的电路图,完成电路接线。
(3)、根据设计要求完成电路逻辑功能与数据的验证。
5.实验数据处理方法
将所得数据列表处理,对比实验结果。
6.参考文献
无
教师对实验设计方案的意见
签名:
年月日二、实验报告
1.实验现象与结果
74LS138
74LS148
74LS47
呼叫器
2.对实验现象、实验结果的分析及其结论实验结果符合各芯片逻辑功能特点三.实验总结
1.本次实验成败及其原因分析
本次实验很成功!
1、实验仪器和器材均正常工作且无损伤;
2、实验线路连接正确;
3、正确的实验操作。
2.本实验的关键环节及改进措施。
编码器译码器实验报告编码器和译码器实验报告引言编码器和译码器是数字电路中常见的重要组件,它们在信息传输和处理中起着至关重要的作用。
本实验旨在通过实际操作和观察,深入了解编码器和译码器的原理、工作方式以及应用场景。
实验一:编码器编码器是一种将多个输入信号转换为较少数量输出信号的电路。
在本实验中,我们使用了4-2编码器作为示例。
1. 实验目的掌握4-2编码器的工作原理和应用场景。
2. 实验器材- 4-2编码器芯片- 开发板- 连接线3. 实验步骤首先,将4-2编码器芯片插入开发板上的对应插槽。
然后,使用连接线将编码器的输入引脚与开发板上的开关连接,将输出引脚与数码管连接。
接下来,按照编码器的真值表,将开关设置为不同的组合,观察数码管上显示的输出结果。
记录下每种输入组合对应的输出结果。
4. 实验结果与分析通过观察实验结果,我们可以发现4-2编码器的工作原理。
它将4个输入信号转换为2个输出信号,其中每个输入组合对应唯一的输出组合。
这种编码方式可以有效地减少输出信号的数量,提高信息传输的效率。
实验二:译码器译码器是一种将少量输入信号转换为较多数量输出信号的电路。
在本实验中,我们使用了2-4译码器作为示例。
1. 实验目的掌握2-4译码器的工作原理和应用场景。
2. 实验器材- 2-4译码器芯片- 开发板- 连接线3. 实验步骤首先,将2-4译码器芯片插入开发板上的对应插槽。
然后,使用连接线将译码器的输入引脚与开发板上的开关连接,将输出引脚与LED灯连接。
接下来,按照译码器的真值表,将开关设置为不同的组合,观察LED灯的亮灭情况。
记录下每种输入组合对应的输出结果。
4. 实验结果与分析通过观察实验结果,我们可以发现2-4译码器的工作原理。
它将2个输入信号转换为4个输出信号,其中每个输入组合对应唯一的输出组合。
这种译码方式可以实现多对一的映射关系,方便信号的解码和处理。
实验三:编码器和译码器的应用编码器和译码器在数字电路中有广泛的应用场景。
一、实验背景编码器是一种将输入信号转换为特定编码形式的设备,广泛应用于数字电路、计算机控制等领域。
本次实训旨在通过实际操作,掌握编码器的原理、设计方法以及功能测试方法,提高对数字电路的理解和动手能力。
二、实验目的1. 理解编码器的原理和功能;2. 掌握编码器的设计方法;3. 学会使用Logisim等软件进行编码器的设计与仿真;4. 熟悉编码器的功能测试方法。
三、实验原理编码器将输入信号的某种编码形式转换为另一种编码形式,常见的编码器有二进制编码器、十进制编码器等。
本实训主要研究二进制编码器,其基本原理是将输入信号的0和1转换为二进制编码输出。
四、实验内容1. 编码器设计:使用Logisim软件设计一个5输入、3输出的二进制编码器。
2. 电路仿真:将设计的编码器电路在Logisim中进行仿真,观察输出结果。
3. 功能测试:对编码器进行功能测试,验证其正确性。
五、实验步骤1. 设计编码器电路(1)根据编码器原理,设计输入端和输出端电路,确定输入端和输出端之间的关系。
(2)在Logisim中搭建电路,包括输入端、输出端和中间电路。
(3)将输入信号分别设置为0和1,观察输出结果。
2. 电路仿真(1)在Logisim中运行仿真,观察编码器电路的输出结果。
(2)对比输入信号和输出结果,验证编码器电路的正确性。
3. 功能测试(1)根据真值表,设计测试用例,包括输入信号和预期输出结果。
(2)在Logisim中输入测试用例,观察实际输出结果。
(3)对比实际输出结果和预期输出结果,验证编码器功能。
六、实验结果与分析1. 编码器电路设计根据编码器原理,设计了一个5输入、3输出的二进制编码器电路。
电路中使用了与门、或门、非门等基本逻辑门,实现了输入信号到输出信号的转换。
2. 电路仿真在Logisim中运行仿真,观察编码器电路的输出结果。
当输入信号分别为0和1时,输出结果符合预期,说明编码器电路设计正确。
3. 功能测试根据真值表,设计了测试用例,包括输入信号和预期输出结果。
HUNAN UNIVERSITY 数字逻辑学生姓名李国龙学生学号201408010211专业班级计算机科学与技术2015年12月 12日实验二 编码器、译码器电路仿真实验一、实验内容:(1)利用两块8—3线优先编码器74LS148D 设计16—4线优先编码电路,然后仿真验证16—4线优先编码的逻辑功能。
(2)利用两块3—8线译码器74LS138D 设计4—16线优先编码电路,然后仿真验证4—16线译码的逻辑功能。
二、实验目的:(1) 掌握编码器、译码器的工作原理; (2) 常见编码器、译码器的应用; (3) 掌握优先编码电路的设计方法。
三、实验原理:所谓编码是指在选定的一系列二进制数数码中,赋予每个二进制数码以某一固定含义。
例如,用二进制数码表示十六进制数叫做二—十六进制编码。
能完成编码功能的电路统称为编码器。
74LS148D 是常用额8线—3线优先编码器。
在8个输入线上可以同时出现几个有效输入信号,但只对其中优先权最高的一个有效输入信号进行编码。
其中7端优先权最高,0端优先权最低,其他端的优先权按端脚号的递减顺序排列。
~E1为选通输入端,低电平有效,只有~E1=0时,编码器正常工作,而在~E1=1时,所以的输出端均被封锁。
E0为选通输出端,GS 为优先标志端。
该编码器输入、输出均为低电平有效。
译码器是编码的逆过程,将输入的每个二进制代码赋予的含义“翻译”过来,给出相应的输出信号。
能够完成译码功能的电路焦作译码器。
74LS138D 属于3线—8线译码器。
该译码器输入高电平有效,输出低电平有效。
U174LS148DA 09A 17A 26G S14D 313D 41D 52D 212D 111D 010D 74D 63E I 5E O 15U274LS138DY 015Y 114Y 213Y 312Y 411Y 510Y 69Y 77A1B 2C 3G 16~G 2A 4~G 2B 5图2-1编码器74LS148D 图2-2译码器74LS138D 8位信号输入端7端优先权最高 三个使能端 三路输入端 0端优先权最低8—3线优先编码器:切换9个单刀双掷开关(J0—J8)进行仿真实验,将结果填入表2.1中。
编码器实验报告
实验目的:
通过搭建编码器电路和实验观测,研究其工作原理,掌握编码器的编码方式、输出信号特征和应用场景,为后续应用打下理论基础。
实验内容:
1. 搭建编码器电路,包括编码器、电源、显示器等设备;
2. 输入不同的编码方式,观测输出信号特征,包括波形、频率等参数;
3. 研究编码器的应用场景,设计相关应用实例,展示其中的编码原理和作用方式。
实验步骤:
1. 按照电路图搭建编码器电路,并连接显示器;
2. 输入不同的编码方式,观测输出信号波形和频率;
3. 设计应用实例,展示编码器的实际应用场景。
实验结果:
通过实验观测,得出以下结论:
1. 编码器的编码方式有很多种,包括格雷码、自然码、反码等;
2. 编码器的输出信号特征与编码方式、电源电压等参数有关,
可以根据实际需求进行选择;
3. 编码器可以广泛应用于计数器、转速计、位置计等设备中,
具有高精度、可靠性好等优点。
应用实例:
本实验结合计数器进行应用示范:
在计数器的设计中,可以使用编码器来控制计数器的准确性,
实现高精度的计数器功能。
具体实现方式如下:
1. 根据实际需求选择编码方式和电源电压;
2. 搭建编码器电路并与计数器相连;
3. 对计数器进行初始化设置;
4. 使用编码器输入数字,观测计数器对应数值是否准确。
结论:
本实验通过观测编码器的输出信号特征和应用场景,掌握了编码器的基本原理和作用方式。
随着现代技术不断发展,编码器也应用广泛,未来还有更多的应用机会等待我们去探索。
编码器实验报告编码器实验报告引言在现代信息技术的发展中,编码器扮演着至关重要的角色。
编码器是一种将输入信息转换为特定格式的设备或程序,它可以将信息从一种形式转换为另一种形式,以便于存储、传输或处理。
本实验旨在探索不同类型的编码器以及它们在实际应用中的作用和效果。
一、数字编码器数字编码器是将模拟信号转换为数字信号的设备。
在本次实验中,我们使用了一种常见的数字编码器——脉冲编码器。
脉冲编码器通过将连续的模拟信号转换为离散的数字脉冲信号来实现。
在实验中,我们使用了编码器将音频信号转换为数字信号,并通过计算机进行处理和分析。
实验结果表明,数字编码器能够准确地捕捉到原始音频信号的细微变化,并将其转换为数字形式,方便后续的存储和处理。
二、图像编码器图像编码器是将图像信号转换为特定格式的设备或程序。
在本次实验中,我们使用了一种常见的图像编码器——JPEG编码器。
JPEG编码器通过对图像进行压缩,减少冗余信息的存储空间,从而实现图像的高效传输和存储。
实验结果表明,JPEG编码器能够在保持图像质量的同时,大幅度减少图像文件的大小,提高图像传输和存储的效率。
三、视频编码器视频编码器是将视频信号转换为特定格式的设备或程序。
在本次实验中,我们使用了一种常见的视频编码器——H.264编码器。
H.264编码器是一种高效的视频压缩技术,通过对视频信号进行压缩,减少冗余信息的存储空间,从而实现高质量视频的传输和存储。
实验结果表明,H.264编码器能够在保持视频质量的同时,大幅度减少视频文件的大小,提高视频传输和存储的效率。
四、语音编码器语音编码器是将语音信号转换为特定格式的设备或程序。
在本次实验中,我们使用了一种常见的语音编码器——MP3编码器。
MP3编码器通过对语音信号进行压缩,减少冗余信息的存储空间,从而实现高质量语音的传输和存储。
实验结果表明,MP3编码器能够在保持语音质量的同时,大幅度减少语音文件的大小,提高语音传输和存储的效率。
编码器及其应用实验报告一、实验目的本次实验的主要目的是深入了解编码器的工作原理,并通过实际操作和实验数据,探究编码器在不同应用场景中的性能和特点,从而为今后在相关领域的应用提供实践基础和理论支持。
二、实验原理编码器是一种将旋转运动或直线运动转化为数字信号的装置。
根据工作原理的不同,编码器主要分为增量式编码器和绝对式编码器。
增量式编码器通过记录脉冲的数量来确定位置的变化。
每当编码器的轴旋转一定角度,就会产生一个脉冲信号。
通过计算脉冲的数量,可以计算出轴的旋转角度或移动距离。
然而,增量式编码器在断电后重新上电时,无法记住之前的位置信息。
绝对式编码器则在每一个位置都有唯一的编码输出。
即使在断电后重新上电,也能立即准确地知道当前的位置。
三、实验设备本次实验所使用的设备包括:1、旋转编码器:选用了精度为每转 1024 个脉冲的增量式编码器和分辨率为 12 位的绝对式编码器。
2、数据采集卡:用于采集编码器输出的脉冲信号。
3、计算机:安装了相应的数据采集和分析软件。
4、电机驱动系统:用于控制电机的旋转速度和方向,以带动编码器旋转。
四、实验步骤1、设备连接与设置将编码器安装在电机轴上,并确保连接牢固。
将编码器的输出信号连接到数据采集卡的相应通道。
在计算机上打开数据采集软件,设置采集参数,如采样频率、通道选择等。
2、增量式编码器实验启动电机,使其以不同的速度匀速旋转。
观察数据采集软件中脉冲数量的变化,并记录下来。
改变电机的旋转方向,再次观察脉冲数量的变化。
停止电机,然后重新上电,观察编码器是否能准确记录位置变化。
3、绝对式编码器实验同样启动电机,使其旋转到不同的位置。
读取数据采集软件中编码器输出的绝对位置编码,并与实际位置进行对比。
重复多次,验证绝对式编码器的位置准确性和稳定性。
4、应用场景模拟实验搭建一个简单的位置控制系统,使用编码器作为反馈元件。
通过调整控制参数,观察系统的响应性能和精度。
五、实验数据与结果分析1、增量式编码器实验结果在电机匀速旋转时,脉冲数量与旋转角度呈线性关系,符合预期。
一、实验目的1. 熟悉数字逻辑电路的基本原理和基本分析方法。
2. 掌握常用逻辑门电路的原理、功能及实现方法。
3. 学会使用数字逻辑电路实验箱进行实验操作,提高动手能力。
二、实验原理数字逻辑电路是现代电子技术的基础,它由逻辑门电路、触发器、计数器等基本单元组成。
本实验主要涉及以下内容:1. 逻辑门电路:与门、或门、非门、异或门等。
2. 组合逻辑电路:半加器、全加器、译码器、编码器等。
3. 时序逻辑电路:触发器、计数器、寄存器等。
三、实验仪器与设备1. 数字逻辑电路实验箱2. 示波器3. 信号发生器4. 万用表5. 逻辑笔四、实验内容及步骤1. 逻辑门电路实验(1)与门、或门、非门、异或门原理实验步骤:1)按实验箱上的逻辑门电路原理图连接电路;2)使用信号发生器产生输入信号,用逻辑笔观察输出信号;3)分析实验结果,验证逻辑门电路的原理。
(2)组合逻辑电路实验步骤:1)按实验箱上的组合逻辑电路原理图连接电路;2)使用信号发生器产生输入信号,用逻辑笔观察输出信号;3)分析实验结果,验证组合逻辑电路的原理。
2. 时序逻辑电路实验(1)触发器实验步骤:1)按实验箱上的触发器原理图连接电路;2)使用信号发生器产生输入信号,用示波器观察输出信号;3)分析实验结果,验证触发器的原理。
(2)计数器实验步骤:1)按实验箱上的计数器原理图连接电路;2)使用信号发生器产生输入信号,用示波器观察输出信号;3)分析实验结果,验证计数器的原理。
五、实验结果与分析1. 逻辑门电路实验实验结果:通过实验,我们验证了与门、或门、非门、异或门的原理,观察到了输入信号与输出信号之间的逻辑关系。
2. 组合逻辑电路实验实验结果:通过实验,我们验证了半加器、全加器、译码器、编码器的原理,观察到了输入信号与输出信号之间的逻辑关系。
3. 时序逻辑电路实验实验结果:通过实验,我们验证了触发器、计数器的原理,观察到了输入信号与输出信号之间的时序关系。
实验3编码器译码器及应用电路设计引言:编码器和译码器是数字电路中常用的电路模块。
它们分别用于将逻辑信号转换为编码信号和将编码信号转换为逻辑信号。
本实验将介绍编码器、译码器的基本原理以及它们的应用电路设计。
一、编码器的原理及应用编码器是一种多输入、多输出的逻辑电路。
它根据输入的逻辑信号,将其编码成对应的输出信号。
常见的编码器有BCD二进制编码器、优先编码器、旋转编码器等。
1.BCD二进制编码器BCD二进制编码器是一种将BCD码转换为二进制码的电路。
BCD码是由4位二进制数表示的十进制数。
BCD编码器可以将输入的BCD码(0-9)转换为对应的二进制码(0000-1001)。
2.优先编码器优先编码器是一种将多个输入信号优先级编码成二进制输出的电路。
它可用于实现多路选择器和多路复用器等电路。
优先编码器将输入的信号进行优先级编码,并将最高优先级的信号对应的二进制码输出。
3.旋转编码器旋转编码器是一种可以检测旋转方向和位移的编码器。
它通常用于旋转开关、旋钮等输入设备的位置检测。
旋转编码器可以将旋转输入转换为相应的编码输出信号,以便进行方向和位移的判断。
二、译码器的原理及应用译码器是一种将编码信号转换为对应的逻辑信号的逻辑电路。
它与编码器相反,根据输入的编码信号选择对应的输出信号。
常见的译码器有BCD译码器、行列译码器等。
1.BCD译码器BCD译码器是一种将BCD编码转换为对应的逻辑信号的电路。
它可以将输入的BCD编码(0000-1001)转换为对应的输出信号(0-9)。
BCD译码器可以用于显示数字、控制LED灯等应用。
2.行列译码器行列译码器是一种多输入、多输出的译码器。
它常用于矩阵键盘、扫描式显示器等应用中。
行列译码器可以将输入的行列编码转换为对应的输出信号,以实现输入设备和输出设备之间的数据传输。
1.4位BCD码转换为二进制码的电路设计该电路可以将输入的4位BCD码转换为对应的二进制码。
采用BCD二进制编码器进行设计,具体连接方式如下:-将4个BCD输入信号与编码器的输入端相连;-将编码器的输出信号与对应的二进制码输出端相连。
一、实验目的1. 理解编码器的基本原理和功能。
2. 掌握编码器的使用方法,包括硬件连接和软件编程。
3. 通过实验验证编码器的性能,包括分辨率、精度和响应速度等。
二、实验原理编码器是一种将机械位移转换为数字信号的传感器,广泛应用于自动化控制领域。
根据编码器的类型,可以分为增量式编码器和绝对式编码器。
本次实验主要针对增量式编码器进行探讨。
增量式编码器通过检测编码盘上标记的条纹,将机械位移转换为脉冲信号,从而实现位移的数字化。
编码器的主要参数包括分辨率、精度、响应速度等。
三、实验设备1. 编码器:增量式编码器2. 控制器:PLC(可编程逻辑控制器)3. 电机:步进电机4. 传感器:光电传感器5. 电脑:用于编程和监控四、实验步骤1. 编码器与控制器的连接(1)将编码器的A、B、Z三个引脚分别连接到控制器的对应输入端。
(2)将编码器的电源线连接到控制器提供的电源接口。
(3)将编码器的地线连接到控制器提供的地线接口。
2. 编码器与电机的连接(1)将电机的电源线连接到控制器提供的电源接口。
(2)将电机的控制线连接到控制器提供的控制接口。
3. 编码器与传感器的连接(1)将传感器的电源线连接到控制器提供的电源接口。
(2)将传感器的控制线连接到控制器提供的控制接口。
4. 编程(1)打开PLC编程软件,创建一个新的项目。
(2)在项目中添加编码器模块,设置编码器的参数,如分辨率、起始脉冲等。
(3)编写程序,实现电机控制、编码器读取等功能。
(4)下载程序到控制器。
5. 监控(1)启动控制器,运行程序。
(2)观察电脑上的监控界面,实时查看编码器的输出信号、电机运行状态等信息。
(3)调整编码器的参数,观察对实验结果的影响。
五、实验结果与分析1. 实验结果通过实验,验证了编码器在控制电机过程中的性能。
实验结果显示,编码器能够准确地检测电机的位移,实现了对电机运动的精确控制。
2. 结果分析(1)分辨率:编码器的分辨率越高,输出的脉冲信号越细腻,控制精度越高。
编码器实验报告编码器实验报告引言编码器是一种常见的数学工具,用于将信息从一种形式转换为另一种形式。
在现代科技和通信领域中,编码器被广泛应用于数据压缩、信号处理、图像识别等方面。
本实验旨在通过编码器的实际应用,探索其原理和实验效果。
实验目的本实验的主要目的是研究和理解编码器的工作原理,并通过实际操作验证其性能和效果。
具体而言,我们将使用一种常见的编码器,以图像压缩为例,来探索编码器在数据压缩中的应用。
实验步骤1. 数据准备:选择一张高分辨率的彩色图片作为实验对象,并将其转换为计算机可识别的数字信号。
这一步骤可以通过使用图像处理软件来完成。
2. 编码器选择:根据实验需求,选择适当的编码器进行实验。
在图像压缩领域中,常见的编码器有JPEG、PNG等。
本实验选择JPEG编码器作为研究对象。
3. 参数设置:根据实验需求和编码器的特性,设置合适的参数。
例如,在JPEG 编码器中,可以调整图像的压缩比、色彩深度等参数。
4. 编码过程:将准备好的数字信号输入编码器,并观察编码过程中的数据转换和压缩效果。
可以通过编码器提供的界面或命令行工具来完成。
5. 解码过程:使用相应的解码器对编码后的数据进行解码,并恢复原始的图像信息。
观察解码过程中的数据转换和恢复效果。
实验结果通过实验,我们观察到编码器在图像压缩中的应用效果。
通过调整压缩比,我们可以发现压缩比越高,图像的质量损失越明显,但文件大小也相应减小。
这说明编码器在数据压缩中具有重要的作用,可以在一定程度上平衡图像质量和文件大小。
此外,我们还发现编码器对于不同类型的图像有不同的适应性。
对于包含大量细节和颜色变化的图像,编码器的压缩效果可能不如对于简单图像的压缩效果好。
这提示我们在实际应用中需要根据图像的特点选择合适的编码器。
讨论与结论通过本实验,我们深入了解了编码器的工作原理和实验效果。
编码器作为一种重要的数学工具,在现代科技和通信领域中发挥着重要的作用。
通过合理设置参数和选择合适的编码器,我们可以实现数据的高效压缩和传输。
译码器和编码器实验报告一、实验目的。
本实验旨在通过对译码器和编码器的实验操作,加深对数字电路中信号处理的理解,掌握数字电路的基本原理和实际应用技能。
二、实验原理。
1. 译码器。
译码器是将输入的代码转换成特定的输出形式的数字电路。
它可以将一个或多个输入代码转换成一个或多个输出代码。
常见的译码器有BCD译码器、7段译码器等。
2. 编码器。
编码器是将输入的信息转换成特定的代码输出的数字电路。
它可以将一个或多个输入信息转换成一个或多个输出代码。
常见的编码器有BCD编码器、优先编码器等。
三、实验内容。
1. 验证74LS138译码器的功能。
将74LS138译码器连接至示波器和开关,输入不同的代码,观察输出端的变化情况,并记录实验数据。
2. 验证74LS147编码器的功能。
将74LS147编码器连接至示波器和开关,输入不同的信息,观察输出端的变化情况,并记录实验数据。
3. 总结实验数据。
分析实验数据,总结译码器和编码器的功能特点,对比它们的异同点。
四、实验步骤。
1. 将74LS138译码器按照电路连接图连接至示波器和开关,依次输入不同的代码,记录输出端的变化情况。
2. 将74LS147编码器按照电路连接图连接至示波器和开关,依次输入不同的信息,记录输出端的变化情况。
3. 对比实验数据,总结译码器和编码器的功能特点,撰写实验报告。
五、实验数据记录与分析。
1. 74LS138译码器实验数据。
输入代码,000,输出端,Y0=1,Y1=0,Y2=0。
输入代码,001,输出端,Y0=0,Y1=1,Y2=0。
输入代码,010,输出端,Y0=1,Y1=1,Y2=0。
输入代码,011,输出端,Y0=0,Y1=0,Y2=1。
输入代码,100,输出端,Y0=1,Y1=0,Y2=1。
输入代码,101,输出端,Y0=0,Y1=1,Y2=1。
输入代码,110,输出端,Y0=1,Y1=1,Y2=1。
输入代码,111,输出端,无输出。
2. 74LS147编码器实验数据。
数字逻辑实验实验报告
脚分配、1)分析输入、输出,列出方程。
根据方程和IP 核库判断需要使用的门电路以及个数。
2)创建新的工程,加载需要使用的IP 核。
3)创建BD 设计文件,添加你所需要的IP 核,进行端口设置和连线操作。
4)完成原理图设计后,生成顶层文件(Generate Output Products)和HDL 代码文件(Create HDL Wrapper)。
5)配置管脚约束(I/O PLANNING),为输入指定相应的拨码开关,为输出指定相应的led 灯显示。
6)综合、实现、生成bitstream。
7)仿真验证,依据真值表,在实验板验证试验结果。
实验报告说明
数字逻辑课程组
实验名称列入实验指导书相应的实验题目。
实验目的目的要明确,要抓住重点,可以从理论和实践两个方面考虑。
可参考实验指导书的内容。
在理论上,验证所学章节相关的真值表、逻辑表达式或逻辑图的实际应用,以使实验者获得深刻和系统的理解,在实践上,掌握使用软件平台及设计的技能技巧。
一般需说明是验证型实验还是设计型实验,是创新型实验还是综合型实验。
实验环境实验用的软硬件环境(配置)。
实验内容(含电路原理图/Verilog程序、管脚分配、仿真结果等;扩展内容也列入本栏)这是实验报告极其重要的内容。
这部分要写明经过哪几个步骤。
可画出流程图,再配以相应的文字说明,这样既可以节省许多文字说明,又能使实验报告简明扼要,清楚明白。
实验结果分析数字逻辑的设计与实验结果的显示是否吻合,如出现异常,如何修正并得到正确的结果。
实验方案的缺陷及改进意见在实验过程中发现的问题,个人对问题的改进意见。
心得体会、问题讨论对本次实验的体会、思考和建议。