六管超外差收音机的组装及调试
- 格式:doc
- 大小:4.60 MB
- 文档页数:9
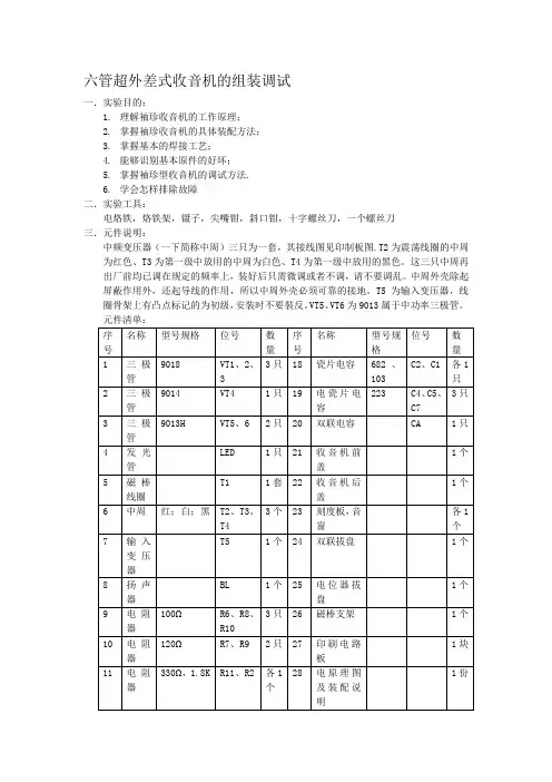
六管超外差式收音机的组装调试一.实验目的:1.理解袖珍收音机的工作原理;2.掌握袖珍收音机的具体装配方法;3.掌握基本的焊接工艺;4.能够识别基本原件的好坏;5.掌握袖珍型收音机的调试方法.6.学会怎样排除故障二.实验工具:电烙铁,烙铁架,镊子,尖嘴钳,斜口钳,十字螺丝刀,一个螺丝刀三.元件说明:中频变压器(一下简称中周)三只为一套,其接线图见印制板图.T2为震荡线圈的中周为红色、T3为第一级中放用的中周为白色、T4为第一级中放用的黑色。
这三只中周再出厂前均已调在规定的频率上,装好后只需微调或者不调,请不要调乱。
中周外壳除起屏蔽作用外,还起导线的作用,所以中周外壳必须可靠的接地。
T5为输入变压器,线圈骨架上有凸点标记的为初级,安装时不要裝反。
VT5、VT6为9013属于中功率三极管。
四.安装工艺要求:在动手焊接前用万用表将各元件测量一下,安装前先装低矮和耐热的元件(如电阻),然后再装大一点的元件(如中周、变压器),最后装怕热的元件(如三极管)。
○1电阻的安装:将电阻的阻值选择好后根据两孔的距离弯曲电阻脚可采用卧式紧贴电路板安装,也可采用立式安装,但高度要统一。
○2瓷片电容和三极管的脚剪的长度药适中,不要剪得太短,也不要太长,它们不要超过中周的高度。
○3磁棒电容的四根引线头可以直接用电烙铁配合松香焊锡丝来回摩擦几次即可自动镀上锡,四个线头对应的焊在线路板的铜箔面。
○4由于调谐用的双连拨盘安装时离电路板很近,所以在它的圆周内的高出部分的元件脚在焊接前先用斜口钳剪去。
○5耳机插座的安装:焊接时速度要快,以免烫坏插座的塑料部分而导致接触不良。
○6发光管的安装:先将发光管装在电路板上再将电路板装在机壳上,将发光管对准机壳上的发光管的孔后再来焊接发光管。
○7喇叭安放挪位后再用电烙铁将周围的三个塑料桩子靠近喇叭边缘烫下去把喇叭压紧以免喇叭松动。
五.调试过程(1)静态工作点的调试首先测量电路板中A、B、C、D四点的电流,若四点中均有电流通过,且测量的数在参考的数值左右,则将四点的缺口用焊锡丝焊上。
2011.12.31惠州学院HUIZHOU UNIVERSITY组装调试六管超外差收音机摘要:超外差式收音机,是指输入信号和本机振荡信号产生一个固定中频信号的过程。
如果把收音机收到的广播电台的高频信号,都变换为一个固定的中频载波频率(仅是载波频率发生改变,而其信号包络仍然和原高频信号包络一样),然后再对此固定的中频进行放大,检波,再加上低放级,就成了超外差式收音机。
关键字:超外差组装调试频率一、实训目的:1、通过实训使学生巩固所学的高频电子线路的有关理论,用理论来指导实践。
2、掌握晶体管接收机的调试技术,能有仪器测量各级的波形。
3、掌握常见的故障判断技术,使每台收音机至少能接受3~5套节目。
2、掌握手工电烙铁的焊接技术,能够独立的完成简单电子产品的安装与焊接。
4、对一台“收音机”的安装、焊接及调试,了解电子产品的装配过程。
二、实训设备与器材1、超外差式收音机套件1包。
2、万用表(MF—50型或其他型号)1块。
3、25W内热式电烙铁(尖头)1个。
4、无感及有感螺钉旋具各1把。
5、中周2个,4.7KΩ小型电位器2~3个,9018、9014、9013晶体管各一个。
6、磁性电线线圈2~3个,磁棒2根,扬声器1个。
7、100KΩ可调电位器5个,39KΩ、0.25W电阻5个8、细导线3~5米,小鲤鱼夹红、黑各10个。
9、双踪示波器1台。
10、焊锡及松香等。
三、实训内容一)焊接技术:1、焊接技术的原理:电烙铁式加热工具,可将烙铁头加热到250摄氏度左右,在此温度下,焊锡便可融化为熔融状态,焊件通过热传导迅速获得焊接所需能量,同时具有强大冲击力的大量熔融焊锡冲洗电路板上的污物,进而侵蚀焊件,并与母材金属相互扩散,生成中间相,形成焊点,此时便可将与锡相亲的铜制元件与PCB板上铜制电路焊接在一起。
2、手工焊接的主要工具和材料1>手工焊接的主要工具有:电烙铁,尖嘴钳,平嘴钳,斜嘴钳,平头钳,剥线钳,镊子,螺丝刀。
第一章简明原理论述1.1833型超外差收音机电路原理图本次组装的是833型超外差收音机,其电路原理图如图所示:晶体管收音机分为直接放大式和超外差式两大类。
直接放大式收音机电路简单,一般只用1—4只晶体管和一些基本元件,易于安装调试,成本低,但它的灵敏度低,选择性不太好。
1.2基本原理本次课程设计主要是理解和组装超外差收音机,下面重点讲解超外差收音机的工作原理。
几个概念:1、超外差:输入信号和本机振荡信号产生一个固定中频信号的过程。
因为,它是比高频信号低,比低频信号又高的超音频信号,所以这种接收方式叫超外差式。
超外差式收音机就是利用这种方式,把接收到的频率不同的电台信号都变成固定的中频信号(465kHz),再由放大器对这个固定的中频信号进行放大,同时在选择回路(输入选频回路)或高频放大器与检波器之间插入一个变频器及中频放大器。
超外差的优点:和直接放大式相比较,超外差式收音机混频级之后的电路都工作在同一频率465KHz上,各级间无频率误差或误差十分微小,这就使硬件容易实现,省去了不同元器件工作在不同频率上的麻烦,同时也消减了各级间的频率干扰,这对接受信号的收音机来说具有重要意义。
所以超外差式收音机具有灵敏度高而工作稳定,选择性好而失真度小等优点,在实际生活中有着广泛的应用。
2、灵敏度是指收音机接收微弱信号的能力。
3、选择性是指接收有用信号抑制无用信号的能力,也就是分隔邻近电台的能力。
4、失真度是指收音机输出信号波形与输入信号波形相比失真的程度。
灵敏度、选择性、失真度都是收音机的主要性能指标。
若要求超外差式收音机得到更高的灵敏度,在调谐回路与混频之间还可以加入高频放大级然后再去混频。
原理:如图所示,当电台发出的无线电波(调制波)遇到接收天线时,就在天线中感应产生高频电流。
不同的广播电台采用不同频率的调制波,以示区别。
如天津滨海广播是 FM87.8,AM747KHz,新闻广播是FM97.2,AM909KHz等。
青岛农业大学信息科学与工程学院高低频电子线路课程设计报告设计题目超外差式收音机的组装与调试学生专业班级通信0601班学生姓名(学号)指导教师完成时间实习(设计)地点理学与信息科学学院硬件实验室2008年 11月 12日一、课程设计目的和任务任务:六管收音机组装及调试。
设计目的:1、识别各种电子器件及其图形表示和文字符号。
2、掌握各种电子元器件电路特性和电子元器件的作用。
3、掌握一种焊接技术。
4、熟练掌握收音机的工作原理,并读懂电路原理图。
5、按照印刷电路板正确装配器件,并正确焊接和调试。
二、分析与设计1、收音机工作原理所谓超外差式,就是通过输入回路先将电台高频调制波接收下来,和本地振荡回路产生的本地信号一并送入混频器,再经中频回路进行频率选择,得到一固定的中频载波(如:调幅中频国际上统一为465KHz或455KHz)调制波。
超外差的实质就是将调制波不同频率的载波,变成固定的且频率较低的中频载波。
在广播、电视、通讯领域,超外差接收方式被广泛采用。
如图3-4。
在超外差的设计中,本振频率高于输入频率。
用同轴双联可变电容器,使输入回路电容C1-2和本振回路电容C1-1同步变化,从而使频率差值始终保持近似一致,其差值即为中频,即:如接收信号频率是:600kHz,则本振频率是1055kHz;1000kHz,则本振频率是1455kHz;1500kHz,则本振频率是1955kHz;由于谐振回路谐振频率LCfπ21=,f 与C不成线性变化,因此必须有补偿电容对其特性进行修正,以获得在收听范围内f与C近似成线性变化,保证f本振-f 信号=f中频为一固定中频信号。
超外差方式使接收的调制信号变为统一的中频调制信号,在作高频放大时,就可以得到稳定且倍数较高的放大,从而大大提高收音机的品质。
【1】2、电路原理图分析3、详细设计(1)元件说明【2】①电阻:在本次课程设计中可以根据色差法对11个电阻进行分类。
具体方法如下:棕红橙黄绿蓝紫灰白黑金银1 2 3 4 5 6 7 8 9 0 5% 10%电阻值计算方法:在实物电阻中,第一二种颜色所对应的数字代表电阻值的前两位数字,最后一种颜色所对应的数字代表电阻值中从第三位开始数,“0”的个数。
电子工艺实习---超外差式收音机的安装与调试一、实习目的1. 掌握超外差式收音机的工作原理2. 掌握超外差式收音机的安装与调试技术二、工作原理(一)收音机的基本工作原理超外差式收音机方框图如图1:它是由天线、输入回路、本机振荡器、变频器、中频放大器、检波器、低频电压放大器、功率放大器等部分组成。
从天线(磁棒具有聚集电磁波磁场的能力,而天线线圈是绕在磁棒上)接收到的许多广播电台的高频信号,通过输入回路(为并联谐振回路,具有选频作用)选出其中所需要的电台信号送入变频级的基极,同时,由本机振荡器产生高频等幅波信号,它的频率高于被选电台载波465KHz,也送于变频级的发射极,二者通过晶体管be结的非线性变换,将高频调幅波变换成载波为465KHz的中频调幅波信号。
在这个变换过程中,被改变的只是已调幅波载波的频率,而调幅波的振幅的变化规律(调制信号即声音)并未改变。
变换后的中频信号通过变频级集电极接的LC并联回路选出载波为465KHz的中频调幅信号,被送到中频放大器,放大后,再送入检波器进行幅度检波,从而还原出音频信号,然后通过低频电压放大和功率放大,再去推动扬声器,还原出声音。
9018-2(S66D)收音机电原理图如图2所示:色点与放大倍数的关系色点放大倍数红 10~25 橙 25~40 黄 40~55 绿 55~80 蓝 80~120 紫 120~180灰 180~270 白 270~400三、S66收音机各部分电路工作原理(一) 、输入回路1、输入电路的作用:从天线到收音机第一级放大器之间的电路称为输入电路,它的作用是从天线感应到的各种信号中把需要的信号选择出来,并传送到下一级电路,同时把其他不需要的信号有效地加以抑制。
2、输入电路的组成和工作原理:输人回路是一个由可变电容器C1、输入调谐线圈L1组成LC並联调谐回路,其作用是从天线接收到的许多频率的信号中,选择出欲收听的电台信号。
被选出的电台信号,再由L2耦合到第一级晶体管的基极。
《9018六管超外差式收音机组装与调试》课程设计报告题目9018六管超外差式收音机组装与调试姓名程培龙专业班级09电子一班指导教师吴彬日期2011年12 月19日目录一、设计任务与要求 (3)二、元器件清单及简介 (4)三、设计原理分析 (6)四、设计中的问题及改进 (8)五、总结 (9)六、参考文献 (9)9018六管超外差式收音机电路的设计一、设计任务与要求超外差收音机在无线电接收机中的应用非常广泛,二超外差收音机又是无线电接收机的典型电路。
收音机虽然小,可谓五脏俱全,它包含了无线电接收的各种功能电路。
收音机、电视机、手机都采用外差电路接收信号,就连雷达接收机同样也采用外差电路,只是他们的工作频率不同,但接收原理是一样的。
近年来由于科技的不断进步,新工艺、新技术、新器件的不断出现,收音机已朝着电路的集成化,电子调谐,数字显示,电脑控制及多功能、高指标、使用方便等方向发展。
本实训采用3V低压硅管六管超外差式收音机,它由输入回路高放混频级、一级中放、二级中放、前置低放兼检波级、低放级和功放级等部分组成,几首频率范围为535HZ~1605HZ 的中频段。
要求:1、认识常用的电阻、电容等电子元器件;2、了解收音机的工作原理;3、熟练焊接的具体操作;4、学习并掌握收音机的调试方法;5、初步掌握电子线路故障的排除方法。
二、元器件清单及简介电烙铁、焊锡丝、螺丝刀、镊子、钳子等必备工具、万用表、9018-2型袖珍收音机实验套件、五号电池两节。
1.电阻1)电阻从原理上分为固定电阻器和可变电阻器;从材料上分为碳膜、金属、金属氧化膜;从制作上又分为线绕、陶瓷、水泥、薄膜、厚膜、玻璃釉等。
2)电阻阻值的标称一般使用色环方法表示。
其中又有4环和5环之分,4环电阻误差比5环电阻要大,一般用于普通电子产品上,而5环电阻一般都是金属氧化膜电阻,主要用于精密设备或仪器上。
2.电容按结构可分为:固定电容,可变电容,微调电容;按介质材料可分为:气体介质电容,液体。
实验20 超外差式收音机的安装与调试一、实验目的1.理解超外差式收音机的工作原理及主要调试原理。
2.学习和掌握超外差式收音机的安装技术和调试方法。
二、实验原理图 1.20.1 是超外差式晶体管收音机电路的方框图和各级信号的波形图。
从天线接收到的高频调幅信号输入到变频级,经过变频后从变频器输出一调幅中频信号,送入中放级进行放大(中放一般有两级,是对固定中频频率进行放大的调谐放大器,所以它的放大倍数和选频特性都可以做得比较理想);再把放大了的中频信号送入检波级检出音频信号;检波级输出的音频信号还需要经过低放级放大,然后去激励功率输出级输出足够的功率去推动喇叭发声。
一台超外差式收音机安装完毕以后,还需要进行仔细的调试。
这主要包括直流工作点的调试、中频的调试和统调跟踪三部分。
1.直流工作点的调试在晶体管收音机电路中,由于各级的功能不同,各级晶体管的直流工作点也就不同。
变频级包括混频电路和振荡电路两部分。
从混频的要求来考虑,晶体管应工作在非线性区,工作电流要小。
但混频级还要求对中频信号有一定的放大作用,因而工作电流不能太小。
所以,混频电路的工作电流一般取 0.3~0.5mA 。
对振荡电路而言,工作电流大一些可使振荡电压强一些,从而提高变频增益。
但振荡电压太强了会使振荡波形失真,谐波成分增加,反而使变频增益下降,并使混频噪声大大增强,所以振荡电路的工作电流一般取 0.5~0.8mA 。
在一般的收音机实验电路中,振荡电路与混频电路合用一只晶体管,变频级的工作电流同时兼顾混频与振荡的要求,这一级的工作电流应取折中值,一般为 0.4~0.6mA 。
中放电路一般有二级。
第一级中放要起自动增益控制作用,工作点应选在非线性区,工作电流一般取 0.4~0.6mA 。
这样加入自动增益控制后不易失真,效果也明显。
第二级中放要有足够的功率增益,工作电流应适当取大一点,一般取 0.6~0.8mA 。
低放级的输入信号是从检波级送来的音频信号,幅度不大,所以该级的工作电流一般取1.2~2.5mA 。
通信与信息工程学院高频电子线路课程设计班级:通信工程班姓名:学号:指导教师:设计时间:2016-1-4~2016-1-8成绩:评通信与信息工程学院二〇一六年超外差式收音机的安装与调试目录一、课程设计的目的及任务1、实验目的 (1)2、实验任务 (1)二、超外差式收音机电路分析 (1)1、收音机的电路原理图 (1)2、收音机的工作原理及工作过程 (2)三、安装与焊接 (2)1、安装 (2)2、焊接 (3)四、超外差式收音机的检测与调试 (3)五、心得及体会 (4)一、课程设计的目的及任务1、实验目的:(1) 了解超外插式收音机的工作原理和装配过程;(2) 掌握电子元器件的识别及质量检验;(3) 学习整机的装配工艺;(4) 培养动手能力及严谨的学习态度。
1、实验任务:(1) 分析并读懂收音机电路图,对照电原理图看懂接线电路图;(2) 根据设计指标测试各元器件的主要参数;(3) 能够理解六管超外插式收音机的工作原理及单元电路的调试过程;(4) 按照印刷电路板正确装配器件,正确焊接和调试‘(5) 运用电子仪器检查、测量电路工作状态,排除电路中的故障,调整使之达到设计指标要求。
二、超外差式收音机电路分析1、收音机的电路原理图整体的组成可分成输入回路、变频级、中频放大电路、检波和自动增益控制电路、低频放大及功放电路五大部分。
2、收音机的工作原理及工作过程(1)工作原理:收音机是把广播电台发射的无线电波中的音频信号取出来,加以放大,然后通过扬声器还原出声音。
具体讲:从天线(磁棒具有聚集电磁波磁场的能力,而天线线圈是绕在磁棒上)接收到的许多广播电台的高频信号,通过输入回路(为并联谐振回路,具有选频作用)选出其中所需要的电台信号送入变频级的基极,同时,由本机振荡器产生高频等幅波信号,它的频率高于被选电台载波465KHz,也送于变频级的发射极,二者通过晶体管be结的非线性变换,将高频调幅波变换成载波为465KHz的中频调幅波信号。
电装实习报告实习内容: 1)超外差六管收音机装配与调试2)声光控灯开关装配与调试实习课程名称: 电装实习 实习时间: 实习完成日期:评阅成绩: 评阅意见:评阅教师签名: 年 月 日_______………………………………(密)………………………………(封)………………………………(线)………………………………9018型六管超外差收音机装配与调试一.六管超外差收音机工作原理1.输入电路:又称输入调谐回路或选择电路,其作用是从天线上接收到的各种高频信号中选择出所需要的电台信号并送到变频级。
输入电路是收音机的大门,它的灵敏度和选择性对整机的灵敏度和选择性都有重要影响。
2.变频电路:又称变频器,由本机振荡器和混频器组成,其作用是将输入电路选出的信号(高频信号)与本机振荡器产生的振荡信号(频率为fr)在混频器中进行混频,结果得到一个固定频率的中频信号。
这个过程称为“变频”,它只是将信号的载波频率降低了,而信号的调制特性并没有改变,仍属于调幅波。
3.中频放大电路:又叫中频放大器,其作用是将变频级送来的中频信号进行放大,一般采用变压器耦合的多级放大器。
中频放大器是超外差式收音机的重要组成部分,直接影响着收音机的主要性能指标。
4.检波和自动增益控制电路:检波的作用是从中频调幅信号中取出音频信号,常利用二极管来实现。
由于二极管的单向导电性,中频调幅信号通过检波二极管后将得到包含有多种频率成份的脉动电压,然后经过滤波电路滤除不要的成份,取出音频信号和直流分量。
音频信号通过音量控制电位器送往音频放大器,而直流分量与信号强弱成正比,可将其反馈至中放级实现自动增益控制(简称AGC)。
收音机中设计AGC 电路的目的是:接收弱信号时,使收音机的中放电路增益增高,而接收强信号时自动使其增益降低,从而使检波前的放大增益随输入信号的强弱变化而自动增减,以保持输出的相对稳定。
5.音频放大电路:又叫音频放大器,它包括低频电压放大器和功率放大器。
六管收音机装配调试实训指导书第一篇:六管收音机装配调试实训指导书六管收音机装配调试实训指导书文章类型:技术交流输入时间:2009年12月27日09:36 六管超外差式收音机装配调试实训指导书一、实训目的通过对一台正规品调幅收音机的安装、焊接及调试,让学生了解电子产品的装配过程;掌握电子元器件的识别及质量检验;学习整机的装配工艺;培养动手能力及严谨的工作作风。
二、实训要求1.分析并读懂收音机电路图。
2.对照电原理图看懂接线电路图。
3.认识电路图上的符号,并与实物相对照。
4.根据技术指标测试各元器件的主要参数。
5.认真细心地安装焊接。
6.按照技术要求进行调试。
三、实训步骤:1、按材料清单清点全套零件,并负责保管。
2、用万用表检测元器件,将测量结果填入实习报告。
注意:V5,V6的hFE(放大倍数)相差应不大于20%,同学间可相互调整使其配对。
3、对元器件引线或引脚进行镀锡处理。
注意:镀锡层未氧化(可焊性好)时可以不再处理。
4、检查印制板的铜箔线条是否完好,有无断线及短路,特别要注意板的边缘是否完好。
注意:① 为防止变压器原边与副边之间短路,要测量变压器原边与副边之间的电阻。
② 若输入变压器、输出变压器用颜色不好区分,可通过测量线圈内阻来进行区分。
5、安装元器件元器件安装质量及顺序直接影响整机的质量与功率,合理的安装需要思考和经验。
注意:所有元器件高度不得高于中周的高度。
四、收音机的检测调试方法通过对收音机的通电检测调试,了解一般电子产品的生产调试过程,初步学习调试电子产品的方法,培养检测能力及一丝不苟的科学作风。
检测调试步骤:1.检测通电前的准备工作。
2.自检,互检,使得焊接及印制板质量达到要求,特别注意各电阻阻值是否与图纸相同,各三极管、二极管是否有极性焊错,位置装错以及电路板铜箔线条断线或短路,焊接时有无焊锡造成电路短路现象。
3.接入电源前必须检查电源有无输出电压(3V)和引出线正负极是否正确。
初测。
存档资料成绩: 华东交通大学理工学院课程设计报告书所属课程:模拟电子技术基础设计题目:六管超外差式收音机的组装与调试分院:电信分院班级:2008 通信工程〈2〉班姓名:骆玉春学号:20080210420224指导教师:张绍彪实验地点:实验楼四楼(电子技能实验室)2010 年 6 月30 日华东交通大学理工学院课程设计任务书专业:08通信工程班级: 2班姓名:骆玉春一、课程设计题目六管超外差式收音机的组装与调试二、课程设计工作:自 2010 年 6 月 28 日起至2010 年7 月 1 日止。
三、课程设计的内容要求:1、识别各种电子器件及其图形表示和文字符号。
2、掌握各种电子元器件电路特性和电子元器件的作用。
3、掌握一种焊接技术。
4、熟练掌握收音机的工作原理,并读懂电路原理图。
5、按照印刷电路板正确装配器件,并正确焊接和调试。
学生签名: 2010年 6月 30日课程设计评阅意见评阅人 职称20 年 月 日 等 级序号项 目优秀良好中等及格不及格1课程设计态度评价2出勤情况评价3任务难度评价4工作量饱满评价5任务难度评价6设计中创新性评价7论文书写规范化评价8综合应用能力评价综合评定等级目录第一章、课程设计任务和目的.......................................5第二章、分析与设计................................................61、收音机工作原理....................................................62、电路原理方框图分析................................................73、详细设计..........................................................84、原理图及元器件清单................................................115、焊接完成的截图....................................................14第三章、系统实施....................................................161、收音机的基本调试..................................................162、中周调整...........................................................173、中频频率调整......................................................174、统调..............................................................17第四章、课程设计心得.........................................19第五章、参考文献....................................................20第一章课程设计任务和目的设计目的:1、识别各种电子器件及其图形表示和文字符号。
S66E收⾳机原理、组装和调试《S66E 六管超外差式收⾳机的装配与调试》实训■崇阳职校熊海龙⼀、技能训练⽬的1. 学习并掌握超外差收⾳机的⼯作原理,放⼤电路、振荡电路的⼯作原理。
2. 了解常⽤电⼦器件的类别、型号、规格、性能及其使⽤范围,能查阅有关的电⼦器件图书。
能够正确识别和选⽤常⽤的电⼦器件。
3. 熟悉⼿⼯焊锡的常⽤⼯具的使⽤、维护、修理,掌握⼿⼯电烙铁的焊接技术。
4. 了解电⼦产品的焊接、调试与维修⽅法。
学习调试电⼦产品的⽅法,提⾼动⼿能⼒。
⼆、实训器材1. 电烙铁、焊锡丝、⽀架、螺丝⼑、镊⼦、钳⼦、⽆感起⼦等2. 万⽤表、信号发⽣器、毫伏表3. 中夏牌S66E 收⾳机散件⼀套、五号电池两节三、实训内容◆普通超外差式收⾳机的⽅框图◆S66E 超外差式收⾳机原理图混频↓⼀级中放↓⾼放↓输⼊回路↓⼆级中放兼检波↓前置低放↓功放↓扬声器↓电源↓㈠电路的⼯作原理1、输⼊调谐电路由双连可调电容器的CA和T1的初级线圈Lab组成,是⼀并联谐振电路,T1是磁性天线线圈,从天线接进来的⾼频信号,通过输⼊调谐的谐振选出需要的电台信号,电台信号频率以是f=1/2πLabCA,当改变CA时,就能收到不同电台信号。
2、变频电路本机振荡和混合起来称为变频电路。
变频电路是以VT1为中⼼,它的作⽤是通过输⼊调谐电路收到的不同频率电台(⾼频信号)变换固定的465KHZ中频信号。
VT1、T2、CB等元件组成本机振荡电路,它的任务是产⽣⼀个⽐输⼊信号⾼465KHZ 的等幅⾼频振荡信号。
由于C1对⾼频信号相当短路,T1的次能LCb的电感量⼜很⼩,对⾼频信号提供了通路,所以本机振荡电路是共基极电路,振荡频率由T2、CB控制,CB是双连电容器的另⼀连,调节它以改变本机振荡频率。
T2是振荡频率线圈,其初次绕在同⼀磁芯上,它们把VT1的等电极输出的放⼤了的振荡信号以正反馈的形式耦合到振荡回路,本机振荡的电压由T2的初级的抽头引出,通过C2耦合到VT1的发射极上3、混频回路由VT1、T3的初级线圈等组成了,是共发射极电路。
内蒙古师范大学计算机与信息工程学院《高频电路》课程设计报告设计题目六管超外差收音机的安装与调试指导教师** 职称**姓名**学号**********日期201*年7月3日六管超外差收音机的组装及调试计算机与信息工程学院**级*** ****指导教师**讲师摘要本文结合在组装收音机过程中所用到的分立器件,分析了各自的作用。
在完成组装过程中具体分析了超外差收音机从接收到混频,选频,中放,低放,检波等各个环节的的工作原理及其优势。
后期调试主要解决对中频的调整问题,从而加深对此类无线电通信的认识。
关键词六管收音机;工作原理;调试收音机作为一种最常见的无线接收装置,其工作原理涉及无线通信最基本的几个环节,因此它的原理在无线通信领域有着代表性。
而超外差收音机,作为实用的产品,克服了直放收音机在应用中的缺点,成了无线接收机的典范。
以下以六管朝外差收音机做出具体分析。
1 元器件说明①磁性天线,它的作用是接收电磁波。
磁性天线由一个铁氧体磁棒和线围绕组组成,对电磁波的吸收能力很强。
另外线圈绕组内能够感应出比较高的高频电压,所以磁性天线兼有放大高频传号的作用。
此外,磁性天线还有较强的方向性,能够提高收音机的抗干扰能力。
②中频变压器(俗称中周),是超外差式晶体管收音机中特有的一种具有固定谐振回路的变压器,其谐振回路在一定范围内可微调,以使接入电路后能达到稳定的谐振频率(465kHz)。
它的微调借助于磁心的相对位置的变化来完成。
本试验中有红,白,黑三只。
(红色)中周型号为LF10T2做振荡线圈使用、(白色)T3中周做第一级中放使用、(黑色)中周T4做二级中放使用,它们的位置不能随意调换。
③ T5为输入变压器,它主要用于音频放大电路中,它需要有很宽的工作频率范围以保证信号的失真最小。
它还要通过阻抗匹配使信号源与负载的阻抗相匹配,以获得最大的功率输出,因此安装时不能装反。
④三极管起放大作用,9018适合于高频功放,放大倍数约为120; 9013属于中功率三极管放大倍数大约为180;9014为低频功放,放大倍数约等于250。
⑤各种型号的电容和电阻,喇叭,导线等。
2 工作原理2.1 超外差的认识最初的收音机属于直放式收音机,它是将从天线上接收到的高频信号直接放大,最后进行检波。
这样导致在接收频段的高端和低段的放大不一样,整个波段的灵敏度不均匀的缺点。
如果是多波段收音机,这个矛盾更突出。
其次,如果要提高灵敏度,必须增加高频放大的级数,由此带来各级之间的统一调谐的困难,而且高频放大器增益做不高,容易产生自激。
如果能够把收音机接收到的高频信号,都变换成固定的中频信号进行放大检波,由于中频是比变换前的信号频率低且频率固定的信号,所以任何电台的信号都能得到相等的放大量,同时总的放大量也可以较高。
从而克服了上述弊端。
用本地振荡器产生一个始终比接收信号高一个中频频率的振荡信号,在混频器内利用晶体管的非线性将振荡信号与接收信号相减产生一个固定频率即中频,这就是"外差"。
为了获得较好的选择性和灵敏度,在获得中频信号以后再进行中频放大,这样收音机的接收质量大大提高,这就是"超外差式"的原理,如图1所示。
自我国超外差式收音机的中频一般选择在465kHz。
图1 超外差原理2.2 实验电路分析调幅收音机由输入回路、本振回路、混频电路、检波电路、自动增益控制电路(AGC)及音频功率放大电路组成,如图2所示。
图2本此实验采用3v的教学用六管超外差收音机,电路如图 3 所示。
图3 六管超外差式调幅收音机的整机电路2.2.1输入调谐回路收音机输入回路的作用是接收无线电波,并从中选择出所需电台信号。
输入回路由磁棒天线线圈与调台旋钮相连的可变电容构成的LC调谐电路,如图4所示。
调节可变电容 Ca 可使 LC 的固有频率等于电台频率,产生谐振,以选择不同频率的电台信号,再通过dc耦合到下一级。
图4 输入调谐回路2.2.2混频电路混频电路包括混频、本机振荡和选频三部分电路,其作用是把不同频率的输入信号变成频率固定的465 kHz的中频信号。
CB所在的并联谐振网充当本机振荡电路,用来产生一个比输入信号频率高465kHz的等幅振荡信号。
三极管V1、是混频器主要器件,输入信号和本振信号在V1中进行混频,利用晶体管的非线性,产生各种频率的电信号,再通过T3所在并联负载选频谐振电路中选出465 kHz的中频信号。
如图5。
图5 混频电路图6检波及中频放大电路2.2.3检波及中频放大电路中放电路由V2管完成。
混频电路选出的信号经过V2放大再由T4所在选频网络(黑色中周)选频。
先对中频放大再选频提高对信号的灵敏度和选择性。
检波是由V3管基极与发射极的二极管完成。
检波后的信号经过C4,C5滤除残余中频信号后,一方面由V3集电极送给反馈(AGC)网络,另一方面送给下级低频放大。
电路如图6。
2.2.4自动增益控制电路(AGC)由图6 可知,检波后信号经由V3集电极反馈给V2的基极,假设V2b电压幅值过大,则导致V2c电流增大,经耦合后V3c集电极电流也增大,致使V3c 电压减小,反馈后V2b电压减小,从而平衡信号大小。
2.2.5低频放大与功率放大电路低频放大与功率放大电路都是在为推动喇叭做准备,低放主要针对低频信号幅值进行放,低放由三极管V4完成。
低频信号经由V3发射极送出,通c5滤波后在Rp电阻上形成压降,此电压信号送V4基极,进行放大。
功率放大电路是乙类推挽放大电路,对信号功率进行充分放大。
乙类推挽放大电路主要由PNP(V5)和NPN(V6)两只三极管以及偏执电阻R7,R8,R9,R10组成,工作期间有用信号正负周期分别由V5,V6交替工作,具有很高的效率。
经过功放后的信号具有较高的电压电流可以推动喇叭发出声音。
图7 低频放大与功率放大电路3 六管超外差式收音机的调试检测各元件没有问题后按照先低后高的原则进行焊接。
装焊完成后,必须先检测装焊有无问题,主要针对三极管的静态工作点进行。
另外,一台不经过调整的收音机可能收不到电台或声音很小,因此要提高收音机的灵敏度、选择性和收听频率范围,还必须经过调整。
3.1 静态工作点的测试静态工作点是指三极管在直流时的状态,它是晶体三极管的能否正常工作的基础,因此必须重视。
针对本实验电路,需测定V1,V2,V3,V5的集电极电流。
如图3中有“X”的地方为电流表接入处,在PCB板上留有四个测量电流的缺口,分别是A、B、C、D四个点。
安装电源并打开收音机,将音量旋至最小,用万用表的直流20mA档测量各点的电流。
Icl≈0.6mA,Ic2≈1.72mA,Ic4≈6.3mA,Ic5,6≈5.7mA。
若测量电流过小,则有可能元器件脱焊或虚焊;若测量电流过大,则有可能焊点之间短路或元器件装配错误。
3.2调整中频调整中频目的是使三个中周变压器(中频调谐回路)的谐振频率调整为465KHZ。
新的中周一般由厂家已调整到465KHZ,所以调试时当接收某一个电台,用无感改锥。
调整过程是先将本机振荡回路用导线短路,使之停振以避免造成对中频调试工作的干扰。
然将音量电位器RP旋到最大,信号发生器的输出头碰触VT2的基极,用无感改锥依次调整T3,T2,T1使扬声器发出的响声最大。
调整顺序是由后级往前级。
3.3 统调(调整频率跟踪)统调目的是使本机振荡频率能始终比接收信号高出一个固定频465kHz,即本机震荡频率覆盖1000kHz~2155kHz。
这样保证接收到的中波段范围535kHz~1650kHz各个频率差频是固定的中频为465kHz,中频能顺利地通过中频放大器。
由于做到每个频率都比接受到的信号高465kHz比较难以实现,所以一般上选用“三点统调”即本机振荡频率在频段的高端、中间、低端选三点进行调试。
低频端调整方法:接收600Khz左右的电波,移动磁性天线线圈在磁棒上的位置,使音量达到最大,这样低端就算初步调好了。
高频端的调整方法:选定1500Khz左右的电台信号,调整本振电容,使输出音量最大即可。
由于低端与高端之间有影响,所以要耐心调试使之达最佳状态。
中频端调整方法:接收1000KHZ左右的电波,微微拨动微调电容,若声音变小,则说明原来位置已达三点统调。
3.4各点波形的测试经过以上的调试后可以测试经过各级电路后的波形,如下图8示:图8 各点测试波形4 六管收音机干扰分析4.1传播过程的干扰中波的传播主要受电离层的影响,夜间收到的中波电台会比白天多。
这是由于电离层导电性能在白天和夜间的不同变化引起的。
白天由于阳光照射,电离层密度增大,导电性能增强,对电波的吸收也大,中波很大一部分被吸收,传播得不远;夜间时,大气不受太阳照射,电离层导电性能大大减弱,中波就可以通过天波途径,传送到很远的地方。
因此收听中波电台最好选择在夜间。
另外现在各种电器中的开关电源类、可控硅斩波调压器等电路都会产生大量脉冲干扰信号,对中波接收造成严重干扰。
4.2 镜像干扰根据超外差式收音机的变频原理,当振荡频率与外来信号频率相差一个中频频率(465kHz)时,即f(本振)-f(信号)=465Khz,信号就能顺利通过中频放大器获得放大。
如果外来信号频率满足f(像镜)-f(本振)=465khz,此时的同样中频放大器也能顺利的让他们通过获得放大,产生镜像干扰。
镜像干扰信号频率与有用信号频率间隔是中频的二倍,解决镜像干扰方案有两种:一是提高中频,这样使镜像干扰频率远远高于有用信号频率,混频前容易滤除;二是采用二次混频结构,在第一混频过程中选用较中高,从而在混频前将干扰信号滤除。
小结本次课程设计实验是对以前所学高频,通信,模拟电子技术等学科知识的综合运用,经过制作调试加深了我对无线通信的基本模型的理解。
在调试过程遇到问题后的解决方案使我深刻领会到各个部分之间工作的关系。
另外通过此次实践,也认识到理论知识与工业设计之间的差异与联系。
参考文献[1] 冯军,谢嘉奎电主编,电子线路非线性部分第五版,高等教育出版社[2] 施敏著,黄择岗译,半导体物理器件,电子工业出版社[3] 童诗白,华成英,模拟电子技术基础(第四版),高等教育出版社。