三端稳压集成电路7812引脚图及参数
- 格式:doc
- 大小:82.50 KB
- 文档页数:3
LM7812中文资料目录1.lm7812介绍2.实际应用3.引脚序号、引脚功能4.lm7812应用电路5.7812电参数三端稳压集成电路lm7812。
电子产品中,常见的三端稳压集成电路有正电压输出的lm78 ×× 系列和负电压输出的lm79××系列。
顾名思义,三端IC是指这种稳压用的集成电路,只有三条引脚输出,分别是输入端、接地端和输出端。
它的样子象是普通的三极管,TO- 220 的标准封装,也有lm9013样子的TO-92封装。
1.lm7812介绍用lm78/lm79系列三端稳压IC来组成稳压电源所需的外围元件极少,电路内部还有过流、过热及调整管的保护电路,使用起来可靠、方便,而且价格便宜。
该系列集成稳压IC型号中的lm78或lm79后面的数字代表该三端集成稳压电路的输出电压,如lm7806表示输出电压为正6V,lm7909表示输出电压为负9V。
因为三端固定集成稳压电路的使用方便,电子制作中经常采用。
最大输出电流1.5A,LM78XX系列输出电压分别为5V;6V;8V;9V;10V;12V;15V;18V;24V。
2.实际应用在实际应用中,应在三端集成稳压电路上安装足够大的散热器(当然小功率7812IC内部电路图.的条件下不用)。
当稳压管温度过高时,稳压性能将变差,甚至损坏。
当制作中需要一个能输出1.5A以上电流的稳压电源,通常采用几块三端稳压电路并联起来,使其最大输出电流为N个1.5A,但应用时需注意:并联使用的集成稳压电路应采用同一厂家、同一批号的产品,以保证参数的一致。
另外在输出电流上留有一定的余量,以避免个别集成稳压电路失效时导致其他电路的连锁烧毁。
在lm78 ** 、lm79 ** 系列三端稳压器中最常应用的是TO-220 和TO-202 两种封装。
这两种封装的图形以及引脚序号、引脚功能如附图所示。
图中的引脚号标注方法是按照引脚电位从高到底的顺序标注的。
LM7812中文资料目录1.lm7812介绍2.实际应用3.引脚序号、引脚功能4.lm7812应用电路5.7812电参数三端稳压集成电路lm7812。
电子产品中,常见的三端稳压集成电路有正电压输出的lm78 ×× 系列和负电压输出的lm79××系列。
顾名思义,三端IC是指这种稳压用的集成电路,只有三条引脚输出,分别是输入端、接地端和输出端。
它的样子象是普通的三极管,TO- 220 的标准封装,也有lm9013样子的TO-92封装。
1.lm7812介绍用lm78/lm79系列三端稳压IC来组成稳压电源所需的外围元件极少,电路内部还有过流、过热及调整管的保护电路,使用起来可靠、方便,而且价格便宜。
该系列集成稳压IC型号中的lm78或lm79后面的数字代表该三端集成稳压电路的输出电压,如lm7806表示输出电压为正6V,lm7909表示输出电压为负9V。
因为三端固定集成稳压电路的使用方便,电子制作中经常采用。
最大输出电流1.5A,LM78XX系列输出电压分别为5V;6V;8V;9V;10V;12V;15V;18V;24V。
2.实际应用在实际应用中,应在三端集成稳压电路上安装足够大的散热器(当然小功率7812IC内部电路图.的条件下不用)。
当稳压管温度过高时,稳压性能将变差,甚至损坏。
当制作中需要一个能输出1.5A以上电流的稳压电源,通常采用几块三端稳压电路并联起来,使其最大输出电流为N个1.5A,但应用时需注意:并联使用的集成稳压电路应采用同一厂家、同一批号的产品,以保证参数的一致。
另外在输出电流上留有一定的余量,以避免个别集成稳压电路失效时导致其他电路的连锁烧毁。
在lm78 ** 、lm79 ** 系列三端稳压器中最常应用的是TO-220 和TO-202 两种封装。
这两种封装的图形以及引脚序号、引脚功能如附图所示。
图中的引脚号标注方法是按照引脚电位从高到底的顺序标注的。
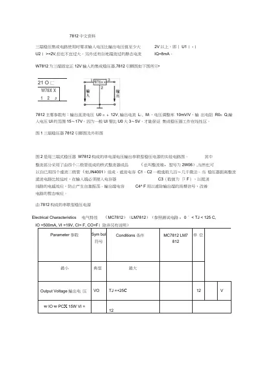
W7812为三端固定正12V输入的集成稳压器,7812引脚图如下图所示.7812主要参数有:输出直流电压 U0=+12V,输出电流 L:0.1A,M:0.5A,电压调整率 10mV/V,输出电阻 R0=0.15Ω,输入电压UI的范围15~17V 。
因为一般UI 要比 U大3~5V ,才能保证集成稳压器工作在线性区。
图1 三端稳压器7812引脚图及外形图图2 是用三端式稳压器W7812构成的单电源电压输出串联型稳压电源的实验电路图。
其中整流部分采用了由四个二极管组成的桥式整流器成品(也叫整流堆,型号为2W06),当然也可以自已用四个速流二极管(如,IN4001)组成。
滤波电容C1、C2一般选取几百~几千微法。
当稳压器距离整流滤波电路比较远时,在输入端必须接入电容器C3(数值为0.33μF ),以抵消线路的电感效应,防止产生自激振荡。
输出端电容C4(0.1μF)用以滤除输出端的高频信号,改善电路的暂态响应。
由7812构成的串联型稳压电源负12V,1A三端稳压器LM7912中文资料(引脚图,电气特性参数,应用电路)LM7912引脚图及外形图:图1 LM7912外形引脚排列图管脚图LM7912内部电路图:图2 79XX内部电路图LM7912电气特性参数:Electrical Characteristics 电气特性(MC7912)三端稳压集成电路极限参数:图3 输出电压图4 负载调节率曲线图图5 电压差曲线图图6 静态电流曲线图图7 短路电流曲线图LM7912应用电路:图8 LM7912典型应用电路图9 与78XX系列三端稳压构成的正负对称输出电压应用电路图12正负12V稳压电源_电路图7812/7912正负12V稳压电源_电路图7812和7912三端稳压器是电子设备中常用的线性稳压集成电路,最大输出电流1.5A (需加散热器)。
下面是用这两种稳压IC制作的正负稳压电源典型电路,供大家参考。
初学者特别应注意7812正电源稳压IC与7912负电源稳压IC的引脚功能是不一样的,有关详细说明见:三端稳压器7912引脚功能,电路接法7812/7912正负12V稳压电源从电路中可以看到,7812/7912的输入输出端都接有电容,而且是一大一小,大容量电容是低频滤波作用,小容量电容是高频滤波用。
LM7812中文资料目录1.lm7812介绍2.实际应用3.引脚序号、引脚功能4.lm7812应用电路5.7812电参数三端稳压集成电路lm7812。
电子产品中,常见的三端稳压集成电路有正电压输出的lm78 ×× 系列和负电压输出的lm79××系列。
顾名思义,三端IC是指这种稳压用的集成电路,只有三条引脚输出,分别是输入端、接地端和输出端。
它的样子象是普通的三极管,TO- 220 的标准封装,也有lm9013样子的TO-92封装。
1.lm7812介绍用lm78/lm79系列三端稳压IC来组成稳压电源所需的外围元件极少,电路内部还有过流、过热及调整管的保护电路,使用起来可靠、方便,而且价格便宜。
该系列集成稳压IC型号中的lm78或lm79后面的数字代表该三端集成稳压电路的输出电压,如lm7806表示输出电压为正6V,lm7909表示输出电压为负9V。
因为三端固定集成稳压电路的使用方便,电子制作中经常采用。
最大输出电流1.5A,LM78XX系列输出电压分别为5V;6V;8V;9V;10V;12V;15V;18V;24V。
2.实际应用在实际应用中,应在三端集成稳压电路上安装足够大的散热器(当然小功率7812IC内部电路图.的条件下不用)。
当稳压管温度过高时,稳压性能将变差,甚至损坏。
当制作中需要一个能输出1.5A以上电流的稳压电源,通常采用几块三端稳压电路并联起来,使其最大输出电流为N个1.5A,但应用时需注意:并联使用的集成稳压电路应采用同一厂家、同一批号的产品,以保证参数的一致。
另外在输出电流上留有一定的余量,以避免个别集成稳压电路失效时导致其他电路的连锁烧毁。
在lm78 ** 、lm79 ** 系列三端稳压器中最常应用的是TO-220 和TO-202 两种封装。
这两种封装的图形以及引脚序号、引脚功能如附图所示。
图中的引脚号标注方法是按照引脚电位从高到底的顺序标注的。
LM7812中文资料目录1.lm7812 介绍2•实际应用3•引脚序号、弓I脚功能4」m7812应用电路5.7812电参数三端稳压集成电路Im7812 o电子产品中,常见的三端稳压集成电路有正电压输出的Im78 x>系列和负电压输出的lm79X系列。
顾名思义,三端IC是指这种稳压用的集成电路,只有三条引脚输出,分别是输入端、接地端和输出端。
它的样子象是普通的三极管,TO- 220的标准封装,也有lm9013样子的TO-92封装。
TO-220<-封装外形图TO-220 UNIT:mmO3・&;£・『“常仁o-i介绍用Im78/lm79系列三端稳压IC来组成稳压电源所需的外围元件极少,电路内部还有过流、过热及调整管的保护电路,使用起来可靠、方便,而且价格便宜。
该系列集成稳压IC型号中的Im78或Im79后面的数字代表该三端集成稳压电路的输出电压,如lm7806表示输出电压为正6V,lm7909表示输出电压为负9V。
因为三端固定集成稳压电路的使用方便,电子制作中经常采用。
最大输出电流1・5A, LM78XX系列输出电压分别为5V;6V;8V;9V;10V;12V;15V;18V;24V2实际应用在实际应用中,应在三端集成稳压电路上安装足够大的散热器(当然小功率7812IC内部电路图.的条件下不用)。
当稳压管温度过高时,稳压性能将变差,甚至损坏。
当制作中需要一个能输出 1.5A以上电流的稳压电源,通常采用几块三端稳压电路并联起来,使其最大输出电流为N个1.5A,但应用时需注意:并联使用的集成稳压电路应采用同一厂家、同一批号的产品,以保证参数的一致。
另外在输出电流上留有一定的余量,以避免个别集成稳压电路失效时导致其他电路的连锁烧毁。
在Im78 **、Im79 ^系列三端稳压器中最常应用的是TO-220和TO-202两种封装。
这两种封装的图形以及弓|脚序号、弓I脚功能如附图所示。
图中的引脚号标注方法是按照引脚电位从高到底的顺序标注的。
7812压电路图三端稳压集成电路使用时要
请问7812的输入输出端连接电容的目的是什么?
1.滤波,虑除交流噪声是输出电流更平稳;
2.提供储备电流,当需要突发大电流时变压器不够用时电解电容可以补充瞬间的不足。
不连有什么坏处?
与前面说的情况正相反。
还有就是我用220V-12V的变压器输出端连上7812想得到直流12V电源,为什么7812会热得发烫啊?
7812只是稳压电路,前面的整流元件必不可少,7812最大可以提供1.5A电流,而且必须加散热片。
问题补充:像我这样的输入输出需要并多大的电容啊?
这要根据所需电流来选取,一般有2200u足够了,再大浪费,最好在输出端在并连一只220u 电解和一只0.1u电容,这只0.1u小电容对减小电源高频内阻非常有效!。
LM7812中文资料目录1.lm7812介绍2.实际应用3.引脚序号、引脚功能4.lm7812应用电路5.7812电参数三端稳压集成电路lm7812。
电子产品中,常见的三端稳压集成电路有正电压输出的lm78 ×× 系列和负电压输出的lm79××系列。
顾名思义,三端IC是指这种稳压用的集成电路,只有三条引脚输出,分别是输入端、接地端和输出端。
它的样子象是普通的三极管,TO- 220 的标准封装,也有lm9013样子的TO-92封装。
介绍用lm78/lm79系列三端稳压IC来组成稳压电源所需的外围元件极少,电路内部还有过流、过热及调整管的保护电路,使用起来可靠、方便,而且价格便宜。
该系列集成稳压IC型号中的lm78或lm79后面的数字代表该三端集成稳压电路的输出电压,如lm7806表示输出电压为正6V,lm7909表示输出电压为负9V。
因为三端固定集成稳压电路的使用方便,电子制作中经常采用。
最大输出电流1.5A,LM78XX系列输出电压分别为5V;6V;8V;9V;10V;12V;15V;18V;24V。
2.实际应用在实际应用中,应在三端集成稳压电路上安装足够大的散热器(当然小功率7812IC内部电路图.的条件下不用)。
当稳压管温度过高时,稳压性能将变差,甚至损坏。
当制作中需要一个能输出1.5A以上电流的稳压电源,通常采用几块三端稳压电路并联起来,使其最大输出电流为N个1.5A,但应用时需注意:并联使用的集成稳压电路应采用同一厂家、同一批号的产品,以保证参数的一致。
另外在输出电流上留有一定的余量,以避免个别集成稳压电路失效时导致其他电路的连锁烧毁。
在lm78 ** 、lm79 ** 系列三端稳压器中最常应用的是TO-220 和TO-202 两种封装。
这两种封装的图形以及引脚序号、引脚功能如附图所示。
图中的引脚号标注方法是按照引脚电位从高到底的顺序标注的。
这样标注便于记忆。
LM7812中文资料目录1.lm7812介绍2.实际应用3.引脚序号、引脚功能4.lm7812应用电路5.7812电参数三端稳压集成电路lm7812。
电子产品中,常见的三端稳压集成电路有正电压输出的lm78 ×× 系列和负电压输出的lm79××系列。
顾名思义,三端IC是指这种稳压用的集成电路,只有三条引脚输出,分别是输入端、接地端和输出端。
它的样子象是普通的三极管,TO- 220 的标准封装,也有lm9013样子的TO-92封装。
1.lm7812介绍用lm78/lm79系列三端稳压IC来组成稳压电源所需的外围元件极少,电路内部还有过流、过热及调整管的保护电路,使用起来可靠、方便,而且价格便宜。
该系列集成稳压IC型号中的lm78或lm79后面的数字代表该三端集成稳压电路的输出电压,如lm7806表示输出电压为正6V,lm7909表示输出电压为负9V。
因为三端固定集成稳压电路的使用方便,电子制作中经常采用。
最大输出电流1.5A,LM78XX系列输出电压分别为5V;6V;8V;9V;10V;12V;15V;18V;24V。
2.实际应用在实际应用中,应在三端集成稳压电路上安装足够大的散热器(当然小功率7812IC内部电路图.的条件下不用)。
当稳压管温度过高时,稳压性能将变差,甚至损坏。
当制作中需要一个能输出1.5A以上电流的稳压电源,通常采用几块三端稳压电路并联起来,使其最大输出电流为N个1.5A,但应用时需注意:并联使用的集成稳压电路应采用同一厂家、同一批号的产品,以保证参数的一致。
另外在输出电流上留有一定的余量,以避免个别集成稳压电路失效时导致其他电路的连锁烧毁。
在lm78 ** 、lm79 ** 系列三端稳压器中最常应用的是TO-220 和TO-202 两种封装。
这两种封装的图形以及引脚序号、引脚功能如附图所示。
图中的引脚号标注方法是按照引脚电位从高到底的顺序标注的。
7812中文资料三端稳压集成电路使用时要求输入电压比输出电压值至少大 2V 以上,即丨U1 | - | U2 | >=2V,但也不宜过大。
另外还有自地端流过的静态电流IQ=8mA 。
W7812为三端固定正12V 输入的集成稳压器,7812引脚图如下图所示•7812主要参数有:输出直流电压 U0 = + 12V ,输出电流 L:, M:,电压调整率 10mV/V ,输 出电阻 R0= Q,输入电压UI 的范围15〜17V 。
因为一般UI 要比U0大3〜5V ,才能保证 集成稳压器工作在线性区。
图1三端稳压器7812引脚图及外形图图2是用三端式稳压器 W7812构成的单电源电压输出串联型稳压电源的实验电路图。
其中整流部分采用了由四个二极管组成的桥式整流器成品(也叫整流堆,型号为2W06),当然也可以自已用四个速流二极管(如,IN4001)组成。
滤波电容 C1、C2一般选取几百〜几千微法。
当 稳压器距离整流滤波电路比较远时,在输入端必须接入电容器 C3(数值为 卩F ),以抵消线路的电感效应,防止产生自激振荡。
输出端电容 C4^ F 用以滤除输出端的高频信号,改善电路的暂态响应。
由7812构成的串联型稳压电源 Electrical Characteristics电气特性(MC7812)(LM7812)(参照测试电路 ,0 ° < TJ < 125 C,Parameter 参数Sym bol 符号Conditions 条件MC7812 LM7812单 位最小 典型 最大Output Voltage 输出电 压VOTJ =+25C12Vw IO w PC X 15W VI =1221 O 匸W78X X 1 2 3请问7812的输入输出端连接电容的目的是什么1•滤波,虑除交流噪声是输出电流更平稳;2•提供储备电流,当需要突发大电流时变压器不够用时电解电容可以补充瞬间的不足。
任务六三端集成稳压器W7812授课教师:授课日期:授课班级:教学目标1.掌握三端固定式集成稳压器W7812的主要性能指标;2.掌握三端固定式集成稳压器W7812构成的电源电路的组装(设计、布线、制板、安装、焊接、调试)技能;3.熟悉模拟电子技术技能训练中常用电子测量仪器的综合使用技能。
工作任务掌握三端固定式集成稳压器W7812构成的电源电路的装配与调试技能。
实训器材表5-6-2 工具、材料、仪器工具、仪器材料双踪示波器一台连接导线若干指针式万用表或数字式万用表一台焊锡丝若干电烙铁45W、镊子、尖嘴钳各一把元器件见表5-6-1工频可调电源一台实践操作基础知识基础知识(一)工作原理三端集成稳压器按输出电压类型可分为固定式和可调式。
三端固定式集成稳压器分为正电压输出和负电压输出两类。
W7800系列三端固定式集成稳压器是正电压输出,其输出正电压值有5V、6V、9V、12V、15V、18V、24V七个挡次,输出电流最大可达1.5A(加散热片),同类型78M 系列输出电流为0.5A,78L系列输出电流为0.1A。
可调式三端集成稳压器可通过外接元件对输出电压进行调整,以适应不同的需要。
1.W7800和W7900系列三端式集成稳压器现以L7805CA和LM7905CT为例介绍其外形和基本接线图,W78系列和W79系列的各型集成稳压器使用均与此类似。
(1)三端固定式集成稳压器L7805CA的外形和基本接线图如图5-6-1所示为三端固定式集成稳压器L7805CA的实物、外形和接线图。
它有三个引出端:输入端(电压输入端)、输出端(电压输出端)、公共端。
图5-6-1 三端固定式集成稳压器L7805CA 的实物、外形与接线图(2)三端固定式集成稳压器LM7905CT 的外形和基本接线图图5-6-2为三端固定式集成稳压器LM7905CT (输出负电压)实物、外形及接线图图5-6-2 三端固定式集成稳压器LM7905CT 实物、外形与接线图2.W7800和W7900系列三端固定式集成稳压器的扩展使用当集成稳压器本身的输出电压或输出电流不能满足要求时,可通过外接电路来进行性能扩展。
三端集成稳压器管脚排列三端稳压器(78、79系列)管脚序号判断技巧在78**、79**系列三端稳压器中最常应用的是TO-220和TO-202两种封装。
这两种封装的图形以及引脚序号、引脚功能如附图所示。
图中的引脚号标注方法是按照引脚电位从高到底的顺序标注的。
这样标注便于记忆。
引脚①为最高电位,③脚为最低电位,②脚居中。
从图中可以看出,不论正压还是负压,②脚均为输出端。
对于78**正压系列,输入是最高电位,自然是①脚,地端为最低电位,即③脚,如附图所示。
对与79**负压系列,输入为最低电位,自然是③脚,而地端为最高电位,即①脚,如附图所示。
此外,还应注意,散热片总是和最低电位的第③脚相连。
这样在78**系列中,散热片和地相连接,而在79**系列中,散热片却和输入端相连接。
教你如何用WORD文档(2012-06-27 192246)转载▼标签:杂谈1. 问:WORD 里边怎样设置每页不同的页眉?如何使不同的章节显示的页眉不同?答:分节,每节可以设置不同的页眉。
文件――页面设置――版式――页眉和页脚――首页不同。
2. 问:请问word 中怎样让每一章用不同的页眉?怎么我现在只能用一个页眉,一改就全部改了?答:在插入分隔符里,选插入分节符,可以选连续的那个,然后下一页改页眉前,按一下“同前”钮,再做的改动就不影响前面的了。
简言之,分节符使得它们独立了。
这个工具栏上的“同前”按钮就显示在工具栏上,不过是图标的形式,把光标移到上面就显示出”同前“两个字来。
3. 问:如何合并两个WORD 文档,不同的页眉需要先写两个文件,然后合并,如何做?答:页眉设置中,选择奇偶页不同与前不同等选项。
4. 问:WORD 编辑页眉设置,如何实现奇偶页不同比如:单页浙江大学学位论文,这一个容易设;双页:(每章标题),这一个有什么技巧啊?答:插入节分隔符,与前节设置相同去掉,再设置奇偶页不同。
5. 问:怎样使WORD 文档只有第一页没有页眉,页脚?答:页面设置-页眉和页脚,选首页不同,然后选中首页页眉中的小箭头,格式-边框和底纹,选择无,这个只要在“视图”――“页眉页脚”,其中的页面设置里,不要整个文档,就可以看到一个“同前”的标志,不选,前后的设置情况就不同了。
7812 稳压块能对多大范围内的电压稳压?7812 参数
特性及稳压电源电路
7812 稳压块能对多大范围内的电压稳压
这种电路最小压差是2.5 伏,所以也就是最高允许电压与最小压差的下的输入电压。
32-14.5V.如果加足够的散热片,能输出1.5A 左右的电流。
否则过热会自动关闭,不会烧毁。
多数厂商如ON、TOSHIBA、UTC、NS、KEC、FS、PANASONIC 的产品最大输出电流是1A;少数厂商如ST、LINEAR、TI 的产品是1.5A;还有个别厂商的产品最大输出电流只有100mA (例如HI-SINCERITY)。
但是除了最大输出电流的限制以外,还有耗散功率的限制,也就是说输出电流和输入-输出电压差的乘积也不能超出规定值,当输入-输出电压差
较大的情况下尤其要注意功耗问题。
功耗这个参数和封装外形、环境温度、使用中的散热设计等因素都有关联。
过热保护功能有时并不能确保器件安全,所以厂家在数据手册中都会给出最大允许耗散功率和环境温度的关系。
7812 主要参数
输出直流电压U0=+12V,输出电流L:0.1A,M:0.5A,电压调整率。
整流桥的输出端可直接用三端稳压集成电路。
三端固定集成稳压器在使用时,首先要根据输出电压的正、负选择7800系列或7900系列。
7800系列是正稳压器,7900系列是负稳压器,它们的输出电压分别是+5V~+24V和-5V~-24V。
输出电流有0.1A、0.5A和1.5A。
以W7800三端稳压器为例:W7800为固定式稳压电路,其输出电压有5V、6V、9V、12V、15V、18V、24V等档级。
最后两位数表示输出电压值。
三端集成稳压器的输出电流有大、中、小之分,并分别有不同符号表示。
输出为小电流,代号“L”。
例如,78L××,最大输出电流为0.1A。
输出为中电流,代号“M”。
例如,78M××,最大输出电流为0.5A。
输出为大电流,代号“S”。
例如,78S××,最大输出电流为2A。
例如:W7805,表示输出电压为5V、最大输出电流为1.5A;W78M05,表示输出电压为5V、最大输出电流为0.5A;W78L05,表示输出电压为5V、最大输出电流为0.1A。
W7812为三端固定正12V输入的集成稳压器,7812引脚图如下图所示.7812主要参数有:输出直流电压U0=+12V,输出电流L:0.1A,M:0.5A,电压调整率10mV/V,输出电阻R0=0.15Ω,输入电压UI的范围15~17V 。
因为一般UI要比U0大3~5V ,才能保证集成稳压器工作在线性区。
7812最高输入电压是35V,但它的最佳工作电压是15V~17V,特别在负载电流较大的情况下。
因为这是一款线性稳压器,如果输入输出电压差和输出电流同时都较大,会引起自身功耗过大而严重发热。
78系列的线性稳压器里只有7824的最高输入电压可以达到40V,其他的(包括7805、7806、7808、7809、7812、7815、7818)都是35V。
三端稳压器7812引脚图及外形图请问7812的输入输出端连接电容的目的是什么?1.滤波,虑除交流噪声是输出电流更平稳;2.提供储备电流,当需要突发大电流时变压器不够用时电解电容可以补充瞬间的不足。
LM7812中文资料目录1.lm7812 介绍2•实际应用3.引脚序号、引脚功能4」m7812应用电路5.7812电参数三端稳压集成电路lm7812。
电子产品中,常见的三端稳压集成电路有正电压输出的lm78 x>系列和负电压输出的lm79X系列。
顾名思义,三端IC是指这种稳压用的集成电路,只有三条引脚输出,分别是输入端、接地端和输出端。
它的样子象是普通的三极管,TO- 220的标准封装,也有lm9013样子的TO-92封装。
封装外形图介绍用Im78/lm79系列三端稳压IC来组成稳压电源所需的外围元件极少,电路内部还有过流、过热及调整管的保护电路,使用起来可靠、方便,而且价格便宜。
该系列集成稳压IC型号中的Im78或Im79后面的数字代表该三端集成稳压电路的输出电压,如lm7806表示输出电压为正6V,Im7909表示输出电压为负9V。
因为三端固定集成稳压电路的使用方便,电子制作中经常采用。
最大输出电流1.5A, LM78XX系列输出电压分别为5V;6V;8V;9V;10V;12V;15V;18V;24V2.实际应用在实际应用中,应在三端集成稳压电路上安装足够大的散热器(当然小功率7812IC内部电路图.的条件下不用)。
当稳压管温度过高时,稳压性能将变差,甚至损坏。
当制作中需要一个能输出 1.5A以上电流的稳压电源,通常采用几块三端稳压电路并联起来,使其最大输出电流为N个1.5A,但应用时需注意:并联使用的集成稳压电路应采用同一厂家、同一批号的产品,以保证参数的一致。
另外在输出电流上留有一定的余量,以避免个别集成稳压电路失效时导致其他电路的连锁烧毁。
在Im78 ** 、Im79 **系列三端稳压器中最常应用的是TO-220和TO-202两种封装。
这两种封装的图形以及引脚序号、引脚功能如附图所示。
图中的引脚号标注方法是按照引脚电位从高到底的顺序标注的。
这样标注便于记忆。
引脚①为最高电位,③脚为最低电位,②脚居中。
7812
出电流
出电阻
因为一般
器工作在线性区。
1.滤波,虑除交流噪声是输出电流更平稳;
2.提供储备电流,当需要突发大电流时变压器不够用时电解电容可以补充瞬间的不足。
不连有什么坏处?
与前面说的情况正相反。
还有就是我用220V-12V的变压器输出端连上7812想得到直流12V电源,为什么7812会热得发烫啊?
7812只是稳压电路,前面的整流元件必不可少,7812最大可以提供1.5A电流,而且必须加散热片。
问题补充:像我这样的输入输出需要并多大的电容啊?
这要根据所需电流来选取,一般有2200u足够了,再大浪费,最好在输出端在并连一只220u 电解和一只0.1u电容,这只0.1u小电容对减小电源高频内阻非常有效!。
三端固定稳压器7812主要用途:*适用于各种电源稳压电路。
主要特点:*输出稳定性好、使用方便、输出过流、过热自动保护。
封装形式:*TO-220极限值:℃ ( Tc=25电特性:℃ ( Tc=25除非特别说明: ( VI ; =19VI O ; =0.5AC I ; =0.33µFC O ; ℃<=0.1µF0T j <℃ 125 深圳市商岳电子有限公司参数名称符号额定值单位最大输入电压 VI 35V 最大输出电流 Io 1.5A 最大耗散功率 P D 20 W最高结温 Tjm 150℃贮存温度Tstg-~55150℃参数名称符号测试条件规范值单位最小值典型值最大值输出电压O ℃ T =25j 11.51212.5V 输出电压 O≤ ≤ ; ~14.5V V 27V I =5mA1AI O11.412.6V 输入电压I ≤ I 1.5AO12.535V 负载电压调整率△ VO℃; ~ T =25I =5mA1.5Aj O1.6240mV 负载电压调整率△ VO ℃; ~ T =25I =0.25A0.75Aj O 1120mV 线路电压调整率△ VO℃; ≤ ≤ T =2514.5V V 30VjI240 mV 线路电压调整率△ V O℃; ≤ ≤ T =2516V V 22VjI120 mV 静态电流 Iq ℃ T =25j 8mA 静态电流变化量△ Iq ≤ ≤ 15V V 30VI 1mA 静态电流变化量△ Iq≤ ≤5mA I 1AO0.5mA输出噪声电压N ≤ ≤ ; ℃ 10H f100KH T =25Z Z j 10纹波抑制比≤ ≤ ; ; ℃ 15VV 25V f =120H T =25I Z j60dB 输出电压温漂△ /△V TOI =1AO- 0.8/℃mV 输入输出电压差D ℃; T =25I =1Aj O2.0VTO-220输入接地输出1.I2.G3.O-外形尺寸图TO 220单位:mm深圳市商岳电子有限公司。
三端稳压器7812并联扩流电路三端稳压器7812并联扩流电路三端稳压器7812并联扩流电路用7812三端稳压器设计一款最大1A输出电流的稳压器很简单,但当输出电流高于1A时,就会出现许多问题。
为提供大输出电流,稳压器通常使用并联的功率晶体管。
这些功率晶体管的工作点( operating point )很难设计。
因为晶体管的集极和射极需要必不可少的功率电阻来设计直流工作点,而功率晶体管和功率电阻都要消耗很大功率,因此设计中要加散热措施。
本设计实例是一个可提供大输出电流的简单稳压器。
基本的构想是并联多个三端稳压器。
每只7812稳压器能提供1A电流,并且有5 、 6 、 8 、 9 、 12 、 15 、 18和24V多种电压版本。
本文以7812为例.图1显示两只并联的7812 。
图2 :用20只7812将图1中电路的输出能力提升至20A 。
两只7812独立工作,每只提供最大1A电流。
D1和D2完成两只稳压器的隔离。
输出电压为稳压器的标称输出电压减去二极管压降: VOUT=VREG – VD 。
在COM端接地(0V)情况下,稳压器的输出电压为VOUT 。
若要将图1中的输出电压提高到与三端稳压器标称值一致, COM端电位必须比接地高出一个二极管压降。
C 、 C1和C2为滤波电容。
图2显示了一个使用20只7812,可提供20A电流的稳压器。
所有的二极管均为1N4007 。
C=47000 μ F ,所有带编号的电容均为4700 μ F 。
7812均固定到一个散热片上,并用一个小风扇降温。
采用这种设计概念,可以将电路的输出电流扩充至数百安培。
7812价格;0.37/pcs。
7812压电路图三端稳压集成电路使用时要
请问7812的输入输出端连接电容的目的是什么?
1.滤波,虑除交流噪声是输出电流更平稳;
2.提供储备电流,当需要突发大电流时变压器不够用时电解电容可以补充瞬间的不足。
不连有什么坏处?
与前面说的情况正相反。
还有就是我用220V-12V的变压器输出端连上7812想得到直流12V电源,为什么7812会热得发烫啊?
7812只是稳压电路,前面的整流元件必不可少,7812最大可以提供1.5A电流,而且必须加散热片。
问题补充:像我这样的输入输出需要并多大的电容啊?
这要根据所需电流来选取,一般有2200u足够了,再大浪费,最好在输出端在并连一只220u 电解和一只0.1u电容,这只0.1u小电容对减小电源高频内阻非常有效!。