三端稳压器7805接线图分析
- 格式:pdf
- 大小:76.79 KB
- 文档页数:3
7805 内部电路
7805 三端稳压IC 内部电路具有过压保护、过流保护、过热保护功能,这使它的性能很稳定。
能够实现1A 以上的输出电流。
器件具有良好的温度系数,因此产品的应用范围很广泛。
可以运用本地调节来消除噪声影响,解决了与单点调节相关的分散问题,输出电压误差精度分为±3%和
±5%。
图7805 三端稳压IC 内部电路图
7805 三端稳压IC 在电路运用中应注意以下事项:
输入输出压差不能太大,太大则转换效率急速降低,而且容易击穿损坏。
最高输入电压不能超过35 伏; 输出电流不能太大,1.5A 是其极限值。
大电流的输出,散热片的尺寸要足够大,否则会导致高温保护或热击穿; 输入输出压差也不能太小,低于2 伏稳压效率急速下降。
三端稳压7805和7905稳压原理及典型电路2010-08-21 18:02:36| 分类:家电维修 | 标签:稳压电压tj电路输出 |字号大中小订阅7805外形结构电子产品中,常见的三端稳压集成电路有正电压输出的78 ×× 系列和负电压输出的79××系列。
顾名思义,三端IC是指这种稳压用的集成电路,只有三条引脚输出,分别是输入端、接地端和输出端。
它的样子象是普通的三极管,TO- 220 的标准封装,也有9013样子的TO-92封装。
用78/79系列三端稳压IC来组成稳压电源所需的外围元件极少,电路内部还有过流、过热及调整管的保护电路,使用起来可靠、方便,而且价格便宜。
该系列集成稳压IC型号中的78或79后面的数字代表该三端集成稳压电路的输出电压,如7806表示输出电压为正6V,7909表示输出电压为负9V。
因为三端固定集成稳压电路的使用方便,电子制作中经常采用。
注意事项在实际应用中,应在三端集成稳压电路上安装足够大的散热器(当然小功率的条件下不用)。
当稳压管温度过高时,稳压性能将变差,甚至损坏。
当制作中需要一个能输出1.5A以上电流的稳压电源,通常采用几块三端稳压电路并联起来,使其最大输出电流为N个1.5A,但应用时需注意:并联使用的集成稳压电路应采用同一厂家、同一批号的产品,以保证参数的一致。
另外在输出电流上留有一定的余量,以避免个别集成稳压电路失效时导致其他电路的连锁烧毁。
在78 ** 、79 ** 系列三端稳压器中最常应用的是TO-220 和TO-202 两种封装。
这两种封装的图形以及引脚序号、引脚功能如附图所示。
从正面看①②③引脚从左向右按顺序标注,接入电路时①脚电压高于②脚,③脚为输出位。
如对于78**正压系列,①脚高电位,②脚接地,;对与79**负压系列,①脚接地,②脚接负电压,输出都是③脚。
如附图所示。
此外,还应注意,散热片总是和接地脚相连。
lm7805介绍用lm78/lm79系列三端稳压IC来组成稳压电源所需的外围元件极少,电路内部还有过流、过热及调整管的保护电路,使用起来可靠、方便,而且价格便宜。
该系列集成稳压IC型号中的lm78或lm79后面的数字代表该三端集成稳压电路的输出电压,如lm7806表示输出电压为正6V,lm7909表示输出电压为负9V。
因为三端固定集成稳压电路的使用方便,电子制作中经常采用。
[编辑本段]实际应用在实际应用中,应在三端集成稳压电路上安装足够大的散热器(当然小功率7805IC内部电路图.的条件下不用)。
当稳压管温度过高时,稳压性能将变差,甚至损坏。
当制作中需要一个能输出1.5A以上电流的稳压电源,通常采用几块三端稳压电路并联起来,使其最大输出电流为N个1.5A,但应用时需注意:并联使用的集成稳压电路应采用同一厂家、同一批号的产品,以保证参数的一致。
另外在输出电流上留有一定的余量,以避免个别集成稳压电路失效时导致其他电路的连锁烧毁。
在lm78 ** 、lm79 ** 系列三端稳压器中最常应用的是TO-220 和TO-202 两种封装。
这两种封装的图形以及引脚序号、引脚功能如附图所示。
图中的引脚号标注方法是按照引脚电位从高到底的顺序标注的。
这样标注便于记忆。
引脚①为最高电位,③脚为最低电位,②脚居中。
从图中可以看出,不论正压还是负压,②脚均为输出端。
对于lm78**正压系列,输入是最高电位,自然是①脚,地端为最低电位,即③脚,如附图所示。
对与lm79**负压系列,输入为最低电位,自然是③脚,而地端为最高电位,即①脚,如附图所示。
[编辑本段]引脚序号、引脚功能此外,还应注意,散热片总是和最低电位的第③脚相连。
这样在lm78**系列中,散热片和地相连接,而在lm79**系列中,散热片却和输入端相连接。
[编辑本段]lm7805应用电路lm7805典型应用电路图:lm78XX系列集成稳压器的典型应用电路图,是一个输出正5V直流电lm7805稳压电路压的稳压电源电路。
三端稳压7805和7905稳压原理及典型电路2010-08-21 18:02:36| 分类:家电维修| 标签:稳压电压 tj 电路输出|字号大中小订阅7805外形结构电子产品中,常见的三端稳压集成电路有正电压输出的78 ××系列和负电压输出的79××系列。
顾名思义,三端IC是指这种稳压用的集成电路,只有三条引脚输出,分别是输入端、接地端和输出端。
它的样子象是普通的三极管,TO- 220 的标准封装,也有9013样子的TO-92封装。
用78/79系列三端稳压IC来组成稳压电源所需的外围元件极少,电路内部还有过流、过热及调整管的保护电路,使用起来可靠、方便,而且价格便宜。
该系列集成稳压IC型号中的78或79后面的数字代表该三端集成稳压电路的输出电压,如7806表示输出电压为正6V,7909表示输出电压为负9V。
因为三端固定集成稳压电路的使用方便,电子制作中经常采用。
注意事项在实际应用中,应在三端集成稳压电路上安装足够大的散热器(当然小功率的条件下不用)。
当稳压管温度过高时,稳压性能将变差,甚至损坏。
当制作中需要一个能输出1.5A以上电流的稳压电源,通常采用几块三端稳压电路并联起来,使其最大输出电流为N个1.5A,但应用时需注意:并联使用的集成稳压电路应采用同一厂家、同一批号的产品,以保证参数的一致。
另外在输出电流上留有一定的余量,以避免个别集成稳压电路失效时导致其他电路的连锁烧毁。
在78 ** 、79 ** 系列三端稳压器中最常应用的是TO-220 和TO-202 两种封装。
这两种封装的图形以及引脚序号、引脚功能如附图所示。
从正面看①②③引脚从左向右按顺序标注,接入电路时①脚电压高于②脚,③脚为输出位。
如对于78**正压系列,①脚高电位,②脚接地,;对与79**负压系列,①脚接地,②脚接负电压,输出都是③脚。
如附图所示。
此外,还应注意,散热片总是和接地脚相连。
78L05引脚图及电路原理图详解7805引脚图7805是常⽤的三端稳压器,⼀般使⽤的是TO-220封装,能提供DC 5V的输出电压,应⽤范围⼴,内含过流和过载保护电路。
带散热⽚时能持续提供1A的电流,如果使⽤外围器件,它还能提供不通的电压和电流。
7805是常⽤的三端稳压器件,顾名思义05就是输出电压为5v,还可以微调,7805输出波纹很⼩。
(1) 集成三端稳压器根据稳定电压的正、负极性分为78×××,79×××系列。
附图给出了正、负稳压的典型电路。
〈正、负稳压7805电路〉(2) 三端稳压器的型号规格和管脚分布。
例如:78M05三端稳压器可输出+5 V、0.5 A的稳定电压;7912三端稳压器可输出 12V、1A的稳定电压。
(3) 外形及管脚分布,如附图1-25所⽰。
由7805,7905,7812组成的特殊的线性稳压电源如图所⽰为⼀种特殊的电源电路。
该电路虽然简单,但可以从两个相同的次级绕组中产⽣出三组直流电压:+5V、-5V和+12V。
其特点是:D2、D3跨接在E2、E3这两组交流电源之间,起着全波整流的作⽤。
7805可调稳压电源电路图7800系列三端稳压集成电路⼴泛⽤于各种电⼦电器电路中⽤作电源稳压,它的输出电压是固定的,但如果对外围电路稍作改动就可以是⼀个不错的连续可调稳压电源,⽤作实验检修之⽤完全可⾏。
制作之前需了解:7800系列三端稳压器按输出电流区分有三种系列,分别是78L00系列最⼤输出电流0.1A;78M00系列最⼤输出电流0.5A;7800系列最⼤输出电流1.5A。
三端稳压器输⼊输出压差要⼤于2V。
7805-7818的最⾼输⼊电压不能超过35V,7820-7824最⾼输⼊电压不能超过40V。
7805制作的5V-12V连续可调稳压电源这⾥选⽤7805制作了⼀个5V~12V连续可调的直流稳压电源实例。
图中R1、R2的取值决定了输出电压的可调范围,按照图⽰取值可在5~12V稳压范围内实现输出电压连续可调。
7805引脚图管脚电路参数——三端稳压器7805资料一、7805引脚图及管脚功能1. 引脚1(输入端):连接电源输入,输入电压范围为7.5V至20V。
3. 引脚3(输出端):输出稳定的5V电压,供负载使用。
二、7805电路参数1. 输出电压:5V(误差范围为±1%)2. 最大输出电流:1.5A(在输入电压为12V,输出电压为5V时)3. 线性调整率:±0.02%4. 负载调整率:±0.5%5. 输入电压范围:7.5V至20V6. 静态电流:约6mA(无负载条件下)7. 纹波抑制比:大于60dB8. 工作温度范围:40℃至+125℃三、7805应用电路及注意事项1. 应用电路:7805可应用于各种电子设备,如单片机系统、通信设备、仪表等,为这些设备提供稳定的5V电源。
2. 注意事项:(1)为确保7805正常工作,输入端与输出端之间需接入适当的滤波电容,通常为10μF至100μF。
(2)7805的散热问题不容忽视,尤其在高温环境下或大电流输出时。
建议在7805散热片上涂抹导热硅脂,并确保散热片与散热器之间接触良好。
(3)在接入负载时,请确保负载电流不超过7805的最大输出电流,以免损坏器件。
(4)为防止电路干扰,7805的输入端和输出端应分别接入去耦电容,通常为0.1μF至1μF。
四、7805的安装与调试技巧1. 安装技巧:(1)在安装7805时,请确保引脚顺序正确,避免因引脚错误导致电路无法正常工作或损坏器件。
(2)7805的焊接过程应迅速进行,以免过热损坏器件。
建议使用恒温焊台,并将焊接时间控制在3秒以内。
(3)为防止静电损坏7805,请在焊接前佩戴防静电手环,并在焊接过程中确保工作台面接地。
2. 调试技巧:(1)在电路调试过程中,检查输入电压是否在规定范围内,以确保7805能够正常工作。
(2)使用万用表测量输出电压,观察是否存在波动。
若输出电压不稳定,可适当调整输入端的滤波电容值。
7805是我们最常用到的稳压芯片了,他的使用方便,用很简单的电路即可以输入一个直流稳压电源,他的输出电压恰好为5v,刚好是51系列单片机运行所需的电压,他有很多的系列如ka7805,ads7805,cw7805等,性能有微小的差别,用的最多的还是lm7805,下面我简单的介绍一下他的3个引脚以及用它来构成的稳压电路的资料。
<7805引脚图>
其中1接整流器输出的+电压,2为公共地(也就是负极),3就是我们需要的正5V输出电压了,下面介绍一个简单的7805电路
文章来源:/
更多datasheet:/
上图中R1用220Ω,R2用680Ω的这个是用来调节输出电压的。
输出电压公式Uo≈Uxx(1+R2/R1),此稳压电路可在5~12V稳压范围内实现输出电压连续可调节。
此三端集成稳压集成电路lm7805最大输入电压为35V,输入输出差需保持2V以上,这样该电路中因为稳压器的直流输入电压是正14V,故该稳压电路的最大输出电压为正12V。
此电路的精度一般可达到0.04以上,用lm7805就能满足一般需求了。
7805是我们最常用到的稳压芯片了,他的使用方便,用很简单的电路即可以输入一个直流稳压电源,他的输出电压恰好为5v,刚好是51系列单片机运行所需的电压,他有很多的系列如ka7805,ads7805,cw7805等,性能有微小的差别,用的最多的还是lm7805,下面我简单的介绍一下他的3个引脚以及用它来构成的稳压电路的资料。
<7805引脚图>
其中1接整流器输出的+电压,2为公共地(也就是负极),3就是我们需要的正5V输出电压了,下面介绍一个简单的7805电路
<lm7805稳压电路>
上图中R1用220Ω,R2用680Ω的这个是用来调节输出电压的。
输出电压公式Uo≈Uxx(1+ R2/R1),此稳压电路可在5~12V稳压范围内实现输出电压连续可调节。
此三端集成稳压集成电路lm7805最大输入电压为35V,输入输出差需保持2V以上,这样该电路中因为稳压器的直流输入电压是正14V,故该稳压电路的最大输出电压为正12V。
此电路的精度一般可达到0.04以上,用lm7805就能满足一般需求了。
三端稳压器的作用是什么?三端稳压器7805应用详解三端稳压器的作用一般用于直流电路的保护电路,起到降压、稳压的作用。
+常用的78系列和79系列,78XX的都是正电压输出,79XX的都是负电压输出,输入电压一般不要太大,低于36V以内。
+78、79后面经常出现L或H或空白代表额定电流,如78L12代表输出%2B12V+0.5A的电压。
+接线:字面向自己时,最左边是1脚,中间是2脚,最右边是3脚.接线时1脚接电压输入,2脚接c端,3脚接输出端。
7805三端稳压集成电路,电子产品中,常见的三端稳压集成电路有正电压输出的78 系列和负电压输出的79 系列。
顾名思义,三端IC是指这种稳压用的集成电路,只有三条引脚输出,分别是输入端、接地端和输出端。
它的样子像是普通的三极管,TO- 220 的标准封装,也有9013样子的TO-92封装。
组成结构用78/79系列三端稳压IC来组成稳压电源所需的外围元件极少,电路内部还有过流、过热及调整管的保护电路,使用起来可靠、方便,而且价格便宜。
该系列集成稳压IC型号中的78或79后面的数字代表该三端集成稳压电路的输出电压,如7806表示输出电压为正6V,7909表示输出电压为负9V。
因为三端固定集成稳压电路的使用方便,电子制作中经常采用。
在实际应用中,应在三端集成稳压电路上安装足够大的散热器(当然小功率的条件下不用)。
当稳压管温度过高时,稳压性能将变差,甚至损坏。
当制作中需要一个能输出1.5A以上电流的稳压电源,通常采用几块三端稳压电路并联起来,使其最大输出电流为N个1.5A,但应用时需注意:并联使用的集成稳压电路应采用同一厂家、同一批号的产品,以保证参数的一致。
另外在输出电流上留有一定的余量,以避免个别集成稳压电路失效时导致其他电路的连锁烧毁。
在78 ** 、79 ** 系列三端稳压器中最常应用的是TO-220 和TO-202 两种封装。
这两种封装的图形以及引脚序号、引脚功能如附图所示。
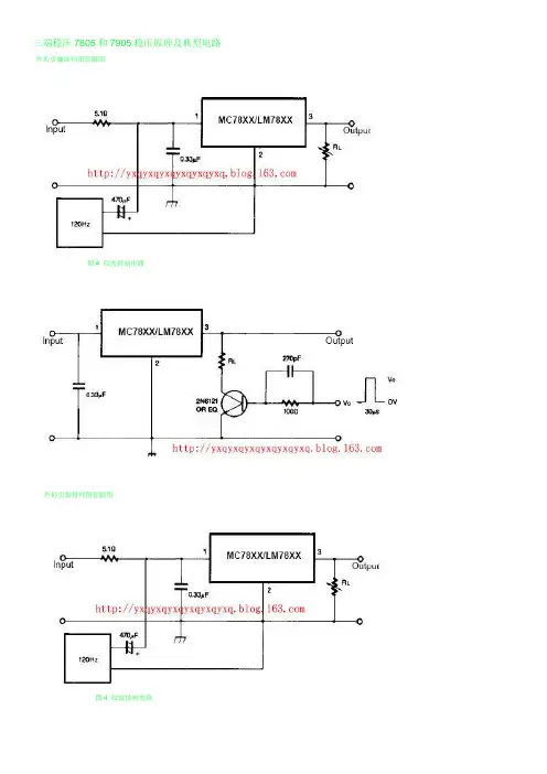
三端稳压7805和7905稳压原理及典型电路外形引脚排列图管脚图图4 纹波抑制电路外形引脚排列图管脚图图4 纹波抑制电路图5 负载调节控制电路图6 与79XX系列三端稳压构成的正负对称输出电压电路图图7 典型应用电路图图8 TO-220封装图片图9 D-PAK封装图LM7905中文资料-MC7905-管脚图-参数-三端稳压集成电路-封装-引脚图-典型应用电路图Electrical Characteristics 电气特性(MC7905/LM7905)(VI = -10V, IO = 500mA, 0℃≤TJ ≤ +125℃, CI =2.2μF, CO =1μF, unless otherwise specified.)三端稳压集成电路极限参数:图1 79XX内部电路图图2 外形引脚排列图管脚图图3 79XX参照测试电路及典型电路图4 输出电压图5 负载调节率曲线图6 电压差曲线图图7 静态电流曲线图图8 短路电流曲线图图9 与78XX系列三端稳压构成的正负对称输出电压应用电路图图10 TO-220封装图片------------------------------------------------------------------------------------------------------------------------------------------------------------------------------------------------------------------------------------------------------------------------------------------------------------------------------------------------------------------------------------三端稳压块7805、7905、317封装形式、外围电路及实用电路7805 7815 78xx 输出+电压xx 伏,7905 7915 79... 输出-电压xx伏。
三端稳压7805和7905稳压原理及典型电路2010-08-21 18:02:36| 分类:家电维修| 标签:稳压电压 tj 电路输出|字号大中小订阅7805外形结构电子产品中,常见的三端稳压集成电路有正电压输出的78 ××系列和负电压输出的79××系列。
顾名思义,三端IC是指这种稳压用的集成电路,只有三条引脚输出,分别是输入端、接地端和输出端。
它的样子象是普通的三极管,TO- 220 的标准封装,也有9013样子的TO-92封装。
用78/79系列三端稳压IC来组成稳压电源所需的外围元件极少,电路内部还有过流、过热及调整管的保护电路,使用起来可靠、方便,而且价格便宜。
该系列集成稳压IC型号中的78或79后面的数字代表该三端集成稳压电路的输出电压,如7806表示输出电压为正6V,7909表示输出电压为负9V。
因为三端固定集成稳压电路的使用方便,电子制作中经常采用。
注意事项在实际应用中,应在三端集成稳压电路上安装足够大的散热器(当然小功率的条件下不用)。
当稳压管温度过高时,稳压性能将变差,甚至损坏。
当制作中需要一个能输出1.5A以上电流的稳压电源,通常采用几块三端稳压电路并联起来,使其最大输出电流为N个1.5A,但应用时需注意:并联使用的集成稳压电路应采用同一厂家、同一批号的产品,以保证参数的一致。
另外在输出电流上留有一定的余量,以避免个别集成稳压电路失效时导致其他电路的连锁烧毁。
在78 ** 、79 ** 系列三端稳压器中最常应用的是TO-220 和TO-202 两种封装。
这两种封装的图形以及引脚序号、引脚功能如附图所示。
从正面看①②③引脚从左向右按顺序标注,接入电路时①脚电压高于②脚,③脚为输出位。
如对于78**正压系列,①脚高电位,②脚接地,;对与79**负压系列,①脚接地,②脚接负电压,输出都是③脚。
如附图所示。
此外,还应注意,散热片总是和接地脚相连。
W7805三端集成稳压器
电路如图1-8所示。
接通电源,电网电压220V经变压器T1变压,由桥式整流器QL整流、电容C3滤波,是输出端得到5V的稳定电压。
W7805的最大输出电流为1.5A,若要想使输出电流达到>1.5A,则要扩大输出电流。
为此,在W7805的外围,安一只大功率三极管VT,它采用的是并联式扩流方法,即在W7805的1脚与VT1的基极相连,在输出端W7805的2脚与VT1的集电极相连,这样两输出电流和可满足输出1.6~2A间电流的要求。
如果需要更大的输出电流,可改成2~3只大功率三极管并联即可满足。
W7805三端集成稳压器内部有过流,过热和安全区的保护电路。
尽管如此,由W7805等元器件组成的文艺电源输出端仍有可能发生过压的危险,为了确保负载的安全,本电源在集成块典型应用电路基础上,加了过压保护电路,该电路由稳压二极管VD3,电阻R2,晶闸管VS和快速熔断器FU所组成。
用固定式三端集成稳压电路7805设计制作连续可调直流稳压的实际电路如图所示,图中R1取220Ω,R2取680Ω主要用来调整输出电压。
输出电压Uo≈Uxx(1+R2/R1),该电路可在5~12V稳压范围内实现输出电压连续可调。
由该电路实践证明:(1)R1为固定电阻值,改变电阻R2的阻值就可获得连续可调的输出电压,输出电压Uo近似值等于Uxx(1+R2/R1)。
(2)最高输出电压受稳压器最大输入电压及最小输入输出压差的限制,该固定式三端集成稳压集成电路7805最大输入电压为35V,输入输出差要保持2V以上,因此该电路中由于稳压器的直流输入电压为+14V,所以该电路的输出最大值为+12V。
(3)实验表明,在稳压器的稳压范围内,其稳压精度可达±0.03。
对于三端稳压器,最常用的有78X系列与79X系列。
比如应用范围广,7805顾名思义05就就是输出电压为5v,还可以微调,7805输出波纹很小。
内含过流与过载保护电路。
带散热片时能持续提供1A的电流,如果使用外围器件,它还能提供不通的电压与电流。
北京南电科技代理KEC产品线主推三端稳压、四端稳压系列产品,对应ST、ON的78、79系列TO-220AB产品,后厚散热片与纯铜引脚,散热效果更好。
性能完全不逊色st与ON,价格又更有优势。
7805引脚图(管脚图)
(1) 集成三端稳压器根据稳定电压的正、负极性分为78×××,79×××系列。
附图给出了正、负稳压的典型电路。
〈正、负稳压7805电路〉
(2) 三端稳压器的型号规格与管脚分布。
例如:78M05三端稳压器可输出+5 V、0、5 A的稳定电压;7912三端稳压器可输出12V、1A的稳定电压。
(3) 外形及管脚分布,如附图1-25所示。
由7805,7905,7812组成的特殊的线性稳压电源
如图所示为一种特殊的电源电路。
该电路虽然简单,但可以从两个相同的次级绕组中产生出三组直流电压:+5V、-5V与+12V。
其特点就是:D2、D3跨接在E2、E3这两组交流电源之间,起着全波整流的作用。
三端稳压7805和7905稳压原理及典型电路外形引脚排列图管脚图图4 纹波抑制电路外形引脚排列图管脚图图4 纹波抑制电路图5 负载调节控制电路图6 与79XX系列三端稳压构成的正负对称输出电压电路图图7 典型应用电路图图8 TO-220封装图片图9 D-PAK封装图LM7905中文资料-MC7905-管脚图-参数-三端稳压集成电路-封装-引脚图-典型应用电路图Electrical Characteristics 电气特性(MC7905/LM7905)(VI = -10V, IO = 500mA, 0℃≤TJ ≤ +125℃, CI =2.2μF, CO =1μF, unless otherwise specified.)三端稳压集成电路极限参数:图1 79XX内部电路图图2 外形引脚排列图管脚图图3 79XX参照测试电路及典型电路图4 输出电压图5 负载调节率曲线图6 电压差曲线图图7 静态电流曲线图图8 短路电流曲线图图9 与78XX系列三端稳压构成的正负对称输出电压应用电路图图10 TO-220封装图片------------------------------------------------------------------------------------------------------------------------------------------------------------------------------------------------------------------------------------------------------------------------------------------------------------------------------------------------------------------------------------三端稳压块7805、7905、317封装形式、外围电路及实用电路7805 7815 78xx 输出+电压xx 伏,7905 7915 79... 输出-电压xx伏。
对于三端稳压器,最常用的有78X 系列与79X 系列。
比如应用范围广,7805顾名思义 05就就是输出电压为 5v,还可以微调,7805输出波纹很小。
内含过流与过载保护电路。
带散 热片时能持续提供1A 的电流,如果使用外围器件,它还能提供不通的电压与电流。
北京南电科技代理 KEC 产品线主推三端稳压、 四端稳压系列产品,对应ST 、ON 的78、 79系列TO-220AB 产品,后厚散热片与纯铜引脚,散热效果更好。
性能完全不逊色 st 与ON , 价格又更有优势。
7805引脚图(管脚图)(1)集成三端稳压器根据稳定电压的正、负极性分为 78XXX 79 xxx 系列。
附图给出了正、负稳压的典型电路。
/I H二kJ\__ 1 -----------------------------OUTPUTS 2PAK (Any Typa)阳00系列管加定义TO-22-0 (Any Type) TO^20FFTO-220FM2? OUTPUT二&R0UMC 3 pipurTO -3例如:78M05三端稳压器可输出+5 V 、0、5 A 的稳定电压;7912三端稳压器可输出 12V 、 1A的稳定电压。
(3)外形及管脚分布,如附图1-25所示。
〈正、负稳压7805电路〉(2)三端稳压器的型号规格与管脚分布。
TO-220裁爭:丧示输岀电圧和亨母:W 水输出載扎电訛的Cffl 曲表1-L7J附表1 -17三端稳压器输出电流字母養示法LM氐宇)SH F0.1 A 0 .5 Ai A2A1UA*_■入# INPUT 2 血 GXD? 間|lh OL7TPLTVT>◎正稳圧VD(b)负梯压由7805,7905,7812 组成的特殊的线性稳压电源如图所示为一种特殊的电源电路。
该电路虽然简单,但可以从两个相同的次级绕组中产生出三组直流电压:+5V、-5V与+12V。
其特点就是:D2、D3跨接在E2、E3这两组交流电源之间,起着全波整流的作用。
三端稳压器7805接线图分析
7805外形结构
电子产品中,常见的三端稳压集成电路有正电压输出的78
&TImes;&TImes; 系列和负电压输出的79&TImes;&TImes;系列。
顾名思义,三端IC是指这种稳压用的集成电路,只有三条引脚输出,分别是输入端、接地端和输出端。
它的样子象是普通的三极管,TO- 220 的标准封装,也有9013样子的TO-92封装。
用78/79系列三端稳压IC来组成稳压电源所需的外围元件极少,电路内部还有过流、过热及调整管的保护电路,使用起来可靠、方便,而且价格便宜。
该系列集成稳压IC型号中的78或79后面的数字代表该三端集成稳压电路的输出电压,如7806表示输出电压为正6V,7909表示输出电压为负9V。
因为三端固定集成稳压电路的使用方便,电子制作中经常采用。
7805引脚图及稳压电路图
7805是我们最常用到的稳压芯片了,他的使用方便,用很简单的电路即可以输入一个直流稳压电源,他的输出电压恰好为5v,刚好是51系列。