管道闭水试验检验批验收记录表
- 格式:doc
- 大小:21.00 KB
- 文档页数:1
管道闭水试验记录表
以下是一个管道闭水试验记录表的示例:
在“序号”列中,您可以按照测试的顺序填写序号。
在“管道名称”列中,填写要测试的管道的名称。
在“管道规格”列中,填写管道的规格,例如DN200表示直径为200mm。
在“试验时间”列中,填写试验开始和结束的时间。
在“试验开始时水位(mm)”和“试验结束时水位(mm)”列中,分别填写试验开始和结束时水位的高度。
在“渗水量(L/min)”列中,填写每分钟渗入的水量。
在“试验结果”列中,根据试验情况填写“合格”或“不合格”。
您可以根据实际情况添加或删除列,并根据需要进行格式调整。
确保记录表的完整性和准确性,以便后续的分析和处理。
工程名称试验日期2010 年 9月 21日桩号及地段污水管道 K0+160---K0+300管道内径管材种类接口种类试验段长度( m)( mm)φ 500玻璃纤维加强热固性树脂夹砂管热缩短套140M 接口试验试验段上游同意渗水量[ m3/(]水头设计水头( m)( m)2.0M 2.5M q==*500=次数观察开端观察结束恒压时间恒压时间补入实测渗水量时间 T1时间 T2T( min )的水量 W( L)q[ L/ ()]18: 309:0030210: 0010:3030渗水量测定记录3折合均匀实测渗水量[m3/()]外观管接口无显然外渗现象,井四周无渗水现象。
记录考语经外观记录和实测数据考证,该段管道闭水合格。
施工单位:试验负责人:监理单位:设计单位:建设单位:记录员:工程名称试验日期2010 年 5月 27日桩号及地段污水管道 K0+107---K0+197管道内径管材种类接口种类试验段长度( m)( mm)φ 400玻璃纤维加强热固性树脂夹砂管热缩短套90M 接口试验试验段上游同意渗水量[ m3/(]水头设计水头( m)( m)2.0M 2.5M q==*400=次数观察开端观察结束恒压时间恒压时间补入实测渗水量时间 T1时间 T2T( min )的水量 W( L)q[ L/ ()]18: 409:1030210: 1010:4030渗水量测定记录3折合均匀实测渗水量[m3/()]外观管接口无显然外渗现象,井四周无渗水现象。
记录考语经外观记录和实测数据考证,该段管道闭水合格。
施工单位:试验负责人:监理单位:设计单位:建设单位:记录员:淮安市盐化工家产区张码路试验日期2010年11月16日工程名称(淮盐路 --- 陆集路)工程桩号及地段污水管道 K0+388---K0+523管道内径管材种类接口种类试验段长度( m)( mm)φ 600玻璃纤维加强热固性树脂夹砂管热缩短套135M 接口试验试验段上游同意渗水量[ m3/(]水头设计水头( m)( m)2.0M 2.5M q==*600=次数观察开端观察结束恒压时间恒压时间补入实测渗水量时间 T1时间 T2T( min )的水量 W( L)q[ L/ ()]18: 208:5030210: 0010:3030渗水量测定记录3折合均匀实测渗水量[m3/()]外观管接口无显然外渗现象,井四周无渗水现象。
污水管道闭水试验工程报验申请表工程名称:滨河东路编号:管道闭水试验记录表施工单位:监理单位:试验负责人:记录员:污水管道闭水试验工程报验申请表工程名称:滨河东路编号:管道闭水试验记录表施工单位:监理单位:试验负责人:记录员:污水管道闭水试验工程报验申请表工程名称:滨河东路编号:管道闭水试验记录表施工单位:监理单位:试验负责人:记录员:污水管道闭水试验工程报验申请表工程名称:滨河东路编号:管道闭水试验记录表施工单位:监理单位:试验负责人:记录员:污水管道闭水试验工程报验申请表工程名称:滨河东路编号:管道闭水试验记录表施工单位:监理单位:试验负责人:记录员:污水管道闭水试验工程报验申请表工程名称:滨河东路编号:管道闭水试验记录表施工单位:监理单位:试验负责人:记录员:污水管道闭水试验工程报验申请表工程名称:滨河东路编号:管道闭水试验记录表施工单位:监理单位:试验负责人:记录员:污水管道闭水试验工程报验申请表工程名称:滨河东路编号:管道闭水试验记录表施工单位:监理单位:试验负责人:记录员:污水管道闭水试验工程报验申请表工程名称:滨河东路编号:管道闭水试验记录表施工单位:监理单位:试验负责人:记录员:污水管道闭水试验工程报验申请表工程名称:滨河东路编号:管道闭水试验记录表施工单位:监理单位:试验负责人:记录员:污水管道闭水试验工程报验申请表工程名称:滨河东路编号:管道闭水试验记录表施工单位:监理单位:试验负责人:记录员:污水管道闭水试验工程报验申请表工程名称:滨河东路编号:管道闭水试验记录表施工单位:监理单位:试验负责人:记录员:污水管道闭水试验工程报验申请表工程名称:滨河东路编号:管道闭水试验记录表施工单位:监理单位:试验负责人:记录员:污水管道闭水试验工程报验申请表工程名称:滨河东路编号:管道闭水试验记录表施工单位:监理单位:试验负责人:记录员:污水管道闭水试验工程报验申请表工程名称:滨河东路编号:管道闭水试验记录表施工单位:监理单位:试验负责人:记录员:。
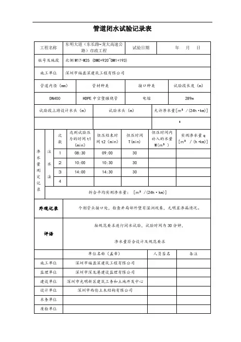
管道闭水试验记录表工程名称东明大道(东长路~龙大高速公路)市政工程试验日期年月日桩号及地段北侧W17-W25 (DM0+920~DM1+193)施工单位深圳市福盈深建筑工程有限公司管道内径(mm)管材种类接口种类试验段长度(m)DN400 HDPE中空壁缠绕管电熔289m试验段上游设计水头(m)试验水头(m)允许渗水量[m³/(24h·km)]³渗水量测定记录注水法次数达到试验压力的时间t1(min)恒压结束时间t2(min)恒压时间T(min)恒压时间内补入的水量W(m³)实测渗水量q[m³/(h·km)] 108:30 09:00 30210:00 10:30 30314:00 14:30 304折合平均实测渗水量:[m³/(24h·km)]外观记录个别管头接口处,检查井局部外壁有湿润现象,无明显渗漏情况。
评语按规范要求进行闭水试验,试验时间为30分钟,渗水量符合设计及规范要求单位名称(盖章)人员签名备注施工单位深圳市福盈深建筑工程有限公司监理单位深圳市深龙港建设监理有限公司建设单位深圳市光明新区建筑工务和土地开发中心设计单位深圳市西伦土木结构有限公司水务单位1质检单位管道闭水试验记录表工程名称东明大道(东长路~龙大高速公路)市政工程试验日期年月日桩号及地段南侧W46-W58 (DM0+960~DM1+370)施工单位深圳市福盈深建筑工程有限公司管道内径(mm)管材种类接口种类试验段长度(m)DN400 HDPE中空壁缠绕管电熔440m试验段上游设计水头(m)试验水头(m)允许渗水量[m³/(24h·km)]³渗水量测定记录注水法次数达到试验压力的时间t1(min)恒压结束时间t2(min)恒压时间T(min)恒压时间内补入的水量W(m³)实测渗水量q[m³/(h·km)] 109:00 09:30 30210:30 11:00 30315:00 15:30 304折合平均实测渗水量:[m³/(24h·km)]外观记录个别管头接口处,检查井局部外壁有湿润现象,无明显渗漏情况。
管道闭水试验记录表Final revision by standardization team on December X), 2020.
管道闭水试验记录表
施工单位:试验负责人: 监理单位:设计单位:
建设单位:记录员:
管道闭水试验记录表
施工单位:试验负责人: 监理单位:设计单位:
建设单位:记录员:
管道闭水试验记录表
施工单位: 试验负责人:
设计单位: 记录员:
管道闭水试验记录表
监理单位: 建设单位:
施工单位:试验负责人: 监理单位:设计单位:
建设单位:记录员:
管道闭水试验记录表
施工单位:
试验负责人: 监理单位: 建设单位:
管道闭水试验记录表
设计单位: 记录员:
施工单位:试验负责人: 监理单位: 建设单位: 设计单位:
记录员:。
管道闭水试验记录表4全集文档(可以直接使用,可编辑实用优质文档,欢迎下载)
管道闭水试验记录表
施工单位:试验负责人:
监理单位:设计单位:
建设单位:记录员:
施工单位:句容市圆通市政建设工程试验负责人:监理单位:江苏信诚工程管理咨询
建设单位:句容市市政公用事业服务中心记录员:设计单位:江苏中森建筑设计
施工单位:句容市圆通市政建设工程试验负责人:监理单位:江苏信诚工程管理咨询
建设单位:句容市市政公用事业服务中心记录员:设计单位:江苏中森建筑设计
施工单位:试验负责人:监理单位:设计单位:建设单位:记录员:
施工单位:试验负责人:监理单位:设计单位:建设单位:记录员:
施工单位:试验负责人:监理单位:设计单位:建设单位:记录员:
施工单位:试验负责人:监理单位:设计单位:建设单位:记录员:
施工单位:试验负责人:监理单位:设计单位:建设单位:记录员:
施工单位:试验负责人:监理单位:设计单位:建设单位:记录员:
管道闭水试验记录表
施工单位:试验负责人:监理单位:设计单位:
建设单位:记录员:
管道闭水试验记录表
施工单位:试验负责人:
监理单位:设计单位:
建设单位:记录员:
封层检验批质量检验记录
混凝土原材料检验批质量验收记录
编号:001。