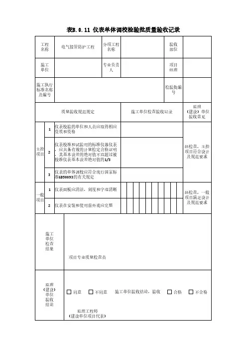
仪表检验批质量验收记录全
- 格式:doc
- 大小:642.50 KB
- 文档页数:37
工程名称分项工程名称仪表线路安装验收部位站内施工单位专业负责人项目经理施工执行标准名称及编号《自动化仪表工程施工及质量验收规范》GB50093-2013检验批编号质量验收规范规定施工单位检查评定记录监理(建设)单位验收意见主控项目1汇线槽、桥架、保护管、接线箱、电缆和光缆的型号、规格、材质、涂漆等符合设计文件规定,随机技术文件齐全。
符合要求施工质量经抽样检验合格,符合设计及施工质量验收规范要求2汇线槽、桥合设计文件咼温、易燃艺管道或设?架、保护管 :规定,且避: 人可燃、腐丿略。
的安装位置符开强电磁场、蚀性介质的工/接线箱的安装位置应符合设计文件规定。
符合要求在蠶槽内嗓交属源隔和仪表信/设备附带的专用电缆的敷设应符合随机技术文件的要求。
符合要求3汇线槽的支架间距合理、焊接符合设计文件规定。
/仪表线路安装检验批质量验收记录SY4 2 0 5汇线槽、桥架安装牢固,对口连接采用平滑的半圆头螺栓,螺母在汇线槽的外侧,并预/留适当膨胀间隙,内部清洁、无毛刺、槽口光滑、无锐边、有电缆护口。
保护管连接牢固,无严重变形,内部清洁、符合要求无毛刺、管口光滑、无锐边。
有电缆护口,管外壁防腐或防护措施符合设计文件规定。
电(光)缆的敷设方式符合实际文件的规定。
符合要求隐蔽辐射的电(光)缆,其路径、埋设深度符合设计文件规定,与任何地下管道平行或符合要求交叉敷设时,采取有能够避免电磁和热力影响的措施。
电(光)缆的两端、拐弯、伸缩缝、热补偿区段、易震部位均留有欲度,在桥架、垂直符合要求汇线槽、仪表盘、柜、台、箱内固定且松紧适度。
电伴热带的敷设和固定符合随机技术文件的符合要求要求。
仪表线路安装检验批质量验收记录(续1)SY4205工程名分项丄程名仪表线路验收部站内称称安装位施工单位专业负责人项目经理施工执行标准名称及编号《自动化仪表工程施工及质量验收规范》GB50093-2013检验批编号质量验收规范规定施工单位检查评定记录监理(建设)单位验收意见主控项目4接线质量电(光)缆的导通、衰减等技术指标符合设计文件规疋,电缆的绝缘电阻大于5 M Q0合格,记录完整施工质量经抽样检验合格,符合设计及施工质量验收规范要求仪表盘、柜、台箱内的线路没有接头,其绝缘保护层没有损伤。
PLC柜(仪表保护箱)安装分项工程检验批质量验收记录
工程名称分项工程名称
施工单位专业工长项目经理
施工执行标准名称及编号GB 50093-2002 自动化仪表工程施工及验收规范
GBJ131-90 自动化仪表安装工程质量检验评定标准
验收部位PLC工作站
分包单位/ 分包项目经理/ 施工班组长
主控项目序
号
项目施工单位检查评定记录
监理(建设)单位
验收记录
1 柜(箱)内配线检查试验合格
2 柜(箱)内各部件符合设计要求合格
3 柜(箱)接地符合设计要求合格
一般项目序
号
项目施工单位检查评定记录
1 柜(箱)内部部件安装完整,整齐符合要求
2 柜(箱)内各连接件牢固符合要求
3 线号标志正确,清晰符合要求
实测项目序
号
项目mm/m
mm/
全长
实测偏差
1 2 3 4 5 6 1
型钢
安装
偏差
(1)不直度 1 5 2 1.8 1.6 3 1.9 2.5
(2)水平度 1 5 1.6 1.3 2.1 1.9 2.4 2.6
(3)不平行度- 5 1.3 1.7 1.8 2.2 2.4 2.6 2
柜体
安装
偏差
(1)垂直度允许偏差位1.5% 0.7 0.4 0.8 0.5 0.3 0.6
(2)相互间接缝不应大于2 mm 1 1.2 1.1 1.6 1 1.4
(3)陈列盘面偏差不应大于5mm 2 3 3.1 1.8 2 2.4
施工单位检查
评定结果
项目专业质量检查员:年月日
监理(建设)单位
验收结论监理工程师:
(建设单位项目专业技术负责人)年月日。
建筑工程施工质量验收资料(TJ:土建部分)档 号 档案馆代号 案 卷 题 名编 制 单 位编 制 日 期密 级 保管期限共 卷 第 卷江苏省建设工程质量监督站编印目 录工 程 概 况 ❆☺复核人填表人工程项目施工管理人员名单 ❆☺施工现场质量管理检查记录 ❆☺开工日期:施工组织设计、施工方案审批表 ❆☺注:附施工组织设计、施工方案。
技 术 交 底 记 录 ❆☺注:本记录一式两份,一份交接受交底人,一份存档。
开 工 报 告❆☺ 建设单位工 程 竣 工 报 告 ❆☺图纸会审、设计变更、洽商记录汇总表 ❆☺ 注:图纸会审、设计变更、洽谈商记录附后。
图纸会审、设计变更、洽商记录 ❆☺ 设 计 交 底 记 录 ❆☺工程定位测量、放线验收记录 ❆☺ 钢材合格证和复试报告汇总表 ❆☺ 技术负责人: 质量检查员:水泥出厂合格证、复试报告汇总表 ❆☺ 技术负责人: 质量检查员:砖(砌块)检验报告汇总表 ❆☺ 技术负责人: 质量检查员:混凝土外加剂(及其它材料)产品合格证、出厂检验报告和进场复验报告汇总表❆☺ 技术负责人: 质量检查员:防水和保温材料合格证、复试报告汇总表 ❆☺ 技术负责人: 质量检查员:(其它)建筑材料合格证、复试报告汇总表 ❆☺ 技术负责人: 质量检查员:混凝土试块试压报告汇总表 ❆☺ 工程名称:技术负责人: 质量检查员:注: 、☞♏◆ ✋——第✋组混凝土抗压强度代表值。
、不同验收批的混凝土、标准养护和与结构实体同条件养护的混凝土应分别汇总评定。
试验报告分别附本汇总表后。
混 凝 土 强 度 评 定❆☺ 单位工程:。
工程名称中国石油锦州石化公司10万吨/年MTBE装置分项工程名称温度仪表安装工程检验批编号1415GJ91-11-04-02-(01~10)施工单位中油一建专业负责人/项目经理/施工执行标准名称及编号自动化仪表工程施工及验收规范GB50093-2013检验批安装部位MTBE装置反应框架区质量验收规范规定施工单位检查记录监理(建设)单位验收记录主控项目1仪表型号、规格、材质、测量范围、压力等级等符合设计文件规定,随机技术文件齐全符合设计文件规定2仪表安装位置符合设计文件规定,安装固定牢固符合设计文件规定接触式温度检测仪表的安装位置位于介质温度变化灵敏和具有代表性的位置,热电偶远离强电磁场干扰合格测温元件深入管道或设备的角度和深度符合设计文件规定,压力式温度计的安装能够保证温包全部浸入被测对象中,表面温度计的感温面与被测对象表面接触紧密合格3温度取源部件的制作符合设计文件规定、耐压试验合格,安装后随管道及设备进行严密性检查,没有渗漏符合设计文件规定接线正确牢固、导电良好、绝缘良好合格4防爆、隔离、密封和接地措施符合设计文件规定符合设计文件规定毛细管的敷设有保护措施,其弯曲半径大于50mm,周围温度过高或变化剧烈时有隔热措施/测量高温、高压的仪表安装在操作岗位附近时,仪表的安装位置、高度和防护措施满足安全操作的要求合格隐蔽安装的测温元件符合设计文件规定/一般项目1仪表外观完整、附件齐全,安装位置便于观察、操作维护○○○○○○○○○○仪表的可读性符合设计文件规定○○○○○○○○○○保温箱、保护箱的安装标高符合设计文件规定,固定牢固、平正/ / / / / / / / / /集中安装的仪表、保温箱、保护箱排列整齐、美观○○○○○○○○○○2仪表支架的材质、规格符合设计文件规定○○○○○○○○○○仪表的安装支撑方式符合设计文件规定,固定牢固○○○○○○○○○○3在多粉尘的部位安装的测温元件,有防止磨损的保护措施////////// 在易受被测物料强烈冲击或被测温度大于700℃时,有防弯曲的保护措施////////// 振动场所安装的测温元件,有减震措施○○○○○○○○○○4仪表位号标志牌符合设计文件规定○○○○○○○○○○电缆头及接线整齐、美观,编号齐全、符合设计文件规定○○○○○○○○○○施工单位检查结果项目专业质量检查员年月日监理(建设)单位验收监理工程师工程名称中国石油锦州石化公司10万吨/年MTBE装置分项工程名称温度仪表安装工程检验批编号1415GJ91-11-04-02-(11~20)施工单位中油一建专业负责人/项目经理/施工执行标准名称及编号自动化仪表工程施工及验收规范GB50093-2013检验批安装部位MTBE装置反应框架区质量验收规范规定施工单位检查记录监理(建设)单位验收记录主控项目1仪表型号、规格、材质、测量范围、压力等级等符合设计文件规定,随机技术文件齐全符合设计文件规定2仪表安装位置符合设计文件规定,安装固定牢固符合设计文件规定接触式温度检测仪表的安装位置位于介质温度变化灵敏和具有代表性的位置,热电偶远离强电磁场干扰合格测温元件深入管道或设备的角度和深度符合设计文件规定,压力式温度计的安装能够保证温包全部浸入被测对象中,表面温度计的感温面与被测对象表面接触紧密合格3温度取源部件的制作符合设计文件规定、耐压试验合格,安装后随管道及设备进行严密性检查,没有渗漏符合设计文件规定接线正确牢固、导电良好、绝缘良好合格4防爆、隔离、密封和接地措施符合设计文件规定符合设计文件规定毛细管的敷设有保护措施,其弯曲半径大于50mm,周围温度过高或变化剧烈时有隔热措施/测量高温、高压的仪表安装在操作岗位附近时,仪表的安装位置、高度和防护措施满足安全操作的要求合格隐蔽安装的测温元件符合设计文件规定/一般项目1仪表外观完整、附件齐全,安装位置便于观察、操作维护○○○○○○○○○○仪表的可读性符合设计文件规定○○○○○○○○○○保温箱、保护箱的安装标高符合设计文件规定,固定牢固、平正/ / / / / / / / / /集中安装的仪表、保温箱、保护箱排列整齐、美观○○○○○○○○○○2仪表支架的材质、规格符合设计文件规定○○○○○○○○○○仪表的安装支撑方式符合设计文件规定,固定牢固○○○○○○○○○○3在多粉尘的部位安装的测温元件,有防止磨损的保护措施////////// 在易受被测物料强烈冲击或被测温度大于700℃时,有防弯曲的保护措施////////// 振动场所安装的测温元件,有减震措施○○○○○○○○○○4仪表位号标志牌符合设计文件规定○○○○○○○○○○电缆头及接线整齐、美观,编号齐全、符合设计文件规定○○○○○○○○○○施工单位检查结果项目专业质量检查员年月日监理(建设)单位验收监理工程师工程名称中国石油锦州石化公司10万吨/年MTBE装置分项工程名称温度仪表安装工程检验批编号1415GJ91-11-04-02-(21~30)施工单位中油一建专业负责人/项目经理/施工执行标准名称及编号自动化仪表工程施工及验收规范GB50093-2013检验批安装部位MTBE装置反应框架区质量验收规范规定施工单位检查记录监理(建设)单位验收记录主控项目1仪表型号、规格、材质、测量范围、压力等级等符合设计文件规定,随机技术文件齐全符合设计文件规定2仪表安装位置符合设计文件规定,安装固定牢固符合设计文件规定接触式温度检测仪表的安装位置位于介质温度变化灵敏和具有代表性的位置,热电偶远离强电磁场干扰合格测温元件深入管道或设备的角度和深度符合设计文件规定,压力式温度计的安装能够保证温包全部浸入被测对象中,表面温度计的感温面与被测对象表面接触紧密合格3温度取源部件的制作符合设计文件规定、耐压试验合格,安装后随管道及设备进行严密性检查,没有渗漏符合设计文件规定接线正确牢固、导电良好、绝缘良好合格4防爆、隔离、密封和接地措施符合设计文件规定符合设计文件规定毛细管的敷设有保护措施,其弯曲半径大于50mm,周围温度过高或变化剧烈时有隔热措施/测量高温、高压的仪表安装在操作岗位附近时,仪表的安装位置、高度和防护措施满足安全操作的要求合格隐蔽安装的测温元件符合设计文件规定/一般项目1仪表外观完整、附件齐全,安装位置便于观察、操作维护○○○○○○○○○○仪表的可读性符合设计文件规定○○○○○○○○○○保温箱、保护箱的安装标高符合设计文件规定,固定牢固、平正/ / / / / / / / / /集中安装的仪表、保温箱、保护箱排列整齐、美观○○○○○○○○○○2仪表支架的材质、规格符合设计文件规定○○○○○○○○○○仪表的安装支撑方式符合设计文件规定,固定牢固○○○○○○○○○○3在多粉尘的部位安装的测温元件,有防止磨损的保护措施////////// 在易受被测物料强烈冲击或被测温度大于700℃时,有防弯曲的保护措施////////// 振动场所安装的测温元件,有减震措施○○○○○○○○○○4仪表位号标志牌符合设计文件规定○○○○○○○○○○电缆头及接线整齐、美观,编号齐全、符合设计文件规定○○○○○○○○○○施工单位检查结果项目专业质量检查员年月日监理(建设)单位验收监理工程师工程名称中国石油锦州石化公司10万吨/年MTBE装置分项工程名称温度仪表安装工程检验批编号1415GJ91-11-04-02-(31~40)施工单位中油一建专业负责人/项目经理/施工执行标准名称及编号自动化仪表工程施工及验收规范GB50093-2013检验批安装部位MTBE装置反应框架区质量验收规范规定施工单位检查记录监理(建设)单位验收记录主控项目1仪表型号、规格、材质、测量范围、压力等级等符合设计文件规定,随机技术文件齐全符合设计文件规定2仪表安装位置符合设计文件规定,安装固定牢固符合设计文件规定接触式温度检测仪表的安装位置位于介质温度变化灵敏和具有代表性的位置,热电偶远离强电磁场干扰合格测温元件深入管道或设备的角度和深度符合设计文件规定,压力式温度计的安装能够保证温包全部浸入被测对象中,表面温度计的感温面与被测对象表面接触紧密合格3温度取源部件的制作符合设计文件规定、耐压试验合格,安装后随管道及设备进行严密性检查,没有渗漏符合设计文件规定接线正确牢固、导电良好、绝缘良好合格4防爆、隔离、密封和接地措施符合设计文件规定符合设计文件规定毛细管的敷设有保护措施,其弯曲半径大于50mm,周围温度过高或变化剧烈时有隔热措施/测量高温、高压的仪表安装在操作岗位附近时,仪表的安装位置、高度和防护措施满足安全操作的要求合格隐蔽安装的测温元件符合设计文件规定/一般项目1仪表外观完整、附件齐全,安装位置便于观察、操作维护○○○○○○○○○○仪表的可读性符合设计文件规定○○○○○○○○○○保温箱、保护箱的安装标高符合设计文件规定,固定牢固、平正/ / / / / / / / / /集中安装的仪表、保温箱、保护箱排列整齐、美观○○○○○○○○○○2仪表支架的材质、规格符合设计文件规定○○○○○○○○○○仪表的安装支撑方式符合设计文件规定,固定牢固○○○○○○○○○○3在多粉尘的部位安装的测温元件,有防止磨损的保护措施////////// 在易受被测物料强烈冲击或被测温度大于700℃时,有防弯曲的保护措施////////// 振动场所安装的测温元件,有减震措施○○○○○○○○○○4仪表位号标志牌符合设计文件规定○○○○○○○○○○电缆头及接线整齐、美观,编号齐全、符合设计文件规定○○○○○○○○○○施工单位检查结果项目专业质量检查员年月日监理(建设)单位验收监理工程师工程名称中国石油锦州石化公司10万吨/年MTBE装置分项工程名称温度仪表安装工程检验批编号1415GJ91-11-04-02-(41~47)施工单位中油一建专业负责人/项目经理/施工执行标准名称及编号自动化仪表工程施工及验收规范GB50093-2013检验批安装部位MTBE装置反应框架区质量验收规范规定施工单位检查记录监理(建设)单位验收记录主控项目1仪表型号、规格、材质、测量范围、压力等级等符合设计文件规定,随机技术文件齐全符合设计文件规定2仪表安装位置符合设计文件规定,安装固定牢固符合设计文件规定接触式温度检测仪表的安装位置位于介质温度变化灵敏和具有代表性的位置,热电偶远离强电磁场干扰合格测温元件深入管道或设备的角度和深度符合设计文件规定,压力式温度计的安装能够保证温包全部浸入被测对象中,表面温度计的感温面与被测对象表面接触紧密合格3温度取源部件的制作符合设计文件规定、耐压试验合格,安装后随管道及设备进行严密性检查,没有渗漏符合设计文件规定接线正确牢固、导电良好、绝缘良好合格4防爆、隔离、密封和接地措施符合设计文件规定符合设计文件规定毛细管的敷设有保护措施,其弯曲半径大于50mm,周围温度过高或变化剧烈时有隔热措施/测量高温、高压的仪表安装在操作岗位附近时,仪表的安装位置、高度和防护措施满足安全操作的要求合格隐蔽安装的测温元件符合设计文件规定/一般项目1仪表外观完整、附件齐全,安装位置便于观察、操作维护○○○○○○○///仪表的可读性符合设计文件规定○○○○○○○/ / /保温箱、保护箱的安装标高符合设计文件规定,固定牢固、平正/ / / / / / / / / /集中安装的仪表、保温箱、保护箱排列整齐、美观○○○○○○○/ / / 2仪表支架的材质、规格符合设计文件规定○○○○○○○/ / /仪表的安装支撑方式符合设计文件规定,固定牢固○○○○○○○/ / / 3在多粉尘的部位安装的测温元件,有防止磨损的保护措施//////// / /在易受被测物料强烈冲击或被测温度大于700℃时,有防弯曲的保护措施//////// / /振动场所安装的测温元件,有减震措施○○○○○○○/ / / 4仪表位号标志牌符合设计文件规定○○○○○○○/ / /电缆头及接线整齐、美观,编号齐全、符合设计文件规定○○○○○○○/ / /施工单位检查结果项目专业质量检查员年月日监理(建设)单位验收监理工程师。
建筑工程施工质量验收资料(TJ:土建部分)档号档案馆代号案卷题名编制单位编制日期密级保管期限共卷第卷江苏省建设工程质量监督站编印目录工程概况TJ1。
1复核人: 填表人:工程项目施工管理人员名单T J1.2施工现场质量管理检查记录T J1.3施工组织设计、施工方案审批表T J1。
4注:附施工组织设计、施工方案。
技术交底记录T J1.5注:本记录一式两份,一份交接受交底人,一份存档。
开工报告T J1.6工程竣工报告T J1。
7图纸会审、设计变更、洽商记录汇总表T J2.1注:图纸会审、设计变更、洽谈商记录附后。
图纸会审、设计变更、洽商记录T J2.。
1.1设计交底记录T J2。
.1.2工程定位测量、放线验收记录T J2。
.2钢材合格证和复试报告汇总表T J2。
.3.1技术负责人:质量检查员:水泥出厂合格证、复试报告汇总表T J2。
.3。
2技术负责人:质量检查员:砖(砌块)检验报告汇总表T J2。
3.3技术负责人:质量检查员:混凝土外加剂(及其它材料)产品合格证、出厂检验报告和进场复验报告汇总表T J2..3.4技术负责人:质量检查员:防水和保温材料合格证、复试报告汇总表T J2。
3.5技术负责人:质量检查员:(其它)建筑材料合格证、复试报告汇总表T J2。
3。
6技术负责人:质量检查员:混凝土试块试压报告汇总表T J2..4.1技术负责人:质量检查员:注:1、F eu,I——第I组混凝土抗压强度代表值。
2、不同验收批的混凝土、标准养护和与结构实体同条件养护的混凝土应分别汇总评定。
试验报告分别附本汇总表后。
混凝土强度评定T J2。
4.2技术负责人: 质量检查员:年月日结构实体混凝土强度评定T J2。
.4。
3技术负责人: 质量检查员:年月日注:同条件养护试件强度按GBJ107的规定确定后,宜取1。
10的折算系数。
砂浆强度汇总评定表T J2。
.4。
4钢筋连接试验报告、焊条(剂)合格证汇总表T J2.。
4.5技术负责人:质量检查员:土壤试验记录汇总表T J2..4.6隐蔽工程验收记录统表第页共页注:如需绘制图纸的附本记录后。
电线、电缆槽敷设检验批质量验收记录表
GB 50093—2002
电线、电缆保护导管敷设检验批质量验收记录表
GB 50093—2002
电线、电缆敷设检验批质量验收记录表
GB 50093—2002
执行器安装检验批质量验收记录表
GB 50093—2002
气源管道安装检验批质量验收记录表
GB 50093—2002
成套仪表盘、控制柜(屏、台)和操作箱安装检验批量验收记录表
仪表测量管道敷设检验批质量验收记录表
GB 50093—2002
温度取源部件安装检验批质量验收记录表
GB 50093—2002
压力取源部件安装检验批质量验收记录表 GB 50093—2002
流量取源部件安装检验批质量验收记录表
GB 50093—2002
物位取源部件安装检验批质量验收记录表
GB 50093—2002
温度检测仪表安装检验批质量验收记录表
GB 50093—2002
压力检测仪表安装检验批质量验收记录表
GB 50093—2002
流量检测仪表安装检验批质量验收记录表
GB 50093—2002
物位检测仪表安装检验批质量验收记录表
GB 50093—2002
分析取源部件安装检验批质量验收记录表
GB 50093—2002
机械量检测仪表安装检验批质量验收记录表
GB 50093—2002
支架制作安装检验批量验收记录表
GB 50093—2002
成分分析和物性检测仪表安装检验批质量验收记录表
GB 50093—2002
控制仪表和综合控制系统安装检验批质量验收记录表
GB 50093—2002
仪表电源设备安装检验批质量验收记录表GB 50093—2002
显示器及主机
安装、调试工程检验批质量验收记录表
电动云台及解码器
安装、调试工程检验批质量验收记录表
摄像机防护罩
安装工程检验批质量验收记录表
摄像机及镜头安装、调试工程检验批质量验收记录表
摄像机支架安装工程检验批质量验收记录表
管道强度、严密性试验记录
GDJ-03-S-083-□□□
甘肃省工程质量监督总站监制(版权所有不准翻印)
本表由施工单位填写,建设单位、施工单位、城建档案馆各保存一份。
本表由施工单位填写,城建档案馆、建设单位、施工单位各保存一份。
本表由施工单位填写,建设单位、施工单位各保存一份。
(注:可编辑下载,若有不当之处,请指正,谢谢!)。