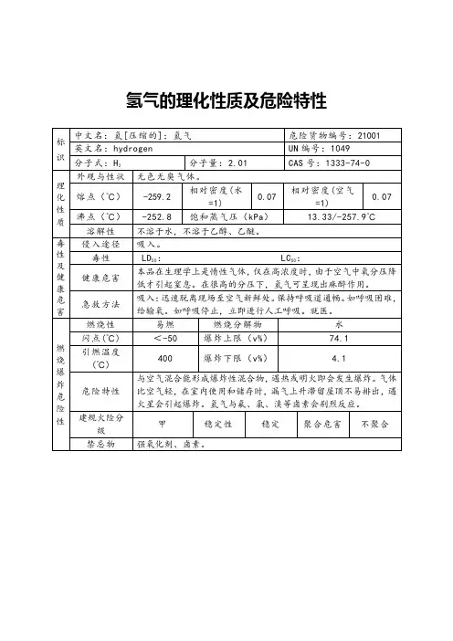
氢气理化性质及危险特性表
- 格式:doc
- 大小:40.01 KB
- 文档页数:2
氢气的理化性质及危险特性(表-)
氢气是一种无色、无味、可燃的气体。
它具有以下的理化性质
和危险特性:
- 化学性质:化学性质:
- 氢气能与氧气发生剧烈的反应,生成水,并释放大量的热能。
这种反应称为燃烧反应,也是氢气被广泛用作燃料的原因之一。
- 氢气还可以与许多其他元素和化合物发生化学反应,形成不
同的化合物。
例如,它可以与氟反应生成氢氟酸,与氯反应生成氢
氯酸等。
- 物理性质:物理性质:
- 氢气是轻于空气的气体,密度比空气小。
它具有很高的热导
率和电导率。
- 在常温下,氢气是气态的,但可以通过降低温度和增加压力
来将其液化或固化。
- 危险特性:危险特性:
- 氢气具有高度可燃性,能够与氧气或其他氧化剂发生剧烈反应。
在空气中,氢气能够形成易燃的混合物,并且只需要有明火或
电火花的存在,就能引发爆炸。
- 氢气对于火源、高温和明火非常敏感,在接触火源或高温物
体时,容易发生燃烧或爆炸事故。
- 氢气在储存和运输过程中需要特殊的安全措施,如防爆设备、气体泄漏检测和适当的通风系统,以减少事故的发生。
综上所述,了解氢气的理化性质和危险特性对于安全操作和应
用非常重要。
在使用氢气时,需要严格遵循相关的安全规程和操作
指南,以确保人员和环境的安全。
氢气的理化性质及危险特性理化性质- 化学符号: H化学符号: H- 原子序数: 1原子序数: 1- 原子量: 1. g/mol原子量: 1.00784 g/mol- 元素族: 1A元素族: 1A- 主族: 1主族: 1- 周期: 1周期: 1- 电子排布: 1s1电子排布: 1s1- 气态: 氢气在常温常压下为无色、无味、无毒的气体。
气态: 氢气在常温常压下为无色、无味、无毒的气体。
- 熔点: -259.2°C熔点: -259.2°C- 沸点: -252.9°C沸点: -252.9°C- 密度: 0. g/L(0°C,1 atm)密度: 0.08988 g/L(0°C,1 atm)- 溶解性: 在水中存在着一定程度上的溶解度。
溶解性: 在水中存在着一定程度上的溶解度。
- 燃烧性: 氢气是一种高度易燃的气体,在遇到火源时能够发生剧烈燃烧并产生水。
燃烧性: 氢气是一种高度易燃的气体,在遇到火源时能够发生剧烈燃烧并产生水。
危险特性尽管氢气是无毒且无害的,但其具有以下危险特性:- 易燃性: 氢气是高度易燃的气体,与空气中的氧气或其他氧化剂产生反应时能够迅速燃烧。
这意味着氢气在存在火源时极易导致火灾或爆炸。
易燃性: 氢气是高度易燃的气体,与空气中的氧气或其他氧化剂产生反应时能够迅速燃烧。
这意味着氢气在存在火源时极易导致火灾或爆炸。
- 可燃气体的扩散性: 氢气具有极佳的扩散性,且与其他气体混合后能快速扩散。
这使得在泄露或事故情况下,氢气能够迅速扩散到较远的地方,增加事故范围和危害。
可燃气体的扩散性: 氢气具有极佳的扩散性,且与其他气体混合后能快速扩散。
这使得在泄露或事故情况下,氢气能够迅速扩散到较远的地方,增加事故范围和危害。
- 氧气的贫化: 当氢气燃烧时,会消耗周围的氧气,导致空气中氧气含量减少,从而造成窒息危险。
氧气的贫化: 当氢气燃烧时,会消耗周围的氧气,导致空气中氧气含量减少,从而造成窒息危险。
氢气的危险特性识别氢气危险特性识别表1.物理特性氢气是一种无色、无味、高密度气体,分子量为2.0157。
在标准状态下,氢气的密度是0.0899千克/立方米,是所有气体中最轻的。
氢气微溶于水,在20℃时,1体积水中能溶解0.02体积的氢气。
氢气的导热系数是所有气体中最高的,其导热性能是空气的5倍。
2.健康危害吸入高浓度的氢气可能会导致缺氧,引发昏迷甚至死亡。
由于氢气的密度较低,它会在较低的海拔高度上迅速扩散,因此不会像二氧化碳那样在低处积聚。
但是,如果在一个密闭空间中吸入高浓度的氢气,可能会因为氧气含量下降而引起窒息。
3.燃烧特性氢气的燃点非常低,在空气中只需要5%(体积分数)的浓度就可以燃烧。
氢气的燃烧速度相对较快,但其放热量高,燃烧产生的热能是同质量汽油的3倍。
因此,一旦发生火灾,火势迅速蔓延,难以扑灭。
4.爆炸特性氢气在空气中爆炸下限为4.0%~75.6%(体积分数),上限为74.2%~93.8%(体积分数)。
这意味着当氢气在空气中达到一定浓度时,遇到火源就会发生爆炸。
氢气爆炸产生的压力和温度都比较高,可能导致设备和建筑物的损坏,甚至可能引发二次爆炸或连锁反应。
5.与其他物质的反应氢气与氧气反应会产生大量热量和电火花,如果两者比例合适,则可能会引起爆炸。
此外,氢气与氯气反应会生成氯化氢气体,与水蒸气反应会生成盐酸;与氟反应会生成氟化氢;与电负性比氢弱的元素反应时,氢表现出负氧化数。
6.储存和操作注意事项储存氢气必须使用密封良好的容器,容器应放在阴凉、通风良好的地方,远离火源和高温区域。
操作氢气时,必须穿戴专业的防护设备,如防护手套、防护眼镜、防护服等。
如果发生泄漏,应迅速撤离现场并启动应急处理程序。
禁止在有氢气泄漏的场所启动或关闭非防爆电器,以防止产生电火花引燃泄漏的氢气。
7.应急处理措施在发生氢气泄漏时,应迅速关闭阀门,切断气源。
如果泄漏量较大,应立即启动应急预案。
稀释泄漏的氢气可以使用水雾器、喷淋装置或喷雾器。