配送中心平面布局设计
- 格式:docx
- 大小:48.98 KB
- 文档页数:4
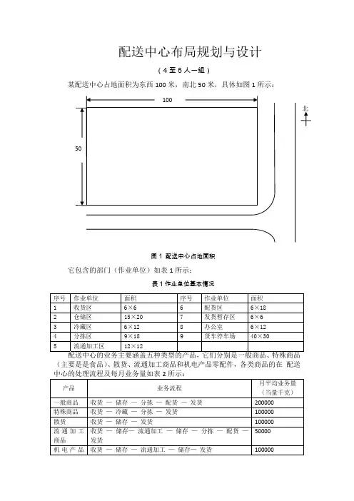
配送中心布局规划与设计(4至5人一组)某配送中心占地面积为东西100米,南北50米,具体如图1所示:图1 配送中心占地面积它包含的部门(作业单位)如表1所示:表1作业单位基本情况序号 作业单位 面积 序号 作业单位 面积1 收货区 6×6 6 配货区 6×182 仓储区 15×20 7 发货暂存区 6×63 冷藏区 6×12 8 办公室 6×124 分拣区 9×18 9 货车停车场 40×305 流通加工区 12×12配送中心的业务主要涵盖五种类型的产品,它们分别是一般商品、特殊商品(主要是是食品)、散货、流通加工商品和机电产品零配件,各类商品的在 配送中心的处理流程及每月业务量如表2所示:产品 业务流程 月平均业务量(当量千克)一般商品 收货 — 储存 — 分拣 — 配货 — 发货 200000特殊商品 收货 — 冷藏 — 分拣 — 发货 100000散货 收货 — 储存 — 发货 100000流通加工商品 收货 — 储存— 流通加工 — 储存 — 分拣 — 配货 —发货50000机电产品收货 — 储存 — 流通加工 — 储存— 发货 100000零配件注意:(1)当量物流量后四位,改成项目小组长学号的后四位,如200000当量千克,改成20XXXX,如果学号为0840201,则物流量为200201当量千克;(2)非物流相互关系,各小组根据各功能区域特性进行合理分析;(3)小组成员共同完成分析过程,但每人自行完成至少一个平面布局方案的设计。
报告格式要求:1、课程设计说明书内容要求 封面:作品名称,姓名、学号、班级; 布局分析内容:物流分析,非物流分析,综合相互关系分析;布局设计内容:位置相关图,面积相关图,平面布局方案(小组成员每人一个布局方案);布局评价与分析:方案评价,合理性分析;心得体会。
2、图样及格式要求所有图表要求绘制工整,文字说明表达清楚,其中文字说明部分要求符合下面的格式要求:1)标题:居中,隶书,二号字;2)姓名、班级、学号:居中,楷体,五号字;3)一级标题:宋体,四号字,加粗;二级标题:楷体,小四号字;图:居中,需有图标题(含图编号、图名称:图下方居中,楷体,五号字);表:居中,需有表格标题(含表格编号、表格名称:表格上方居中,楷体,五号字) 正文文字:宋体,五号字,段首缩进两字符,1.25倍行间距,段前0.5行。
一、设计题目物流设施内部平面布置---某配送中心的平面设计二、主要内容本课程设计应围绕某一具体物流设施(如仓库、配送中心、物流中心等),对其进行内部平面布置设计。
该设计可以是原有设施的改造,也可以是新建设施的规划。
主要内容包括:1、运用物流分析技术分析该物流设施现状;2、对设施的内部结构进行平面布局设计并计算其面积;3、绘制出详细规范的内部平面布置图;4、对该设施的具体货物进行分类研究,为其选择适当的设施设备,给出相应参数。
三、具体要求及应提交的材料1、认真阅读课程设计任务书,内容符合任务书的要求。
2、设计说明书(论文)格式参照《课程设计说明书样本》及《课程设计说明书规范化要求》。
3、严格执行学校课程设计规范,独立认真地进行设计。
4、遵守设计小组的纪律,虚心接受教师指导。
5、设计说明书整洁完整,技术图表规范清楚。
各项计算、分析、绘图、指标正确。
6、根据题目性质与要求,设计材料有所不同,一般应交的材料有设计说明书及相关图表。
7、设计说明书字数要求:4000字以上。
8、独立按时完成,不得抄袭,剽窃他人著作,否则以不及格处理。
9、上交设计说明书必须为电脑打印稿。
四、主要技术路线提示1、根据设计题目,规划出设计主要内容。
题目切忌大而空,内容要有可操作性。
2、收集相关资料,阅读设施规划与设计书籍及其标准、规范,数据可靠。
3、进行初步设计,选择正确的设计方法和设计步骤,规划设计出课程设计的总体方案和平面布置草图,经多方案比选后,确定出设计的初步方案。
4、详细设计,将初步设计方案及系统指标具体化,绘制出标准规范的设计图,编写课程设计说明书。
该布置图如果为CAD图,将图纸打印为A3形式放在附录。
5、设计可以运用WITNESS软件辅助设计。
该设计要有模型描述、系统分析、模型建立、元素详细设计和模型运行。
五、进度安排本设计计划学时为三周,设计进度安排如下:第一天,由指导教师布置设计任务,学生收集资料;第一周,完成资料分析,初步方案设计;第二周,完成详细的设计计算;第三周,完成设计说明书及必备的技术文档;最后一天,提交相应文档。
仓储规划方案一、配送中心问题分析(一)仓库面积一定,现有存储能力有限随着业务量的增加,仓库的存储能力不能满足其需求,过季服装的退货导致商品在仓库的积压,进一步增加了仓储的负担;(二)完全人工拣选作业,分拣效率低且出错率高1. 存储区采用2m多高的货架,货物没有严格按照货位摆放,而是将整箱的货物直接堆码在货架上,工作人员在拣选需要的货物时占用很多的时间寻找相应的货物,减慢分拣速度;2. 拣选货架最上层的货物时,需要借助梯子往返移动严重影响拣选效率,工作人员自身安全也存在隐患;3.发货前装箱工作需要两个人进行,一人念单,一人核对货物号,这样不仅效率很低,增加人力成本,而且出错率高;4. 目前,每日出库48000件,向127家零售商配送,根据对业务量的猜测,5年后预计每日出库120000件,配送零售商达到300家,这对目前配送中心的分拣能力提出了更高的要求,是对现行工作效率的一大挑战。
5. 货物的规格过多导致存箱区货物摆放没能使用托盘,货箱不能严格按货位摆放,货架高层不能充分利用,员工的码放货物作业方式不合理,工作效率低下,同时增大了工作的危险性;(三)物流信息沟通不畅,供给商、配送中心、零售商之间没有形成信息沟通共享平台1. 供给商凯蒂服饰公司生产信息与127家零售商销售信息缺乏及时、有效的沟通,使马驹桥配送中心每日收到的退货量大,这些退货均是过季服装,产品质量没有问题,需要再次上架,等待来年出售.2. 配送中心缺少必要的物流信息技术统筹安排整个作业流程,使得配送中心内部以及供给商、配送中心、零售商三方通过搭建信息共享平台,实际运行更加科学有效。
(四)物流的总成本高仓库现有员工17人,员工工资在配送中心总成本中占有很大的比例。
由于配送中心业务量不断增加,想要在现有情况下通过精减仓库员工来降低仓库总成本已不现实,面对5年后配送中心每月500万件的操作量,我们需要在保证物流服务质量的基础上,寻求降低物流总成本的有效方法。
5.4 配送中心平面布局设计一、作业区域设置配送中心的作业区域包括物流作业区及外围辅助活动区。
物流作业区如装卸货、入库、订单拣取、出库、出货等,通常具有物流相关性;而外围辅助活动区如办公室、计算机室、维修间等,则具有业务上的相关性。
经作业流程规划后即可针对配送中心的营运特性规划所需作业区域。
区域设置具体包括以下两方面内容。
1.能力需求分析确定所需的作业区域后,需依据各项基础需求分析资料,确定各区域的基本储存能力。
以下介绍仓储区和拣货区储存能力的估算方法。
◆仓储区能力估算仓储区的储运能力的估算方法可采用周转率估计法。
其计算公式为仓容量 =(年仓库运转量/ 周转次数)×安全系数利用周转率来进行储存区储存量的估计是一种简便而快速的初估方法,可适用于初步规划或储量概算的参考。
◆拣货区的储存能力规划规划配送中心拣货区的运转量,与仓储区估算方法类似,但是须注意仓储区的容量是维持一定期间(厂商送货期间)内的出货量需求,因此对进出货的特性及处理量均须加以考虑;而拣货区则以单日出货货品所需的拣货作业空间为主,故以品项数及作业面为主要考虑因素,一般拣货区的规划不需包含当日所有的出货量,在拣货区货品不足时则由仓储区进行补货。
其规模计算的原则及方法说明如下:①年出货量计算:将配送中心的各项进出货品换算成相同拣货单位的拣货量,并估计各货品别的年出货量,如果货品物性差异很大(如干货与冷冻品)或基本储运单位不同(如箱出货与单品出货),可以分别加总计算。
②估计各货品别出货天数:按各类货品别估计年出货天数。
③计算各货品平均出货天数的出货量:将各货品年出货量除以年出货天数。
④ABC分析:对出货量进行IQ分析,进行ABC分类,对各类货品制定不同的拣货区存量水准。
各类货品的存量水准乘以各类别的货品品项数,即可求得拣货区储运量的初估值。
2.区域面积的规划各功能区域面积的确定与各区域的功能、作业方式、所配备的设施和设备以及物流量等有关,应分别进行详细计算。
(5)阁楼库区(第二层):阁楼库区(第二层)主要存放超小件物品,采用重力货架分为三层单元格,采用电子拣选标签以利提高拣选效率。
第二章配送中心选址一、客户资料某配送中心拟向城市内10个零售商提供配送服务。
零售商的需求、空间位置及交通图如下表、图所示。
配送要求:配送中心拥有5吨、2吨两种车型的货柜车,配送的经济里程为30公里,运输费率为0.05,学号为单号的学生以所给资料为主,学号为双号的同学X、Y坐标互换。
表2-1-1图2-1-1表2-2-2初始坐标计算(2)节点W i X i Q i W i Y i Q i W i Q iA 0.225 0.075 0.075B 0.36 0.08 0.04C 0.9 0.18 0.06D 0.6075 0.27 0.045E 1.05 0.7 0.07F 0.9 0.825 0.075G 0.6 1 0.1H 0.135 0.72 0.09I 0.27 0.24 0.06J 0.675 0.525 0.075 合计 5.7225 4.615 0.69 Xi=8.29 Yi= 6.69表2-2-32.利用初始坐标进行一次迭代表2-2-4一次迭代计算(2)节点W i X i Q i/D i W i Y i Q i/D i W i Q i/D iA 0.03 0.01 0.01B 0.08 0.02 0.01C 0.12 0.02 0.01D 0.12 0.05 0.01E 0.14 0.09 0.01F 0.16 0.15 0.01G 0.15 0.25 0.02H 0.02 0.10 0.01I 0.06 0.05 0.01J 0.87 0.68 0.10合计 1.74 1.42 0.20Xi=8.48 Yi= 6.95表2-2-53.在这里一次迭代日总费用小于初始坐标,所以进行二次迭代表2-2-6二次迭代计算(2)节点W i X i Q i/D i W i Y i Q i/D i W i Q i/D iA 0.03 0.01 0.01B 0.07 0.02 0.01C 0.12 0.02 0.01D 0.12 0.05 0.01E 0.15 0.10 0.01F 0.17 0.15 0.01G 0.15 0.25 0.03H 0.02 0.10 0.01I 0.05 0.05 0.01J 1.29 1.00 0.14合计 2.17 1.76 0.25Xi=8.62 Yi=7.01表2-2-74.我这里缩小了小数位因为坐标无法体现两位小数,但实际数据为3.76比一次迭代小,故进行三次迭代表2-2-8三次迭代计算(2)节点W i X i Q i/D i W i Y i Q i/D i W i Q i/D iA 0.03 0.01 0.01B 0.07 0.02 0.01C 0.12 0.02 0.01D 0.12 0.05 0.01E 0.15 0.10 0.01F 0.17 0.16 0.01G 0.15 0.25 0.03H 0.02 0.10 0.01I 0.05 0.05 0.01J 1.79 1.39 0.20合计 2.67 2.15 0.31Xi=8.72 Yi=7.01表2-2-95.虽然日总运费没有减少,但是坐标改变,故再进行运算看总运费是否减少表2-2-10四次迭代计算(2)节点W i X i Q i/D i W i Y i Q i/D i W i Q i/D iA 0.03 0.01 0.01B 0.07 0.02 0.01C 0.12 0.02 0.01D 0.12 0.06 0.01E 0.15 0.10 0.01F 0.17 0.16 0.01G 0.15 0.25 0.02H 0.02 0.10 0.01I 0.05 0.05 0.01J 2.41 1.87 0.27合计 3.29 2.63 0.37Xi=8.8 Yi=7.0表2-2-116.日总运费没有减少,坐标也没有更改,故选址坐标为(8.8,7)二、地理位置衡量1.图上灰色部分为零售店,故我们将(8.8,7)坐标,南北方向200米,宽72米配送中心放置在图上看是否满足图2-2-12.因有零售店无法满足,故向上进行取坐标图2-2-23.因不知道零售店位置,故约(8.5,6.9)位置可以满足图2-2-3 4.故选址最后坐标为(8.5,6.9),如图上所示第三章配送路线优化一、配送中心离各零售店最短路径1.因为是十字路口,故数据可能不是十分准确,最短路径见下表表3-1-1二、节约里程计算1.计算所节约的里程数表3-1-2三、节约里程排序序号路线节约里程序号路线节约里程序号路线节约里程1 CD 13 11 FG 6 25 AD 11 EF 13 14 AG 5 25 AF 13 AI 12 14 BI5 25 BD 14 DE 11 14 CI5 25 DI 15 AB 9 14 CJ 5 25 DJ 16 BC 8 14 GI 5 25 FI 16 GH 8 19 CH 4 25 FJ 18 AC 7 20 EH 3 25 GJ 18 EG 7 20 FH 3 25 HJ 18 HI 7 22 BD 211 CE 6 22 CF 211 DF 6 22 EJ 2表3-3-1四、路线安排1.配送中心—E—F—G,需要5T车一辆,总载重4.5T,总里程28km,节约里程20KM左右因为还有其它零售店可以路线优化,所以进行第二次优化图3-4-12.路线2 配送中心—J—B—D—C 需要5T车一辆,总载重4.3T,总路程约为29KM,节约里程约为15KM左右图3-4-23.路线3,配送中心-I-H-A,需要5T车一辆,总载重4.3T,总路程约为30KM,节约里程约为12KM左右,总计需要5T车3辆,总路径为88KM左右表3-4-3。
物流121班: 12402146 赵珺配送中心平面规划布局图货物从物流中心大门进来,进入卸货区进行卸货,然后放到暂存区短暂存储,然后进行验货,确认货物。
然后进入理货分拣区进行理货,不需要进行流通加工得直接进入存储区,在发货暂存区等待准备发货。
需要进行加工得进入流通加工区进行加工,加工好进入存储区。
当要发货得时候通过拣货配货区进行拣货分类,然后进入发货暂存区等待发运。
ﻩ分货进货检验分类存储流通加工存储拣货配货发货待运拣货配送中心功能区布局规划概述1、配送中心功能区布局规划得目标与原则(1)快速响应(准时履约)快速响应决定了配送中心能否及时满足顾客需求得能力,体现了配送系统得信息现代化水平。
快速响应能力得提高可充分提高配送中心基本建设投资得效益、减少货物得过度储存及时了解不同商品得销售,实时调整库存策略,更快得向市场供应适销得产品,准时履约得提高可以满足客户准时化生产得要求,增强企业得竞争优势。
因此,要规划出最合理得物流路线,从而最大限度地压缩物流时间,降低物流费用,实现快速响应。
(2)较高得产品质量要求配送中心要考虑加工、搬运对于产品质量得影响。
因此,对配送中心得平面布置设计,要达到如下目标:(1)符合生产工艺得需要。
尽量使生产对象流动顺畅,避免工序间得往返或路径交叉,消除无谓停滞,使生产时间最短;(2)料搬运费用最少.物料搬运路线短捷,便于生产物料得输入与产品、废料得输出;(3)保持生产与安排得柔性。
使之适应产品需求得变化、工艺与设备得更新及生产能力扩大得需要,做到对需求得快速响应;(4)适应组织结构得合理化与管理得方便。
使有密切关系或性质相近得工位布局在一个区域内或靠近布置,甚至合并在一起;(5)最有效地利用空间。
使场地利用达到适当得建筑占用系数,使建筑物内部设备占用空间与单位制成品得占用空间小;(6)职工提供方便、安全、舒适得工作环境,使之合乎生理、心理得要求,为提高生产效率与保证职工身心健康创造条件.2、设计流程五金配送中心平面布置设计就就是根据五金配送中心得战略定位与经营目标,在已确认得空间场所内,按配送中心得作业流程,力争将人员、设备与物料所需要得空间做最适当得分配与最有效得组合,以获得最大得经济效益。
物流配送中心仓库平面设计图
如图,就是城市物流配送中心的仓储平面设计图,综合多种情况对此物流中心的仓储进行以上的区域布置规划。
物流配送中心的布局规划采用的就是流程性布置法,就是根据物流移动线路作为布局的主要依据,使用于物流作业区域的布置,首先确定物流配送中内由进货到出货的主要物流路线形式,在此基础上按作业流程与关联程度配置各作业区域位置。
本布局有两部分组成物流作业区域与非物流作业区域,物流作业区主要包括理货区,厂房,停车区,与车库等设施。
除了物流作业区域外,物流配送中心内还有一些管理与辅助性的功能区域,这些区域尽管本身没有物流活动,但却与作业区域有密切的业务关系,如门卫,员工宿舍,食堂,休闲娱乐场所等区域。
在平面布局上,中心区域布局特点如下:
(1)主行车线按车流量设计,主线路4条,能够畅通无阻。
(2)内设停车区,车位充足。
(3)理货区面积宽阔,可进行再包装等活动。
(4)装卸平台充足。
(5)理货区与厂房里的设施先进,自动化程度高,安全性好,内设电脑自动控制交通系统,闭路电视安全监察防盗系统,自动
通风冷气监控系统,先进的防火报警消防灭火系统。
(6)还设置客户信息服务网,提供集散物流服务查询,物流操作管理系统,全面物业管理系统以及电子采购,电子商贸等。
配送中心平面设计一、整体平面图如图,是城市物流配送中心的仓储平面设计图,综合多种状况对此物流中心 的仓储进行以上的区域布置规划O物流配送中心的布局规划采纳的是流程性布置法,是依据物流移动线路作为 布局的主要依据,运用于物流作业区域的布置,首先确定物流配送中内由进货到 出货的主要物流路途形式,在此基础上按作业流程和关联程度配置各作业M 域位 置。
本布局有两部分组成物流作业区域和非物流作业区域,物流作业区主要包括 收货区,储存区,配货区,发货区流通加工区等设施。
除了物流作业区域外,物流配送中心内还有一些管理和协助性的功能区域, 这些区域尽管本身没有物流活动,但却和作业区域有亲密的业务关系,如在大门 处设立门卫室,办公区设立员工宿舍,食堂,休闲消遣场所等区域。
在平面布局上,中心区域布局特点如下:(1)主行车线按车流量设计,主线路成环形,能够畅通无阻。
(2)内设停车区,车位足够。
(3)储存配货区面积宽敞,可进行再包装等活动。
(4)装卸平台足够。
设备存放区堂办公区娱乐区停车场大 ∩⅛- 卫流通加工区收 货 区发 货 区(5)储存配货区和厂房里的设施先进,自动化程度高,平安性好,内设电脑自动限制交通系统,闭路电视平安监察防盗系统,自动通风冷气监控系统,先进的 防火报警消防灭火系统。
(6)还设置客户信息服务网,供应集散物流服务查询,物流操作管理系统,全面物业管理系统以及电子选购,电子商贸等。
二、局部备注:黄色部分 移动货架图一1、园区货车流线,如图一(1)我们的主通道6.5m,可以保证两辆大货车相向而过。
(2)主通道环绕物流作业区,呈长方形,避开绕路。
食 中办公区 娱乐区停车场小XX设备存放区图二2、储存区设计图,如图二所示在平面布局上,储货区布局特点如下: (1)出货区长35.5米,宽14.6m .高5米,可以供储存运用 (2)全自动化操作,具备高效,快捷,精确的特点。
3、自动货物进出口流线,如图三35.5m出物区待货½ 区«b 放装货存 4. 86mf¾FQ 货聚EBI 出专送机出库区域拣货区πH]hH tι ∏ 栋货区入库输送机流动货架上有信保卡应进货区域4、人力货物进出库流线叉车装卸收货区叉车搬运储存区 叉车堆码自动化捡取装车配送J 叉车装运一发货区 一叉车搬运 J 5、配送流程订单处理供应商T越收货一装卸S 超配货区(货一盘点装卸1超。
超市配送中心规划与设计目录配送中心作业流程配送中心整体布局设计托盘区的详细布局各区所使用的设备和用途配送中心作业流程配送中心的占地面积为230400平方英尺,高32英尺,有51个月台,全部在一侧。
向超市配送的普通商品包括:日用商品、家庭用品、非处方药、健康与美容产品、不同种类的其他厨房用具。
表一为配送中心的库存形式;表二为配送中心的拣选类型。
表一:库存形式SKU数(%)仓储形式尺寸:长×宽×高(含托盘高)(m)托盘1 1.2×1.0×1.3 25%托盘2 1.2×1.0×0.6 60%箱0.36×0.25×0.23 15%表二:拣选类型拣选类型总体积总发货件数SKU数单件拣选37.75% 96.75% 82.53%单箱拣选52.97% 3.16% 16.68%托盘拣选9.28% 0.09% 0.79%Total 100% 100% 100%货物在配送中心进行流动。
货物入库时,若以箱、托盘的形式入库,经验货后,托盘可直接通过输送机搬运到托盘储存区存储,箱则搬运到码盘区进行托盘化作业,货物托盘化后则可以输送到托盘区存储。
配送中心接到超市订单后,整理得到出库清单。
以托盘形式出库的可直接从托盘区取出,输送到集中拣货区;以箱形式出库的则从层格式货架取出,以单件形式出库的则从流利式货架取出。
当整箱拣选区的库存减少时,则在托盘分拣区将托盘拆垛,然后给层格式货架补货;当单件拣选区的库存减少时,则在箱子分拣区将箱子拆开,然后给流利式货架补货。
为了提高配送中心的作业效率,该配送中心可以使用“仓库管理系统”(Warehouse Management System,简称WMS)来管理仓库内部的人员、库存、工作时间、定单和设备。
当配送中心库存不足时,则通过WMS系统向供应商下订单。
配送中心的主要活动是:①进货、验货、入库②码盘:方便货物存储③库存管理:及时采购和及时往托盘区、箱存储区和单件存储区补货④接收超市订单和完成订单的合并,方便拣货和配送⑤拣货:根据合并后的订单进行进货⑥集体分拣:按各个超市的订单进行拣货,然后置于暂存区,随时可以出库配送⑦退货需求:超市可能存在退货行为。
5.4 配送中心平面布局设计
一、作业区域设置
配送中心的作业区域包括物流作业区及外围辅助活动区。
物流作业区如装卸货、入库、订单拣取、出库、出货等,通常具有物流相关性;而外围辅助活动区如办公室、计算机室、维修间等,则具有业务上的相关性。
经作业流程规划后即可针对配送中心的营运特性规划所需作业区域。
区域设置具体包括以下两方面内容。
1.能力需求分析
确定所需的作业区域后,需依据各项基础需求分析资料,确定各区域的基本储存能力。
以下介绍仓储区和拣货区储存能力的估算方法。
◆仓储区能力估算
仓储区的储运能力的估算方法可采用周转率估计法。
其计算公式为
仓容量=(年仓库运转量/ 周转次数)×安全系数
利用周转率来进行储存区储存量的估计是一种简便而快速的初估方法,可适用于初步规划或储量概算的参考。
◆拣货区的储存能力规划
规划配送中心拣货区的运转量,与仓储区估算方法类似,但是须注意仓储区的容量是维持一定期间(厂商送货期间)内的出货量需求,因此对进出货的特性及处理量均须加以考虑;而拣货区则以单日出货货品所需的拣货作业空间为主,故以品项数及作业面为主要考虑因素,一般拣货区的规划不需包含当日所有的出货量,在拣货区货品不足时则由仓储区进行补货。
其规模计算的原则及方法说明如下:
①年出货量计算:将配送中心的各项进出货品换算成相同拣货单位的拣货量,并估计各货品别的年出货量,如果货品物性差异很大(如干货与冷冻品)或基本储运单位不同(如箱出货与单品出货),可以分别加总计算。
②估计各货品别出货天数:按各类货品别估计年出货天数。
③计算各货品平均出货天数的出货量:将各货品年出货量除以年出货天数。
④ABC分析:对出货量进行IQ分析,进行ABC分类,对各类货品制定不同的拣货区存量水准。
各类货品的存量水准乘以各类别的货品品项数,即可求得拣货区储运量的初估值。
2.区域面积的规划
各功能区域面积的确定与各区域的功能、作业方式、所配备的设施和设备以及物流量等有关,应分别进行详细计算。
例如仓储区面积的大小与仓储区具体采用的储存方法、储存设备和作业设备密切相关,常用的储存方法有地面堆码、货架存放、自动仓库等几种方式,应根据确定的总的仓储能力计算所需的面积或空间。
这里介绍一种对功能区域的面积进行估算的方法。
对于物流作业区域,由于其面积主要取决于货物作业量,因此可以用以下的简单公式估算该区域的面积:
S = ∑ h j /λ
公式中h j为第j种货物每日的作业量(t),λ为该区域的面积利用系数(t/3m2)。
各区域的面积利用系数取决于货物的类型、货物的存放方式以及所采用的作业设备等,应根据经验和具体条件确定。
二、配送中心的区域布置
配送中心的区域布置方法有两种,即流程性布置法和活动相关性布置法。
流程性布置法是根据物流移动路线和物流相关表作为布置的主要依据,适用于物流作业区域的布置;活动相关性布置法是根据各区域的综合相关表进行区域布置。
一般用于整个厂区或辅助性区域的布置。
配送中心的内部布置可以用绘图方法直接绘成平面布置图;也可以将各功能区域按面积制成相应的卡片,在配送中心总面积图上进行摆放,以找出合理方案,还可以采用计算机辅助平面区域布置技术进行平面布置。
平面布置可以作出几个方案,最后通过综合比较和评价选择一个最佳方案。
配送中心内部布置的方法和步骤如下:
1.配送中心作业区域的布置
(1)决定配送中心对外的联外道路型式。
确定配送中心联外道路、进出口方位及厂区配置型式。
(2)决定配送中心厂房空间范围、大小及长宽比例。
(3)决定配送中心内由进货到出货的主要物流路线型式。
决定其物流模式,如U形、双排形等。
(4)按物流相关表和物流路线配置各区域位置。
首先将面积较大且长宽比例不易变动的区域先置入建筑平面内,如自动仓库、分类输送机等作业区;再按物流相关表中物流相关强度的大小安排其他区域的布置。
2.行政活动区域的配置
一般配送中心行政办公区均采用集中式布置,并与物流仓储区分隔,但也应进行合理的配置。
由于目前配送中心仓储区一般采用立体化设备较多,其高度需求与办公区不同,故办公区布置应进一步考虑空间的有效利用,如采用多楼层办公室、单独利用某一楼层、利用进出货区上层的空间等方式。
行政活动区域内的配置方法:首先选择与各部门活动相关性最高的部门区域先行置入规划范围内,再按活动相关表,将各部门按照其与已置入区域关系的重要程度依次置入布置范围内。
3.确定各种布置组合
根据物流相关表和活动相关表,探讨各种可能的区域布置组合。
根据以上方法,可以逐步完成各区域的概略配置。
然后再将各区域的面积置入各区相对位置,并作适当调整,减少区域重叠或空隙,即可得到面积相关配置图。
最后经调整部分作业区域的面积或长宽比例后,即得到作业区域配置图。
4.修正
经由上述的规划分析,得到了厂房区域布置的草图,最后还应根据一些实际限制条件进行必要的修正与调整。
这些因素包括:
(1)厂房与土地面积比例:厂房建筑比率、容积率、绿地与环境保护空间的比例及限制等因素。
(2)厂房建筑的特性:建筑造型、长宽比例、柱位跨距、梁高等限制或需求。
(3)法规限制:土地建筑法规、环保卫生安全相关法规、劳动法等因素。