项目一电冰箱工况测试
- 格式:pptx
- 大小:5.01 MB
- 文档页数:40
冰箱空调检测与试验技术实训手册前言《冰箱空调检测与试验技术》是制冷工程专业的一门主干课程,理论与实训总课时为60学时,配套教材为《家用电器检验技术》。
该门课程主要针对冰箱空调生产企业质量检验岗位群,通过冰箱空调的安全标准、电检设备的原理及使用、热工及电测仪表、冰箱性能标准及检测;空调性能标准及检测等几个单元的理论及实训学习,学生掌握冰箱空调的安全及性能标准、电气安全检测设备的使用,焓差室的操作及维护,冰箱性能试验室的操作及维护、热工测量仪表及检验原理,冰箱、空调性能试验方法、检测数据的分析与判断,使学生能够胜任冰箱空调生产企业质量检验工作。
本课程考试方法以实操为主,分5个实操单元,按单元进行考核,再进行总评。
每个实操单元考核合格才能进入下一个单元的实训。
实训一电气安全检测设备的使用一、实训目的电气安全检测是冰箱、空调等家用电器和电工电子产品出厂必检项目。
电气安全检测项目一般包含电气强度(也称耐压)、绝缘电阻、泄漏电流、接地电阻四项,分别采用电气强度测试仪、绝缘电阻测试仪、泄漏电流测试仪、接地电阻测试仪进行测试。
本实训旨在掌握电气安全检测设备的原理、操作及安全注意事项。
二、实训设备和材料(一)电气强度测试仪(二)绝缘电阻测试仪(三)泄露电流测试仪(四)接地电阻测试仪三、测试原理及设备操作(一)电气强度测试仪1、试验原理2.7.1,2.7.2,2.7.32、使用方法(1)开机接通仪器电源开关,延时约5秒仪器进入待机状态。
(2)预置按“测试条件”键选择任意一组预置参数(有相应指示灯指示);按“预置”键预置电压击穿电流、测试时间、电压频率;按“增/减”键预置各参数。
继续按“预置”键,至各显示窗口数值及指示灯都不闪烁,仪器返回到待机状态。
预置完成测试参数返回到待机状态后,所有的预置参数自动记忆,下次开机若测试条件不变则可直接启动测试。
(3)启动测试检查确认测试线与被测试物(试品)连良好后,按“启动”键,仪器进入测试状态,输出指示灯亮,输出电压自动上升并稳定在预置值,测试时间开始倒计时。
冰箱验证⼀、⽬的通过⽤温度巡检仪多点测试冰箱腔室内的分布情况,以验证冰箱腔室内温度分布的均⼀性,确认冰箱内的温度分布是否在需求范围内,符合⽇常使⽤的要求。
⼆、内容1验证项⽬2 验证前提条件确认2.1 相关⽂件及⼈员培训确认2.1.1 相关⽂件确认结论: 检查⼈/⽇期:复核⼈/⽇期:2.2 验证⽤仪器仪表和物品有效性确认见附录3结论: 检查⼈/⽇期:复核⼈/⽇期:3.验证过程3.1 运⾏确认结论: 检查⼈/⽇期:复核⼈/⽇期:3.2 性能确认3.2.1 空载⽅式确认3.2.1.1在冰箱空载的状态下,分别将6个温度探头分布于冰箱的上中下三个区域内,每层区域摆放2个探头,探头不能与冰箱箱体接触,⾄少保持20mm的距离摆放,开启温度巡检仪进⾏温度变化检测,并记录温度。
温度⾃动打印记录仪每30min打印记录1次,并连续检测12⼩时。
(结果见附录⼀)3.2.1.2可接受标准:记录数据的平均值不得超过1℃;并不得有单个温度超出3℃的数据;超过2℃但⼩于3℃的数据不得超过2个。
结论:检查⼈/⽇期:复核⼈/⽇期:3.2.2负载载⽅式确认3.2.2.1在冰箱负载的状态下,分别将6个温度探头分布于冰箱的上中下三个区域内,每层区域摆放2个探头,探头不能与冰箱箱体接触,⾄少保持20mm的距离摆放,开启温度巡检仪进⾏温度变化检测,并记录温度。
温度⾃动打印记录仪每30min打印记录1次,并连续检测12⼩时。
(结果见附录⼆)3.2.2.2可接受标准:记录数据的平均值不得超过1℃;并不得有单个温度超出3℃的数据;超过2℃但⼩于3℃的数据不得超过2个。
结论: 检查⼈/⽇期:复核⼈/⽇期:4 偏差及漏项的处理4.1 如果在验证过程中出现偏差,应做出合理解释或针对相应的偏差项⽬进⾏整改,并进⾏再验证。
4.2 如果在验证过程中出现漏项,应及时对遗漏项⽬进⾏补验证5 验证结果及评定评价⼈:⽇期:6 验证周期6.1 设备主要部件更换时要进⾏确认。
测量电冰箱耗能
【实验目的】
测定电冰箱每天消耗的电能。
【实验器材】
手表〔或停表〕、家庭电能表、电冰箱。
【实验指导】
测出电冰箱工作时的电功率P和工作时间,就能够用公式计算出电冰箱消耗的电能。
但我们要注意,电冰箱不是24小时连续工作的,因此要确定电冰箱每天的工作时间t,直截了当测定时间t比较麻烦,可先测出电冰箱的工作时间系数,按公式t=×24h算出t。
测出P和t就能够明白电冰箱每天消耗的电能。
测定方法是:记下电冰箱某次开始工作的时刻t1和停机的时刻t2,再记下接着下一次开始工作的时刻t
3
,那么:
=t
2
-t1
t
3
-t1
工作时间系数需在电冰箱正常工作一天之后测定,测定前一小时内不开箱门,冷冻食品也不要取出。
【实验步骤】
1、关闭其它用电器,只保留电冰箱为使用状态。
2、用电能表测出电冰箱工作时的电功率P。
3、测电冰箱的工作时间系数。
4、计算电冰箱每天的工作时间t。
5、计算电冰箱每天消耗的电能。
【实验数据】
测量记录:
计算:
同学们想一想,电冰箱所处的环境温度和冰箱们开启的次数对消耗的电能有什么妨碍?能否设计一个实验来验证说明?。
电冰箱的工况变化规律一、电冰箱的工况变化所谓电冰箱的工况,实际指电冰箱在正常工作条件下,其冷凝温度(压力)和蒸发温度(压力)的状态。
电冰箱的冷凝器,必须工作在比环境温度高的状态下,才能将热量传递到环境当中,同样,蒸发器必须工作在比间室温度低的条件下,制冷剂才能将间室内的热量带走。
因此,电冰箱要能在各种环境温度条件下正常制冷,就必须保持冷凝温度高于环境温度,蒸发温度低于间室内环境温度。
一般情况下,电冰箱的冷凝温度比环境温度高5~10℃,蒸发温度比间室温度低5~10℃,随着环境温度升高,冷凝,蒸发温度也相应升高。
但冷凝温度(压力)上升的速率要比蒸发温度上升的速率快。
00e amb e k amb k T T T T T T +=+=βα (α>β)根据实验测量冷凝温度和蒸发温度的变化规律,通过查压焓图(R600a )计算出冷凝压力和蒸发压力的变化趋势图,如下图所示:由上图可以看出,随着环境温度升高,电冰箱的高低压侧的压差随着环境温度的升高逐渐变大,以一个ST 气候的冰箱来说,38℃环温其压差要比10℃环温的压差高接近3倍。
冰箱都使用毛细管作为节流部件,而毛细管的流量特性是压差越大,流量越大。
因此环境温度升高,通过毛细管的制冷剂流量就会加大。
实际上,毛细管两侧必须要保持适当的压力差,才能保证制冷系统的正常循环。
因此,在设计制冷系统时,必须要考虑制冷系统的工况变化,才能保证电冰箱在标称气候类型的温度条件下正常工作。
二、相关问题论述2.1 压缩机的实际运行效率根据热力学定律,冷凝压力和蒸发压力之间的差距越小,制冷循环的COP 就越高,因此在制冷系统的匹配测试实验中可以发现:32℃环温条件下,冰箱的静态耗电量要比25℃环温下的耗电量大大增加,而16℃环温下,冰箱的能耗比25℃环温大大降低。
产生此现象的原因,一部分是箱体漏热量发生改变,另一部分就是由于压缩机的压缩比发生变化,导致制冷系统的COP 发生变化。
冰箱的安规测试记录
一)输入功率:(±10%)(无正常功率的灯,故测试不包灯的功率)——致冷63W(稳定后)
——致热55W(稳定后)
二)工作温度下的泄漏电流电气强度(0.25mA,1000V对外壳,3750V 高低压)1.15倍额定电压工作15Min后
——泄漏电流<0.25mA
——1000V测试OK(去掉电子板固定镙丝)
——3750V测试OK(去掉电子板固定镙丝)
三)正常工作下的物料温升OK (见附图)
四)耐潮湿测试(500ML的NACL溶液5CM的高度倒在2º的斜面上器具的顶部,做电气强度测试爬电距离测试)
——电气强度OK
——爬电距离和电气间隙OK
五)稳定性测试(器具水平放置,在门搁架上放置重物)
——在170MM门搁架上放置3PCS的0.5KG的重物测试OK
——在门顶部边缘放置2.3KG的重物打开90º的门测试OK
——同上测试打开门180º测试NG
六)非正常测试(1.15倍额定电压控温器短接测试,风机堵转测试)——控温器短接致热测试OK (见附图)
——风机堵转致冷测试OK (见附图)
七)结构测试
镙丝扭力测试
——蕊片固定镙丝φ4MM扭力12KG
灯座推拉力测试
——推力10KG/MIN测试OK
八)爬电距离测试
——电子板高压和低压的爬电距离≥8MM。
九)性能测试
——NG(见正常温升测试的曲线图)。
第1篇一、实验目的1. 了解冰箱的基本结构和组成部件。
2. 掌握冰箱的工作原理和制冷过程。
3. 分析冰箱的性能参数,如制冷效率、能耗等。
4. 培养学生动手操作和实验分析能力。
二、实验原理冰箱是一种利用制冷剂在蒸发器、冷凝器、压缩机等部件中循环流动,通过制冷剂的物态变化来达到制冷效果的家用电器。
冰箱的制冷原理基于热力学第二定律,即热量会自发地从高温物体传递到低温物体。
三、实验仪器与材料1. 冰箱一台(压缩式电冰箱)。
2. 温度计两个(分别用于测量冰箱内、外温度)。
3. 电压表、电流表各一个(用于测量冰箱的电压、电流)。
4. 计时器一个(用于测量冰箱的制冷时间)。
5. 计算器一个。
四、实验步骤1. 观察冰箱结构:打开冰箱门,观察冰箱内部结构,记录冰箱的型号、容积、温度设置等参数。
2. 测量冰箱内、外温度:使用温度计分别测量冰箱内部和室外的温度,记录数据。
3. 测量冰箱的电压、电流:使用电压表和电流表分别测量冰箱的电压和电流,记录数据。
4. 记录冰箱制冷时间:关闭冰箱门,开启冰箱,记录冰箱的制冷时间。
5. 计算冰箱的性能参数:a. 制冷效率:E = (T1 - T2) / (T0 - T2) × 100%b. 能耗:P = U × Ic. 冷藏能力:Q = m × c × (T1 - T2)其中,T1为冰箱内温度,T2为冰箱外温度,T0为室温,m为冰箱内存储的食物质量,c为食物的比热容。
五、实验结果与分析1. 冰箱结构:本实验使用的冰箱为压缩式电冰箱,其结构包括箱体、制冷系统、控制系统和附件。
制冷系统主要由压缩机、冷凝器、蒸发器和毛细管组成。
2. 制冷效率:本实验中,冰箱的制冷效率为70%左右,说明冰箱的制冷效果较好。
3. 能耗:本实验中,冰箱的能耗为200W左右,说明冰箱的能耗较低。
4. 冷藏能力:本实验中,冰箱的冷藏能力为5kg左右,说明冰箱的冷藏能力较好。
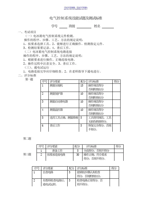
电气控制系统技能试题及测试标准学号班级姓名一、考试项目(一)电冰箱电气控制系统元件检测。
操作的程序、步骤、工艺、方法的规定说明:1、按要求选择工具。
2、能够进行正确操作、检测指定元件。
3、检测结果要记录。
4、善后工作。
(二)电冰箱电气控制系统电路连接操作的程序、步骤、工艺、方法的规定说明:1、根据要求进行操作、正确连接电路。
2、操作过程中注意安全。
3、善后工作。
(三)、通电试运行1、电路连接完毕应仔细检查。
2、在老师指导下通电进行。
二、评分标准第一题第二题第三题制冷系统技能试题及测试标准学号班级姓名一、制冷系统工艺技能试题(一)电冰箱制冷系统打压捡漏。
操作的程序、步骤、工艺、方法的规定说明:1、选择工具。
2、操作过程中注意安全。
3、能够进行正确操作,三通阀与制冷系统之间的连接管要自己制作且符合要求。
4、善后工作。
(二)电冰箱制冷系统抽空操作。
操作的程序、步骤、方法的规定说明:1、据要求进行操作。
2、善后工作。
(三)、电冰箱制冷系统注氟操作。
1、根据要求进行操作。
2、注意事项明二、评分标准第一项第二项第三项气焊工艺技能试题及测试标准学号班级姓名一、气焊工艺技能试题(一)气焊设备的连接及调式(15分)(二)焊具的正确操作与火焰的调节(5分)(三)根据焊接按要求,选择好焊件、焊料、焊剂(15分)(四)准备3厘米长的直径6毫米铜管两段,分别进行涨管及扩喇叭口操作, 准备3厘米长的直径3毫米铜管一段。
(15分)(五)熟练的操作焊具将处理好的三段铜管套焊起来,要求粗管之间用低磷焊条,粗细管之间用铜焊条且焊接美观牢固,焊料均匀光亮,无焊瘤。
(50分)二气焊工艺技能测试标准管的加工接试题及标准科目:制冷考试类别:期中一、考试项目:铜管的加工操作的程序、步骤、工艺、方法的规定说明:2、按要求正确的选择工具。
3、能够正确操作割管器进行割管。
4、能够正确操作扩涨管器进行扩喇叭口。
5、能够正确操作扩涨管器进行涨杯形口。
本科毕业设计论文冰箱测试系统设计学生姓名:班级:学号:指导教师:所在单位:电气工程学院答辩日期:年月日摘要冰箱性能测试技术的不断完善和发展,能够促进冰箱性能的改进,推动全行业技术的进步与繁荣,但我国冰箱测试系统还不完善,全面引进既需要人量的资金投入,也不符合国家长久利益,因此,有必要对自动化冰箱制冷性能测控系统进行研究,开发出一种运行能耗低、通用性强、控制功能完善、数据处理高效、显示操作集中、人机界面友好、调试方便运行安全稳定、造价便宜等特点的测试系统。
本文介绍了一种基于AT89C51单片机的冰箱测试系统,该系统利用温度传感器DS18B20采集电冰箱冷藏室的温度,并通过A\D转换通过数码管进行显示,且可利用RS-485串行总线来进行扩展同时测量多台冰箱的温度。
其中单片机是实时检测和自动控制系统中心一个核心器件。
本文通过利用单片机对冰箱测试系统进行改进,实现了冰箱的智能检测,并且操作方便,运行稳定。
关键词:冰箱 ; 温度检测 ; 单片机 ; DS18B20AbstractThe refrigerator performance testing technology continuous improvement and development, can promote the improvement of the performance of the refrigerator, and promote the industry technology progress and prosperity, but our country refrigerator test system is not perfect, overall introduction of the amount of people need to have both funds, and also do not conform to national interests for a long time, therefore, it is necessary to refrigerator automation control system of performance, developed a running low energy consumption, strong commonality, control the perfect function and data processing efficiency, show operation concentration, friendly man-machine interface, convenient debug operation safety stable, cost cheap and so on test system.This paper introduces a kind of based on AT89C51 refrigerator test system, this system using temperature sensor DS18B20 acquisition refrigerator temperature of cold, and through A \ D conversion through the digital tube that is available RS-485 serial bus to expand simultaneously measuring more the temperature of the refrigerator. Among them is the real-time detection and single chip microcomputer automatic control system center a core device. This article through the use of the monolithic integrated circuit to the refrigerator test system was improved, and realize the refrigerator intelligent detection, and convenient operation, stable performance.Keywords:refrigerators; Temperature detection; Single chip microcomputer;DS18B20目录摘要 (I)Abstract (II)第一章绪论 (1)1.1 研究背景 (1)1.2 发展概况 (1)1.3 课题研究目的及意义 (2)第二章系统的总体设计 (4)2.1 电冰箱简介 (4)2.1.1 冰箱主要电器零部件 (4)2.1.2 冰箱工作原理 (6)2.2 系统总体方案设计 (7)2.2.1 传感器部分 (7)2.2.2 主控制部分 (8)2.2.3 系统方案 (9)第三章系统硬件设计 (10)3.1 硬件结构 (10)3.2 AT89C51单片机芯片介绍 (10)3.2.1 单片机主要特性 (10)3.2.2 管脚说明 (11)3.2.3 运算器 (12)3.2.4 中断系统 (13)3.2.5 单片机最小系统 (13)3.2.6 单片机应用 (14)3.3 A/D转换器 (14)3.3.1 TLC549的主要特点 (14)3.3.2 TLC549芯片的工作原理 (15)3.4 RS-485接口 (16)3.4.1 RS-485简介 (16)3.4.2 RS-485接口标准 (16)3.4.3 RS-485节点数 (16)3.4.4 RS-485通信方式 (17)3.5 必备电路介绍 (19)3.5.1 供电直流电源电路 (19)3.5.2 时钟震荡电路 (19)3.5.3 复位电路 (19)3.6 温度检测电路 (19)3.6.1 温度传感器 (20)3.6.2 运算放大电路 (22)3.7 其他电路与器件简介 (22)3.7.1 键盘电路和显示电路 (22)3.7.2 存储器 (22)3.7.3 键盘/显示器 (22)3.7.4 执行器 (22)3.7.5 开关检测 (22)3.7.6 报警器 (23)第四章系统软件设计 (24)4.1 主程序 (24)4.2 A/D转换和数码显示子程序 (25)4.3 DS18B20程序 (25)4.4 开启延时程序 (26)结论 (28)参考文献 (29)致谢 (30)附录 (30)主要C程序 (30)(1)主函数如下 (30)(2)DS18B20子程序 (31)(3)延时程序 (34)第一章绪论1.1 研究背景冰箱的出现是人类近代生活的一个重大转折,要知道在人们发明冰箱之前,保存肉类的唯一方法是腌制,而在夏季喝到冰镇饮料更是一种奢望,而冰箱帮助人类走出了这种困境。
节能型电冰箱空调器项目成效分析报告一、引言本报告旨在对节能型电冰箱和空调器项目的成效进行分析,评估其在能源节约和环境保护方面的效果。
节能型电冰箱和空调器是在现有技术的基础上进行创新和改进的产品,具有降低能耗、减少碳排放、提高资源利用率等优点。
本报告将分别从能源消耗和环境效益两个方面进行分析,并提出改进措施。
二、能源消耗分析1.节能型电冰箱项目节能型电冰箱通过改进制冷系统、增强保温效果、优化制冷剂等方式实现能源消耗的减少。
根据实验数据统计,与传统电冰箱相比,节能型电冰箱的能耗降低了20%以上。
这主要得益于新型制冷系统的应用,其采用高效率压缩机和优化的传热系统,以提高制冷效率和降低能耗。
2.节能型空调器项目节能型空调器通过优化制冷剂、改进传热技术、增强设备调控等方式实现能源消耗的减少。
根据实验数据统计,与传统空调器相比,节能型空调器的能耗降低了15%以上。
新型制冷剂的应用使得空调器工作更为高效,增强传热技术则提高了制冷剂的传热效率,从而降低了能耗。
三、环境效益分析1.节能型电冰箱项目节能型电冰箱的应用可以减少能源的消耗,从而降低温室气体的排放和对环境的不良影响。
根据统计数据,一台节能型电冰箱的使用,每年可以减排约100公斤二氧化碳。
而且,由于节能型电冰箱的制冷系统的优化,制冷剂的流失量也减少了,减少了对大气臭氧层的损害。
2.节能型空调器项目节能型空调器的应用可以降低对电力的需求,减少燃煤和燃油的消耗,从而减少大气污染物的排放。
根据统计数据,一台节能型空调器的使用,每年可以减排约200公斤二氧化碳。
而且,由于新型制冷剂的应用和制冷技术的改进,空调器的硫化气体和氮氧化物排放量也明显下降。
四、改进措施1.提升制冷系统能效:进一步优化电冰箱和空调器的制冷系统,采用更高效的压缩机和传热系统,降低能耗。
2.推广使用节能型产品:加大对节能型电冰箱和空调器的宣传推广力度,鼓励消费者购买和使用这些产品,从而推动整个市场的节能环保发展。
冰箱生产检测总结汇报稿尊敬的领导、亲爱的同事们:大家好!我是冰箱生产检测小组的成员X。
今天很荣幸能够向大家汇报我们小组近期的工作情况以及对于冰箱生产检测的总结和分析。
一、工作情况总结在过去的一段时间里,我们小组将重点放在了冰箱生产过程中的质量控制和检测工作上。
以确保生产线上每一台冰箱都能达到最高的质量标准。
我们小组对冰箱生产进行了全方位的检测,包括外观检验、电气安全检测、冷藏效果检测等。
通过严格的检测控制,我们能够及时发现生产中存在的问题,并及时跟踪改进。
二、问题分析与改进措施在检测的过程中,我们发现了一些常见的问题,并采取了相应的改进措施。
1. 外观问题:有少量冰箱出现了外观不达标的情况,主要是在运输过程中造成的。
我们与运输部门密切合作,加强运输车辆保养,提高运输人员的操作技能。
同时,在生产线上增加了外包装的检测环节,确保每一台冰箱在交付前外观都没有问题。
2. 电气安全问题:我们发现一些冰箱在电气安全性能上存在不足的情况,可能会对用户造成安全隐患。
于是,我们加强了对电气系统的检测,并采取了一些额外的测试方法,如过载测试、漏电测试等,以确保冰箱在使用过程中的安全性。
3. 冷藏效果问题:少量冰箱存在冷藏效果不佳的问题,导致用户在使用时无法达到预期的冷藏效果。
为此,我们对生产过程中的制冷系统进行了调整和优化,并增加了对制冷系统的严格检验,确保每一台冰箱的冷藏效果都在标准范围内。
三、总结与展望通过我们小组的努力,冰箱生产检测工作取得了一定的成果。
在过去一段时间里,我们对冰箱生产过程中的质量问题进行了全面的分析和改进,取得了一些令人满意的效果。
然而,我们也意识到,只有不断推进自我提升,才能更好地服务于企业的发展。
未来,我们将继续努力,进一步探索和研究,完善冰箱生产检测工作。
1. 强化员工培训:我们将加强对员工的培训,提高其对于质量控制和检测工作的认识和重视程度,确保每个环节都能达到最高标准。
2. 引入新技术:我们将继续关注行业发展动态,积极引入新的检测和控制技术,以提高冰箱生产的效率和质量。
电冰箱检验规范一、目的范围对公司入库的电冰箱产品按技术标准进行监控、评价,保证产品质量处于受控状态,以验证产品要求得到满足,确保产品持续地满足法律法规和顾客要求。
适用于电冰箱的成品检验。
二、引用标准:1、GB/T1019 家用电器包装通则2、GB/T 4857.5 包装运输包装件跌落试验方法3、GB/T 4857.18 包装运输包装件编制性能试验大纲定量数据4、GB/T 4857.1 包装运输包装件试验时各部位的表示方法5、GB/T 16268 家用电冰箱包装6、GB/4706.1 家用和类似用途电器的通用要求7、GB/4706.13 家用和类似用途电器的安全8、GB/T 8059.1~4 制冷器具、冰淇淋机和制冰机的特殊要求9、GB12021.2 家用电冰箱耗电量限定值及能源效率等级10、GB/T2828.1 逐批检验抽样计划11、GB 19606-2004 家用和类似用途电器噪声限值三、检测仪器及设备:1、电器安全性能综合测试仪2、冰箱性能参数分布式微机检测系统3、螺丝刀、卷尺、直尺、塞尺及游标卡尺四、抽样方案:1、现场抽样:依据GB/2828.1中S-3抽样水平制定的旬计划进行抽检。
2、性能抽样:依据GB/2828.1中S-1抽样水平制定的旬计划进行抽检。
3、成品库抽样:依据GB/2828.1中S-3抽样水平制定的成品抽样旬计划进行抽检。
五、产品外观的检验要求:1、总体装配外观要求检测项目测量部位检验要求检验方法检验依据备注门体偏差1、上下门安装偏移量2、上下门之间缝隙差│c1-c2│≤2mm│b1-b2│≤2mm用钢直尺测量产品质量审核评级指导书门开启角度自锁型号使用正确,与铰链配套使用。
门体开启角度≤120°手工产品质量审核评级指导书冷冻箱蒸发器清洁度蒸发器面与抽屉距离内外表面不得有污点、头发丝、昆虫、胶印、污迹等及其他可见污染物不明显目测产品质量审核评级指导书商标、能效标识、铭牌、条形码等标贴件粘贴位置正确、牢固、平整不明显目测产品质量审核评级指导书中档螺钉不能歪斜螺钉歪斜,结合面间隙<0.4mm 塞尺产品质量审核评级指导书门体与箱体正面的平行度门纵向尺寸≥500mm <2.0mm目测产品质量审核评级指导书门纵向尺寸<500mm <1.5mm调平脚1.调平脚不能固定过紧,可以调节;2.去除底托后冰箱整体不能歪斜,前倾后仰。