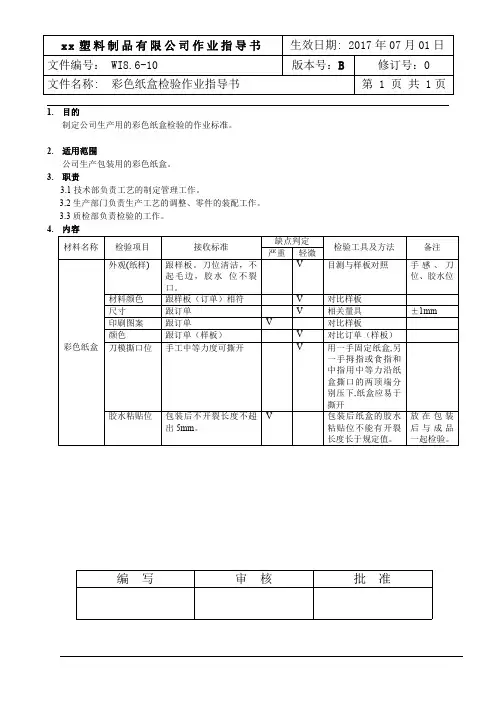
彩盒来料检验作业指导书
- 格式:docx
- 大小:16.28 KB
- 文档页数:2
来料检验作业指导书一、背景介绍来料检验是指对供应商提供的原材料进行检验,以确保其质量符合企业的要求,从而保证产品质量稳定。
本作业指导书旨在提供来料检验的操作规范和流程,以确保检验工作的准确性和一致性。
二、检验标准1. 外观检验- 外观要求:检查原材料的表面是否有划痕、变色、气泡等缺陷。
- 尺寸要求:测量原材料的长度、宽度、厚度等尺寸是否符合要求。
- 颜色要求:比对原材料的颜色与标准样品的颜色是否一致。
2. 化学成分检验- 根据原材料的种类和用途,确定需要检测的化学成分。
- 采用适当的化学分析方法,对原材料进行化学成分分析。
- 比对化学成分检测结果与标准要求,判断原材料是否合格。
3. 物理性能检验- 根据原材料的用途,确定需要测试的物理性能指标,如强度、硬度、密度等。
- 使用相应的测试设备和方法,对原材料进行物理性能测试。
- 比对测试结果与标准要求,判断原材料的物理性能是否符合要求。
4. 包装检验- 检查原材料的包装是否完好,有无损坏、破损、渗漏等情况。
- 检查包装标识是否清晰、准确,与实际原材料相符。
三、操作流程1. 接收原材料- 由仓库人员接收供应商送来的原材料,并填写相应的接收记录。
- 检查原材料的外包装是否完好,有无破损。
- 将原材料送至来料检验区域。
2. 样品取样- 根据来料检验标准和抽样计划,从原材料中取出代表性样品。
- 确保样品的数量和取样方法符合要求,避免取样误差。
3. 检验操作- 根据检验标准,对样品进行外观检验、化学成分检验、物理性能检验等。
- 使用准确、可靠的检验设备和方法,确保检验结果的准确性。
- 记录检验结果和检验过程中的相关信息,如检验员、日期、检验设备等。
4. 检验结果判定- 将检验结果与标准要求进行比对,判断原材料的合格与否。
- 若原材料符合要求,填写合格记录,并将原材料送至仓库进行存储。
- 若原材料不符合要求,填写不合格记录,并通知供应商进行处理。
5. 检验报告和记录- 根据检验结果,编制检验报告,详细记录检验的过程和结果。
来料检验作业指导书【来料检验作业指导书】一、任务概述本文档旨在提供来料检验作业的详细指导,确保所接收的原材料符合质量要求,以保证生产过程的顺利进行。
二、检验依据1. 《来料检验标准》:根据公司制定的标准,对来料进行检验,包括外观、尺寸、性能等方面的要求。
2. 《质量管理手册》:公司质量管理体系的要求,包括来料检验的程序、责任等方面的规定。
三、检验流程1. 接收原材料a. 收货员根据采购定单和送货单核对物料名称、规格、数量等信息。
b. 对送货单上的信息进行记录,并与实际收货情况进行比对。
c. 检查包装完好性,如有破损或者异常情况,及时通知供应商并记录。
d. 将收货的原材料送至来料检验区域。
2. 外观检验a. 根据《来料检验标准》对原材料的外观进行检查,包括颜色、表面光洁度、气味等方面。
b. 检查是否存在破损、变形、划痕等质量问题。
c. 对检验结果进行记录,如有不合格情况,及时通知供应商,并按照不合格品控制程序进行处理。
3. 尺寸检验a. 根据《来料检验标准》对原材料的尺寸进行测量,确保符合要求。
b. 使用合适的测量工具,如卡尺、游标卡尺等,进行准确的尺寸测量。
c. 对测量结果进行记录,如有不合格情况,及时通知供应商,并按照不合格品控制程序进行处理。
4. 性能检验a. 根据《来料检验标准》对原材料的性能进行检查,如强度、硬度、耐磨性等方面。
b. 使用相应的测试设备和方法,对原材料进行性能测试。
c. 对测试结果进行记录,如有不合格情况,及时通知供应商,并按照不合格品控制程序进行处理。
5. 检验结果处理a. 根据检验结果,将原材料划分为合格品和不合格品。
b. 合格品可以进入下一道工序,不合格品需要按照不合格品控制程序进行处理,如退货、返修等。
c. 对检验结果进行记录,并及时向相关部门汇报。
四、注意事项1. 检验人员应严格按照检验标准进行操作,确保检验结果的准确性和可靠性。
2. 检验设备应经过校准,确保测量结果的准确性。
来料检验作业指导书一、引言来料检验是指在生产过程中对供应商提供的原材料、零部件或者成品进行检验,以确保其质量符合公司的要求。
本作业指导书旨在规范来料检验的流程和要求,以确保检验工作的准确性和一致性。
二、检验流程1. 接收来料- 确保来料检验区域干净整洁,无杂物和污染。
- 检查来料包装是否完好无损,是否有破损或者变形。
- 根据来料单确认来料数量和规格是否与定单一致。
2. 样品抽取- 根据抽样计划,从来料中抽取样品进行检验。
- 样品抽取应随机进行,以确保样品的代表性。
3. 外观检查- 对样品进行外观检查,包括颜色、形状、表面光洁度等方面的检验。
- 检查是否有明显的缺陷、损伤或者污染。
4. 尺寸检验- 根据产品的尺寸要求,使用合适的测量工具进行尺寸检验。
- 检查尺寸是否符合产品图纸或者规格要求。
5. 功能检验- 对样品进行功能性测试,确保其满足产品的设计要求。
- 根据产品的功能要求,使用相应的测试设备进行测试。
6. 化学成份分析- 对样品进行化学成份分析,以确定其成份是否符合要求。
- 使用合适的化学分析仪器和方法进行分析。
7. 物理性能测试- 对样品进行物理性能测试,如强度、硬度、耐磨性等方面的检验。
- 使用合适的测试设备和方法进行测试。
8. 检验结果记录- 将检验结果记录在检验报告中,包括样品信息、检验项目、检验结果等。
- 检验报告应有明确的标识,以便追溯和审核。
9. 判定结果- 根据检验结果和产品要求,对样品进行判定,判断是否合格或者不合格。
- 合格样品可放行使用,不合格样品需进行退货或者重新加工。
10. 不合格品处理- 对不合格样品进行处理,包括退货、返修或者报废等。
- 不合格品的处理应符合公司的相关流程和要求。
三、检验要求1. 检验设备和工具应符合国家标准或者行业标准,并定期进行校准和维护。
2. 检验人员应具有相关的专业知识和技能,并经过培训和考核合格。
3. 检验记录应保存至少一年,以备追溯和审核。
文件编号
来料检验作业指导书
版本A02
制定日期
1 目的:
建立规范化来料检验行为指导和判定标准,使公司IQC检验行为有所依据,籍以提升本公司之品管水准。
2 范围:
适用于本公司来料及外发加工品检验.
3 职责:
品质主管负责本程序的维护和监督,本指导的修订和记录的核准,IQC负责执行本程序,仓管员负责通知IQC对来料检验.
4 定义:
定量:定量称克重或磅数,是指平方米纸所含有的重量,单位g/m2
流程作业内容检验方式标准/图示
对来料作初步确认①仓管员依据<<采购单>>核对供货商来料<<送
货单>>内容是否相符. 目视
IQC实施检验
检查内容
步骤一:检验规格
①依据采购单以卷尺测量每一张抽出之样本的
长(宽)度。
②按要求,抽取足量坑纸,以一边为准把坑纸弄
齐,检查另一边是否有参差不齐现象
目视/卷尺
步骤二:检验坑纸材料
①依据样板/<<采购单>>核对坑料的型号
目视/手感
步骤三:检验坑纸材料外观与粘度
①抽取二石置于水平面,观察是否有起浪现象
②撕开面纸与芯纸粘合层检测层间结合强度
③在抽样里随机抽取若干,将坑纸弯拱检验层间
是否有空泡
目测/手测。
来料检验作业指导书一、背景介绍来料检验是指对供应商提供的原材料、零部件或者成品进行质量检验的过程。
通过来料检验,可以确保所采购的物料符合公司的质量要求,减少不良品流入生产线,保证产品质量和客户满意度。
本作业指导书旨在规范来料检验的流程和方法,以提高检验效率和准确性。
二、检验流程1. 接收物料1.1 确保物料标识清晰可读,包括物料名称、规格、批次号等信息。
1.2 核对物料清单,确保所接收的物料与定单一致。
1.3 确保物料包装完好无损,无明显变形、破损或者污染。
2. 样品抽取2.1 根据采购数量和抽样标准,确定抽样数量和抽样方法。
2.2 从接收的物料中随机抽取样品,确保样品具有代表性。
2.3 根据需要,将样品进行标识和记录,以便后续处理。
3. 检验方法3.1 根据物料的特性和质量要求,选择适当的检验方法,如外观检验、尺寸测量、物理性能测试等。
3.2 使用合适的检验设备和工具,确保检验结果准确可靠。
3.3 遵循相关标准和规范,进行检验操作,记录检验结果。
4. 检验结果评定4.1 将检验结果与规定的质量标准进行比较,判断样品是否合格。
4.2 根据不同的检验项目和要求,对不合格样品进行分类和处理,如返工、退货等。
4.3 将检验结果记录在检验报告中,并及时通知相关部门和供应商。
5. 数据分析和改进5.1 定期统计和分析来料检验的合格率和不良率,发现问题和趋势。
5.2 根据数据分析结果,制定改进措施,提高来料检验的效率和准确性。
5.3 定期评估供应商的质量绩效,与供应商合作改进。
三、注意事项1. 检验人员应具备相关的技术和知识,熟悉检验方法和操作规程。
2. 检验设备和工具应定期校准和维护,确保准确可靠。
3. 检验记录应完整、准确,并按照规定进行保存和归档。
4. 与供应商之间应建立良好的沟通和合作关系,及时解决质量问题。
5. 定期进行培训和学习,提高来料检验的专业水平和技能。
以上是来料检验作业指导书的内容,通过严格按照指导书的要求进行来料检验,可以确保所采购的物料质量符合要求,提高产品质量和客户满意度。
来料检验作业指导书一、背景介绍来料检验是指对供应商提供的原材料或者零部件进行检验,以确保其质量符合公司的要求和标准。
来料检验的目的是保证产品的质量稳定,减少不合格品的使用,并及时采取措施纠正供应链中的问题。
本作业指导书旨在提供来料检验的操作流程和标准,以确保检验工作的准确性和一致性。
二、检验范围1. 检验对象:所有供应商提供的原材料和零部件。
2. 检验标准:根据公司的质量标准和要求进行检验。
三、检验流程1. 接收来料a. 由仓库人员接收供应商送来的原材料或者零部件,并确认送货单信息的准确性。
b. 进行外观检查,检查是否有破损、污染、变形等问题。
c. 检查包装是否完好,并核对数量是否与送货单一致。
2. 样品抽取a. 根据规定的抽样计划,从接收的原材料或者零部件中抽取样品。
b. 样品抽取应符合统计学原理,保证样品的代表性。
3. 检验项目a. 根据不同的原材料和零部件,确定相应的检验项目。
b. 检验项目可以包括外观检查、尺寸测量、物理性能测试、化学成份分析等。
4. 检验方法a. 根据检验项目的要求,选择适当的检验方法和设备。
b. 检验方法应符合国家标准或者行业标准,并保证检验结果的准确性和可靠性。
5. 检验记录a. 在检验过程中,记录检验项目、检验方法、检验结果等相关信息。
b. 检验记录应包括检验员的签名和日期,以确保检验结果的可追溯性。
6. 判定结果a. 根据检验结果和公司的质量标准,判定原材料或者零部件是否合格。
b. 合格品可放行使用,不合格品应进行退货或者返工处理。
7. 处理不合格品a. 对于不合格品,应及时通知供应商,并提供详细的不合格报告。
b. 不合格品的处理应符合公司的退货和返工流程,并追踪处理结果。
8. 检验结果反馈a. 将检验结果及时反馈给供应商,以促使其改进产品质量。
b. 对于频繁浮现不合格品的供应商,应进行供应商评估和管理。
四、质量控制要求1. 检验设备和工具应定期校准,并保证其准确性和可靠性。
来料检验作业指导书一、引言来料检验是指对供应商提供的原材料、零部件或成品进行检验,以确保其质量符合公司的要求。
本作业指导书旨在提供来料检验的标准操作流程,以确保检验工作的准确性和一致性。
二、检验范围本作业指导书适用于所有供应商提供的原材料、零部件或成品的来料检验。
三、检验准备1. 确保检验仪器和设备的准备就绪,包括但不限于测量工具、试验设备等。
2. 根据产品规格书和质量要求,准备相应的检验标准和检验方法。
3. 确保检验环境符合要求,包括温度、湿度等。
四、检验流程1. 接收物料a. 检查物料包装是否完好,有无破损或变形。
b. 检查物料标识是否清晰可见,包括批号、生产日期等信息。
c. 根据接收标准,确认物料数量是否与送货单一致。
2. 外观检验a. 根据产品规格书,检查物料的外观是否符合要求,包括颜色、形状、表面光洁度等。
b. 使用合适的测量工具,测量物料的尺寸、重量等参数。
3. 功能性检验a. 根据产品规格书和质量要求,进行相应的功能性检验,如电气性能、机械性能等。
b. 使用合适的试验设备,对物料进行功能性验证。
4. 化学成分检验a. 根据产品规格书和质量要求,进行化学成分的检验。
b. 使用适当的化学分析方法,对物料进行化学成分的分析。
5. 物理性能检验a. 根据产品规格书和质量要求,进行物理性能的检验,如硬度、强度等。
b. 使用合适的测量工具和试验设备,对物料进行物理性能的测试。
6. 检验记录与报告a. 在检验过程中,及时记录检验结果和相关数据。
b. 生成检验报告,包括检验结果、不合格项、原因分析等信息。
五、不合格品处理1. 对于不合格品,根据公司的不合格品管理程序进行处理,包括但不限于退货、返修、报废等。
2. 记录不合格品的处理过程和结果,以便追溯和改进。
六、检验员培训1. 定期对检验员进行培训,确保其熟悉本作业指导书中的检验流程和方法。
2. 培训内容包括但不限于检验仪器的使用、检验标准的理解和应用等。
来料检验作业指导书一、引言来料检验是指对供应商提供的原材料、零部件或者成品进行检验,以确保其质量符合要求,以减少不良品进入生产流程,保证产品质量稳定和客户满意度。
本作业指导书旨在规范来料检验的流程和要求,以确保检验工作的准确性和一致性。
二、适合范围本作业指导书适合于所有需要进行来料检验的原材料、零部件或者成品。
三、术语和定义1. 来料检验:对供应商提供的原材料、零部件或者成品进行检验的过程。
2. 不良品:不符合规定要求的原材料、零部件或者成品。
四、检验流程1. 接收来料a. 接收来料时,应与供应商提供的送检清单进行核对,确保来料的数量和规格与定单一致。
b. 确认来料的包装完好无损,防止在运输过程中受到损坏。
2. 样品抽取a. 根据采购合同或者公司规定,确定样品抽取的数量和方式。
b. 从接收到的来料中随机抽取样品,确保样品的代表性。
3. 检验项目a. 根据产品规格书或者检验标准,确定需要检验的项目。
b. 对每一个检验项目,制定相应的检验方法和标准。
4. 检验方法a. 根据检验项目的特点,选择合适的检验方法,如外观检查、尺寸测量、性能测试等。
b. 确定检验设备和工具的准确性和可靠性,进行校准和维护。
5. 检验记录a. 在检验过程中,及时记录检验结果和发现的问题。
b. 检验记录应包括来料信息、检验项目、检验结果、检验人员等。
6. 判定结果a. 根据检验结果,判定来料是否合格。
b. 对不合格的来料,应及时通知供应商,并进行退货或者重新加工。
7. 来料管理a. 合格的来料应及时入库,并进行标识和分类。
b. 不合格的来料应进行隔离和处理,防止误用。
五、质量控制要求1. 检验人员应具备相关的专业知识和技能,熟悉检验方法和标准。
2. 检验设备和工具应符合要求,保证准确性和可靠性。
3. 检验记录应真实、准确、完整,便于追溯和分析。
4. 不合格的来料应及时处理,防止进入生产流程。
六、附录1. 检验标准和方法:详细描述各种检验项目的标准和方法。
来料检验作业指导书标题:来料检验作业指导书引言概述:来料检验是生产过程中非常重要的环节,通过对原材料的检验,可以确保生产出的产品质量符合标准要求。
本文将详细介绍来料检验的作业指导书,帮助企业建立科学的来料检验流程,提高产品质量。
一、检验前准备1.1 确定检验标准:根据产品要求确定来料检验的标准,包括外观、尺寸、化学成分、力学性能等。
1.2 确定检验设备:准备好必要的检验设备,如显微镜、千分尺、硬度计等,确保检验工作的顺利进行。
1.3 制定检验流程:建立明确的来料检验流程,包括检验人员的责任分工、检验样品的采集方法等。
二、检验方法2.1 外观检验:首先进行外观检验,检查原材料的表面是否有瑕疵、裂纹或变形等情况。
2.2 尺寸检验:使用合适的测量工具对原材料的尺寸进行检验,确保符合产品要求。
2.3 化学成分检验:根据产品要求对原材料的化学成分进行检验,确保符合标准要求。
三、检验记录3.1 记录检验结果:对每一批原材料的检验结果进行记录,包括合格、不合格等情况。
3.2 留样管理:对合格的原材料进行留样管理,以备日后的追溯和核查。
3.3 不合格处理:对不合格的原材料进行及时处理,如退货、报废等,确保不合格品不会进入生产环节。
四、检验报告4.1 编制检验报告:根据检验结果编制来料检验报告,包括检验项目、检验结果、检验人员等信息。
4.2 报告审核:对检验报告进行审核,确保准确无误。
4.3 报告归档:将检验报告进行归档管理,以备日后的查阅和追溯。
五、持续改进5.1 定期评估:定期对来料检验流程进行评估,发现问题及时改进。
5.2 培训人员:对检验人员进行培训,提高其检验技能和水平。
5.3 反馈机制:建立反馈机制,接受来料检验相关的意见和建议,不断改进检验流程。
结语:通过建立科学的来料检验作业指导书,企业可以提高产品质量,降低质量风险,确保生产过程的顺利进行。
希望本文对您有所帮助,谢谢阅读!。
来料检验作业指导书一、引言来料检验是指针对供应商提供的原材料或者零部件进行的检验工作,以确保所采购的材料符合质量要求,能够满足生产需求。
本作业指导书旨在规范来料检验的流程和要求,确保检验工作的准确性和一致性。
二、检验标准与要求1. 来料检验标准根据公司的质量管理体系和相关行业标准,制定来料检验的标准。
检验标准应包括但不限于外观质量、尺寸精度、物理性能、化学成份等指标。
具体标准可根据不同材料和零部件进行制定。
2. 检验方法与设备根据不同材料和零部件的特性,选择合适的检验方法和设备。
常用的检验方法包括目测检查、测量、试验、化学分析等。
检验设备应经过校准,并保持良好的工作状态,以确保检验结果的准确性。
3. 检验样本与抽样方法根据来料检验的要求,确定检验样本的数量和抽样方法。
抽样应具有代表性,并遵循统计学原理。
根据不同的抽样方案,确定接受和拒收的标准。
4. 检验记录与报告对每次来料检验进行详细的记录,包括检验日期、供应商信息、检验项目、检验结果等。
检验记录应保存完整,并及时进行归档。
对于不合格的材料或者零部件,应及时向供应商提出整改要求,并记录整改情况。
三、来料检验流程1. 接收材料当供应商送达材料时,接收人员应核对送货单与实际送货物品是否一致,并进行记录。
如有异常情况,应即将通知相关部门。
2. 样品送检根据抽样方案,从接收的材料中抽取样品送至检验部门。
样品应标明供应商、材料名称、批次号等必要信息。
3. 材料检验检验部门按照标准和要求进行材料检验,包括外观检查、尺寸测量、物理性能测试等。
检验过程中应严格按照检验方法和设备操作规程进行操作,确保结果的准确性。
4. 检验结果判定根据检验结果和标准,判定材料是否合格。
如发现不合格项,应及时通知相关部门和供应商,并进行记录。
5. 不合格品处理对于不合格的材料,应按照公司的不合格品管理程序进行处理。
处理方式包括退货、整改、报废等。
处理过程中应确保不合格品的追溯性和记录完整性。
来料检验作业指导书一、引言来料检验是指对供应商提供的原材料、零部件或者成品进行检验,以确保其质量符合公司的要求和标准。
本作业指导书旨在为来料检验人员提供准确的操作指导,以确保检验工作的准确性和一致性。
二、检验准备1. 检验设备准备来料检验需要使用一系列的检验设备,包括但不限于量具、显微镜、试验设备等。
在进行检验前,检验人员应确保所有设备的正常运行,并进行必要的校准和维护。
2. 检验环境准备来料检验应在整洁、璀璨、无风尘、无湿度的环境中进行,以确保检验结果的准确性。
检验人员应定期清洁检验区域,并保持良好的工作秩序。
三、检验流程1. 检验计划制定根据公司的质量要求和标准,制定来料检验计划。
检验计划应包括待检验物料的种类、数量、检验方法、检验标准等内容。
2. 来料接收当供应商送达物料时,检验人员应与供应商的送货员一起进行来料接收。
检验人员应核对送货单上的物料信息与实际物料是否一致,并进行必要的记录。
3. 外观检验外观检验是来料检验的首要步骤,其目的是检查物料的外观是否符合要求。
检验人员应根据标准要求对外观进行检查,并记录检验结果。
4. 尺寸检验尺寸检验是来料检验的重要环节,其目的是检查物料的尺寸是否符合要求。
检验人员应使用适当的量具对物料的尺寸进行测量,并与标准要求进行比对。
5. 功能性检验功能性检验是针对特定物料的功能要求进行的检验。
检验人员应根据标准要求进行相应的功能性测试,并记录测试结果。
6. 化学成份检验对于需要进行化学成份检验的物料,检验人员应采取适当的取样方法,并使用相应的试剂进行化学分析。
检验人员应根据标准要求对化学成份进行检验,并记录检验结果。
7. 特殊检验根据具体物料的特殊要求,进行相应的特殊检验。
特殊检验可以包括但不限于温度测试、压力测试、电气测试等。
检验人员应根据标准要求进行相应的特殊检验,并记录检验结果。
8. 检验结果判定根据检验结果,判定物料是否合格。
合格的物料可以进入下一步的生产流程,不合格的物料应进行相应的处理,如退货、返工等,并进行记录。
来料检验作业指导书标题:来料检验作业指导书引言概述:来料检验是生产过程中非常重要的一环,其质量直接关系到产品的质量和客户满意度。
制定一份详细的来料检验作业指导书,可以匡助企业规范检验流程,提高检验效率,确保产品质量。
一、检验前准备1.1 确定检验标准:根据产品特性和客户要求,确定来料检验的标准和要求。
1.2 准备检验设备:确保检验设备齐全、准确,保证检验结果的准确性。
1.3 制定检验计划:根据来料的种类和数量,制定合理的检验计划,确保检验工作有序进行。
二、检验过程2.1 样品取样:按照标准要求,从来料中取样进行检验。
2.2 检验项目:根据产品特性,确定检验项目,包括外观、尺寸、性能等。
2.3 检验方法:选择合适的检验方法,如目测、测量、试验等,进行检验。
三、检验记录3.1 记录检验结果:将检验结果准确记录在检验报告中,包括合格、不合格等。
3.2 处理不合格品:对于不合格品,及时通知供应商并采取相应的措施,确保产品质量。
3.3 归档管理:将检验报告进行归档管理,方便日后追溯和分析。
四、检验标准更新4.1 定期评估:定期评估检验标准的有效性和合理性,根据实际情况进行更新。
4.2 反馈机制:建立与供应商的反馈机制,及时反馈检验结果和问题,促使供应商改进产品质量。
4.3 持续改进:不断总结经验,改进检验标准和方法,提高来料检验的准确性和效率。
五、培训与考核5.1 培训计划:制定来料检验员的培训计划,提高员工的专业水平和技能。
5.2 考核机制:建立来料检验员的考核机制,定期评估员工的工作表现和质量意识。
5.3 激励措施:根据员工的表现和贡献,赋予相应的激励措施,提高员工的工作积极性和责任感。
结语:制定一份详细的来料检验作业指导书,不仅可以规范检验流程,提高检验效率,还可以确保产品质量,为企业的可持续发展提供保障。
希翼企业能够重视来料检验工作,不断完善和提升检验标准和方法,提高产品质量和客户满意度。
1.目的对IQC品检人员的作业方法及流程进行规范,提高IQC检验作业水平,控制来料不良,提高品质。
2.适用范围适用于本公司生产中所需原材料、零件、部件以及外购、外协件的入库检验工作3.职责仓储部:负责来料清点及核对IQC:根据抽样方案对来料进行验证、检验、测试、记录、品质判定及标识QA技术员:负责供应商考核,纠正措施与预防4.检验流程仓库收到供应商的送货单后根据送货单核对来料:对来料所附文件资料(如送货单、出货检验报告、合格证明等),核对来料资料显示是否与物料一致及公司订单一致性,确认无误后,填写《送检单》,并通知IQC。
(注:注塑件由其负责人填写《送检单》)IQC接到《送检单》后,进行检验作业。
IQC根据公司检验标准,对来料的外观、尺寸、功能、颜色等进行检验。
IQC依据检验的结果内容,如实填写“进货检验报告单”,并依据检验、测试、记录结果对来料进行品质判定。
判定来料合格不合格后,在“进货检验报告单”签字确认,并对来料进行标识,然后在《送检单》上填写接收、拒收数量,并签字确认。
仓管员依据《送检单》上物料接收数量对来料进行入库。
品质部将来料品质异常及时反馈给采购,不合格品参照第五项“特殊处理”执行。
5.特殊处理品质部、技术部、生产部根据不良严重程度和生产需要状况,重新评审不良物料。
品质部、技术部、生产部依据生产需求及不良程度可采用降级使用或选用,选出不良退给供应商,由采购执行扣款事宜。
由采购通知供应商到本厂处理异常事宜。
如不能采用以上方法处理,则通知采购部作退货处理。
6.抽样检验a.根据《天齐抽样规则》进行抽样检验,AQL值(A:0.65;B:1.5;C:4.0)b.对供应商的品质不稳定现象,可采用加严量抽样。
7.全数检验如本公司要求进料100%合格,可采用全检验与测试。
来料检验作业指导书目的:对IQC品检人员的作业方法及流程进行规范,提高IQC检验作业水平,控制来料不良,提高品质。
1、实用范围:来料进料检验2、质检步骤(1)来料暂收(2)来料检查(3)物料入库3、质检要点及规范(1)来料暂收:仓管收到供应商的送货单后根据送货单核对来料:数量,种类及标签内容等无误后送交IQC 检验,予以暂收,并签回货单给来料厂商。
(2)来料检查:IQC品检人员收到进料验收单后,依验收单和采购单核对来料与标签内容是否相符,来料规格,种类;是否相符,如不符拒检验,并通知仓管、采购及生管,如符合,则进行下一步检验。
一般先抽查来料的一定比例(以仓库来料质检标准),查看品质情况,再决定入库全检,还是退料。
(3)检查内容:(1)外观:自然光或日光灯下,距离样品30CM目视;(2)尺寸规格:用卡尺/钢尺测量,厚度用卡尺/外径千分尺测量;(3)粘性分别按:GB/T4852-2002、GB/T4851-1998、GB/T2792-1998中方法执行,结果记录于《可靠度测试报告》中;(4)包装完好、标识正确、完整、清晰,环保材料查看是否贴有相应的环保标签,第一批进料时要附SGS报告及物质安全表及客户要求的其它有害物质检测报告;(5)检验合格后贴上合格标签,填写《物料检验表》并通知仓库入库,仓库要按材料类型(环保与实用型)及种类分开放置标示清楚,成品料由IQC人员包装放于待出货区。
以仓库物料质检标准。
(6)物料入库:检查完毕,要提交《原材料进库验货》交上级处理,并对合格暂收物料进行入库登记。
异常物料特《原材料进库验货》批示后,按批示处理。
4、注意事项(1)要保持物料的整洁。
(2)贵重物品及特殊要求物料要逐一检查。
(3)新的物料需给技术开发部确认。
5、异常处理办法物料在检验过程中发现异常,即时向采购及品管主管反映,录求解决方法,尽快处理。
6、不合格品的处理:(1)IQC判定为不合格时,在产品包装外贴上退货/拒收标签,把产品转移到不合格/退货区域,并报品质主管确认签字后,送采购/生管签名后发到供应商,供应商未在2个工作日内回复的报仓库直接作退货处理;如为急料,经品质主管与采购,生管,业务协商后,呈经理审批,按评审意见办理;(2)跟据供应商提供的改善方案,IQC品管员对下批来料改善效果进行确认,并记录结果。