胸腔闭式引流程序及评价标准
- 格式:doc
- 大小:26.50 KB
- 文档页数:4
(推荐)胸腔闭式引流护理技术操作流程及评分标准胸腔闭式引流护理技术操作流程
ステップ1:准备工作
1.1 选择合适的体位,并根据患者的身体状况采取必要的安全措施;
1.2 确定护理场所的清洁卫生,如果需要局部消毒,需要进行局部消毒;
1.3 熟练掌握胸腔闭式引流技术的相关知识,熟悉药品使用方法;
1.4 准备好所需的药品和医疗器械,包括注射泵、床边滴定管、口服液等;
1.5 准备好个人防护用品:口罩、手套等;
1.6 熟悉有关的礼仪规范,特别是熟胸腔闭式引流技术相关的临床行为规范。
ステップ2:护理操作
2.1 观察患者的呼吸状态,及时调整引流参数;
2.2 按护理要求检查、调整及消毒引流管;
2.3 按要求处理患者的引流液,做好护理记录;
2.4 拧螺丝、连接引流管及管路系统,并强化监测;
2.5 执行必要的按摩护理,帮助患者排出合适的液体;
2.6 对引流液中的外来物质进行清洗,并对有病原学检出的液体采取特殊的措施;
2.7 注意患者的体征,如肢体麻木和发热的症状,及时反馈。
ステップ3:评分
3.1 胸腔闭式引流护理技术评分标准主要根据就诊者的主观反应和客观数据进行评估,以衡量护理技术效果;
3.2 对技术操作的熟练度,以及操作前、中、后期患者体征及安全性进行认真评估;
3.3 分数范围从1-5分,满分5分,及格于3分;
3.4合格者可颁发实践证明书。
【胸腔闭式引流护理技术】
胸腔闭式引流护理技术
【目的】
1.引流胸膜腔内的气体、渗血或渗液。
2.重建胸膜腔负压,使肺复张。
3.便于观察胸腔引流液的性状、颜色、量,为治疗、护理提供依据。
【指导患者】
向患者及家属解释操作的目的、配合方法、注意事项。
患者愿意配合,有安全感。
【注意事项】
1.保持引流系统的密闭和无菌状态。
2.保持引流管长度适宜,翻身活动时防止受压、扭曲、脱出。
3.保持引流管通畅,注意观察记录引流液颜色、性质、量。
4.如患者血压平稳,应取半卧位,利于呼吸和引流物排出。
5.搬动患者时应双重夹闭引流管,防止空气进入。
6.拔管后24小时内应密切观察患者有无胸闷、发绀、切口漏气、皮下气肿等,若有异常及时通知医生处理。
【下载本文档,可以自由复制内容或自由编辑修改内容,更多精彩文章,期待你的好评和关注,我将一如既往为您服务】。
胸腔闭式引流护理科室:被考核人:项目总分操作要求分值扣分理由得分职业规范2符合护士职业规范要求2不符合规范要求—1评估9 (1)护士洗手、核对,解释(2)患者病情、呼吸状态(3)患者胸腔引流情况(4)患者心理状态及合作程度3222未洗手—1,未查对—1一项未做—1一项未做—1一项未做—1准备10 (1)护士:洗手、戴口罩(2)用物:检查备齐用物,放置合理(3)环境:整洁、安全(4)患者:理解并配合操作4222一项未做—1用物准备不全—1一项未做—1一项未做—1操作57 (1)携用物至患者床前(2)核对,解释(3)协助患者取舒适卧位,引流管侧靠近床边(4)打开无菌胸腔引流瓶,倒入生理盐水,使长玻璃管埋于水下3~4cm,在水平线上注明日期和水量(5)铺垫巾,用两把止血钳双重夹闭胸腔闭式引流管,戴清洁手套(6)松开引流管连接处,消毒、连接更换水封瓶,将引流瓶放于安全处,保持引流瓶低于胸腔60~100cm(如有负压吸引,连接负压吸引管)(7)松开血管钳,观察引流瓶中长玻璃管水柱波动情况,检查引流管是否通畅,妥善固定(8)密切观察患者的反应及引流液性状(9)协助患者取舒适卧位,整理床单位244128101034未评估—2一项未做—2一项未做—2一项错误—3(未倒盐水—3、长度错误—3、未注明日期和水量—3)一项未做—2(未铺垫巾—2、未双重夹闭—2、未戴清洁手套—2)一项错误—2(未松开—2、未消毒—2、未更换—2、未妥善放置—2)一项未做—3一项未做—1一项未做—2指导 2 正确指导患者 2 未做—2处置 4 用物、生活垃圾及医疗废弃物分类正确处置 4 一项不合格—1 洗手 2 流动水洗手 2 未洗手—2记录 2 记录患者的反应及引流液性质 2 一项未做—1评价12 (1)操作规范、熟练、管道固定稳妥,连接正确(2)符合无菌技术、标准预防原则(3)体现人文关怀(4)患者或家属知晓告知事项4422一项不合格—1一项不合格—1一项不合格—1一项不合格—1总分100主考人:考核日期:。
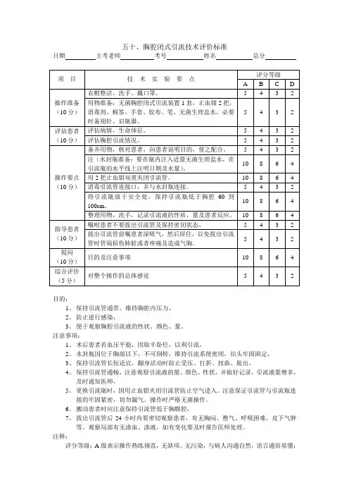
五十、胸腔闭式引流技术评价标准
日期主考老师考号姓名总分
目的:
1、保持引流管通常,维持胸腔内压力,
2、防止逆行感染,
3、便于观察胸腔引流液的性状、颜色、量。
注意事项:
1、术后患者若血压平稳,因取半卧位,以利引流,
2、水封瓶因位于胸部以下,不可倒转,维持引流系统密闭,结头牢固固定,
3、保持引流管长短适宜,翻身活动时防止受压、打折、扭曲、脱出,
4、保持引流管通畅,注意观察引流液的量、颜色、性状,并做好记录。
引流液量增多,
及时通知医师,
5、更换引流瓶时,因用止血钳夹闭引流管防止空气进入。
注意保证引流管与引流瓶连
接的牢固紧密,切勿漏气。
操作时严格无菌操作。
6、搬动患者时应注意保持引流管低于胸膜腔,
7、拔出引流管后24小时内要密切观察患者,有无胸闷、憋气、呼吸困难、皮下气肿
等。
观察局部有无渗血、渗液,如有变化要及时报告医师处理。
注释:
评分等级:A级表示操作熟练规范,无缺项、无污染,与病人沟通自然,语言通俗易懂;
B级表示操作熟练规范,有1到2处缺项,污染,与病人沟通不自然;C级表示操作欠熟练,规范,有2到3项缺项、污染,与病人沟通较少;D级表示操作欠熟练,有4处以上缺项、污染,与病人没有沟通。
胸腔闭式引流操作流程
与评分标准
The manuscript was revised on the evening of 2021
实训十二胸腔闭式引流
【实训目的】
1.保持引流通畅,维持胸腔内压力。
2.防止逆行感染。
3.便于观察引流液的量、颜色、性状。
【操作用物】
1.治疗车上层治疗盘内放置安尔碘消毒液、无菌棉签、无菌闭式胸腔引流瓶、两把无齿血管钳、治疗巾、弯盘、无菌生理盐水
2.治疗车下层医用垃圾桶
【操作要求】
全程时间10分钟,每超过15秒扣1分,提前不加分;超过12分钟停止操作。
【操作流程与评分标准】
案例:患者,王平,食管癌术后行胸腔闭式引流。
更换胸腔闭式引流瓶操作流程与评分标准。
临床技能操作流程和评分标准考官签名:选手签名:用时:注:提问题目附后备选如下:胸腔穿刺术提问答案供参考l.胸腔穿刺的适应症:1)诊断性穿刺:确定胸腔内有无气体.液体,其量及性质,送化验及病理,以明确病因。
2)治疗性穿刺:通过抽液或抽气,减轻胸腔压力,解除肺部的压力,局部给药。
2.胸腔穿刺的禁忌症?出血性疾病,病情危重,不能耐受操作及局部皮肤软组织感染3.胸腔穿刺的注意事项:1)操作前应向患者说明穿刺目的,消除顾虑;对精神紧张者,可于术前半时给地西泮10mg,或可待因O.03g以镇静止痛。
2)操作巾应密切观察患者的反应,如有头晕、面色苍白、出汗、心悸胸部压迫感或剧痛、昏厥等胸膜过敏反应;或出现连续性咳嗽、气短、咳泡沫痰等现象时,立即停止抽液,嘱病人卧床休息,监测生命征,适当进食或热饮,若血压下降可皮下注射0.1%肾上腺素0.3-0.5ml,或进行其它对症处理。
3)一次抽液不应过多、过快,诊断性抽液,50-lOOml即可;减压抽液,首次不超过600ml,以后每次不超过1000ml;如为脓胸,每次尽量抽净。
疑为化脓性感染时,助手用无菌试管留取标本,行涂片革兰氏染色镜检、细菌培养及药敏试验。
检查瘤细胞,至少需lOOml,并应立即送检,以免细胞自溶。
4)严格无菌操作,操作中要防止空气进入胸腔,始终保持胸腔负压。
5)应避免在第九肋间以下穿刺,以免穿透膈肌损伤腹腔脏器。
6)恶性胸腔积液,可注射抗肿瘤药或硬化剂诱发化学性胸膜炎,促使脏层与壁层胸膜粘连,闭合胸腔,防止胸液重新积聚。
4.胸腔穿刺有哪些并发症,应如何处理?主要为血胸,气胸,胸膜反应,穿刺点出血,脓胸,空气栓塞等。
1)血胸:多由刺破肪间动、静脉所致,发现抽出血液应立即停止抽液,观察血压、脉搏、呼吸,必要时用止血剂。
2)气胸:可因胶管未夹紧漏气所致,少量气可以自行吸收,不必处理,气胸呼吸困难者,予以气胸闭式引流。
3)穿刺点出血:局部按压。
4)空气栓塞较少见,多见于人工气胸治疗,应密切观察。
胸腔闭式引流技术操作评分标准
胸腔闭式引流技术操作
(一)目的
1、观察胸腔引流液的性状、颜色及量。
2、保持胸瓶内有一定水位,以防气体进入胸腔。
3、利于胸腔内积液积气的排出。
4、保持胸瓶无菌,防止感染。
(二)注意事项
1、术后患者若血压平稳,应取半卧位以利引流。
2、水封瓶应位于胸部以下,不可倒转,维持引流系统密闭,接头牢固固定。
3、保持引流管长度适宜,翻身活动时防止受压、打折、扭曲、脱出。
4、保持引流管通畅,注意观察引流液的量、颜色、性质,并作好记录。
如引流液量增多,及时通知医师。
5、更换引流瓶时,应用止血钳夹闭引流管防止空气进入。
注意保持引流管与引流瓶连接的牢固紧密,切勿漏气。
操作时严格无菌操作。
6、搬动患者时,应注意保持引流瓶低于胸膜腔。
7、拔除引流管后24h内要密切观察患者有无胸闷、憋气、呼吸困难、气胸、皮下气肿等。
观察局部有无渗血、渗液,如有变化,要及时报告医师处理。
【下载本文档,可以自由复制内容或自由编辑修改内容,更多精彩文章,期待你的好评和关注,我将一如既往为您服务】。
胸腔闭式引流技术操作流程及评分标准科室——姓名——分数——日期——项目操作要领评分扣分标准扣分操作准备10分1.着装符合要求,剪指甲,洗手,戴口罩2.核对医嘱、执行单无误3.物品准备齐全,放置合理:生理盐水500m1 2瓶、卵圆钳2把、笔、引流液记录单、痰盂、医用垃圾袋334一项不符合要求扣1分未核对医嘱扣3分缺一件用物扣1分,物品放置不合理扣1分解释评估10分 1.查对患者床号、姓名,解释操作的目的、配合方法,取得配合2.评估患者情况,评估引流管周围的皮肤及刀口敷科情况,评估患者胸腔引流液的量、颜色及性状的变化,及水柱55未查对扣3分,未解释扣2分未评估扣3分一项不符合要求扣1分未记录扣2分波动情况,做好记录操作步骤65分 1.帮助患者取半坐位或(仰卧位),暴露胸腔引流管及同侧腹壁2.用2把卵圆钳双重双向夹闭引流管的近端,轻轻打开水封瓶的瓶盖,让助手拿住水封瓶的瓶盖,注意无菌操作3.用其中的一瓶生理盐水;中洗水封瓶2次,注意无菌操作,将另一瓶生理盐水500 mI全部倒入水封瓶,然后将水封瓶盖牢固拧紧,切勿漏气,保持密闭状态4.打开卵圆钳,观察有无引流液引出,水封瓶注明更换生理盐水的日期,将引流瓶放于低于胸腔60~100cm处,防止8820209卧位不符合要求扣3分;过度暴露患者扣5分一项不符合要求扣2分;未用双重卵圆钳夹管扣4分;无菌观念不强扣4分缺一步扣4分;连接不牢固扣10分;未;中洗瓶口扣5分;污染一次扣5分未观察引流是否通畅扣5分引流瓶更换时间未记录扣5分未观察水柱波动情况扣10分逆流引起感染,指导患者深吸气咳嗽一声并观察水柱的波动情况,保持引流通畅。
仰卧位者协助患者取半卧位,以利于引流5.洗手,记录引流液的量、颜色、性状。
定时观察引流管通畅情况引流瓶的位置过高扣5分未协助患者取半卧位扣5分未洗手扣2分;未记录扣5分;未观察扣2分整理交代10分1.向患者交代注意事项2.整理用物,用物按消毒原则处理,整理床单位28未向患者交代注意事项或漏项扣2分未整理用物扣4分,用物漏一件扣0.5分,未整理床单位扣4分整体印象5分1.无菌观念强,操作方法正确、技术熟练,工作现场整洁2.体现人文关怀,与患者适时沟通32不符合要求扣1—3分不符合要求扣1—2分四十三、会阴消毒技术操作流程及评分标准科室——姓名——分数——日期——项目操作要领评分扣分标准扣分仪表2分着装符合要求:仪表端庄,服装整洁。
胸腔闭式引流护理技术操作评分标准评分标准:胸腔闭式引流护理技术操作操作目的:1.保持引流管通畅,维持胸腔内压力;2.防止逆行感染;3.便于观察胸腔引流的性状、颜色、量。
评估要点:1.评估患者病情及生命体征,询问患者有无呼吸困难、胸闷、咳嗽、咳痰及切口疼痛等情况;2.观察切口渗出情况,有无皮下气肿;3.观察引流液的颜色、性状、量,水柱波动情况。
挤压引流管判断引流管是否通畅;4.向患者解释更换胸腔引流管目的,取得患者配合。
护士准备:1.着装整洁规范,仪表端庄大方;2.操作用物:1)基础盘内:75%乙醇、棉签、弯盘、启瓶器、剪刀、胶布、无菌生理盐水500ml;2)治疗盘内:0.5%碘伏、无菌换药操作准备碗内盛无菌纱布2块及无菌镊、卵圆钳2把、一次性治疗巾、一次性手套、弯盘;3)其他:一次性无菌胸腔引流装置、抹布、医嘱单、护理记录单、快速手消毒剂、医用垃圾桶、生活垃圾桶。
操作步骤:1.核对医嘱;2.核对患者床号、姓名、住院号,评估患者;3.洗手,戴口罩;4.按要求备齐用物。
核对一次性胸腔引流装置有效期,检查包装有无破损、漏气;5.打开胸腔引流装置包装袋,取出引流瓶连接管放置适当处;6.按取无菌溶液方法将0.9%氯化钠500ml加入胸腔引流瓶内;7.将无菌引流瓶连接管与水封瓶长管紧密连接,长管没入液面3-4cm。
平时观察胸腔引流瓶内液平面,用胶布做好标记,并注明日期及液体量;8.携用物至病人床旁,再次核对;9.协助患者取合适体位,捏紧引流管远端,向胸腔方向挤压,再缓慢松开引流管,防止引流瓶中液体倒吸,观察是否通畅;10.将治疗巾垫于引流管下适当处,取2把卵圆钳双重夹闭引流接管适宜处;11.再次核对床号、姓名,戴手套。
协助患者取半卧位;12.取无菌纱布包裹胸腔引流管与引流瓶连接管的连接处,分离胸腔引流管;13.将胸腔引流瓶连接管前端向上提起,使引流液全部流入胸腔引流瓶内,观察引流液的颜色、性质、量,并将换下的引流瓶放入医用垃圾袋内;14.消毒胸腔引流管连接口(内壁、横截面以及外壁),并取无菌纱布包裹;15.将胸腔引流管与水封瓶连接管紧密连接,将胸腔引流瓶置于安全处,松卵圆钳。
胸腔闭式引流技术操作评分标准
胸腔闭式引流技术操作
(一)目的
1、观察胸腔引流液的性状、颜色及量。
2、保持胸瓶内有一定水位,以防气体进入胸腔。
3、利于胸腔内积液积气的排出。
4、保持胸瓶无菌,防止感染。
(二)注意事项
1、术后患者若血压平稳,应取半卧位以利引流。
2、水封瓶应位于胸部以下,不可倒转,维持引流系统密闭,接头牢固固定。
3、保持引流管长度适宜,翻身活动时防止受压、打折、扭曲、脱出。
4、保持引流管通畅,注意观察引流液的量、颜色、性质,并作好记录。
如引流液量增多,及时通知医师。
5、更换引流瓶时,应用止血钳夹闭引流管防止空气进入。
注意保持引流管与引
流瓶连接的牢固紧密,切勿漏气。
操作时严格无菌操作。
6、搬动患者时,应注意保持引流瓶低于胸膜腔。
7、拔除引流管后24h内要密切观察患者有无胸闷、憋气、呼吸困难、气胸、皮下气肿等。
观察局部有无渗血、渗液,如有变化,要及时报告医师处理。