三相半波可控整流电路__课程设计..
- 格式:doc
- 大小:530.94 KB
- 文档页数:14
11 三相半波整流电路的负载分析1.1 引言单相整流电路线路简单,价格便宜,制造、调整、维修都比较容易,但其输出的直流电压脉动大,脉动频率低。
又因为它接在三相电网的一相上,当容量较大时易造成三相电网不平衡,因而只用在容量较小的地方。
一般负载功率超过4kw要求直流电压脉动较小时,可以采用三相可控整流电路。
半波整流电路是一种实用的整流电路。
它由电源变压器B 、整流二极管D 和负载电阻Rfz ,组成。
变压器把市电电压(多为220伏)变换为所需要的交变电压e2,D 再把交流电变换为脉动直流电。
图1 半波整流电路变压器砍级电压e2,是一个方向和大小都随时间变化的正弦波电压,它的波形如图所示。
在0~K时间内,e2为正半周即变压器上端为正下端为负。
此时二极管承受正向电压面导通,e2通过它加在负载电阻Rfz上,在π~2π时间内,e2为负半周,变压器次级下端为正,上端为负。
这时D承受反向电压,不导通,Rfz,上无电压。
在π~2π时间内,重复0~π时间的过程,而在3π~4π时间内,又重复π~2π时间的过程…这样反复下去,交流电的负半周就被"削"掉了,只有正半周通过Rfz,在Rfz上获得了一个单一右向(上正下负)的电压,如图所示,达到了整流的目的,但是,负载电压Usc。
以及负载电流的大小还随时间而变化,因此,通常称它为脉动直流。
这种除去半周、图下半周的整流方法,叫半波整流。
不难看出,半波整说是以"牺牲"一半交流为代价而换取整流效果的,电流利用率很低(计算表明,整流得出的半波电压在整个周期内的平均值,即负载上的直流电压Usc =0.45e2 )因此常用在高电压、小电流的场合,而在一般无线电装置中很少采用。
图2 正弦波图形1.2 设计任务设计指标:输入电压:三相交流380伏、50赫兹;输出功率:2KW;输出电压:DC110V;用集成电路芯片或分立元件组成触发电路;负载性质:电阻(10Ω)、电阻(10Ω)电感(10mH)。
摘要整流电路就是把交流电能转换为直流电能的电路。
大多数整流电路由变压器、整流主电路和滤波器等组成。
它在直流电动机的调速、发电机的励磁调节、电解、电镀等领域得到广泛应用。
整流电路通常由主电路、滤波器和变压器组成。
20世纪70年代以后,主电路多用硅整流二极管和晶闸管组成。
滤波器接在主电路与负载之间,用于滤除脉动直流电压中的交流成分。
变压器设置与否视具体情况而定。
变压器的作用是实现交流输入电压与直流输出电压间的匹配以及交流电网与整流电路之间的电隔离(可减小电网与电路间的电干扰和故障影响)。
整流电路的种类有很多,有半波整流电路、单相桥式半控整流电路、单相桥式全控整流电路、三相桥式半控整流电路、三相桥式全控整流电路等。
关键词:整流,变压,触发,晶闸管,额定。
The ac power rectifier circuit is converted to dc can circuit. Most by rectifier circuit transformer, rectifier main circuit and filters etc. It in dc motor speed, the motives of generator excitation adjustment, electrolysis, electroplating and other areas to be widely applied. Usually by rectifier circuit main circuit, filter and transformers group. Since 1970s, main circuit multi-purpose silicon rectifier diode and the brake canal composition. Filters connect in the main circuit and load between filter, used in the dc voltage ripple exchange component. Transformer Settings or not inspect particular case and decide。
实验目的:1. 了解三相半波可控整流电路的原理和工作方式;2. 学习使用数字电压表和示波器等仪器进行电路参数测量;3. 掌握实验中的电路搭建及参数调试方法。
实验器材和仪器:1. 三相变压器2. 三相全控桥整流电路模块3. 三相电阻负载4. 数字电压表5. 示波器6. 电缆和连接器等实验原理:三相半波可控整流电路是一种常用的电能调节电路,通过控制可控硅实现对三相交流电信号的半波整流,可以实现对电源输出功率的控制,被广泛应用于电力调节和电机控制等领域。
实验中,我们需要了解三相交流电信号的波形特性、半波整流电路的工作原理和控制方法,以及数字电压表和示波器的使用方法。
实验步骤:1. 将三相变压器连接至三相交流电源,并接入三相全控桥整流电路模块和三相电阻负载。
保证接线正确并紧固端子。
2. 分别连接数字电压表和示波器至电路中,用于测量电压和波形。
3. 打开电源,调节三相变压器输出电压为合适数值,确保电路工作在正常工作范围。
4. 通过控制可控硅触发脉冲信号,实现对半波整流电路的控制,观察电压和电流波形的变化。
5. 使用数字电压表和示波器分别测量并记录输出电压、输出电流和波形特性,包括峰值、均值、谐波含量等参数。
实验结果与分析:1. 经过实验,我们得到了三相半波可控整流电路的电压和电流波形数据,通过分析这些数据,可以得到电路的输出功率、效率和电流谐波等重要参数,为后续电路设计和控制提供了参考依据。
2. 通过调节可控硅触发角,我们观察到了电路输出电压的变化规律,进一步验证了半波整流电路的控制特性。
3. 实验数据的测量准确性和稳定性对实验结果的分析具有重要意义,确保了实验结果的可信度和准确性。
结论:三相半波可控整流电路的实验结果表明,该电路可以实现对三相交流电信号的半波整流和功率控制,通过控制可控硅的触发信号,实现对输出电压和电流波形的调节和监测。
这为电能调节和电机控制等领域的应用提供了重要参考。
在实验中,我们还学习了数字电压表和示波器等仪器的使用方法,提高了实验操作和数据处理的能力,为今后的实验研究奠定了基础。
课程设计报告题目三相可控整流技术的工程应用学院名称电气信息学院专业班级 xxxxxxxxxxxxxxx学号 xxxxxxxxxx学生姓名 xxxxx指导教师 xxxxxxx2012年1月12日摘要电力电子技术在电力系统中有着非常广泛的应用。
据估计,发达国家在用户最终使用的电能中,有60%以上的电能至少经过一次以上电力电子变流装置的处理。
电力系统在通向现代化的进程中,电力电子技术是关键技术之一。
可以毫不夸张地说,如果离开电力电子技术,电力系统的现代化就是不可想象的。
整流电路技术在工业生产上应用极广。
如调压调速直流电源、电解及电镀的直流电源等。
整流电路就是把交流电能转换为直流电能的电路。
大多数整流电路由变压器、整流主电路和滤波器等组成。
它在直流电动机的调速、发电机的励磁调节、电解、电镀等领域得到广泛应用。
整流电路尤其是三相桥式可控整流电路是电力电子技术中最为重要也是应用得最为广泛的电路,不仅应用于一般工业,也广泛应用于交通运输、电力系统、通信系统、能源系统及其他领域。
因此对三相桥式可控整流电路的相关参数和不同性质负载的工作情况进行对比分析与研究具有很强的现实意义,这不仅是电力电子电路理论学习的重要一环,而且对工程实践的实际应用具有预测和指导作用。
关键词:电力电子三相桥式可控电路整流AbstractPower electronics technology has a very wide range of applications in the power system. It is estimated that in developed countries more than 60% of the electrical energy at least through the end-use of electricity, more than once device processing power electronic converters. Power system in the process leading to the modern power electronics technology is one of the key technologies. It is no exaggeration to say that, if you leave power electronics technology, the modernization of the electric power system is unthinkable.Rectifier circuit technology has very wide application in industrial production. Such as voltage variable speed DC power supply, electrolysis and electroplating DC power. The rectifying circuit is the AC power is converted to DC power circuit. Most of the rectifier circuit by the transformer, rectifier circuit, and filters. It has been widely used in the field of DC motor speed control, generator excitation regulator, electrolysis, electroplating.Rectifier circuit, especially the three-phase bridge controlled rectifier circuit is the most important and the most widely used application circuit in the power electronics technology is not only used in general industrial, is also widely used in the transportation, electric power systems, communication systems, energy systems and other fields. Comparative analysis and study of the three-phase bridge controlled rectifier circuit parameters and the different nature of the work load has great practical significance, this is not only an important part of the learning power electronic circuit theory and engineering practice The practical application of predictive and guiding role.Key words:Power electronic Three-phase bridge controlled circuit Rectifier目录摘要 (2)一.设计任务书 (5)二.设计说明 (6)2.1设计目的 (6)2.2作用 (6)2.3技术指标 (6)三.设计方案的选择 (7)3.1三相桥式可控整流电路原理 (7)3.2三相桥式可控整流电路原理图 (7)3.3三相桥式可控整流电路工作波形 (8)3.4总设计框图 (10)四.触发电路的设计 (11)五.保护电路的设计 (12)5.1过电压保护 (12)5.2过电流保护 (13)六.参数的计算 (14)七.器件选择清单 (15)八.三相桥式可控整流电路的工程应用 (16)九.心得体会 (16)参考文献 (17)一.设计任务书院系:xxxxxxxxx年级:xxxxxx专业班级:xxxxxxxxxx二.设计说明2.1设计目的合理运用所学知识,进行电力电子电路和系统设计的能力,理解和掌握常用的电力电子电路及系统的主电路、控制电路和保护电路的设计方法,掌握元器件的选择计算方法。
课程设计说明书N O.1课程设计题目:三相半波整流电路的设计一、课程设计的目的《电力电子技术》课程是一门学科必修课,电力电子技术课程设计是电力电子技术课程理论教学之后的一个实践教学环节。
其目的是训练学生综合运用学过的交流电路原理的基础知识,独立完成查找资料、选择方案、设计电路、撰写报告的能力。
通过设计能够使学生巩固、加深对交流电路基本原理的理解,提高学生运用电路基本理论分析和处理实际问题的能力,培养学生的创新精神和创新能力,为今后的学习和工作打下坚实的基础。
二、主电路的选择与设计方案设计思路:主电路采用三相半波可控整流电路;采用正弦波同步触发三个晶闸管,实现AC变DC,通过改变触发电路的相角可以调整DC电压.;三相半波可控整流电路的主要缺点在于其变压器二次电流中含有直流分量,因此其应用较少。
但其所用元件较少,所以采用三相半波可控整流电路为主电路。
主电路的设计:1、当电路带电阻负载时的工作情况(1)原理说明三相半波可控整流电路为得到零线,变压器二次侧必须接成星形,而一次侧接成三角形,避免3次谐波电流流人电网。
三个晶闸管分别接入a、b、c三相电源,它们的阴极连接在一起,称为共阴极接法,这种接法触发电路有公共端,连线方便。
假设将电路中的晶闸管换作二极管,并用VD表示,该电路就成为三相半波不可控整流电路,以下首先分析其工作情况。
此时,三个二极管对应的相电压中哪一个的值最大,则是该相所对应的。
二极管导通,并使另两相的二极管承受反压关断,输出整流电压即为该相的相电压,在一个周期中,器件工作情况如下:在ωt1~ωt2期间,α 相电压最高,VD1导通,ud= ua;在ωt2~ωt3期间,b 相电压最高,VD2导通,ud= ub;在ωt3~ωt4期间,c 相电压最高,沈 阳 大 学课程设计说明书 N O.2VD3导通,ud= uc。
此后,在下一周期相当于ωt1的位置即ωt4时刻,VD1又导通,重复前一周期的工作情况。
三相半波可控整流实验报告一、引言三相半波可控整流器是一种常见的电力电子装置。
本实验旨在通过搭建一个三相半波可控整流电路,验证其工作原理和性能。
本文将从实验目的、实验原理、实验步骤、实验结果和结论等方面进行详细介绍和分析。
二、实验目的1.理解三相半波可控整流器的工作原理;2.学会使用电力电子器件和相关测试设备,进行电路搭建和实验操作;3.通过实验验证三相半波可控整流器的性能和特点。
三、实验原理三相半波可控整流电路由交流电源、三相半波可控整流装置和负载组成。
其主要原理是通过可控硅管对交流电进行整流,实现将交流电转换为直流电。
三相半波可控整流电路的基本结构如下图所示:T1 T2 T3┌───┬───┬───┐+ ──┘│ │ │ │└─── +└───┼───┼───┘SCR 1 │ SCR2│ SCR3────┼───┼───│ │ │- ──────┼───┼───┼───── -│ │ │────┼───┼───RL 1 │ RL2 │ RL3└───┴───┴───┘其中,T1、T2、T3为三相变压器的三个绕组,SCR1、SCR2、SCR3为三相可控硅管,RL1、RL2、RL3为三个负载。
当可控硅管触发角度大于零时,可控硅管导通,负载电流流过可控硅管和负载,电压为正半波;当可控硅管触发角度小于零时,可控硅管截止,负载电流为零,电压为零。
四、实验步骤1.按照实验电路图搭建三相半波可控整流电路。
确保电路连接正确,并注意安全。
2.将交流电源接入实验电路,并调整电源电压。
3.使用示波器测量电路中各个位置的电压和电流数值,记录结果。
4.在示波器中设置合适的参数,观察电压和电流的波形。
5.通过改变可控硅管的触发角度,观察和记录电路中电压和电流的变化情况。
6.关闭电源,结束实验。
五、实验结果我们在实验中得到了如下结果:1.测量到的负载电流和电压的数值。
2.示波器上观察到的电压和电流波形。
在实验过程中,我们逐步改变可控硅管的触发角度,观察到负载电流和电压的变化特点,并进行了记录和分析。
三相半波可控整流电路的设计..
三相半波可控整流电路是一种常用的电力电子系统,在工业控制领域得到广泛应用。
它可以将三相交流电源转换成直流电源,供给负载使用。
下面将介绍三相半波可控整流电路的设计,包括电路结构、工作原理、参数选择、电路图设计等方面。
1. 电路结构
三相半波可控整流电路包括三相变压器、三相桥式可控整流器、直流滤波电容、负载等部分。
其中三相变压器将三相输入电源变换成三相低压交流电源,然后经过三相桥式可控整流器,输出直流电源。
直流滤波电容可以使输出电压更加稳定,在负载端加上负载,使电路能够工作。
2. 工作原理
三相半波可控整流电路可以通过调节三相桥式可控整流器的触发角来控制输出电压大小。
当三相输入电压为正半周时,只有一个二极管导通,同时触发角为0°时,三相桥式可控整流器将完全导通,输出直流电源;当三相输入电压为负半周时,只有一个二极管导通,此时三相桥式可控整流器无法导通,电路不工作。
3. 参数选择
在设计三相半波可控整流电路时,需要选择合适的变压器、电容等参数,以保证电路工作稳定可靠。
(1)变压器的额定容量应该合理选择,以确保输入输出电压之间的变换符合负载要求。
(2)直流滤波电容需要选择足够大的电容值,使得输出电压的波动小于一定范围内,从而保证负载正常工作。
4. 电路图设计
通过以上措施,设计出来的三相半波可控整流电路可以在工业控制及相关领域中得到广泛的应用,实现电力的稳定供应。
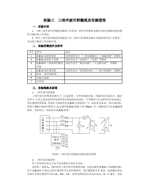
实验三 三相半波可控整流及有源逆变一.实验目的1.了解三相半波可控整流电路的工作原理,研究可控整流电路在电阻负载和电阻电感性负载时的工作情况。
2.研究三相半波有源逆变电路的工作,验证可控整流电路在有源逆变时的工作条件,并比较与整流工作时的区别。
二.实验所需挂件及附件序号 型号 备注1 DJK01电源控制屏 该控制屏包含“三相电源输出”、“励磁电源”等模块2 DJK02晶闸管主电路 该挂件包含“晶闸管”、“电感”等模块3 DJK02-3三相晶闸管触发电路该挂件包含“触发电路”、“正反桥功放” 等模块 4 DJK10变压器实验 该挂件包含“逆变变压器”、“三相不控整流”等模块 5 D42 三相可调电阻 6 双踪示波器 7万用表三.实验线路及原理1.三相半波可控整流三相半波可控整流电路用了三只晶闸管,与单相电路比较,其输出电压脉动小,输出功率大。
不足之处是晶闸管电流即变压器的副边电流在一个周期内只有1/3时间有电流流过,变压器利用率较低。
图3-4中晶闸管用DJK02正桥组的三个,电阻R 用D42三相可调电阻,将两个900Ω接成并联形式,L d 电感用DJK02面板上的700mH ,其三相触发信号由DJK02-3提供。
直流电压、电流表由DJK02获得。
2.三相半波有源逆变其工作原理详见电力电子技术教材中的有关内容。
晶闸管、电感L d 、电阻R 同三相半波可控整流电路,直流电源用DJK0l 上的励磁电源,其中DJK10-1中的心式变压器用作升压变压器使用,变压器接成Y/Y 接法,逆变输出的电压接心式变压器的中压端Am 、Bm 、Cm ,返回电网的电压从高压端A 、B 、C 输出。
直流图3-4 三相半波可控整流电路实验原理图电压、电流表均在DJK02上。
图3-5 三相半波有源逆变电路实验原理图四.实验内容1.研究三相半波可控整流电路带电阻性负载。
2.研究三相半波可控整流电路带电阻电感性负载。
3.研究三相半波有源逆变电路。
三相半波可控整流实验报告三相半波可控整流实验报告引言:在现代电力系统中,整流技术是非常重要的一环。
整流器可以将交流电转换成直流电,广泛应用于工业、交通、通信等领域。
而可控整流器则具有可调节输出电压和电流的特点,更加灵活和高效。
本实验旨在研究和探索三相半波可控整流器的工作原理和特性。
一、实验目的本实验的主要目的是研究三相半波可控整流器的工作原理和特性,并通过实验验证理论推导的正确性。
同时,通过实验分析可控整流器的输出特性,了解其在不同工作条件下的性能表现。
二、实验原理三相半波可控整流器由三相交流电源、可控硅元件和负载组成。
可控硅元件是一种具有双向导电性的半导体器件,它可以通过控制触发脉冲的方式来控制电流的导通和截止。
在本实验中,可控硅元件用于控制交流电的整流过程。
实验装置的电路图如下所示:(插入电路图)三、实验步骤1. 按照电路图连接实验装置,注意正确接线和接触可靠。
2. 打开交流电源,调节电压和频率到实验要求的数值。
3. 打开触发电路,通过控制触发脉冲的方式,触发可控硅元件导通。
4. 观察电压和电流波形,并记录实验数据。
5. 改变触发脉冲的参数,如触发角、触发脉冲宽度等,重复步骤3和步骤4,记录实验数据。
6. 关闭触发电路和交流电源,完成实验。
四、实验结果与分析通过实验记录的数据,我们可以得到三相半波可控整流器的输出电压和电流波形。
根据实验数据,我们可以绘制出相应的波形图,并对其进行分析。
在实验中,我们可以通过改变触发脉冲的参数来控制可控硅元件的导通时间和截止时间。
从而实现对输出电压和电流的控制。
当触发脉冲的触发角增大时,可控硅元件的导通时间减小,输出电压和电流的平均值也随之减小。
反之,当触发角减小时,可控硅元件的导通时间增加,输出电压和电流的平均值也随之增加。
此外,触发脉冲的宽度也对输出电压和电流的波形有影响。
当触发脉冲宽度增加时,可控硅元件的导通时间也增加,输出电压和电流的峰值也随之增加。
而当触发脉冲宽度减小时,可控硅元件的导通时间也减小,输出电压和电流的峰值也随之减小。
MAIM IMSTITUTE OF TECHNOLOGY《电力电子技术课程》课程设计说明课程名称:三相半波可控整流电路设计学院: 电气与信息工程学院专业: 电气工程及其自动化学生姓名: 黄亚娟学号: 10401240302指导教师: 曹志平2013年6月9日摘要整流电路就是把交流电能转换为直流电能的电路。
大多数整流电路由变压器、整流主电路和滤波器等组成。
它在直流电动机的调速、发电机的励磁调节、电解、电镀等领域得到广泛应用。
整流电路通常由主电路、滤波器和变压器组成。
20世纪70 年代以后,主电路多用硅整流二极管和晶闸管组成。
滤波器接在主电路与负载之间,用于滤除脉动直流电压中的交流成分。
变压器设置与否视具体情况而定。
变压器的作用是实现交流输入电压与直流输出电压间的匹配以及交流电网与整流电路之间的电隔离(可减小电网与电路间的电干扰和故障影响)。
整流电路的种类有很多,有半波整流电路、单相桥式半控整流电路、单相桥式全控整流电路、三相桥式半控整流电路、三相桥式全控整流电路等。
关键词:整流,变压,触发,晶闸管,额定。
、三相半波整流电路原理分析1.1.1 纯电阻性半波整流电路原理组成1.2.1 主电路设计1.3.1 电路原理波形分析、三相半波整流电路数量分析2.1.1输出值的计算2.2.1晶闸管的有效值三、器件额定参数计算3.1.1 变压器参数3.2.1 晶闸管参数3.3.1 变压器容量3.4.1 晶闸管额定电压3.5.1 晶闸管额定电流四、MATLAB软件介绍五、MATLAB软件电脑仿真5.1.1 M ATLAB软件运用电脑仿真电路模型115.2.1 纯阻性负载三相半波可控整流电路仿真图像115.3.1 仿真结果和实际原理分析比较12六、心得体会12七、参考文献13 八致谢14i=r基于Matlab 的应用范围非常广,包括在信号和图像处理、通讯、控制系统设计、测试和测量、财务建模和分析以及计算生物学等众多应用领域。
三相半波可控整流电路的设计三相半波可控整流电路是一种常用的电力电子变换器,常用于交流电源装置、直流电机驱动器和电压调节器等场合,其工作原理是通过对三相交流电进行控制,使其变为可控的单相直流电。
以下是关于三相半波可控整流电路的设计和工作原理的详细介绍。
一、三相半波可控整流电路的工作原理三相半波可控整流电路的输入是三相交流电源,通过可控硅器件(一般使用晶闸管)对交流电进行控制,使其变为可控的单相直流电。
整流电路由控制电路、整流电路和滤波电路三部分组成,主要包括三相变压器、可控硅器件和直流滤波电容等。
整流电路的工作过程如下:1.输入三相交流电源通过三相变压器降压,并经过整流电路的可控硅器件。
通过控制可控硅器件的导通和关断实现对交流电的控制。
2.当可控硅器件导通时,交流电流通过整流电路进入负载。
此时交流电流的方向被控制为和输入电源相同时,负载消耗正向电流。
3.当可控硅器件关断时,交流电流无法通过整流电路进入负载,此时负载上的电压降为零。
4.通过改变可控硅器件的导通角控制电流的大小,从而控制负载上的直流电压。
1.整流电压控制整流电压的控制是通过改变可控硅器件的导通角来实现的。
导通角越大,整流电压越高。
因此,设计需要确定可控硅器件的导通角范围,以满足负载对直流电压的需求。
2.整流电压波动限制为了使整流电压稳定,设计中需要考虑添加滤波电容以限制整流电压的波动。
滤波电容的选取需要根据负载电流和波动限制来确定。
一般情况下,电容的容值越大,波动越小。
3.整流电流控制为了保护负载和整流电路中的可控硅器件,需要考虑整流电流的控制。
可以通过添加电流限制保护装置,当整流电流超过设定值时进行限制。
4.整流效率和功率因数设计中还需要考虑整流电路的效率和功率因数。
整流电路的效率可以通过合理选择变压器和可控硅器件来提高。
功率因数则可以通过加入功率因数校正电路来提高。
5.控制电路设计控制电路包括触发电路和控制电压调节电路。
触发电路用于触发可控硅器件的导通;控制电压调节电路用于调节整流电压的大小。
一、实验目的1、了解三相半波可控整流电路的工作原理,研究可控整流电路在电阻性负载和电感性负载时的工作情况。
2、不同负载时,三相半波可控整流电路的结构、工作原理、波形分析。
二、实验内容1、三相半波可控整流电路(电阻性负载)1.1 电路结构为了得到零线变压器二次侧接成星形得到零线,为了给三次谐波电流提供通路,减少高次谐波的影响,变压器一次绕组接成三角形,为△/Y接法。
三个晶闸管分别接入a、b、c三相电源,其阴极连接在一起为共阴极接法。
图2-1三相半波可控整流电路结构图2-2 α=0°时的波形工作原理:1)在ωt1-ωt2区间,有Ua>Ub,Ua>Uc,A相电压最高,VT1承受正向电压,在ωt1时刻触发VT1导通,导通角θ=120°,输出电压Ud=Ua。
其他两个晶闸管承受反向电压而不能导通。
VT1通过的电流It1与变压器二次侧A相电流波形相同,大小相等,可在负载电阻R两端测试。
2)在ωt2-ωt3区间,有Ub>Uc,Ub>Ua,B相电压最高,VT2承受正向电压,在ωt2时刻触发VT2导通,Ud=Ub。
VT1两端电压Ut1=Ua-Ub=Uab<0,晶闸管VT1承受反向电压关断。
3)在ωt3-ωt4区间,有Uc>Ua,Uc>Ub,C相电压最高,VT3承受正向电压,在ωt3 时刻触发VT3导通,Ud=Uc。
VT2两端电压Ut2=Ub-Uc=Ubc<0,晶闸管VT2承受反向电压关断。
在VT3导通期间VT1两端电压Ut1=Ua-Uc=Uac<0。
这样在一个周期内,VT1只导通120°,在其余240°时间承受反向电压而处于关断状态。
1.2仿真建模及参数设置根据原理图用matalb软件画出正确的三相半波可控整流电路(电阻性负载)仿真电路图如图2-3所示:2-3三相半波可控整流电路仿真电路图脉冲参数:振幅为5V,周期为0.02s,占空比为5%,相位延迟分别为(α+30)/360*0.02,(α+120+30)/360*0.02,(α+240+30)/360*0.02。
1 引言随着时代的进步和科技的发展,拖动控制的电机调速系统在工农业生产、交通运输以及日常生活中起着越来越重要的作用,因此,对电机调速的研究有着积极的意义.长期以来,直流电机被广泛应用于调速系统中,而且一直在调速领域占居主导地位,这主要是因为直流电机不仅调速方便,而且在磁场一定的条件下,转速和电枢电压成正比,转矩容易被控制;同时具有良好的起动性能,能较平滑和经济地调节速度。
因此采用直流电机调速可以得到良好的动态特性。
由于直流电动机具有优良的起、制动性能,宜与在广泛范围内平滑调速。
在轧钢机、矿井卷机、挖掘机、金属切削机床、造纸机、高层电梯等需要高性能可控硅电力拖动的领域中得到广泛应用。
近年来交流调速系统发展很快,然而直流拖动控制系统毕竟在理论上和在时间上都比较成熟,而且从反馈闭环控制的角度来看,它又是交流拖动系统的基础,长期以来,由于直流调速拖动系统的性能指标优于交流调速系统。
因此,直流调速系统一直在调速系统领域内占重要位置。
2工作原理2.1 三相半波可控整流电路整流变压器副边接成星形,有个公共零点,所以也叫三相零式电路。
图中,uA,u B ,uC分别表示三相对0点的相电压 (u2p),电源的三个相电压分别通过VSl、VS2、VS3晶闸管向负载电阻R供给直流电流,改变触发脉冲的相位即可以获得大小可调的直流电压。
2.2 电阻性负载对于VS1、VS2、VS3,只有在1、2、3点之后对应于该元件承受正向电压期间来触发脉冲,该晶闸管才能触发导通,1、2、3点是相邻相电压波形的交点,也是不可控整流的自然换相点。
对三相可控整流而言,控制角α就是从自然换相点算起的。
控制角0<α£2π/3,导通角0<θ£2π/3。
晶闸管承受的最大正向电压.承受的最大反向电压:1)当0 ≤ α ≤ π/6 时,其波形是连续的。
在一个周期内三相轮流导通,负载上得到脉动直流电压Ud电流波形与电压波形相似,这时,每只晶闸管导通角为120°,负载上电压平均值为:2)当π/6 < α ≤ 5π/6 时2.3 电感性负载电感性负载由于电感的存在使得电流始终保持连续,所以每只晶闸管导通角为2π/3,输出电压的平均值为:当α=π/2时, Ud =0,因此三相半波整流电感负载时的控制角为0~ π/2。
《电力电子技术课程》课程设计说明书课程名称:三相半波可控整流电路设计学院:电气与信息工程学院专业:电气工程及其自动化学生姓名:黄亚娟学号: ***************:***时间: 2013年6月9日摘要整流电路就是把交流电能转换为直流电能的电路。
大多数整流电路由变压器、整流主电路和滤波器等组成。
它在直流电动机的调速、发电机的励磁调节、电解、电镀等领域得到广泛应用。
整流电路通常由主电路、滤波器和变压器组成。
20世纪70年代以后,主电路多用硅整流二极管和晶闸管组成。
滤波器接在主电路与负载之间,用于滤除脉动直流电压中的交流成分。
变压器设置与否视具体情况而定。
变压器的作用是实现交流输入电压与直流输出电压间的匹配以及交流电网与整流电路之间的电隔离(可减小电网与电路间的电干扰和故障影响)。
整流电路的种类有很多,有半波整流电路、单相桥式半控整流电路、单相桥式全控整流电路、三相桥式半控整流电路、三相桥式全控整流电路等。
关键词:整流,变压,触发,晶闸管,额定。
目录摘要 (2)目录 (3)引言 (4)一、三相半波整流电路原理分析 (4)1.1.1 纯电阻性半波整流电路原理组成 (4)1.2.1主电路设计 (4)1.3.1 电路原理波形分析 (5)二、三相半波整流电路数量分析 (7)2.1.1 输出值的计算 (7)2.2.1晶闸管的有效值 (8)三、器件额定参数计算 (8)3.1.1 变压器参数 (8)3.2.1 晶闸管参数 (8)3.3.1 变压器容量 (8)3.4.1 晶闸管额定电压 (8)3.5.1 晶闸管额定电流 (8)四、MATLAB软件介绍 (9)五、MATLAB软件电脑仿真 (11)5.1.1 MATLAB软件运用电脑仿真电路模型 (11)5.2.1纯阻性负载三相半波可控整流电路仿真图像 (11)5.3.1 仿真结果和实际原理分析比较 (12)六、心得体会 (12)七、参考文献 (13)八致谢 (14)引言基于 Matlab 的应用范围非常广,包括在信号和图像处理、通讯、控制系统设计、测试和测量、财务建模和分析以及计算生物学等众多应用领域。
运用 Matlab 软件的处理能力,我们对三相桥式整理电路进行仿真分析,对纯电阻性负载及电阻电感性负载时的工作情况进行对比分析与研究,用Matlab 软件自带的 Power System 工具箱进行仿真,给出仿真结果,检验所建模型的正确性。
一、三相半波整流电路原理分析1.1 .1纯电阻性半波整流电路原理组成三相半波可控整流电路纯电阻性负载,如图所示。
图中T为整流变压器,为了得到中性线,整流变压器的二次接成星形,一次绕组接成三角形,使三次谐波都能够通过,减少了高次谐波对电网的影响。
为了得到零线,整流变压器的二次绕组必须接成星形,而一次绕组多接成三角形,使其3次谐波能够通过,减少高次谐波的影响。
三个晶闸管的阳极分别接入u、v、w三相电源,它们的阴极连接在一起,称共阴极接法,这对触发电路有公共线者连线较方便,用得较广。
1.2.1主电路设计其原理图如图1所示。
图1 三相半波可控整流电路原理图1.3.1 电路原理波形分析图 1.1三相半波可控整流电路电阻负载,α=120°时的波形稳定工作时,三个晶闸管的触发脉冲互差120º,规定ωt=2π/3为控制角α的起点,称为自然换相点。
三相半波共阴极可控整流电路自然换相点是三相电源相电压正半周波形的交叉点,在各相相电压的ωt=2π/3处。
在ωt1时刻触发VT1,在ωt1~ωt2区间有uu>uv、uu>uw,u相电压最高,VT1承受正向电压而导通,输出电压ud=uu。
其他晶闸管承受反向电压而不能导通。
VT1通过的电流iT1与变压器二次侧u相电流波形相同,大小相等。
在ωt2时刻触发VT2,在ωt2~ωt3区间 v相电压最高,由于uu<uv,VT2承受正向电压而导通, ud=uv。
VT1两端电压uT1=uu-uv= uuv<0,晶闸管VT1承受反向电压关断。
在VT2导通期间,VT1两端电压uT1= uu-uv= uuv。
在ωt2时刻发生的一相晶闸管导通变换为另一相晶闸管导通的过程称为换相。
在ωt3时刻触发VT3,在ωt3~ωt4区间w相电压最高,由于uv<uw,VT3承受正向电压而导通,ud=uw。
VT2两端电压 uT2= uv-uw=uvw<0,晶闸管VT2承受反向电压关断。
在VT3导通期间VT1两端电压uT1= uu-uw= uuw。
这样在一周期内,VT1只导通2π/3,在其余π/3时间承受反向电压而处于关断状态。
只有承受高电压的晶闸管元件才能被触发导通,输出电压ud波形是相电压的一部分,每周期脉动三次,是三相电源相电压正半波完整包络线,输出电流id与输出电压ud波形相同 (id=ud/R)。
电阻性负载α=0º时,VT1在VT2、VT3导通时仅承受反压,随着α的增加,晶闸管承受正向电压增加;其他两个晶闸管承受的电压波形相同,仅相位依次相差120º。
增大α,则整流电压相应减小。
α=30º是输出电压、电流连续和断续的临界点。
当α<30º时,后一相的晶闸管导通使前一相的晶闸管关断。
当α>30º时,导通的晶闸管由于交流电压过零变负而关断后,后一相的晶闸管未到触发时刻,此时三个晶闸管都不导通,直到后一相的晶闸管被触发导通。
从上述波形图可以看出晶闸管承受最大正向电压是变压器二次相电压的峰值,UFM =U2,晶闸管承受最大反向电压是变压器二次线电压的峰值,URM=× U2 =U2。
α=150º时输出电压为零,所以三相半波整流电路电阻性负载移相范围是0º~150º。
如果将电路中的晶闸管换成整流管,那么整流元件就在Wt1.Wt2.Wt3,处自然换相,并总是换到电压最高的一相上去,相应的输出a相,b相,c相电压。
因此相电压的交点就是三相半坡电路的自然换相点,即该出的a=0°。
在Wt1--Wt 2期间内,a相电压U最高,在Wt2--Wt3期间内,b相电压最高,在Wt2时刻触发晶闸管T2,可使T2导通,此时T1因承受反向电压而关断,负载上得到b相电压Ub...如此,各晶闸管都按同样的规律依次触发导通并关断前面一个已导通的晶闸管。
图(a)所示,是三相电压触发脉冲。
图(b )所示,各晶闸管上的触发导通脉冲相序应与电源的相序相同。
各相触发脉冲依次间隔120°,每相晶闸管各导电120°,负载电流波形与整流电压波形相同,是连续的。
图(c )所示,输出的整流电压时三相交流相电压正半周期线。
图(d )所示,是变压器a 相绕组,即流经晶闸管T1的电流波形,可见变压 器绕组中通过的是直流脉冲电流。
图(e )是晶闸管T1两端的电压Ut1的波形。
二、三相半波整流电路数量分析2.1.1 输出值的计算三相桥式全控整流电路中,整流输出电压d u 的波形在一个周期内脉动3次,且每次脉动的波形相同,因此在计算其平均值时,只需对一个脉波(即1/3周期)进行计算即可。
对于电阻性负载而言,当α<300时,各晶闸管上的触发脉冲,其相序与电源的相序相同,各相触发脉冲依次间隔1200,在一个周期内,三相电源轮流向负载供电,每相晶闸管各导电1200,负载电流是连续的。
增大α值,即触发脉冲后移,则整流电压相应减小。
当α=300时,从输出电压、电流的波形可看出,这时负载电流处于连续和断续的临界状态,各项仍导电1200。
如果α>300,例如α=120°,如上图1.1所示,当导通的一相的相电压过零变负时,该相晶闸管关断,此时下一相晶闸管虽然承受正向电压,但它的触发脉冲还未到,不会导通,姑输出电压和电流都为零,直到下一相触发脉冲出现为止,显然电流断续,各晶闸管导电时间都小于1200。
如果α角继续增大,那么整流电压将越来越小。
当α=1500时,整流输出电压为零。
故电阻负载时要求的移相范围为1500。
下面分两种情况来计算整流电压的平均值:(1)α≤30︒时,负载电流连续,有:566d 221sin () 1.17cos 2/3U td t U ππααωωαπ++==⎰公式3-1当00α=时,d U 为最大,d d02U =U =1.17U 。
(2)a >30︒时,负载电流断续,晶闸管导通角减小,此时有:当0150α=时, d U =0负载电流的平均值d I 为dd UI =R由于晶闸管是交替工作的,流过晶闸管的平均电流为dT d 1I =I 32.2.1晶闸管的有效值:(1)α≤30︒时(2)a >30︒时,三.器件额定参数计算3.1.1 变压器参数有要求之电压在100V当α=120°时,U2=100V 。
6d 221sin ()0.675[1cos(/6)]2/3U td t U ππαωωπαπ+==++⎰公式3-2 T I ==T I =公式3-3 公式3-4由公式3-2,得 d U =-58.456V3.2.1 晶闸管参数把2U =100V ,d U =58.456V 代入公式3-4知:考虑到一定的电压裕量,Id=Ud/R3.3.1变压器容量由22S =I ,把2U 、2I 代入知3.4.1 晶闸管额定电压晶闸管电压定额(一般取额定电压为正常工作电压时晶闸管所承受峰值电 压的2-3倍)N U 23.5.1晶闸管额定电流晶闸管通态平均电流:IT=IT/1.57考虑裕量,晶闸管电流定额(一般取其平均电流的1.5~2倍)N I =(1.5~2) T(AV)I故晶闸管的额定电流取为20A四、MATLAB 软件MATLAB 是由美国mathworks 公司发布的主要面对科学计算、可视化一级交互式程序设计的高科技计算环境。
它将数值分析、矩阵计算、科学数据可视化以及非线性动态系统的建模和仿真等诸多强大功能集成在一个易于使用的视窗环境中,为科学研究、工程设计以及必须进行有效数值计算的众多科学领域提供了一种全面的解决方案,并在很大程度上摆脱了传统非交互式程序设计语言的编辑模式,代表了当今国际科学计算软件的先进水平。
MATLAB 和Mathematica 、Maple 并称为三大数学软件。
它在数学类科技应用软件中在数值计算方面首屈一指。
MATLAB 可以进行矩阵运算、绘制函数和数据、实现算法、创建用户界面、连接其他编程语言的程序等,主融建模设计与分析等领域。
MATLAB的基本数据单位是矩阵,它的指令表达式于数学、工程中常用的形式十分相似,故用MATLAB来解决问题要比用C,FORTRAN的语言完成相同的事情简单快捷的多,并且MATLAB也吸收了想Maple等软件的优点,使MATLAB成为一个强大的数学软件。