机械设计作业集及答案(南昌航空大学)
- 格式:wps
- 大小:5.95 MB
- 文档页数:42
南昌航空大学机械设计期末考试简答题整理南昌航空大学机械设计期末考试简答题整理带传动1、带传动的优点有哪些?1)适用于中心距较大的传动。
2)带具有良好的挠性,可缓和冲击,吸收振动。
3)过载时带与带轮间会出现打滑,打滑虽使传动失效,但可防止损坏其他零件。
4)结构简单成本低廉。
2、带传动的主要失效形式?主要失效形式有打滑,磨损,散层和疲劳断裂.。
3、带传动时,带的横截面上产生那些应力?紧边和松边拉力产生的拉应力,离心力产生的拉应力和弯曲应力。
4、带传动的设计准则是什么?防止打滑和保证足够的使用寿命。
5、弹性滑动原因以及负面影响?弹性滑动产生的两个原因:①带是弹性体;②带传动时,紧边和松边存在压力差。
弹性滑动的负面影响:造成传动比不准确、传动效率较低、使带温升高、加速带的磨损等。
蜗杆传动1、与齿轮传动相比较,蜗杆有哪些优点?能得到很大的传动比、结构紧凑、传动平稳和噪声较小。
2、与齿轮传动相比较,蜗杆传动有哪些缺点?传动效率较低,为了减摩耐磨,蜗轮齿圈常需用青铜制造,成本较高。
3、蜗杆传动的失效形式?主要失效形式有胶合、点蚀和磨损等。
4、蜗杆传动的设计准则?闭式传动:按齿面接触疲劳强度设计,校核齿根弯曲疲劳强度,计算热平衡,蜗杆刚度。
开式传动:按齿根弯曲疲劳强度设计。
5、蜗杆传动常用材料选择?要求:1)足够的强度2)良好的减摩、耐磨性3)良好的抗胶合性蜗杆:40、45、40Cr。
蜗轮:铸造锡青铜,铸造铝铁青铜。
6、为什么蜗杆传动要进行热平衡计算?由于蜗杆传动效率低,发热量大,若不及时散热会引起箱体内油温升高,润滑失效,导致轮齿磨损加剧,甚至出现胶合,因此对连续工作的闭式蜗杆传动,要进行热平衡计算。
7、蜗杆传动时,若油温过高,常用散热措施有哪些?1)增加散热面积:合理设计箱体结构,铸出或焊上散热片。
2)提高表面传热系数:在蜗杆轴上装置风扇,或在箱体油池内装设蛇形冷却水管,或用循环油冷却。
链传动1、链传动有什么优点?1)与带传动相比,链传动没有弹性,滑动和打滑能保持准确的平均传动比,需要的张紧力小作用在轴上的压力也小,可减少轴承的摩擦损失,结构紧凑;能在温度较高有油温等恶劣环境条件下工作。
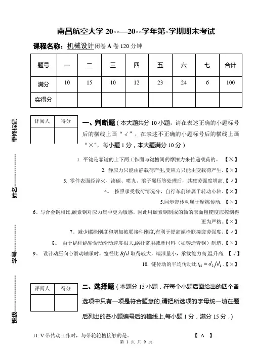
南昌航空大学20××—20××学年第×学期期末考试课程名称:机械设计闭卷A 卷120分钟一、判断题(本大题共分10小题,请在表述正确的小题标号后的横线上画“√”,在表述不正确的小题标号后的横线上画“×",每小题1分,本大题满分10分)1. 平键是靠键的上下两工作面与键槽间的摩擦力来传递载荷的。
【×】2. 静应力只能由静载荷产生,变应力只能由变载荷产生。
【×】3.零件表面经淬火、渗碳、喷丸、滚子碾压等处理后,其疲劳强度增高.【√】4。
按照承受载荷情况分,自行车前轴属于转动心轴。
【×】5.同步带传动属于摩擦传动. 【×】6。
与合金钢相比,碳素钢对应力集中更为敏感,因此用碳素钢制成的轴的表面粗糙度应控制得更为严格。
【×】7。
减少螺栓刚度和增加被联接件刚度,有利于提高螺栓联接疲劳强度。
【√】8。
由于蜗杆蜗轮传动滑动速度很大,蜗杆常用减摩材料(如铸造青铜)制造。
【×】9。
设计动压向心滑动轴承时,宽径比B d 取得较大,端泄量小,承载能力高,温升高. 【√】10. 链传动的平均传动比1221i d d .【×】二、选择题(本题分15小题,在每个小题后面给出的四个备选项中只有一项是符合题意的,请把所选项的字母统一填在题后列出的各小题编号后的横线上,每小题1分,满分15分,)11. V 带传动工作时,与带轮轮槽接触的是。
【 A 】A 。
带的两侧面B 。
带的顶面C 。
带的底面D 。
带的侧面与底面 12。
链传动与带传动相比,链传动没有弹性滑动和打滑的现象,所以链传动能保持准确的 A 。
瞬时传动比 B. 平均传动比 C. 链速 D 。
从动轮角速度 13。
转轴工作时主要承受。
【 C 】A. 纯扭矩 B 。
纯弯矩 C 。
扭矩和弯矩 D. 摩擦力矩 14. 蜗杆传动的主要失效形式是。
螺纹联接作业1.受轴向载荷的紧螺栓联接,被联接钢板间采用橡胶垫片。
已知预紧力为1500N,当轴向工作载荷为1000N时,求螺栓所受的总拉力及被联接件之间的残余预紧力。
2.图示汽缸螺栓联接,汽缸内压力p在0-1.5MPa间变化,缸盖和缸体均为钢制,为保证气密性要求,试选择螺栓材料,并确定螺栓数目和尺寸。
3.图示两根梁用8个4.6级普通螺栓与两块钢盖板相联接,梁受到的拉力F=28kN,摩擦系数f=0.2,控制预紧力,试确定所需螺栓的直径。
4.图示YLD10凸缘联轴器,允许传递的最大转矩为630N·m,两半联轴器采用4个M12×60的铰制孔螺栓,性能等级为8.8级,联轴器材料为HT200,试校核联接强度。
5.铰制孔用螺栓组联接的三种方案如图所示,已知L=300mm,a=60mm,试求三个方案中,受力最大的螺栓所受的力各为多少?哪个方案较好?6.图示底板螺栓组联接受外力F e作用,外力F e作用在包含x轴并垂直于底板结合面的平面内。
试分析螺栓组受力情况,并判断哪个螺栓受载最大?保证联接安全的必要条件有哪些?7.指出下列图中的错误结构,并画出正确的结构图。
8.图示刚性联轴器取4个M16小六角头铰制孔用螺栓,螺栓材料为45钢,受剪面处螺栓直径为φ17mm,其许用最大扭矩T=1.5kN·m(设为静载荷),试校核其强度。
联轴器材料HT250。
提示9.上题的刚性联轴器中,若采用M16受拉螺栓,靠两半联轴器的接合面间产生的摩擦力来传递扭矩,螺栓材料为45钢,接合面间的摩擦系数f=0.16,安装时不控制欲紧力,试决定螺栓数(螺栓数应为双数)。
10.如图,缸径D=500mm,蒸汽压力p=1.2MPa,螺栓分布圆直径D0=640mm。
为保证气密性要求,螺栓间距不得大于150mm。
试设计此汽缸盖螺栓组联接。
螺纹联接作业解答1~8 (略)解:(1)、求预紧力'F 查手册GB196-81 得113.835d =(M16) p=2H=0.866 p=1.732则:1 1.73213.83513.54666c Hd d =-=-= 查表6.3 取 []4S S =选6.8级:600B a Mp σ=480S a Mp σ=许用拉应力:480[]120[]4sa S Mp S σσ=== 24 1.3'[]c F d σπ⨯≤22[]13.546120'13303.014 1.34 1.3c d F N πσπ⨯⨯∴≤==⨯⨯(2) '2Sf DzF k T μ= 取保 1.3f k =23 1.31500100011.82'13303.010.16155f S k T z F Dμ⨯⨯⨯∴===⨯⨯取 z=12 (双数)解:1、确定螺栓数目z 取间距t =12564016.09125125D z ππ⨯=== 取=162、选螺栓性能等级6.8级 45钢600B a Mp σ= 480S a Mp σ=480S a Mp σ= 3、计算螺栓载荷(1)、气钢盖载荷:225001.2235619.4544D Q p N ππ⨯===(2)、螺栓工作载荷:14726.2216QF N == (3)、残余预紧力: "1.5 1.514726.2222089.33F F N =⨯=(4)、螺栓最大拉力:0"14726.2222089.3336815.55F F F N =+=+=(5)、许用拉力:取安全系数:[]3S S = (不控制预紧力)480[]16033Sa Mp σσ=== 4、计算螺栓尺寸19.5156c d mm ≥==选 M24查 124,20.752,3d d p === 0.866, 2.598H p ==1 2.59820.75220.31919.515666c Hd d =-=-=> (满足要求) 若选M22 122,19.294, 2.5d d p === 则: H=0.866 p=2.1651 2.16519.29418.93366c Hd d =-=-= (不满足) 轴毂联接作业1.图示减速器的低速轴与凸缘联轴器及圆柱齿轮之间分别采用键联接。
南昌航空大学20××—20××学年第×学期期末考试课程名称: 机械设计 闭卷 A 卷 120分钟一、判断题(本大题共分10小题,请在表述正确的小题标号后的横线上画 “√”,在表述不正确的小题标号后的横线上画“×”,每小题1分,本大题满分10分)1. 平键是靠键的上下两工作面与键槽间的摩擦力来传递载荷的。
【×】2. 静应力只能由静载荷产生,变应力只能由变载荷产生。
【×】3. 零件表面经淬火、渗碳、喷丸、滚子碾压等处理后,其疲劳强度增高。
【√】4. 按照承受载荷情况分,自行车前轴属于转动心轴。
【×】5. 同步带传动属于摩擦传动。
【×】6. 与合金钢相比,碳素钢对应力集中更为敏感,因此用碳素钢制成的轴的表面粗糙度应控制得更为严格。
【×】7. 减少螺栓刚度和增加被联接件刚度,有利于提高螺栓联接疲劳强度。
【√】8. 由于蜗杆蜗轮传动滑动速度很大,蜗杆常用减摩材料(如铸造青铜)制造。
【×】9. 设计动压向心滑动轴承时,宽径比B d 取得较大,端泄量小,承载能力高,温升高。
【√】 10.链传动的平均传动比 1221i d d 。
【×】二、选择题(本题分15小题,在每个小题后面给出的四个备选项中只有一项是符合题意的,请把所选项的字母统一填在题后列出的各小题编号后的横线上,每小题1分,满分15分,)11. V 带传动工作时,与带轮轮槽接触的是 。
【 A 】A. 带的两侧面B. 带的顶面C. 带的底面D. 带的侧面与底面 12.链传动与带传动相比,链传动没有弹性滑动和打滑的现象,所以链传动能保持准确的 A. 瞬时传动比 B. 平均传动比 C. 链速 D. 从动轮角速度 13. 转轴工作时主要承受 。
【 C 】A. 纯扭矩B. 纯弯矩C. 扭矩和弯矩D. 摩擦力矩 14. 蜗杆传动的主要失效形式是 。
机械设计习题库(含参考答案)一、单选题(共50题,每题1分,共50分)1、机构具有相对运动的条件是()A、机构的自由度数目小于主动件数目B、机构的自由度数目大于主动件数目C、机构的自由度数目大于等于主动件数目D、机构的自由度数目等于主动件数目正确答案:D2、杆长不等的铰链四杆机构,若以最短杆为机架,则是()机构A、双曲柄B、双曲柄或双摇杆C、双摇杆D、曲柄摇杆正确答案:B3、驱动力与运动方向的夹角为压力角,驱动力与径向方向的夹角为传动角,二者之和是( ).A、90°B、60°C、30°D、60°正确答案:A4、在高速运转的情况下,下列哪种轴承可以代替推力轴承?()A、润心球轴承B、滚针轴承C、圆锥滚子轴承D、向心球轴承正确答案:D5、对于i12=n1/n2说法最正确的是( )A、表示圆柱齿轮传动比B、1为主动轮,2为从动轮C、表示蜗杆蜗轮传动比D、表示圆锥齿轮传动比正确答案:B6、浇铸巴氏合金轴瓦首先清理轴瓦基体然后对轴瓦基体浇铸表面()A、镀铬B、镀铜C、镀锡D、镀锌正确答案:C7、以下哪个不是滚动轴承的结构特征()?A、接触角B、偏转角C、游隙D、偏移角正确答案:B8、基本周转轮系是由()构成。
A、行星轮、惰轮和中心轮B、行星轮和中心轮C、行星轮、行星架和中心轮D、行星轮、惰轮和行星架正确答案:C9、蜗杆传动的精度有()个等级A、12B、7C、8D、9正确答案:A10、轴的结构形状和尺寸应尽量满足加工、装配和维修的要求。
为此常采用的措施()①当某一轴段需车制或磨销加工时,应留有退刀槽或砂轮越程槽;②轴上所有鏪槽应沿轴的同一母线布置;③为了便于所有轴上零件的装配和去除毛刺,轴端及轴肩一般均应制45度的倒角。
过盈配合轴段的装入端加工出半锥圆角为30度的导向锥面;④为便于加工,应使轴上直径相近的圆角、倒角、键槽和越程槽等尺寸一致A、①②③B、①③C、①②③④D、②④正确答案:C11、我国国家标准规定的标准压力角为( )A、60°B、90°C、20°D、30°正确答案:C12、根据轴的载荷性质分:()①心轴②传动轴③转轴A、①②③B、①③C、②③D、①②正确答案:A13、铰链四杆机构中,与机架相连,并能实现360°旋转的构件是()A、摇杆B、机架C、曲柄D、连杆正确答案:C14、常见的推力滑动轴承有实心、空心、()、多环。
南昌航空大学20××—20××学年第×学期期末考试课程名称: 机械设计 闭卷 A 卷 120分钟一、判断题(本大题共分10小题,请在表述正确的小题标号后的横线上画 “√”,在表述不正确的小题标号后的横线上画“×”,每小题1分,本大题满分10分)1. 某转轴采用40钢(σS MPa =335),经校核其扭转刚度不够,可改选高强度合金结构钢40Cr ()σS MPa =785,以提高刚度。
【 × 】2. V 带剖面中两个工作面的夹角为40º,所以带轮槽相应的夹角也是40º。
【 × 】3. 流体动压润滑轴承相对隙ψ的大小影响轴承的承载能力。
【 √ 】4. 滚动轴承一般由内座圈、外座圈、滚动体和保持架四部分组成,有些滚动轴承可以缺少其中某一部分或某几部分,但滚动体是不缺少的。
【 √ 】5. 齿轮联轴器、蛇形弹簧联轴器、弹性柱销联轴器,都属于挠性联轴器。
【 √ 】6. 联轴器主要用于把两轴联接在一起,机器运转时不能将两轴分离,只有在机器停车并将联接拆开后,两轴才能分离。
【 √ 】7. 只要螺纹副具有自锁性(螺纹升角小于当量摩擦角),则任何情况下都无需考虑防松。
【 × 】8. 带传动中,V 带(三角带)中的应力是对称循环变应力。
【 × 】9. 滚动轴承的可靠度提高时,它的基本额定静载荷不变。
【 × 】 10. 渐开线齿轮可通过轮齿的齿顶修缘来降低动载荷系数。
【 √ 】二、选择题(本题分15小题,满分15分,在每个小题后面给出的四个备选项中只有1项是符合题意的,请把所选项的字母统一填在题后列出的各小题编号后的横线上,每小题1分)11. 下列零件中, 是没有国家标准规定的。
【 D 】 A. 滚动轴承B. 键的截面尺寸和长度C. 齿轮模数D. 轴的支承跨度12. 在有张紧轮装置的带传动中,当张紧轮装在带内侧时应安装在。
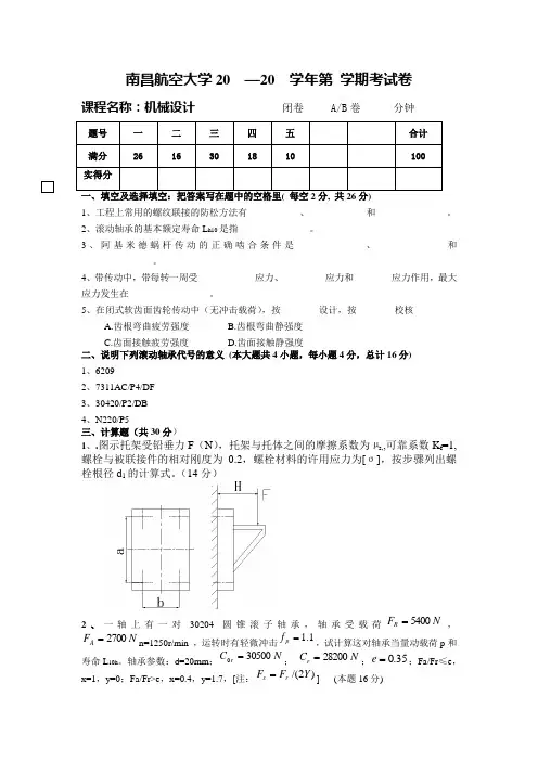
南昌航空大学20 —20 学年第 学期考试卷课程名称:机械设计 闭卷 A/B 卷 分钟1、工程上常用的螺纹联接的防松方法有___________、____________和_______________。
2、滚动轴承的基本额定寿命L h10是指_______________。
3、阿基米德蜗杆传动的正确啮合条件是______________、______________和_______________。
4、带传动中,带每转一周受____________应力、_________应力和________应力作用,最大应力发生在 ________________。
5、在闭式软齿面齿轮传动中(无冲击载荷),按________设计,按________校核A.齿根弯曲疲劳强度B.齿根弯曲静强度C.齿面接触疲劳强度D.齿面接触静强度二、说明下列滚动轴承代号的意义 (本大题共4小题,每小题4分,总计16分) 1、62092、7311AC/P4/DF3、30420/P2/DB4、N220/P5三、计算题(共30分)1、.图示托架受铅垂力F (N ),托架与托体之间的摩擦系数为µs,,可靠系数K f =1,螺栓与被联接件的相对刚度为0.2,螺栓材料的许用应力为[σ],按步骤列出螺栓根径d 1的计算式。
(14分)2、一轴上有一对30204圆锥滚子轴承,轴承受载荷N F R 5400=,N F A 2700=n=1250r/min ,运转时有轻微冲击1.1=p f ,试计算这对轴承当量动载荷p 和寿命L 10h 。
轴承参数:d=20mm ;N C r 305000=; N C r 28200=;35.0=e ;Fa/Fr ≤e ,x=1,y=0;Fa/Fr>e ,x=0.4,y=1.7,[注:)2/(Y F F r s =] (本题16分)12F四、分析题(18分)图示蜗杆-斜齿轮传动,已知蜗杆为左旋,转向如图示,蜗杆m=8mm,d1=64mm(q=8),z1=2,z2=42,蜗杆输入转矩T1=38000N.mm,蜗杆传动效率 =0.75。
实用文档目录绪论 (1)平面机构的自由度 (3)平面连杆机构 (8)凸轮机构 (14)齿轮机构 (18)轮系 (23)机械零件设计概论 (28)联接 (30)齿轮传动 (41)蜗杆传动 (51)带、链传动 (60)轴 (69)滑动轴承 (75)滚动轴承 (78)联轴器和离合器 (91)绪论1. 简述机构与机器的异同及其相互关系。
2. 简述机械的基本含义。
3. 简述构件和零件的区别与联系。
4. 简述“机械运动”的基本含义。
5. 简述“机械设计基础”课程的主要研究对象和内容。
6. 简述“机械设计基础”课程在专业学习中的性质。
【参考答案】1. 共同点:①人为的实物组合体;②各组成部分之间具有确定的相对运动;不同点:机器的主要功能是做有用功、变换能量或传递能量、物料、信息等;机构的主要功能是传递运动和力、或变换运动形式。
相互关系:机器一般由一个或若干个机构组合而成。
2. 从结构和运动的角度看,机构和机器是相同的,一般统称为机械。
3. 构件是机械中的运动单元,零件是机械中的制造单元;构件是由一个或若干个零件刚性组合而成。
4. 所谓“机械运动”是指宏观的、有确定规律的刚体运动。
5. 研究对象:常用机构(平面连杆机构、凸轮机构、齿轮机构等)和通用零(部)件(螺栓、键、齿轮、带、链、轴、轴承、联轴器、离合器等)。
研究内容:机构的组成及其工作原理、结构分析、运动分析等;零(部)件结构、设计计算、类型选择、使用维护等。
6. “机械设计基础”课程着重研究各类机械中的共性问题,为进一步深入研究各种专门机械奠定基础;同时,“机械设计基础”课程的学习又涉及到高等数学、机械制图、工程力学、工程材料以及机械制造基础等知识的综合运用。
因此,“机械设计基础”是课程体系中的一门专业技术基础课程。
平面机构的自由度1. 什么是机构中的原动件、从动件、输出构件和机架?2. 机构中的运动副具有哪些必要条件?3. 运动副是如何进行分类的?4. 平面低副有哪两种类型?5. 简述机构运动简图的主要作用,它能表示出原机构哪些方面的特征?6. 机构自由度的定义是什么?一个平面自由构件的自由度为多少?7. 平面运动副中,低副和高副各引入几个约束?8. 机构具有确定运动的条件是什么?当机构的原动件数少于或多于机构的自由度时,机构的运动将发生什么情况?9. 运动链和机构关系如何?10. 画出下列机构的示意图,并计算其自由度。
机械设计作业集答案问题一:公差链与公差协调1.1 公差链的定义与作用公差链是指在产品设计、制造和检验过程中,涉及到公差传递的各种关系的有机组合。
在产品设计中,为了保证产品的质量和性能,需要对各个零部件的尺寸和位置进行控制,而公差链就是用来描述和分析这些零部件之间的公差传递关系的。
公差链的作用主要有以下几点: - 通过公差链的分析,可以确定产品在设计和制造过程中出现的公差带的分布范围,从而帮助设计人员确定合适的公差方案。
- 公差链可以帮助设计人员识别公差源,即造成产品公差的主要因素,便于进行优化和改进。
- 公差链的分析结果还可以为制造和检验过程提供参考,有助于指导生产和检测工艺。
1.2 公差协调的原则公差协调是指在机械设计中,通过合理选择和分配零部件的公差,以确保产品在设计要求下能够在制造和使用过程中满足性能和质量的要求。
公差协调的原则主要包括以下几个方面:1.2.1 公差合理分配原则公差合理分配原则是指在设计过程中,应根据零部件的功能、重要性和制造难度等因素来合理分配公差。
一般来说,对于功能重要且制造难度大的零部件,公差分配应较严格;而对于功能次要且制造难度小的零部件,公差分配可以相对宽松。
1.2.2 公差传递原则公差传递原则是指在公差协调中,要注意零部件之间公差的传递关系。
公差传递关系可以通过公差链的分析得到。
在公差传递时,要尽量减小公差的传递倍数,避免公差的累加误差。
1.2.3 公差统计原则公差统计原则是指在选择和应用公差时,要根据实际情况采用合适的统计方法和公差值。
一般来说,对于要求产品性能和质量较高的情况,应采用较为严格的统计方法和较小的公差值,以确保产品能够满足要求。
1.3 公差链的计算方法公差链的计算方法主要有以下几种:1.3.1 最坏情况法最坏情况法是指在公差链的计算中,假设各个零部件的公差都取其最大值,然后计算出整个系统的公差范围。
这种方法计算简单直观,但可能会导致公差范围过大。
南昌航空大学考试样卷标准答案课程:机械设计基础一、填空题1、a包角,f摩擦系数2、打滑、断裂3、普通级,。
404、过蜗杆轴线与蜗轮中心线垂直的平面5、轴向力6、.压溃、剪断二、选择题1【C】、2【D】、3【A】、4 [CL 5 [B]三、简答题1 >蜗杆传动效率低,发热量大,(3分)若温升过高,会产生急剧磨损或胶合2. (2分)2、带在紧边和松边时弹性伸长量不同,因此必然在包角范围内产生收缩或伸长,与带轮表而产生相对滑动,打滑是一种全面的相对滑动. 3分弹性滑动是带传动固有特性.打滑是一种失效形式.四、分析计算与作图题1 解:(1) F=3n-2Pi,-PH=3x5-2x7-0二1(2) AB=10mm; BC=40mm; CD=30mm; AD=50mmAB+ADvBC+CD满足杆长之和AB为曲柄2解1, 2, 3机架构成定轴轮系4, 6, 5, H构成行星轮系12 12叭"=(_])& Z473 49co2 =气口3列式求解得:么=-39406 (°h3、(1)1为左旋,2右旋⑵逆时针,右旋(2分)4、口| _ 51Z】3)切2 _ & _ 76口 3 z2 5132AR\五、.①轴肩过高 ④没有定位 分) 5、解:I i 2 2R 】= — F 「= — x 6000 = 2(X )0(N \R 2 =-F r =-x 6000 = 4000(N )l 分 5 = % = 200% X16 = 625(N> & = % =阳。
% xl6 = l 250(N )2 分 S\ + F a = 625 + 1030 = 1655(N )> S” 左移.6 = S| + F a =1655(N )M t =5, = 625(NX1 分)= 0.312 < e,.•.《=R = 2000(N X2分)m 生== 0.414 > e,只=XR, + K4, = 0.4x4000 + 1.6x1655 = 4248(N )2^} R, 4000 ' 'J (2分) ②定位不准确 (2分) ③轴承无法拆卸 (2分) (2分) ⑤密封槽不对 (2分) ⑥静止件与运动件相碰(2。
机械设计作业集参考答案(选择、填空题)第三章机械零件的强度一、选择题二、填空题3-16 最大应力法、安全系数法、σ ≤[σ] 、S ca≥[S]3-17 静、变3-18 疲劳失效、光滑区、粗糙区3-19无限寿命、有限寿命3-20复合(双向)、疲劳或静、复合(双向)、静3-21化学热处理、高频表面淬火、表面硬化加工3-22截面形状突变处、增大第四章摩擦、磨损及润滑概述二、填空题4-11摩擦、磨损及润滑4-12吸附4-13温度、压力4-14干摩擦、边界摩擦、液体摩擦4-15流动阻力4-16降低、降低4-17 高、低4-18齿轮齿面的胶合、齿轮齿面的磨损、齿轮齿面的点蚀4-19相对滑动的两表面间必须形成收敛的楔形间隙、相对速度,其运动方向必须使油由大端流进,小端流出、滑油必须有一定的粘度,且充分供油。
4-20最小厚度h min ≥ 许用油膜厚度[h]第五章螺纹连接二、填空题5-20 60°、联接、30°、传动5-21大、中、小5-22普通螺纹、米制锥螺纹、管螺纹、梯形螺纹、矩形螺纹、锯齿形螺纹 5-23螺纹升角ψ 、牙型斜角β(牙侧角)5-24螺纹副间的摩擦阻力矩T 1 、螺母环形端面与被联接件(或垫圈)支承面间的摩擦阻力矩T 2 5-25 90、螺纹根部 5-26拉、扭切5-27 接合面间的摩擦力、预紧(拉伸、扭转)、接合面间的滑移、螺栓被拉断、铰制孔用螺栓抗剪切、剪切、挤压、螺杆被剪断、螺杆与孔壁接触面被压溃(碎) 5-28 F 0+FC b /(C b +C m )、 F 0-FC m /(C b +C m )、[]σπσ≤⨯=212314d F . 5-29螺栓、被联接件、螺栓的刚度、被联接件的刚度,同时适当增大预紧力 5-30弯曲5-31 摩擦、机械、其它(破坏螺纹副的关系)5-32 求出螺栓组中受力最大的螺栓及其所受的力,以便进行强度计算5-33合理的确定联接结合面的几何形状和螺栓的布置形式,力求每个螺栓和联接结合面间受力均匀,便于加工和装配、① 联接结合面设计成轴对称的简单几何形状;② 螺栓的布置应使各螺栓的受力合理;③螺栓的排列应有合理的间距、边距;④分部在同一圆周上螺栓数目应取成4、6、8等偶数 5-34 受载较大且经常装拆、调整或承受变载荷第六章 键、花键、无键联接和销联接一、选择题二、填空题6-11 普通平键、薄型平键、导向平键、滑键、普通平键、薄型平键、导向平键、滑键 6-12 B 型(方头)键 、键宽20mm 、公称长度80mm 6-13工作面压溃、工作面的过度磨损6-14两侧面、键与键槽侧面的挤压、间隙、上下两面、键的楔紧作用(摩擦力)传递转矩 6-15不6-16 1 、2、120°~130° 6-17小径 、齿形6-18 高、加工精度高,能用磨削的方法消除热处理引起的变形第七章 铆接、焊接、胶接和过盈连接一、选择题二、填空题7-4对接焊缝、角焊缝、同一平面内、不同一平面内 7-5剪切、拉伸第八章 带传动一、选择题二、填空题8-21 初拉力F0、摩擦系数f(当量摩擦系数f V)、小带轮包角 18-22紧边、松边拉应力(σ1、σ2)、离心拉应力σc、弯曲应力(σb1、σb2)、σmax=σ1+σc+σb1、紧边与小带轮接触处8-23 疲劳破坏、打滑、在不打滑的条件下,使带具有一定的疲劳强度和寿命8-24 1500、7508-25 安装张紧轮、调整中心距8-26小、小带轮包角小于大带轮包角8-27 高速、提高带传动的能力、工作平稳性好及起到过载保护的作用8-28计算功率、小轮转速8-29带两边的拉力差及弹性变形8-30带绕在带轮上的部分第九章链传动9-17内链板和套筒、外链板和销轴、滚子和套筒、套筒和销轴9-18越高、越大、越少9-19链的疲劳破坏、链条铰链的磨损、胶合、链条静力拉断、链板的疲劳强度9-20平均、瞬时9-21 A系列、链节距为25.4mm9-22 链节距、链速第十章齿轮传动二、填空题10-23 硬、韧、齿面硬度、HBS<350、30~50、小齿轮的循环次数多、HB S≥350、HBS1 = HBS210-24调质、正火、渗碳淬火、整体淬火、表面淬火10-25 齿面点蚀、断齿、磨损、胶合10-26 节线附近靠近齿根、为单齿啮合区、摩擦力大润滑不良10-27 悬臂梁、模数m 、不相等10-28 赫芝、分度圆直径d1(中心距a)、不变10-29渐轮齿形状对弯曲应力的影响、齿数、C、A10-30脉动10-31对称、脉动循环、-300MPa 、300MPa,、010-32 斜齿轮的优点不能充分发挥、轴向力过大、8°~ 20°、中心距10-33第十一章蜗杆传动11-15 q =d1/m11-16γ≤ϕv11-17 m a1= m t2 = m,α a1 = α t2=α,γ1=β211-18低、好、1、2、4、611-19合金钢、淬火、锡青铜11-20蜗轮、材料上,蜗轮采用青铜,强度差、结构上,蜗杆的齿是连续的,蜗轮的齿是独立的11-21 相同、导程角11-22 啮合摩擦损耗、轴承摩擦损耗、溅油损耗第十二章滑动轴承二、填空题12-15避免过度磨损、限制温升,避免胶合12-16 增大、减小12-17提高、提高、增加12-18 p≤[p] 、pv ≤[pv]、v ≤ [v]12-19 相对滑动的两表面间必须形成收敛的楔形间隙、有相对速度,其运动方向必须使油由大端流进,小端流出、润滑油必须有一定的粘度,且充分供油、h min≥[h]第十三章滚动轴承二、填空题13-16 N316/P6 、51316(2) 51316 、N316/P6(3) 6306 /P5 、51316(4) 6306 /P5(5) 3030613-17深沟球轴承的外圈边沿两端厚度一样,公称接触角为0;而角接触球轴承外圈边沿两端有厚薄之分,公称接触角不为0、深沟球轴承可以承受不大的双向轴向力,而角接触球轴承只可承受单向轴向力13-18疲劳寿命13-19静强度13-20 规律性非稳定的脉动循环、稳定的脉动循环13-21 双支点各单向固定(两端固定)、一支点双向固定,另一端支点游动(一端固定、一端游动)、两端游动支承(两端游动)13-22提高轴承的旋转精度、支承刚度、减小机器工作时轴的振动、在安装时用某种方法在轴承中产生并保持一轴向力,以消除轴承中的游隙13-23精度不同数值较小的负偏差、0、负值13-24为了防止灰尘、水、酸气和其它杂物进入轴承,并阻止润滑油流失、接触式密封(中低速)、非接触式密封(高速)、混合式密封(密封效果较好)第十四章联轴器和离合器14-11 变刚度、增大14-12 对中榫、铰制孔螺栓14-13齿顶制成球面,具有适当的顶隙和侧隙14-14 工况(计算力矩)、最大转速、轴孔直径14-15 破断式、嵌合式、摩擦式第十五章轴二、填空题15-13转、心、传动、转15-14 便于轴上零件安装定位、近似等强度15-15非对称循环15-16 对称、脉动15-17小于15-18 低速轴受到的转矩大得多15-19轴的强度、轴的刚度15-20轴肩、轴环、套筒、圆螺母、轴挡档圈、挡圈等、键、花键、过盈配合等15-21合理布置轴上零件的位置和改进轴上零件的结构以减小轴的载荷、改进轴的结构以减小应力集中、改进轴的表面质量以提高轴的疲劳强度15-22 改善轴的支承情况(减小跨距、改悬臂为简支、采用支承刚度大的轴承等)、增大轴的直径、采用空心轴、合理布置轴上零件的位置和改进轴上零件的结构以减小轴的载荷等。
机械设计作业集答案一、机械设计基础1. 什么是机械设计?机械设计是指根据工作要求,应用机械原理和机械设计理论,通过运用机械制图、机械力学等知识,进行产品的结构设计、工艺设计和性能计算等工作。
2. 机械设计的主要内容有哪些?机械设计的主要内容包括:产品的功能和性能要求分析、结构设计、工艺设计、运动与力学分析、材料选择、产品装配及工艺评价等。
3. 机械设计的基本原则有哪些?机械设计的基本原则包括:功能应符合要求、结构尽可能简单、性能可靠稳定、制造和维修方便、经济合理等。
4. 机械设计中的材料选择原则有哪些?机械设计中的材料选择原则包括:机械性能要符合要求、经济合理、便于加工和装配、耐久性和疲劳寿命长、环境适应性好等。
5. 机械设计的设计过程包括哪些阶段?机械设计的设计过程包括:产品概念设计、产品结构设计、产品零部件设计、产品装配与工艺设计、产品性能试验及改进等。
二、机械工程绘图1. 机械制图常用的画法有哪些?机械制图常用的画法包括:正投影、俯视图、侧视图、剖视图、三视图等。
2. 机械制图中常用的标注有哪些?机械制图中常用的标注包括:尺寸标注、公差标注、符号标注、材料标注等。
3. 机械制图中常用的图样符号有哪些?机械制图中常用的图样符号包括:螺纹、键槽、齿轮、轴等。
4. 机械制图中常用的尺寸公差有哪些?机械制图中常用的尺寸公差有:线性尺寸公差、角度尺寸公差、圆度、直线度、平面度等。
5. 机械制图中的视图投影法有哪些?机械制图中的视图投影法有:一等投影法、二等投影法。
三、机械力学与运动学1. 什么是机械力学?机械力学是研究物体静止或运动时,所受力学性质及规律的科学。
2. 什么是刚体?刚体是指在空间中移动或变形时,保持其原来形状的物体。
3. 什么是受力分析?受力分析是指通过确定物体上的力和力的作用点来研究物体的运动和受力情况。
4. 机械力学中常用的力的分解方法有哪些?机械力学中常用的力的分解方法有:平行四边形法、三角形法、正交分解法等。
机械设计作业集答案1. 问题描述1.1 题目在一台某型号汽车发动机中,已知气缸直径为80mm,活塞行程为100mm,求气缸容积。
1.2 解答气缸容积可以通过以下公式计算:$$ V = \\pi \\times (\\frac{d}{2})^2 \\times h $$其中,V表示气缸容积,$\\pi$表示圆周率,d表示气缸直径,ℎ表示活塞行程。
代入已知数据,可以得到气缸容积的计算公式:$$ V = \\pi \\times (\\frac{80}{2})^2 \\times 100 $$计算得出气缸容积为2513274 mm³。
2. 问题描述2.1 题目设计一个螺旋式升降机构,要求能够实现垂直方向上的任意高度调节,升降机构中心轴线为垂直方向,且机构稳定性良好。
2.2 解答螺旋式升降机构可以采用螺旋副的原理实现。
螺旋副由螺旋桨和螺旋轴组成,可以通过转动螺旋轴实现升降运动。
具体设计步骤如下:1.确定升降机构的高度范围和最大载荷,以确定螺旋桨的尺寸和材料;2.计算螺旋桨的螺距和螺旋线的类型,选择合适的螺旋线;3.设计螺旋轴的支撑结构,确保机构稳定性良好;4.根据实际需要,设计驱动装置,如电机或手动驱动装置,实现螺旋轴的转动;5.制作并安装升降机构的各个零部件;6.调试和测试升降机构的运行情况。
3. 问题描述3.1 题目设计一台箱体,其外形为长方体,尺寸已知为长200mm、宽150mm、高100mm,箱体由钢材制成,要求在给定载荷下不发生形变。
3.2 解答为了使箱体在给定载荷下不发生形变,需要进行强度分析。
强度分析通常包括以下步骤:1.计算箱体所受的载荷,由于箱体是长方体,可以将载荷均匀分布在各个表面上;2.根据材料的力学性质,计算出钢材的抗弯强度和抗压强度;3.使用弯曲和压缩的强度公式,计算箱体各个部分的应力;4.判断计算得到的应力是否小于材料的抗弯强度和抗压强度,如果小于,则表明箱体在给定载荷下不发生形变。
南昌航空大学20 —20 学年第学期考试卷课程名称:机械设计闭卷 A/B卷分钟一.填空题(本大题共 10 小题,每小题3分,总计 30 分)1、阿基米德蜗杆正确啮合的条件是_ _____,__ _,_ _____。
2、斜齿圆柱齿轮螺旋角β的常用范围是__________________。
如果β太小,则__________ ______;β太大,则___________________。
3、非液体润滑轴承应进行_________________________、_________________________和____________________的计算。
4、蜗杆传动中,蜗轮的轮缘通常采用___________、蜗杆常采用___________制造,这是因为_______________________________________。
5、带传动中,带的弹性滑动是带传动的___________特性,是___________避免的;而打滑则是________ ___。
6、因为链传动具有______ ____和_____ ___,因此用于7、滑8、9、有一个角接触球轴承,宽度系列为窄系列、直径系列为中系列,内径为55mm ,接触角250,公差等级P4级,面对面排列,其代号为________ 。
10、某圆锥滚子轴承,宽度系列为窄系列、直径系列为重系列,内径100 mm,公差等级P2级,背对背排列,其代号为__________ __。
二.分析题(本大题共 3 小题,每小题4分,总计 12 分)1、(15分)某减速器轴上装有一对30312轴承,已查出C=101000N,判断系数e=0.30,x=0.4,y=2,轴的转速n=10000rpm,受力如图,已求出两轴承的径向支反力Fr1=6000N,Fr2=8000N,齿轮的轴向力FA=1000N,载荷系数fd=1,试求轴承寿命为多少小时?(15分)2、(15分)如图所示为一铸铁支架固定在水泥地基上,受载荷R V =5000N ,方向如图。
机械设计作业集(答案)第五章螺纹一、简答题1.相同公称直径的细牙螺纹和粗牙螺纹有何区别?答普通三角螺纹的牙型角为60 º,又分为粗牙螺纹和细牙螺纹,粗牙螺纹用于—般连接,细牙螺纹在相同公称直径时,螺距小、螺纹深度浅、导程和升角也小,自锁性能好,适合用于薄壁零件和微调装置。
细牙螺纹的自锁性能好,抗振动防松的能力强,但由于螺纹牙深度浅,承受较大拉力的能力比粗牙螺纹差。
2.螺栓、双头螺柱、紧定螺钉连接在应用上有何不同?答(1)普通螺栓连接:被连接件不太厚,螺杆带钉头,通孔不带螺纹,螺杆穿过通孔与螺母配合使用。
装配后孔与杆间有间隙,并在工作中不许消失,结构简单,装拆方便,可多个装拆,应用较广。
(2)精密螺栓(铰制孔螺栓)连接:装配间无间隙,主要承受横向载荷,也可作定位用,采用基孔制配合铰制扎螺栓连接。
(3)双头螺柱连接:螺杆两端无钉头,但均有螺纹,装配时一端旋入被连接件,另一端配以螺母,适于常拆卸而被连接件之一较厚时。
装拆时只需拆螺母,而不将双头螺栓从被连接件中拧出。
(4)螺钉连接:适于被连接件之一较厚(上带螺纹孔)、不需经常装拆、受载较小的情况。
一端有螺钉头、不需螺母。
(5)紧定螺钉连接:拧入后,利用杆末端顶住另一零件表面或旋入零件相应的缺口中以固定零件的相对位置。
可传递不大的轴向力或扭矩。
3.为什么多数螺纹连接都要求拧紧?预紧的目的是什么?答绝大多数螺纹连接在装配前都必须拧紧,使连接在承受工作载荷之前,预先受到力的作用。
这个预先加的作蝴用力称为顶紧JJ力。
预紧的目的在于增强连接的紧密性和可靠性,以防止被连接件在受力后出现松动、缝隙或发生滑移。
4.连接用螺纹已经满足自锁条件,为什么在很多连接中还要采取防松措施?答; 对于一般单线螺纹,螺旋升角小于螺旋副的当量摩擦角,本身能满足自锁条件,但是在冲击、振动或变载荷作用下,螺旋副摩擦力可能减小或瞬时消失,多次反复作用后,就可能松脱。
另外,在温度大幅度变化的情况下,反复的热胀冷缩,也会造成松脱。
4-1 梁的根部接头是固接,梁的缘条可以传递弯矩,纵墙的根部接头是绞接,它本身不能传递弯矩。
4-24-34-234-244-26 (1)在A-A 肋处,蒙皮没有发生突变,所以A-A 肋在传扭时不起作用。
(2)前梁在A-A 剖面处发生转折,前梁上弯矩M 分为两部分21M M M +=,1M由前梁传给机身,2M传给A-A 肋。
4-30机翼外段长桁上的轴向力通过蒙皮剪切向前后梁扩散,到根部全部转移到前后梁的缘条上去。
4-311. L 前=L 后(1) Q 的分配 K=22EJ LL 前=L 后 ∴ 只与2EJ 有关Q 1=112K Q K K += 122EJ L [22L (121EJ EJ +)]Q = 112EJ Q EJ EJ + = 112Q + = 0.333Q= 3330kg = 33.3KNQ 2= 6670kg = 66.7KN(2) M 的分配 K=KJL ∴ 关系式仍同上1M = 0.333⨯5⨯105 = 1666.7 KN mM 2= 0.667⨯5⨯105 = 3335 KN m(3) M t 的分配M t1= 5510tM += 0.333⨯3⨯103 = 0.999⨯103 kg.m = 10 KN m M t2 = 0.667⨯3⨯103 = 2.001⨯103 kg.m = 20 KNm2. L 前=3000 mm L 后=1500 mm(1) Q 的分配 K=22EJ LK 1= 2⨯()122103000= 2⨯12610910⨯=29⨯106 = 2⨯106⨯0.111K 2= 2⨯()122101500= 2⨯29⨯106 = 222.25⨯⨯106 = 2⨯106⨯0.889K 1+ K 2 = 2⨯106 ( 19 +12.25) = 2⨯106 ( 0.111 +0.889) = 1⨯2⨯106∴ Q 1= 0.111⨯10000 = 1110kg = 11.1KN Q 2= 8890kg = 88.9KN(2) M 的分配 K 1 = KJL = 12103000 = 0.333⨯109K 1 = 12101500Q ⨯ = 1.333⨯109 K 1+ K 2 = 1.666⨯1091M = 0.3331.666⨯5⨯105 = 0.1999⨯5⨯105 = 0.2⨯5⨯105 = 105 kg m = 1000 KN m 2M = 4⨯105 kg m = 4000 KN m(3) M t 的分配K 1=105103000⨯=1.667⨯107 K 2=1010101500⨯=6.667⨯107 K 1+ K 2 = 8.334⨯107M t1 = 1.6678.334⨯3⨯103 = 0.2⨯3⨯103 = 0.6⨯103 kg.m = 6 KN mM t2 = 6.6678.334⨯3⨯103 = 0.8⨯3⨯103 = 2.4⨯103 kg.m = 24 KN m980150010*3)(3310311===l EJ K Q 9160150010*2*3)(3310322===l EJ K Q 310*2150010)(71011===l EJ K M 310*4150010*2)(71022===l EJ K M 310150010*5)(6811===l GJ K t t 310*2150010)(6922===l GJ K t t310032111==+=y Q Q Q Q K K K Q 3200322122==+=y Q Q Q Q K K K Q 3500032111==+=M K K K M M M M 310000322122==+=M K K K M M M M 1032111==+=t t t t t M K K K M 20322122==+=tt t t t M K K K M910300010*3)(3310311===l EJ K Q 9160150010*2*3)(3310322===l EJ K Q 310300010)(71011===l EJ K M 310*4150010*2)(71022===l EJ K M310150010*5)(6811===l GJ K t t 310*2150010)(6922===l GJ K t t17100172111==+=y Q Q Q Q K K K Q 17160017162122==+=y Q Q Q Q K K K Q 100052111==+=M K K K M M M M 4000542122==+=MK K K M M M M1032111==+=t t t t t M K K K M 20322122==+=tt t t t M K K K M4-36(1) 薄蒙皮双粱式机翼,I 肋在气动载荷作用下:(a)前、后缘未略去,(b)若略去前、后缘的 气动载荷和结构。