基坑钢支撑计算实例
- 格式:doc
- 大小:60.50 KB
- 文档页数:5
北京地铁5#雍和宫车站钢支撑施工计算书本车站主体围护结构基坑内竖向设四道钢支撑斜撑。
其中第三道、第四道的第四排和第五排为两根钢管并放。
主要材料为φ=529、t=12mm(第四道为φ630、t=12mm)的钢管。
本计算只对斜撑跨度最大的一跨(跨度取20m)进行了验算, 跨度为支撑两端钢围檩之间净距,其它各跨斜撑的截面尺寸和所用材料与该跨相同。
1、活动端肋板焊缝计算:.为保证φ529(630)钢管均匀受力且不在钢板上有丝毫位移,所以在钢管与钢板间用四块三角内肋板焊接(左右每边各二块),钢板厚度为20mm,钢支撑厚度为t=12mm,钢支撑活动端千斤顶承压肋板厚度20mm,焊缝厚度按规范1.5×t1/2≤h f≤1.2t(t=12mm)即5.2≤h f≤14.4,施工图纸上规定焊缝厚度为10mm故焊缝厚度取10mm按照设计最大轴力为3600KN,四块外肋板承担1/3 设计轴力(1200 KN),故分配到每块内肋板上的力为600KN查表的直角焊缝的强度设计值f t w=160N/mm2考虑到肋板上部焊缝承受一定轴力则有N‘’=0.7×h f×∑L’w×βf×f t w=0.7×0.01×0.02×2×1.22×1.6×108=54656NN=N‘- N‘’=600-54.656=545.344KNl w=N/(2×0.7 ×h f×f t w)= 545.344 ×103/(2×0.7×0.01×1.6×108)+0.01=0.244m故需要肋板的长度为25cm.2、稳定性计、验算:主体结构西北角、东北角、东南角和盾构上方设有钢支撑,其中西北、东北、东南角采用φ529(630)钢管钢支撑,盾构上方采用双工28b工字钢支撑。
南三路基坑工程计算书1 工程概况该基坑设计总深7.2m,按一级基坑、选用《浙江省标准—建筑基坑工程技术规程(DB33/T1008-2000)》进行设计计算。
1.1 土层参数续表地下水位埋深:2.00m。
1.2 基坑周边荷载地面超载:0.0kPa2 开挖与支护设计基坑支护方案如图:南三路基坑工程基坑支护方案图2.1 挡墙设计·挡墙类型:钢板桩;·嵌入深度:7.700m;·露出长度:0.300m;·型钢型号:Q295bz-400×170;·桩间距:800mm;2.2 放坡设计2.2.1 第1级放坡设计坡面尺寸:坡高3.20m;坡宽2.00m;台宽3.10m。
放坡影响方式为:一。
2.3 支撑(锚)结构设计本方案设置1道支撑(锚),各层数据如下:第1道支撑(锚)为平面内支撑,距墙顶深度1.500m,工作面超过深度0.300m,预加轴力0.00kN/m。
该道平面内支撑具体数据如下:·支撑材料:钢支撑;·支撑长度:8.000m;·支撑间距:4.000m;·与围檩之间的夹角:90°;·不动点调整系数:0.800;·型钢型号:钢管300*8;·根数:1;·松弛系数:1.000。
计算点位置系数:0.500,围檩数据:围檩型钢型号:300*300*10*15、根数:1。
2.4 工况顺序该基坑的施工工况顺序如下图所示:3 内力变形计算3.1 计算参数水土计算(分算/合算)方法:按土层分/合算;水压力计算方法:静止水压力,修正系数:1.0;主动侧土压力计算方法:朗肯主动土压力,分布模式:三角形,调整系数:1.0,负位移不考虑土压力增加;被动侧基床系数计算方法: "m"法,土体抗力不考虑极限土压力限值;墙体抗弯刚度折减系数:1.0。
3.2 计算结果3.2.1 水土压力计算结果计算宽度:0.80m。
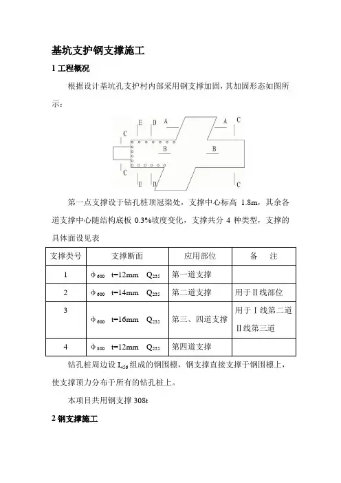
基坑支护钢支撑施工1工程概况根据设计基坑孔支护村内部采用钢支撑加固,其加固形态如图所示:第一点支撑设于钻孔桩顶冠梁处,支撑中心标高 1.8m,其余各道支撑中心随结构底板0.3%坡度变化,支撑共分4种类型,支撑的具体面设见表支撑类号支撑断面应用部位备注1 φ600 t=12mm Q235第一道支撑2 φ600 t=14mm Q235第二道支撑用于Ⅱ线部位3用于Ⅰ线第二道φ600 t=16mm Q235第三、四道支撑Ⅱ线第三道4 φ800 t=12mm Q235第四道支撑钻孔桩周边设I456组成的钢围檩,钢支撑直接支撑于钢围檩上,使支撑顶力分布于所有的钻孔桩上。
本项目共用钢支撑308t2钢支撑施工⑴施工方法:钢支撑采用工厂预制加工,螺栓接头联结人工配合吊车安设,油压千斤顶施加预应力安装。
拆卸采用油压千斤顶加压卸前人工配合吊车拆卸。
⑵施工程序;钢支撑安装程序图⑶施工要点:①钢围檩及钢支撑加工前要根据设计所供的轴以及运输及吊装能力,进行杆件设计,具体筹划杆件加工的单元长度拼接螺孔及螺栓的设计,拼接螺栓要保证连结程度及刚度又要方便安装及拆除,要设计预加应力的特殊接头杆件,使预应力施工能顺利进行,满足杆件预加应力的要求。
②杆件必由具有钢结构加工能力的厂家加工,要确保杆件的轴线、尺寸、拼接部位的准确,出厂前除必须进行对焊缝、型钢或钢板进行合格检验外,特别要对轴线尺寸、拼装进行检验,只有合格方可出厂。
③钻孔桩上安设的托架,其安设部位必须用仪器精确放样,对钻孔桩表面必须进行修整,使钢围檩安装后能与桩身密贴,使支撑力通过围檩均衡到各桩上。
④基坑开挖施工要与钢支撑安设密切配合,统筹安排进行5层分段开挖,支撑及时跟上,安装时各卡切轴线要一致,拼接部位要正对,上足所有螺栓,并用扭矩板手拧至所需扭矩。
⑤要备足各种不同厚度钢板,当接头部位用千斤顶施加预应力后及时在接头空隙部位插入钢板,确保预加应力的有效性。
预加应力在仞围端头施工,采取如图所示的方式进行。
基坑钢支撑轴力计算基坑钢支撑轴力计算方法分为静力法和动力法两种。
静力法适用于基坑较小、土层较稳定的情况,而动力法适用于较大的基坑和复杂的土层情况。
以下是针对基坑钢支撑轴力计算的详细说明,包括静力法和动力法的计算方法和步骤。
静力法的计算方法:1.首先需要确定基坑支撑结构的类型,如水平支撑或垂直支撑,并根据实际情况确定支撑结构的形式和数量。
2.根据基坑支撑结构的类型,选择相应的计算公式来计算支撑结构的轴力。
3.水平支撑结构的轴力计算公式为:F=Q1+Q2+Q3+Q4+Q5+Q6其中,Q1为土压力,Q2为地下水压力,Q3为支撑结构自重,Q4为楼板荷载,Q5为道路荷载,Q6为其他荷载。
4.垂直支撑结构的轴力计算公式为:F=Q1+Q2+Q3+Q4+Q5其中,Q1为适用的土压力,Q2为适用的地下水压力,Q3为支撑结构自重,Q4为楼板荷载,Q5为其他荷载。
5.根据计算公式中的参数,计算每个力的大小,并将其相加得到最终的轴力。
动力法的计算方法:1.首先需要进行地质勘探和土力学试验,确定土层的物理性质和力学参数。
2.根据地质勘探和土力学试验的结果,建立土层模型,并进行数值模拟计算。
3.使用数值模拟软件进行计算,模拟基坑开挖和支撑过程中的土体变形和轴力变化。
4.根据数值模拟计算结果,确定支撑结构的轴力大小和变化规律。
5.根据实际情况,对支撑结构的形式和数量进行调整和优化,以满足轴力的要求。
总结:基坑钢支撑轴力计算是基坑设计的重要环节。
静力法适用于基坑较小、土层较稳定的情况,计算方法相对简单;动力法适用于较大的基坑和复杂的土层情况,计算结果更加准确。
无论是静力法还是动力法,都需要根据实际情况选择适当的计算方法,并进行详细的土层分析和力学计算。
同时,在进行基坑钢支撑轴力计算时,还需要考虑结构的安全性和经济性,以保证基坑施工的顺利进行。
地铁站钢支撑轴力计算书庆丰路站:根据基坑施工方案图,考虑基坑两头45度处单根14.5米最长的钢支撑和对基坑垂直的钢支撑单根23.2米最长的钢支撑进行受力分析计算,已知单根钢支撑承受的最大轴心垂直压力设计值为1906KN,考虑基坑两头45度支撑处钢支撑所承受的轴向力N=1906√2=2695KN。
钢材为:Q235-B型钢。
取1.2的安全系数。
一、单头活动端处受力计算:由单头活动端结构受力图可知,受力面积最小的截面为A-A处截面。
查表得,单根槽钢28c的几何特性为:截面面积A=51.234 cm2, Ix=268cm^4, Iy= 5500cm^4。
该截面f取205N/mm2,截面属于b类截面。
(一)、受力截面几何特性截面积:A=51.234×2+4×30=222.5 cm2截面惯性矩:Ix=2×268+30×43/6=856 cm^4Iy=2×5500+4×303/6=29000 cm^4回转半径:ix=√Ix/A=√856/222.5=1.96cmiy=√Iy/A=√29000/222.5=11.42cm(二)、截面验算σ=1.2N/A=(1.2×2695×103)/(222.5×102)=145.4N/mm2<f=205N/mm2,满足要求。
2.刚度和整体稳定性λx=lox/ ix=124/1.96=63.3<[λ]=150,满足λy=loy/ iy=28/11.42=2.6查表,构件对x轴y轴屈曲均属b类截面,因此由λmax λx,λy=63.3,查附表得φ=0.791,1.2N/φA=(1.2×2695×103)/(0.791×222.5×102)=183.7N/mm2<f=205N/mm2,满足要求。
二、钢支撑拼接管处受力计算:钢支撑受力最小截面图查表得:f取215 N/mm2,截面属于a类截面。
广汽集团汽车工程研究院基地建设与研发项目基坑支护局部砼支撑改钢支撑设计计算书一、工程概况拟建广汽集团汽车工程研究院基地建设与研发项目位于番禺区化龙镇金山大道南侧,设一层地下室,地下室基坑周长约447m, 建筑物{\L+}0.000的绝对高程为8.700m,场地现地面标高平均约为-0.50m,底板垫层底的标高约为-6.10m,一般承台底的标高约为-6.80~ -7.40m,电梯井承台底的标高约为-8.7m。
基坑开挖计算深度考虑到一般承台底约为6.9m,电梯井处坑中坑的开挖深度约为1.3m~1.60m。
周边建、构筑物情况为:目前场地周边比较开阔,无重要建(构)筑物,北侧的金山大道距离场地用地红线约40m,距离基坑边线约70m,可以不考虑与基坑开挖的相互影响。
二、地质情况根据地质察揭露,场地岩土层有第四系人工填土层(Q ml)、冲积层(Q al)淤泥、淤泥质砂、粗(砾)砂,残积层(Q el)粉质粘土,下伏基岩为第三系(E2)泥岩。
场地岩土层情况自上至下分述如下:1、人工填土层(Q ml),层序号为①本层分布广泛,层厚2.80~6.40m,平均3.71m;层顶高程7.73~8.60m,平均8.16m;埋深0.00m。
为素填土,褐红色、黄褐色、灰褐色等,湿-稍湿,松散,欠压实,新近堆填,主要由粘性土及石英砂堆填而成,局部夹有风化岩块。
标准贯入试验15次,参加统计15次,实测击数1~7击,平均4.3击;校正击数0.9~6.6击,平均4.0击,标准差σ=1.531,变异系数δ=0.380,修正系数γS=0.825,标准值3.3击。
2、第四系冲积层(Q al),层序号为②根据钻探揭露,自上而下可分为3个亚层,分述如下:(1)淤泥、淤泥质土层序号②-1本层场区内广泛分布,层厚3.00~14.50m,平均9.27m;层顶高程-6.54~5.48m,平均4.34m;层顶深度2.80~14.50m,平均3.82m。
以淤泥为主,少量为淤泥质土,局部夹粉砂或中粗砂、粉质粘土薄层。
附1-2 清河东路排水管沟6m基坑钢板桩支护计算基坑支护概况:基坑支护采用钢板桩+钢腰梁+内支撑支护,钢板桩采用Ⅳ型拉森钢板桩,钢腰梁采用I32c工字钢,内支撑采用φ203×14钢管支撑,设置二道支撑,基坑开挖深度6m,钢板桩长度11m,嵌入深度5m,采用理正5.5基坑支护计算软件计算,地层参数参照ZK5地质钻孔,具体计算如下:一、钢板桩、钢腰梁、钢支撑内力计算及基坑整体稳定、抗倾覆稳定、抗隆起稳定、抗管涌稳定验算----------------------------------------------------------------------[ 支护方案 ]----------------------------------------------------------------------连续墙支护----------------------------------------------------------------------[ 基本信息 ]---------------------------------------------------------------------- [ 超载信息 ]---------------------------------------------------------------------- [ 土层信息 ]---------------------------------------------------------------------- [ 土层参数 ]----------------------------------------------------------------------[ 支锚信息 ]---------------------------------------------------------------------- [ 土压力模型及系数调整 ]---------------------------------------------------------------------- 弹性法土压力模型: 经典法土压力模型:---------------------------------------------------------------------- [ 设计结果 ]-------------------------------------------------------------------------------------------------------------------------------------------- [ 结构计算 ]---------------------------------------------------------------------- 各工况:内力位移包络图:地表沉降图:---------------------------------------------------------------------- [ 整体稳定验算 ]----------------------------------------------------------------------计算方法:瑞典条分法 应力状态:总应力法条分法中的土条宽度: 0.40m滑裂面数据整体稳定安全系数 K s = 1.669 圆弧半径(m) R = 12.669圆心坐标X(m) X = -1.171圆心坐标Y(m) Y = 7.571---------------------------------------------------------------------- [ 抗倾覆稳定性验算 ]----------------------------------------------------------------------抗倾覆安全系数:p, 对于内支撑支点力由内支撑抗压力决定;对于锚杆或锚索,支点力为锚杆或锚索的锚固力和抗拉力的较小值。
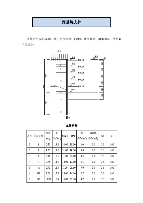
基坑设计总深16.8m,地下水位埋深:1.00m,地面超载:20.00kPa。
结构如下图所示:土层参数1、坑内加固设计加固深度:16.800m;加固厚度:3.500m;加固范围:全面积加固。
加固土的物理指标:c=25.00kPa;φ=25.00°;γ=19.0kN/m3;m=5.0MN/m4;Kmax=0.0MN/m3。
2、支撑结构设计本方案设置5道支撑(锚),各层数据如下:第1道支撑为平面内支撑,距墙顶深度0.500m,工作面超过深度0.300m,预加轴力55.00kN/m,对挡墙的水平约束刚度取100000.0kN/m/m。
该道平面内支撑具体数据如下:支撑材料:钢支撑;支撑长度:20.000m;支撑间距:5.000m;与围檩之间的夹角:90.000°;不动点调整系数:0.500;型钢型号:Φ609*16;根数:1;松弛系数:1.000。
计算点位置系数:0.000。
第2道支撑为平面内支撑,距墙顶深度3.800m,工作面超过深度0.300m,预加轴力190.00kN/m,对挡墙的水平约束刚度取100000.0kN/m/m。
该道平面内支撑具体数据如下:支撑材料:钢筋混凝土撑;支撑长度:30.000m;支撑间距:5.000m;与围檩之间的夹角:90.000°;不动点调整系数:0.500;混凝土等级:C30;截面高:800mm;截面宽:600mm。
计算点位置系数:0.000。
第3道支撑为平面内支撑,距墙顶深度6.900m,工作面超过深度0.300m,预加轴力350.00kN/m,对挡墙的水平约束刚度取100000.0kN/m/m。
该道平面内支撑具体数据如下:支撑材料:钢筋混凝土撑;支撑长度:30.000m;支撑间距:5.000m;与围檩之间的夹角:90.000°;不动点调整系数:0.500;混凝土等级:C30;截面高:800mm;截面宽:600mm。
计算点位置系数:0.000。
深基坑开挖钢支撑和地下结构施工工艺基坑开挖基坑开挖按“分段开挖,由上而下,先撑后挖,分层开挖”的原则进行作业。
车站和折返线由于开挖深度较大(车站主体和折返线的开挖深度为12.6~13.47m),设置4道支撑,顶部支撑距地面的距离为1.2m,第一道支撑距第二道支撑的间距为3.422m,第二道支撑距第三道的间距为3.500m,第三道支撑距第四道支撑的间距为3.4m,第四道支撑距基底的距离为2.38m。
风道开挖深度为8.67~9.22m,设置2道支撑;出入口设置1道支撑。
车站主体和折返线部分设置一排工具柱。
基坑的转角处加设斜撑。
6.4.1 土方开挖6.4.1.1 开挖方案本工程土方开挖工程量较大,施工地段地处繁华闹市区,基坑开挖阶段场地狭窄,且土方弃运较困难。
因此,合理的基坑开挖方案将影响到工期和质量。
综合考虑各方面因素,对整个工程实行分区施工,具体分区开挖情况参见图5-1(施工区域划分示意图)。
采用机械分段、分层开挖的方式,分段长度取30m,每一大段再分数个小段开挖;基坑底留300mm厚保护层,采用人工开挖修整。
分层开挖每层的开挖深度根据每道横撑设计标高而定。
基坑开挖时要最大限度减小开挖作业对周围环境的影响和避免扰民,同时方便土方弃运。
一期工程开挖作业首先进行A区,然后进行C1区和C2区开挖。
一期工程全部施工完成后,进行二期工程的开挖,二期工程开挖作业首先进行B区开挖,然后进行C3区和C4区开挖,最后进行D区开挖。
一、一期工程开挖方法A区基坑开挖时,首先用反铲挖掘机自车站○16轴(一期、二期相接处)往本合同段起点方向倒退开挖表层土,然后施做第一道支撑;为加快土方的开挖进度,利用长臂挖掘机开挖基坑靠南侧的一部分土方;长臂挖掘机不能直接开挖的土方采用龙门吊配蚌式抓斗开挖,边开挖,边安装二、三、四道钢支撑;开挖时采取自车站○16轴(一期、二期相接处)向本合同段起点方向进行。
自卸汽车运土至弃土点。
对于机械不能直接开挖的支撑下面的土方以及工具柱附近的土方,采用人工配合进行开挖。
广汽集团汽车工程研究院基地建设与研发项目基坑支护局部砼支撑改钢支撑设计计算书一、工程概况拟建广汽集团汽车工程研究院基地建设与研发项目位于番禺区化龙镇金山大道南侧,设一层地下室,地下室基坑周长约447m, 建筑物{\L+}0.000的绝对高程为8.700m,场地现地面标高平均约为-0.50m,底板垫层底的标高约为-6.10m,一般承台底的标高约为-6.80~ -7.40m,电梯井承台底的标高约为-8.7m。
基坑开挖计算深度考虑到一般承台底约为6.9m,电梯井处坑中坑的开挖深度约为1.3m~1.60m。
周边建、构筑物情况为:目前场地周边比较开阔,无重要建(构)筑物,北侧的金山大道距离场地用地红线约40m,距离基坑边线约70m,可以不考虑与基坑开挖的相互影响。
二、地质情况根据地质察揭露,场地岩土层有第四系人工填土层(Q ml)、冲积层(Q al)淤泥、淤泥质砂、粗(砾)砂,残积层(Q el)粉质粘土,下伏基岩为第三系(E2)泥岩。
场地岩土层情况自上至下分述如下:1、人工填土层(Q ml),层序号为①本层分布广泛,层厚2.80~6.40m,平均3.71m;层顶高程7.73~8.60m,平均8.16m;埋深0.00m。
为素填土,褐红色、黄褐色、灰褐色等,湿-稍湿,松散,欠压实,新近堆填,主要由粘性土及石英砂堆填而成,局部夹有风化岩块。
标准贯入试验15次,参加统计15次,实测击数1~7击,平均4.3击;校正击数0.9~6.6击,平均4.0击,标准差σ=1.531,变异系数δ=0.380,修正系数γS=0.825,标准值3.3击。
2、第四系冲积层(Q al),层序号为②根据钻探揭露,自上而下可分为3个亚层,分述如下:(1)淤泥、淤泥质土层序号②-1本层场区内广泛分布,层厚3.00~14.50m,平均9.27m;层顶高程-6.54~5.48m,平均4.34m;层顶深度2.80~14.50m,平均3.82m。
以淤泥为主,少量为淤泥质土,局部夹粉砂或中粗砂、粉质粘土薄层。
某地铁基坑局部盖挖段钢支撑施工工法1 前言近年来,城市轨道交通进入高速发展时代,与此同时,城市车流量也以惊人的速度增长,如何协调好城市地铁施工占地与日常交通运输需求成为一个热门话题。
盖挖法施工不仅具有结构水平位移小,安全系数高,受外界气候影响小的优点,而且可以最大程度地降低对交通的影响,对居民生活影响小。
但其竖向出口少,盖板下材料需采取水平运输,且竖井作业空间小,不易吊装,施工效率较低。
××项目针对盖挖换乘段支撑吊装及拆除困难的问题提出依靠军便梁进行吊装的基坑盖挖换乘段军便梁下钢支撑施工工法,解决了盖挖法作业空间小,吊装困难的问题,提高了施工效率。
本工法于××年××月××日获××级工法,工法依托的“××施工关键技术研究”于××年××月××日通过××协会组织的科技成果评价,评价结论为:“该成果达到国际先进水平”,依托该技术获“××”(专利号:××)一项发明专利,“××”(专利号:××)、“××”(专利号:××)两项实用新型专利。
本工法技术成熟、系统规范、适用性强,能在局部盖挖顺作深基坑施工中解决吊装作业困难和水平及垂直运输困难的问题,提高钢支撑吊装及拆除可利用空间,实现了基坑“优质、安全、高效、标准化”施工,环保、社会效益良好,具有广阔的应用前景。
2 工法特点该工法是在盖挖法的基础上,拆除部分军便梁恢复路面交通,在军便梁上设置吊点来进行材料的输送,其具有以下特点:(1)拆除部分军便梁,在保证当地交通车流量需要的前提下,尽可能增大了可用作业空间;(2)钢支撑通过军便梁缺口处吊装至坑底托架,由PC-60反铲挖掘机拖至安装位置后进行节段拼装,所需挖机型号小,作业空间要求低;(3)在军便梁上设置吊点,采用2个5t同步电葫芦与小挖机配合吊装,利用军便梁自身强度,施工操作简单快捷,且两点吊装更加稳定,不易碰触已安装完成的钢支撑。
基坑钢支撑垂直间距与水平间距说到基坑钢支撑的垂直间距和水平间距,很多人脑袋里可能会浮现出一堆数字和复杂的公式。
哎,别慌!今天咱们就把这些干巴巴的概念给讲得简单明了,咱们就像聊家常一样轻松。
你想啊,咱们每次走路都踩到不平的地面,可能就得小心摔个跟头;但要是这地面下面的基坑没处理好,那摔倒的可就不是你了,是整座建筑物!所以,基坑支撑的钢筋、钢管啥的,得好好布置,不然出个问题那真是大事。
你肯定会问,垂直间距和水平间距到底怎么算?这两者到底有啥关系?好问题,咱就一块儿聊聊。
先说说垂直间距吧。
想象一下,基坑就像一口大锅,锅底是要挖掘的地方,锅壁呢,就是钢支撑要承担的重压。
钢支撑就像撑开锅壁的柱子,这些柱子不可能随便放得太远。
放得太近,工程量太大,放得太远,支撑力不够,搞不好就让锅壁塌了。
所以垂直间距就得按着实际需要来布置了。
一般来说,垂直间距不应该大于4米,因为超过4米的支撑距离,会让支撑变得不够稳固,容易出问题。
而如果间距太小,哎,得增加成本,麻烦得很。
简单来说,垂直间距就是平衡、稳固、成本之间的一个微妙平衡,得巧妙安排,不能太松,也不能太紧。
接着说水平间距。
嗯,这个就更好理解了,大家想想基坑支撑的横向布置,就像你搭积木一样。
如果横向支撑间隔太大,整个结构的稳定性就会打折扣;反过来,如果支撑间隔太小,倒是挺稳,但成本就上去了。
这时候要做的事就像咱们做菜,火候得掌握得刚刚好。
具体怎么搞呢?要根据基坑的深度、土质、环境条件来决定。
一般来说,水平间距的计算是通过一些力学分析得出的,咱们做个工程师,脑袋瓜里要有个大概的数字,然后根据现场情况微调。
可能有人会想,哎呀,这些东西到底是什么时候安排的呀?你别着急,这个问题很好!其实基坑钢支撑的间距设置,基本是在设计阶段就定好了。
设计师可是费尽心思,绞尽脑汁的,想着怎么样才能既省钱又能保证结构安全。
可千万别以为,设计好之后就万事大吉了,现场情况千变万化,钢支撑的间距也得根据施工过程中的具体情况灵活调整。
附1-1 清河东路排水管沟4.2m基坑钢板桩支护计算基坑支护概况:基坑支护采用钢板桩+钢腰梁+内支撑支护,钢板桩采用Ⅳ型拉森钢板桩,钢腰梁采用2I28b工字钢,内支撑采用φ203×12钢管支撑,设置一道支撑,基坑开挖深度4.2m,钢板桩长度7m,嵌入深度2.8m,采用理正5.5基坑支护计算软件计算,地层参数参照ZK20地质钻孔,具体计算如下:一、钢板桩、钢腰梁、钢支撑内力计算及基坑整体稳定、抗倾覆稳定、抗隆起稳定、抗管涌稳定验算----------------------------------------------------------------------[ 支护方案 ]----------------------------------------------------------------------连续墙支护----------------------------------------------------------------------[ 基本信息 ]---------------------------------------------------------------------- [ 超载信息 ]---------------------------------------------------------------------- [ 土层信息 ]---------------------------------------------------------------------- [ 土层参数 ]---------------------------------------------------------------------- [ 支锚信息 ]---------------------------------------------------------------------- [ 土压力模型及系数调整 ]---------------------------------------------------------------------- 弹性法土压力模型: 经典法土压力模型:---------------------------------------------------------------------- [ 设计结果 ]-------------------------------------------------------------------------------------------------------------------------------------------- [ 结构计算 ]---------------------------------------------------------------------- 各工况:内力位移包络图:地表沉降图:---------------------------------------------------------------------- [ 整体稳定验算 ]----------------------------------------------------------------------计算方法:瑞典条分法应力状态:总应力法条分法中的土条宽度: 0.40m滑裂面数据整体稳定安全系数 K s = 1.002圆弧半径(m) R = 8.573圆心坐标X(m) X = -1.050圆心坐标Y(m) Y = 5.650---------------------------------------------------------------------- [ 抗倾覆稳定性验算 ]----------------------------------------------------------------------抗倾覆安全系数:p, 对于内支撑支点力由内支撑抗压力决定;对于锚杆或锚索,支点力为锚杆或锚索的锚固力和抗拉力的较小值。
基坑钢⽀撑计算实例基坑钢⽀撑计算实例本车站主体围护结构基坑内竖向设四道钢⽀撑斜撑。
其中第三道、第四道的第四排和第五排为两根钢管并放。
主要材料为φ=529、t=12mm(第四道为φ630、t=12mm)的钢管。
本计算只对斜撑跨度最⼤的⼀跨(跨度取20m)进⾏了验算, 跨度为⽀撑两端钢围檩之间净距,其它各跨斜撑的截⾯尺⼨和所⽤材料与该跨相同。
1、活动端肋板焊缝计算:.为保证φ529(630)钢管均匀受⼒且不在钢板上有丝毫位移,所以在钢管与钢板间⽤四块三⾓内肋板焊接(左右每边各⼆块),钢板厚度为20mm,钢⽀撑厚度为t=12mm,钢⽀撑活动端千⽄顶承压肋板厚度20mm,焊缝厚度按规范1.5×t1/2≤h f≤1.2t(t=12mm)即5.2≤h f≤14.4,施⼯图纸上规定焊缝厚度为10mm故焊缝厚度取10mm按照设计最⼤轴⼒为3600KN,四块外肋板承担1/3 设计轴⼒(1200 KN),故分配到每块内肋板上的⼒为600KN查表的直⾓焊缝的强度设计值f t w=160N/mm2考虑到肋板上部焊缝承受⼀定轴⼒则有N‘’=0.7×h f×∑L’w×βf×f t w=0.7×0.01×0.02×2×1.22×1.6×108=54656NN=N‘- N‘’=600-54.656=545.344KNl w=N/(2×0.7 ×h f×f t w)= 545.344 ×103/(2×0.7×0.01×1.6×108)+0.01=0.244m故需要肋板的长度为25cm.2、稳定性计、验算:主体结构西北⾓、东北⾓、东南⾓和盾构上⽅设有钢⽀撑,其中西北、东北、东南⾓采⽤φ529(630)钢管钢⽀撑,盾构上⽅采⽤双⼯28b⼯字钢⽀撑。
有个项目要做基坑监测要求包括支护结构及周围建筑(构)物的内力、位移、沉降、裂缝、测斜、土压力、水位、孔隙水应力等参数的监测表,而在基坑钢支撑的一侧焊接了振弦式钢筋测力计,已经知道钢筋计受力的计算方法,如何通过钢筋计受力计算钢支撑轴力,盼高手赐教公式。
钢支撑的内力计算应该就是按基坑支护规程中单支点或多层支点计算现在已经通过振弦式钢筋测力计测出了钢支撑的内力大小,下面就是按力的大小配置钢支撑了。
首先是按强度确定钢支撑的截面,考虑的因素有:钢支撑内力、结构自重(试算吧),稳定性(增加竖向支点)根据钢筋计读数计算钢筋内力,然后通过内力和钢筋的弹性模量计算钢筋应变,再根据应变相等和平截面假设,可得出混凝土各个位置的应变,并根据混凝土的弹性模量得到混凝土的内力,这样再通过材料力学的一些公式,就可以得到桩的轴力了。
如果是竖向受荷,公式推倒很简单,水平受力,稍微麻烦一点一直在做建筑基坑监测这块,我估计你问的不仅仅是钢支撑梁吧,因为这个计算公式很简单。
但是我们基坑常用的是砼支撑梁P=(Ec*((fx^2-f0^2)*k1)/Es)*Cc砼支撑轴力(kn)=(砼模量*((测量频率值平方-初试频率值平方)*钢筋计应力率定系数)/钢筋模量)*支撑面积/100砼支撑轴力(吨)=(砼模量*((测量频率值平方-初试频率值平方)*钢筋计应力率定系数)/钢筋模量)*支撑面积/1000钢支撑受力=应力计受力*钢支撑截面积*钢支撑弹性模量/应力计弹性模量/应力计截面积其中公式中N=k (fi*fi-f0*f0)N--钢支撑轴力(kNk--轴力计标定系数(kN/Hz2fi--轴力计监测频率(Hzf0--轴力计安装后的初始频率(Hz当然基坑监测中的内应力的监测只是整个项目中的一部分。
以后还将给大家分享更多的经验。
------分隔线----------------------------。
基坑钢支撑计算实例
本车站主体围护结构基坑内竖向设四道钢支撑斜撑。
其中第三道、第四道的第四排和第五排为两根钢管并放。
主要材料为φ=529、t=12mm(第四道为φ630、t=12mm)的钢管。
本计算只对斜撑跨度最大的一跨(跨度取20m)进行了验算, 跨度为支撑两端钢围檩之间净距,其它各跨斜撑的截面尺寸和所用材料与该跨相同。
1、活动端肋板焊缝计算:
.为保证φ529(630)钢管均匀受力且不在钢板上有丝毫位移,所以在钢管与钢板间用四块三角内肋板焊接(左右每边各二块),钢板厚度为20mm,
钢支撑厚度为t=12mm,钢支撑活动端千斤顶承压肋板厚度20mm,焊缝厚度按规范1.5×t1/2≤h f≤1.2t(t=12mm)
即5.2≤h f≤14.4,施工图纸上规定焊缝厚度为10mm
故焊缝厚度取10mm
按照设计最大轴力为3600KN,四块外肋板承担1/3 设计轴力(1200 KN),故分配到每块内肋板上的力为600KN
查表的直角焊缝的强度设计值f t w=160N/mm2
考虑到肋板上部焊缝承受一定轴力则有
N‘’=0.7×h f×∑L’w×βf×f t w=0.7×0.01×0.02×2×1.22×1.6×108=54656N
N=N‘- N‘’=600-54.656=545.344KN
l w=N/(2×0.7 ×h f×f t w)= 545.344 ×103/(2×0.7×0.01×1.6×108)+0.01=0.244m
故需要肋板的长度为25cm.
2、稳定性计、验算:
主体结构西北角、东北角、东南角和盾构上方设有钢支撑,其中西北、东北、东南角采用φ529(630)钢管钢支撑,盾构上方采用双工28b工字钢支撑。
钢材全部为A3钢
应力σcr=200MPa;极限值为235MPa;标准值为215MPa
根据公式λp=(π2E/σp)1/2=100
首先根据公式:λ=μl/i
其中钢支撑的长度为20m, i为回转半径,查表得系数μ=1.0
钢支撑计算:
1) 529钢管、t=12 (第三道)
(1)强度计算
截面积A=π/4(D2-d2)=195cm2
惯性矩I=π/64(D4-d4)=65121.8 cm4
回转半径i=(I/A) 1/2=18.3cm
λ=μl/i=1550/18.3=84.7 查表的Ψ=0.75
λ=μl/i=2000/18.3=109.3 查表的Ψ=0.57
λ<λp 所以不可以用标准临界力公式,只能用经验公式:σcr=A-Bλ其中A=304MPa,B=1.12MPa
代入数据得: σcr=209.136 MPa
P cr=σcr×A=4078.152KN
P cr>2500KN (第三道设计值为2500KN)
所以满足设计要求
(2)稳定性验算
验算最不利为单根15.5米,验算此情况为
f p=N/ΨA=2500/0.75×195×10=171<215(标准值为215MPa)最大的一跨钢管20m为两根并放,每根设计值为1250KN
f p=N/ΨA=1250/0.57×195×10=112.5<215(标准值为215MPa) 100(235/ f p)=208.9
D/T=529/12=44.08
100(235/ f p)>D/T
所以满足设计要求
2) 630钢管、t=12 (第四道)
(1)强度计算
截面积A=π/4(D2-d2)=232.86cm2
惯性矩I=π/64(D4-d4)=111211.6cm4
回转半径i=(I/A) 1/2=21.86cm
λ=μl/i=1550/18.3=70.9 查表的Ψ=0.83
λ=μl/i=2000/18.3=91.5 查表的Ψ=0.70
λ<λp 所以不可以用标准临界力公式,只能用经验公式:σcr=A-Bλ其中A=304MPa,B=1.12MPa
代入数据得: σcr=224.592 MPa
P cr=σcr×A=5229.8KN
P cr>3600KN (第四道设计值为3600KN)
所以满足设计要求
(2)稳定性验算
验算最不利为单根15.5米,验算此情况为
f p=N/ΨA=3600/0.83×232.86×10=186.3<215(标准值为
215MPa)
最大的一跨钢管20m为两根并放,每根设计值为1800KN
f p=N/ΨA=1800/0.7×232.86×10=110.4<215(标准值为
215MPa)
100(235/ f p)=123.2
D/T=630/12=52.5
100(235/ f p)>D/T
所以满足设计要求
3、挠度验算
自重q=1/4x3.14(52.92-50.52)x7.8/100=15.2N/m
回转半径D=0.35d=0.35x(52.9+50.5)/2=18.1cm
惯性矩I=A*D2=1/4x3.14(52.92-50.52)X18.12
=63818.4 cm4
计算挠度
v=5qL4/384EI=5×15.2×20004/(384×2.06×105×63818.4) =0.0237m=2.37cm
预应力条件下挠度
第三道钢支撑为
V m=v o+v=v/(1-N/N E)=2×10-2/(1-2500/4233)=0.048=4.8 cm
第四道钢支撑为
V m=v o+v=v/(1-N/N E)=2×10-2/(1-3600/4913)=0.0748=7.5 cm 其中N E 极限压力值N E=σcr×A’=217.3×226.4=4912.9 KN
允许挠度:[v]=l/250=2000/250=8cm
v<[v] 故满足要求。
4、盾构上方工字钢钢支撑
钢支撑形式采用两根工28b和连接板组成,由于两根钢支撑比两根钢支撑加连接板的截面形式更不稳定,故选择截面形
式为两根工字钢。
钢支撑截面形式(如下图):
故λ1=μl/i=0.7×6/22.2×102=18.9
由于λp>λ1
所以不可以用标准临界力公式,只能用经验公式:
σcr=A-Bλ1其中A=304MPa,B=1.12MPa
带入公式得
σcr=282.8 MPa
P cr=σcr×2A’ =3450.16KN
故P cr大于设计值(2500KN),所以结构稳定
钢支撑计算:
1)529钢管
截面积A=π/4(D2-d2)=195cm2
惯性矩I=π/64(D4-d4)=65121.8 cm4
回转半径i=(I/A) 1/2=18.3cm
λ=μl/i=1550/18.3=84.7 查表的Ψ=0.75
λ=μl/i=2000/18.3=109.3 查表的Ψ=0.57
λ<λp 所以不可以用标准临界力公式,只能用经验公式:σcr=A-Bλ1其中A=304MPa,B=1.12MPa
代入数据得: σcr=209.136 MPa
P cr=σcr×A=4078.152KN
P cr>2500KN
所以满足要求
最不利为单根15.5米,验算此情况为
f p=N/ΨA=171.5<215
所以满足要求
2)630钢管
截面积A=π/4(D2-d2)=232.86cm2
惯性矩I=π/64(D4-d4)=111211.6cm4
回转半径i=(I/A) 1/2=21.86cm
λ=μl/i=1550/18.3=70.9 查表的Ψ=0.81
λ=μl/i=2000/18.3=91.5 查表的Ψ=0.70
λ<λp 所以不可以用标准临界力公式,只能用经验公式:σcr=A-Bλ1其中A=304MPa,B=1.12MPa
代入数据得: σcr=224.592 MPa
P cr=σcr×A=5229.8KN
P cr>3600KN
所以满足要求
最不利为单根15.5米,验算此情况为
f p=N/ΨA=190.8<215
所以满足要求。