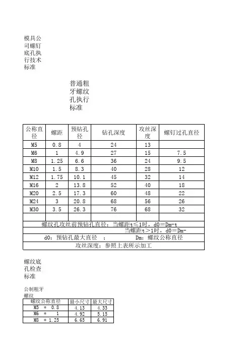
普通螺纹低孔和深度
- 格式:docx
- 大小:10.25 KB
- 文档页数:2
第一章国标螺纹一.螺纹的分类1.螺纹分内螺纹和外螺纹两种;2.按牙形分可分为:1)三角形螺纹2)梯形螺纹3)矩形螺纹4)锯齿形螺纹;3.按线数分单头螺纹和多头螺纹;4.按旋入方向分左旋螺纹和右旋螺纹两种, 右旋不标注,左旋加LH,如M24×1.5LH;5.按用途不同分有:米制普通螺纹、用螺纹密封的管螺纹、非螺纹密封的管螺纹、60°圆锥管螺纹、米制锥螺纹等二.米制普通螺纹1.米制普通螺纹用大写M表示,牙型角2α=60°(α表示牙型半角);2.米制普通螺纹按螺距分粗牙普通螺纹和细牙普通螺纹两种;2.1.粗牙普通螺纹标记一般不标明螺距,如M20表示粗牙螺纹;细牙螺纹标记必须标明螺距,如M30×1.5表示细牙螺纹、其中螺距为1.5。
2.2.普通螺纹用于机械零件之间的连接和紧固,一般螺纹连接多用粗牙螺纹,细牙螺纹比同一公称直径的粗牙螺纹强度略高,自锁性能较好。
3.米制普通螺纹的标记:M20-6H、M20×1.5LH-6g-40,其中M 表示米制普通螺纹,20表示螺纹的公称直径为20mm,1.5表示螺距,LH表示左旋,6H、6g表示螺纹精度等级,大写精度等级代号表示内螺纹,小写精度等级代号表示外螺纹,40表示旋合长度;3.1.常用米制普通粗牙螺纹的螺距如下表(螺纹底孔直径:碳钢φ=公称直径-P;铸铁φ=公称直径-1.05~1.1P;加工外螺纹光杆直径取φ=公称直径-0.13P):表1 常用米制普通粗牙螺纹的直径/螺距公称直径螺距P铸铁底孔碳钢底孔外螺纹光杆直径公称直径螺距P铸铁底孔碳钢底孔外螺纹光杆直径M5 0.8 4.1 4.2 4.9 M24 3 20.8 21 23.7 M6 1 4.9 5 5.9 M27 3 23.8 24 26.7 M8 1.25 6.6 6.7 7.9 M30 3.5 26.3 26.5 29.6 M10 1.5 8.3 8.5 9.8 M33 3.5 29.3 29.5 32.6 M12 1.75 10.3 10.4 11.8 M36 4 31.7 32 35.5 M14 2 11.7 12 13.7 M42 4.5 37.2 37.5 41.5 M16 2 13.8 14 15.7 M48 5 42.5 43 47.5 M18 2.5 15.3 15.5 17.7 M56 5.5 50 50.5 55.5M20 2.5 17.3 17.5 19.7 M64 6 57.5 58 63.53.2.米制普通内螺纹的加工底孔直径可用下式作近似计算:d=D-1.0825P,其中D为公称直径,P为螺距。
螺纹孔底孔深度与螺纹有效深度的关系下载温馨提示:该文档是我店铺精心编制而成,希望大家下载以后,能够帮助大家解决实际的问题。
本文下载后可定制随意修改,请根据实际需要进行相应的调整和使用,谢谢!并且,本店铺为大家提供各种各样类型的实用资料,如教育随笔、日记赏析、句子摘抄、古诗大全、经典美文、话题作文、工作总结、词语解析、文案摘录、其他资料等等,如想了解不同资料格式和写法,敬请关注!Downloaded tips: This document is carefully compiled by the editor. I hope that after you download them, they can help you solve practical problems. The documentscan be customized and modified after downloading, please adjust and use it accordingto actual needs, thank you!In addition, our shop provides you with various types of practical materials, suchas educational essays, diary appreciation, sentence excerpts, ancient poems, classic articles, topic composition, work summary, word parsing, copy excerpts, other materials and so on, want to know different data formats and writing methods, please pay attention!螺纹是机械制造中常用的一种连接方式,其性能直接影响着零部件的装配质量和使用寿命。
攻螺纹前钻底孔直径和深度的确定以及孔口的倒角
(1)底孔直径的确定丝锥在攻螺纹的过程中,切削刃主要是切削金属,但还有挤压金属的作用,因而造成金属凸起
并向牙尖流动的现象,所以攻螺纹前,钻削的孔径(即底孔)应大于螺纹内径。
底孔的直径可查手册或按下面的经验公式计算:
脆性材料(铸铁、青铜等):钻孔直径d0=d(螺纹外径)-1.1p(螺距)
塑性材料(钢、紫铜等):钻孔直径d0=d(螺纹外径)-p(螺距)
(2)钻孔深度的确定攻盲孔(不通孔)的螺纹时,因丝锥不能攻到底,所以孔的深度要大于螺纹的长度,
盲孔的深度可按下面的公式计算:
孔的深公制螺纹的计算方法:
底径=大径-1.0825*螺距
英制螺纹的计算方法:
底径=大径-1.28*螺距度=所需螺纹的深度+0.7d
脆性材料钻孔直径D=d(螺纹外径)-1.1p(螺距)
塑性材料钻孔直径D=d(螺纹外径)-p(螺距)。
攻丝前确定底孔的直径和深度以及孔的倒角(1)在攻丝过程中确定底孔直径,切削刃主要用于切削金属,但它也具有挤压金属的功能,因此金属隆起并流到齿尖。
因此,在攻丝之前,钻孔直径(即底孔)应大于螺纹的内径。
底孔直径可以根据手册或以下经验公式计算:脆性材料(铸铁,青铜等):钻孔直径d0 = D(螺纹外径)-1.1p(螺距)塑料材料(钢,红铜等):钻孔直径d0 = D(螺纹外径)-P(螺距)(2)确定攻丝盲孔(无孔)螺纹时的钻孔深度,孔的深度应大于螺纹长度,因为丝锥不能钻到末端;盲孔的深度可以根据以下公式计算:孔深=所需螺纹深度+ 0.7d普通螺纹底孔的直径可通过以下公式计算乘以要使用的大小0.85例如:m3-2.4mmM4--3.1毫米M5--4.2mM6--5.1毫米M8--6.8毫米公制螺纹的计算方法:底直径=大直径-1.0825 *螺距英寸螺纹的计算方法:底直径=大直径-1.28 *螺距脆性材料的钻孔直径d = D(螺纹外径)-1.1p(螺距)塑料材料的钻孔直径d = D(螺纹外径)-P(螺距)除上述经验公式外,还应考虑螺纹公差等级普通公制螺纹的外径螺距。
公制螺纹(mm螺纹)齿深= 0.6495 *螺距P(角度60度)内齿直径=公称直径-1.0825 * PM20x2.5-6h / 7g(右手)-(单头螺纹)-(公制粗螺纹)(公称直径20毫米)(间距2.5毫米)(内螺纹适合等级6h)(外螺纹适合等级7G)左双头-m20x1.5(左手)-(双螺纹)-(公制细螺纹)(公称直径20毫米)(间距1.5毫米)美式螺纹(统一标准螺纹)齿深= 0.6495 *(每英寸25.4齿)(角度60度)3 / 4-10UNC-2A(粗俗)(联合国环境基金罚款)(1a 2A 3A外齿公差配合等级)(1b 2B 3B内齿公差配合等级)Uncu美国统一标准粗牙外径3/4英寸,每英寸10齿外牙2级公差配合管螺纹(英寸PT)齿深= 0.6403 *(每英寸25.4齿)(角度55度)Pt 3 / 4-14(锥管螺纹)锥管螺纹,锥度比1/163/4英寸作品,每英寸14齿管螺纹(PS直螺纹)(PF细螺纹)齿深= 0.6403 *(每英寸25.4齿)(角度55度)PS 3 / 4-14(直管螺纹)Pf1 1 / 8-16(直管螺纹)(细牙)直管螺纹3/4英寸作品,每英寸14齿1 1/8“管道,每英寸16齿管螺纹(美国NPT)(角度60度)NPT 3 / 4-14(锥形管螺纹)锥形管螺纹,锥度比1/16 3/4英寸作品,每英寸14齿。
底孔:底孔一般是指用丝锥攻内螺纹之前所预制的孔的直径,一般指加工件的内置圆孔,最底或最面上的圆形孔洞,称之为底孔。
若底孔直径与内螺纹直径一致材料扩张时就会卡住丝锥,这时丝锥容易折断;若过大,就会使攻出的螺纹牙型高度不够而形成废品。
螺纹配合根据不同的国际标准,需要有相应的配合公差,可以查钳工手册。
底孔如果是沉孔还需考虑攻丝排削影响!底孔直径:丝锥在攻螺纹的过程中,切削刃主要是切削金属,但还有挤压金属的作用,因而造成金属凸起并向牙尖流动的现象,所以攻螺纹前,钻削的孔径(即底孔)应大于螺纹内径。
底孔的直径可查手册或按下面的经验公式计算:脆性材料(铸铁、青铜等):钻孔直径d0=d(螺纹外径)-1.1p (螺距)塑性材料(钢、紫铜等):钻孔直径d0=d(螺纹外径)-p(螺距)钻孔深度:攻盲孔(不通孔)的螺纹时,因丝锥不能攻到底,所以孔的深度要大于螺纹的长度,盲孔的深度可按下面的公式计算:孔的深度=所需螺纹的深度+0.7d公制螺纹的计算方法:底径=大径-1.0825*螺距英制螺纹的计算方法:底径=大径-1.28*螺距钻孔:钻孔是指用钻头在实体材料上加工出孔的操作。
这里讲述了勘探工作里的钻孔工作,以及钻孔需要的辅助工具以及部分应急措施方法。
在地质勘查工作中,利用钻探设备向地下钻成的直径较小深度较大的柱状圆孔,又称钻井。
钻探石油和天然气以及地下水的钻孔直径较大些。
钻孔直径和深度大小,取决于地质矿产埋藏深度和钻孔的用途。
解释:钻孔各部位的名称如图所示。
钻孔起始部位称孔口,侧部称孔壁,底部称孔底。
钻孔的直径D简称孔径,孔口直径称开孔口径,孔底直径称终孔直径。
从孔口至孔底的距离H称钻孔深度,简称孔深。
钻孔的某一段称孔段。
通常指用尖锐的旋转工具在坚硬的物体上钻穿。
如:在木板上钻孔。
在数处给一块金属板钻孔。
用凿岩机(在坚固材料中)钻孔洞。
在花岗岩上钻孔。
2.指为了装饰、识别或便于分开而(常用机器)打一排小孔或花样。
形似独木舟有时钻孔作为垂饰的船形宝石。
螺纹底孔深度标准螺纹底孔深度是螺纹连接中非常重要的一个参数,它直接影响着螺纹连接的质量和性能。
在实际生产中,螺纹底孔深度标准的制定和执行对于保证螺纹连接的质量和安全具有重要意义。
本文将对螺纹底孔深度标准进行详细的介绍和分析。
螺纹底孔深度标准的制定是为了保证螺纹连接的质量和可靠性。
螺纹底孔深度过浅会导致螺纹连接的承载能力下降,容易造成螺纹松动甚至断裂,从而影响设备的正常工作。
而螺纹底孔深度过深则会导致螺纹连接的工作面积减小,增加了连接的应力集中,同样会降低螺纹连接的承载能力。
因此,螺纹底孔深度标准的制定是为了在保证螺纹连接质量和可靠性的前提下,最大限度地减小螺纹连接的材料消耗。
在实际生产中,螺纹底孔深度标准的执行非常重要。
首先,需要严格按照国家标准或行业标准进行制定,确保螺纹底孔深度的测量和加工符合规范。
其次,需要建立健全的质量管理体系,对螺纹底孔深度进行全程监控和记录,确保每一台产品的螺纹底孔深度都符合标准要求。
最后,需要进行定期的设备检测和维护,保证测量和加工设备的准确性和稳定性,以确保螺纹底孔深度的准确性和一致性。
螺纹底孔深度标准的制定和执行对于保证螺纹连接的质量和安全具有重要意义。
只有严格按照标准要求进行生产和管理,才能保证螺纹连接的可靠性和稳定性。
同时,螺纹底孔深度标准的制定和执行也是对企业自身技术水平和管理水平的一种检验和提升,可以有效提高企业的竞争力和市场地位。
总之,螺纹底孔深度标准的制定和执行对于保证螺纹连接的质量和安全具有重要意义。
只有严格按照标准要求进行生产和管理,才能有效地减小螺纹连接的材料消耗,提高螺纹连接的可靠性和稳定性,从而保证设备的正常工作和生产效益的提高。
希望本文的介绍和分析能够对螺纹底孔深度标准的制定和执行有所帮助,也希望各位读者能够加强对螺纹连接质量和安全的重视,共同推动螺纹连接行业的健康发展。
螺纹底孔深度计算公式举个例子,要求bai钻M10的螺纹,du深度20.用的丝锥切削锥是3个牙zhi,则最低深度是20+3*1.5=24.5,注意24.5是孔的有效dao深度,是钻头钻完最深的地方。
其中的1.5是螺距。
总结一下:底孔深度螺纹深度+切削锥牙数*螺距最好是比这个公式再大点,要不在孔底挤住可就废了。
另外,小直径的丝锥有的是尖头的,使用上面的公式要把尖头长度算上去m10的丝深bai20mm,钻头打底孔深是27mm,攻盲孔(不du通孔)的螺纹时,因丝锥不能攻到底,所zhi以孔的深dao度要大于螺纹的长度,盲孔的深度可按下面的公式计算:孔的深度=所需螺纹的深度+0.7d公称直径d,通孔拧入深度h,盲孔拧入深度h,攻丝深度h1,3,8,6,7.4,10,8,10.5,12,10,12.6,15,12,15.8,20,26,18.10,24,20,23.12,28,24,27.16,36,32,36.20,45,40,45.24,55,48,54.30,70,60,67.36,80,72,80.42,95,85,94NPT螺纹底孔的深度的计算公式如下:底孔深度=螺纹深度+切削锥牙数*螺距NPT 螺纹,属于美国标准的60 度锥管螺纹。
NPT螺纹分一般密封圆柱管螺纹和一般密封圆锥管螺纹。
美制一般密封螺纹圆锥外螺纹的基准平面的理论位置位于垂直于螺纹轴线,与小端(参考平面)相距一个基准距离(L1)的平面内圆柱内螺纹与圆锥外螺纹组成“柱/锥”配合;圆锥内螺纹与圆锥外螺纹组成“锥/锥”配合。
举个例子,要求钻M10的螺纹,深度20.用的丝锥切削锥是3个牙,则最低深度是20+3*1.5=24.5,注意24.5是孔的有效深度,是钻头钻完最深的地方。
其中的1.5是螺距。
总结一下:底孔深度>螺纹深度+切削锥牙数*螺距最好是比这个公式再大点,要不在孔底挤住可就废了。
另外,小直径的丝锥有的是尖头的,使用上面的公式要把尖头长度算上去。
螺纹底孔深度计算公式(1)丝锥底孔直径的确定在攻丝过程中,刃口主要是切削金属,但也有挤压金属的作用,导致金属凸出并流向齿尖现象,所以在攻丝前,钻孔(即底孔)应大于螺纹直径。
井底直径可在手册中计算,也可按以下经验公式计算:脆性材料(铸铁、青铜等):孔径D0=D(螺纹直径)-1.1p(螺距)塑料材料(钢、铜等):孔径D0=D(螺纹直径)-P(螺距)(2)为确定盲孔(非多孔孔)螺纹攻丝时的钻孔深度,由于丝锥不能到达底部,孔深应大于螺纹长度。
盲孔深度可按下式计算:孔深=所需螺纹深度+0.7d以下公式可用于普通螺纹座孔直径的简易计算要攻丝的尺寸乘上0.85如:M3--2.4mmM4--3.1mmM5--4.2mM6--5.1mmM8--6.8mm公制螺纹的计算方法:底径=大径-1.0825*螺距英制螺纹的计算方法:底径=大径-1.28*螺距脆性材料钻孔直径D=d(螺纹外径)-1.1p(螺距)塑性材料钻孔直径D=d(螺纹外径)-p(螺距)除了以上的经验公式外,还要考虑螺纹的公差等级. 普通公制螺纹用外径-螺距。
公制螺纹(MM牙)牙深=0.6495*牙距P(牙角60度)内牙孔径=公称直径-1.0825*PM20x2.5-6H/7g (右手)-(单头螺纹)-(公制粗牙) (公称直径20mm) (牙距2.5mm)(内螺纹配合等级6H)(外螺纹配合等级7g)左-双头-M20x1.5 (左手)-(双头螺纹)-(公制细牙) (公称直径20mm) (牙距1.5mm)美制螺纹(统一标准螺纹)牙深=0.6495*(25.4/每吋牙数)(牙角60度)3/4-10UNC-2A(UNC粗牙)(UNF细牙)(1A 2A 3A 外牙公差配合等级)(1B 2B 3B 内牙公差配合等级)UNC美制统一标准粗牙螺纹外径3/4英吋,每英吋10牙外牙2级公差配合管螺纹(英制PT)牙深=0.6403*(25.4/每吋牙数)(牙角55度)PT 3/4-14 (锥度管螺纹) 锥度管螺纹,锥度比1/16 3/4英吋管用,每英吋14牙管螺纹(PS直螺纹)(PF细牙)牙深=0.6403*(25.4/每吋牙数)(牙角55度)PS 3/4-14 (直形管螺纹)PF1 1/8-16 (直形管螺纹)(细牙)直形管螺纹3/4英吋管用,每英吋14牙1 1/8英吋管用,每英吋16牙管螺纹(美制NPT)(牙角60度)NPT 3/4-14 (锥形管螺纹) 锥形管螺纹,锥度比1/163/4英吋管用,每英吋14牙梯形螺纹(30度公制)TM40*6 公称直径40mm 牙距6.0mm梯形螺纹(29度爱克姆螺纹)TW26*5 外径26mm,每英吋5牙方形螺纹车牙的计算考虑条件计算公式公制牙与英制牙的转换每吋螺纹数n = 25.4 / 牙距P牙距P = 25.4 / 每吋螺纹数n因为工件材料及刀具所决定的转速转速N = (1000周速V ) / (圆周率p * 直径D )因为机器结构所决定的转速刀座快速移动的影响车牙最高转速N = 4000/ P刀座快速移动加减速的影响下刀点与退刀点的计算(不完全牙的计算) 下刀最小距离L1L1 = (牙距P ) * (主轴转速S ) / 500退刀最距离L2L2 = (牙距P ) * (主轴转速S ) / 2000牙深及牙底径d 牙深h =0.6495 * P牙底径d =公称外径D - 2 * h例题:车制外牙3/4"-10UNC 20mm长公制牙与英制牙的转换牙距P = 25.4 / (吋螺纹数n)P = 25.4 / 10 = 2.54mm因为工件材料及刀具所决定的转速外径D = 3 / 4英吋= 25.4 * (3/4) =19.05MM转速N = (1000周速V) / (圆周率p * 直径D )N = 1000V / pD = 1000 * 120 / (3.1416*19.05)=2005 rpm (转/分)因为机器结构所决定的转速刀座快速移动的影响车牙最高转速N = 4000 / PN = 4000/2.54 = 1575 rpm综合工件材料刀具及机械结构所决定的转速N = 1575 转N = 2005转两者转速选择较低者,即1575转刀座快速移动加减速的影响下刀点与退刀点的计算(不完全牙的计算) 下刀最小距离L1L1 = (牙距P) * (主轴转速S) / 500L1 = 2.54*1575/500=8.00mm退刀最小距离L2L2 = (牙距P) * (主轴转速S) / 2000L2 = 2.54*1575/2000=2.00mm牙深及牙底径d 牙深径d = 公称外径D-2*h =19.05-2*1.65 = 15.75mm。
攻螺纹前钻底孔直径和深度的确定以及孔口的倒角(1)底孔直径的确定丝锥在攻螺纹的过程中,切削刃主要是切削金属,但还有挤压金属的作用,因而造成金属凸起并向牙尖流动的现象,所以攻螺纹前,钻削的孔径(即底孔)应大于螺纹内径。
底孔的直径可查手册或按下面的经验公式计算:脆性材料(铸铁、青铜等):钻孔直径d0=d(螺纹外径)-1.1p(螺距)塑性材料(钢、紫铜等):钻孔直径d0=d(螺纹外径)-p(螺距)(2)钻孔深度的确定攻盲孔(不通孔)的螺纹时,因丝锥不能攻到底,所以孔的深度要大于螺纹的长度,盲孔的深度可按下面的公式计算:孔的深度=所需螺纹的深度+0.7d普通螺纹底孔直径简单计算可按下式要攻丝的尺寸乘上0.85如:M3--2.4mmM4--3.1mmM5--4.2mM6--5.1mmM8--6.8mm公制螺纹的计算方法:底径=大径-1.0825*螺距英制螺纹的计算方法:底径=大径-1.28*螺距脆性材料钻孔直径D=d(螺纹外径)-1.1p(螺距)塑性材料钻孔直径D=d(螺纹外径)-p(螺距)除了以上的经验公式外,还要考虑螺纹的公差等级.普通公制螺纹用外径-螺距。
公制螺纹(MM牙)牙深=0.6495*牙距P(牙角60度)内牙孔径=公称直径-1.0825*PM20x2.5-6H/7g (右手)-(单头螺纹)-(公制粗牙)(公称直径20mm) (牙距2.5mm)(内螺纹配合等级6H)(外螺纹配合等级7g)左-双头-M20x1.5 (左手)-(双头螺纹)-(公制细牙)(公称直径20mm) (牙距1.5mm)美制螺纹(统一标准螺纹)牙深=0.6495*(25.4/每吋牙数)(牙角60度)3/4-10UNC-2A(UNC粗牙)(UNF细牙)(1A 2A 3A 外牙公差配合等级)(1B 2B 3B 内牙公差配合等级)UNC美制统一标准粗牙螺纹外径3/4英吋,每英吋10牙外牙 2级公差配合管螺纹(英制PT)牙深=0.6403*(25.4/每吋牙数)(牙角55度)PT 3/4-14 (锥度管螺纹) 锥度管螺纹,锥度比1/163/4英吋管用,每英吋14牙管螺纹(PS直螺纹)(PF细牙)牙深=0.6403*(25.4/每吋牙数)(牙角55度)PS 3/4-14 (直形管螺纹)PF1 1/8-16 (直形管螺纹)(细牙)直形管螺纹3/4英吋管用,每英吋14牙1 1/8英吋管用,每英吋16牙管螺纹(美制NPT)(牙角60度)NPT 3/4-14 (锥形管螺纹) 锥形管螺纹,锥度比1/163/4英吋管用,每英吋14牙梯形螺纹(30度公制)TM40*6 公称直径40mm 牙距6.0mm梯形螺纹(29度爱克姆螺纹)TW26*5 外径26mm,每英吋5牙方形螺纹车牙的计算考虑条件计算公式公制牙与英制牙的转换每吋螺纹数 n = 25.4 / 牙距 P牙距 P = 25.4 / 每吋螺纹数 n因为工件材料及刀具所决定的转速转速 N = (1000周速 V ) / (圆周率 p * 直径 D )因为机器结构所决定的转速刀座快速移动的影响车牙最高转速 N = 4000/ P刀座快速移动加减速的影响下刀点与退刀点的计算(不完全牙的计算) 下刀最小距离 L1L1 = (牙距 P ) * (主轴转速 S ) / 500退刀最距离 L2L2 = (牙距 P ) * (主轴转速 S ) / 2000牙深及牙底径d 牙深 h =0.6495 * P牙底径 d =公称外径 D - 2 * h例题:车制外牙3/4"-10UNC20mm长公制牙与英制牙的转换牙距 P = 25.4 / (吋螺纹数 n)P = 25.4 / 10 = 2.54mm因为工件材料及刀具所决定的转速外径 D = 3 / 4英吋 = 25.4 * (3/4) =19.05M M转速 N = (1000周速V) / (圆周率 p * 直径 D )N = 1000V / pD = 1000 * 120 / (3.1416*19.05)=2005 rpm (转/分)因为机器结构所决定的转速刀座快速移动的影响车牙最高转速 N = 4000 / PN = 4000/2.54 = 1575 rpm综合工件材料刀具及机械结构所决定的转速 N = 1575 转N = 2005转两者转速选择较低者,即1575转刀座快速移动加减速的影响下刀点与退刀点的计算(不完全牙的计算) 下刀最小距离 L1L1 = (牙距P) * (主轴转速S) / 500L1 = 2.54*1575/500=8.00mm退刀最小距离 L2L2 = (牙距P) * (主轴转速S) / 2000L2 = 2.54*1575/2000=2.00mm牙深及牙底径d 牙深径 d = 公称外径 D-2*h =19.05-2*1.65 = 15.75mm。
金加工对普通螺纹的加工要求
以下操作要求望相关人员(特别是普通钻床、4228-4和3216-1)立即执行到位:
一:螺纹底孔要求:
1、M10及M10以下底孔要求:
2、M12-M16底孔要求:
3、M20-M30底孔要求:
二:螺纹深度要求:
1、M6及M6以下底孔深度要求:比图纸丝攻深度要求多5 -10mm。
2、M8-M16底孔深度要求:比图纸丝攻深度要求多10-15mm。
3、M20底孔深度要求:比图纸丝攻深度要求多15-20mm。
以上数据由《金加工质扣制度》摘录。
根据以上要求:
M16的底孔钻头(14)程序Z值统一给55(实际测量深度也是55mm),M16的丝攻程序Z值统一给40(实际测量深度也是40mm);
M20的底孔钻头(17.4)程序Z值统一给70(实际测量深度也是70mm),M16的丝攻程序Z值统一给50(实际测量深度也是50mm)。
粗镗人员对螺纹底孔及深度应立即改变观念,今后螺纹底孔及深度要当精加工的精镗孔一样做,考虑到粗精铣大面的余量,误差控制在正负3mm。
以上两值必须固定下来,有出入的一律修正刀长,今后若粗镗的程序不按此规定做的,一律按每人每次扣款200元执行,此标准必须立即推上!
模板一律不得打穿,当按以上要求不得不打穿时,操作工应及时与检验员沟通,深度可统一(底孔和丝攻深度)抬上5-10mm,具体以检验员标准为准。
以上资料由uuu9电影视频网提供。