02J121-1_岩棉外墙外保温系统资料[1]
- 格式:pdf
- 大小:88.29 KB
- 文档页数:1
岩棉板外墙外保温的施工工艺页脚内容1岩棉板外墙外保温系统施工技术规程山东鲁阳股份有限公司2011-11-01发布2011-12—01实施岩棉板产品的应用设计1 设计1.1 一般规定1.1.1 岩棉板外墙外保温工程设计应选用适宜的岩棉板外墙保温系统,不得更改系统构造和组成材料。
1.1.2 岩棉板外墙外保温工程的热工和节能设计应符合下列规定:1 岩棉板外保温复合墙体的传热系数应符合现行山东省工程建设标准《居住建筑节能设计标准》DBJ 14-037或《公共建筑节能设计标准》DBJ 14-036的规定,其防潮设计应符合国家现行标准《民用建筑热工设计规范》GB 50176的规定。
2 保温层内表面温度应高于0℃;3 门窗框外侧洞口四周、女儿墙、封闭阳台以及出挑构件等热桥部位应采取保温措施,上述部位应预留出保温层的厚度;4 外保温系统应考虑金属固定件、承托件的热桥影响。
1.1.3 岩棉板外墙外保温工程应做好密封和防水构造设计,确保水不会渗入保温层及基层,重要部位应有详图。
水平或倾斜的出挑部位以及延伸至地面以下的部位应做防水处理。
在外墙外保温系统上安装的设备或管道应固定于基层上,并应做密封和防水设计。
1.1.4 岩棉板外墙外保温工程应做好系统在檐口、勒脚处的包边处理。
装饰缝、门窗四角和阴阳角等处应设置局部增强网。
1.1.5 岩棉板外墙外保温工程设计图纸应绘制勒脚、窗口、凸窗、变形缝、挑檐、女儿墙、防火隔离带、挡火梁等特殊部位保温构造详图。
1.2 系统构造1.2.1 岩棉板增强网薄抹灰外墙外保温系统由粘结层、界面剂、岩棉板、抹面层(内设耐碱玻璃纤维网格布)和饰面层构成。
其基本构造见图1.2.2-1、图1.2.2-2。
图1.2.2-1岩棉板双层耐碱玻纤网薄抹灰外墙外保温系统基本构造图1.2.2-2陶瓷纤维建筑隔热板增强网(单层网)薄抹灰外墙外保温系统基本构造1.2.3 系统底部第一排岩棉板的下侧板端与散水的间距应不小于200mm,且不宜大于600mm,并采用XPS或硬泡聚氨酯等进行保温处理,勒脚部位应使用镀锌膨胀锚栓安装经防腐处理的金属托架。
岩棉板外墙外保温系统应用技术要点岩棉板外墙外保温系统应用技术要点11 系统及材料性能1.1 系统性能要求1.1.1岩棉板外墙外保温系统的性能指标应符合表1.1.1的要求。
表1.1.1 岩棉板外墙外保温系统的性能指标项目单位性能指标试验方法涂料饰面岩棉板保温系统幕墙饰面岩棉板保温系统耐候性试验后外观—不得出现饰面层起泡或剥落、保护层空鼓或脱落等破坏,不得产生渗水裂缝—JGJ144 抗裂面层与保温层拉伸粘结强度kPa≥10.0,且破坏面在保温层内吸水量g/m2≤1000 ≤1000抗冲击性普通型(建筑物二层以上墙面等不易受碰撞部位)J 33 加强型(建筑物首层墙面等易受碰撞部位)J 10水蒸气湿流密度g/(㎡·h) ≥1.67 ≥1.67耐冻融性能冻融后外观—10次冻融循环后保护层无空鼓、脱落,无渗水裂缝10次冻融循环后保护层无空鼓、脱落,无渗水裂缝抗裂面层与保温层拉伸粘结强度kPa≥10.0,且破坏面在保温层内≥7.5,且破坏面在保温层内2项目单位性能指标试验方法涂料饰面岩棉板保温系统幕墙饰面岩棉板保温系统不透水性—2h不透水(试样抗裂面层内侧无水渗透)2h不透水(试样抗裂面层内侧无水渗透)JGJ144抗风压值kPa 不小于工程项目的风荷载设计值,抗风压安全系数K应不小于1.5—热阻—符合设计要求符合设计要求火反应—燃烧试验结束后,试件厚度变化不超过10%燃烧试验结束后,试件厚度变化不超过10%JG1581.2 组成材料性能1.2.1岩棉板的性能指标应符合表1.2.1的要求。
表1.2.1 岩棉板的性能指标项目单位性能指标试验方法涂料饰面岩棉板保温系统幕墙饰面岩棉板保温系统密度kg/m3≥160 ≥120GB/T25975 导热系数W/(m·K)≤0.040 ≤0.040垂直于板面方kPa ≥10.0 ≥7.534向的抗拉强度项目单位性能指标试验方法涂料饰面岩棉板保温系统幕墙饰面岩棉板保温系统尺寸稳定性%≤0.5 ≤1.0 GB/T 25975质量吸湿率%≤1.0 ≤1.0 憎水率%≥98.0 ≥98.0 酸度系数—≥1.8 ≥ 1.6 压缩强度 kPa≥50 ≥40 吸水量(部分浸水)24h kg/m 2≤1.0≤1.0 28d≤3.0 ≤3.0 渣球含量%≤10 ≤10 燃烧性能—不低于A2不低于A2GB 86241.2.2 岩棉板的尺寸偏差应符合表1.2.2的要求。
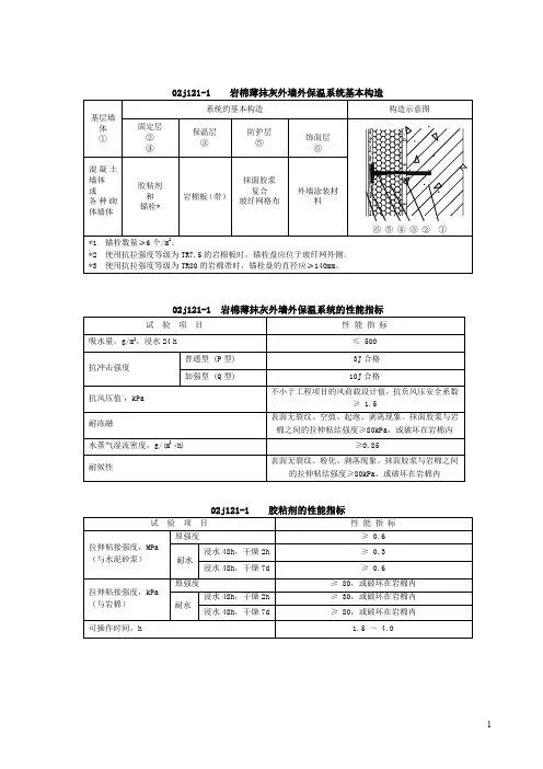
岩棉外墙外保温工程一、基本规定1、岩棉板外保温系统基本构造:(1)基层墙体:混凝土墙,各种砌块墙(2)粘结层:胶粘剂(3)保温层:岩棉板(4)抹面层1)底层:抹面胶浆2)增强材料:玻纤网3)联结件:锚栓4)中间层:抹面胶浆5)增强材料:玻纤网6)面层:抹面胶浆(5)饰面层:涂料、饰面砂浆等2、岩棉带外保温系统基本构造(1)基层墙体:混凝土墙,各种砌块墙(2)粘结层:胶粘剂(3)保温层:岩棉带(4)辅助联结件:锚栓(5)抹灰层1)底层:抹面胶浆2)增强材料:玻纤网3)面层:抹面胶浆(6)饰面层:涂料、饰面砂浆等3、当基层墙体采用加气混凝土等多孔材料时,应按照设计要求采取相应措施,防止外保温系统内部结露。
4、外门窗口外侧四周墙面、外墙出挑构件及附墙部件等热桥部位应按照设计要求采取可靠的保温或阻断热桥措施。
5、岩棉板外保温系统应符合以下要求:(1)岩棉板外保温系统与基层墙体采用粘锚结合、以锚为主的联结方式。
(2)建筑高度不大于24m时,岩棉板与基层墙体的粘结面积率应不小于40%;建筑高度大于24m时,岩棉板与基层墙体的粘结面积率应不小于60%。
岩棉板粘结完成后,应立即在每块板上安装锚栓或采用其他方式进行辅助固定。
辅助固定的锚栓不计入联结安全性计算。
(3)抹面层应采用双层玻纤网增强,锚栓圆盘应压住底层玻纤网。
6、岩棉带外保温系统应符合以下要求:(1)岩棉带外保温系统与基层墙体采用粘锚结合、以粘为主的联结方式。
(2)岩棉带外保温系统施工前,应在工程墙体基面上进行胶粘剂与基层墙体的拉伸粘结强度试验,拉伸粘结强度平均值应不小于0.3MPa。
(3)岩棉带与基层墙体宜采用条粘法,粘结面积率应不小于70%。
(4)锚栓数量应不少于4个/m²,面积大于0.1m²的岩棉带均应设置锚栓,7、外保温系统所用锚栓应符合以下要求:(1)应根据基层墙体类别,选用不同类型的锚栓。
多孔砖砌体基层墙体和空心砌块基层墙体应采用通过摩擦和机械锁定承载的锚栓。
FB岩(矿)棉板外墙外保温系统产品评估资料编制单位:上海丰慧节能环保科技有限公司编制日期:2011年6月1日星期三目录一、企业介绍二、执行标准三、系统构造四、生产检验设备五、保温系统型式检测报告六、设计七、施工工艺及验收八、工程应用及用户意见一、企业介绍企业简介为推进并发展岩(矿)棉板保温材料在房屋建筑节能保温工程中的应用,提高节能保温工程的防火性能和耐久性,并且规范(矿)岩棉板外墙外保温系统的应用技术,根据上海市建筑建材业市场管理总站沪建市管[2011] 号下达的项目,上海沪标工程建设咨询有限公司同上海丰慧节能环保科技有限公司在调查研究并总结已有工实践的基础上编制了本规程。
FB岩(矿)棉板外墙外保温系统是上海丰慧节能环保科技有限公司研究并开发应用的以岩(矿)棉板为保温隔热材料,采用粘、钉结合工艺施工的不燃型建筑节能保温系统。
该系统具有保温材料导热系数低、透气性好、燃烧性能级别高等优势,并且使用范围广,构造完善,可应用于新建、扩建、改建的居住建筑和公共建筑外墙的节能保温工程,包括外墙外保温、非透明幕墙保温和可燃型保温材料外保温系统的防火隔离带;工业建筑保温以及既有节能改造在技术条件相同时也可采用。
本规程主要技术内容有:1总则;2术语;3材料4;设计5施工;6质量验收。
为该系统在墙体节能保温工程中设计、施工与验收提供了技术依据。
有关单位在执行本规程时,如发现需要修改和补充之处,请与上海丰慧节能环保科技有限公司联系,以供今后修订时参考。
联系地址:上海市南汇区三灶都市工业园区宜秋路335号6区邮编:201300。
电话:;传真:。
主编单位:上海新标工程建设咨询有限公司参编单位:上海丰慧节能环保科技有限公司主要起草人:毕立新李生兵杨星虎赵海云彭圣钦王素梅贾铭林刘明明二、执行标准FB岩(矿)棉板外墙外保温系企标2.1 范围本标准规定了FB岩(矿)棉板外墙外保温系统产品的定义、分类和标记、要求、试验方法、检验规则、产品合格证和使用说明书,以及系统产品组成材料的包装、运输和贮存。
外墙外保温系统应用技术标准(岩棉) 下载提示:该文档是本店铺精心编制而成的,希望大家下载后,能够帮助大家解决实际问题。
文档下载后可定制修改,请根据实际需要进行调整和使用,谢谢!本店铺为大家提供各种类型的实用资料,如教育随笔、日记赏析、句子摘抄、古诗大全、经典美文、话题作文、工作总结、词语解析、文案摘录、其他资料等等,想了解不同资料格式和写法,敬请关注!Download tips: This document is carefully compiled by this editor. I hope that after you download it, it can help you solve practical problems. The document can be customized and modified after downloading, please adjust and use it according to actual needs, thank you! In addition, this shop provides you with various types of practical materials, such as educational essays, diary appreciation, sentence excerpts, ancient poems, classic articles, topic composition, work summary, word parsing, copy excerpts, other materials and so on, want to know different data formats and writing methods, please pay attention!外墙外保温系统应用技术标准(岩棉)1. 引言外墙外保温系统是建筑工程中至关重要的组成部分,它不仅可以提高建筑的节能性能,还可以改善建筑的保温效果和外观质量。
江苏省岩棉外墙外保温系统应用技术标准规程江苏省岩棉外墙外保温系统应用技术规程编制中的若干问题探讨江苏省建筑节能技术中心许锦峰2012年4月18日目录岩棉规程重点解决的问题江苏省岩棉外墙外保温系统应用技术规程岩棉保温的主要问题1质量2强度3吸水质量--导热系数导热系数分布高品质岩棉≤W/(m·K)普通的岩棉~W/(m·K)质量--渣球含量大量岩棉板的渣球含量>10%≤7 板≤10带另:生产工艺决定岩棉板的厚度在≥4cm否则性能很难满足要求强度垂直于板面方向的抗拉强度低10—22 KPa柔非脆性破坏变形很大(密度≥140㎏/m³)岩棉板、XPS板系统、锚固件抗拉/拔强度试验1强度低2抗风状态下与锚固件不能共同工作欧洲锚栓抗拉承载力标准值≥我国锚栓抗拉承载力标准值≥≥16个/m2锚固件抗拔承载力标准值市场锚栓进行试验锚固件计算数量风荷载计算锚固件拉拔承载力风荷载计算锚固件拉拔承载力连云港风荷载设计值基层抗拉拔承载力设计值锚固件20m高kN/m2砌体kN 26个40m高kN/m2,混凝土kN 16个砌体kN 30个混凝土基层和砌体基层1:1 23个吸水岩棉板憎水率≥98%但是长期处于潮湿环境时无法避免吸水材料水蒸气湿流密度值不宜过低质量吸湿率要求≤%水蒸气湿流密度在大多数薄抹灰外墙外保温系统水蒸气湿流密度≥(㎡·h)不同厂家的抹面砂浆和饰面层配合不同的岩棉板d的水蒸气湿流密度1:市面购买岩棉+抹面砂浆+普通腻子+涂料2:合格岩棉+抹面砂浆+柔性耐水腻子+涂料3:合格岩棉+专用抹面砂浆+饰面砂浆岩棉水蒸气湿流密度要求≥g/(㎡·h)饰面材料涂料饰面、饰面砂浆为保证透气性,宜采用饰面砂浆系统防水构造易积水部位:挑台勒脚空调板雨棚等系统防水构造窗岩棉外墙外保温系统性能及构造的若干问题验收抹面层与保温层的拉伸粘结强度不作具体数据要求但要求破坏层必须在保温层内。
1—基层墙体(含找平层);2—粘贴层;3—岩棉保温板或岩棉带;4—第一层抹面砂浆层(压入网格布);5—锚固件;6—第二层抹面砂浆(压入网格布);7—外饰面层二、《江苏省岩棉外墙外保温系统应用技术规程》介绍1 总则为贯彻建筑节能相关规定,规范岩棉外墙外保温系统的工程应用,并满足建筑外保温工程的防火性能要求,做到技术先进,安全可靠,经济合理,确保工程质量,制定本规程。
**(水泥发泡板)外墙外保温系统施工组织设计方案编制人:审批人:合肥新型材料有限公司二零一二年五月目录、编制依据_ 、施工工艺、施工机械准备三、验收标准四、质量保证措施五、安全保证措施六、文明施工一、编制依据外墙外保温工程技术规程》 (JGJ144-2004) 外墙外保温建筑构造(一) 》( 02J121-1)《住宅建筑构造》(03J930-1)绝热用模塑聚苯乙烯泡沫塑料》 ( GB10801.1-2002) 民用建筑热工设计规范》(GB50176-93) 砌体工程施工质量验收规范》(GB50203-2002) 耐碱玻璃纤维网格布》(JC/T841-1999) 民用建筑节能设计标准(采暖居住建筑部分)》(JGJ26-95) 建筑装饰装修工程质量验收规范》(GB50210-2001) 住宅建筑节能工程施工质量验收规范》(DGJ08-113-2005)企业标准、施工工艺工程概况保温概况:本工程建筑面积约平方,楼高层。
保温为外墙公分厚发泡水泥保温板系统涂料饰面采用耐碱网格布加强。
自然特征地区四季气候分明特色各异:春季细雨,五、六月份为梅雨,七、八月为夏季高温季节。
八、九月又是暴雨多发季节,冬季工期一般约为40天左右。
本地区全年最高气温可达40C,最低气温达-10 C2.1 主要机具与工具2.1.1强制式搅拌机、手推车、电锤等。
2.1.2托灰板、木抹子、铁抹子、靠尺板、阳角抹子、阴角抹子、小圆角、(三角铁)大杠、小杠、手工锯、剪刀、电钻、橡皮锤等。
2.2 作业条件2.2.1 保温工程的施工应在基层带有水泥砂浆找平层的,且施工质量验收合格后进行。
本工程需具备垂直运输机械、脚手架、安全网、通电、通水、通路等施工条件。
2.2.2保温工程施工前,外门窗洞口应通过验收,洞口尺寸、位置应符合设计要求和质量要求,门窗框或辅框应安装完毕,并需做防水处理。
伸出墙面的消防梯、落水管、各种进户管线和空调器等的预埋件、连接件应安装完毕,并按保温系统厚度留出间隙。
岩棉板外保温系统墙体节能工程检验批/分项工程质量验收表 JN3.2.1编号:工程名称瑞景国际花园商住小区#分项工程名称外墙保温分项检验批/分项系统、部位1-2层外墙施工单位通州建总集团有限公司专业工长吴玉明项目经理范林施工执行标准名称及编号分包单位分包项目经理施工班组长国家验收规范、省验收规程规定施工单位检查评定记录监理(建设)单位验收记录主控项目1 材料,构件等进场验收规范4.2.1规程4.2.1符合要求2保温隔热材料和粘结材料的复验及性能规范4.2.2规范4.2.3规程4.2.1符合要求3寒冷地区外保温粘结的冻融试验结果规范4.2.44 基层处理情况规范4.2.55 各层构造做法规范4.2.6 符合要求6 墙体节能工程的施工规范4.2.7规程4.2.2符合要求7 预制保温板浇筑混凝土墙体规范4.2.88 各类饰面层基层及面层施工规范4.2.10规程4.2.49 隔气层的设置及做法规范4.2.1310外墙或毗邻不采暖空间墙体上的门窗洞口侧面、凸窗四周侧面的保温措施规范4.2.14规程4.2.6符合要求11寒冷地区外墙热桥部位的隔断热桥措施规范4.2.15规程4.2.512 外保温粘贴面砖拉拔试验规程4.2.813 锚固件的固定、与加强网的连接规范4.3.2规程4.2.7符合要求一般项目1保温材料与构件的外观和包装规范4.3.12 安装错缝、拼缝、接缝处理规程4.2.9 符合要求3夏热冬冷地区外墙热桥部位隔断热桥措施规范4.3.3规程4.2.104 加强网铺压,搭接长度规程4.2.125穿墙套管、脚手眼、孔洞等隔断热桥措施规范4.3.46阳角、门窗洞口及不同材料基体的交接处等特殊部位规范4.3.7规程4.2.12符合要求7安装允许偏差规程4.2.11项次项目允许偏差(mm)实测值1 表面平整 32 立面垂直 33 阴、阳角垂直 34 阳角方正 35 接槎高差 18外保温面层允许偏差规程4.2.13项次项目允许偏差(mm)实测值1 表面平整 32 立面垂直 33 阴、阳角方正 34分格缝(装饰线)直线度3施工单位检查评定结果项目专业质量检查员:(项目技术负责人)年月日监理(建设)单位验收结论监理工程师:(建设单位项目专业技术负责人):年月日。
外墙岩棉外保温系统专项工程第一小节主要工序施工详细说明及要求施工顺序:基层处理→刷专用界面剂→粘结聚合物砂浆(门窗洞口预粘板边翻包网格布→粘贴岩棉板板→抹底层聚合物砂浆→粘贴网格布→钻孔安装固定件→岩棉板修整、找平、接缝处理→中间验收→抹面层聚合物砂浆→粘贴网格布→抹面层聚合物砂浆→保温系统验收→饰面层施工→验收1、基层处理(1)必须彻底清除基层墙面遗留的钢筋头、废模板;清扫墙面的浮灰,清洗油污;凸出墙面的砂浆、砖、混凝土等清除干净,穿墙孔洞应用膨胀细石砼予以封闭。
(2)对基层墙体,局部用2m靠尺检查,最大偏差小于4mm,落差部分应剔除或用1:3掺建筑胶的水泥砂浆修补平整。
(3)为增强岩棉板与基层及保护面层的结合力,应在岩棉板表面涂刷界面剂,然后再用聚合物砂浆作粘结剂作保护层。
2、弹控制线根据建筑立面设计和外墙外保温技术要求在门窗大阳角等处弹出水平垂直控制线。
外墙面伸缩缝及装饰线位置与业主、监理协商后,在业主或监理指定位置施工样板墙。
3、挂基准线(1)在建筑外墙大角(阴、阳角)及其他控制部位必须要挂出垂直基准控制线,弹出水平控制基准线。
(2)施工过程中每层挂水平线以控制岩棉板的垂直度和平整度。
4、配制专用粘接剂(1)使用一只干净的铁皮搅拌桶倒入五份砂浆,加约一份的水,注意应边加水边搅拌,然后用手持式电动搅拌器搅拌约五分钟,直到搅拌均匀,且稠度适中为止。
拌制砂浆的过程中均不容许掺加水泥、填充料等任何形式的添加剂。
保证聚合物砂浆有一定粘度。
(2)以上工作进行完成之后,应将配好的砂浆静置5分钟,再搅拌即可使用。
调好的砂浆宜在一小时内用完。
5、基层上粘贴翻包网格布,凡在粘贴的岩棉板边缘外露处都应做标准的耐碱网格布翻包处理,具体部位如下:(1)勒脚收头处;(2)门窗洞口处;(3)女儿墙收头口处;(4)伸缩缝、建筑沉降缝、温度缝等缝线两侧裁取300mm宽的标准型耐碱网格布条;需要做翻包处理的部位基层上抹出100mm宽2-3mm厚的粘贴砂浆;抹好的粘结剂铺设耐碱网格布,并用不锈钢抹子均匀压入粘结剂内,压入宽度100mm,让剩下部分网格布甩出并保持清洁,待将来翻包用。