通风与空调设备安装检验批质量验收记录表
- 格式:doc
- 大小:51.00 KB
- 文档页数:1
风管系统安装(送、排风、排烟系统)检验批质量验收记录
风管系统安装(空调系统)检验批质量验收记录
风管系统安装(净化空调系统)检验批质量验收记录
通风机安装检验批质量验收记录
通风与空调设备安装(通风系统)检验批质量验收记录
通风与空调设备安装(空调系统)检验批质量验收记录
通风与空调设备安装(净化空调系统)检验批质量验收记录
空调制冷系统安装检验批质量验收记录
空调水系统安装(金属管道)检验批质量验收记录
空调水系统安装(非金属管道)检验批质量验收记录
编号:080702∏□□
空调水系统安装(设备)检验批质量验收记录
防腐与绝热施工(风管系统)检验批质量验收记录
防腐与绝热施工(管道系统)检验批质量验收记录
工程系统调试检验批质量验收记录
通风与空调工程子分部工程与分项工程相关表
风管与配件制作(金属风管)检验批质量验收记录
风管与配件制作(非金属、复合材料风管)检验批质量验收记录
监理(建设)单位验
收结论专业监理工程师:
(建设单位项目专业技术负责人)
风管部件与与消声器制作检验批质量验收记录
编号:080103/080406/080506ODD。
通风与空调设备安装(通风系统)检验批质量验收记录(GB50243-2002)表C.2.5-1 编号:WZCXJZ/QR080105/080305□□□防腐与绝热施工(风管系统)检验批质量验收记录防腐与绝热施工(管道系统)检验批质量验收记录风管部件与消声器制作检验批质量验收记录(GB50243-2002)表C.2.2编号:WZCXJZ/QR080103/080406/080506风管系统安装(净化空调系统)检验批质量验收记录(GB50243-2002)表C.2.3-3 编号:WZCXJZ/QR080504风管系统安装(空调系统)检验批质量验收记录(GB50243-2002)表C.2.3-2 编号:WZCXJZ/QR080404□□□风管系统安装(送、排风、排烟系统)检验批质量验收记录(GB50243-2002)表C.2.3-1 编号:WZCXJZ/QR080104/080204/080304□□□风管与配件制作(非金属、复合材料风管)检验批质量验收记录(GB50243-2002)表C.2.1-2 编号:WZCXJZ/QR080102/080202/080302/080402/080502续下表风管与配件制作(金属风管)检验批质量验收记录(GB50243-2002)表C.2.1-1编号:WZCXJZ/QR080101/080201/080301/080401/080501工程系统调试检验批质量验收记录(GB50243-2002)表C.2.9 编号:WZCXJZ/QR080109/080209/080308/080410/080511/080605/080708空调水系统安装(金属管道)检验批质量验收记录(GB50243-2002)表C.2.7-1 编号:WZCXJZ/QR080701空调水系统安装(非金属管道)检验批质量验收记录空调水系统安装(设备)检验批质量验收记录空调制冷系统安装检验批质量验收记录(GB50243-2002) 表C.2.6 编号:WZCXJZ/QR080601通风机安装检验批质量验收记录(GB50243-2002)表C.2.4 编号:WZCXJZ/QR080108/080307/080408/080508通风与空调分部工程各子分部工程与分项工程相关表注:本表有●符号者为该子分部工程所含的分项工程。
123412345678910主
控 项
目一
般
项
目施工单位检查评定结果
项目专业质量检查员:蒸汽加湿器安装第7.3.16条
专业工长(施工员)
施工班
转轮式换热器安装第7.3.14-2条转轮式去湿器安装第7.3.19条粗、中效空气过滤器安装第7.3.13条空气风幕机安装第7.3.1条
消声器安装第7.3.3条风机盘管机组安装第7.3.4条现场组装的空气处理室安装第7.2.9条单元式空调机组安装第7.3.2条组合式空调机组安装第7.2.8条干蒸汽加湿器安装第7.2.7条
静电空气过滤器安装第7.2.2条电加热器安装第7.2.3条施工质量验收规范规定
施工单位检查评定记录空调机组的安装第7.2.1条分包单位
分包项目经理施工执行标准名称及编号
分部(子分部)工程名称
验收部位施工单位
项目经理通风与空调设备安装检验批质量验收记录表
(空调系统)GB50243-2002
(Ⅱ)
单位(子单位)工程名称
监理(建设)单位验收结论
专业监理工程师
(建设单位项目专业技术负责人):
年 月 日施工班组长
录监理(建设)单位验收
记录
年 月 日。
通风与空调节能工程检验批质量验收记录一、项目基本情况项目名称:通风与空调节能工程项目地址:XXX区XXX路XXX号验收时间:XXXX年X月X日二、质量验收内容根据通风与空调节能工程设计文件,合同要求及有关规范,对工程的质量进行全面检查和验收。
1.设备安装质量检验:a.检查设备的安装基座、膨胀螺栓、安装间隙等是否符合设计要求;b.检查设备的连接管道、接头、套管等是否焊接牢固、安装正确;c.检查设备的电源、信号线连接是否正确,是否存在短路、漏电等情况;d.检查设备的油液、气体等介质的供给管道是否密封良好,无泄漏现象。
2.管道系统质量检验:a.检查管道材料及配件的型号、规格是否符合设计要求;b.检查管道的焊接、螺纹连接是否牢固,是否存在裂纹、漏气现象;c.检查管道的支撑、固定是否牢固可靠,是否存在松动、变形等情况;d.检查管道的绝热层是否均匀、紧密,是否存在脱落、破损等现象。
3.控制系统质量检验:a.检查控制设备的型号、规格是否符合设计要求;b.检查控制设备的接线是否正确,是否存在接触不良、线路松动等现象;c.检查控制系统的程序和参数是否正确设置,是否能实现预期的控制功能;d.检查控制系统的运行记录、报警记录等是否能正常存储、查询。
4.试运行情况检验:a.根据设计要求、工艺流程等标准,对通风与空调节能设备进行试运行;b.检查设备运行时的温度、湿度、气流速度等参数是否符合设计要求;c.检查设备运行时的噪音、振动等是否超过规定的标准值;d.检查设备运行时的能耗,与设计要求进行对比分析。
三、质量验收结论1.设备安装质量检验结论:符合设计要求,合格。
2.管道系统质量检验结论:符合设计要求,合格。
3.控制系统质量检验结论:符合设计要求,合格。
4.试运行情况检验结论:设备运行稳定,各项参数指标符合设计要求,合格。
四、质量问题及整改要求根据质量验收过程中发现的问题,提出以下整改要求:1.设备安装中存在部分连接螺栓松动的情况,要求进行紧固处理。
DBJ04-226-2003通风与空调设备安装工程检验批质量验收记录表(通风系统)GB50243-2002DBJ04-226-2003说明(Ⅰ) 080304 主控项目:1.现场组装的除尘器壳体应做漏风量检测,在设计工作压力下允许漏风率5%,其中离心式除尘器为3%。
按总数抽查20%,不少于1台;接地全数检查。
按图核对,检查测试记录和观察检查。
2.按总数抽查20%,不少于1台,核对材料,观察检查或电阻测定。
3.按总数抽查20%,不少于1台,核对材料,观察检查或电阻测定。
4.全数检查,观察或检测。
一般项目:1.按总数抽查20%,不少于1台,尺量、观察检查及检查施工记录。
2.按总数抽查20%,不少于1台,平面位移用经纬仪或拉线、尺量检查,标高用水准仪、直尺、拉线和尺量检查;垂直度用吊线和尺量检查。
3.现场组装的静电除尘器,还应符合设备技术文件。
振打锤装置的固定应可靠;振打锤的转动,应灵活。
锤头方向应正确;振打锤头与振打钻之间应保持良好的接触状态,接触长度应大于锤头厚度的0.7倍。
4.按总数抽查20%,不少于1台,尺量、观察检查及检查施工记录。
5.两组同类型消声器不宜直接串联;单个消声器组件的固定应牢固;消声器及弯管应设独立支、吊架。
整体安装的消声器,按总数抽查10%,不少于5台,现场组装的消声器全数检查。
手板和观察检查、核对安装记录。
6.按总数抽查10%,不少于1台,观察检查。
7.全数检查,观察检查。
8.按总数10%的比例抽查,不少于1台,观察检查。
9.按总数抽查10%,不少于1台,观察检查、查阅检查试验记录。
附录C工程质量验收记录用表
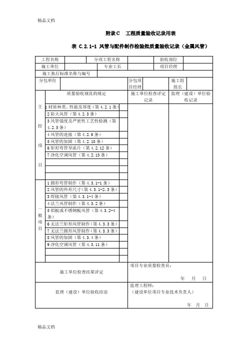
表 C.2.1-1 风管与配件制作检验批质量验收记录(金属风管)
表 C.2.1-2 风管与配件制作检验批质量验收记录
(空调系统)
表 C.2.3-3 风管系统安装检验批质量验收记录
(净化空调系统)
表 C.2.5-1 通风与空调设备安装检验批质量验收记录
(通风系统)
表 C.2.5-2通风与空调设备安装检验批质量验收记录
(空调系统)
表 C.2.5-3通风与空调设备安装检验批质量验收记录
表 C.2.7-1 空调水系统安装检验批质量验收记录
表 C.2.7-2 空调水系统安装检验批质量验收记录
表 C.2.7-3 空调水系统安装检验批质量验收记录
表 C.2.8-1 腐蚀与绝热施工检验批质量验收记录
(风管系统)
表 C.2.8-2 腐蚀与绝热施工检验批质量验收记录
表C.4.1-1通风与空调子分部工程质量验收记录
表C.4.1-2通风与空调子分部工程质量验收记录
表C.4.1-3通风与空调子分部工程质量验收记录
表C.4.1-4通风与空调子分部工程质量验收记录
表C.4.1-5通风与空调子分部工程质量验收记录
表C.4.1-6通风与空调子分部工程质量验收记录
表C.4.1-7通风与空调子分部工程质量验收记录
(空调水系统)
表C.4.2通风与空调子分部工程质量验收记录。
表A.2.1-1 风管与配件产成品检验批质量验收记录
(金属风管)
表A.2.2 风管部件与消声器产品检验批质量验收记录
表A.2.3-1 风管系统安装检验批质量验收记录
(送风系统)
表A.2.3-2 风管系统安装检验批质量验收记录
(排风系统)
表A.2.4-1 风机与空气处理设备安装检验批质量验收记录
表A.2.5-1 空调制冷机组及系统安装检验批质量验收记录
(制冷机组及辅助设备)
表A.2.6-1 空调水系统安装检验批质量验收记录
(水泵及附属设备)
表A.2.6-2 空调冷热(冷却)水系统安装检验批质量验收记录
(金属管道)
表A.2.7-2防腐与绝热施工检验批质量验收记录
(管道系统与设备)
表A.2.8-1工程系统调试检验批质量验收记录(单机试运行及调试)
表A.2.8-2工程系统调试检验批质量验收记录(非设计满负荷条件下系统联合试运转及调试)
表A.3.1通风与空调分项工程质量验收记录
(分项工程)
表A.4.1-1通风与空调子分部工程质量验收记录
(送风系统)
表A.4.1-2通风与空调子分部工程质量验收记录
(排风系统)
表A.4.1-10通风与空调子分部工程质量验收记录
(空调(冷、热)水系统)
表A.4.1-11通风与空调子分部工程质量验收记录
(冷却水系统)
表A.4.1-17通风与空调子分部工程质量验收记录
(吸收式制冷设备系统)
表A.4.1-20通风与空调子分部工程质量验收记录
(设备自控系统)。
附录C工程质量验收记录用表表 C.2.1-1风管与配件制作检验批质量验收记录(金属风管)工程名称 分项工程名称验收部位 施工单位专业工长项目经理施工执行标准名称与编号 分包单位分包项 施工组 目经理组长质量验收规范的规定施工单位检查评定监理(建设)单位验记录收记录主 1 材质种类、 性能及厚度 (第 4.2.1 条)2 防火风管(第 4.2.3 条) 3 风管强度及严密性工艺性检测(第控4.2.5 条)4 风管的连接(第 4.2.6 条)5 风管的加固(第 4.2.10 条) 项 矩形弯管导流片(第 4.2.12条) 6 7 净化空调风管(第 4.2.13 条) 目1 圆形弯管制作(第 4.3.1-1 条)2 风管的外形尺寸 (第 4.3.1-2 ,3 条) 3 焊接风管(第 4.3.1-4 条) 4 法兰风管制作(第 4.3.2 条) 一5 铝板或不锈钢板风管(第 4.3.2-4般 条)项 6 无法兰矩形风管制作 (第 4.3.3 条) 目 7 无法兰圆形风管制作 (第 4.3.3 条)8 风管的加固(第 4.3.4 条)9 净化空调风管(第 4.3.11 条)项目专业质量检查员:施工单位检查结果评定年月日监理工程师:监理(建设)单位验收结论(建设单位项目专业技术负责人)表 C.2.1-2 风管与配件制作检验批质量验收记录(非金属、复合材料风管)工程名称 分项工程名称验收部位 施工单位专业工长项目经理施工执行标准名称与编号 分包单位 分包项 施工组 目经理组长主质量验收规范的规定施工单位检查评监理(建设)单位验收定记录记录1 材质种类、性能及厚度(第 4.2.2 条)控2 复合材料风管的材料(第 4.2.4 条)3 风管强度及严密性工艺性检测(第4.2.5 条) 项 4 风管的连接(第 4.2.6 、 4.2.7 条)5 复合材料风管的连接(第 4.2.8 条) 目6 砖、混凝土风道的变形缝(第 4.2.9条) 7 风管的加固(第 4.2.11 条)8 矩形弯管导流片(第 4.2.12 条)9 净化空调风管(第 4.2.13 条)1 风管的外形尺寸(第4.3.1 条)2 硬聚氯乙烯风管(第4.3.5 条)3 有机玻璃钢风管(第4.3.6 条)一 4 无机玻璃钢风管(第 4.3.7 条)般5 砖、混凝土风道(第 4.3.8 条)项6 双面铝箔绝热板风管(第 4.3.9 条) 目7 铝箔玻璃纤维板风管 (第 4.3.10 条)8 净化空调风管(第4.3.11 条)项目专业质量检查员:施工单位检查结果评定年月日监理工程师:监理(建设)单位验收结论(建设单位项目专业技术负责人)表 C.2.2 风管部件与消声器制作检验批质量验收记录工程名称 分项工程名称 验收部位 施工单位专业工长 项目经理 施工执行标准名称与编号分包单位分包项 施工组目经理组长质量验收规范的规定施工单位检查评监理(建设)单位验收定记录记录1 一般风阀(第 5.2.1 条)2 电动风阀(的5.2.2 条)主 3 防火阀、 排烟阀(口)(第 5.2.3 条)控4 防爆风阀(第 5.2.4 条)项 5 净化空调系统风阀(第5.2.5 条) 目 6 特殊风阀(第5.2.6 条)7 防排烟柔性短管(第 5.2.7 条)8 消声弯管、消声器(第5.2.8 条)1 调节风阀(第 5.3.1 条)2 止回风阀(第 5.3.2 条)3 插板风阀(第 5.3.3 条)一 4 三通调节阀(第 5.3.4 条)般5 风量平衡阀(第 5.3.5 条)项 6 风罩(第5.3.6 条) 目7 风帽(第5.3.7 条)8 矩形弯管导流片(第 5.3.8条)9 柔性短管(第5.3.9 条)10 消声器(第 5.3.10 条)11 检查门(第 5.3.11 条)12 风口(第 5.3.12 条)项目专业质量检查员:施工单位检查结果评定年月日监理工程师:监理(建设)单位验收结论(建设单位项目专业技术负责人)表 C.2.3-1 风管系统安装检验批质量验收记录(送、排风、排烟系统)工程名称 分项工程名称 验收部位 施工单位 专业工长 项目经理 施工执行标准名称 与编号分包单位 分包项 施工组目经理组长主 质量验收规范的规定施工单位检查评监理(建设)单位验收定记录记录1 风管穿越防火、防爆墙(第 6.2.1 条)控 2 风管内严禁其他管线穿越(第6.2.2 条)3 室外立管的固定拉索 (第 6.2.2-3 条)项 4 高于 80℃风管系统(第6.2.3 条) 5 风阀的安装(第6.2.4 条) 目 6 手动密闭阀的安装(第 6.2.9 条) 7 风管严密性检验(第 6.2.8 条)1 风管系统的安装(第6.3.1 条) 2 无法兰风管系统的安装 (第 6.3.2 条) 3 风管安装水平、垂直质量(第 6.3.3 一4 风管的支、吊架(第 6.3.4 条)般5 铝板、不锈钢板风管安装 (第6.3.1-8 项条)目 6 非金属风管的安装(第 6.3.5 条) 7 风阀的安装(第 6.3.8 条) 8 风帽的安装(第 6.3.9 条)9 吸、排风罩的安装(第 6.3.10 条)10 风口的安装(第 6.3.11 条)项目专业质量检查员:施工单位检查结果评定年月日监理工程师:监理(建设)单位验收结论(建设单位项目专业技术负责人)表 C.2.3-2 风管系统安装检验批质量验收记录(空调系统)工程名称 分项工程名称验收部位 施工单位专业工长 项目经理 施工执行标准名称与编号分包单位 分包项 施工组目经理组长主 质量验收规范的规定施工单位检查评监理(建设)单位验收定记录记录1 风管穿越防火墙、 防爆墙(第 6.2.1 条)控 2 风管内严禁其他管线穿越(第 6.2.2 条)3 室外立管的固定拉索 (第 6.2.2-3 条)项 4 高于 80℃风管系统(第6.2.3 条) 5 风阀的安装(第6.2.4 条)目 6 手动密闭阀的安装(第 6.2.9 条)7 风管严密性检验(第 6.2.8 条)1 风管系统的安装(第6.3.1 条) 2 无法兰风管系统的安装 (第 6.3.2 条) 3 风管安装水平、垂直质量(第 6.3.3条) 一4 风管的支、吊架(第 6.3.4 条)般5 铝板、不锈钢板风管安装 (第6.3.1-8 项条)目 6 非金属风管的安装(第 6.3.5 条)7 复合材料风管安装(第 6.3.6 条)8 风阀的安装(第 6.3.8 条)9 风口的安装(第 6.3.11 条)10 变风量末端装置安装 (第 7.3.20 条)项目专业质量检查员:施工单位检查结果评定年月日监理工程师:监理(建设)单位验收结论(建设单位项目专业技术负责人)表 C.2.3-3 风管系统安装检验批质量验收记录(净化空调系统)工程名称 分项工程名称验收部位 施工单位专业工长 项目经理 施工执行标准名称与编号分包单位 分包项 施工组目经理组长主 质量验收规范的规定施工单位检查评监理(建设)单位验收定记录记录1 风管穿越防火墙、 防爆墙(第 6.2.1 条)控 2 风管内严禁其他管线穿越(第 6.2.2 条)3 室外立管的固定拉索 (第 6.2.2-3 条)项 4 高于 80℃风管系统(第6.2.3 条) 5 风阀的安装(第6.2.4 条) 目 6 手动密闭阀的安装(第 6.2.5 条) 7 净化风管安装(第 6.2.6 条)8 真空吸尘系统安装(第 6.2.7 条)9 风管严密性检验(第 6.2.8 条)1 风管系统的安装(第 6.3.1 条)2 无法兰风管系统的安装 (第 6.3.2 条)3 风管安装水平、垂直质量(第 6.3.3 条)一4 风管的支、吊架(第 6.3.4 条)般5 铝板、不锈钢板风管安装 (第6.3.1-8 项条)目 6 非金属风管的安装(第 6.3.5 条) 7 复合材料风管安装(第 6.3.6 条) 8 风阀的安装(第 6.3.8 条)9 净化空调风口的安装 (第 6.3.12 条)10 真空吸尘系统安装(第6.3.7 条)11 风口的安装(第 6.2.12 条)项目专业质量检查员:施工单位检查结果评定年月日监理工程师:表 C.2.4 通风机安装检验批质量验收记录工程名称分项工程名称验收部位施工单位专业工长项目经理施工执行标准名称与编号分包单位分包项施工组目经理组长主质量验收规范的规定施工单位检查评监理(建设)单位验收定记录记录1 通风机的安装(第 7.2.1 条)控 2 通风机安全措施(第 7.2.2 条)项目1 离心风机的安装(第7.3.1-1 条)2 轴流风机的安装(第7.3.1-2 条)3 风机的隔振支架(第7.3.1-3 、一7.3.1-4 条)般项目项目专业质量检查员:施工单位检查结果评定年月日监理工程师:监理(建设)单位验收结论(建设单位项目专业技术负责人)年月日风系统)工程名称 分项工程名称验收部位 施工单位专业工长项目经理施工执行标准名称与编号 分包单位分包项 施工组 目经理组长主 质量验收规范的规定施工单位检查评监理(建设)单位验收定记录记录1 通风机的安装(第 7.2.1 条)控2 通风机安全措施(第 7.2.2 条)3 除尘器的安装(第 7.2.4 条) 4 布袋与静电除尘器的接地(第项7.2.4-3 条)5 静电空气过滤器安装 (第 7.2.7 条)6 电加热器的安装(第 7.2.8 条) 目7 过滤吸收器的安装(第 7.2.10 条)1 通风机的安装(第 7.3.1 条)2 除尘设备的安装(第7.3.5 条) 3 现场组装静电除尘器的安装(第 7.3.6 条)(第般7.3.7 条)项 5 消声器的安装(第 7.3.13 条)目 6 空气过滤器的安装(第7.3.14 条)7 蒸汽加湿器的安装(第7.3.18 条)8 空气风幕机的安装(第7.3.19 条)项目专业质量检查员:施工单位检查结果评定年月日监理工程师:监理(建设)单位验收结论(建设单位项目专业技术负责人)年 月 日调系统)工程名称 分项工程名称验收部位 施工单位 专业工长项目经理 施工执行标准名称 与编号分包单位 分包项 施工组目经理组长主 质量验收规范的规定施工单位检查评监理(建设)单位验收定记录记录1 通风机的安装(第 7.2.1 条)控 2 通风机安全措施(第 7.2.2 条)3 空调机组的安装(第 7.2.3 条) 4 静电空气过滤器安装(第 7.2.7 条项 5 电加热器的安装(第 7.2.8 条) 6 干蒸汽加湿器的安装(第 7.2.9 条) 目1 通风机的安装(第 7.3.1 条)2 组合式空调机组的安装 (第 7.3.2 条)3 现场组装的空气处理室安装(第7.3.3 条)一 4 单元式空调机组的安装 (第 7.3.4 条)般5 消声器的安装(第 7.3.13 条)项6 风机盘管机组安装(第 7.3.15 条)目 粗、中效空气过滤器的安装(第 77.3.14 条)8 空气风幕机的安装(第 7.3.19 条) 9 转轮式换热器安装(第 7.3.16 条) 10 转轮式去湿器安装(第7.3.17 条) 11 蒸汽加湿器安装(第 7.3.18 条)项目专业质量检查员:施工单位检查结果评定年月日监理工程师:监理(建设)单位验收结论 (建设单位项目专业技术负责人)年 月 日化空调系统)工程名称 分项工程名称验收部位 施工单位专业工长项目经理 施工执行标准名称与编号分包单位 分包项 施工组目经理组长主 质量验收规范的规定施工单位检查评监理(建设)单位验收定记录记录1 通风机的安装(第 7.2.1 条) 控2 通风机安全措施(第 7.2.2 条)3 空调机组的安装(第7.2.3 条) 项4 净化空调设备的安装(第 7.2.6 条)5 高效过滤器的安装(第7.2.5 条)6 静电空气过滤器安装(第 7.2.7 条)目 7 电加热器的安装(第7.2.8 条) 8 干蒸汽加湿器的安装(第 7.2.9 条)1 通风机的安装(第 7.3.1 条)2 组合式净化空调机组的安装(第7.3.2 条)一 3 净化室设备安装(第 7.3.8 条)般4 装配室洁净室的安装(第 7.3.9 条) 项5 洁净室层流罩的安装 (第 7.3.10 条)目6 风机过滤单元安装(第 7.3.11 条)7 粗、中效空气过滤器的安装(第 7.3.14 条)8 高效过滤器安装(第7.3.12 条)9 消声器的安装(第 7.3.13 条) 10 蒸汽加湿器安装(第7.3.18 条) 项目专业质量检查员:施工单位检查结果评定年月日监理工程师:监理(建设)单位验收结论(建设单位项目专业技术负责人)表 C.2.6 空调制冷系统安装检验批质量验收记录工程名称 分项工程名称验收部位 施工单位专业工长项目经理施工执行标准名称与编号 分包单位 分包项 施工组 目经理组长主质量验收规范的规定施工单位检查评监理(建设)单位验收定记录记录1 制冷设备与附属设备安装 (第 8.2.1-1 、 控 3条)2 设备混凝土基础的验收(第 8.2.1-2条) 项3 表冷器的安装(第 8.2.2 条)4 燃气、燃油系设备的安装(第 8.2.3条)目5 制冷设备的严密性试验及试运行(一8.2.4 条)6 管道及管配件的安装(第8.2.5 条)7 燃油管道系统接地(第 8.2.6 条)8 燃气系统的安装(第 8.2.7 条)9 氨管道焊缝的无损检测 (第 8.2.8 条) 10 乙二醇管道系统的规定(第8.2.9 条)11 制冷剂管路的试验(第8.2.10 条)1 制冷设备安装(第 8.3.1-1、2、4、5 条)2 制冷附属设备安装(第 8.3.1-3 条) 3 模块化冷水机组安装(第 8.3.2 条)一 4 泵的安装(第 8.3.3 条)般5 制冷剂管道的安装(第 8.3.4-1 、 2、项3、4 条)目 6 管道的焊接(第 8.3.4-5 、 6条)7 阀门安装(第8.3.5-2~5条)8 阀门的试压(第8.3.5-1 条)9 制冷系统的吹扫(第 8.3.6 条)项目专业质量检查员:施工单位检查结果评定年月日监理工程师:表 C.2.7-1 空调水系统安装检验批质量验收记录(金属管道)工程名称 分项工程名称验收部位 施工单位专业工长项目经理施工执行标准名称与编号 分包单位分包项 施工组 目经理组长质量验收规范的规定施工单位检查评监理(建设)单位验收主定记录记录1 系统的管材与配件验收(第 9.2.1 条)2 管道柔性接管的安装 (第 9.2.2-3 条) 控3 管道的套管(第 9.2.2-5 条)4 管道补偿器安装及固定支架(第9.2.5 条)项 5 系统的冲洗、排污(第 9.2.2-4 条)6 阀门的安装(第 9.2.4 条)目7 阀门的试压(第 9.2.4-3条)8 系统的试压(第 9.2.3 条)9 隐蔽管道的验收(第 9.2.2-1 条)1 管道的焊接(第 9.3.2 条) 2 管道的螺纹连接(第 9.3.3 条) 3 管道的法兰连接(第 9.3.4 条) 4 管道的安装(第 9.3.5 条 )5 钢塑复合管道的安装(第9.3.6 条) 一6 管道沟槽式连接(第 9.3.6 条)般 7 管道的支、吊架(第9.3.8 条) 项 8 阀门及其他部件的安装(第 9.3.10目条)9 系统放气阀与排水阀(第 9.3.10-4 条)项目专业质量检查员:施工单位检查结果评定年月日监理工程师:监理(建设)单位验收结论(建设单位项目专业技术负责人)表 C.2.7-2 空调水系统安装检验批质量验收记录(非金属管道)工程名称 分项工程名称验收部位 施工单位 专业工长项目经理施工执行标准名称与编号 分包单位 分包项 施工组 目经理组长主质量验收规范的规定施工单位检查评监理(建设)单位验收定记录记录1 系统的管材与配件验收(第 9.2.1 条)控2 管道柔性接管的安装 (第 9.2.2-3 条)3 管道的套管(第 9.2.2-5 条)4 管道补偿器安装及固定支架(第项9.2.5 条)5 系统的冲洗、排污(第 9.2.2-4 条)6 阀门的安装(第 9.2.4 条) 目 阀门的试压(第 9.2.4-3 条)7 8 系统的试压(第 9.2.3 条) 9 隐蔽管道的验收(第 9.2.2-1 条)1PVC-U 管道的安装(第 9.3.1 条) 2PP-R 管道的安装(第 9.3.1 条)3PEX 管道的安装( 9.3.1 条)一 4 管道安装的位置(第 9.3.9 条) 般5 管道的支、吊架(第 9.3.8 条)项6 阀门的安装(第 9.3.10 条)目 系统放气阀与排水阀(第9.3.10-4 7 条)项目专业质量检查员:施工单位检查结果评定年月日监理工程师:监理(建设)单位验收结论(建设单位项目专业技术负责人)年 月 日表 C.2.7-3 空调水系统安装检验批质量验收记录(设备)工程名称 分项工程名称验收部位 施工单位专业工长项目经理施工执行标准名称与编号 分包单位 分包项 施工组 目经理组长主质量验收规范的规定施工单位检查评监理(建设)单位验收定记录记录1 系统的设备与附属设备(第 9.2.1 条)控2 冷却塔的安装(第 9.2.6 条)3 水泵的安装(第 9.2.7 条)4 其他附属设备的安装(第 9.2.8 条) 项目一 1 风机盘管的管道连接(第 9.3.7 条)般2 冷却塔的安装(第 9.3.11 条)项 3 水泵与附属设备的安装(第9.3.12 目 条)4 水箱、集水缸、分水缸、储冷罐等设 备的安装(第 9.3.13 条)5 水过滤器等设备的安装 (第9.3.10-3 条)项目专业质量检查员:施工单位检查结果评定年月日监理工程师:监理(建设)单位验收结论(建设单位项目专业技术负责人)年 月 日管系统)工程名称 分项工程名称验收部位 施工单位专业工长项目经理施工执行标准名称与编号 分包单位 分包项 施工组 目经理组长主质量验收规范的规定施工单位检查评监理(建设)单位验收定记录记录1 材料的验证(第 10.2.1 条)控2 防腐涂料或油漆质量 (第 10.2.2 条)3 电加热器与防火墙 2m 管道(第 10.2.3条)项4 低温风管的绝热(第 10.2.4 条)5 洁净室内风管(第 10.2.5 条)目1 防腐涂层质量(第 10.3.1 条)2 空调设备、部件油漆或绝热(第 10.3.4 条)3 绝热材料厚度及平整度(第 10.3.4 一条)般4 风管绝热粘贴接固定 (第 10.3.5 条)项 5 风管绝热层保温钉固定(第10.3.6目条)6 绝热涂料(第10.3.7 条)7 玻璃布保护层的施工 (第 10.3.8 条)8 金属保护壳的施工(第10.3.12 条) 项目专业质量检查员:施工单位检查结果评定年月日监理工程师:监理(建设)单位验收结论(建设单位项目专业技术负责人)年 月 日道系统)工程名称分项工程名称验收部位施工单位专业工长项目经理施工执行标准名称与编号分包单位分包项施工组目经理组长主质量验收规范的规定施工单位检查评监理(建设)单位验收定记录记录1 材料的验证(第10.2.1 条)控 2 防腐涂料或油漆质量(第 10.2.2 条)3 电加热器与防火墙2m管道(第 10.2.3条)项 4 冷冻水管的绝热(第 10.2.4 条)5 洁净室内风管(第 10.2.5 条)目1 防腐涂层质量(第 10.3.1 条)2空调设备、部件油漆或绝热(第10.3.4 条)3 绝热材料厚度及平整度(第10.3.4一条)般 4 绝热涂料(第 10.3.7 条)项 5 玻璃布保护层的施工(第 10.3.8 条)目 6 管道阀门的绝热(第 10.3.9 条)7 管道绝热层的施工(第 10.3.10 条)8 管道防潮层的施工(第 10.3.11 条)9 金属保护壳的施工(第 10.3.12 条)10 机房内制冷管道色标(第10.3.13条)项目专业质量检查员:施工单位检查结果评定年月日监理工程师:监理(建设)单位验收结论(建设单位项目专业技术负责人)年月日表 C.2.9 工程系统调试检验批质量验收记录工程名称 分项工程名称验收部位 施工单位专业工长项目经理施工执行标准名称与编号 分包单位 分包项 施工组 目经理组长主质量验收规范的规定施工单位检查评监理(建设)单位验收定记录记录1 通风机、空调机组单机试运转及调试 控 (第 11.2.2-1 条)2 水泵单机试运转及调试 (第 11.2.2-2条) 项3 冷却塔单机试运转及调试(第11.2.2-3 条)4 制冷机组单机试运转及调试(第目11.2.2-4 条)5 电控防、排烟阀的动作试验(第 11.2.2-5 条)6 系统风量的调试(第 11.2.3-1 条)7 空调水系统的调试 (第 11.2.3-2 条)8 恒温、恒湿空调(第 11.2.3-3 条)9 防、排系统调试(第 11.2.4 条) 10 净化空调系统的调试 (第 11.2.5 条) 1 风机、空调机组(第 11.3.1-2.3 条) 2 水泵的安装(第 11.3.1-1 条) 3 风口风量的平衡(第 11.3.2-2 条) 4 水系统的试运行 (第 11.3.3-1 、3 条)一5 水系统检测元件的工作 (第11.3.3-2 般条)项6 空调房间的参数 (第 11.3.3-4 、5、6目条)7 洁净空调房间的参数 (第 11.3.3 条) 8 工程的控制和监测元件和执行结构(第 11.3.4 条)项目专业质量检查员:施工单位检查结果评定年月日监理工程师:监理(建设)单位验收结论(建设单位项目专业技术负责人)表 C.3.1 通风与空调工程分项工程质量验收记录(分项工程)工程名称结构类型检验批数施工单位项目经理项目技术负责人分包单位分包单位负责人分包项目经理序号检验批部位、区、段施工单位检验评定结果监理(建设)单位验收结论检查结论项目专业技术负责人:监理工程师:(建设单位项目专业技术负验责人)收结论年月日年月日(送、排风系统)工程名称结构类型层数施工单位技术部门质量部门负负责人责人分包单位分包单位分包技术负负责人责人序号分项工程名称检验批数施工单位检查评定意见验收意见1风管与配件制作2 部件制作3 风管系统安装4风机与空气处理设备安装5消声设备制作与安装6风管与设备防腐7 系统调试质量控制资料安全和功能检验(检测)报告观感质量验收项目经理:分包单位验年月日项目经理:施工单位收年月日项目负责人:勘察单位年月日单项目负责人:设计单位年月日总监理工程师:位(建设单位项目专业负责人)监理(建设)单位年月日(防、排烟系统)工程名称结构类型层数施工单位技术部门质量部门负负责人责人分包单位分包单位分包技术负负责人责人序号分项工程名称检验批数施工单位检查评定意见验收意见1风管与配件制作2 部件制作3 风管系统安装4风机与空气处理设备安装5排烟风口、常闭正压风口安装6风管与设备防腐7 系统调试8消声设备制作与安装(合用系统时检查)质量控制资料安全和功能检验(检测)报告观感质量验收项目经理:分包单位年月日项目经理:施工单位验年月日收项目负责人:单勘察单位位年月日项目负责人:设计单位年月日总监理工程师:监理(建设)单位(建设单位项目专业负责人)年月日尘系统)工程名称结构类型层数施工单位技术部门质量部门负负责人责人分包单位分包单位分包技术负负责人责人序号分项工程名称检验批数施工单位检查评定意见验收意见1风管与配件制作2 部件制作3 风管系统安装4 风机安装5除尘器与排污设备安装6风管与设备防腐7风管与设备绝热8 系统调试质量控制资料安全和功能检验(检测)报告观感质量验收项目经理:分包单位年月日项目经理:施工单位验年月日收项目负责人:单勘察单位位年月日项目负责人:设计单位年月日总监理工程师:监理(建设)单位(建设单位项目专业负责人)年月日调系统)工程名称结构类型层数施工单位技术部门质量部门负负责人责人分包单位分包单位分包技术负负责人责人序号分项工程名称检验批数施工单位检查评定意见验收意见1风管与配件制作2 部件制作3 风管系统安装4风机与空气处理设备安装5消声设备制作与安装6风管与设备防腐7风管与设备绝热8 系统调试质量控制资料安全和功能检验(检测)报告观感质量验收项目经理:分包单位年月日项目经理:施工单位验年月日收项目负责人:单勘察单位位年月日项目负责人:设计单位年月日总监理工程师:监理(建设)单位(建设单位项目专业负责人)年月日化空调系统)工程名称结构类型层数施工单位技术部门质量部门负负责人责人分包单位分包单位分包技术负负责人责人序号分项工程名称检验批数施工单位检查评定意见验收意见1风管与配件制作2 部件制作3 风管系统安装4风机与空气处理设备安装5消声设备制作与安装6风管与设备防腐7风管与设备绝热8高效过滤器安装9 净化设备安装10 系统调试质量控制资料安全和功能检验(检测)报告观感质量验收项目经理:分包单位年月日项目经理:施工单位验年月日收项目负责人:单勘察单位位年月日项目负责人:设计单位年月日总监理工程师:监理(建设)单位(建设单位项目专业负责人)年月日冷系统)工程名称结构类型层数施工单位技术部门质量部门负负责人责人分包单位分包单位分包技术负负责人责人序号分项工程名称检验批数施工单位检查评定意见验收意见1 制冷机组安装2制冷剂管道及配件安装3制冷附属设备安装4管道及设备的防腐和绝热5 系统调试质量控制资料安全和功能检验(检测)报告观感质量验收项目经理:分包单位年月日项目经理:施工单位验年月日收项目负责人:单勘察单位位年月日项目负责人:设计单位年月日总监理工程师:监理(建设)单位(建设单位项目专业负责人)年月日调水系统)工程名称结构类型层数施工单位技术部门质量部门负负责人责人分包单位分包单位分包技术负负责人责人序号分项工程名称检验批数施工单位检查评定意见验收意见1冷热水管道系统安装2冷却水管道系统安装3冷凝水管道系统安装4管道阀门和部件安装5 冷却塔安装6水泵及附属设备安装7管道与设备的防腐和绝热8 系统调试质量控制资料安全和功能检验(检测)报告观感质量验收项目经理:分包单位年月日项目经理:施工单位验年月日收项目负责人:单勘察单位位年月日项目负责人:设计单位年月日总监理工程师:监理(建设)单位(建设单位项目专业负责人)年月日表 C.4.2 通风与空调子分部工程质量验收记录工程名称结构类型层数施工单位技术部门质量部门负负责人责人分包单位分包单位分包技术负负责人责人序号分项工程名称检验批数施工单位检查评定意见验收意见1 送、排风系统2 防、排烟系统3 除尘系统4 空调系统5 净化空调系统6 制冷系统7 空调水系统质量控制资料安全和功能检验(检测)报告观感质量验收项目经理:分包单位年月日项目经理:施工单位验年月日收项目负责人:单勘察单位位年月日项目负责人:设计单位年月日总监理工程师:监理(建设)单位(建设单位项目专业负责人)年月日。
风管与配件制作检验批质量验收记录表(金属风管)GB 50243-2002风管与配件制作检验批质量验收记录表(非金属、复合材料风管)GB 50243-2002监理(建设)单位验收结论监理工程师(建设单位项目专业技术负责人)年月日风管部件与消声器制作检验批质量验收记录表GB 50243-2002(Ⅰ)主控项目080105080405080505工程名称分项工程名称验收部位施工单位专业工长项目经理施工执行标准名称及编号分包单位分包项目经理施工班组长施工质量验收规范的规定施工单位检查评定记录监理(建设)单位验收记录主控项目1调节风阀第5.2.1条2电动风阀第5.2.2条3防火阀、排烟阀(口)第5.2.3条4防爆风阀第5.2.4条5净化空调系统风阀第5.2.5条6高压风阀第5.2.6条7防排烟柔性短管材料要求第5.2.7条8消防弯管、消声器第5.2.8条施工单位检查评定结果项目专业质量检查员:年月日监理(建设)单位验收结论风管部件与消声器制作检验批质量验收记录表GB 50243-2002风管系统安装检验批质量验收记录表(送、排风,防排烟,除尘系统)GB 50243-2002风管系统安装检验批质量验收记录表(空调系统)GB50243-2002风管系统安装检验批质量验收记录表(净化空调系统)GB 50243-20028净化空调风口安装第6.3.12条9真空吸尘系统安装第6.3.7条10风口安装允许偏差位置和标高不应大于10m水平度不应大于3/1000垂直度不应大于2/1000施工单位检查评定结果项目专业质量检查员:年月日监理(建设)单位验收结论监理工程师(建设单位项目专业技术负责人)年月日通风机安装检验批质量验收记录表GB 50243-2002080107080207080306080407080507工程名称分项工程名称验收部位施工单位专业工长项目经理施工执行标准名称及编号分包单位分包项目经理施工班组长施工质量验收规范的规定施工单位检查评定记录监理(建设)单位验收记录主控项目1通风机安装第7.2.1条2通风机安全措施第7.2.2条一般项目1叶轮与机壳安装第7.3.1-1条2轴流风机叶片安装第7.3.1-2条3隔振器安装第7.3.1-3条4隔振器支吊架第7.3.1-4条5通风机安装允许偏差/mm(1)中心线的平面位移10(2)标高±10(3)皮带轮轮宽中心平面偏移1通风与空调设备安装检验批质量验收记录表(通风系统)GB 50243-2002(Ⅰ)5消声器安装第7.3.13条6空气过滤器安装第7.3.14条7蒸汽加湿器安装第7.3.18条8空气风幕机安装第7.3.19条施工单位检查评定结果项目专业质量检查员:年月日监理(建设)单位验收结论监理工程师(建设单位项目专业技术负责人)年月日通风与空调设备安装检验批质量验收记录表(空调系统)GB 50243-2002(Ⅱ)080404工程名称分项工程名称验收部位施工单位专业工长项目经理施工执行标准名称及编号分包单位分包项目经理施工班组长施工质量验收规范的规定施工单位检查评定记录监理(建设)单位验收记录主控项目1空调机组的安装第7.2.1条2静电空气过滤器安装第7.2.2条3电加热器安装第7.2.3条4干蒸汽加湿器安装第7.2.7条一般项目1组合式空调机组安装第7.2.8条2现场组装的空气处理室安装第7.2.9条3单元式空调机组安装第7.3.2条4消声器安装第7.3.3条5风机盘管机组安装第7.3.4条6粗、中效空气过滤器安装第73.313条通风与空调设备安装检验批质量验收记录表(净化空调系统)GB 50243-20027高效过滤器安装第7.3.12条8消声器的安装第7.3.13条9蒸汽加湿器安装第7.3.18条施工单位检查评定结果项目专业质量检查员:年月日监理(建设)单位验收结论监理工程师(建设单位项目专业技术负责人)年月日空调制冷系统安装检验批质量验收记录表GB 50243-2002080601工程名称分项工程名称验收部位施工单位专业工长项目经理施工执行标准名称及编号分包单位分包项目经理施工班组长施工质量验收规范的规定施工单位检查评定记录监理(建设)单位验收记录主控项目1制冷设备与附属设备安装第8.2.1-1,3条2设备混凝土基础验收第8.2.1-2条3表冷器的安装第8.2.2条4燃油、燃气系统设备安装第8.2.3条5制冷设备严密性试验及试运行第8.2.4条6制冷管道及管配件安装第8.2.5条7燃油管道系统接地第8.2.6条8燃气系统安装第8.2.7条9氨管道焊缝无损检测第8.2.8条10乙二醇管道系统规定第8.2.9条11制冷剂管道试验第8.2.10条一般项目1制冷及附属设备安装平面位移/mm10标高/mm±102模块式冷水机组安装第8.3.2条3泵安装第8.3.3条4制冷剂管道安装第8.3.4-1,2,3,4条5管道焊接第8.3.4-5,6条6阀门安装第8.3.5-2-5条7阀门试压第8.3.5-1条8制冷系统吹扫第8.3.6条施工单位检查评定结果项目专业质量检查员:年月日监理(建设)单位验收结论监理工程师(建设单位项目专业技术负责人)年月日空调水系统安装检验批质量验收记录表(金属管道)GB 50243-2002(Ⅰ)080701工程名称分项工程名称验收部位施工单位专业工长项目经理施工执行标准名称及编号分包单位分包项目经理施工班组长施工质量验收规范的规定施工单位检查评定记录监理(建设)单位验收记录主控项目1系统的管材与配件验收第9.2.1条2管道柔性接管安装第9.2.2-3条3管道套管第9.2.2-5条4管道补偿器安装及固定支架第9.2.5条5系统与设备贯通冲洗、排污第9.2.2-4条6阀门安装第9.2.4-1,2条7阀门试压第9.2.4-3条8系统试压第9.2.3条9隐蔽管道验收第9.2.2-1条10焊接、镀锌钢管焊号第9.2.2-2条1管道焊接连接第9.3.2条一般项目2管道螺纹连接第9.3.3条3管道法兰连接第9.3.4条4钢制管道安装允许偏差(mm)(1)坐标架空及地沟室外25室内15埋地60(2)标高架空及地沟室外±20室内±15埋地±25(3)水平管平直度DN≤100mm2L%,最大40DN>100mm3L%,最大40(4)立管垂直度5L%,最大25(5)成排管段间距15(6)成排管段或成排阀门在同一平面上35钢塑复合管道安装第9.3.6条6管道沟槽式连接第9.3.6条7管道支、吊架第9.3.8条8阀门及其他部件安装第9.3.10条9系统放气阀与排水阀第9.3.10-4条施工单位检查评定结果项目专业质量检查员:年月日监理(建设)单位验收结论监理工程师(建设单位项目专业技术负责人)年月日空调水系统安装检验批质量验收记录表(非金属管道)GB 50243-2002(Ⅱ)080701工程名称分项工程名称验收部位施工单位专业工长项目经理施工执行标准名称及编号分包单位分包项目经理施工班组长施工质量验收规范的规定施工单位检查评定记录监理(建设)单位验收记录主控项目1系统管材与配件验收第9.2.1条2管道柔性接管安装第9.2.2-3条3管道套管第9.2.2-5条4管道补偿器安装及固定支架第9.2.5条5系统冲洗、排污第9.2.2-4条6阀门安装第9.2.4-1,2条7阀门试压第9.2.4-3条8系统试压第9.2.3条9隐蔽管道验收第9.2.2-1条一般项目1PVC—U管道安装第9.3.1条2PP—R管道安装第9.3.1条3PEX管道安装第9.3.1条4管道与金属支吊架间隔绝第9.3.9条5管道支、吊架第9.3.8条6阀门安装第9.3.10条7系统放气阀与排水阀第9.3.10-4条施工单位检查评定结果项目专业质量检查员:年月日监理(建设)单位验收结论监理工程师(建设单位项目专业技术负责人)年月日空调水系统安装检验批质量验收记录表(设备)GB 50243-2002(Ⅲ)080701工程名称分项工程名称验收部位施工单位专业工长项目经理施工执行标准名称及编号分包单位分包项目经理施工班组长施工质量验收规范的规定施工单位检查评定记录监理(建设)单位验收记录主控项目1系统设备与附属设备第9.2.1条2冷却塔安装第9.2.6条3水泵安装第9.2.7条4其他附属设备安装第9.2.8条一般1风机盘管机组等与管道连接第9.3.7条工程系统调试验收记录表。
本表由施工单位填报,经监理单位审批后,监理单位、施工单位各保存一份。
本表由施工单位填写,城建档案馆、建设单位、施工单位各保存一份。
本表由施工单位填报,城建档案馆、建设单位、施工单位各保存一份。
本表由施工单位填写并保存。
本表由施工单位填报并保存。
附:调试测试表
本表由施工单位填写,城建档案馆、建设单位、施工单位各保存一份。
注:无洁净级别要求的系统,填写送、排、新风等;风道部位指干管或支干管、支管。
本表由施工单位填写并保存。
本表由施工单位填写,城建档案馆、建设单位、施工单位各保存一份。
本表由施工单位填报并保存。
本表用于粘贴合格证和试验报告单等资料。
本表由交接单位和接受单位各保存一份。
本表由施工单位填写,城建档案馆、建设单位、施工单位各保存一份。
本表由交接单位和接受单位各保存一份。
最新版通风与空调节能分项工程检验批质量验收记录为了确保通风与空调节能分项工程的质量,经过本单位相关人员的精心筹备和施工工人的努力,我单位完成了通风与空调节能分项工程的施工任务。
现在对该项目进行质量验收,以确保工程质量符合相关标准和要求。
一、工程概况:项目名称:通风与空调节能分项工程项目地点:建设单位:施工单位:监理单位:工程内容:1.通风系统的建设和安装2.空调系统的建设和安装3.风管、水管、电缆等管道的敷设和连接4.空调机组、风机、过滤器等设备的安装和调试二、质量验收情况:1.工程质量检查和验收依据:根据国家建设工程质量验收标准及相关规范要求2.质量验收时间:3.施工单位出具的施工合格证明及相关资料:(1)通风系统施工合格证明(2)空调系统施工合格证明(3)其他相关资料3.空调与通风系统运行状态:(1)空调系统空调机组是否正常运行空调温度、湿度是否符合设计要求空调系统的噪音是否超标空调系统的能耗是否符合节能要求(2)通风系统风机正常运行是否稳定通风系统的送风量是否达到设计要求通风系统的噪音是否超标通风系统的能耗是否符合节能要求4.施工单位配合情况:(1)施工单位是否按照施工图纸和技术要求进行施工(2)施工单位是否站在建设单位和用户的立场上,合理建议和安排施工方案(3)施工单位是否按时、按量完成工程任务5.工程质量验收结论:根据以上内容和相关文件资料的审核,通风与空调节能分项工程的质量符合相关规范和要求,工程验收合格。
6.还存在的问题及后续处理措施:(1)问题描述:(2)处理措施和整改要求:(3)整改责任单位和责任人:(4)整改期限:7.验收人员:建设单位代表:施工单位代表:监理单位代表:8.验收记录:(1)现场验收照片;(2)《工程质量验收报告》;(3)其他相关证明材料。
以上是针对通风与空调节能分项工程的质量验收记录,希望能够帮助到您。